KPAC - Pomp HAYWARD - Gratis gebruiksaanwijzing en handleiding
Vind de handleiding van het apparaat gratis KPAC HAYWARD in PDF-formaat.
Gebruikersvragen over KPAC HAYWARD
0 vraag over dit apparaat. Beantwoord die u kent of stel uw eigen vraag.
Stel een nieuwe vraag over dit apparaat
Download de handleiding voor uw Pomp in PDF-formaat gratis! Vind uw handleiding KPAC - HAYWARD en neem uw elektronisch apparaat weer in handen. Op deze pagina staan alle documenten die nodig zijn voor het gebruik van uw apparaat. KPAC van het merk HAYWARD.
GEBRUIKSAANWIJZING KPAC HAYWARD
Installatie- en bedieningshandleiding
3.1 Basisschema 8
3.2 Warmtepomp 8
3.3 Hydraulische aansluiting 10
3.4 Elektrische aansluiting 11
3.5 Eerste gebruik 12
3.6 Instelling van het waterdebiet 14
4. GEBRUIKERSINTERFACE 15
4.1 Algemene voorstelling 15
4.2 Installing Datum en Tijd 17
4.3 De timers aan/uit instellen 18
4.4 Instelwaarde aanpassen 20
4.5 Het touchscreen vergrendelen en ontgrendelen. 21
4.6 Instellen van de SILENCE functie 22
5. ONDERHOUD EN OVERWINTERING 25
5.1 Onderhoud 25
5.2 Overwintering 25
6. BIJLAGEN 26
6.1 Elektrische schema's 26
6.2 Aansluitingen prioriteit verwarming eenfasepomp 28
6.3 Opengewerkte tekeningen en onderdelen 30
6.4 Gids voor het probleemoplossing 34
6.5 Garantie 37
6.6 Einde levensduur van het toestel 37
1. ALGEMENE INSTRUCTIES - VEILIGHEID
Hartelijk dank voor de aanschaf van deze Hayward zwembadwarmtepomp.
De Hayward FULL INVERTER warmtepomp is ontworpen volgens strenge productienormen om te voldoen aan de hoogste kwaliteitseisen.
De Hayward warmtepompen bieden u uitzonderlijke prestaties terwijl gedurende het hele zwemseizoen door het vermogen, het elektriciteitsverbruik en het geluidsniveau aan te passen aan de verwarming van uw zwembad dankzij de FULL INVERTER-besturingslogica.

Lees de instructies in deze handleiding zorgvuldig door voordat u het apparaat in gebruik neemt.
Deze handleiding bevat alleoodzakelijkke informatatie over installment, probleemoplossing en onderhoud.
Lees deze handleiding zorgvuldig door voordat u het apparaat opent of onderhoudswerkzaamheden aan het apparaat uitvoert. De fabrikant van dit product is in geen geval aansprakelijk voor enig letsel van een gebruiker of schade aan het apparaat als gevolg van möglichke foutenijdens de installmentie, het verhelpen van storingen of onnodig onderhoud. Het is van essentieel belang om de instructies in deze handleiding te allenijdpe op te volgen.
Nadat u deze handleiding gelezen hebt, bewaar deze dan voor eventuele later gebruik.
Bevoegd personeel
- De installmentie, de elektrische aansluitingen, het onderhoud en de reparations van het toestel要去en worden uitgevoerd door een erkendvakman overeenkomstig de voorschriften en Beste praktijk den gelden in het land waar het toestel worden geinstallerd (zie § 3.4).
Voor elke interventie op het koelcircuit要去 de installmenter beschikken over een certificaat van bekwaamheid om met koelmiddelen om te gaan.
Voor Frankrijk:
- Laagspanningsinstallatie volgens NF-C 15-100.
- Wetgeving inzake de behandeling van koelmiddelen: Besluit 2007/737 en deuitvoeringsbesluien waarvan.
1. ALGEMENE INSTRUCTIES - VEILIGHEID (vervolg)
Dit product bevat R32 koelgas

Dit apparatus bevat R32.
Gebruik nooit een ander koelmiddel dan R32. Elk ander gasvormig lichaam vermengd met de R32 kan abnormaal hoge drukkenveroorzaken die kuren leiden tot breuken in leidingen en/of personlijk letsel.
Gebruik voor reparaties of onderhoud koperen buizen die voldoen aan de norm NF EN 12375-1 en de Europese Richtlij drukapparatuur 97/23/EG.
Omdat de warmtepomp onder druk staat, mag u nooit gaten boren in de leidingen of proberen deutsche to solderen. Er bestaat explosiegevaar.
Stel het apparaat nooit bloot aan vlammen, vonken of andere ontstekingsbronnen. Het kan ontploffen en ernstige of zelfs dodelijk verwondingen veroorzaken.
Gebruik voor het opsporen van lekkage van koelmiddelen geen lekzoeklamp of een andere detector met open vlam. Gebruik NOOIT potentièle ontstekingsbronnen.
Dit product bevat gefluoreerde broeikasgassen vastgelegd door het
Kyotoprotocol. Laat deze gassen nicht in de atmoseer vrijkomen.
GWP-waarde ^(1) : 675, waarde gebaseerd op het 4e GIEC-rapport.
Beveiligingsgroep: A2L.
De hoeveelheid koudemiddel op basis van de F Gas 517/2014 regeling staat aangegeven op het typeplaatje van het apparaat.
Alle interventries op het koelcircuit moeten, zoals eerder vermeld, wordenuitgevoerd door een erkend vakman.
Afhankelijk van de Europese of locale wetgeving, moet regelmatig op koelmiddellekken gecontroleerd worden. Gelinge uwplaatselijke distributeur te contacteren voor meer informatie.
- Let op: koelmiddelen können geurloos়n.
- Doorboor of verhit de leidingen nicht! Er bestaat risico op explosie en ernstige brandwonden.
- Gebruik alleen door de fabrikant aanbevolen middelen om het ontdoolingsproces of de reiniging te versnellen.
- Sla het toestel NIET op in een ruimte met continu werkende ontstekingsbronnen (zoals open vuur, gasapparaten of elektrische kachels).
(1) Aardopwarmingspotentieel
1. ALGEMENE INSTRUCTIES - VEILIGHEID (ervolg)
Voorwaarden voor installmentie
- Deze warmtepomp is uitsluitend bedoeld voor het verwarmen van zwembadwater, gezruik deze apparatuur Niet voor andere doeleinden.
- Probeer dit toestel nicht zelf te installereren.
- Als u een defect of een abnormale situatie constasteert, stop dan de installmentie van de warmtepomp en neem onmiddelijk contact op met uw dealer.
- In geval van opslag要去 de warmtepomp worden opgeslagen in een goed geventileerde ruimte met een vloeroppersvlakte van meer dan A_(^2) volgens de volgende formule: A_ = (M / (2,5× 0,22759× h0))^2 M is de koelmiddelvulling in het apparaat in kg en h0 is de opslaghoogte. Voor grondopslag h0 = 0,6 m.
- Dit product is uitsluitend ontworpen voor huiselijk gebruik en installmentie buitenshuis. De lust捷 die uit het product ontsnapt, moet vrij hunnen stromen en mag Niet worden gebruikt voor andere doeleinden, zoals het verwarmen of koelen van een ruimte of gebouw.
- Controller de voedingskabel. Als de voedingskabel beschadigd is,要去, desze worden verrangen door de fabrikant, zichn servicedienst of een bevoegd, erson.
- De aansluiting van het apparaat op de aarde en de continuiteit ervan zich verplicht. De aardingskabel要去 longer zich dan de andere kabels om het risico van een elektrische schok te voorkomen als de kabel worden losgetrokken. De elektrische installmentie要去 voorzien zich van een differentiaalbeveiliging van 30mA (cf 3.4 ).
- Controller of de bijgeleverde beugel voor het apparaat de juiste maat heeft voor het gewicht van het apparaat.
- Elke aanbeveling die nicht worden opgevolgd, maakt de garantie ongeldig.
Instructies voor onderhoud
1 keer per Jaar moeten er onderhoudswerken plaatsvinden om de levensduur en een goede werking van de warmtepomp te konnen garanderen.
- Het onderhoud en de bediening dient uitgevoerd te worden volgens de in deze handleiding opgegeven aanbevolen tjden en frekwenties.
- Gebruik uitsluitend originele wisselstukken.
- Controller de voedingskabel. Als de voedingskabel beschadigd is,要去 alles venvangen door de fabrikant, zijn servicedienst of een bevoegd persoon.
- Controller de aansluiting van het toestel op de aarde en de continuiteit ervan.
- Poets de verdamper met een zachte borstel, een luchtstraal of met water. Opgelet, gebruik nooit een hagedrukreiniger.
1. ALGEMENE INSTRUCTIES - VEILIGHEID (vervolg)
- Controller of de condensaten goed afgevoerd worden.
- Controller of de elektrische en hydraulische aansluitingen goed afluiten.
- Controller de hydraulische dichting van de condensor.
- De waterdichtheid van het koelcircuit door een erkende professional laten controlleren met een lekdetector.

Voor ieder onderhoud moet de warmtepomp ontkoppeld worden van elke elektrische bron. Onderhoud mag enkel door een gekwalificeerde en bevoegde installerateur gebeuren die gewend is met koelmiddelen om te gaan.
Instructies voor overwintering
- Zet de warmtepomp in Modus "OFF".
- Ontkoppel de voeding van de warmtepomp.
Maak de condensor leeg met behulp van de aflaatopening om schade te vermijden. (belangrijk risico bij bevriezing). - Sluit de "by-pass"-klep af en schroef de aansluitingen op de in-/uitlaat los.
- Voer het resterende water in de condensor door middel van een luchtpistol af.
- Sluit de watertoevoer en -afvoer van de warmtepomp af om te vermijden dat vreemde voorwerpen binnendringen.
- Bedek de warmtepomp met de meegeleverde overwinteringshoes.

Eender welke schade veroorzaakt door een slechte overwintering, zorgt ervoor dat de garantie geannuleerd worden.
Gebruiksvoorwaarden
Dit toestel kan worden gebruikt door kinderen vanaf 8aar oud en door personen met beperkte lichamelijke, zintuiglijke of geestelijkke vermogens, of met gebrek aan ervaring of kennis, indien zij onder adequaat toezicht staan of indien zij instructies hebben gekreten over het veilige gebruik van het toestel en de.daaraan verbonden risico's hebben begrepen.
Laat kinderen nicht met het toestel spelen.
Reiniging en onderhoud door de gebruiker mogen nicht worden uitgevoerd door kinderen zonder toezicht.
(a) Droge lucht 27^ - Relatieve vochtigheid 78% - Watertoevoertemperatuur 26^ .
(b) Droge lucht 15^ - Relatieve vochtigheid 71% - Watertoevoertemperatuur 26^
Gebruik de warmtepomp in volgende temperatuur- en vochtigheidsbereichen om een correct en efficien'te garanderen.
| Verwarmingsmodus Aktiegelingsmodus | |
| Buitentempreatuur -7°C – +35°C +7°C – +43°C | |
| Watertemperatuur +12°C – +32°C +8°C – +40°C | |
| Relatieve vochtigkeit < 80% < 80% | |
| Instelbereik van de gewenste waarde | +15°C – +32°C +8°C – +32°C |

Als de temperatuur de vochtigkeit Niet aan deze voorwaarden voldoet,{kunnen beveiligingen losraken en kan de warmtepomp Niet.
meer werken.

De maximale verwarmingstemperatuur is 32^ om beschadiging van de liners te voorkomen. Hayward wijst alle aansprakelijkheid af in geval van gebruik boven 32^ .
Opmerking: Met de warmtepomp worden geen randapparatuur of filter meegeveleverd. De onderdelen op het schema要去en door de installment voorzien worden.
3.2 Warmtepomp

Plaats de pomp en openlucht en buiten een gesloten technisch locaal. Kies een plaat die bij voorkeur zonnig is en beschut gegen harde wind. Het toestel要去 gemakkelijk toegankelijk zijn voor latere installmentie- en onderhoudswerkzaamheden.
De installmentie moet beschut staan en de hieronder voorgeschreveen minimumafstanden要去en gespecteerd worden om luchtterugvoer een minder goede werking van de warmtepomp te voorkomen

3. INSTALLATIE EN AANSLUITING (vervolg)

Plaats het toestel nicht rechtstreeks op de vloer onions dit storingen kanveroorzaken.
Plaats het toestel bij voorkeur op de vloer op anti-trillingsmatten.
Gebruik geen muurbevestiging in omstandigheden waarin trillingen konnen worden doorgegeven.
Installer de warmtepomp Niet op een steun die de trillingen van het apparaat kan versterken.
Installee de warmtepomp Niet op een plaats waar het geluidsniveau kan worden versterkt of op een plaats waar het geluid van het apparaat de buurt kan verstoren.
Gebruik geen lijm: dit worden nicht beschouwd als een betrouwbaar bevestigingsmiddel.
Installer de warmtepomp bij voorkeur op een vlakke, Niet gekoppelde betonplaat (bijgeleverde schroeven en ringen).
Bevestig het toestel met het voorgeschreveen aanhaalmoment om elk risico op ongevallen of schade aan apparatuur en personen te voorkomen.
Als alternatif kan de warmtepomp met behulp van geschikte moeren (niet meegeleverd) op rubberen vloersteunen worden geinstalleerd.



De maximumafstand:tussen de warmtepomp en het zwembad is 15 meter.
De totale lenghte van de hydraulische leidingen is 30 meter.
De bovengrondse en ondergrondse hydraulische kanalen isoleren.
De warmtepomp要去en minimum afstand van het bassin worden geinstalleerd conform de NF C 15-100 (dat wil zeggen op 3,5m van het waterbassin voor Frankrijk) of conform de geldende installmentnormen in andere landen.
Installer de waterpomp Niet in de buurt van een warmtebron.
In geval van installmentie in regio's waar het geregeld sneeuwrt, worden aangeraden het apparaat overdekt te installereren om te voorkomen dat er zich sneeuw op de verdamper opstapelt.
3. INSTALLATIE EN AANSLUITING (vervolg)
3.3 Hydraulic aansluiting
De warmtepomp is voorzien van 2 aansluitingen met een diameter van 50 mm. Gebruik PVC-buizen voor de hydraulische leidingen 50~mm . Sluit de watertoevoer van de warmtepomp op de leiding die van de filtergroep komt en sluit daarna de waterafvoer van de warmtepomp op de waterleiding die maar het zwembad loopt (cv tekening hieronder).

Installer een bypassklep tussen de in- en uitgang van de warmtepomp.

Als u een automatische distributeur of een elektrolyseapparaat gebruikt,要去 deze na de warmtepomp geinstalleerd worden om de Titanium condensor gegen een te hoge concentratie aan chemische producten te beschemmen.

Zorg ervoor dat de bypassklep en de aansluitingen op de aan- en afvoer van het water goed geinstallerd zichn om de drainageijdens de winterperiode, de toegang en de demontage voor onderhoud te vergemakkelijken.
3. INSTALLATIE EN AANSLUITING (vervolg)
3.4 Elektrische aansluiting

De elektrische installmente en de bekabeling van deze uitrusting要去en conform zich met deplaatselijk geldende normen.
| F NF | C15-100 GB BS7671:1992 | ||
| D DIN | VDE 0100-702 EW EVHS-HD 384-7-7 | 02 | |
| A ÖVE | 8001-4-702 H MSZ 2364-702/1994/M | SZ 10- | 553 1/1990 |
| E UNE | 20460-7-702 1993,RECBT ITC-BT-31 2002 | M M | SA HD 384-7-702.S2 |
| IRL | Wiring Rules + IS HD 384-7-702 | PL | PN-IEC 60364-7-702:1999 |
| I | CEI 64-8/7 | CZ | CSN 33 2000 7-702 |
| LUX | 384-7.702 S2 | SK | STN 33 2000-7-702 |
| NL | NEN 1010-7-702 | SLO | SIST HD 384-7-702.S2 |
| P R$IUEE TR TS IEC 60364-7-702 | |||

Controller of de elektrische voeding en de networkfrequentie overeenstemmen met de vereiste werkstroom, door rekening te houden met de specifieke plaatsing van het toestel en deoodzakelijkke stroom om alle andere toestellen die op hetzelfde circuit aangesloten zich, te voeden.
HP5091DT3HA / HP5111DT3HA / HP5151DT3HA / HP5181DT3HA 230V + / - 10% 50 Hz 1 Fase
Bestudeer het overeenkomstige bedradingsschema in bijlage. De aansluitdoos bevindt zich aan de rechterkant van de eenheid. Drie connecties zijn voor de elektrische voeding en twee voor de besturing van de warmtepomp (Bediening).

3. INSTALLATIE EN AANSLUITING (vervolg)

Gebruik nooit een stopcontact voor de stroomvoorziening. De stroomvoorziening要去aar behoren worden uitgerust met een omnipolaire beveiligingsinrichting van het D-curve type onderbreker en een 30mA differentieelschakelaar (zie tabel hieronder).
| Modellen HP5091DT3HA HP511 | 1DT3HA HP515 | 1DT3HA HP518 | 1DT3HA | ||
| Elektrische voeding V/PhHz | 230V~ 50Hz | 230V~ 50Hz | 230V~ 50Hz | 230V~ 50Hz | |
| Stroomonderbreker met D-curve | A 8 D | 10 D 16 D 20 D | |||
| Kabelsectie mm | 2 | 3G 2,5 3G | 2,5 3G 2,5 | 3G 4 | |

Gebruik een voedingskabel van het type RO 2V/R 2V of equivalent.

De kabelsecties worden gegeven voor een maximale lenghte van 25m Deze要去enTyler worden gecontroleerd en aangepast afhankelijk van de installmentomstandigheden.

Schakel als de hoofdschakelaar uit alvorens de elektriciteitsdoos te openen.
Wacht na het uitschakelen van de stroomvoorziening 10 minuten voordat u zich toegang verschaft tot de interne actieve onderdelen van het toestel (in de condensatoren opgeslagen energia).
3.5 Eerste gebruik
Opstartprocedure - zodra de installmentie beeindigd is, moet u de volgende stappen volgen en respecteren :
1) Draai de ventilatoren handmatig om te controleren of deze met de hand gedraaid hunnen worden en of het blad op de motorboom bevestigd is.
2) Controller of de eenheid correct op de hoofdvoeding aangesloten is (zie bedradingsschema in bijlage).
3) Activeer de filterpomp.
4) Controller of alle waterkleppen openstaan en dat het water maar de eenheid loopt Alvorens in verwarming of koeling opstart.
5) Controller of de drainageleiding correct vastgemaakt is en nicht verstopt is.
6) Schakel de elektrische voeding van de eenheid in en druk daarna op de Start/Stop-knop het contropaneel.
3. INSTALLATIE EN AANSLUITING (vervolg)
7) Zorg ervoor dat de alarm- of vergrendelingssymbolen nicht verschijnen. Raadpleeg, indien nodig, de gids voor het oplossen van problemen (zie § 6.4).
8) Leg het waterdebiet vast met behulp van de bypassklep (zie § 3.6 en 2.1), zoals respectievelijk vastgelegd is voor ieder model, zodate er een temperatuurverschil van 2^ isussen het Binnenkomend en Uitgaand water.
9) Wanner het toestel enkele minuten gedraaid heeft, controllerer dan dat de lucht die eruit komt, afgekoeld is (tussen 5^ en 10^ ).
10) Stop de filterpomp verwijl de eenheid blijft draaien. De eenheid要去 automatisch stoppen en de foutcode E03 weergeven.
11) Laat de eenheid en de zwembadpomp 24u op 24u draaien todat de gewenste watertemperatuur bereikt is. Wanner het binnenkomend water de gewenste temperatuur bereikt heeft, za de eenheid stilvallen. Ze za automatisch opstarten (als de zwembadpomp in werkig is) als de temperatuur van het zwembad 0.5^ lager is dan de gewenste temperatuur.
Debietschakelaar - De eenheid is voorzien van een debietschakelaar die de warmtepomp inschakelt wanner de filterpomp van het zwembad in werkig is, en uitschakelt wanner de de filterpomp stopt. Bij onvoldoende water za de alarmcode E03 op de schakelaar getoond worden (Zie § 6.4).
Vertraging - De eenheid vertoont een vertraging van 3 Minutes om de onderdelen van het besturingscircuit te beschermen en om onregelmatige opstart en storingen van de contactor te vermijden. Dankzij deze vertraging start de eenheid automatisch op onceveer 3 Minutes na een stroomonderbreking. Zelfs een korte stroomonderbreking zal de uitgestelde start activeren.
3. INSTALLATIE EN AANSLUITING (ervolg)
3.6 Instelling van het waterdebiet
Terwijl de kleppen voor binnenkomend en uitgaand water openstaan,要去 de bypassklep afstellen om een temperatuurverschil van 2^ tussen het binnenkomend en uitgaand water te bekomen (zie basisschema 3.1 ). U kan de instelling controleren voor de temperaturen van het binnenkomend en uitgaand water te visualiseren op het contropaneel.

Temperatuur binnenkomend water Temperatuur buitengaand water
Opmerking: De opening van de bypassklop zorgt voor een lager waterdebiet. De sluiting van de bypassklop zorgt voor een hoger waterdebiet
4. GEBRUIKERSINTERFACE
4.1 Algemene voorstelling
De warmtepomp is uitgerust met een digitaal besturingspanneel met touchscreen, elektrisch aangesloten en voorgeinstalleerd in verwarmingsmodus.




Legende
| 1 Temperatuur wateraanvoer | |
| 2 Modus de-icing | |
| 3 Werkwijze | |
| 4 Indicatielampje voor de werking van de compressor | |
| 5 Het scherm vergrendelen | |
| 6 Alarm | |
| 7 Temperatuur waterafvoer | |
| 8 Aan/uit/terug | |
| 9 Gewenste temperatuur | |
| 10 Tijd | |
| 11 Selectie van de werkingsmodus | |
| 12 Instelwaarde aanpassen | |
| 13 Instelling timer stille modus | |
| 14 Stille modus inschakelen | |
| 15 Datum en tijd instellen | |
| 16 Timers aan/uit instellen | |
| 17 Geavanceerde instelleningen | |
| 18 Lijst met defecten | |
| 19 Terug (zonder bevestiging) | |
| 20 Bevestiging | |
4. GEBRUIKERSINTERFACE (ervolg)
OFF/STOP-modus
Wanneer de warmtepomp wordenuitgeschakeld (in standby-modus),verschijnt het label OFF op hetdisplay.
Een zwarte display geeft aan dat de warmtepomp gestopt is, indezemodus is het maybek om parameters in te stellen.
ON/BEDRIJFS-modus
Wanner de warmtepomp in bedrijf is of in een ingestelde stand staat (het bereiken van de ingestelde waarde), worden het display blauw.


Om over te schakelen van OFF waar ON modus en vice versa, drukt u op de knop.
4. GEBRUIKERSINTERFACE (ervolg)
4.2 Installing Datum en Tijd
De datum enarend voor de ON of OFF modus+kunnen worden ingesteld.


- Druk 1 maal op om terug te keren maar het hoofdschem.
4. GEBRUIKERSINTERFACE (ervolg)
4.3 De timers aan/uit instellen
De instellenen van deze functie zijnoodzakelijk zodra u uw warmtepomp binnen een kortere termijn dan vastgelegd door de filterklok wilt gebruiken. Op die manier kurz u een uitgestelde start en een vroegtijdige uitschakeling programmeren of eenvoudigweg eenperiode waarin de pomp nicht gebruikt mag worden.
U kunt een timer Start en een timer Stop programmeren. Het instellingsinterval is van «van uur tot uur».

4. GEBRUIKERSINTERFACE (ervolg)





Helder blauw = Geactiveerd
Grijs = gedeactiveerd
- Druk 2 maal op

om terug te kerenaar het hoofdschemr.
4. GEBRUIKERSINTERFACE (ervolg)
4.4 Instelwaarde aanpassen
Deinstalling van de instelwaarde kan in de AAN- of UIT-stand worden uitgevoerd met een nauwkeurigheid van 0,5^






- Druk 1 maal op om terug te keren maar het hoofdschemr.

Het is aangewezen nooit de 30^ te overschrijden om te vermijden dat de liners verkleuren.
4. GEBRUIKERSINTERFACE (ervolg)
4.5 Het touchscreen vergrendelen en ontgrendelen.
Het scherm kan worden vergrendeld en ontgrendeld in de ON of OFF modus.



Vergrendeling ingeschakeld



Vergrendeling uitgeschakeld
4. GEBRUIKERSINTERFACE (ervolg)
4.6 Instellen van de SILENCE functie
In de stille modus werkt de warmtepomp in de economische modus en heel stil als de verwarmingsbehoefte laag is (handhaven van de temperatuur van het bassin of indien een ultrastille werkung nodig is).
Deze functie kan zowel handmatig als met behulp van een timer geactiveerd/ gedeactiveerd worden.
Inschakelen / Uitschakelen

Stille modus uitgeschakeld

Stille modus geactiveerd
- Druk 1 maal op om terug te keren maar het hoofdschemr.
4. GEBRUIKERSINTERFACE (ervolg)
De timer voor de STILL- modus instellen






4. GEBRUIKERSINTERFACE (ervolg)

Druk 2 maal op om terug te keren maar het hoofdschem.

Het instellingsinterval is van «van uur tot uur». Als de Timer is geactiveerd, is deze 7 Tage per week actief.
5.1 Onderhoud
1 keer per Jaar moeten er onderhoudswerken plaatsvinden om de levensduur en een goede werkig van de warmtepomp te konnen garanderen.
- Het onderhoud en de reparations van het toestel要去en worden uitgevoerd door een erkend vakman overeenkomstig de voorschriften en Beste praktijknen die gelden in het land waar het toestel worden geinstalleerd (zie § 3.4). Voor elke interventie op het koelcircuit要去 de installerateur beschikken over een certificaat van bekwaamheid om met koelmiddelen om te gaan.
- Controller de voedingskabel. Als de voedingskabel beschadigd is,要去, desze worden verrangen door de fabrikant, zichn servicedienst of een bevoegt persoon.
- Controller de aansluiting van het toestel op de aarde en de continuiteit ervan.
- Poets de verdamper met een zachte borstel, een luchtstraal of met waterOpgelet, gebruik nooit een hogedrukreiniger).
- Controller of de condensaten goed afgevoerd worden.
- Controller of de elektrische en hydraulische aansluitingen goed aflsloiten.
- Controller de hydraulische dichting van de condensor.
- De waterdichtheid van het koelcircuit door een erkende professionallaten controleren met een lekdetector.

Voor ieder onderhoud要去 de warmtepomp ontkoppeld worden van elke elektrische bron. Onderhoud mag enkel door een gekwalificeerde en bevoegde installerateur gebeuren die gewend is met koelmiddelen om te gaan.
5.2 Overwintering
- Zet de warmtepomp in Modus "OFF".
- Ontkoppel de voeding van de warmtepomp.
- Maak de condensor leeg met behulp van de aflaatopening om schade te vermijden. (belangrijk risico bij bevriezing).
- Sluit de "by-pass"-klep af en schroef de aansluitingen op de in-/uitlaat los.
- Voer het resterende water in de condensor door middel van een luchtpistol af.
- Sluit de watertoevoer en -afvoer van de warmtepomp af om te vermijden dat vreemde voorwerpen binnendringen.
- Bedek de warmtepomp met de meegeleverde overwinteringshoes.

Eender welke schade veroorzaakt door een slechte overwintering, zorgt ervoor dat de garantie geannuleerd worden.
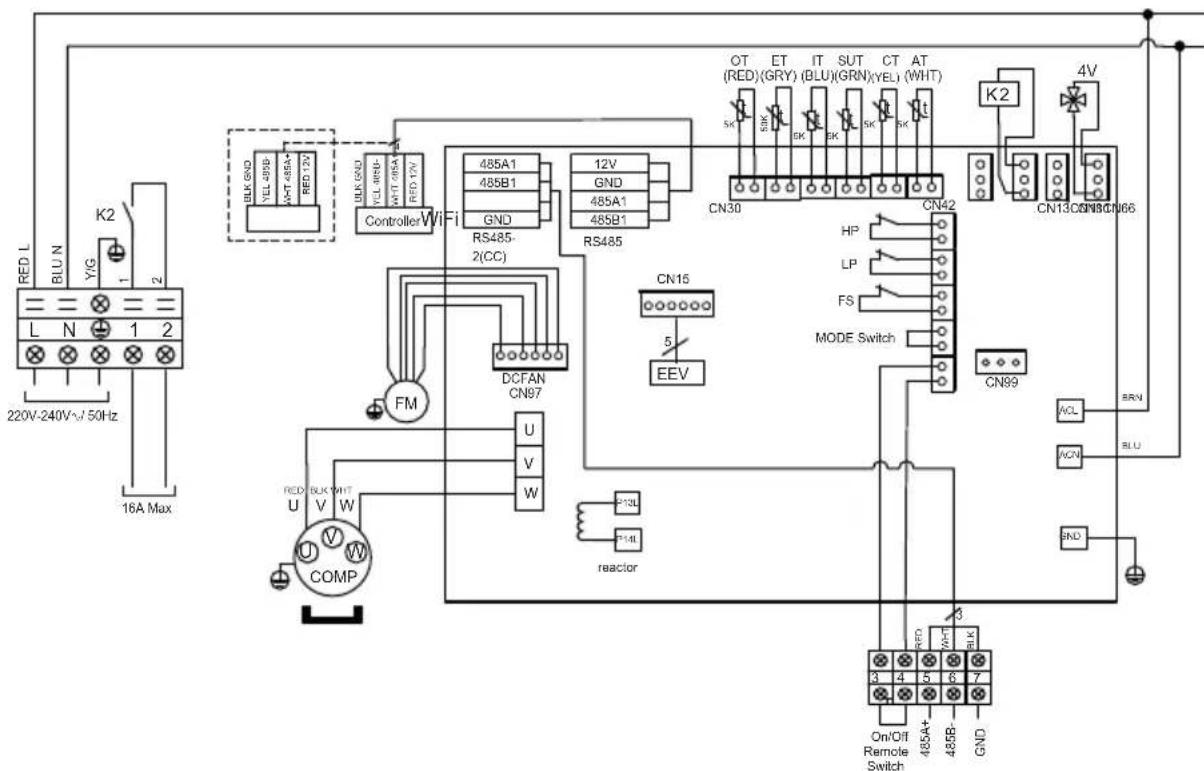
6.1 Elektrische schema's
HP5091DT3HA / HP5111DT3HA

OPMERKINGEN
AT:LUCHTTEMPERATUURSENSOR
COMP: COMPRESSOR
CT: CONDENSATIETEMPERATUUR SENSOR
EEV: ELEKTRONISCHE DRUKREGELAAR
FM : VENTILATORMOTORR
FS : WATERDETECTOR
HP: HOGEDRUKSCHAKELAAR
IT:TEMPERATUURSENSOR VOOR BINNENKOMEND WATER
LP:LAGEDRUKSCHAKELAAR
OT: TEMPERATUURSENSOR VOOR BUITENGAAND WATER
SUT: AANZUIGTEMPERATUURSENSOR
4V:4-WEGSKRAAN
K2: VOLTVRIJ CONTACT MAX 16 A
ET:TEMPERATUURSENSOR OPSTUWING
:OPTIONEL
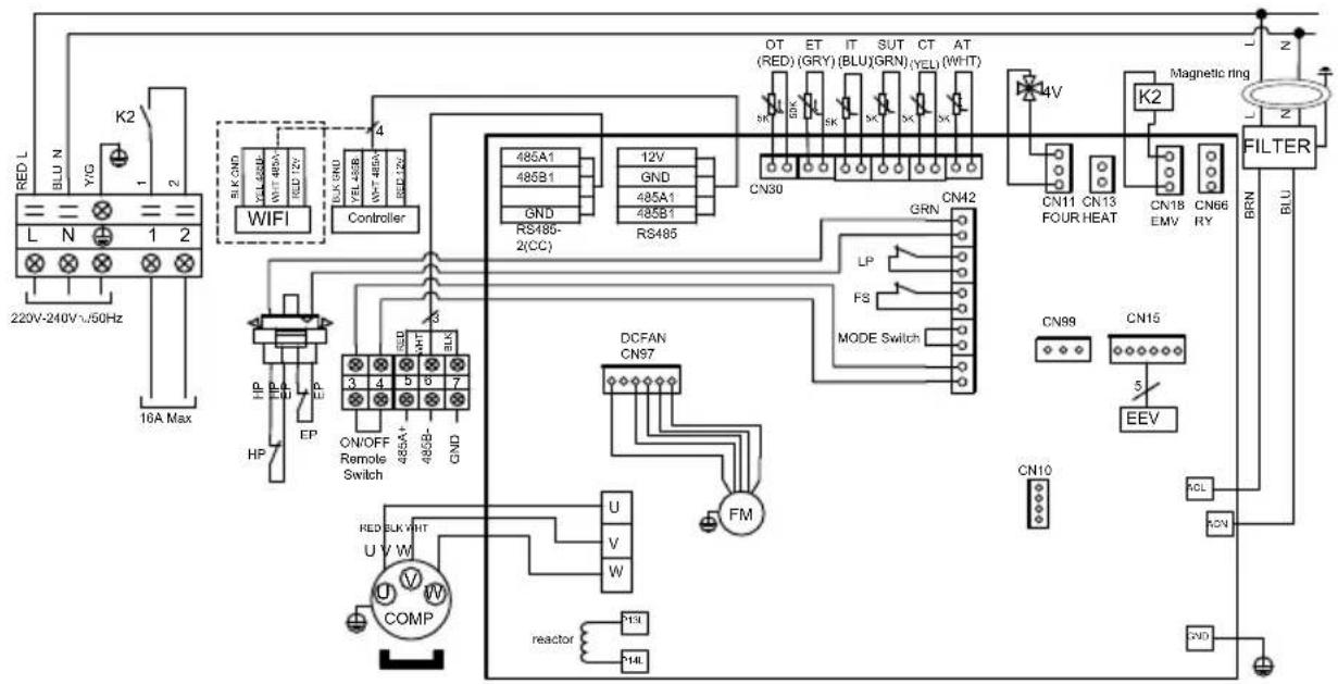
HP5151DT3HA / HP5181DT3HA

OPMERKINGEN
AT:LUCHTTEMPERATUURSENSOR
COMP: COMPRESSOR
CT: CONDENSATIETEMPERATUUR SENSOR
EEV: ELEKTRONISCHE DRUKREGELAAR
FM: VENTILATORMOTORR
FS: WATERDETECTOR
HP: HOGEDRUKSCHAKELAAR
IT. TEMPERATUURSENSOR VOOR
BINNENKOMEND WATER
LP:LAGEDRUKSCHAKELAAR
OT. TEMPERATUURSENSOR VOOR
6. BIJLAGEN (vervolg)
6.2 Aansluitingen prioriteit verwarming eenfasepomp

De zuilen 1-2 leveren een spanningvrij contact, zonder polariteit 230V_ / 50Hz
Sluit de zuilen 1 en 2 met kabels aan zoals op het schema hierboven is aangegeven zodat de werking van de filterpomp worden ingesteld op een cyclus van 2 Minutes per eer als de temperatuur van het bassin lager is dan aanbevolen.
! De voeding van de filterpomp nooit direct aansluiten op de zuilen 1 en 2.

Opzettelijk leeg gelaten pagina
6. BIJLAGEN (vervolg)
6.3 Opengewerkte tekeningen en onderdelen
HP5091DT3HA / HP5111DT3HA / HP5151DT3HA / HP5181DT3HA


6. BIJLAGEN (vervolg)
| Nr. | Omschrijving Rét. | HP5091DT3HA | HP5111DT3HA | HP5151DT3HA | HP5181DT3HA | |
| 1 | Panel Voor | HWX80900843 | ✓ | ✓ | n.v.t | n.v.t |
| HWX80900844 | n.v.t n.v.t | ✓ | n.v.t | |||
| HWX80900850 | n.v.t n.v.t | n.v.t | ✓ | |||
| 2 | LED Controller HWX7200070 | ✓✓ | ✓✓ | |||
| 3 | Beschermingsrooster ventilator | HWX80900375 | ✓ | ✓ | ✓ | n.v.t |
| HWX20000220369 | n.v.t n.v.t | n.v.t | ✓ | |||
| 4 | Ventilatorblad | HWX301030000006 | ✓ | ✓ | n.v.t | n.v.t |
| HWX301030000001 | n.v.t n.v.t | ✓ | ✓ | |||
| 5 | // | / | / | / | ||
| 6 | Motor ventilator DC | HWX80200018 | ✓ | ✓ | n.v.t n.v.t | |
| HWX20000330132 | n.v.t n.v.t | ✓ | ✓ | |||
| 7 | Spoel 16 A 50 Hz 5 mH HWX82500020 | ✓ | ✓ | n.v.t n.v.t | ||
| Spoel 20 A 50 Hz 5.2 mH HWX82500021 | n.v.t | n.v.t | ✓ | ✓ | ||
| 8 | Linkerpaneel | HWX80702123 | ✓ | ✓ | n.v.t n.v.t | |
| HWX80700244 | n.v.t n.v.t | ✓ | n.v.t | |||
| HWX80702268 | n.v.t | n.v.t n.v.t | ✓ | |||
| 9 | Verdamper met lamellen | HWX80600042 | ✓ | n.v.t n.v.t | n.v.t | |
| HWX80600043 | n.v.t | ✓ | n.v.t n.v.t | |||
| HWX80600044 | n.v.t | n.v.t | ✓ | n.v.t | ||
| HWX80600078 | n.v.t n.v.t | n.v.t | ✓ | |||
| 10 | Motorsteun | HWX80700218 | ✓ | ✓ | n.v.t n.v.t | |
| HWX80700248 | n.v.t n.v.t | ✓ | n.v.t | |||
| HWX80700329 | n.v.t n.v.t | n.v.t | ✓ | |||
| 11 | // | // | ||||
| 12 | Panel voorkant boven | HWX80900055 | ✓ | ✓ | n.v.t n.v.t | |
| HWX301090200806 | n.v.t n.v.t | ✓ | n.v.t | |||
| HWX80900076 | n.v.t | n.v.t n.v.t | ✓ | |||
| 13 | // // | |||||
| 14 | // // | |||||
| 15 | Drukregelaar lage druk NO 0.30 MPa / 0.15 MPa | HWX20000360157 | ✓ | ✓✓ | ✓ | |
| 16 | Drukafsluiter 40 mm-1/2" | HWX20000140150 | ✓✓ | ✓✓ | ||
| 17 | Drukregelaar hoge druk NC 3.2 MPa/4.4 MPa | HWX20013605 | ✓✓ | ✓✓ | ||
| 18 | Detector waterdebiet | HWX83000068 | ✓✓ | ✓✓ | ||
| 19 | T-schakelaar Ø 6.5-2 x Ø 6.5(T) x 0.75 | HWX20001460 | ✓✓ | ✓✓ | ||
| 20 | Elektronisch redueerventiel | HWX8100011 | ✓ | ✓ | n.v.t n.v.t | |
| HWX81000013 | n.v.t n.v.t | ✓ | ✓ | |||
| 21 | T-schakelaar Ø 9.52-2 x Ø 6.35(T) x 1.0 | HWX30403000002 | ✓ | ✓✓ | ✓ | |
| 22 | Filter Ø 9.7-Ø 9.7 (Ø19) | HWX20000140178 | ✓ | ✓ | n.v.t n.v.t | |
| Filter Ø 9.7-Ø 9.7 (Ø28) | HWX20041444 | n.v.t n.v.t | ✓ | ✓ | ||
| 23 | 4-wegskraan | HWX20041437 | ✓ | ✓✓ | ✓ | |
| 24 | Elektrische toegangsopening | HWX320922029 | ✓✓ | ✓✓ | ||
| 25 | Rechterpaneel | HWX80700580 | ✓ | ✓ | n.v.t n.v.t | |
| HWX80700878 | n.v.t n.v.t | ✓ | n.v.t | |||
| HWX80700581 | n.v.t n.v.t | n.v.t | ✓ | |||
| 26 | Titaancondensor/pvc | HWX72300013 | ✓ | n.v.t n.v.t | n.v.t | |
| HWX72300014 | n.v.t | ✓ | n.v.t n.v.t | |||
| HWX72300010 | n.v.t n.v.t | ✓ | n.v.t | |||
| HWX72300024 | n.v.t n.v.t | n.v.t | ✓ | |||
| 27 | / | // | /// | |||
| 28 | Compressor | HWX80100108 | ✓ | ✓ | n.v.t n.v.t | |
| HWX80100046 | n.v.t n.v.t | ✓ | ✓ |
6. BIJLAGEN (vervolg)
HP5091DT3HA / HP5111DT3HA / HP5151DT3HA / HP5181DT3HA


6. BIJLAGEN (vervolg)
| Nr. | Omschrijving Réf. | HP5091DT3HA | HP5111DT3HA | HP5151DT3HA | HP5181DT3HA | ||
| 29 | Aspirationsonde compressor5 k - 560 mm | HWX83000044 | ✓ | ✓ | n.v.t n.v.t | ||
| Aspirationsonde compressor5 k - 760 mm | HWX83000053 n.v. | t n.v.t | ✓ | ✓ | |||
| Luchttemperatuursonde 5 k - 350 mm HWX83000049 | ✓ | ✓ | ✓ | ||||
| Waterafvoer sonde 5 k - 410 mm HWX83000050 | ✓ | ✓ | ✓ | ||||
| Sensor voor binnenkomend water5 k - 850 mm | HWX83000052 | ✓ | ✓ | ✓ | n.v.t | ||
| Sensor voor binnenkomend water5 k - 980 mm | HWX83000055 n.v. | t n.v.t n.v.t | ✓ | ||||
| Compressor ontlading sonde50 k - 660 mm | HWX83000026 | ✓ | ✓ | ✓ | |||
| Ontdooisensor 5 k - 680 mm HWX83000051 | ✓ | n.v.t n.v.t | |||||
| Ontdooisensor 5 k - 1040 mm HWX83000045 | ✓ | ✓ | ✓ | ||||
| 30 | EMC Filter | HWX20003257 | n.v.t n.v.t | ✓ | ✓ | ||
| 31 | Elektronische driver-kaart | HWX72200168AP3 | ✓ | n.v.t n.v.t | n.v.t | ||
| HWX72200168AP4 | n.v.t | ✓ | n.v.t n.v.t | ||||
| HWX72200167AP5 | n.v.t n.v.t | ✓ | n.v.t | ||||
| HWX72200167AP6 | n.v.t | n.v.t n.v.t | ✓ | ||||
| 32 | Relais K2 | HWX20000360297 | ✓ | ✓ | ✓ | ||
| 33 | Aansluitblok L-N-GND5 aansluitingen 4 mm2 | HWX40003901 | ✓ | ✓ | ✓ | ||
| 34 | Beschemingsdeur | HWX80900321 | ✓ | ✓ | ✓ | ||
6. BIJLAGEN (vervolg)
6.4 Gids voor het probleemoplossing

Sommige handelingen mogen enkel door een bevoegd technieker uitgevoerd worden.
In geval van een storing aan de warmtepomp verschijnt het symbol in de linkerbovenhoek van het display.
In geval van een defect, worden de volgendeindicaties op het scherm weergegeven:



Na het oplossen van het probleem worden de fout automatisch bevestigd, de driehoek verdwijnt.
- Om de fountenlijst te wissen, op.
Del
- Druk 2 maal op
om terug te keren maar het hoofdschemr.
6. BIJLAGEN (vervolg)
| Probleem | Foutcodes | Omschrijving Oplossing | |
| Inlaat watertemperatuur sensor fout P01 | De sensor is open of in kortsluiting | Controller de CN21/RES1-connector op de printplaat en verlang of verrang de sensor. | |
| Uitlaat watertemperatuur sensor fout P02 | Controller de N22/RES2-connector op de printplaat en verlang of verrang de sensor. | ||
| Omgevingstemperatuursensor fout P04 | Controller de CN12/PH-connector op de printplaat en verlang of verrang de sensor. | ||
| Ontdooisensor fout P05 | Controller de CN8/OPT-connector op de printplaat en verlang of verrang de sensor. | ||
| Defect aspirationsonde compressor P07 | Controller de CN7/OAT-connector op de printplaat en verlang of verrang de sensor. | ||
| Defect aanzuigsonde Compressor P081 | Controller de CN9/OHT-connector op de printplaat en verlang of verrang de sensor. | ||
| Overdrukbeschemming E01 De sensor | is open of | in kortsluiting | Controller de CN30 / HP-connector op het bord of verrang de sensor |
| Waterdebiet controeren | |||
| Waterdebietdetector controeren | |||
| Opening van de kleppen controeren | |||
| Bypass controeren | |||
| De verdamper op verruiling controeren | |||
| Te hoge watertemperatuur | |||
| Probleem met nicht-condenseerbare stoffen, verwijder vloeistof en lucht UIT het koelcircuit | |||
| Te veel vloeistof aanwezig, verwijder de vloeistof in een fles | |||
| Onderdrukbeschemming E02 De sensor | is open of | in kortsluiting | De Al/DI03 aansluiting op de kaart controeren of de sensor vervangen |
| Controller de lagedrukregelaar en de druk van het koelcircuit om na te.gaan of er eenlek is. | |||
| Te laag luchtdebiet, de rotatiesnelheid van de ventilator controeren | |||
| De verdamper op verruiling controeren | |||
| Debietmeter fout E03 De sensor is open of in kortsluiting | De Al/DI02 aansluiting op de kaart controeren of de sensor vervangen | ||
| Te weinig water, de werkung van de filterpomp controeren | |||
| Opening van de stopkleppen controeren | |||
| Bypass controeren | |||
6. BIJLAGEN (vervolg)
| Probleem | Foutcodes | Omschrijving Oplossing | |
| Temperatuurverschilussen Aanvoer/ Afvoer > 13°C | E06 Alleen in Koude modus toepasbaar | Te weinig water, de werkung van de filterpomp controeren | |
| Opening van de stopkleppen controleren | |||
| Bypass controleren | |||
| Antivriesbescherming Koude Modus E07 Temperatur werafvoer < 4°C | De warmtepomp stoppen, de condensor leegmaken, risico op bevriezing | ||
| Debietmeter fouE08 | Geen communicatie tussen de elektronische kaart en de gebruikersinterface | Aansluitingen en connectoren controleren - zie elektrisch schema | |
| Antivriesbescherming vaniveau 1 E19 | < 2°C Watertemperatureur < 4° en luchttemperatuur < 0° | Schakel de warmtepomp uit, maak de condensor leeg om bevriezing te voorkomen, de pomp start standard de filterpomp om bevriezing te voorkomen | |
| Antivriesbescherming vaniveau 2 E29 | Watertemperatureur < 2° en luchttemperatuur < 0° | Schakel de warmtepomp uit, maak de condensor leeg om bevriezing te voorkomen, de pomp start standard de filterpomp en de warmtepomp om bevriezing te voorkomen. | |
| Fout in de ventilatormotor F031 Motor | geblokkeerd of verbinding mislukt | Controleer de vrij rotatie; controller het CN97/DCFan-aansluitsystem; verrang de motor. | |
| Fout in de ventilatormotor F051 Verbindsfout | DCFAN/CN97-aansluiting controleren; motor verrangen | ||
| Buitentemperatuur te laag TP Bedrijfs imiet berekt Warmtepomp uitschakelen | |||
6.5 Garantie
GARANTIEVOORWAARDEN
Alle HAYWARD-producten vallen onder garantie in geval van fabrieks- of materiaalfouten gedurende twee jaar vanaf de aankoopdatum. Elke garantieaanvraag moet samen met een aankoopbewijs met datum ingediend worden. Wij dringen er dus op aan dat u uw factuur bewaart.
De HAYWARD-garantie is beperkt tot reparatie of vervang, bepaald door HAYWARD, van de defecte toestellen zolang ze op een normale wijze en volgens de voorschriften die in de handleiding vermeld, gebruikt zich, het apparaat Niet aangepast is en enkel gebruikt is in met HAYWARD componenten en onderdelen. Schadeveroorzaakt door vrieskou en chemische agensen vallen nicht onder garantie. Alle andere kosten (transport, werkuren...) worden nicht door de garantie gedekt.
HAYWARD kan nicht verantwoordelijk gesteld worden voor eender welke directe of indirecte schade veroorzaakt tijdens de installmentie, aansluiting of onjuist gebruik van een product.
Om een garantie aan te vragen en herstel of verranging van een product te eisen, moet u zich tot uw verdeler wenden. Wij zullen geen enkele retouraar de fabriek aanvaarden zonder een vooraf bekomen schriftelijk goedkeuring. Slijtage valt nicht onder garantie.
6.6 Einde levensduur van het toestel

Het symbol van de doorgekruiste vuilnisbak voor de verwerking en nuttige toepassing van elektrisch en elektronisch afval betekent dat de producten Niet bij het huisvuil, het grofvuil of op een stortplaats mogen worden gedeponeerd.
Aan het einde van zich levensduur要去 het toestel apart worden ingezameld voor recycling of hergebruik. In de Europese Unie en Noorwegen bestaat een specifiek inzamelingssystem voor dit soort producten.
Neem contact op met uw installerateur ofplaatselijke vertegenwoordiger om de inzameling, ontmanteling en recycling van dit toestel te regelen.
Het hergebruik van koelmiddel, olie en andere onderdelen要去 worden uitgevoerd door een gekwalificeerdevakman in overeenstemming met de lokale en nationale wetgeving.
Als het product batterijen bevat die met dit symbolonzijn gemarkeerd, betekent dit dat de batterijen schadelijke of verontreinigende stoffen konnen bevatten. Geef de batterijen in dat geval af bij een inzamelpunt voor gebruikte batterijen.
Opzettelijk leeg gelaten pagina

HAYWARD
FULL INVERTER
UNITA DI RISCALDAMENTO A POMPAP DI CALORE PER PISCINE

HP5091DT3HA HP5111DT3HA HP5151DT3HA HP5181DT3HA
SimpelGids