KPAC - Pumpe HAYWARD - Gratis bruksanvisning og manual
Finn enhetens veiledning gratis KPAC HAYWARD i PDF-format.
Brukerspørsmål om KPAC HAYWARD
0 spørsmål om dette apparatet. Svar på dem du kjenner, eller still ditt eget.
Still et nytt spørsmål om dette apparatet
Last ned instruksjonene for din Pumpe i PDF-format gratis! Finn veiledningen din KPAC - HAYWARD og ta den elektroniske enheten tilbake i hendene. På denne siden er alle dokumenter som er nødvendige for bruken av enheten din publisert. KPAC av merket HAYWARD.
BRUKSANVISNING KPAC HAYWARD
Installerings- og brukerveiledning
PykoBoDcTBO IO MOHTaKy I KcPnyatauN
POMPE A CHALEUR POUR PISCINE

HP5091DT3HA HP5111DT3HA HP5151DT3HA HP5181DT3HA
2.1 Varmepumpens ytelse 5
2.2 Driftsomrade 6
2.3 Dimensjoner 7
3. INSTALLERING OG TILKOBLING 8
3.1 Skjematisk diagram 8
3.2 Varmepumpe 8
3.3 Vanntilkobling 10
3.4 Elektrisk tlikobling 11
3.5 Førstegangs oppstart 12
3.6 Innstilling av vannstrømmen 14
4. BRUKERGRENSNITT 15
4.1 Oversikt 15
4.2 Justering av dato og klokkeslett 17
4.3 Innstilling av Timer Start/Stans 18
4.4 Innstilling av settpunkt 20
4.5 Lase og lase opp berøringsskjermen 21
4.6 Innstilling av funksjon SILENCE 22
5. VEDLIKEHOLD OG VINTERKLARGJØRING 25
5.1 Vedlikehold 25
5.2 Vinterklargjøring 25
6. VEDLEGG 26
6.1Koblingssskjemaer 26
6.2Kobling med prioritet pa enfaset varmepumpe 28
6.3 Sprengskisse og reservationeder 30
6.4 Veiledning for feilsøking 34
6.5 Garanti 37
6.6 Apparatet ved endt levetid 37
1. GENERELLE FORHOLDSREGLER - SIKKERHET
Takk for at du har kjopt donne Hayward varmepumpen til svommebasseng. Hayward FULL INVERTER varmepumpe har blitt utformet i henhold til strenge produitsjonsstandarder for a oppfylle det hove kvalitetsnivæt.
Hayward varmepumper vil gi deg enestående ytelser gjennom—hele badesesongen ved at de tilpasser effekt, elektrisk forbruk og støynivæ etter bassengets oppvarningsbehov takket[varekontrollogikken FULL INVERTER.

Les instruksene i donne veiledningen noye f or du tar encheten i brisk.
Denne brukerveiledningen inneholder all ndvendig informasjon vedrorende installasjon, feilretting og vedlikehold.
Les dette brukerveiledningen nonyefor du apner enheten er utfocrer vedlikeholdsoperasjoner pa den. Produsenten av dette produitet vil ikke i noen tilfeller bli holdt ansvarlig for skader pa brukeren erødeleggelser pa enheten som er en ffolge av feil ved installationsjon, feilretting ell er unødvendig vedlikehold. Det er svært viktig at instruksene i dette brukerveiledningen blir nøye fulgt pa ethvert tidspunkt.
Etter à ha lest dette brukerveiledningen, ta vare på den for senere referanse.
Godkjent personell
- Installasjon, elektriske koblinger, vedlikehold og reparasjon av dette apparatet skal gjores av godkjent fagperson i overensstemmelse med gjeldende lovtekster og etter de faglige regler som gjelder i landet der apparatet erinstallert (jf. 3.4) . For ethvert arbeid som skal gjores pa kjolekretslopet skal fagpersonen vare godkjent for arbeid som berer kjolevæsker.
For Frankrike:
Det pågressive brukes noe annet kuldemedium enn R32. Enhver annen gass blandet med R32 kan före til unormalt høye trykk som igjen kan forårsake felil erksplosjon av rørene samt personskade.
Ved reparasjon eller vedlikehold skal man bruke kobberrør som er i overensstemmelse med den franske normen NF EN 12375-1 aller med det europeiske direktivet om utstyr under trykk 97/23/CE.
Da varmepumpen er under trykk må man aldri forsøke Å stikke hull på eller lodde rørene. Det er fare for eksplosjon.
For detektering av lekkasje av kjolevaeske: Bruk ikke haloid-lampe eller annen detektor som bruker bar flamme. Man på unger ingen omstendigheter bruke potensielle antennelseskilder.
Mengden kuldemedium basert på regelverket F Gaz 517/2014 er angitt på dataplaten på encheten.
Ethvert arbeid på kjølesystemet skal gjores av en godkjent fagperson som nevnt over.
Periodiske inspeksjoner av lekkasje av kuldemedium kan vare ndvendig avhengig av europeisk aller lokalt regelverk. Vennligst Kontakt din lokale forhandler for mer informasjon.
Vær oppmerksom på at kjølemediet kan��e luktfritt.
- Rørene på ikke stilles hull på eller varmes opp, da det er risiko for eksplosjon og alvorlige brannskader.
- Bruk ikke metoder for aktelerering av visings- eller rengjøringsprossessen som ikke anbefales av fabrikanten.
- Apparatet skal lagres i et lokale der det ikke befinner seg permanent fungerende kilder til antennelse (for eksempel nakne flammer, fungerende gassapparat eller elektrisk radiator).
- Denne varmepumpen er kun beregnet forå varme opp bassengvann, og materiellet på ikke brukes til andreBruksområder.
- Prov ikke INSTALLERE apparatuset på egenhånd.
- Dersom du detekterer en feil eller en unormal situasjon, på ikke varmepumpen installereres, men ta umiddelbartkontakt med forhandleren.
- Dersom varmepumpen skal lagres mä den oppbevares i et godt ventiliert lokale med et gulvareal på mer enn A_(^2) gitt med følgende formel: A_ = (M / (2.5 × 0.22759 × h0))^2 M er(OPEN kuldemedium i apparatet i kg, og hO er lagringshoyden. For lagring pà gulvet hO = 0,6 m.
- Produktet er utelukkende beregnet på bruk i hjemmet og installationsjon utendørs. Luftten som slippes ut av produitet mA kunne sirkulere fritt, og skal ikke brukes til andre formal som for eksempel oppvarming eller nedkjøling av et rom eller en bygning.
- Kontroller strømledningen. Dersom strømledningen er ødelagt, på den byttes ut av fabrikanten, dennes serviceavdeling eller av en kvalifisert og godkjent fagperson.
- Apparatet skal jordes kontinuerlig, og dette er obligatorisk. Jordingsledningen skal vare lenger enn de andre for a forebygge elektrisk stot dersom kabelen rives ut. Den elektriske installasjonen skal vare utstyrt med en 30mA differentialbeskyttelse (cf 3.4
- Sjekk at underlaget som er forutsett for encheten er riktig dimensjonert for vekten av apparatet.
- Alle anbefalinger som/DDie etterkommes vil oppheve garantien.
Råd nár det gjelder vedlikehold
Vedlikeholdsoperasjonene ma utfores en gang i aret for a sikre lang levetid og god drift av varmepumpen.
- Vedlikehold og drift må utføres til anbefalte tidspunkt, som oppgitt i dette brukerveiledningen.
- Bruk kun originale reservedeler.
- Kontroller strømledningen. Dersom strømledningen er ødelagt, på den byttes ut av fabrikanten, dennes serviceavdeling eller av en kvalifisert og godkjent fagperson.
- Sjekk at apparatet er jordet kontinuerlig.
- Rengjør fordamperen med en myk bxrste ell er med en luft- eller vannstrale. NB! Bruk aldri hoytrykksspyler.
- Kontroller evakuering av kondensat.
- Kontroller at elektriske og hydrauliske koblinger sitter godt
- Kontroller vanntettheten til kondensatoren.
La en kvalifisert fagmann sjekke tettheten på kjolekretsen ved hjelp av en lekkasje-detektor.

Før alt vedlikehold ma varmepumpen vare frakoblet alle strømkilder. Vedlikeholdsoperasjoner skal bare utfores av personell som er kvalifisert til Å handtere kuldemedier.
Instruksjoner for overvintring
- Sett varmepumpen i "OFF"-modus.
- Slå av varmepumpens strømforsyning.
- Tøm kondensatoren ved hjelp av tømmeventilen for Å unngå fare for degradering. (høy risiko for frost).
- Lukk bypassventilen og skru løs koblingsdelene til vanninnlp/vannutlp.
- Fjern maksimalt med stillestående vann som er igjen i kondensatoren ved hjelp av en blasepistol.
- Forsegle varmepumpens vanninnlp og vannutlp for a hindre at fremmedlegemerkommen seg inn.
- Dekk til varmepumpen med vinterbelegget som er tiltenkt dette formålet.

Alle skader som er forårsaket av uriktig vinterklargjøring vil ugyldiggjore garantien.
Bruksbetingelser
Dette apparatet kan brukes av barn over 8 År samt av personer med reduserte fysisiske, sensorielle eller mentale evner, uller av personer uten erfaring uller kunnskap, dersom disse personene er under korrekt overvåking uller dersom de har fatt instruksjoner om sikker bruk av apparatet, og dersom det blir tatt hensyn til all risiko.
Rengjring og vedlikehold skal ikke gjores av barn som ikke er under overvåking.
2.1 Varmepumpens ytelse
| Modeller FULL INVERTER HP5091DT3H | HP5111DT3HA HP5 | 51DT3HA HP5 | 81DT3HA | ||
| Tilførselsspenning V | 220V-240V ~ / 1ph / 50Hz | ||||
| Kuldemedium / R32 | |||||
| Last kg 0,430 0,450 0,60 0,670 | |||||
| Masse i teqCO2 | / 0,29 0,30 0,41 | 0,45 | |||
| Hippighat for lekkasjekontroll | / | Er ikke påkrevet, menøylig kontroll anbefales | |||
| Oppvarmingskapasitet Min--Maks (a) | kW | 2,46 -- 9,17 | 2,36 -- 11,45 | 3,31 -- 15,90 | 3,2 -- 18,15 |
| Absorbert elektrisk effekt Min--Maks (a) | kW | 0,17 -- 1,45 | 0,17 -- 1,80 | 0,27 -- 2,84 | 0,22 -- 3,13 |
| Nominell strømverdi Min--Maks (a) | A | 1,17 -- 6,42 | 1,19 -- 7,85 | 1,37 -- 12,35 | 1,45 -- 13,58 |
| COP Maks--Min (a) | / | 14,37 -- 6,32 | 13,88 -- 6,35 | 12,26 -- 5,59 | 14.34 -- 5,80 |
| Oppvarmingskapasitet Min--Maks (b) | kW | 1,75 -- 7,05 | 1,56 -- 8,00 | 3,05 -- 12,40 | 2,86 -- 14,11 |
| Absorbert elektrisk effekt Min--Maks (b) | kW | 0,27 -- 1,51 | 0,279 -- 1,74 | 0,42 -- 2,65 | 0,43 -- 2,99 |
| COP Maks--Min (b) | / | 6,40 -- 4,65 | 5,60 -- 4,80 | 7,26 -- 4,68 | 6,63 -- 4,71 |
| Maksimum strømverdi | A | 8,40 | 9,50 | 14 | 15,9 |
| Sikringsstørrelse | aM | 10 | 12 | 16 | 20 |
| Effektbryter Kurve D | D | 10 | 12 | 16 | 20 |
| Startstrøm | A | < Maksimum strømverdi | |||
| Hydraulisk tlikoling | mm | 50 mm | |||
| Nominell vannstrøm (a) | m'h | 4,00 5,00 6,70 | 7,70 | ||
| Fall i vanntrykk (maks.) | kPa | 3,80 | 4,0 | 6,3 | 10 |
| Kompressor | / | DC Inverter Panasonic | DC Inverter Mitsubishi | ||
| Type | / | Dobbeltroterende | Dobbeltroterende | ||
| Antall | / | 1 | |||
| Svingningsmotstand ved 20°C | Ohm | 1,208 | 0,95 | ||
| Viffe | / | Aksial | |||
| Antall | 1 | ||||
| Diameter | mm | 405 | 510 | ||
| Antall rotor | / | 3 | |||
| Motor | / | DC-omformer | |||
| Antall | / | 1 | |||
| Rotasjonshastighet | Omdr/min | 400 -- 700 | 500 -- 850 | 300 -- 750 | 400 -- 750 |
| Hastighet i Silent Mode | Omdr/min | 400 | 500 | 300 | 400 |
| Lydtrykknivå ved 1 m | dB(A) | 50,2 | 53,9 | 50,8 | 54,0 |
| Lydtrykknivå ved 10 m | dB(A) | 32,8 | 34,2 | 33,8 | 37,25 |
| Enhetens dimensjoner, netto (L-I-H) | mm | 1003 / 418 / 605 | 1048 / 437 / 768 | 1161 / 473 / 862 | |
| Vekt | kg | 44 | 45 | 66 | 70 |
(a) Tørnuft 27°C - Relativ fuktigkeit 78% - Temperatur til vanninnlp 26°C.
(b) Torrluft 15^ - Relativ faktigheit 71% - Temperatur til vanninnlp 26°C.
Maksimumstemperaturen for oppvarming er begrenset til 32^ for a unnga forringelse av foringene. Hayward fraskriver seg alt ansvar i tilfelle av en bruk utover 32^ .
Merk: Varmepumpen er levery uten noe utstyr for behandling aller filtrering. Elementene som presentereres i diagrammer er deler som mA leveres av installmentoren.
3.2 Varmepumpe

Plassert under beskyttelse, ma minsteavstander angitt nedenfor folges for a unnga resirkulering av luft, og en degrading av varmepumpens i totale prestasjoner.

Apparatet må ikke plasserer rett pâ bakken da den kan forårsake forstyrrelser. Ved plassering pâ bakken skal man privilegerer bruk av vibrasjonsabsorbatorer. Man skalventing bruke veggfeste under omstendigheter som kan viderebringe vibrasjoner. Varmepumpen må ikke installereres pâ et underlag som risikerer á forsterke enchetens vibrasjoner.
Varmepumpen ma ikke installeres på et sted hvor støynivæt vil kunne forsterkes, eller på et sted hvor støyen fra encheten vil kunne vare til sjenanse for naboene.
Isoler vannkanaler pa bakken og under jorden.
Varmepumpen ma bygges opp og installereres med en minimum avstand fra basset, i henhold til standard NF C 15-100 (minst 3,5 meter fra basset i Frankrike) aller i henhold til gjeldende regler og forskrifter i hvert enkelt land.
Varmepumpen ma ikke installereres iærheten av en varmekilde.
I land hvor det er mye snø, bør det bygges opp et tak over maskinen for à unngå at snø bygger seg over ribbene på varmepumpen.
Sorg for Å installere bypassventilen og de medfolgende koblingsdelene ved enchetens vanninnlop og vannutlop, for Å forenkle tomming om vinteren, for Å forenkle tilgang eller demontering for vedlikehold.
Den elektriske installationsjonen og kabling av dette utstyret på vår i overensstemmelse med lokale forskritter for installationsjoner.
| F NF C15-100 GB BS7671:1992 | ||
| D DIN VDE 0100-702 EW EVHS-HD 384-7-702 | ||
| A ÖVE 8001-4-702 H MSZ 2364-702/1994/M SZ 10-553 1/1990 | ||
| E UNE 20460-7-702 1993, RECBT ITC-BT-31 2002 | M MSA HD 384-7-702.S2 | |
| IRL Wiring Rules + IS HD 384-7-702 PL PN-IEC 60364-7-702:1999 | ||
| I CEI 64-8/7 CZ CSN 33 2000 7-702 | ||
| LUX 384-7.702 S2 SK STN 33 2000-7-702 | ||
| NL NEN 1010-7-702 SLO SIST HD 384-7-702.S2 | ||
| P R$IUEE TR TS IEC 60364-7-702 | ||

Kontroller at den tilgjengelige strømforsyningen og nettfrekvensen stemmer overens med operasjonelle krav, og tar hensyn til den spesifikke plasseringen til apparatet, og nødvendig strøm til á drive alle andre apparater som er koblet til samme krets.
HP5091DT3HA / HP5111DT3HA / HP5151DT3HA / HP5181DT3HA 230V + / - 10% 50 Hz 1 Fase
Følg tilsvarende koblingsskjema i vedlegg.
Koblingsboksen ligger på enchetens høyre side. Tre tilkoblinger er til strømforsyning, og to til Å styre filtreringspumpen (servomekanisme).

Man ma under ingen omstendigheter bruke et elektrisk stopsel til strømtilførselen.
Den elektriske strømtilforselslinjen skal�� riktig utstyrt med en allpol beskyttelse av typen bryter med D-kurve og med en beskytten dedifferentialbryter pa 30mA (se tabell nedenfor).
| Modeller HP5091DT3HA HP511 | 1DT3HA HP515 | 1DT3HA HP518 | 1DT3HA | ||
| Elektrisk strømforsyning | V/Ph/Hz | 230V~ 50Hz | 230V~ 50Hz | 230V~ 50Hz | 230V~ 50Hz |
| Effektbryter Kurve D A 8 | D 10 D | 16 D 20 D | |||
| Kabelseksjon mm | 2 | 3G 2,5 | 3G 2,5 | 3G 2,5 | 3G 4 |

Bruk en kabel av typen RO 2V/R 2V eller tilsvarende.

Kabelseksjonene er gitt for en lenght de pa maksimalt 25 meter. De ma allikevel kontrolleres og tilpasses de gjeldene instalasjonsforholdene.

Pass alltid på ä stanse hovedstrømforsyningen før du apner den elektriske kontrollboksen.
Etter brudd på strømtilforselen, vent i 10 minutter før du fär tilgang til de interne, aktive delen i utstyret (energi som lagres i kondensatorene).
3.5 Førstegangs oppstart
1) Roter viften for hand for a sikre at den kan rotere fritt for hand, og at spiralen er riktig festet til motorakselen.
2) Se til at encheten er riktig tilkoblet til hovedstrømforsyningen (se koblingssskjema i vedlegg).
3) Slå på filtreringspumpen.
4) Se til at alle vannventiler er øpe og at vannet renner inn i enheten for varme eller avkjøling skrus pa.
5) Sjekk at kondensutløpet er festet riktig og er fri for blokkeringer.
6) Aktiver enchetens strømforsyning og trykk på On/Off-knappen kontrollpanelet.
7) Se til at ingen alarm- eller lasesymboler vises. Dersom det motsatte skulle��e tilfellet, se veiledningen for feilsøking (se § 6.4).
8) Fastsett vannstrømmen ved hjelp av bypassventilen (se kapittel 3.6 og 2.1), som angitt for haver modell, sik at du oppnár en temperaturforskjell på 2^ mellom vanninnlp og vannutlp.
9) Etter den har stätt på noen minutter, sjekk at luften somkommen ut av encheten er kjoligere (mellom 5-10 °C).
10) Slå av filtreringspumpen mens encheten er i drift. Enheten skrus øgså av automatisk og viser feilkoden E03.
11) La encheten og filtreringspumpen stå på hele dognet helt til ønsket vanntemperatur er nadd. Enheten slås avningar gitt temperatur for vanninnlp av nadd. Enheten vil nag automatisk restarte (sø lenge filtreringspumpen er på)ningar vanntemperaturen blir 2^ ); minre enn angitt temperatur.
Vannsirkulasjonsbryter - Enheten er utstyrt med en bryter som aktiverer varmepumpen nár filtreringspumpen er på, og skur den av nár pumpenskrus av. Ved mangel på vann, vises alarmkoden E03 på kontrolleren (Se kapittel 6.4).
Tidsforsinkelse - encheten er utstyrt med eninnebygd 3-minutters omstartsforsinkelse for a beskytte kontrollkretsens deler og for a fjerne omstartssyklus og støy. Denne tidsforsinkelsen vil automatisk omstarte encheten ca. 3 minutter etter hvver avbrytelse av kontrollkretsen. Selv et kort strømavbrudd vil aktivere tidsforsinkelsen og forhindre encheten fra a starte fornedtelingen på 3 minfter er over.
3.6 Innstilling av vannstrømmen
Ventilene for vanninnlop og vannutlop er apne, juster bypassventilen for a fæ en temperaturforskjell på 2 °C mellom vanninnlop og vannutlop (se skjematisk diagram kapittel 3.1).
Du kan kontrollere innstillingen ved Å se på temperaturene for innlp/utlp direkte på kontrollpanelet.

Temperatur Utgang av vann Temperatur Inngang av vann
Merk: Åpningen av bypassventilen genererer en mindre viktig strømning eller økt T .
Lukking av bypassventilen genererer en sterkere strømning, aller en nedgang i T .
4. BRUKERGRENSNITT
4.1 Oversikt
Varmepumpen er utstyrt med et digitalt kontrollpanel med berøringsskjerm, elektrisk tilkoblet og forhåndsinnstilt i fabrikk til varmedrift.




Tegnforklaring
| 1 Temperatur Utgang av vann |
| 2 Opptining på gang |
| 3 Driftsmodus |
| 4 Lampe for drift av kompressor |
| 5 Lasing av skjerm |
| 6 Alarm |
| 7 Temperatur Inngang av vann |
| 8 Start/Stans/Retur |
| 9 Settpunkttemperatur |
| 10 K okkeslett |
| 11 Valg av driftsmodus |
| 12 Instilling av setuppunkt |
| 13 Réglage Timer mode silence |
| 14 Aktivering av Silent Mode |
| 15 Instilling av dato og klokkeslett |
| 16 Instilling av Timer Start/Stans |
| 17 Tilgang til avanserte parametre |
| 18 Tilgang til feilliste |
| 19 Retur (uten validering) |
| 20 Validering |
En sort skjerm angir at varmepumpener stanset, og det er mulig a stille inn parametrene i dette modusen.
ON-modus
När varmepumpen er i drift eller under regulering (for a oppnå settpunktet), blir skjermen blå.


For Å skifte fra OFF-modus til ON-modus og omvendt, trykk på tasten

4.2 Justering av dato og klokkeslett
Innstilling av dato og klokkeslett kan utfores bade i ON- og OFF-modus.


Trykk 1 ganger pa a gà tilbake til hovedskjermen.
4.3 Innstilling av Timer Start/Stans
Du stiller inn på这部分 funksjorden hvis du ønsker Å sette varmepumpen i drift i lopet av en kortereperiode enn den som er fastsatt av filtreringstimeren. Slik kan du programmere en forsinket start og en tidligere stans, eller rett og slett forby en tidsinnstilling for drift (for eksempel om natten).
Du kan programmere 1 Start-timere og 1 Stopp-timere.
Justeringstrinnet er fra "time til time".

Trykk 2 ganger pa a gà tilbake til hovedskjermen.
Trykk 1 ganger pa fagatilbake til hovedskjermen.

Det anbefales à-ilke overstige en temperatur på 30^ for a unnga forandring i basseng-liners.
Låsing og opplåsing av skjermen kan utføres både i ON- og OFF-modus.



Låsing aktivert



Låsing deaktivert
4.6 Innstilling av funksjon SILENCE
I Silence-modus kan du bruke varmepumpen i økonomisk modus, på lav't lydnivå, dersom oppvarningsbehovet ikke er sterkt (hvis vanntemperaturen kun skal holdes jevn, eller hvis du trenger Å ha stillegående drift).
Denne funksjonen kan aktiveres/deaktiveres enten manuelt aller ved hjelp av en tidtaker.
Aktivering / Deaktivering

Silent mode deaktivert

Silence-modus er aktivert
Trykk 1 ganger pa a gà tilbake til hovedskjermen.
Innstilling av Timer for SILENT mode






Trykk 2 ganger pa a gà tilbake til hovedskjermen.

Disse vedlikeholdsoperasjonene ma utfores en gang i aret for a sikre lang levetid og god drift av varmepumpen.
- Vedlikehold og reparasjon av dette apparatet skal gjores av godkjent fagperson i overensstemmelse med gjeldende lovtekster og etter de faglige regler som gjelder i landet der apparatet er installment (jf. § 3.4). For ethvert arbeid som skal gjores på kjolekretsløpet skal fagpersonen ære godkjent for arbeid som berører kjølevæsker.
- Kontroller strømledningen. Dersom strømledningen er ødelagt, på den byttes ut av fabrikanten, dennes serviceavdeling eller av en kvalifisert og godkjent fagperson.
- Sjekk at apparatet er jordet kontinuerlig.
- Rengjør fordamperen med en myk bxrste ell er med en luft- eller vannstråle. NB! Bruk aldri høytrykksspyler.
- Kontroller evakuering av kondensat.
- Kontroller at elektriske og hydrauliske koblinger sitter godt
- Kontroller vanntettheten til kondensatoren.
La en kvalifisert fagmann sjekke tettheten på kjolekretsen ved hjelp av en lekkasje-detektor.

Før alt vedlikehold mA varmepumpen vare frakoblet alle strømkilder. Vedlikeholdsoperasjoner skal bare utfores av personell som er kvalifisert til a handtere kuldemedier.
5.2 Vinterklargjøring
- Sett varmepumpen i "OFF"-modus.
- Slå av varmepumpens strømforsyning.
- Tøm kondensatoren ved hjelp av tømmeventilen for Å unngå fare for degradering. (høy risiko for frost).
- Lukk bypassventilen og skru løs koblingsdelene til vanninnlp/vannutlp.
- Fjern maksimalt med stillestaende vann som er igjen i kondensatoren ved hjelp av en blasepistol.
- Forsegle varmepumpens vanninnlp og vannutlp for a hindre at fremmedlegemer kommt seg inn.
- Dekk til varmepumpen med vinterbelegget som er tiltenkt dette formålet.

Alle skader som er forårsaket av uriktig vinterklargjøring vil ugyldiggjore garantien.
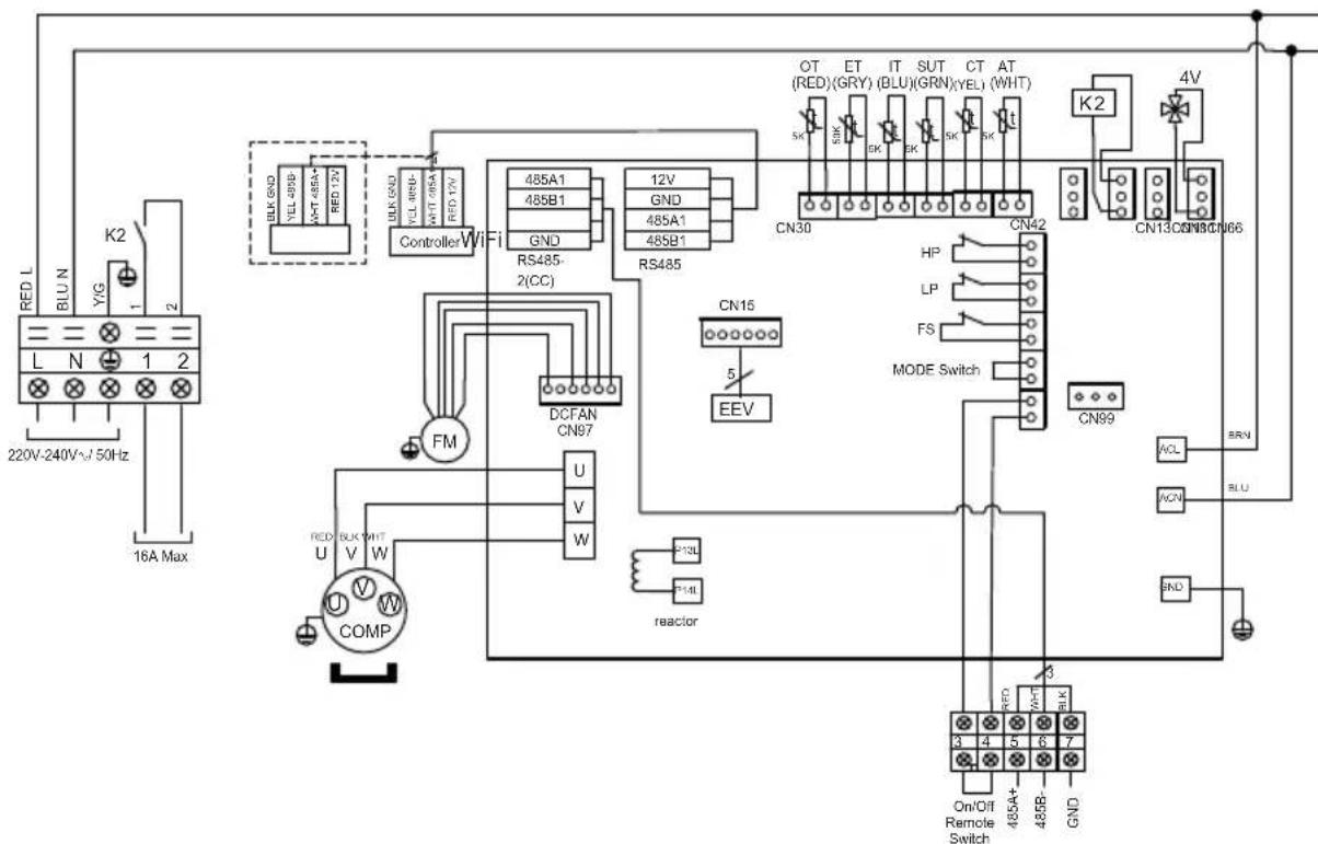
6.1 Koblingsskjemaer
HP5091DT3HA / HP5111DT3HA

MERKNADER
AT:SENSOR FOR LUFTTEMPERATUR
COMP: KOMPRESSOR
CT:SENSOR FOR FORDAMPET TEMPERATURE
EEV: ELEKTRONISK EKSPANSJONSVENTIL
FM : VIFTEMOTOR
FS : VANNSENSOR
HP:H0YTRYKKSBRYTER
IT:TEMPERATURSENSOR TIL VANNINNLOP
LP:LAVTRYKKSBRYTER
OT:TEMPERATURSENSOR TIL VANNUTLØP
SUT: SENSOR FOR SUGETEMPERATUR
4V:4-VEIS VENTIL
K2: POTENSIALFRI KONTAKT, MAKS. 16 A
ET:TEMPERATURSENSOR FOR UTLADNING
OPSJON
Kabling til klemmene 1 og 2 i samsvar med ledningene beskrevet ovenfor, for a kontrollere driften av pumpen ved filtrering syklus 2 min hver time hvist temperaturen i tanken er under det innstilte punktet.
! Aldri koble strømtilforselen til filterpumpen direkte
på terminalene 1 og 2.

Denne siden er blank med hensikt
6.4 Veiledning for feilsøking

Enkelte operasjoner ma utfores av en kvalifisert tekniker.
Ved feil på varmepumpen vises symbolet overst i venstre hjørne på skjermen.
Etter at problemet er blitt Iost, vil det automatisk bli kvittert for feilen og trekanten forsvenir.
For a slette feillisten, trykk pa.
Del
Trykk 2 ganger pa
a gà tilbake til hovedskjermen.
| Feil Feilkoder Beskrivelse Løsning | |||
| Feil i temperatursensor til vanninnløp | P01 | Sensoren er øpen eller det er en kortslutning. | Sjekk kopingsforbindelsen CN21/RES1 på kortet og konnektoren eller skift ut sensoren |
| Feil i temperatursensor til vannutløp | P02 | Sjekk kopingsforbindelsen N22/RES2 på kortet og konnektoren eller skift ut sensoren | |
| Feil på avrimingssensor P04 | Sjekkkopingsforbindelsen CN12/PH på kortet og konnektoren eller skift ut sensoren | ||
| Feil på sensor til utendørstemperatur | P05 | Sjekkkopingsforbindelsen CN8/OPT på kortet og konnektoren eller skift ut sensoren | |
| Feil på kompressor aspirationssensor | P07 | Sjekkkopingsforbindelsen CN7/OAT på kortet og konnektoren eller skift ut sensoren | |
| Feil på kompressorutladrningsføler P081 | Sjekkkopingsforbindelsen CN9/OHT på kortet og konnektoren eller skift ut sensoren | ||
| Høytrykksbeskyttelse E01 | Sensoren er øpen eller det er en kortslutning. | Sjekk CN30/HP koblingen på kortet eller bytt sensor | |
| Sjekk vannmengden | |||
| Sjekk detektoren for vannmengde | |||
| Sjekk at ventilene er øpane | |||
| Sjekk by-passventilen | |||
| Sjekk at fordamperen ikke er tett | |||
| Vantemperaturen er for hoy | |||
| Kondensproblemer etter vedlikeholdsarbeid, tøm—hele kølekretsen | |||
| For stor væskemengde, tøm noe væske ut i en flaske | |||
| Lavtrykksbeskyttelse E02 | Sensoren er øpen eller det er en kortslutning. | Sjekk Al/DI03 koblingen på kortet eller bytt sensor | |
| Stor lekkasje med kjølevæske, foreta en lekkasjetest med detektor | |||
| Luftmengden er for lav, sjekk havtaglen til vifterotasjonen | |||
| Sjekk at fordamperen ikke er tett, rengjør den på overflaten | |||
| Feil i sensor for vannstrømning E03 | Sensoren er øpen eller det er en kortslutning. | Sjekk Al/DI02 koblingen på kortet eller bytt sensor | |
| Ikke nok vann, sjekk filtreringspumpens drift | |||
| Sjekk at vannkranene er øpane | |||
| Sjekkjusteringen av by-passventilen |
| Feil Feilkoder Beskrivelse Løsning | |||
| Temperaturforskjellen mellom Innlop og Utløp >13°C | E06 Gjelder kun Kald-Modus | Ikke nok vann, sjekk filtreringspumpens drift | |
| Sjekk at vannkranene er øne | |||
| Sjekk justeringen av by-passventilen | |||
| Tinesyklus Kjølemodus E07 Temperat ur av utgående vann < 4°C | Stans varmepumpen, tøm kondensatoren,fare for frost | ||
| Kommunikasjonsfeil E08 | Ingen kommunikasjon mellom det elektroniske kortet og brukergrensesnitet | Sjekk koplingene og kopingsforbindelsene – se elektrisk diagram | |
| Første nivå av frostbeskyttelse om vinteren | E19 | 2°< Vanntemperaturen < 4° og Lufttemperatureen < 0° | Stans varmepumpen, tøm kondensatoren,for a unngå frost. Som standard vil varmepumpen starte filtreringspumpen og varmepumpen for at ikke vannet skal fryse. |
| Andre nivå av frostbeskyttelse om vinteren | E29 | Vanntemperaturen < 2° og Lufttemperatureen < 0° | Stans varmepumpen, tøm kondensatoren,for a unngå frost. Som standard vil varmepumpen starte filtreringspumpen og varmepumpen for at/DDke vannet skal fryse. |
| Feil i viftemotor F031 | Motoren er blokkert eller forbindelseseil | Sjekk at det er fri rotasjon;sjekk kopingsforbindelsene CN97/DCFan; skift ut motoren | |
| Feil i viftemotor F051 Forbindelseseil | Sjekk kopingsforbindelsen DCFAN/CN97; skift ut motoren | ||
| For lav utendørs temperatur TP Driftg ensen er nædd Slå av varmepumpen | |||
6.5 Garanti
GARANTIBETINGELSER
HAYWARD garanter at deresprodukter er fri for defekter i materiale og i utforelse for en periode pa to ar fra innkjopsdato. Ved EVT. garantikrav, ma kvittering for kjopet fremlegges. Vi ber om at kvitteringen blir tatt vare pa av kjoper.
HAYWARD garantier, etter HAYWARD eget valg, begrenset til erstatning ellereparasjon av defekteprodukter som har vært i normal bruk og behandlet i henhold tilinstruktorsboken, uten at det har vært foretatt endringer av produitet, og at bare ekte HAYWARD deler har vært brukt. Skader som skyldes frost og kjemiske reaksjoner eriksne omfattet av dette garantiet.
HAYWARD er/DDke ansvarlig for noen andre kostnader (fytting, arbeidskostnader osv...), heller icke for direkte ell er indirekte skader som skyldes funksjonsfeit ved et produit.
For Å sette i gang et garantikrav og Å be om reparasjon aller erstatning av et produit, vennligst ta kontakt med forhandleren. Forsendelse avprodukter direkte til.Var fabrikk blir ikke akseptert uten.Var skriftlige forhandsgodkjjenning.
Slitasjedeler omfattes ikke av garantien.
6.6 Apparatet ved endt levetid

Symbolet som viser en soppelboute med strek over er knyttet til gjenvinning av elektrisk og elektronisk avfall, som betyr at Produktene under ingen omstendigheter kan kastes sammen med vanlig soppel, pa soppelfylling aller med spesialavfall.
Ved endt levetid skal apparatet kildesorteres for resirkulering ellgjenvinning. Det finnes et spesielt system for innsamling av dette typenprodukter i EU og i Norge.
Kontakt installatoren aller dennes lokale representant for innsamling, demontering og resirkulering av apparatet.
Behandlingen av kjølevæsken, olje og andre deler skal gjores av kvalifisert, godkjent fagperson i overensstemmelse med de lokale og nasjonale regler.
Dersom produit inneholder batterier med dette symbolet, betyr det at batteriene kan inneholde farlige og forurensende substanser. Batteriene ma da leveres inn til et spesielt innsamlingssted.
Denne siden er blank med hensikt

HAYWARD
FULL INVERTER
TENIOBOH HACOCДЯ ПЛABATEЛьНО БАССЕнHA

HP5091DT3HAHP5111DT3HAHP5151DT3HAHP5181DT3HA
PykoBoDcTBo nO MoHTaKy i 3KcPnyatauN
EnkelManual