KPAC - Bomba HAYWARD - Manual de utilização gratuito
Encontre gratuitamente o manual do aparelho KPAC HAYWARD em formato PDF.
Perguntas dos utilizadores sobre KPAC HAYWARD
0 pergunta sobre este aparelho. Responda às que conhece ou faça a sua.
Faça uma nova pergunta sobre este aparelho
Baixe as instruções para o seu Bomba em formato PDF gratuitamente! Encontre o seu manual KPAC - HAYWARD e retome o controlo do seu dispositivo eletrónico. Nesta página estão publicados todos os documentos necessários para a utilização do seu dispositivo. KPAC da marca HAYWARD.
MANUAL DE UTILIZADOR KPAC HAYWARD
Manual de instalacao e de instruções
- Pulsar 1 vezes a fazer a la pantalla principal.
- Pulsar 1 vezes a fazer a la pantalla principal.
- Pulsar 2 vezes para fazer a la pantalla principal.

- Para borrar la lista de erros, pulsar. Del
- Pulsar 2 vezes a fazer a la pantalla principal.
Manual de instalacao e de instruções
RESUMO
1. INSTRUÇÉS GERAIS - SEGURANÇA 1
2. CHARACTERISTICAS TECNICAS 5
3. INSTALLação E LIGAÇAO 8
3.1 Diagrama esquemática 8
3.2 Bomba de aquecimiento 8
3.3 Ligação hidráulica 10
3.4 Ligação eletrica 11
3.5 Primeira colocacao em service 12
3.6 Ajuste do débito de agua 14
4. INTERFACE DO UTILIZADOR 15
4.1 Apresentação geral 15
4.2 Configuração de data e hora 17
4.3 Ajuste dos Temporizadores Funcionamento/Paragem 18
4.4 Ajuste do punto de instrucao 20
4.5 Bloqueio e libertação do ecra táctil 21
4.6 Ajustamento do modo SILÊNCIO 22
5. MANUTENÇA O PREPARAZO PARA O INVERNO 25
5.1 Manutenção 25
5.2 Preparacao para o Inverno 25
6.ANXOS 26
6.1 Esquemas electricos 26
6.2 Ligações prioridade aquecido bomba monofásica 28
6.3 Vistas explodidas e peças sobressalentes 30
6.4 Guia de resolucao de avarias 34
6.5 Garantia 37
6.6 Fim de vida do aparelho 37
1. INSTRUÇÉS GERAIS - SEGURANÇA
Agradecemos-lhePGAeCompra destabombade calor para piscinaHayward.A bomba de calor Hayward FULL INVERTERfoi concebida segudo estritasnormas de fabrio para satisfazer os mais elevados niveis de qualidaderequireidos.
As bombas de calor Hayward oferecem-lhe desempenhos exceptionais ao longo de toda a epoca de utilização da sua piscina, adaptando a potência, o consumoétrico e o;nivel sonoro à sua necessidade de aquecimento, gratas à lógica de controlo FULL INVERTER.

Leia atentamente as instruções deste manual antes de utilizes o aparecido.
O presente manual inclui todas as informações necessarias sobre a instalação, a eliminação de falhas de functimento e a conservação.
Leia atentamente este manual antes de Abrir a unidade, ou realizar esta operações de manutenção. O fabricante deste produits não sera em caso algogrim responçavel em caso de ferimento de um Utilizador ou de deterioração da unidade consecutivos a eventuels erros aquando da instalação, da eliminação de falhas ou de uma manutenção inutil. É fundamental seguir em todas as ocasiões as instruções especialicas neste manual.
Depois de ter lido este manual, guarde-o para'utilização posterior.
Pessoal habilido
- A instalação, as ligações eletricas, a manutenção e as reparações do aparecido devem ser efetuadas por um profissional autorizzato conforme os textos regulamenti e as regras da Arte em vigor no País onde o aparecido é instalado (cf § 3.4). Para qualquer intervenção no circuito frigorífico, o profissional deve ser titular de um atestado de capacidade para o manuseamento de fluidos refrigerantes..
Para Franca:
- Instalação eletrica de baixa tensão conforme a NF-C 15-100.
- Legislação sobre o manuseamento dos fluidos refrigerantes: Decreto 2007/737 e suas portarias de aplicação.
1. INSTRUÇÉS GERAIS - SEGURANÇA (continuação)
Este produit contém gás refrigerante R32

EsteaporelhocontemR32.
Jamais utiliser um refrigerante diferente do R32. A Mistura de qualquer除外 elemento gasoso com o R32 pode provocar pressões anormalmente elevadas, suscétiveis de provocar uma avaria ou a rutura de tubos e possíveis ferimentos de pessoas
Aquando de reparacoes ou operacoes de manutenacao, utilizes tubos de cobre conformes à Norma NF EN 12375-1 e à Diretiva Europeia dos equipamentos sob pressão 97/23/CE.
A bomba de calor está sob pressão, portanto jamais perfurar os tubos nem tentar efetuar uma brasagem. há um risco de explosão.
Nunca expo o aparelho a chamas, faíscas ou qualquer窗外 de ignião. Este poderia explodir e causar ferimentos graves ou mesmo mortais.
Para a detectao de fugas de fluido refrigerante: nao utilizear lampada haloide nem qualquer除外 detetor que utilize uma chama aberta.
Em nenhuma circunstência devem ser realizadas fontes potenciais de inflamação.
Este produit contém gases com efeito de estufa fluorados que está enquadrados pelo protocolo de Quioto.
Não libertar把这些 gases na atmosfera.
Valor GWP(1):675,valor baseado no 4.^ relatório do GIEC
A quantidade de refrigerante baseada na regulamentacao F-Gas n.° 517/2014 está indica na placac de identificacao da unidade.
Toda a intervenção sobre o circuito frigorífico deve ser efetuada por um professional autorizzato como Shopsicado anteriormente.
Podem serrequireidas inspecções periodicas em funcão dalegistração europeia ou local. Queira contactar o seu distribuidor local para mais informações.
- Atença, os fluidos refrigerantes podem ser inodoros.
- Não perfurar ou aquecer a tubagem, risco de explosão e de queimaduras graves.
- Não utilizes meiros de aceleração do processo de degelo ou de limpeza que não sejam os recomendados pelo fabricante.
- O aparecido deve ser armazenado num local que não contenha fontes de inflamação funcionando em permanência (por exemplo: chamas abertas, aparecido de gás ou radiadorétrico em função).
1. INSTRUÇÉS GERAIS - SEGURANÇA (continuação)
Condições de instalação
-Esta bomba de calor é exclusivamente destinada a aquecer a agua da piscina, não utilizes este material para outros fins.
- Não tente instalar si mesmo este aparecido.
- Se detetar qualquer defeito ou situação anomal, não instale a bomba de calor e contate imeditamente o seu revendedor.
- Em caso de armazenamento da bomba de calor, esta deve ser armazenada num local corretemente ventilado que tenha uma superficie no solo superior a Amin(m^2) , estabelecida pela segunte formula: Amin = (M / (2,5 × 0,22759 × h0))^2
M送来 aarga de refrigerante no aparelho em kg e h0 a alta de armazenamento. Para um armazenamento no solo h0 = 0,6m
- Este produit foi exclusivamente concebido para um uso dométrico e uma instalação no exterior. O ar que escaça do produits deve poder escoar-se livrente e não deve ser utilizesdo para outros fins como o aquecimento ou o arrerecimento de uma sala ou de um edificio.
- Verificar o cabo de alimentação. Se o cabo de alimentação estiver danificado, deve ser substituído pelo fabricante, pelo seu的服务o pos-venda ou por uma pessoa qualificada e habilidade.
- A ligação do aparecido à terra e a sua continuidade são obligatórias. O fio de terra deve ser mais longo do que os outros fios para fazer riscos de quando eletrico em caso de arrancamento do cabo. A instalação eletrica deve obrigatoriamente estar equipada com uma proteção diferencial de 30 mA (cf § 3.4).
- Verificar que o suporte previsto para a unidade foi adequadamente dimensionado para o peso do aparho.
- Qualquer recomendação não cumprida anula a garantia.
Instruções para a conservação - manutenção
As operações de manutenção devem ser realizadas 1 vez por ano a fim de garantir a longevidade e o bom functimento da bomba de aquecimento.
- A manutenção e as发展目标ações devem ser realizadas com a frequência e nos momentos recomendados, como especificado no presente manual.
- Utilize apenas peças sobressalentes de origem.
- Verificar o cabo de alimentação. Se o cabo de alimentação estiver danificado, deve ser substituído pelo fabricante,loo seu servicepos-venda ou por uma pessoa qualificada e habilidade.
- Verificar a ligaçao do aparelho à terra e a sua continuidade.
1. INSTRUÇÉS GERAIS - SEGURANÇA (continuação)
- Limpar o evaporador com a ajuda de uma escova macia ou jacto de ar ouágua (Atença, nunca utilizes um aspersor de alta pressão).
- Verificar o bom escoamento dos condensados.
- Verificar o aperto das ligações hidráulicas e electricas
- Verificar a estanqueidade hidráulica do condensador.
- Solicitar a um profissional com formação que verificaque a impermeabilidade do circuito frigorífico atraves do detetor de fugas.

Antes de qualquer operacao de manutencao a bomba de aquecimento deve ser desligada de qualquer fonte de corrente electrica. As operacoes de manutencao devem ser realizadas unicamente por pessoal qualificado e habilido para Manipular fluidos de refrigeracao..
Instruções para o Inverno
- Colocar a bomba de aquecimento em Modo "OFF".
- Cortar a alimentação da bomba de aquecimento.
- Esvaziar o condensador com a ajuda do dreno para fazer qualquer risco de degradacao. (risco importante de congelação).
- Fechar a valvula de "by-pass" e desapertar as unioes de entrada/saia.
- Expulsar ao máximo a agua residual do condensador com a ajuda de una pistola de ar.
- Obturar a entrada e a saía de agua na bomba de aquecimiento paraatar a entrada de corpos estranhos.
- Cobrir a bomba de aquecimento com a capa de Inverno prevista para este efeito.

Qualquer dano ocasionado por deficiente preparacao para o Inverno implica a anulacao da garantia..
Condições de'utilisation
Este aparecido pode ser utilizado por crianças comazo些 8 anos de idade assim como por pessoas com capacidades fibras, sensoriais ou mentalais reduzidas, ou sem experiência ou conheçimentos, se foram corretoamente supervisionadas ou se tiverem recebido instruções relativas à utilizesao do aparecido com toda a segurar e os riscos incorridos tiverem sido comprehendidos.
As crianças não devem brincar com o aparelho.
A limpeza e a conservação pelo Utilizador não devem ser efetuadas por crianças sem vigilência.
2. CARACTERISTICAS TECNICAS
2. CARACTERÍSTICAS TÉCNICAS (continuação)
Utilizar a bomba de aquecimento nos seguides intervalos de temperatura e humididade para assegurar um functiamento seguro e eficaz.
| Modo de aquecimento | Refrigeração | |
| Temperatura exterior -7°C – +35°C +7°C – +43°C | ||
| Temperatura da água +12°C – +32°C +8°C – +40°C | ||
| Humidade relativa < 80% < 80% | ||
| Intervalo de Ajuste do punto de afinação | +15°C – +32°C +8°C – +32°C | |

Se a temperatura e a humidade não correspondem a estas condições, podem disparar os dispositivos de segurança e a bomba de aquecimento pode deleiar de funcional.

A temperatura Tmaxa de aquecidonto é limitada à 32^ a fim de évitar a deterioração dos liners. Hayward declina qualquer responsabilitádes em caso de utilização que ultrapassa os +32^ .
2. CARACTERISTICAS TECNICAS (continuação)
2.3 Dimensoes
Modelos:
HP5091DT3HA / HP5111DT3HA / HP5151DT3HA / HP5181DT3HA

Unidade : mm
| Referência\Tipo | HP5091DT3HA / HP5111DT3HA | HP5151DT3HA HP | 5181DT3HA |
| A 418 436 | 5 473 | ||
| B 374 418 | 451,5 | ||
| C 604,5 767 | 7,5 862 | ||
| D 1003 1047 | 7,5 1160,5 | ||
| E 956 1002 | 1115 | ||
| F | 535 615 | 790 | |
| G | 394,5 410 | 447 | |
| H 350 350 | 466 | ||
| I | 97,7 | 101,2 | 97,6 |
| J | 99,2 | 106,5 | 113,5 |
3. INSTALLação E LIGAÇÃO

Nota: A bomba de aquecimento é fornecida sem qualquer equipamento de tratamento ou filtração. Os elementos presentes no esquema são peças a fornecer pelo instalador.
Colocar a bomba de aquecimento no exterior e fora de qualquer local técnico fechado.
Escolher uma localização de preferência ensolarada e ao abrigo decretos dominantes.
O aparecido deve estar perfeitamente acessível para os trabalho de instalação e de manutenção ulteriores.
Colocada sob abrigo, devem ser respeitadas as distancias minimas prescritas abaixo a fim de fazer qualer risco de recirculação de ar e de degradacao dos desempenhos globais da bomba de aquecimento.

3. INSTALLação E LIGAÇÃO (continuação)

Não colocar o aparecido diretamente no solo porque isto pode provocar perturbacoes.
A posicao no solo sobre blocos anti-vibracoes deve ser privilegiada. Um suporte de parede não deve ser utilizescado em condições suscétiveis de transmitir vibrações.
Não instalar a bomba de calor sobre um suporte suscétivel de amplificar as vibrações daunities.
Não instalar a bomba de calor num lugar suscétivel de amplificar o seu[nével sonoro ou num lugar onde o ruido da unidade possa incomodar a vizinhança.
Não utilizes adesivos:"These não são considerados como meios de fixação fiaveis.
Instalar de preferencia a bomba de calor sobre uma laje de betão plane e dessolidarizada ou uma caixa de fixação prevista para esteefeito e montar a bomba de aquecimento sobre os blocos amortecedores fornecidos (parafusos e anilhas fornecidos).
Fixar o aparecido respeitando o aperto indicado para fazer qualquer risco de acidente ou danos para os materiais e as pessoas.
Outra possibilitad: instalar a bomba de calor no solo sobre suportes em borracha, utilizing um Conjunto de parafusos adaptado (nao fornecido).



Distência Tmaxa de instalacao entre a bomba de aquecimento e a piscina 15 metros.
Comprimento total ida e volta das canalizacoes hidráulicas 30 metros. Isolar as canalizacoes hidráulicas de superficie e enterradas.
A bomba de calor deve ser instalada a uma distência minima da piscina de acordo com a norma NF C 15-100 (ou seja, a 3,5 m da massa de água, em Franca) ou com as normas de instalação em vigor noutros paises.
Não instalar a bomba de calor muito a fontes de calor.
Em caso de instalação em regíoes com ocorrência de neve, recomendase fazer a boa abrigada para fazer a Accumulação de neve no evaporador.
3. INSTALLAÇAO E LIGAÇAO (continuação)
3.3 Ligação hidráulica
A bomba de aquecimento é fornecida com das uniónes de 50 mm de diametro. Utilizar tubo PVC para canalização hidráulica Ø 50 mm. Ligar a entrada de água da bomba de aquecimento à conduita proveniente do grupo de filtração e, em seguida, ligar a saía de água da bomba de aquecimento à conduita de água que segue para a bacia (consultar esquema abaixo).

Instalar una valvula dita de "by-pass" entre a entrada e a saida da bomba de aquecimento.

Se for utilizes um distribuidor automatico, deve obligatoriamente ser instalado après a bomba de aquecimento a fim de proteger o condensador Titane contra una concentração demasiado elevada de produits químico.

Tenha o cuidado de instalar a bomba de by-pass e as uniónes fornecidas ao;nvel de entrada e saia de agua da unidade, a fim de simplificar a purga durante o periodo de Inverno, facilrar o accesso ou a respectiva desmontagem para manutenção.
3. INSTALLação E LIGAÇÃO (continuação)
3.4 Ligação électrique

A instalacao eletrica e a cablagem deste equipamento devem estar em conformidade com a regras de instalacao locais em vigor.
| F NF | C15-100 GB BS7671:1992 | ||
| D DIN | VDE 0100-702 EW EVHS-HD 384-7-702 | ||
| A ÖVE | 8001-4-702 H MSZ 2364-702/1994/M | SZ 10- | 553 1/1990 |
| E UNE | 20460-7-702 1993, RECBT ITC-BT-31 2002 | M M | SA HD 384-7-702.S2 |
| IRL | Regras de cablagem + IS HD 384-7-702 | PL P | N-IEC 60364-7-702:1999 |
| I | CEI 64-8/7 | CZ | CSN 33 2000 7-702 |
| LUX | 384-7.702 S2 | SK | STN 33 2000-7-702 |
| NL | NEN 1010-7-702 | SLO | SIST HD 384-7-702.S2 |
| P R$IUEE | TR TS | IEC 60364-7-702 | |

Verifique que a alimentação eletrica disponible e a frequência da rede correspondem à corrente deestruturaorequireida, tendo em conta a localização especiala do equipamento, e a corrente necessaria para alimentar qualquer及其他 aparelho ligado ao mesmo circuito.
HP5091DT3HA / HP5111DT3HA / HP5151DT3HA / HP5181DT3HA 230V + / - 10% 50 Hz 1 Fase
Observe o esquema de cablagem correspondente em anexo. A caixa de ligações encontrar-se do lado direito da unidade. Três ligações destinam-se à alimentação elétrica, e das ao commando da bomba de filtração (Servocomando).

3. INSTALLação E LIGAÇÃO (continuação)

Nunca utilizesumaTomada de corrente paraalimentacao.
A红线 de alimentação eletrica deve ser dotada, de maneira apropriadá, de um dispositivo de proteção omnipolar do tipo disjunto curva D, assim como de um disjunto diferencial de proteção 30 mA (verabela abaixo).
| Modelos HP5091DT3HA HP511 | DT3HA HP515 | DT3HA HP518 | DT3HA | ||
| Alimentação eletrica V | Ph/Hz | 230V~ 50Hz | 230V~ 50Hz | 230V~ 50Hz | 230V~ 50Hz |
| Disjuntor curvo D A 8 D | 10 D 16 | D 20 D | |||
| Secção de cabo mm | 2 | 3G 2,5 | 3G 2,5 | 3G 2,5 | 3G 4 |

Utilizar o cabo de alimentação do tipo RO2V / R2V ou equivalente.

As seções de cabo são fornecidas para um comprimento máximo de 25 m. Devem no entanto ser verificadas e adaptadas em funcção das condições de instalação.

Tenha sempre o cuidado de interromper a alimentação principal antes de partir a caixa de commando eletrico.
Após oSECTIONamento da alimentação, aguardar 10 horas antes de aceder às partes ativas internas do equipamento (energia armazenada nos condensadores).
3.5 Primeira colocação emServiço
Procedimento de arranque - uma vez a instalação terminada, seguir e respeitar as etapas seguides:
1) Faça girar os ventiladores com a maior a fim de verficar que ele pode girar livamente com a maior, e que a helice está fixada correctamente sobre o eixo do motor.
2) Assegure-se que a unidade está correctamente ligada à alimentacao principal (ver esquema de cablagem em anexo).
3) Active a bomba de filtracao.
4) Verifique que todas as valvulas de agua está abertas, e que a agua flui para a unidade antes de passar ao modo de aquecimento ou refrigeracao.
5) Verifique que o tubo de purga de condensados está correctamente fixado e não apareça nenhuma obstrução.
6) Active a alimentação électrique destinada à unidade, depuis prima a tecla Marche/Arrêt (Marcha/Paragem) o pailé de commando.
3. INSTALLação E LIGAÇÃO (continuação)
7) Certifique-se de que os símbolos de alarme ou de bloqueio não são visualizados. Se for o caso, consulutar o guia de resolution de problemas (consulta a secção 6.4).
8) Fixe o débito de agua com a ajuda da valvula de by-pass (ver § 3.6 e 2.1), conforme previsto respectivamente para cada Modelo, de modo a obter umaDIFFERÊCA de temperatura Entrada/Sáida de 2^ .
9) Àpos um Functionamento de algunos Minutes, verifique que o ar que sai da unidade é refrigerado (entre 5 e 10^ ).
10) Com a unidade em service, desactive a bomba de filtracao. A unidade deve parar automaticamente ekekar o codigo de erro E03.
11) Faça funciona a unidade e a bomba da piscina 24 horas sobre 24, às que seja atingida a temperatura da água pretendida. quando a temperatura de entrada de água atingir o valor de afinance, a unidade para. Volta então a arrancar automaticamente (desde que a bomba da piscina está em service) se a temperatura da piscina for iunferior em pelo menos 0,5^ à temperatura regulada.
Controlador de débito - A equipe é dotada de um controlador de débito que activa a bomba de calor quando a bomba de filtração da piscina está em service, e desactiva-a quando a bomba de filtração está fora de service. Por falta de água, aparece no regulator o)códio de alarme E03 (Ver § 6.4).
Temporização - aunities integra uma temporização de 3 minutos, a fim de proteger os componentes do circuito de commando, eliminar qualquer instabilitação em termos de re-arranque e qualquer interferência ao;nível do contactor. Gracias a esta temporização, aunities voltar a arrancar automaticamente circa de 3 minutos antes qualquer corte do circuito de commando. Mesmo um corte de corrente de curta duração activa a temporização de arranque.
3. INSTALLação E LIGAÇÃO (continuação)
Nota: A abertura da valvula de "by-pass" provoca um débito menor, logo um aumento da T .
Omeetingdavalvula de"by-pass”provocumaumdebito maior,logouma diminuiacao da T
4. INTERFACE DO UTILIZADOR
4.1 Apresentação geral
A bomba de aquecimento está equipada com um pailen de commando digital com eça tíctil, ligado electricamente e pré-regulado de fabrica em modo de aquecimento.




Legenda
| 1 Temperatura de entrada de água |
| 2 Descongelamento em coisa |
| 3 Muito deestrucimento |
| 4 Indicador luminoso deestrucimento do compressor |
| 5 Bloqueio do ecra |
| 6 Alegre |
| 7 Saía de agua |
| 8 Funcionamento/Paragem/Returno |
| 9 Temperatura de instruição |
| 10 Hora |
| 11 Selecção do modo deestruturação | |
| 12 Ajuste do punto de instrução | |
| 13 Configurar temporizador do modo silencio | |
| 14 Ativação do modo silencio | |
| 15 Ajuste data e hora | |
| 16 Ajuste dos Temporizadores Funcionamento/Paragem | |
| 17 Acesso aos parâmetros avançados | |
| 18 Acesso à lista de defeitos | |
| 19 Retorno (sem validação) | |
| 20 Válidação |
4. INTERFACE DO UTILIZADOR (continuação)
Modo OFF/PARAGEM
Quando a bomba de calor está parada (em modo de esper), a inscrição OFF aparece como indicado no ecra.
O ecra preto indica que a bomba de calor está parada, o ajuste dos parâmetros é possível;neste modo.
Modo ON/FUNCIONAMENTO
quando a bomba de calor está em funcimento ou em regulação (a alcantar o punto de instrução) o eça torna-se azul.


Para passar do modo OFF ao modo ON e inversamente, premir o botão

4. INTERFACE DO UTILIZADOR (continuação)
4.2 Configuração de data e hora
O ajuste da data e da hora pode ser realizado indiferentemente em modo ON ou OFF.






- Premir 1 vezes o botão -a voltar ao ecra principal.
4. INTERFACE DO UTILIZADOR (continuação)
4.3 Ajuste dos Temporizadores Funcionamento/Paragem
O ajuste esta funcção é necessária caso pretenda fazer functional a bomba de aquecimento por um periodo mais curto que o definido pelo relógio de filtração. Pode assim programar um arranque diferido e um arranque antecipado ou simplesmente impedir um intervalo horário de funcionaamento (por exemplo a noite).
É possível programar um temporizador de Arranque e um temporizador de Paragem. O ciclo de configuração é «de hora a hora».

4. INTERFACE DO UTILIZADOR (continuação)





- Premir 2 vezes o botão

a voltar ao ecran principal.
4. INTERFACE DO UTILIZADOR (continuação)
4.4 Ajuste do punto de instrucao
O ajuste do punto de instrução realiza-se indiferentemente em modo ON ou em modo OFF com uma precisão de 0,5^ .






- Premir 1 vezes o botão a voltar ao ecra principal.

É recomendável nunca ultrapassar a temperatura de 30^ para fazer a alteração das juntas.
4. INTERFACE DO UTILIZADOR (continuação)
4.5 Bloqueio e libertação do ecra táctil
O bloqueio e o desbloqueio do ecra pode ser efetuado indiferentemente em modo ON ou em modo OFF.



Bloqueio ativado



Bloqueio desativado
4. INTERFACE DO UTILIZADOR (continuação)
4.6 Ajustamento do modo SILÊNCIO
O modo silencio permite utiliser a bomba de calor em modo econômico e muito silencioso quando as necessidades de aquecimento são baixas (manter a temperatura da piscina ou assegurar o funcionaamento ultra silencioso).
Esta funcao pode ser Activada/Desactivada manualmente ou usingo um temporizador.
Ativação / Desativação
- Premir 1 vezes o botão para voltar ao eça principal.
4. INTERFACE DO UTILIZADOR (continuação)
Ajuste do Temporizador do modo SILÊNCIO






4. INTERFACE DO UTILIZADOR (continuação)


- Premir 2 vezes o botão -a voltar ao eça principal.

O ciclo de configuração é «de hora a hora».
Depois de o activar, o temporizador fica activo 24 horas por dia.
5. MANUTENÇA O PREPARACAO PARA O
INVERNO
5.1 Manutenção
Estas operacoes de manutencao devem ser realizadas 1 vez por ano a fim de garantir a longevidade e o bom functimento da bomba de aquecimento.
- A manutenção e as reparações do aparecido devem ser efectuada por um profissional autorizzato conforme os textos regulamentares e as regras da arte em vigor no País onde o aparecido é instalado (cf § 3.4). Para qualquer intervenção no circuito frigorífico, o profissional deve ser titular de um atestado de capacidade para o manuseamento de fluidos refrigerantes.
- Verificar o cabo de alimentação. Se o cabo de alimentação estiver danificado, deve ser substituído pelo fabricante, pelo seuServiço posvenda ou por uma pessoa qualificada e habilidade.
- Verificar a ligação do aparecido à terra e a sua continuidade.
- Limpar o evaporador com a ajuda de uma escova macia ou jacto de ar ou agua (Atença, nunca utilizes um aspersor de alta pressão).
- Verificar o bom escoamento dos condensados.
- Verificar o aperto das ligações hidráulicas e electricas
- Verificar a estanqueidade hidráulica do condensador.
- Solicitar a um profissional com formação que verificaque a impermeabilidade do circuito frigorífico atraves do detetor de fugas.

Antes de qualquer operacao de manutencao a bomba de aquecimento deve ser desligada de qualquer fonte de corrente electrica. As operacoes de manutenao devem ser realizadas unicamente por pessoal qualificado e habilido para Manipular fluidos de refrigeracao.
5.2 Preparação para o Inverno
- Colocar a bomba de aquecimento em Modo "OFF".
- Cortar a alimentação da bomba de aquecimento.
- Esvaziar o condensador com a ajuda do dreno para fazer qualquer risco de degradacao. (risco importante de congelação).
- Fechar a valvula de "by-pass" e desapertar as unioes de entrada/saia.
- Expulsar ao máximo a agua residual do condensador com a ajuda de una pistola de ar.
- Obturar a entrada e a saía de agua na bomba de aquecimiento para estar a entrada de corpos estranhos.
- Cobrir a bomba de aquecimento com a capa de Inverno prevista para este efeito.

Qualquer dano ocasionado por deficiente preparacao para o Inverno implica a anulacao da garantia.
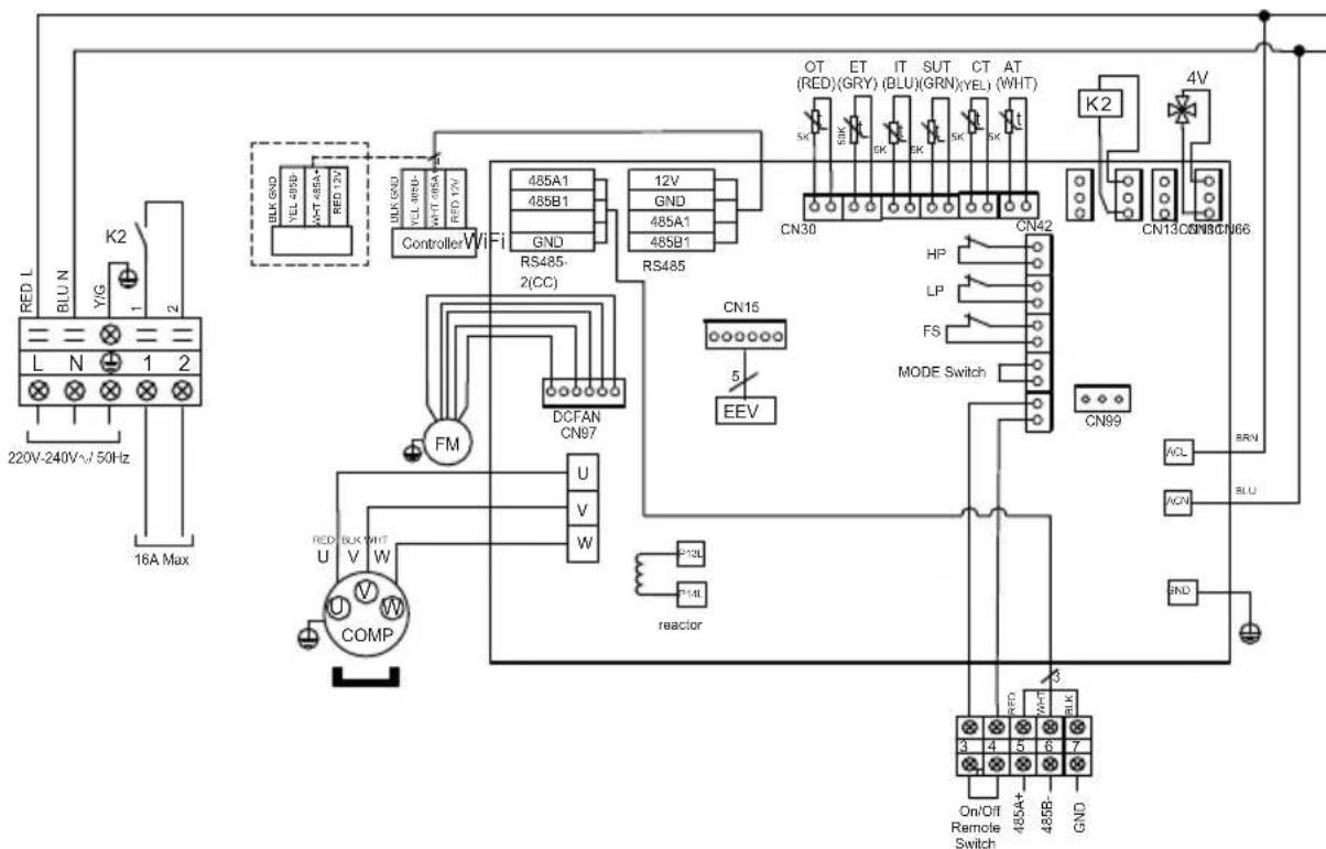
6.1 Esquemas electricos
HP5091DT3HA / HP5111DT3HA

LEGENDA
AT:SONDADETEMPERATURA DO AR
COMP: COMPRESSOR
CT:SONDA TEMPERATURA EVAPORADOR
EEV: REGULADOR ELECTRONICO
FM:MOTOR VENTILADOR
FS: DETECTOR PRESENÇA DE ÁGUA
HP: PRESSÔSTATO ALTA PRESSão
6. ANEXOS (continuação)
6.2 Ligações prioridade aquecimento bomba monofásica

Os terminals 1 e 2 emitem um contacto seco livre de potencial, sem polaridade de 230V /50Hz Cablar os terminals 1 e 2 respeitando a cabagem indicada acima, a fim de controlar o functiimento da bomba de filtracao por ciclo de 2 minutos todas as horas se a temperatura da bacia for inferior ao punto recomendado.
! Nunca conecte a alimentacao da bomba de filtracao directamente sobre os terminals 1 e 2.

Págradeixada em branco intencionalmente
6. ANEXOS (continuação)
6.3 Vistas explodidas e peças sobressalentes
HP5091DT3HA / HP5111DT3HA / HP5151DT3HA / HP5181DT3HA


6. ANEXOS (continuação)
6. ANEXOS (continuação)
HP5091DT3HA / HP5111DT3HA / HP5151DT3HA / HP5181DT3HA


6. ANEXOS (continuação)
| Rep | Designação Ref. | HP5091DT3HA | HP5111DT3HA | HP5151DT3HA | HP5181DT3HA | |
| 29 | Sonda de aspiração compressor5 k - 560 mm | HWX83000044 | ✓ | ✓ | n/a n/a | |
| Sonda de aspiração compressor5 k - 760 mm | HWX83000053 n/a | n/a | ✓ | ✓ | ||
| Sonda temperatura de ar 5 k - 350 mm HWX83000049 | ✓ | ✓ | ✓ | ✓ | ||
| Sonda de saía de água 5 k - 410 mm HWX83000050 | ✓ | ✓ | ✓ | ✓ | ||
| Sonda de entrada de agua 5 k - 850 mm HWX83000052 | ✓ | ✓ | ✓ | n/a | ||
| Sonda de entrada de agua 5 k - 980 mm HWX83000055 n/a n/a | ✓ | ✓ | ✓ | ✓ | ||
| Sonda de descarga compressor50 k - 660 mm | HWX83000026 | ✓ | ✓ | ✓ | ✓ | |
| Sonda descongenção 5 k - 680 mm HWX83000051 | ✓ | ✓ | ✓ | n/a n/a | ||
| Sonda descongenção 5 k - 1040 mm HWX83000045 | ✓ | ✓ | ✓ | ✓ | ||
| 30 | Filtro EMC | HWX20003257 | n/a n/a | ✓ | ✓ | |
| 31 | Placa eletrónica Driver | HWX72200168AP3 | ✓ | n/a | n/a n/a | |
| HWX72200168AP4 | n/a | ✓ | n/a n/a | |||
| HWX72200167AP5 | n/a n/a | ✓ | n/a | |||
| HWX72200167AP6 | n/a n/a n/a | ✓ | ||||
| 32 | Relés K2 | HWX20000360297 | ✓ | ✓ | ✓ | |
| 33 | Terminal L-N-GND -5 ligações 4 mm² | HWX40003901 | ✓ | ✓ | ✓ | |
| 34 | Porta de proteçao | HWX80900321 | ✓ | ✓ | ✓ | ✓ |
6. ANEXOS (continuação)
6.4 Guia de resolution de avarias

Certas operações devem ser realizadas por um técnico habilido.
Em caso de defeito da bomba de calor, o símbolo laparece no ángulo superior esquerdo do ecra.
Em caso de falha, as indicações seguentes aparecem no eça:


- Para apagar a lista de erros, premir. Del
- Premir 2 vezes o botão éva voltar ao eça principal.
6. ANEXOS (continuação)
| Avaria | Códigos deerro | Descrição Solutação | |
| Avaria sonda de entrada de água | P01 | O sensor está aberto ou aparece curto-circuito. | Verificar os conetores CN21/RES1 na placac e o conetor de extensão ou substituir o sensor |
| Avaria sonda de saída de água | P02 | Verificar os conetores N22/RES2 na placac e o conetor de extensão ou substituir o sensor | |
| Avaria sonda temperatura exterior | P04 | Verificar os conetores CN12/PH na placac e o conetor de extensão ou substituir o sensor | |
| Avaria sonda descongenelação | P05 | Verificar os conetores CN8/OPT na placac e o conetor de extensão ou substituir o sensor | |
| Defeito sonda de aspiração compressor | P07 | Verificar os conetores CN7/OAT na placac e o conetor de extensão ou substituir o sensor | |
| Defeito sonda de descarga compressor | P081 | Verificar os conetores CN9/OHT na placac e o conetor de extensão ou substituir o sensor | |
| Protecção de alta pressão | E01 | O sensor está aberto ou aparece curto-circuito. | Verificar os conetores CN30/HP no mapa ou substituir o sensor |
| Verificar o caudal de água | |||
| Verificar o detector de caudal de água | |||
| Verificar a abertura das valvulas | |||
| Verificar o by-pass | |||
| Verificar a sujidade do evaporador | |||
| Temperatura da água muito elevada | |||
| Problema de gás não condensavel antes manutençao, fechar e retirar o vázuo do circuito frigorífico | |||
| Carga de fluido muito elevada, retirar fluido com uma garrafa | |||
| Protecção de baixa pressão | E02 | O sensor está aberto ou aparece curto-circuito. | Verificar a ligation Al/DI03 no mapa ou substituir o sensor |
| Fuga grave de fluido de refrigeração, procurar uma fuga com o detector | |||
| Fluxo de ar muito fraco, verificar a velocidade de rotação do ventilador | |||
| Verificar a sujidade do evaporador, limpar a superficie | |||
| Avaria detector de débito | E03 | O sensor está aberto ou aparece curto-circuito. | Verificar a ligation Al/DI02 no mapa ou substituir o sensor |
| Falta de agua, verificar o functimento da bomba de filtração | |||
| Verificar a abertura das valvulas de paragem | |||
| Verificar a configuração do by-pass |
6. ANEXOS (continuação)
| Avaria | Códigos deerro | Descrição Solutação | |
| Diferência de temperatura entrada/saida > 13 °C | E06 Apicável apenas no modo Frio | Falta deágua,verificar o funcionamento da bomba de filtração | Falta deágua,verificar o funcionamento da bomba de filtração |
| Verificar a abertura das valvulas de paragem | |||
| Verificar a configuração do by-pass | |||
| Protecção Antigelo E07 Temperatura | de saída da água < 4 °C | Parar a bomba de calor,esvaziar o condensador,risco de congelamento | |
| Problema de comunicação E08 | Não há nenhuma comunicação entre a placáeletrónica e a interface do Utilizador | Verificar as ligações e os conetores -ver esquemaétrico | |
| Proteção antigelo de;nível 1 E19 | 2 °C < Temperatura da água < 4 °C e Temperatura do ar < 0 °C | Interromper o funcionamento da bomba de calor,esvaziar o condensador para evitar o congelamento. Por defeito, a bomba de calor inicia a bomba de filtração e a bomba de calor para evitar a entrada de gelo. | |
| Proteção antigelo de;nível 2 E29 | Temperatura da água < 2 °C e Temperatura do ar < 0 °C | Interromper o funcionamento da bomba de calor,esvaziar o condensador para evitar o congelamento. Por defeito, a bomba de calor inicia a bomba de filtração e a bomba de calor para evitar a entrada de gelo. | |
| Defeito do motor ventilador F031 Motorbloqueado ou defeito de ligationo | Verificar a sua livre rotação;verificar os conetores CN97/DCFan; substituir o motor | ||
| Defeito do motor ventilador F051 Defeito de ligationo | Verificar os conetores DCFAN/CN97; substituir o motor | ||
| Temperatura exterior demasiado baixa | TP Limitede funconamento atingido Parar a bomba de calor | ||
6.5 Garantia
CONDIÇÉS DE GARANTIA
Todo os produits HAYWARD são garantidos contra todos os defeitos de fabrico ou de materia-prima durante um periodo de dois anos a conta da data de aquisicao.
Qualquer reclamação de garantiadeer ser acompanhada de uma prova de compra
contendo a data. Recomendamos, assim, que conserve a sua factura.
A garantia HAYWARD é limitada à reparação ou substituição, por opção da HAYWARD, dos produits defeituços desde que tenham sido submetidos a umautilização normal, em conformidade com as prescriçõesmentionadas no respectivomanual deutilização, que o produit não tenha sido modificado de nenhuma forma etenha sidoutilizandounicamente com componentes e peças da HAYWARD.Os danosdevidos ao gelo e acos ataques de agentes químicos não são garantidos. Todas asoutrasdespesas (transporte,mão-de-obra...) estao excluidasda garantia.
A HAYWARD não poderá ser considerada responsavel por qualquer dano directo ou indirecto proveniente da instalação, da ligação ou do funct ionamento Incorrecto do produits.
Para fazer aplicar uma garantia ou Solicitar a reparacao ou substituição de um artigo, dirija-se ao seu revendedor. Não sera aceite qualquer devoluçao de material à)nossa fabrica sem o meu acordo precedo por escrito. As peças de desgaste não seencontram cobertas pela garantia.
6.6 Fim de vida do aparelho

O*símbolo da lixeira barrada relativo ao tratamento e à revalorização dos detritosétricos e eletrónicos significa que em caso algo um os produits devem ser descartados com o lixo dométrico, com os itens volumos ou num aterro.
Em fim de vida, o aparecido deve ser objeto de uma recolha seleitura com vista à sua reciclagem ou revalorização. Um circuito especialico de recuperação para este tipo de produits foi implementado nos paises da União Europeia e na Noruega.
Contactor o instalador ou o representante local para proceber a recolha, ao desmantamento e a reciclagem deste aparelho.
O retratamento do liquido refrigerante, do oleo e das outras peças deve ser realizado por um professional qualificado autorizzato conforme as legislacoes locais e nacionalis em vigor.
Se o produit contiver pilhas marcadas com este símbolo, isto significica que as pilhas podem conter substancias nocivas ou poluentes. Neste caso, entrega as pilhas num punto de recolha de pilhas usadas.
Pagina deixa em branco intencionalmente
3. INSTALLAZIONE E COLLEGAMENTO 8
5. MANUTENZIONE E SVERNAMENTO 25
3. INSTALLAZIONE E COLLEGAMENTO
3. INSTALLAZIONE E COLLEGAMENTO (segue)

3. INSTALLAZIONE E COLLEGAMENTO (segue)
3. INSTALLAZIONE E COLLEGAMENTO (segue)
3. INSTALLAZIONE E COLLEGAMENTO (segue)

ManualFácil