KPAC - Pompe HAYWARD - Notice d'utilisation et mode d'emploi gratuit
Retrouvez gratuitement la notice de l'appareil KPAC HAYWARD au format PDF.
| Caractéristiques techniques | Pompe à vitesse variable, débit ajustable, compatible avec les systèmes de filtration Hayward |
|---|---|
| Utilisation | Conçue pour le pompage d'eau dans les piscines résidentielles, améliore l'efficacité énergétique |
| Maintenance et réparation | Filtres et joints à vérifier régulièrement, entretien recommandé tous les 6 mois |
| Sécurité | Équipée de protections contre les surcharges, respecter les consignes d'installation |
| Informations générales | Garantie de 2 ans, service après-vente disponible, pièces de rechange accessibles |
FOIRE AUX QUESTIONS - KPAC HAYWARD
Questions des utilisateurs sur KPAC HAYWARD
0 question sur cet appareil. Repondez a celles que vous connaissez ou posez la votre.
Poser une nouvelle question sur cet appareil
Téléchargez la notice de votre Pompe au format PDF gratuitement ! Retrouvez votre notice KPAC - HAYWARD et reprennez votre appareil électronique en main. Sur cette page sont publiés tous les documents nécessaires à l'utilisation de votre appareil KPAC de la marque HAYWARD.
MODE D'EMPLOI KPAC HAYWARD
Manuel d'instructions et d'installation
Manuel d'instructions et d'installation
2. Caractéristiques techniques 5
2.1 Données techniques de la pompe à chaleur 5 2.2 Plage de fonctionnement 6 2.3 Dimensions 7
3.1 Schéma de principe 8 3.2 Pompe à chaleur 8 3.3 Raccordement hydraulique 10 3.4 Raccordement electrique 11 3.5Premier demarrage 12 3.6 Réglage du début d'eau 14
4. Interface utilisateur 15
4.1 Présentation générale 15 4.2 Réglage Date et Heure 17 4.3 Réglage des Timers Marche/Arrêt 18 4.4 Réglement du point de consigne 20 4.5 Verrouillage et déverrouillage de l'écran tactile 21 4.6 Activation et réglage du mode SILENCE 22
5. Entretien et hivernage 25
5.1 Entretien 25 5.2 Hivernage 25
6. Annexes 26
6.1 Schémas électriques 26 6.2 Raccordements priorité chauffage Pompe Monophasé 28 6.3 Vues éclatées et pièces détachées 30 6.4 Guide de dépannage 34 6.5 Garantie 37 6.6 Fin de vie de l'appareil 37
1. Consignes générales - sécurité
Nous vous remercions d'avoir acheté cette pompe à chaleur de piscine Hayward. La pompe à chaleur Hayward FULL INVERTER a été conçue selon des normes strictes de fabrication pour satisfaire les plus hauts niveaux de qualité requis.
Les pompes à chaleur Hayward vous offrent d'exceptionnelles performances tout au long de votre saison de baignade en adaptant la puissance, la consommation électrique et le niveau sonore au besoin de chauffage de votre piscine grâce à la logique de contrôle FULL INVERTER.

Lisez attentivement les consignes de ce manuel avant d'utiliser l'appareil.
Le présent manuel inclut toutes les informations nécessaires concernant l'installation, l'élimination des dysfonctionnements et l'entretien.
Lisez attentivement ce manuel avant d'ouvrir l'unité, ou de réaliser des opérations d'entretien sur celle-ci. Le fabricant de ce produit ne sera en aucun cas tenu responsable en cas de blessure d'un utilisateur ou d'un endommagement de l'unité suite à d'éventuelles erreurs lors de l'installation, de l'élimination des dysfonctionnements, ou d'un entretien inutile. Il est primordial de suivre à tout moment les instructions spécifiées dans ce manuel.
Après avoir lu ce manuel, rangez-le en vue d'une utilisation ultérieure.
Personnel habilité
- L'installation, les raccordements électriques, l'entretien et les réparations de l'appareil doivent être effectués par un professionnel agréé conformément aux textes réglementaires et règles de l'art en vigueur dans le pays où l'appareil est installé (cf § 3.4). Pour toute intervention sur le circuit frigorifique, le professionnel doit être titulaire d'une attestation de capacité à la manipulation des fluides frigorigènes.
Pour la France : - Installation électrique à tension selon la NF-C 15-100. - Législation sur le maniement des fluides frigorigènes : Décret 2007/737 et ses arrêtés d'application.
Ce produit contient du gaz réfrigérant R32

Cet appareil contient du R32.
Ne jamais utiliser un réfrigérant autre que du R32. Tout autre corps gazeux mélangé avec le R32 risque de provoquer des pressions anormalement élevées, pouvant conduire à une panne ou à une rupture de tuyaux et blesser des personnes.
Lors de réparations ou d'opérations de maintenance, utiliser des tubes de cuivre conformes à la Norme NF EN 12735-1 et à la Directive Européenne des équipements sous pression 97/23/CE.
La pompe à chaleur étant sous pression, ne jamais percer les tuyaux ni tenter de faire une soudure. Il y a risque d'explosion.
Ne jamais exposer l'appareil à des flammes, des étincelles ou autres sources d'allumage. Il pourrait exploser et entraîner des blessures graves voire mortelles.
Pour la détection de fuites de fluide frigorigène : ne pas utiliser de lampe halogène ni tout autre détecteur utilisant une flamme nue. En aucune circonstance des sources potentielles d'inflammation ne doit être utilisées.
Ce produit contient des gaz à effet de serre fluorés encadrés par le protocole de Kyoto. Ne libérez pas ces gaz dans l'atmosphère.
Valeur GWP(1): 675, Valeur basée sur le 4ème rapport du GIEC.
Groupe de sécurité : A2L.
La quantité de réfrigérant basée sur la réglementation F Gas 517/2014 est indiquée sur la plaque signalétique de l'unité.
Toute intervention sur le circuit frigorifique doit être effectuée par un professionnel agréé comme précisé précédemment.
Des inspections périodiques de fuite de réfrigérant peuvent être exigées en fonction de la législation française ou locale. Veuillez contacter votre distributeur local pour plus d'informations.
- Attention, les fluides frigorigènes peuvent être inodores.
- Ne pas pincer ou chauffer la tuyauterie, risque d'explosion et de graves brûlures.
- Ne pas utiliser de moyen d'accélération du processus de dégivrage ou de nettoyage autre que ceux recommandés par le fabricant.
- L'appareil doit être stocké dans un local ne contenant pas de sources d'inflammation fonctionnant en permanence (par exemple : deux fours, appareil à gaz ou radiateur électrique en fonctionnement).
Potentiel de réchauffement global
Conditions d'installation
- Cette pompe à chaleur est exclusivement destinée à chauffer l'eau de piscine, ne pas utiliser ce matériel à d'autres fins.
- N'essayez pas d'installer vous-même cet appareil.
- Si vous détectez tout défaut ou situation anormale, n'installez pas la pompe à chaleur et contactez immédiatement votre revendeur.
- En cas de stockage, la pompe à chaleur doit être stockée dans une pièce bien ventilée et d'une surface au sol de plus de A_(^2) donnée par la formule suivante: A_ = (M / (2.5 × 0.22759 × h0))^2. M est la charge de réfrigérant dans l'appareil en kg et h0 est la hauteur de stockage. Pour un stockage au sol, h0 = 0,6 m.
- Ce produit a été exclusivement conçu pour un usage domestique et une installation en extérieur. L'air qui s'échappe du produit doit pouvoir s'écouler librement et ne doit pas être utilisé à d'autres fins comme le chauffage ou le refroidissement d'une pièce ou d'un BATIMENT.
- Vérifier le câble d'alimentation. Si le câble d'alimentation est endommagé, il doit être remplacé par le fabricant, son service après-vente ou par une personne qualifiée et habilitée.
- Le raccordement de l'appareil à la terre et sa continuité sont obligatoires. Le fil de terre doit être plus long que les autres fils pour prévenir des risques d'électrisation en cas d'arrachement du câble. L'installation électrique doit obligatoirement être équipée d'une protection différentielle de 30 mA (cf § 3.4).
- Vérifier que le support prévu pour l'unité est convenablement dimensionné pour le poids de l'appareil.
- Toute recommandation non suivie annule la garantie.
Consignes pour l'entretien - maintenance
Les opérations de maintenance doivent être réalisées 1 fois par an afin de garantir la longévité et le bon fonctionnement de la pompe à chaleur.
- L'entretien et les différentes opérations doivent être réalisés à la fréquence et aux moments recommandés, tel que spécifié dans le présent manuel.
- N'utilisez que des pièces détachées d'origine.
- Vérifier le câble d'alimentation. Si le câble d'alimentation est endommagé, il doit être remplacé par le fabricant, son service après-vente ou par une personne qualifiée et habilitée.
- Vérifier le raccordement de l'appareil à la terre et sa continuité.
- Nettoyer l'évaporateur à l'aide d'un roseau souple ou d'un jet d'air ou d'eau. Attention, ne jamais utiliser un nettoyeur haute pression.
1. Consignes générales - sécurité (suite)
Vérifier le bon écoulement des condensats. - Vérifier le serrage des raccords hydrauliques et électriques. Vérifier l'étanchéité hydraulique du condenseur. - Faire vérifier l'étanchéité du circuit frigorifique au détecteur de fuite par un professionnel agréé.

Avant toute opération de maintenance, la pompe à chaleur doit être déconnectée de toute source de courant électrique. Les opérations de maintenance doivent être réalisées uniquement par un personnel qualifié et habilité à manipuler les fluides frigorigènes.
Consignes pour l'hivernage
- Mettre la pompe à chaleur en Mode "OFF".
- Couper l'alimentation de la pompe à chaleur.
- Vider le condenseur à l'aide de la vidange pour éviter tout risque de dégradation (risque important de gel).
- Fermer la vanne "by-pass" et dévisser les raccords unions entrée/sortie.
- Chasser au maximum l'eau stagnante résiduelle du condenseur à l'aide d'un pistolet à air.
- Obturer l'entrée et la sortie d'eau sur la pompe à chaleur pour éviter l'intrusion de corps étrangers.
- Couvrir la pompe à chaleur avec la housse d'hivernage prévue à cet effet.

Tout dommage occasionné par un mauvais hivernage entraîne l'annulation de la garantie.
Conditions d'utilisation
Cet appareil peut être utilisé par des enfants âgés d'au moins 8 ans ainsi que par des personnes ayant des capacités physiques, sensorielles ou mentales réduites, ou dénuées d'expérience ou de connaissance, s'ils sont correctement surveillés ou si des instructions relatives à l'utilisation de l'appareil en toute sécurité leur ont été données et si les risques encourus ont été appréhendés. Les enfants ne doivent pas jouer avec l'appareil.
Le nettoyage et l'entretien par l'usager ne doit pas être effectué par des enfants sans surveillance.
2. Caractéristiques techniques
2.1 Données techniques de la pompe à chaleur
| Modèle FULL INVERTER HP5091DT3H | A HP5111DT3HA HP5 | 51DT3HA HP5 | 81DT3HA | ||
| Tension d'alimentation V | 220V-240V~ / 1ph / 50Hz | ||||
| Réfrigerant / R32 | |||||
| Charge kg 0,430 0,450 0,60 0,670 | |||||
| Masse en teqCO2 | / 0,29 0,30 0,41 0,45 | ||||
| Fréquence du contrôle de fuite | / | Aucune exigence mais conseilé de façon annuelle | |||
| Capacité de chauffage Min--Max (a) | kW | 2,46 -- 9,17 | 2,36 -- 11,45 | 3,31 -- 15,90 | 3,2 -- 18,15 |
| Puisance électric quasorée Min--Max (a) | kW | 0,17 -- 1,45 | 0,17 -- 1,80 | 0,27 -- 2,84 | 0,22 -- 3,13 |
| Courant nominal de service Min--Max (a) | A | 1,17 -- 6,42 | 1,19 -- 7,85 | 1,37 -- 12,35 | 1,45 -- 13,58 |
| COP Max--Min (a) | / | 14,37 -- 6,32 | 13,88 -- 6,35 | 12,26 -- 5,59 | 14,34 -- 5,80 |
| Capacité de chauffage Min--Max (b) | kW | 1,75 -- 7,05 | 1,56 -- 8,00 | 3,05 -- 12,40 | 2,86 -- 14,11 |
| Puisance électric quasorée Min--Max (b) | kW | 0,27 -- 1,51 | 0,279 -- 1,74 | 0,42 -- 2,65 | 0,43 -- 2,99 |
| COP Max--Min (b) | / | 6,40 -- 4,65 | 5,60 -- 4,80 | 7,26 -- 4,68 | 6,63 -- 4,71 |
| Courant maximum de service (CMS) | A | 8,40 | 9,50 | 14 | 15,9 |
| Calibre du fusible | aM | 10 | 12 | 16 | 20 |
| Disjoncteur courbe D | D | 10 | 12 | 16 | 20 |
| Courant de démarrage | A | < CMS | |||
| Raccordement hydraulique | mm | 50 mm | |||
| Débit d'eau nominal (a) | m°h | 4,00 5,00 | 6,70 7,70 | ||
| Perte de charge sur l'eau max | kPa | 3,80 | 4,0 | 6,3 | 10 |
| Compresseur | / | DC Inverter Panasonic | DC Inverter Mitsubishi | ||
| Type | / | Double Rotatif | Double Rotatif | ||
| Quantité | / | 1 | 1 | ||
| Résistance d'enroulement à 20°C | Ohm | 1,208 | 0,95 | ||
| Ventilateur | / | Axial | |||
| Quantité | 1 | ||||
| Diamètre | mm | 405 | 510 | ||
| Nombre de pale | / | 3 | |||
| Moteur | / | DC Inverter | |||
| Quantité | / | 1 | |||
| Vitesse de rotation | Tr/min | 400 -- 700 | 500 -- 850 | 300 -- 750 | 400 -- 750 |
| Vitesse Mode Silence | Tr/min | 400 | 500 | 300 | 400 |
| Niveau de pression acoustique à 1 m | dB(A) | 50,2 | 53,9 | 50,8 | 54,0 |
| Niveau de pression acoustique à 10 m | dB(A) | 32,8 | 34,2 | 33,8 | 37,25 |
| Dimensions nettes de l'unité (L-I-H) | mm | 1003 / 418 / 605 | 1048 / 437 / 768 | 1161 / 473 / 862 | |
| Poids | kg | 44 | 45 | 66 | 70 |
(a) Air sec 27°C - Humidité relative 78% - Température d'entrée d'eau 26°C. (b) Air sec 15°C - Humidité relative 71% - Température d'entrée d'eau 26°C
2.2 Plage de fonctionnement
Utiliser la pompe à chaleur dans les plages suivantes de températures et d'humidité pour assurer un fonctionnement sûr et efficace.
| Mode chauffage | Mode Refroidissement | |
| Température extérieure -7°C – +35°C | +7°C – +43°C | |
| Température d'eau +12°C – +32°C | +8°C – +40°C | |
| Humidité relative < 80% < 80% | ||
| Plage de réglage point de consigne | +15°C – +32°C +8°C – +32°C |

Si la température ou l'humidité ne correspond pas à ces conditions, des dispositifs de sécurité peuvent se déclencher et la pompe à chaleur peut ne plus fonctionner.

La température maximale de chauffage est limitée à +32° Celsius afin d’éviter la détérioration des liners. Hayward décline toutes responsabilités dans le cas d’une utilisation au-delà des +32°C.
2.3 Dimensions
Modèles : HP5091DT3HA / HP5111DT3HA / HP5151DT3HA / HP5181DT3HA



Entrée d'eau 50 mm
Unité : mm
| Modèle Repère | HP5091DT3HA / HP5111DT3HA | HP5151DT3HA HP5181DT3HA |
| A 418 436 | 5 473 | |
| B 374 418 | 451,5 | |
| C 604,5 767,5 862 | ||
| D 1003 1047,5 1160,5 | ||
| E 956 1002 1115 | ||
| F | 535 615 | 790 |
| G | 394,5 410 | 447 |
| H 350 350 | 466 | |
| I | 97,7 | 101,2 |
| J | 99,2 | 106,5 |
3.1 Schéma de principe
Note : La pompe à chaleur est fournie sans aucun équipement de traitement ou de filtration. Les éléments présentés sur le schéma sont des pièces à fournir par l'installateur.
3.2 Pompe à chaleur

Placer la pompe à chaleur à l'extérieur et en dehors de tout local technique fermé.
Choisir un emplacement de préférence ensoleillé et à l'abri des vents dominants.
L'appareil doit être parfaitement accessible pour les travaux d'installation et de maintenance ultérieurs.
Placée sous abri, les distances minimales prescrites ci-dessous doivent être respectées afin d'éviter tout risque de récirculation d'air et une dégradation des performances globales de la pompe à chaleur.

3. Installation et raccordement (suite)

Ne pas poser l'appareil directement au sol car cela peut être cause de troubles.
La position au sol sur des plots anti-vibrations est à privilégier.
Un support mural ne doit pas être utilisé dans des conditions
susceptibles de transmettre des vibrations.
Ne pas installer la pompe à chaleur sur un support risquant d'amplifier les vibrations de l'unité.
Ne pas installer la pompe à chaleur dans un endroit susceptible d'amplifier son niveau sonore ou dans un endroit où le bruit de l'unité risquerait de gêner le voisinage.
Ne pas utiliser d'adhésifs : ceux-ci ne sont pas considérés comme des moyens de fixation fiables.
Installer de préférence la pompe à chaleur sur une dalle béton plane et désolidarisée.
Monter la pompe à chaleur sur les silentblocs fournis (visserie et rondelles fournies).
Fixer l'appareil en respectant le serrage indiqué pour éviter tout risque d'accident ou de dommage aux matériels et aux personnes.
Autre possibilité : installer la pompe à chaleur sur des supports sol en caoutchouc en utilisant la visserie adaptée (non fournie).



Distance maximale d'installation entre la pompe à chaleur et la piscine 15 mètres.
Longueur totale aller-retour des canalisations hydrauliques 30 mètres. Isoler les canalisations hydrauliques de surface et enterrées.
La pompe à chaleur doit être installée à une distance minimum du bassin conformément à la NF C 15-100 (soit à 3,5 m du plan d'eau pour la France) ou conformément aux normes d'installation en vigueur dans les autres pays.
Ne pas installer la pompe à chaleur à proximité d'une source de chaleur. En cas d'installation dans des régions neigeuses, il est conseillé d'abriter la machine afin d'éviter une accumulation de neige sur l'évaporateur.
3. Installation et raccordement (suite)
La pompe à chaleur est fournie avec deux raccords union 050mm. Utiliser du tube PVC pour canalisation hydraulique 050mm. Raccorder l'entrée d'eau de la pompe à chaleur à la conduite venant du groupe de filtration puis raccorder la sortie d'au de la pompe à chaleur à la conduite d'eau allant au bassin (cf schéma ci-dessous).

Installer une vanne dite "bypass" entre l'entrée et la sortie de la pompe à chaleur.

Si un distributeur automatique ou un électrolyseur est utilisé, il doit impérativement être installé après la pompe à chaleur dans le but de protéger le condenseur Titane contre une concentration trop importante de produit chimique.

Veillez à bien installer la vanne by-pass et les raccords union fournis au niveau de l'entrée et de la sortie d'eau de l'unité, afin de simplifier la purge du système pendant la période hivernale, d'en faciliter l'accès ou son démontage pour l'entretien.
3.4 Raccordement électrique

L'installation électrique et le câblage de cet équipement doivent être conformes aux règles d'installation locales en vigueur.
| F NF C15-100 GB BS7671:1992 | ||
| D DIN VDE 0100-702 EW EVHS-HD 384-7-702 | ||
| A ÖVE 8001-4-702 H MSZ 2364-702/1994/M SZ 10-553 1/1990 | ||
| E UNE 20460-7-702 1993, RECBT ITC-BT-31 2002 | M MSA HD 384-7-702.S2 | |
| IRL Wiring Rules + IS HD 384-7-702 PL PN-IEC 60364-7-702:1999 | ||
| I CEI 64-8/7 CZ CSN 33 2000 7-702 | ||
| LUX 384-7.702 S2 | SK | STN 33 2000-7-702 |
| NL NEN 1010-7-702 | SLO | SIST HD 384-7-702.S2 |
| P R$IUEE TR TS IEC 60364-7-702 | ||

Vérifiez que l'alimentation électrique disponible et la fréquence du réseau correspondent au courant de fonctionnement requis, en tenant compte de l'emplacement spécifique de l'appareil, et du courant nécessaire pour alimenter tout autre appareil connecté au même circuit.
HP5091DT3HA / HP5111DT3HA / HP5151DT3HA / HP5181DT3HA 230V ± 10% 50 Hz 1 Phase
Observe le schéma de câblage correspondant en annexe.
Le boîtier de raccordement se trouve du côté droit de l'unité. Trois connexions sont destinées à l'alimentation électrique, et deux à la commande de la pompe de filtration (Asservissement).

3. Installation et raccordement (suite)

Ne jamais utiliser de prise de courant pour l'alimentation.
La ligne d'alimentation électrique doit être dotée, de manière appropriée, d'un dispositif de protection omnipolaire de type disjoncteur courbe D ainsi que d'un disjoncteur différentiel de protection 30mA (voir tableau après).
| Modèles HP5091DT3HA HP511 | DT3HA HP515 | DT3HA HP518 | DT3HA | ||
| Alimentation électrique | V/Ph/Hz | 230V~ 50Hz | 230V~ 50Hz | 230V~ 50Hz | 230V~ 50Hz |
| Disjoncteur courbe D A | 8 D 10 D | 16 D 20 D | |||
| Section de câble | mm² | 3G 2,5 | 3G 2,5 | 3G 2,5 | 3G 4 |

Utiliser un câble d'alimentation Type RO2V/R2V ou équivalent.

Les sections de câble sont données pour une longueur maximale de 25m, elles doivent néanmoins être vérifiées et adaptées en fonction des conditions d'installation.

Prenez toujours garde d’arrêter l'alimentation principale avant d'ouvrir la boîte de commande électrique.
Après sectionnement de l'alimentation, attendre 10 minutes avant d'accéder aux parties actives internes de l'équipement (énergie stockée dans les condensateurs).
3.5 Premier démarrage
Procédure de démarrage - une fois l'installation terminée, suivez et respectez les étapes suivantes :
1) Faites pivoter les ventilateurs à la main afin de vérifier qu'ils peuvent tourner librement, et que l'hélice est fixée correctement sur l'arbre du moteur. 2) Assurez-vous que l'unité est connectée correctement à l'alimentation principale (voir le schéma de câblage en annexe). 3) Activez la pompe de filtration. 4) Vérifiez que toutes les vannes d'eau sont ouvertes, et que l'eau s'écoule vers l'unité avant de passer en mode chauffage ou refroidissement. 5) Vérifiez que le tuyau de purge des condensats est fixé correctement, et ne présente aucune obstruction. 6) Activez l'alimentation électrique destinée à l'unité, puis appuyez sur le bouton Marche/Arrêt sur le panneau de commande.
3. Installation et raccordement (suite)
7) Assurez-vous que les symboles d'alarme ou de verrouillage ne s'affichent pas. Le cas échéant, voir le guide de dépannage (voir § 6.4). 8) Fixez le débit d'eau à l'aide de la vanne by-pass (voir § 3.6 et 2.1), tel que prévu respectivement pour chaque modèle, de manière à obtenir une différence de température Entrée/Sortie de 2°C. 9) Après un fonctionnement de quelques minutes, vérifiez que l'air sortant de l'unité s'est refroidi (entre 5 et ). 10) L'unité étant en service, désactivez la pompe de filtration. L'unité doit s'arrêter automatiquement et afficher le code d'erreur E03 (voir § 6.4). 11) Faites fonctionner l'unité et la pompe de la piscine 24 heures sur 24, jusqu'à ce que la température de l'eau souhaitée soit atteinte. Quand la température d'entrée d'eau atteint la valeur de consigne, l'unité s'arrête. Elle redémarre alors automatiquement (tant que la pompe de la piscine est en service) si la température de la piscine est inférieure d'au moins 0.5°C à la température de consigne.
Contrôleur de débit - L'unité est dotée d'un contrôleur de débit qui active la pompe à chaleur lorsque la pompe de filtration de la piscine est en service, et la désactive lorsque la pompe de la filtration est hors service. Par manque d'eau, le code d'alarme E03 s'affiche sur le régulateur (Voir § 6.4).
Temporisation - l'unité intègre une temporisation de 3 minutes, afin de protéger les composants du circuit de commande, d'éliminer toute instabilité en termes de redémarrage et toute interférence au niveau du contacteur. Grâce à cette temporisation, l'unité redémarre automatiquement 3 minutes environ après toute coupure du circuit de commande. Même une coupure de courant de courte durée active la temporisation de démarrage.
3.6 Réglage du début d'eau
Les vannes d'entrée et de sortie d'eau étant ouvertes, ajuster la vanne dite "by-pass" de façon à obtenir une différence de 2°C entre la température d'entrée et de sortie d'eau (voir schéma de principe § 3.1).
Vous pourriez vérifier le réglage en visualisant les températures entrée/sortie directement sur le panneau de commande.
Température d'entrée d'eau Température de sortie d'eau
Note : L'ouverture de la vanne dite "by-pass" engendre un débit moins important ou une augmentation du T.
La fermeture de la vanne dite "by-pass" engendre un débit plus important ou une diminution du T.
4.1 Présentation générale
La pompe à chaleur est équipée d'un panneau de commande digital à écran tactile, raccordé électriquement et pré-réglé en usine en mode chauffage.




Légende
| 1 Température d'entrée d'eau | 11 Sélection du mode de fonctionnement |
| 2 D'égivrage en cours | 12 Réglage du point de consigne |
| 3 Mode de fonctionnement | 13 Réglage Timer mode silence |
| 4 Témoin de marche du compresseur | 14 Activation du mode silence |
| 5 Verrouillage de l'écran | 15 Réglage date et heures |
| 6 Alarme | 16 Réglage Timers Marche/Arrêt |
| 7 Température de sortie d'eau | 17 Accès paramètres avancés |
| 8 Marche/Arrêt/Retour | 18 Accèsliste définuts |
| 9 Température de consigne | 19 Retour (sans validation) |
| 10 Heure | 20 Validation |
Mode off/arret
Lorsque la pompe à chaleur est à l'arrêt (en veille), l'inscription OFF apparait sur l'écran.
L'écran noir indique que la pompe à chaleur est à l'arrêt. Le réglage des paramètres est possible dans ce mode.
Mode on/marche
Lorsque la pompe à chaleur est en fonctionnement ou en régulation (atteinte du point de consigne) l'écran devient bleu.


Pour passer du mode OFF au mode ON et inversement, appuyer sur le bouton
4.2 Réglage date et heure
Le réglage de la date et de l'heure peut se faire indifféremment en mode ON ou OFF.

- Presser 1 fait pour revenir à l'écran principal.
4.3 Réglage des timers marche/arrêt
Le réglage de cette fonction est nécessaire lorsque vous souhaitez faire fonctionner votre chauffage à chaleur sur une plus courte période que celle définie par l'horloge de filtration. Ainsi vous pourrez programmer un départ différé et un arrêt anticipé ou simplement interdire une plage horaire de fonctionnement (par exemple la nuit).
Vous avez la possibilité de programmer un Timer Départ et un Timer Arrêt. Le pas de réglage est "d'heure en heures".


4. Interface utilisateur (suite)




Surbrillance bleue = Activé Grise = Désactivé
- Presser 2 fois sur

Presser 2 fois sur r pour revenir à l'écran principal.
4.4 Réglage du point de consigne
Le réglage du point de consigne s'effectue indifféremment en mode ON ou en mode OFF avec une précision de 0,5°C.






- Presser 1 fait sur pour revenir à l'écran principal.

Il est recommandé de ne jamais dépasser la température de 30°C pour éviter l’altération des liners.
4.5 Verrouillage et déverrouillage de l'écran tactile
Le verrouillage et déverrouillage de l'écran peut se faire indifféremment en mode ON ou en mode OFF.





Verrouillage désactivé
4.6 Activation et réglage du mode SILENCE
Le mode silence permet une utilisation de la pompe à chaleur en mode économique et très silencieux lorsque les besoins de chauffage sont faibles (maintien en température du bassin, ou besoin d'avoir un fonctionnement ultra silencieux).
Cette fonction peut être activée/désactivée manuellement, ou à l'aide d'un timer.
- Presser 1 fait sur l'écran principal.
4. Interface utilisateur (suite)
Réglage du Timer du mode silence






4. Interface utilisateur (suite)

- Presser 2 fois sur pour revenir à l'écran principal.

Le pas de réglage est "d'heure en heures". Une fois le Timer activé, celui-ci est actif 7 jours sur 7.
5.1 Entretien
Ces opérations de maintenance doivent être réalisées 1 fois par an afin de garantir la longévité et le bon fonctionnement de la pompe à chaleur.
- L'entretien et les réparations de l'appareil doivent être effectués par un professionnel agréé conformément aux textes réglementaires et règles de l'art en vigueur dans le pays où l'appareil est installé (cf § 3.4). Pour toute intervention sur le circuit frigorifique, le professionnel doit être titulaire d'une attestation de capacité à la manipulation des fluides frigorigènes.
- Vérifier le câble d'alimentation. Si le câble d'alimentation est endommagé, il doit être remplacé par le fabricant, son service après-vente ou par une personne qualifiée et habilitée.
- Vérifier le raccordement de l'appareil à la terre et sa continuité.
- Nettoyer l'évaporateur à l'aide d'une brosse souple ou d'un jet d'air ou d'eau. ATTENTION ne jamais utiliser un nettoyeur haute pression.
- Vérifier le bon écoulement des condensats.
- Vérifier le serrage des raccords hydrauliques et électriques
- Vérifier l'étanchéité hydraulique du condenseur.
- Faire vérifier l'étanchéité du circuit frigorifique au détecteur de fuite par un professionnel agréé.

Avant toute opération de maintenance, la pompe à chaleur doit être déconnectée de toute source de courant électrique. Les opérations de maintenance doivent être réalisées uniquement par un personnel qualifié et habilité à manipuler les fluides frigorigènes.
5.2 Hivernage
- Mettre la pompe à chaleur en Mode "OFF".
- Couper l'alimentation de la pompe à chaleur.
- Vider le condenseur à l'aide de la vidange pour éviter tout risque de dégradation (risque important de gel).
- Fermer la vanne "by-pass" et dévisser les raccords unions entrée/sortie.
- Chasser au maximum l'eau stagnante résiduelle du condenseur à l'aide d'un pistolet à air.
- Obturer l'entrée et la sortie d'eau sur la pompe à chaleur pour éviter l'intrusion de corps étrangers.
- Couvrir la pompe à chaleur avec la housse d'hivernage prévue à cet effet.

Tout dommage occasionné par un mauvais hivernage entraîne l'annulation de la garantie.

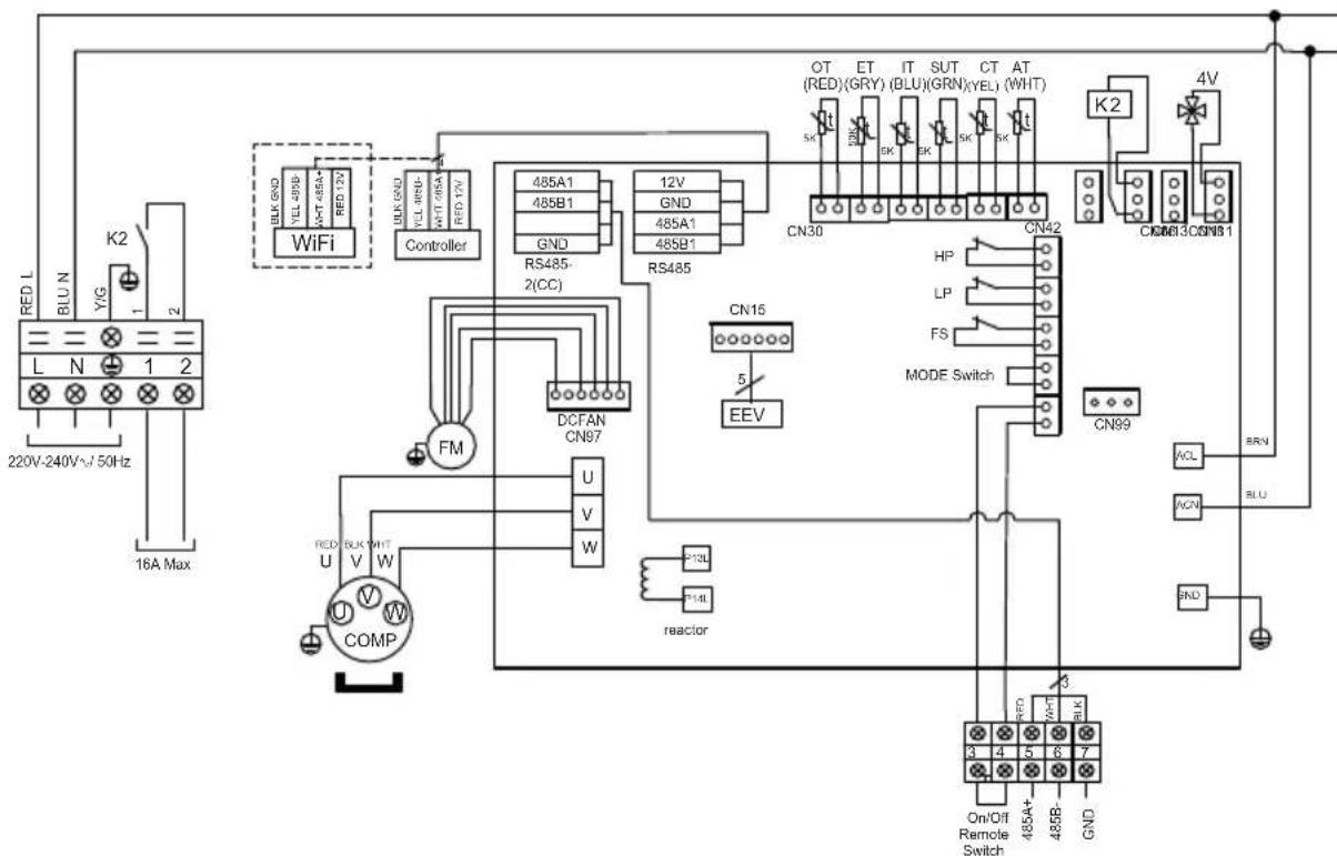
Legende
AT: SONDE DE TEMPERATURE D'AIR
LP: PRESSOSTAT BASSE PRESSION
COMP: COMPRESSEUR OT: SONDE DE TEMPERATURE SORTIE D'EAU
CT: SONDE DE TEMPERATURE ÉVAPORATEUR
SUT: SONDE DE TEMPERATURE D'ASPIRATION
EEV: DETENDEUR ELECTRONIQUE 4V: VANNE 4 VOIES
Fonction : MOTEUR VENTILATEUR
Les bornes 1-2 délivrent un contact sec libre de potentiel, sans polarité 230V /50Hz. Cable les bornes 1 et 2 en respectant le câblage indiqué ci-dessus afin d'asservir le fonctionnement de la pompe de filtration par cycle de 2 min. toutes les heures si la température du bassin est inférieure au point de consigne.
Ne jamais raccorder l'alimentation de la pompe de filtration directement sur les bornes 1 et 2.

Page laissée blanche intentionnellement


6. Annexes (suite)
| Rep | Désignation Réf. | HP5091DT3HA | HP5111DT3HA | HP5151DT3HA | HP5181DT3HA | |
| 1 | Panneau Avant | HWX80900843 | ✓ | ✓ | n/a n/a | |
| HWX80900844 | n/a n/a | ✓ | n/a | |||
| HWX80900850 | n/a | n/a n/a | ✓ | |||
| 2 | Régulateur LED HWX72200070 | ✓✓ | ✓✓ | |||
| 3 | Grille de protection ventilateur | HWX80900375 | ✓ | ✓ | ✓ | n/a |
| HWX20000220369 | n/a n/a n/a | ✓ | ||||
| 4 | Hélice Ventilateur | HWX301030000006 | ✓ | ✓ | n/a | n/a |
| HWX301030000001 | n/a n/a | ✓ | ✓ | |||
| 5 | / / / | / | / | |||
| 6 | Moteur ventilateur DC | HWX80200018 | ✓ | ✓ | n/a n/a | |
| HWX20000330132 | n/a | n/a | ✓ | ✓ | ||
| 7 | Bobine 16 A 50 Hz 5 mH HWX82500020 | ✓ | ✓ | n/a n/a | ||
| Bobine 20 A 50 Hz 5.2 mH HWX82500021 | n/a n/a | ✓ | ✓ | |||
| 8 | Panneau Gauche | HWX80702123 | ✓ | ✓ | n/a n/a | |
| HWX80700244 | n/a | n/a | ✓ | n/a | ||
| HWX80702268 | n/a | n/a n/a | ✓ | |||
| 9 | Evaporateur à ailette | HWX80600042 | ✓ | n/a n/a n/a | ||
| HWX80600043 | n/a | ✓ | n/a n/a | |||
| HWX80600044 | n/a | n/a | ✓ | n/a | ||
| HWX80600078 | n/a n/a n/a | ✓ | ||||
| 10 | Support Moteur | HWX80700218 | ✓ | ✓ | n/a n/a | |
| HWX80700248 | n/a n/a | ✓ | n/a | |||
| HWX80700329 | n/a n/a n/a | ✓ | ||||
| 11 | / / / | / / / | ||||
| 12 | Panneau supérieur | HWX80900055 | ✓ | ✓ | n/a n/a | |
| HWX301090200806 | n/a n/a | ✓ | n/a | |||
| HWX80900076 | n/a | n/a n/a | ✓ | |||
| 13 | / / / / / | |||||
| 14 | / / / / / | |||||
| 15 | Pressostat BASSE pression NO 0.30 MPa / 0.15 MPa | HWX20000360157 | ✓ | ✓✓ | ✓ | |
| 16 | Prise de pression 40 mm-1/2" | HWX20000140150 | ✓✓ | ✓✓ | ||
| 17 | Pressostat haute pression NC 3.2 MPa/4.4 MPa | HWX20013605 | ✓✓ | ✓✓ | ||
| 18 | Décteur de débit d'eau | HWX83000068 | ✓✓ | ✓✓ | ||
| 19 | Connecteur T Ø 6.5-2 x Ø 6.5(T) x 0.75 | HWX20001460 | ✓✓ | ✓✓ | ||
| 20 | Détendeur électronique | HWX81000011 | ✓ | ✓ | n/a n/a | |
| HWX81000013 | n/a n/a | ✓ | ✓ | |||
| 21 | Connecteur T Ø 9.52-2 x Ø 6.35(T) x 1.0 | HWX30403000002 | ✓ | ✓✓ | ✓ | |
| 22 | Filtre Ø 9.7-Ø 9.7 (Ø19) | HWX20000140178 | ✓ | ✓ | n/a n/a | |
| Filtre Ø 9.7-Ø 9.7 (Ø28) | HWX20041444 | n/a n/a | ✓ | ✓ | ||
| 23 | Vanne 4 voies | HWX20041437 | ✓ | ✓✓ | ✓ | |
| 24 | Trappe d'accès électrique | HWX320922029 | ✓✓ | ✓✓ | ||
| 25 | Panneau Droit | HWX80700580 | ✓ | ✓ | n/a n/a | |
| HWX80700878 | n/a n/a | ✓ | n/a | |||
| HWX80700581 | n/a n/a n/a | ✓ | ||||
| 26 | Condenseur Titane PVC | HWX72300013 | ✓ | n/a n/a n/a | ||
| HWX72300014 | n/a | ✓ | n/a n/a | |||
| HWX72300010 | n/a n/a | ✓ | n/a | |||
| HWX72300024 | n/a n/a n/a | ✓ | ||||
| 27 | / | / / / / | ||||
| 28 | Compresseur | HWX80100108 | ✓ | ✓ | n/a n/a | |
| HWX80100046 | n/a n/a | ✓ | ✓ |
6. Annexes (suite)
HP5091DT3HA / HP5111DT3HA / HP5151DT3HA / HP5181DT3HA


6. Annexes (suite)
| Rep | Désignation Réf. | HP5091DT3HA | HP5111DT3HA | HP5151DT3HA | HP5181DT3HA | |
| 29 | Sonde Aspiration Compresseur 5 k - 560 mm | HWX83000044 | ✓ | ✓ | n/a n/a | |
| Sonde Aspiration Compresseur 5 k - 760 mm | HWX83000053 n/a | n/a | ✓ | ✓ | ||
| Sonde température Air 5 k - 350 mm HWX83000049 | ✓ | ✓ | ✓ | ✓ | ||
| Sonde Sortie d'eau 5 k - 410 mm HWX83000050 | ✓ | ✓ | ✓ | ✓ | ||
| Sonde Entrée d'eau 5 k - 850 mm HWX83000052 | ✓ | ✓ | ✓ | n/a | ||
| Sonde Entrée d'eau 5 k - 980 mm HWX83000055 n/a n/a n/a | ✓ | |||||
| Sonde Refoulement Compresseur 50 k - 660 mm | HWX83000026 | ✓ | ✓ | ✓ | ✓ | |
| Sonde de dégivrage 5 k - 680 mm HWX83000051 | ✓ | ✓ | ✓ | n/a n/a | ||
| Sonde de dégivrage 5 k - 1040 mm HWX83000045 | ✓ | ✓ | ✓ | ✓ | ||
| 30 | Filtre EMC | HWX20003257 | n/a n/a | ✓ | ✓ | |
| 31 | Carte électronique Driver | HWX72200168AP3 | ✓ | n/a | n/a n/a | |
| HWX72200168AP4 | n/a | ✓ | n/a n/a | |||
| HWX72200167AP5 | n/a n/a | ✓ | n/a | |||
| HWX72200167AP6 | n/a n/a n/a | ✓ | ||||
| 32 | Relais K2 HWX20000360297 | ✓ | ✓ | ✓ | ||
| 33 | Bonnier L-N-GND -5 connexions 4 mm² | HWX40003901 | ✓ | ✓ | ✓ | |
| 34 | Porte de protection | HWX80900321 | ✓ | ✓ | ✓ |
6.4 Guide de dépannage

Certaines opérations doivent être réalisées par un technicien habilité.
En cas de défaut sur la pompe à chaleur, le symbole apparaît dans l'angle supérieur gauche de l'écran.
Pour plus de détails, consulter le tableau ci-après.


Après résolution du problème, l'erreur est acquise automatiquement, le triangle disparaît.
Pour effacer la liste d'erreur, appuyer sur
Del
- Presser 2 fait sur
Pour revenir à l'écran principal.
6. Annexes (suite)
| Dysfonctionnement | Codes d'erreur | Description Solution | |
| Défaut sonde entrée d'eau P01 | Le capteur est ouvert ou en court circuit | Vérifier la connectique CN21/RES1 sur la carte et le connecteur rallonge ou replacer le capteur | |
| Défaut sonde de sortie d'eau P02 | Vérifier la connectique N22/RES2 sur la carte et le connecteur rallonge ou replacer le capteur | ||
| Défaut sonde température extérieure | P04 | Vérifier la connectique CN12/PH sur la carte et le connecteur rallonge ou replacer le capteur | |
| Défaut sonde dégivrage P05 | Vérifier la connectique CN8/OPT sur la carte et le connecteur rallonge ou replacer le capteur | ||
| Défaut sonde d'aspiration Compresseur | P07 | Vérifier la connectique CN7/OAT sur la carte et le connecteur rallonge ou replacer le capteur | |
| Défaut sonde de refoulement Compresseur | P081 | Vérifier la connectique CN9/OHT sur la carte et le connecteur rallonge ou replacer le capteur | |
| Défaut Haute pression E01 Le capteur | est ouvert ou en court circuit | Vérifier la connectique CN30/HP sur la carte ou replacer le capteur | |
| Vérifier le débit d'eau | |||
| Vérifier le détecteur de débit d'eau | |||
| Vérifier l'ouverture des vannes | |||
| Vérifier le by-pass | |||
| Vérifier l'encrassement de l'evaporateur | |||
| Température d'eau trop chaude | |||
| Problème d'incondensable après une maintenance, vider et tirer au vide le circuit frigorifique | |||
| Charge de fluide trop importante, retirer du fluide dans une bouteille de liquide | |||
| Défaut basse pression E02 Le capteur | est ouvert ou en court circuit | Vérifier la connectique CN31/LP sur la carte ou replacer le capteur | |
| Fuite importante de fluide frigorigène, faire une recherche de fuite au détecteur | |||
| Débit d'air trop faible, vérifier la vitesse de rotation du ventilateur | |||
| Vérifier l'encrassement de l'evaporateur, nettoyer sa surface | |||
| Défaut détecteur de débit E03 Le capteur | est ouvert ou en court circuit | Vérifier la connectique CN29/OVT sur la carte ou replacer le capteur | |
| Manque d'eau, vérifier le fonctionnement de la pompé de filtration | |||
| Vérifier l'ouverture des vannes d'arrêts | |||
| Vérifier le réglage du by-pass | |||
6. Annexes (suite)
| Dysfonctionnement | Codes d'erreur | Description Solution | |
| Différence de température Entrée/Sortie > 13°C | E06 Applicable en mode Froid seulement | Manque d'eau, vérifier le fonctionnement de la pompe de filtration | Vérifier l'ouverture des vannes d'arrêts |
| Vérifier le réglage du by-pass | |||
| Protection Anti-gel E07 Température de sortie d'eau < à 4°C | Stopper la pompe à chaleur, vidanger le condenseur risque de gel | Stopper la pompe à chaleur, vidanger le condenseur risque de gel | |
| Problème de communication E08 | Pas de communication entre la carte électronique et l'interface utilisateur | Vérifier les raccordements et la connectique - voir schéma électrique | |
| Protection Anti-gel de niveau 1 E19 | 2°< Température d'eau <4° et Température d'air <0° | Arrête le fonctionnement de la pompe à chaleur, vidanger le condenseur pour éviter le gel, par défaut la pompe à chaleur démarre la pompe de filtration pour éviter la prise en glace | |
| Protection Anti-gel de niveau 2 E29 | Températures d'eau < à 2° et Température d'air < 0° | Arrête le fonctionnement de la pompe à chaleur, vidanger le condenseur pour éviter le gel, par défaut la pompe à chaleur démarre la pompe de filtration et la pompe à chaleur pour éviter la prise en glace. | |
| Défaut moteur ventilateur F031 Moteur bloqué ou défaut de connexion | Vérifier la libre rotation; vérifier la connectique CN97/DCFan; replacer le moteur | ||
| Défaut moteur ventilateur F051 Défaut de connexion | Vérifier la connectique DCFAN/CN97 ; replacer le moteur | ||
| Température extérieure trop BASSE | TP | Limite de fonctionnement atteinte | Arrête la pompe à chaleur |
6.5 Garantie
Tous les produits HAYWARD sont garantis contre tous vices de fabrication ou de matière pendant une période de deux années à compter de la date d'achat. Toute demande de garantie devra être accompagnée d'une preuve d'achat justifiant sa date. Nous vous incitons donc à conserver votre facture.
La garantie HAYWARD est limitée à la réparation ou au remplacement, au besoin d'HAYWARD, des produits défectueux pour autant qu'ils aient subi un emploi normal, en accord avec les prescriptions mentionnées dans leur manuel d'utilisation, que le produit n'ait été modifié d'aucune sorte et utilisé uniquely avec des composants et des pièces HAYWARD. Les dommages dus au gel et aux attaques d'agents chimiques ne sont pas garantis.
Tous les autres frais (transport, main d'œuvre...) sont exclus de la garantie.
HAYWARD ne pourrait être tenu pour responsable d'aucun dommage direct ou indirect provenant de l'installation, du raccordement ou du fonctionnement incorrect d'un produit.
Pour faire jouer une garantie et demander la réparation ou le remplacement d'un article, adressez-vous à votre revendeur. Aucun matériel à notre usine ne sera accepté sans notre accord écrit préalable.
Les pièces d'usure ne sont pas couvertes par la garantie.
6.6 Fin de vie de l'appareil

Le symbole de la poubelle barrée relatif au traitement et à la revalorisation des déchets électriques et électroniques signifie qu'en aucun cas les produits ne doivent être jetés avec les ordures ménagères, avec les encombrants ou dans une décharge.
En fin de vie, l'appareil doit faire l'objet d'une collecte sélective en vue de son recyclage ou de sa revalorisation. Un circuit spécifique de récupération pour ce type de produits est mis en place dans les pays de l'Union Européenne et en Norvège.
Contacter l'installateur ou le représentant local pour procéder à la collecte, au démantèlement et recyclage de cet appareil.
Le retraitement du liquide réfrigérant, de l'huile et des autres pièces doit être réalisé par un professionnel qualifié/agréé conformément aux législations locales et nationales en vigueur.
Si le produit renferme des piles qui portent ce symbole, ILA signifie que les piles peuvent contenir des substances nocives ou polluantes. Dans ce cas, déposez les piles dans un point de collecte de piles usagées.
Page laissée blanche intentionnellement

HP5091DT3HA HP5111DT3HA HP5151DT3HA HP5181DT3HA
Consulte la table suivante.


Com les valves d'entrée et de sortie d'eau ouvertes, ajuster la valve de "by-pass" de mode à obtenir une référence de 2°C entre la température d'entrée et de sortie d'eau (ver esquema del § 3.1). Peut vérifier l'Ajuste visualisant les températures d'entrée/sortie directement sur le panneau de commande.
Notice Facile