Bravia KD55XG8796 - Telewizor SONY - Bezpłatna instrukcja obsługi
Znajdź bezpłatnie instrukcję urządzenia Bravia KD55XG8796 SONY w formacie PDF.
Pytania użytkowników dotyczące Bravia KD55XG8796 SONY
0 pytanie dotyczące tego urządzenia. Odpowiedz na te, które znasz, lub zadaj własne.
Zadaj nowe pytanie dotyczące tego urządzenia
Pobierz instrukcję dla swojego Telewizor w formacie PDF za darmo! Znajdź swoją instrukcję Bravia KD55XG8796 - SONY i weź swoje urządzenie elektroniczne z powrotem w ręce. Na tej stronie opublikowane są wszystkie dokumenty niezbędne do korzystania z urządzenia. Bravia KD55XG8796 marki SONY.
INSTRUKCJA OBSŁUGI Bravia KD55XG8796 SONY
Informacja dotyczść instalacji w celu korzystania z uchwytu scienngo firmy Sony (SU-WL450)
Obstugiwane modele:
KD-85XG85□□* / 75XG87□□* / 75XG85□□* / 65XG87□□* /
65XG85□□*/55XG87□□*/55XG85□□*
- Symbol „☐☐" w rzechywistych nazwach modeli wskazuje cyfry i/lub znaki specyficznne dla danego modelu.
Do Klientów
W celu zapewnienia ochrony produktu i bezpieczentwa firma Sony zdecydowanieazolec przyperowadzenia montazu televizora przydystroburatorw Sony lub licencijonowych wykonawcow. Nie nalezy podejmować samodzielnych prob montazu.
Do dystrybutorów Sony i wykonawcow
Podczas montazu, okresowej konserwacci i sprawdzania unto produktu nalezy przystrzegać wszymstich zaad bezpieczędsta.
Do zamontowaniakiego produktu konieczne jest posiadanie odpowsiedniago dozwiedzania, co dotyczy szczegolnie sprawdzania nosnosci sciany w celu podtrzymania cięzaru telewizora. Montazkiego produktu do sciany naleź powierzydystrybutorom Sony lub licencijonowanym wykonawcom, zwracajac odpowiedniagu wage na kwestie bezpieczentwa podczas montazu. Firma Sony nie ponosi odpowiedzialnosci za zadne szkody lub obrażenia winikajace z nieprawidłowego postepowania lub nieprawidłowego montazu.
W celu zapewnienia bezpiecznego i prawidlowego montazu nalezy stosowac sie do zalecen przystawionych w Instrukcji obslugi uchwytu sciennego, Przewodniku ustawien telewizora oraz do wskazowek podanych w niniejszej instructukcji.
Informacja dotycznebezpiecznychstwa
Dziekujemy za zakup tego produktu.
Do Klientów
Do zamontowania tego produktu konieczne jest posiadanie
odpowedniego doświadczenia. Naleź zleća montaż dystrybutorom Sony lub licencijonowanych wykonawcom i zwracć szcęgólna uwage na bezpieczenerswo podczas montaź. Firma Sony nie ponsi
odpowedzialność za zadne szkody lub obrăzenia wynikajace z nieprawidłowego postepowania, nieprawidłowego montaź albo montowania jakichkolwiek innych produktów niedymiemenie. To zastrzezieńie ne ogranicza spraw ustawowych clientów (jesli takie przysluguja).
Do dystrybutorów Sony
Do zamontowania tego produktu konieczne jest posiadanie odpowiedniego doswiadzenia.Nalezy dokladnie przechyta t instrukcje,aby zapewnic bezpieczny przebieg prac montaowych.Firma Sony nie ponosi odpowiedzialnosci za zdne szkody lub obrazenia winikajace z nieprawidlowego postepowania lub nieprawidlowego montau.Po zakonczeniu montau nalezy przyekaca t instrukcje klienworti.
W tej instrukcj przdstawiono prwidlowa obsluge produktu oraz wazne srokdi ostroznosci, majace na celu zapobiezenia wypadkom.Nalezy dokladnie przyczyta c te instructkcje i w prawidlowy spośob korzystac z produktu.Nalezy zachowac tte instructcjcw celu wykorzystania w przyszlosci.
Produkty firmy Sony sa projetowane z myslag o zapewnieniu bepezcenstwa.
Nieprawidlowe korzystanie z produktow moze jakn spowodować powaźne obrażenia na skutek pozaru, prazzenia pradem elektrycznym, przyworćenia sie produktu lub.gojo upady.Nalezy przesteręgać siodków ostrożnosci,aby unikną cego typu wypadkowski.
Nadzor nad dystrybucja na terytorium
Rzeczypospolitej Polskiej sprawuje Sony
Europe Limited, The Heights, Brooklands,
Weybridge, Surrey, KT13 0XW, United Kingdom.
UWAGA
Okreslone produkty
Ten uchwyt scienny zostal zaprojectowany z mysla o uzyciu z okreslonymi modelami televizorów. W instrukcji televizora:noza sprawdzić,czy uchywtu sciennego:noz uzyc z danym televizorem.
Do Klientów
OSTRZEZENIE
Nieprzestrzeganie poniszych sroków
ostrożnosci są spowodowej powazne
obrażenia lub smierc na skutek pozaru,
porazenia pradem elektrycznym lub
upadku produktu.
Nalezy zlecać montaż licencjonowanym wykonawcom i zapewnic, aby podczas montaqu nie znajdowy są w povlizu małe daneci.
Jesliuchwyt scienny lub telewizor nie
zostana zamontowane prawidfowo, moze to skutkować nastepujacymi wypadkami.
Nalezy zlecac montaž licencjonowanym wykonawcom.
- Telewizor要去 spac, powodujac powazne obrazenia, takie jak stluczeniaczy zhamania.
- Jesli sciana, na ktorej montowany jest telewizor, jest niestabilna, nierowa albo nieprostopadla do podlogi, telewizor moze spasc, powodujac obrazenia lub uszkodzenia mienia. Sciana musi byc w stanie uniesc ciar co najmnej czterokrotnie wiekszy od cizaru telewizora. (Ciejar telewizora jest podany w了我的 instrukcji).
- Jesli montaż uzychytu sciennego do sciany nie zostanie wykonany odpowiednio mocno, televizor要去 spać, powodujac obrażenia lub uzskodzenia mienza.
Nalezy zleca przemieszczanie i demontaz televizora licencjonowanym wykonawcom.
Jesli przemieszczaniem lub demontazem televizora bestehtajzajmowac sie osby inniz licenciendonwani wykonawcy,televizor moze spasc, powodujac obrazenia lub uszkodzenia mienia.Do przenoszenia lub demontazu televizora potrzebne sa co najmiej dwie osoby (co najmiej trzy dla ekranow powyzej 75 cali).
Po zamontowaniu telewizora nie wykręcać srub itp.
Na skutek takiego dzialania telewizar对不起 spasć, powodujac obrażenia lub uszkodzenia mienia.
Nie modyfikowa elementów uchwytu sciennego.
Na skutek takiego Dziatania uchwyt scienny\ moze spasć, powodujć obrażenia lub\ uszkodzenia miaenia.
Nie montować innych urzadzen niz okreslony produkt.
Ten uchwyt scienny jest przewidziany do uzytku wylacznie z okreslonymi produktami. W przypadku zamontowania urzadzenia innego niż okreslone,MZe ono spasć, powodujac obrazenia lub uszkodzenia mienia.
Nie obciązać uchwytu sciennego obciązeniem innym niz telewizar. Nie potrzaszaj telewizorem na boki ani w góre/w do!.
Na skutek takiego dzialania telewizar moze spasć, powodujac obrażenia lub uzzkodzenia mienia.
Nie wieszac sie ani nie opierać na telewizorze.
Nie wieszaczę aniNie opierać na telewizorze, gdyż na skutek takiego dzialania telewizar要去 spasć, powodujć powazne obrożenia.
UWAGA
Nieprzestrzeganie ponijszych srodkow ostroznosci moze spowodowac obrazenia lub uszkodzenia mienia.
Podczas czyszczenia i konserwacci nie wywierać zbyt mocngo nacisku na produkt.
Nie naciskac zbyt mocno telewizora od gory. Na skutek takiego dzialania telewizor moze spasc, powodujac obrazenia lub uszkodzenia mienia.
Środki ostrożnosci
- W przypadku dlugotrwalego uzytkowania televizora zamontowanego nauchwycie sciennym sciana za lub ponad telewizorem要去 lec odbarwieniu allo tapeta要去 sie odkleic, w zaleznosci od rodzaju materialu, jakim Pokryta jest sciana.
Po zdemontowaniu zamontowanego wczesnej do sciany uchwytu sciennego otwory w scianie pozostaja. - Nie uzywać uzychyty scienné wciejscach narazonych na drgania mechaniczne.
Montaż uchwytu sciennego
Do dystrybutorów Sony
OSTRZEZENIE
Ponijsze instrukcje sa przyznaczone wylącznie dla dystrybutorów Sony.
Naleź przyȩczycytać powyźcie sądki ostrożnosci, zworacjac szȩcęgólna uwage na bezpieczędstwo podczas montaźu, konserwacci sprawdzania tego produktu.
Nie montować uchwytu sciennego na powierzchniach, w przypadku kórych narozniki lub boki telewizora moglyby wystawać poza powierzchnie.
Nie montowac uchwty sciennego na powierzchniach takich jak filary, w przypadku ktorych narozniki lub boki telewizora moglyby wystawac poza powierzchnie. W razie uderzenia naroznika lub boku telewizora przy osobe lub obiekt mogloby to spowodowac obraZenia lub uzzkodzenia mienia.

Nie montować telewizora nad lub pod klimatyzatorem.
W przypadku narażenia telewizora przyduszcy czas na wycieki wody albo strumien powietrza z klimatyzatoraMZ dojsć doporañenia pradem elektrycznym lub awarii telewizora.
Uchwyt scienny nalezy mocno zamocowych do sciany, zgodnie zewskażowkami podanymi w tej instrukcj.
Jesi ktorakolwiek ze srb poluzije sie lub wypadnie, uchwyt scienny moze spasic, powodujac obrazenia lub uzkodzenia mienia. Nalezy uzywa c rob odpowiednich do materialu, z ktorego wykonana jest sciana i zamontowac uchwyt za pomocztech lub wiecej srb o srednicy 8 mm (lub oppowiednikow).

Naleź uzywać
dostarczonych szrub i elementów
montażowych w
prawidłowy sposob, zgodnie ze
wskazówkami
podanymi w tej
instrukcji. W przyypadku uzywania elementów
zastępczych telewizor要去 spȩć,
powodujac obrażenia lub uszkodzenia.
Uchwyt nalezy zamontowac w prawidowy sposob, zgodnie ze wskazówkami podanymi w tej instrukcji.
Jesli ktrakolwiek ze smr bul poluzije sie lub wypadnie, telewizor moze spasć, powodujac obrażenie lub uzskodzenia.
Śruby naleźmy mocno wkręcać w wyznaczonych mistręszech.
W innym przypadku telewizar要去 Spać, powodujac obrażenia lub uzkidzenia.
Nie narawać telewizora na wstrȩsy podczas montaqu.
Na skutek wstrzaszów telewizar要去 spać lub roźpólć sie. Moze to spowodowej obrażenia.
Montowac telewizor na sceanie prostopadjej do podtogiplplaskiej.
W innym przypadku telewizor moze spasć, powodujac obrażenia.
Po zamontowaniu telewizora w prawidłowysposob zamocowych kable.
Zaplątanie są odob lub obieków w kable要去 spowodowej abrażenia lub uzskodzenia.
Niedopuszczacdo zacisnięcja przewoduzasilajćego lub kablićzzych.
W przypadku zacisniecia przywodu
zasilajacego lub kabli laczych pomiedzyy urzadzeniem a sciana albo ich zginania lub skrecania na sie要去 dojsć do odśloniecia wewnetrznych zyl, a co za tym idzie do Zwarcia lub przerwy w obwodzie. Moze to spowodownik pozar lub parażenie przem elektrycznym.

Śruby potrzebne do zamontowania uchwytu sciennego do scianyNie są dostarczone.
Podczas montazu uchwytu sciennego nalezy uzywac srbudopowiednich do materialu i struktury sciany.
Spistresci
Przygotawanie do montazu 5
Sprawdzenie elementów. 5
Wybor.), 6
Montaż podstawy do sciany. 8
Przygotowanie do montazu telewizora. 9
KD-85/75XG85□□, KD-75XG87□□ 9
KD-65/55XG87□□, KD-65/55XG85□□ 11
Montaž telewizora na scianie. 13
KD-85/75XG85□□, KD-75XG87□□ 13
KD-65/55XG87□□, KD-65/55XG85□□ 15
Sprawdzenie kompletnosci montazu. 18
Pozostale informacja 18
Specyfikacja 18
Procedura montazu rożni sie w zaleźnosci od modelu telewizora.
Nalezy uzych uchy cchwytu sciennego SU-WL450 w celu montazu telewizora na scianie.
Uwaga
- Wykrecone s Ruby przechowyac w bezpiecznym.), z dala od przyci.
Przygotowanie do montaqu
- W czasie instalacji naleźmycie do dyspozycji Instrukcję telewizora oraz Przewodnik ustawien.
- Przygotować przydostem sąbokret Phillips pasujczy do sąb.
Wybrać.), - Przygotowycztery lubwcjej s Ruby o srednicy 8 mm oraz jeder s rube o srednicy 5mm lub odpowiedniki (niedostarczone). Wybrac s Ruby odpowiednie do materiau, z ktorego wykonana jest sciana.
Sprawdzenie elementów
Dostarczone zuchwytem SU-WL450
- Sprawdzic,czy wszystkie elementy zostaly dostarczone.
| A Podstawa (20) (1) B Kółko (2) | |
| ◎ PSW 6x20 (4)◎ PSW 4x20 z tuleja (2) | |
| ◎Pod.§radka dystansowa (20) (2) | ◎Pasek (1) |
| ◎Tuleja (20) (M4) (2) | ◎PSW 4x20 (2) |
| ◎Adapter podstawy (2) | ◎PSW 4x10 (8) |
| ◎Pod.§radka dystansowa (60) (2) | ◎PSW 6x50 (2) |
| ◎Tuleja (M4) (2)◎PSW 4x50 (2) | |
Wybór.),
1 Wybrać政策措施 montazu.
Upewnic sie, ze na scianie jest wystarczajaco duzo.), a takze ze sciana jest w stanie uniesc cizar co najmiej czterokrotnie,) zoekszy od cizaru telewizora.
Zapoznac sie z ponieszsa tabela dotyczama montazu telewizora na scianie. Ciezar telewizora mayna sprawdzić w seinem instrukcj.

Standardowy montaż Plaski montaż
Środkowy punkt ekranu
Jednostka: mm
| Nazwa modelu | Wymiary monitora | Wymiar srodkowy ekranu | Długość dla montaź | |||
| a | b | c | d | e | ||
| Standardowy montaź | Płaski montaź | |||||
| KD-85XG85☐☐ | 1909 | 1097 | 251 | 803 | 142 | 100 |
| KD-75XG87☐☐ | 1673 | 963 | 107 | 595 | 116 | 75 |
| KD-75XG85☐☐ | ||||||
| KD-65XG87☐☐ | 1450 | 836 | 99 | 523 | 115 | 73 |
| KD-65XG85☐☐ | ||||||
| KD-55XG87☐☐ | 1231 | 713 | 106 | 468 | 115 | 73 |
| KD-55XG85☐☐ | ||||||
Uwaga
- Wartosci podane w tabeli moga sie rożnic minimalnie w zaleźnosci od instalacji.
- Po zamontowaniu telewizora na scianie.goi gorna czesc jest lekko przechylona do przodu.
Zapewnic odpowiedni odstep pomiedzy telewizorem a sufitem i wystajycmi elementami, jakPokazano ponizej.
Jednostka: mm

-
Aby zapewnic prawidlowa wentylacje i zapobiec gromadzeniu sie kurzu lub brudu:
-
Nie umieszczac telewizora plasko ani niew montowac spodem do tylu, ekranem do sciany lub z boku.
- Nie umieszczac telewizora na polce, dywanie, lozku lub w szafce.
- Nie zakrywać telewizora tkaninami, takimi jak zaslony, ani innymi przydmiotami, takimi jak gazety.
- Nie montowa' telewizora w poniszsy sposob.
Zablokowana cyrkulacja powietrza.

Uwaga
- Jesli kable maja byc prowadzone w scianie, wykonac otwor na kable w scianie przyrozpieczeciem montazu.
Aby zapobiec zacisniieci kabli, otwor w scianie powinien zostac wykonany poza zewnetrzynm obwodem podstawy (20) A, adapter podstawy 1 i podkladki dystansowej (20) E, podkladki dystansowej (60) K.
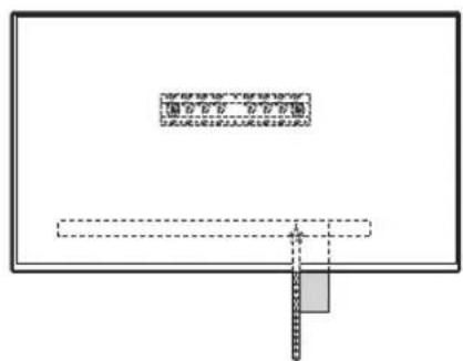
2 Wybierz sposob montazu na scianie. Odleglość tylnej czȩci telewizora do scianydoğan wybrać, jak pokazano ponijej.
2-a Standardowy montaz
2-b Płaski montaz
Patrzabela w kroku 1.
OSTRZEZENIE
Gdy wybrany zostanie variant 2-b, dostep do panelu tynego bedzieograniczony.


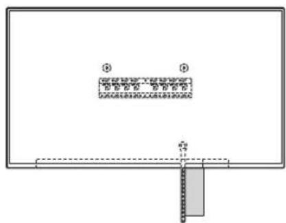
3 Zapoznaj sie z ponieszyszabela w celu sprawdzenia połozenia montazu adaptersa podstawy. W przypadku wybrania variantu 2-b naleź y pominoć ten krok.
| Nazwa modelu Położenie haka | |
| KD-85XG85☐☐ | |
| KD-75XG87☐☐ | a |
| KD-75XG85☐☐ | |
| KD-65XG87☐☐ | |
| KD-65XG85☐☐ | b |
| KD-55XG87☐☐ | |
| KD-55XG85☐☐ | |

Zamocuj adapter podstawy ① za pomoc sąuby (PSW 4x10) ⑧ do podstawy (20) ⑧ w przypadku wybrania variantu 2-a.

4 Okreslic pofozenia srob do montazu podstawy (20) A.
Patrz specyfikacja na stronie 18. W przypadku wybrania variantu 2-a daneź uzyc pozycji otworów dla adaptera podstawy ①.
OSTRZEZENIE
- Sciana, na ktorej ma zostac zamontowany telewizor, musi byc w stanie uniesc cizar co najmiej czterokrotnie Wiekszy od cizaru telewizora (Cizar telewizora jest podany w了我的 instrukci.).
- Okreslic nosnosc sciany, na ktorej ma zostac zamontowany telewizor. W razie potrzeby odpowiednio wzmocnic sciane.
Montaż podstawy do sciany
Uzyc czterech lub wiecej srb u srednicy 8 mm lub odpowiednikow (niedostarczone).
Wkreczerysruby w otwory adaptera podstawy 1 z podstawa (20) A (tylko 2-a).
Zamontowac podstawe (20) @ poziomo na scianie.


Przygotowanie do montaqu telewizora
Informacja na temat montazu na podstawie podano w Przewodniku ustawien.
KD-85/75XG85□□,KD-75XG87□□
1 Zaznacz.),
- Uzyj taśmy maskujuść lub podobnego rozwȩzania (brak w zestawie), aby oznacZYc poLożenie telewizora w povlizu podstawy lub adaptera podstawy. Uzyj ponieszzej tabeli.

| Jednostka: mm | |||
| Nazwa modelu | Długość dla oznaczenia | Wymiar sądkowy ekranu | |
| a | b | c | |
| KD-85XG85☐☐ | 1909 | 683 | 200 251 |
| KD-75XG87☐☐ | 1673 | 468 | 200 107 |
| KD-75XG85☐☐ | |||
2 Odkrćś Ruby z tyfu telewizora.

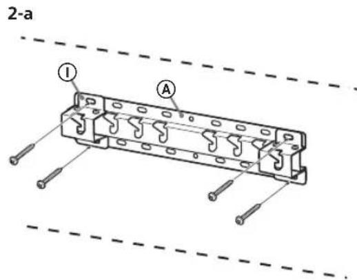
3 Przymocuj elementy uchwytu dla uchwytu scienngo. Sprawdz elementy uchwytu zgodnia z sekcj Dostarczone z uchwytem SU-WL450" w rozdziale „Sprawdzenie elementow" na stronie 5.
Uwaga
- Przymocuj prawidłowo elementy uchwytu za pomocaj srub.
- Jesli uzywany jest srbokret elektryczny, nalezy ustawic moment obrotowy na ok. 1,5 N·m {15 kgf·cm}.
- Przechowuj uzyte lub nieduzywane elementy w bezpiecznym.), aby moz z nich skorzysta w przyszlosci. Zachowac instrukcje do wykorzystania w przyszlosci.

Standardowymontaz (2-a)
Plaskimontaz(2-b)
Uwaga
- W przypadku tego typu montazu nie jest moziwe uzycie niedtorych zloczy z tylu telewizora.


4 Podlaczyc niezbędne kable do telewizora.
Kable nalezy podlączyc przyd zamontowaniem telewizora na scianie. Po zamontowaniu telewizora podlączenie kabli bedzie niemozgliwe. Patrz instrukcja dołączona do telewizora.
Uwaga
- Prowadzenie przywodow w scianie nalezy zlecić licencijonowanemu kontrahentowy.
- Przed montazem na scianie powiaz kable polaczeniowe, aby zapobiec nadepni ciu ich.
5 Odkrć podstawe od telewizora.
- Usń boki podstawy pojedynczo. Chwyc podstawe mocno obiema rekami, a pozostale osoby powinny podniesz telewizor.

KD-85XG85□□

- Powtórz poprzednia czynnosci Usun drugi bok podstawy.
Uwaga
- Odlaczenia podstawy wymaga wspóldziafania przynajmiej trzech osob.
Nalezy uwazać, aby nie uzć nadmiernej sily przy odłuczaniu podstawy od telewizora, gdyź要去 spowodowej upadek telewizora i doprowadzić do obrażćciała lub fizcznégo uszkodzenia telewizora. - Zachowac ostroznosc podczas obslugi podstawy, aby uniknac uszkodzenia telewizora.
Zachowaj ostroznosc, unoszac telewizor i odlaczajc podstawe. Latwo ja mayna przewróci spowodowac obrażenia.
Uwazj podczas odlaczania podstawy od telewizora, abyNie spadla i nie uszkodzila powierzchni, na ktorej stal odiornik.
1 Odkrćś Ruby z tyfu telewizora.

2 Przymocuj elementy uchwytu dla uchwytu sciennego. Sprawdz elementy uchwytu zgodnia z sekcj Dostarczone z uchwytem SU-WL450" w rozdziale „Sprawdzenie elementow" na stronie 5.
Uwaga
- Przymocuj prawidłowo elementy uchwytu za pomocaj srub.
- Jesli uzywany jest srbokret elektryczny, nalezy ustawic moment obrotowy na ok. 1,5 N·m {15 kgf·cm}.
- Przechowuj uzyte lub nieduwywane elementy w bezpiecznym mięscu, aby moc z nich skorzystac w przyszłosci. Zachowac instrukcję do wykorzystania w przyszłosci.
Standardowymontaz (2-a)

Plaskimontaz(2-b)
Uwaga
- W przypadku tego typu montazu nie jest möglichw uzymie niedtorych zloczy z tylu telewizora.


3 Podęczyc niedzbebędne kable do telewizora.
Kable nalezy podlączyc przyd zamontowaniem telewizora na scianie. Po zamontowaniu telewizora podlączenie kabli bedzie niemożliwe. Patrz instrukcja dołączona do telewizora.
Uwaga
- Prowadzenie przywów w scianie danezy zlecić licencijonowanemu kontrahentowy.
- Przed montazem na scianie powiaz kable polaczeniowe, aby zapobiec nadepnięci ich.
4 Odkrć podstawe od telewizora.
- Usń boki podstawy pojedynczo. Chwyc podstawe mocno obiema rękami, a pozostale osoby powinny podnieszć telewizor.

- Powtórz poprzednia czynnosci Usun drugi bok podstawy.
Uwaga
Odlaczenia podstawy wymaga wspodzialania przyznajmiej trzech osob.
Nalezy uwazaç, aby nie uzyc nadmiernej sily przy odłuczaniu podstawy od telewizora, gdyz要去 spowodowac upadek telewizora i doprowadzić do obrażćcia lub fizcznégo uszkodzenia telewizora.
Zachowac ostroznosc podczas obstugi podstawy, aby uniknac uszkodzenia telewizora.
- Zachowaj ostrożnosć, unoszac telewizar i odłaczą podstawe. Latwo jałąznę przemróci i spowodstawie obrażenia.
Uwazj podczas odaczania podstawy od telewizora, abyNie spadla i nie uszkodzila powierzchni, na ktorej stal odiornik.
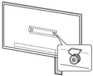
- Lokalizacja kótek (B) do zawieszania na podstawie lub adapterze podstawy znajdziesz w tabeli w sekci „Wybor przyjsca montazu", krok 3. na stronie 7.
Pamiétaj, aby tylna scianka telewizora dotykała podstawy lub przyjecciowych podczasunoszenia urzadzenia.
Uwaga
- Trzymaj mocno telewizor za pomocao obu rak. Pamiaget, aby pozycja paska (F) i spodu telewizora zqadzała sie z oznaczeniami taśmy maskujacej.
- Przenieść odbiornik w trzy osoby. Ta, kłóra jest z przy uzalić wȩciwa poźycie urzadzenia.

- Zachowaj najwyzsza ostroznosc podczas montazu telewizora na scianie. Zwaszcza osoba podpierajaca urzadzenie od dolu musi uwazac, aby telewizor nie upadi, co moze spowodowac powazne obrazenia ciala, a nawet doprowadzić do smierci.

2 Zamontuj telewizor na podstawie lub adapterze podstawy.
- Delikatnie wsun urzadzenie w podstawe lub adapter podstawy i zawies go na kofkach ⑧ zamocowanych w tylnej czeci odiornika, zgodnie z ksztaltem otworow.
- Przytrzymać mocno telewizor dwiema rękami i delikatnie zawiesić kółka ⑧ zamocowane do tylnej czȩci telewizora na podstawie, zgodnia z ksztaltem otworów.
- Powoli odsun rce, aby miec pewnosc, ze telewizor nie spadnie.

- Po zamontowaniu odiornika na scianie, zdejmij ze sciany ta sme maskujacj i pozostafe oznaczenia.

2-a

↓


↓

↓

2-b



↓

↓

↓
OSTRZEZENIE
- Do przenoszenia telewizora potrzebne są co najmnej dwie osoby (co najmnej trzy dla ekranów powyzej 75 cali).

3 Zapobieganie odchylaniu sie dolnej czeci telewizora.
- Naciagnac pasek (F) i zamocowac go monocn do sciany.


Uzyc s Ruby o srednicy 5 mm lub oddpowednika (niedostarczona).
Uwaga
- Spróbować delikatnie pociąnac telewizor do siebie, aby sprawdzić,czy jest on dobrze zamontowany. Jesli telewizor poruszy sie, oznacza to, ze nie jest prawidlowo zamontowany i naleź mynociej naciąnac pasek (F).
KD-65/55XG87□□,
KD-65/55XG85□
1 Uniesz telewizor.
- Lokalizacja kólek (B) do zawieszania na podstawie lub adapterze podstawy znajdziesz w tabeli w sekci „Wyborowej montazu", krok 3. na stronie 7.
Pamiętaj, aby tylna scianka telewizora dotykała podstawy lub przyjecciowych podczas unoszenia urzadzenia.

Uwaga
- Trzymaj mocno telewizor za pomocă obu rak.
2 Zamontuj telewizor na podstawie lub adapterze podstawy.
- Delikatnie wsun urzadzenie w podstawe lub adapter podstawy i zawies go na kólkach (B) zamocowanych w tylnej czeci odiornika, zgodnie z ksztaltem otworow.
- Przytrzymać mocno telewizor dwiema rekami i delikatnie zawiesić kófka ⑧ zamocowane do tylnej噤ci telewizora na podstawie, zgodnia z ksztaltem otworów.
- Powoli odsun rece, aby miec pewnosc, ze telewizor nie spadnie.


2-a

2-b

↓

↓
OSTRZEZENIE
- Do przenoszenia telewizora potrzebne są co najmnej dwie osoby (co najmnej trzy dla ekranów powyzej 75 cali).

3 Zapobieganie odchylaniu sie dolnej czeci telewizora.
- Naciagnac pasek F i zamocowac go mocno do sciany.


Uzyc s Ruby o srednicy 5 mm lub oddpowednika (niedostarczona).
Uwaga
- Spróbować delikatnie pociagnć telewizor do siebie, aby sprawdzić,czy jest onOCRze zamontowany. Jesli telewizor poruszy sie, oznacza to, ze nie jest prawidlowo zamontowany i nalezy mocnej naciagnć pasek (F).
Sprawdzenie kompletnosci montazu
Sprawdzić nastepujace pozycje.
Czy kola sa pewnie osadzone w podstawie lub adapterze podstawy.
Czy przywośd i kable nie są skrecone ani zacisciagne.
Czy pasek F nie jest luźny.
OSTRZEZENIE
- Nieprawidlowe umieszczenie przywodu zasilajacego itp.monary spowodowc pozar lub porazenie pradem elektrycznym na skutek zwarcia. Ze wzgliedow beziepceznstwa nalezy sprawdzić kompletnosc montazu.
Pozostafe informacja
W celu zdemontowania telewizora nalezy wykonac procedure montazu w odwrotnej kolejnosci.

OSTRZEZENIE
- Do demontazu telewizora potrzebne są co najmnej dwie osoby (co najmnej trzy dla ekranów powyzej 75 cali).
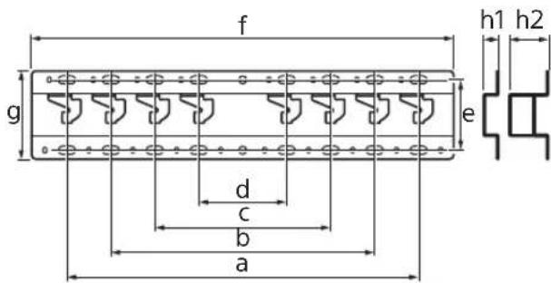
Specyfikacja

Wymiary: (ok.) [mm]
a:400
b : 300
c:200
d : 100
e:80
f:480
q : 100
h1:20(przypadek 2-b)
h2:60(przypadek 2-a)
Ciezar (tylko podstawa): (ok.) [kg] 0,8
Konstruktja specyfikacja moga ulec zmieanie bez uprzejzenia.
Uzstadot televizoru, nepaklaujiet to triecieniem.
Ja televizors tiek paklauts triecienam, tas var nokrist vai saluzt. Tas var radit traumas.
Televizoru uzstadiet uz sienas, kas ir gan perpendiculara attiecibapret gridu, gan lidzena.
Pretja gadijuma televizors var nokrist un radit traumas.
Kad televizors ir uzstadits, ciesi nostiprintiet vadus.
Ja cilveki vai prieksmeti sapisies vados, tas var radit traumas cilvekiem vai bojat televizor.
Nesaspiediet mainstravas vadu vai savienojuma kabeli.
Ja mainstrāvas vads vai savienojuma kabelis
ir iespiests starp kron'stein un sienu vai ar
speku tik locits vai verpts, iekseji vadi var
atsegties ur radit issavienojumu vai strvas
caursiti. Tas var izraisit azdegsanos vai
strvas triecienu.

Sony dnilnepepi yuin
OcbkypbifbHbOpHaTyfKaTeKiniKTI Tpyte TaXkpin6e KaKet. OPhaty KMyBlcTapBn Kayinc3 Typde opBnHay yuHn OcbHyckaybIKbTOnbIK OkBn UbfbHb3.Sony Dpybc KondaHbay Hemec DaPbC OpHnaty CandapBnAH 60Ban3aBmDapra HEmec XkapakTaKa kayantbEMec.OpATKaHN H KeiH TybHbUbFaOCbHyckaybIKbTb6epH3.
Ocb naaanaHy HcyaybIbI eHIMH dypbic KOndaHbIybIHNe3aKbIMdb Bonbpimayra Kaeketti anbHanyuapanapBn KepcTei. Ocb HcyaybIKbTbTONbIK OkblbIFin EHHdI dybc KOndaHbHbI3.BonaawkTa aknapaanyUWHc Ocb HcyaybIKbTb KonjckTimDi Kepde CaKaTaHbI3.
Sony eHimdepi kayinci3dkti eckepe Otbpbn Xacanran. EHMdep dpybc KOndaHbIMmaca, ept, TOK cory, EHmHn Kynbayl HEmce Ohbl NaKtbpy caandpaHbH aybip japaKaTkaEkenyi Mymkh. OcbHnd JaFdnapdbn anbH any yuHn anbH any wapapanbpH kapaHb3.
OhMHH KIYMI MeH UStPnx-KoDbHda UStPnx-KoT TaH6acBbHKn KoBi KeNeci fOpMaTa
Kepcetinei: XKOKM, MMyHaXKOKK
- kbl MM - eHdpic meZirni
KaazkCTaH XepiHderI TybHybIapdbH
taBIM-TanaTAPbH Ka6bIaNayy yKeINTeTI
YbIM《COHN 3NeKTPOHnKc》AK
KaazkCTaHaDaBt EKnDiir,050010,KaazkCTaH
Pecny6nKacbI,AnMaTb K,DocbTk DaHfblbl,
117/7y
Ehipyui: CoHn BnKyAn IpoaKa Tc INK.
EhpiMeKekKaB:2-10-1OcAnu Hharaba-Ky Tokno,141-8610 Kaonn
Keen OanbI KepiHderi WeteNn Ekenyui
COnn 3neKtpoHkCnAK, Pecen, 123103,
Mockey,KapamBwBckn eTne Keueci,6
KbtaaJdaXacanfah
A6AIBOJIbIHbI3!
ApaHbI KypblnfbInap
Ka6bIprara 6eKity KpOHwTeHnI TeEaDapra apHaJrAn KpyBnIbIAPmE 6Ipre KOndany yuHxKacIraH. Ka6bIprara opHaTaBH KpOHwTeHnDi naiDaanahya 6oNaTbHbN TeKepey yuHIn TeNeiDapra apHaJrAn AnbIKtAmabk HcKay 6eIMin KapaHb3.
TytbHywbinap ywiH
ECKEPTY
Ocb andbn any wapapanpbl caKaTImaca, ept, TOK cory Hemece KpybIbnBhlh KnyaBly candpaBHnAH aybp xapaKaTka Hemece enIMRe ekenyi MYMkhH.
OpHaTy JxMbICTapbIH JIuueH3nrcbl6ap MePdiirepnpjXacaybl KepeK XHe KypblfBihbl OpHaTy Ke3iHde KiUKeHTa 6aJanaIapdbla aNblic yCTaHbI3.
Ka6biprafa6eKITy KPOHTeHi HEmece TeneiIap dpybcOpHaTbIMmaca,KeNeci Ka4dainap 6oByI yMmKIn. MuChE3nucb6ap Merdirepnp OAty7 KMybCTapbH Kypr3e anatbHbDfBHa Ke3XetKl3HJ3.
TeIeIaIap KIyIan, DeHEnH KeRepyi Hemece cyIbIKcekIi dyIbp JapaKaITapra eKenyI yMMyKIIH.
Kablpfara6ekity KpOHHTeHI opHaTbIaTHi Kaibpfa Tpyakcb3, KcBbIK Bcna HeMece eEHe rne neprenHnkyu npomaca, Kypan Kynan, japaKaTaHa MyNkTIH 3aKbIMdaHyBaHa eKeenyi MymKIn. Ka6bpFa TeNeiDapbH cAImaFbIHah TepTe eae aybp cAnkMaKbI kTepe aNy KaKet. (CannMafBH TeKcepy yuiH TeNedapdb HAbkTamaBbIK HcyKay 6eIMH KapaHb.)
Kabiprafa 6eKiTI KPOHHTNI Ka6biprafa 6eKITINMece, KypaI KynI, XkapakTaKa Hemece MyiIKTHaKbIMdAhybHa eKenyI MYMKIH.
Banap yuin
Bananapra Teneiunap yctine uibiyar pykcat 6epmeh.
-yaKxa6bIbIcTapBn 6bnanapdAnaynakCTaHb3,xyTbIN KOIMacBH.
TeJeIaPbI TaBImaIay HeMece 6eKeTey KMbICTapbIH IuueH3nrcbI 6ap MePdirepJep JacaybI KepeK.
JIuehen3nBapMepdirepnpdenBacka
adamdapTeleHdapdbTacbImandaCahMece
BeuWeKeTce,ONKUan,XapaKaTkaHeMece
MynIKTH3aMbMaHybHaekenyiMYMKH.
TepeHdApEki HeMeceOaN KeN aAM
(75JIOmMDxHe OaN YkHen TepeHdAp
XHHaftbyyHInyHMeceOaN KeN aAM)
TaCbMaIaNayra HeMeceWSeYre MyMKHdkTepi
XeTeIHdirH TekepeiH3.
TeJeIaapbl 6eKITKeHHeH KeiH 6ypaHaapblxHe T.6. 6ocatnaHbI3.
Erep conai icteiH 60ncab13, teneiIap KnyaybI HeMece MynikTIh 3akBIMdHaHybl MyMkiH.
Ka6biprara 6ekity KpoHwTeHHin 6eJweKTepi aybICTbIPMaHbl3.
Erep conai icTeiTH 60ncaHb3, kabipfara 6ekity KpOnuTneHi Knyayb Hemece MyniktiH 3akimdaHyb Mykhi.
ApaHbI KypblrBdaH 6acka Kypalbl 6ekitneHi3.
Ocbkbipfara6kityKpOnHTeHi Te
apnabblKpybIbnApmeh6ipre KOndAny yuHIN
xacanHan. Apnabbl KpybIbnDaH 6eNek
KpaIbbl6keITcEH3, on Kyan He cbHbIn,
XkapaKaTa HE MyNIkiTH, 3aKbIMaHaYbHa eKeNyi
MYMKIH.
Ka6biprara 6ekity kpoHwTeHiHe TeNeIaDpaH 6aca 3aTTbI KOJaHa6aHbI3. TeNeIaDapbl conra/ OHra, XoRapbl/TMeHn KaMaHaB13.
Erep conai icteiH 6oIcaHy3, TeeIaap Knyayb Hemece MynikTIH 3akBIMdAHybl MyMKH.
TeNeiIapra cyneH6eHi3 Hemece acblbIn TypMaHbI3.
Teneiapra cyeHcH3 he acblbIn typcaHbN, on ci3re Kylan, ayblp xapaKaT anyblb3 MyMIKH.
ABAI BOJIbIHbI3!
OcbI anbHany aIapanaIbI caKaTAmaca, kapaKaT aIyIbH3 HeMece MyNIk 3aKbIMdAhybl MyMKH.
Sony dnilnepepi yuin
ECKEPTY
Keneci Hcykaynap Tek Sony dinyepnepine
aphanrah. Korfapbda 6epinreH andbin
any wapanapabH bIN nbfBHB3 xHe
ocby KpyblfbHbOpHaTy, oFAH KYTIM
Xacay, OHb Tkepey Ke3iHde aca Ha3ap
aydpabHb3.
Ka6biprara 6ekity kpoHwTeHH
TeIeIuIapdbIH
6ypbIHTapbI He KaNTaJIbI Ka6bIpra 6eTIHeH WbIFbIN TypaTbIH OpbIHApFa opHaTNaHbI3.
Ka6biprafa 6eKity KPOHtTeHHIN TepeiAapdbin 6bypIITapbl He KaTaNbl Ka6bipra 6eTIHeH 6blBn Tpyatbl 6aHan cekindi OpiHApra opHaTNaHb. Aam Hemece 6acka 3at TepeiAapdbin 6blBn Tyfah 6bypIbHa He KaTaNbHa COkCa, ON Xkapatanyhmece MyNk 3akBmDahybl MYMKH.

TeJeIaApbIH caKbIHDaTkbIHTbIH ycTiHe He acTbHa opHaTaNaHbI3.
TeEniapra caKbIH DAkBHTAH yakyt Bokby cy tamblapb akca He cAnkbH ayacocka, onepTke, Tokcoryfa Hemece TeEniapabH Dpybc XyMbic ICTeMyiHe eKenyi MYMKH.
Ka6biprara 6ekity kpoHHTeHH OcbI
naydaanhy HcayIbIbHa cyneHe OTbIPbIMMbIKtan 6ekiriH3.
Bpyanapabih6piKofanbinHeTycin Kanran
60nca,Kabipara 6eKity KPOHHTeH Kyanan,
Xkapakta Hemece Myntt 3aKbIMdanyhba
ekenyi Mymkn. Ka6bpraHbMATEpnaIbHa
cain bpyanapabn naNanaHb13 Xehe
DnAmetpi 8 MM (Hemece Ykcac) 6oNaTbH Tep
He OAn dKaon 6ypanapabn naNanaHa
OTbPbN KpyanblMbKTan 6eKITH3.

BepinreH 6ypaHdaIap
meh 6ekity
6eIweKTePin OcbI
HyckayNbIKTaftbI
HyckaynapFa cyneHe
OTbIPbIN dypbc
naindaHaHbIHbI3.
KocankbI 3JeMeHTTepdi
naindaHaHcaHbI3,
TeNeiIap Kynan,
6ipeyre Dehe
XapaKaTbIH canybl
Hemce TeJeIaIapDbI
3aKbIMdAybl MymkiH.
HcyaynbkTa 6epiReh npoceDypanapra cyneHe OTbIPBn KPOHwTeHdi DypbICTa
KypactbipbIHbl3.
Bypanapapb6pi jkorfanca Hemece Tycin
Kanfah Bonca, Tepeuap Kynan, Bipeyre
DeHe KapakatbH canyib Hemece
Tepeuapdp3akmbmdaybyMymkiH.
Бураздалар корсетин reн opьдamaMbiktan6ekitinyi kepek.
OcbnaiopbHdalmaca,TepeuapKylan, 6ipeye dehe kapaKaTabh canyib Hemece Tepeuadpa3aKbMdaay MykH.
ProstaInstrukcja