Bravia KD65XG8196 - Televisore SONY - Manuale utente e istruzioni gratuiti
Trova gratuitamente il manuale del dispositivo Bravia KD65XG8196 SONY in formato PDF.
Questions des utilisateurs sur Bravia KD65XG8196 SONY
0 question sur cet appareil. Repondez a celles que vous connaissez ou posez la votre.
Poser une nouvelle question sur cet appareil
Scarica le istruzioni per il tuo Televisore in formato PDF gratuitamente! Trova il tuo manuale Bravia KD65XG8196 - SONY e riprendi in mano il tuo dispositivo elettronico. In questa pagina sono pubblicati tutti i documenti necessari per l'utilizzo del tuo dispositivo. Bravia KD65XG8196 del marchio SONY.
MANUALE UTENTE Bravia KD65XG8196 SONY
Informazioni sull'installazione per l'utilizzo della staffa di montaggio a parete Sony (SU-WL450)
Modelli supportati:
KD-75XG80□□ / 65XG81□□ / 65XG80□□ / 55XG81□□ / 55XG80□□ / 49XG81□□ / 49XG80□□ / 43XG81□□ / 43XG80□□*
- Nei nomi dei modelli, "□□" indica numero e/o caratteri utilizzati per designare i singoli modelli.
Ai Clienti
Per la protezione del prodotto e per motivi di sicurezza, Sony consiglia caldamente di far realizzare l'installazione del teilevisore da rivenditori Sony o distributori autorizzati. Non cercare di installare il teilevisore da soli.
Per i rivenditori e gli installatori Sony
Prestare particolare attenzione alle misure di sicurezza durante l'installazione, la manutenzione periodica e la revisione del presente prodotto.
Per l'installazione di quello prodotto è necessaria una certa esperienza, soprattutto per stabilire la resistenza del muro che dovrebbe sostenere il peso del teilevisore. Affidare il lavoro di collocazione di quello prodotto a parete a rivenditori Sony o a distributori autorizzati e prestare l'attenzione necessaria alla sicurezza durante l'installazione. Sony non si assume alcuna responsabilità in caso di danni o ferite causate da una gestione non adeguata o da un'installazione scorretta.
Per un'installazione sicura e corretta, seguire le istruzioni per l'uso della staffa di montaggio a parete, la guida di installatione del teilevisore e le istruzioni contenate nel presente manuale.
Informazioni sulla sicurezza
Grazie per aver acquistato quello prodotto.
Informazioni per i clienti
Per l'installation di quello prodotto è necessario disporre di sufficiente competenza. Assicurarsi che l'installation venga eseguita da rivenditori Sony o da personale autorizzato e prestare particolare attenzione alla sicurezza durante le operazioni di installation. Sony non potra essere ritenuta responsable per danni o lesions causate da usi non appropriati del prodotto, da installation non corretta o da installazioni di prodotti diversi da quello specificato. Quanto dichiarato non pregiudica (eventuali) diritti legali dell'accquirente.
Informazioni per i rivenditori Sony
Per l'installation di quello prodotto è necessario disporre di sufficiente competenza. Leggere attentamente il presente manuale di istruzioni per garantire la corretta esecuzione della procedura di installation. Sony non pourrait essere ritenuta responsable per danni o lesioni causate da usi non appropriati del prodotto o da installation non corretta. Consegnare il presente manuale al cliente dopo l'installazione.
Il presente manuale di istruzioni spiega come utilizzato correttamente quello prodotto; inoltre, contiene precauzioni importanti da rispetto per prevenir incidenti. Accertarsi di leggere attendamente quello manuale e di utilizzato correttamente il prodotto. Conservare quello manuale a portata di mano per poterlo consultare in futuro.
I prodotti Sony sono progettati per essere sicuri. Ciononostante, è possibile che, se i prodotti vengono utilizzati in modo errato, si verificchino lesioni gravi dovute a incendi, scosse elettriche, ribaltamento o caduta dei prodotti stessi. Onde evitare tali incidenti, accertarsi di osservare le appropriate precauzioni per la sicurezza.
ATTENZIONE
Prodotti specificati
Questa staffa di montaggio a parete è progettata per essere utilizzata con i televisors specificati. Per quanto riguarda i televoris, consultare la relativa Guida di riferimento per verificare se la presentestaffa di montaggio a parete può essere utilizzata.
Informazioni per i clienti
AVVERTENZA
Se le precauzioni riportate di seguito non vengono rispetto, è possible procurarsi lesioni gravi o mortali a causa di incendi, scosse elettriche o caduta del prodotto.
Assicurarsi che l'installazione venga eseguita da personale autorizzato e tenere lontani i bambini durante l'installazione.
Se la staffa di montaggio a parete o il teilevisore non vengono installati correttamente, possono verificarsi i seguenti incidenti. Accertarsi che l'installazione si effettuata da personale autorizzato.
- Il teilevisore pottrebbe cadere e causare lesioni gravi, per esempio contusioni o fracture.
- Se la parete su cui viene installata la staffa di montaggio a parete è instabile, irregolare oppure non è perdicolare al pavimento, l'unità potrebbe cadere causando lesioni o danni o oggetti. La parete deve essere in grado di sostenere un peso almeno quattro volte superiore a quello del teilevisore. (Consultare la Guida di riferimento del teilevisore per verificarne il peso.)
- Se I'installazione a muro della staffa di montaggio non è sufficientemente salute sulla parete, I'unità potrebbe cadere e causare lesioni o uomini a oggetti.
Assicurarsi che lo spostamento o lo smontaggio del tevisore vengano eseguita da personale autorizzato.
Qualora lo spostamento o lo smontaggio del teilevisore vengano eseguita da personale non autorizzato, il teilevisore potrebbe cadere causare lesioni o danni a oggetti. Assicurarsi che due o più personne (tre o più personne per teilevisori a 75 pollici e autres) trasportino o smontino il teilevisore.
Dopo aver completeness il montaggio del teileisore, non rimuovere viti o altri elementi simili.
In caso contrario, il teilevisore potrebbe cadere e provocare lesioni o danni a oggetti.
Non effettuare modifiche sulla staffa di montaggio a parete.
In caso contrario, la staffa di montaggio a parete potrebbe cadere e provocare lesions o danni a oggetti.
Non montare prodotti diversi da quelli specificati.
Questa staffa di montaggio a parete è progettata per essere utilizzata escludamente con il prodotto specificato. Se viene montato un prodotto diverso da quello specificato, quello potrebbe cadere o rompersi causando lesioni o danni a oggetti.
Non collocare altri oggetti diversi dal tevisore sulla staffa di montaggio a parete.
Non scuotere il tevisore. verso destra/sinistra o verso I'alto/il basso.
In caso contrario, il teilevisore potrebbe cadere e provocare lesioni o danni a oggetti.
Non appoggiarsi né aggrapparsi al tevisore.
Non appoggiarsi né aggravarsi al teilevisore perché potrebbe cadere e causare lesioni gravi.
ATTENZIONE
In caso di inoservanza delle seguenti precauzioni, potrebbero verificarsi lesioni o danni oggetti.
Non esercitare una pressione eccessiva sul prodotto durante le operazioni di pulizia o manutenzione.
Non applicare una forza eccessiva sulla parte superiore del teilevisore. In caso contrario, il teilevisore potrebbe cadere e provocare lesioni o danni o oggetti.
Precauzioni
- Se si utilizes il tevisore installato sulla staffa di montaggio a parete per un tempo prolongato, è possible che laparet dietro o sopra il tevisore si scolorisca o che la carta da parati si stacchi, a seconda del materiale di cui è costituita laparete.
- Se la staffa di montaggio a parete viene rimossa dopo essere stata installata sulla parete, i fori delle viti rimangono.
Non utilizzato la staffa di montaggio a parete in luoghi soggetti a vibrazioni meccaniche.
Installazione della staffa di montaggio a parete
Informazioni per i rivenditori Sony
AVVERTENZA
Le seguenti istruzioni si rivolgo escludamente ai rivenditori Sony. Accertarsi di leggere le precauzioni per la sicurezza descritte in precedenza e prestare particolare attenzione alla sicurezza durante le operazioni di installazione, manutenzione e controllo del prodotto.
Non installare la staffa di montaggio a parete su un muro dove gli angoli o i lati del teilevisore sporgono alla superficie del muro stesso.
Non installare la staffa di montaggio a parete su un pilastro se gli angoli o i lati del teilevisore sporgono alla superficie del pilastro stesso. Se una persona o un oggettode vovessero urtare la parte sporgente del teilevisore, potrebbero verificarsi lesioni o danni a oggetti.

Non installare il teilevisore sopra o sotto un condizionatore d'aria.
Se il tevisore rimane esposto a perdite d'acqua o correnti d'aria provenienti da un condizionatore per lungo tempo, potrebbero verificarsi incendi, scosse elettriche o malfunzionamenti del tevisore.
Accertarsi di installare saldamente la staffa di montaggio a parete rispetto le istruzioni contenate in quello manuale.
Se una o più viti dovessero apparire allentate o dovessero cadere, la staffa di montaggio a parete potrebbe cadere a sua volta, causando lesioni a personne o danni a oggetti. Assicurarsi di utilizzato le viti appropriate al materiale di cui è costituita la parete e installare il prodotto saldamente utilizzato almeno quattro viti con diametro di 8 mm (o equivalenti).

Accertarsi di utilizzato correttamente le viti e gli altri materiali per l'installazione in dotazione rispettoando le istruzioni contenate in questo manuale di istruzioni. Se si utilizzato alti materiali, il tevisore potrebbe cadere e causare lesioni a personne o uomini al tevisore stesso.
Accertarsi di montare correttamente la staffa rispetto la procedura spiegata nel presente manuale di istruzioni.
Se una o più viti dovessero apparire allentate o dovessero cadere, il tevisore potrebbe cadere e causare lesioni a persono o danni al tevisore stesso.
Accertarsi di serrare saldamente le viti nella posizione individata.
In caso contrario, il tevisore potrebbe cadere e causare lesioni a persona o danni al tevisore stesso.
Evitare che il teilevisore subisca urti durante I'installazione.
Se il teilevisore subisce urti, potrebbe cadere o rompersi. Ciò potrebbe causare lesionsi.
Accertarsi di installare il televisore su una parete perpendiculare e piana.
In caso contrario, il teilevisore potrebbe cadere e provocare lesions.
Dopo aver completeness I'installazione del teilevisore, fissare correttamente i cavi.
Qualora persono oggetti dovessero rimanere impigliati nei cavi, ciò potrebbe causare lesioni o dati al tevisore.
Non permettere al cavo di alimentazione, oppure ad altri cavi di collegamento con le periferiche, di essere schiacciati e/o incastrati.
Se il cavo di alimentazione o altri cavi di collegamento con le periferiche rimangono schiacciati e/o incastrati tra il prodotto e la parete oppure vengono piegati o attorcigliati forzamente, è possibile che i conduitori interni restino scoperti, provocando cortocircuiti o rotture dei cavi stessi. Ciò potrebbe causare incendi o scosse elettriche.

Le viti necessarie per l'installazione a parete della staffa di montaggio non sono fornite in dotazione.
Per montare la staffa di montaggio a parete, utilizzare le viti appropriate per il materiale di cui è composta la parete.
Indice
Preparazione per l'installazione 5
Controllodegli elementi. 5
Scelta della posizione di installmente 6
Installation della base sulla parete. 8
Preparazione per l'installazione del teilevisore. 9
KD-75XG80□□ 9
KD-65XG81□□/65XG80□□ 10
KD-55XG81□□/55XG80□□ 11
KD-49XG81□/49XG80□/43XG81□/43XG80□
Installazione del teilevisore a parete 14
KD-75XG80□□ 14
KD-65XG81□□ / 65XG80□□ / 55XG81□□ / 55XG80□□ / 49XG81□□ / 49XG80□□ / 43XG81□□ / 43XG80□□
Altre informazioni 19
Caratteristiche tecniche. 19
Installazione del teilevisore a parete
La procedura di installazione cambia a seconda del tevisore da INSTALLARE. Utilizzare la staffa di montaggio a parete SU-WL450 per installare il tevisore alla parete.
Nota
- Se il supporto da ravolo è fissato al teilevisore, per prima casa è necessario rimuoverlo. Consultare la Guida di installatione se seguire i passaggi in ordine inverso per staccare il supporto da ravolo.
- Posizione are il tevisore con lo schermo rivolto verso il basso su una superficie piana e stabile coperta con un panno spesso e morbido, quando si fissano gli elementi di fissaggio per la staffa di montaggio a parete o si rimuove il supporto da davolo dal tevisore al fine di evitare danni alla superficie dello schermo LCD.
- Assicurarsi di conservare le viti rimosse in un luogo sicuro, lontano alla portata dei bambini.
Preparazione per l'installazione
- Tenere la guida di riferimento e la guida di installatione del tevisore a portata di mano prima dell'infallazione.
- Accertarsi di averare a disposizione un cacciavite a stella adeguato alle viti prima di procedere con l'installazione.
- Controllare la posizione di installmente del teilevisore.
- Prepare almeno quattro viti con diametro di 8 mm e una vite con diametro di 5 mm o equivalenti (non in dotazione). Scegliere viti adatte al materiale di cui è composta la parete.
Controllo degli elementi
In dotazione con SU-WL450
- Verificare che tutti gli elementi necessari siano inclusi.
| A Base (20) (1) B Gancio (2) | |
| © PSW 6x20 (4) © PSW 4x20 con boccola (2) | |
| E Distanziale (20) (2) | F Cinghia (1) |
| G Boccola (20) (M4) (2) | H PSW 4x20 (2) |
| I Adattatore della base (2) | J PSW 4x10 (8) |
| K Distanziale (60) (2) | L PSW 6x50 (2) |
| M Boccola (M4) (2) N PSW 4x50 (2) | |
Scelta della posizione di installmente
1 Scegliere la posizione di installmente.
Assicurarsi che la parete abbia abbastanza spazio per il tevisore e sua in grado di sostener un peso pari almeno a quattro volte quello del tevisore.
Consultare la segunte tabella sull'installazione del tevisore alla parete. Consultare la Guida di riferimento del tevisore per conoscere il suo peso.

Punto centrale dello schermo
Unità: mm
| Nome delmodello | Dimensioni del display | Dimensione centrale dello schermo | Lunghezza per il montaggio | |||
| a | b | c | d | e | ||
| Montaggio standard | Montaggio sottile | |||||
| KD-75XG80□□ | 1.686 | 970 | 202 | 690 | 142 | 100 |
| KD-65XG81□□ | 1.463 | 845 | 173 | 597 | 142 | 100 |
| KD-65XG80□□ | 1.463 | 845 | 173 | 597 | 142 | 100 |
| KD-55XG81□□ | 1.241 | 721 | 95 | 460 | 141 | 100 |
| KD-55XG80□□ | 1.241 | 721 | 95 | 460 | 141 | 100 |
| KD-49XG81□□ | 1.101 | 645 | -15* | 314 | 119 | 78 |
| KD-49XG80□□ | 1.101 | 645 | -15* | 314 | 119 | 78 |
| KD-43XG81□□ | 970 | 570 | 23 | 315 | 119 | |
| KD-43XG80□□ | 970 | 570 | 23 | 315 | 119 | |
- La staffa va posizionata sotto il punto centrale dello schermo.
Nota
- I numero nella tabella potrebbero variate leggermente a seconda dell'installazione.
- Quando il tevisore è installato alla parete, la parte superiore del tevisore sporge leggermente in avanti.
Accertarsi di lasciare uno spazio libero adeguato tra il tevisore e il soffitto e le parti sporgenti della parete, come illustrato molto.
Unità: mm

Per garantire un'adeguata ventilazione ed evitare la raccolta di sporco o polvere:
Non posare il tevisore piatto, ne installario in posizione capovolta, girato all'indietro o lateralmente.
Non posizionare il tevisore su uno scaffale, un tappeto, un fatto o nella armadio.
Non coprire il televisore con tessuti od oggetti, come per esempio tende, giornali e simili.
Non installare il tevisore nel modo individato di seguito.
Circolazione dell'aria bloccata.

Nota
- Se si intende far passare i cavi attraverso la parete, effettuare un foro nella parete per inserire i cavi prima di iniziare l'installazione.
Per evitare che i cavi rimangano incastrati,
posizione are il foro nella parete in modo che si trovi
all'esterno del perimetro della base (20) A,
adattatore della base 1 e del distanziale (20) E, del
distanziale (60) K.
2 Selezionare lo stile di montaggio a parete. La distanza del retro del teile sere alla parete è selezionabile come molto除去.
2-a Montaggio standard 2-b Montaggio sotty
Consultare la tabella del passaggio 1.
AVVERTENZA
- Con il montaggio 2-b, l'accesso al terminale posteriori e limitato.


3 Consultare la tabella segunte sulla posizione di montaggio dell'adattatore della base. In caso si selezioni 2-b, saltare esta fase.
| Nome del modello | Posizione dei ganci |
| KD-75XG80□□KD-65XG81□□KD-65XG80□□ | b |
| KD-55XG81□□KD-55XG80□□KD-49XG81□□KD-49XG80□□ | c |
| KD-43XG81□□KD-43XG80□□ | d |

Fissare l'adattatore della base ①utilizzando la vite (PSW 4x10) ②alla base (20) A se si selezione 2-a.

4 Decidere le posizioni delle viti per l'installazione della base (20) A.
Consultare le caratteristiche tecniche a pagina 19. Se si selezione 2-a,utilizzare le posizioni dei fori dell'adattatore della base ①
AVVERTENZA
-
La parete su cui verrà montato il teilevisore deve essere in grado di sostenere un peso almeno quattro volte superiore a quello del teilevisore (Consultare la Guida di riferimento del teilevisore per verificarne il peso).
-
Verificare la robustezza della parete su cui sare montato il teilevisore. Se necessario, rinforzare la parete.
Installazione della base sulla parete
- Utilizzare almeno quattro viti con diametro di 8 mm o equivalenti (non in dotazione).
- Fissare quattro viti nei fori dell'adattatore della base ① Con base (20) A (solo 2-a).
- Installare la base (20) © sulla parete orizzontalmente.


Preparazione per l'installazione del teilevisore
Per l'installazione del supporto,fare riferimento alla guida di installazione.
KD-75XG80□□
1 Contrassegnare la posizione di installazione sulla parete.
Utilizzare nastro adesivo, ecc. (non in dotazione) per contrassegnare la posizione del tevisore accanto alla base o all'adattatore della base. Fare riferimento alla seguente tabella.

Unità: mm
| Nome delmodello | Lunghezza percontrassegno | Dimensionecentrale delloschermo | ||
| a | b | c | d | |
KD-75XG80□□ 1.686564150202
2 Fissare gli elementi di fissaggio per la staffa di montaggio a parete. Controllare gli elementi di fissaggio consultando la sezione "In dotazione con SU-WL450" sotto "Controllo degli elementi" a pagina 5.
Nota
Fissare saldamente gli elementi di fissaggio usando le viti.
- Se si utilizes un cacciavite elettrico, la coppia devessearsi a circa 1,5 N·m{15 kgf·cm}.
Assicurarsi di conservare le parti utilizzate o inutilizzate in un luogo sicuro per un utilizzo futuro. Conservare il presente manuale per riferimenti futuri.

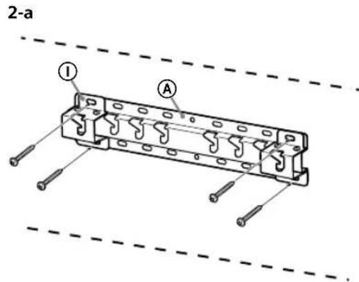
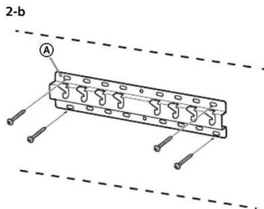
Montaggio standard (2-a)
Montaggio sottile (2-b)
Nota
- Non è possibile utilizzare alcuni dei terminali presenti sulla parte posteriori del teilevisore quando si utilizes lo stato stile di montaggio.


3 Collegare i(I) cavi(o) necessari(o) al tevisore.
Accertarsi di collegare i cavi prima di installare il teilevisore sulla parete. Non sarei più possibile collegare i cavi dopo l'infallazione del teilevisore. Consultare la Guida di riferimento in dotazione con il teilevisore.
Nota
- Far eseguire la posa dei cavi nella parete a un installatore autorizzato.
Raggruppare i cavi di collegamento per evitare di calpestarli prima del montaggio a parete.
4 Rimuovere il supporto da ravolo dal teilevisore.
- Rimuovere un lato del supporto da tavolo alla volta. Tenere saldamente il supporto da tavolo con entrambe le mani nelle le altre persone sollevano il teilevisore.

Ripetere i passaggi precedenti e rimuovere l'altro lato del supporto da tavolo.
Nota
Per rimuovere il supporto da ravolo sono necessarie due o più personne.
- Prestare attenzione a non esercitare eccessiva forza durante la rimozione del supporto da ravolo dal teilevisore poiché il teilevisore potrebbe cadere e causare lesioni o danni materiali al teilevisore.
- Prestare attenzione durante la manipolazione del supporto da tavolo per evitare danni al teilevisore.
- Fare attenzione quando si solleva il teilevisore nelle si stacca il supporto da ravolo, quello potrebbe rovesciarsi e causare lesioni personali.
- Fare attenzione quando si rimuove il supporto da tavolo dal teilevisore per evitare che cada e danneggi la superficie su cui si trovale il teilevisore.
KD-65XG81□□/65XG80□□
1 Fissare gli elementi di fissaggio per la staffa di montaggio a parete. Controllare gli elementi di fissaggio consultando la sezione "In dotazione con SU-WL450" sotto "Controllo degli elementi" a pagina 5.
Note
- Fissare saldamente gli elementi di fissaggio usando le viti.
- Se si utilizes un cacciavite elettrico, la copbia deve essere parla circa 1,5 N·m{15 kgf·cm}.
Assicurarsi di conservare le parti utilizzate o inutilizzate in un luogo sicuro per un utilizzo futuro. Conservare il presente manuale per riferimenti futuri.

Montaggio standard (2-a)
Montaggio sottle (2-b)
Nota
- Non è possibile utilizzare alcuni dei terminali presenti sulla parte posteriori del teilevisore quando si utilizes甚么 stile di montaggio.


2 Collegare i(I) cavi(o) necessari(o) al tevisore.
Accertarsi di collegare i cavi prima di installare il tevisore sulla parete. Non sare più possibile collegare i cavi dopo l'infallazione del tevisore. Consultare la Guida di riferimento in dotazione con il tevisore.
Nota
Far eseguire la posa dei cavi nella parete a un installatore autorizzato.
Raggruppare i cavi di collegamento per evitare di calpestarli prima del montaggio a parete.
3 Rimuovere il supporto da ravolo dal teilevisore.
- Rimuovere un lato del supporto da tavolo alla volta. Tenere saldamente il supporto da tavolo con entrambe le mani nelle le altre persone sollevano il teilevisore.

Ripetere i passaggi precedenti e rimuovere l'alto lato del supporto da tavolo.
Nota
Per rimuovere il supporto da ravolo sono necessarie due o più personne.
- Prestare attenzione a non esercitare eccessiva forza durante la rimozione del supporto da tavolo dal teilevisore poiché il teilevisore potrebbe cadere e causare lesioni o danni materiali al teilevisore.
- Prestare attenzione durante la manipolazione del supporto da tavolo per evitare danni al tevisore.
- Fare attenzione quando si solleva il teilevisore nelle si stacca il supporto da tavolo, quello potrebbe rovesciarsi e causare lesioni personali.
- Fare attenzione quando si rimuove il supporto da tavolo dal teilevisore per evitare che cada e danneggi la superficie su cui si trovale il teilevisore.
KD-55XG81□□/55XG80□□
1 Fissare gli elementi di fissaggio per la staffa di montaggio a parete. Controllare gli elementi di fissaggio consultando la sezione "In dotazione con SU-WL450" sotto "Controllo degli elementi" a pagina 5.
Note
- Fissare saldamente gli elementi di fissaggio usando le viti.
Se siutilizza un cacciavite elettrico,la coppiadeveserepartiacirca1,5N·m{15kgf·cm}. - Assicurarsi di conservare le parti utilizzate o inutilizzate in un luogo sicuro per un utilizzo futuro. Conservare il presente manuale per riferimenti futuri.

Montaggio standard (2-a)
Montaggio sottile (2-b)
Nota
- Non è possibile utilizzato alcuni dei terminali presenti sulla parte posteriore del teilevisore quando si utilizes甚么 stile di montaggio.


2 Collegare i(I) cavi(o) necessari(o) al tevisore.
Accertarsi di collegare i cavi prima di installare il tevisore sulla parete. Non sare più possibile collegare i cavi dopo l'infallazione del tevisore. Consultare la Guida di riferimento in dotazione con il tevisore.
Nota
Far eseguire la posa dei cavi nella parete a un installatore autorizzato.
Raggruppare i cavi di collegamento per evitare di calpestarli prima del montaggio a parete.
3 Rimuovere il supporto da ravolo dal teilevisore.

Nota
- Fare attenzione quando si solleva il teilevisore nelle si stacca il supporto da davolo, quello potrebberovesciarsi e causare lesioni personali.
- Fare attenzione quando si rimuove il supporto da tavolo dal teilevisore per evitare che cada e danneggi la superficie su cui si trova il teilevisore.
KD-49XG81□□/
49XG80□□ / 43XG81□□ /
43XG80□□
1 Rimuovere il supporto da ravolo dal tevisore.

Nota
- Per evitare di danneggiare la superficie dello schermo, assicurarsi di posare il teileisure su di un panno morbido.
- Durante l'installazione della staffa di montaggio a parete, non usare le viti rimosse dal supporto da tavolo.
- Accertarsi di riporre il supporto da ravolo e le viti daesso rimosse in un luogo sicuro, lontano alla portata dei bambini. Serviranno qualora si voglia usare iltelevisore su di un ravolo. Il supporto da ravolo nonpou essere acquistato separatamente.
AVVERTENZA
- Assicurarsi che il teilevisore sia in posizione verticale prima di accenderlo. Per evitare irregularità nell'uniformità delle immagini, il teilevisore non deve essere accesso se lo schermo LCD risulta rivolto in basso.
- Se la superficie del teilevisore viene sottoposta a pressione eccessiva o ad urti, il teilevisore potrebberompersi o danneggiarsi.
- Appoggiare il teilevisore, con lo schermo rivolto verso il basso, su una superficie piana e stabile, in modo che il supporto da ravolo sporga altre la superficie. La disposizione dello schermo e della base del supporto da ravolo su uno stesso livllo può provocare condizioni di lavoro instabili e danneggiare l'unità.
- Durante la rimozione del supporto da tavolo dal teilevisore, tenere il supporto da tavolo saldamente con entrambé le mani.
2 Fissare gli elementi di fissaggio per la staffa di montaggio a parete. Controllare gli elementi di fissaggio consultando la sezione "In dotazione con SU-WL450" sotto "Controllo degli elementi" a pagina 5.
Note
Fissare saldamente gli elementi di fissaggio usando le viti.
Se siutilizza un cacciavite elettrico, la copbia devesse parracirca 1,5 N-m{15 kgf·cm}.
Assicurarsi di conservare le parti utilizzate o inutilizzate in un luogo sicuro per un utilizzo futuro. Conservare il presente manuale per riferimenti futuri.
Montaggio standard (2-a)

Vite
Montaggio sottle (2-b)
Nota
- Non è possibile utilizzare alcuni dei terminali presenti sulla parte posteriori del teilevisore quando si utilizes lo stato stile di montaggio.


Vite
3 Collegare i(I) cavi(o) necessari(o) al tevisore.
Accertarsi di collegare i cavi prima di installare il teilevisore sulla parete. Non sare più possibile collegare i cavi dopo l'infallazione del teilevisore. Consultare la Guida di riferimento in dotazione con il teilevisore.
Nota
Far eseguire la posa dei cavi nella parete a un installatore autorizzato.
Raggruppare i cavi di collegamento per evitare di calpestarli prima del montaggio a parete.
Installazione del teilevisore a parete
KD-75XG80□□
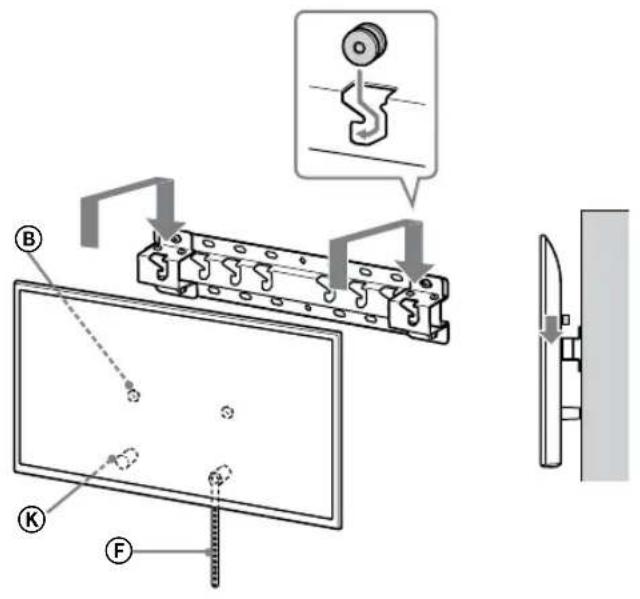
1 Sollevare il tevisore.
- Per quanto riguarda la posizione dei ganci (B) da fissare alla base o all'adattatore della base,fare riferimento alla tabella del passaggio 3 in "Scelta della posizione di installmenta" a pagina 7.
- Assicurarsi che la parte posteriore del teilevisore sia a contatto con la base o l'adattatore della base quando si tiene il teilevisore.
Nota
- Tenere saldamente il tevisore con entrambhe le mani e assicurarsi che la cinghia e la parte inferiore del tevisore siano allineati al nastro adesivo.
- Trasportare il teilevisore con tre persone e la persona che si trova davanti al teilevisore conducce gli altri a regolare la posizione.

- Prestare molto attenzione quando si installa il teilevisore a parete, in particolare per la persona che sostiene il teilevisore dal basso. I teilevisore potrebbe cadere causando gravi lesioni personali o addirittura la morte.

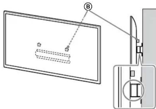
2 Installare il teileisore sulla base o sull'adattatore della base.
- Far scorrere delicatamente verso il basso il televisione e agganciare i ganci 8 posizionati sul retro del televisione alla base o all'adattatore della base, accertandosi di controllare la forma dei fori.
- Dopo l'installazione del teilevisore alla parete, verificare che i ganci ⑧ siano fissati saldamente alla base o all'adattatore della base.
- Rilasciare entrambe le mani lentamente per assicurarsi che il teilevisore non cada.

- Dopo aver installato il teilevisore a parete, rimuovere il nastro adesivo, ecc. alla parete.





AVVERTENZA
- Assicurarsi che due o più personne (tre o più personne per teilevisori a 75 pollici e autres) mantengano il teilevisore durante il trasporto.

3 Evitare che il fondo del teilevisore si sposti.
- Sollevare la cinghia e fissarla saldamente alla parete.


- Utilizzare una vite con diametro di 5 mm o equivalente (non in dotazione).
Nota
- Tirare delicatamente il fondo del teilevisore verso di se per verificare che il teilevisore non si possa muovere. Se il teilevisore si muove, significa che non è stato fissato correttamente ed è necessario fissare nuovamente la cinghia in modo saldo.
KD-65XG81□□/
65XG80□□ / 55XG81□□ /
55XG80□□ / 49XG81□□ /
49XG80□□ / 43XG81□□ /
43XG80□□
1 Sollevare il tevisore.
Per quanto riguarda la posizione dei ganci (B) da fissare alla base o all'adattatore della base,fare riferimento alla tabella del passaggio 3 in "Scelta della posizione di installmenta" a pagina 7.
- Assicurarsi che la parte posteriore del teilevisore sia a contatto con la base o l'adattatore della base quando si tiene il teilevisore.

Nota
- Tenere saldamente il tevisore con entrambé le mani.
2 Installare il tevisore sulla base o sull'adattatore della base.
- Far scorrere delicatamente verso il basso il televisione e agganciare i ganci (B) posizionati sul retro del televisione alla base o all'adattatore della base, accertandosi di controllare la forma dei fori.
- Dopo l'installazione del tevisore alla parete, verificare che i ganci ⑧ siano fissati saldamente alla base o all'adattatore della base.
- Rilasciare entrambe le mani lentamente per assicurarsi che il teilevisore non cada.


2-a

2-b

↓

↓
AVVERTENZA
- Assicurarsi che due o più personne (tre o più personne per teilevisori a 75 pollici e autres) mantengano il teilevisore durante il trasporto.

3 Evitare che il fondo del televisore si sposti.
- Sollevare la cinghia (F) e fissarla saldamente alla parete.


- Utilizzare una vite con diametro di 5 mm o equivalente (non in dotazione).
Nota
- Tirare delicatamente il fondo del teilevisore verso di se per verificare che il teilevisore non si possa muovere. Se il teilevisore si muove, significica che non è stato fissato correttamente ed è necessario fissare nuovamente la cinghia in modo saldo.
Controllo finale dopo l'installazione
Verificare quanto segue.
- I ganci ⑧ sono fissati saldamente alla base o all'adattatore della base.
- I cavi non sono attorciagliato incastrati.
- La cinghia (F) è fissata saldamente e non è allentata.
AVVERTENZA
- Un posizionamento non corretto del cavo di alimentazione ecc. può causare corto circuiti e, di conseguenza, incendi o scosse elettriche. Una volta completata l'installazione, accertarsi di verificarne la sicurezza.
Altre informazioni
Per rimuovere il tevisore, atteneri alla procedura di installmente descritta in precedenza, ma in ordine inverso.

AVVERTENZA
- Assicurarsi che due o più personne (tre o più personne per teilevisori a 75 pollici e autres) mantengano il teilevisore durante la rimozione.
Caratteristiche tecniche

Dimensioni: (Circa) [mm]
a:400
b : 300
c:200
d:100
e:80
f : 480
g : 100
h1 : 20 (caso 2-b)
h2:60 (caso 2-a)
Peso (solo base): (Circa) [kg]
0,8
Design e specifiche tecniche sono soggette a modifiche alla preavviso.
- Verificazioni dacà sunt incluse alla tate piesele.
Terno (camo Ha ochobata): (npn6nn3.) [kg] 0,8
Iin3aHbT n CneuNkauNTe noDnEkat Ha npomHa 6e3 npedynpejckdene.
ManualeFacile