S5 150S85 - Lavasciuga industriale Ghibli - Manuale utente e istruzioni gratuiti
Trova gratuitamente il manuale del dispositivo S5 150S85 Ghibli in formato PDF.
Domande frequenti - S5 150S85 Ghibli
Domande degli utenti su S5 150S85 Ghibli
0 domanda su questo apparecchio. Rispondi a quelle che conosci o fai la tua.
Fai una nuova domanda su questo apparecchio
Scarica le istruzioni per il tuo Lavasciuga industriale in formato PDF gratuitamente! Trova il tuo manuale S5 150S85 - Ghibli e riprendi in mano il tuo dispositivo elettronico. In questa pagina sono pubblicati tutti i documenti necessari per l'utilizzo del tuo dispositivo. S5 150S85 del marchio Ghibli.
MANUALE UTENTE S5 150S85 Ghibli
I dati identificativi e la marcatura "CE" della macchina sono posizionati sulla targhetto (1) posta molto il crusotto comandi.
Si consiglia di trascrivere il modello della macchina e il relativivo numero di matricola nella tabella riportata nella pagina seguente.
EN
IDENTIFICATION DATA
(Istruzioni originali)
EN English EN-1
La ringraziamo per aver scelto un nostro prodotto per la pulizia dei loro ambienti.
La lavasciuga pavimenti da lei acquistata è stata progettata per soddisfare l'utilizzatore in termini di semplicità di utilizzo e affidabilità nel tempo.
Noi siamo coscienti che un buon prodotto per restare tale, nel tempo, necessita di continui aggiornamenti mirati a soddisfare le aspettative di chi, quotidianamente, ne fa uso. In tal sense, nei ci auguriamo di averere in lei non solo un cliente soddis fatto maanche un partner che non esita a trasmetterci opinioni e idee derivanti alla personale quotidiana esperienza.
Indice
Dati tecnici 1-3
1.1 - INTRODUZIONE I-5
1.1.a Scopo del manuale 1-5
1.1.b Consultazione del manuale 1-5
1.1.c Legenda symbologia presente nel manuale I-5
1.1.d Terminologia convenzionale 1-5
1.2 - AVVERTENZE GENERALI
1.2.a Qualifica del personale.. 1-5
1.2.b Posizione operatore 1-6
1.2.c Abbigliamento antinfortunistico 1-6
1.2.d Avvertenze generali prima dell'uso .I-6
1.2.e Avvertenze generali durante l'uso della macchina 1-6
1.2.f Avvertenze generali sulle batterie 1-6
1.2.g Avvertenze generali durante la manutenzione 1-6
1.2.h Avvertenze generali in caso di incendio 1-7
1.2.i Fermo prolongato della macchina 1-7
1.3 USO PREVISTO DELLA MACCHINA I-7
1.4 USO NON PREVISTO DELLA MACCHINA I-7
1.4.a Zone con rischio di esplosione 1-7
1.5 DEMOLIZIONE DELLA MACCHINA I-7
1.6 NORMATIVE DI RIFERIMENTO
2.1 DISIMBALLO
2.1.a Dotazione macchina.. 1-8
2.1.b Installazione batterie 1-9
2.1.c Scarico macchina dal bancale in legno 1-10
3.1 ASSEMBLAGGIO COMPONENTI
3.1.a Installazione tergipavimento 1-11
4.1 CARICA DELLA BATTERIA 1-11
6.1.a Comandi pannello .I-14
6.1.b Comandi pedana 1-16
6.1.c Regolazione sedile 1-16
6.1.d Display 1-17
6.1.e Allarmi durante il funzionamento 1-18
6.1.f Emergenza 19
7.1 SICUREZZE I-19
9.1.a Controlli prima dell'uso 1-21
9.1.b Preparazione macchina e scelta ciclo 1-22
9.1.c Uso della macchina 1-23
9.1.d Fine uso e spegnimento 1-24
10.1 SCARICO ACQUA DI RECUPERO 1-25
11.1 MANUTENZIONE E PULIZIA 1-26
11.1.a Svuotamento e pulizia serbatoio acqua pulita. I-26
11.1.b Pulizia serbatoio acqua di recupero 1-27
11.1.c Pulizia terGITore 1-28
11.1.d Pulizia minigonne laterali 1-28
11.1.e Puliziachioacqua pulita 1-29
11.1.f Controllo stato di usura catena sterzo.. 1-29
11.1.g Sostituzione spazzole 1-30
11.1.h Sostituzione gomme terGITore 1-31
11.1.i Sostituzione gomme minigonne laterali I-31
11.1.j Regolazione incidenza terGITore 1-32
11.1.k Controllo stato di usura delle tre ruote 1-32
10.1.1 Sostituzione fusibili.. 1-33
11.1.m Configurazione caricabatterie.. 1-34
| 150 S 85 150 S 100 | ||
| Tipodi guida Operatore a bordo | ||
| Caratteristiche | ||
| Funzionamento Batterie | ||
| Tipodi batterie N° 6 - 6V - 240Ah | (C5) | |
| Alimentazione Batteria 36V | ||
| Potenza installata 2200 W 2500 W | ||
| Avanzamento Trazione avanti / indietro | ||
| Larghezza pista lavaggio 850 mm | 1000 mm | |
| Larghezza di aspirazione 1100 mm | 1300 mm | |
| Resa oraria teorica 5000 m | 2/h 6000 m | 2/h |
| Vibrazione sistematicano-braccio | 2.03 m/s2 | |
| Vibrazione corso intero 0.63 m/s | 2 | |
| Pressione sonora 68 db(A) | ||
| Incertezza KpA 0.75 dB (A) | ||
| Spazzole | ||
| Diametro / pad / numero | 440 mm / 17" x 2 | 508 mm / 20' x 2 |
| Potenza motore / numero 350 W x 2 | 500 W x 2 | |
| Velocità motore | 165 giri / min. | |
| Pressione specifica | 42 gr / cm2 | |
| Trazione | ||
| Pendenza massima superabile a pieno carico | 16 % | |
| Potenza motore / numero | 900 W | |
| Velocità massima avanzamento in lavoro | 6 km/h | |
| Aspirazione | ||
| Potenza motore 610 W | ||
| Depressioni colonna acqua) | 165 / 1700 mbar / mmH2O | |
| Portata d'aria | 32 l / sec | |
| 150 S 85 150 S 100 | ||
| Serbatoio | ||
| Tipologia Doppio serbatoio | ||
| Riciclo No | ||
| Capacità soluzione 150 l | ||
| Capacità recupero 160 l | ||
| Dimensioni 1570 x 900 x 1080 mm | 1570 x 1100 x 1180 | |
| Peso | ||
| Peso a vuoto 255 Kg 270 Kg | ||
| Peso con batterie 555 Kg 570 Kg | ||
| Peso in ordine di marcia 780 Kg 795 Kg | ||
1.1 - INTRODUZIONE
Il presente manuale costituisce parte integrante della macchina stessa; delve essere pertanto conservato con cura in un luogo sicuro e accessibile a tutti gli utilizzatori (operatori e personale addetto alla manutenzione) per tutte la vita della macchina fino alla demolizione.
1.1.a - Scopo del manuale
Lo scopo del manuale è di fornire le istruzioni necessarie per la messa in servizio, l'uso e la manutenzione della macchina alla quale è allegato.
Si raccomanda una attentalettura delleistruzioni e una scrupolosa osservanza delle normede sicurezza descritte nel manuale.
La mancata osservanza di tali istruzioni/norme potrebbe causare danni alla macchina e all'opereatore e in nessun caso potranno essere imputati al costruttore.
Leindicazioni di sicurezza descritte nel manuale integrano e NON SOSTITUISCONO lenorme in vigore nel paese diutilizzo della macchina.
1.1.b - Consultazione del manuale
Il manuale è suddiviso in capitoli secondo un ordine logico di conoscenza ed impiego della macchina.
Per facilitare la ricerca, consultare prima l'IN-DICE riportato all'inizio del manuale.
1.1.c - Legenda symbologia presente nel manuale
Per evidenziarere informazioni e procedure relative alla sicurezza, manutenzione, ecc., nel manuale sono stati adottati i seguenti symboli:

PERICOLO:
Avverte di un serio pericolo,anche mortale,per l'incomitadell'operaTor e/o terze persone.

AVVERTENZA:
Informazioni di estrema importanta atte ad evitare seri danni alla macchina e all'ambiente in cui opera.

NOTA:
Informazioni aggintive per il corretto funzionamento della macchina o di carattere generale.
1.1.d - Terminologia convenzionale
Leindicazioni anteriore,posteriori,avanti indietro superiore, inferiore sinistro e destro sono riferite con l'operaore seduto in posizione di guida con le mani sul manubrio.
Per splificare, il nome commerciale del modello è stato sostituito con "Macchina".
1.2 - AVVERTENZE GENERALI
Prima della messa in servizio, l'uso e la manutenzione della macchina è necessario che gli addetti (responsabili e operatori) siano istruiti sulle procedure operative e norme di sicurezza riportate nel presente manuale.
Rispettare tutte le prescrizioni contenate nel manuale e nella eventuale documentazione allegata.

PERICOLO:
E vietato l'uso della macchina a personale non addestrato, bambini e portatori di handicap.
1.2.a - Qualifica del personale
Operatore
Per operatore si intende un personale generico in grado di svolgere le semplici operazioni di conduzione della macchina e le relative operazioni di pulizia a fine torno di lavoro.
Manutentore elettrico/meccanico
Tecnico qualificato a operare sulla macchina per eseguire operazioni di riparazione o sostituzione di parti che necessitano la rimozione dei carter di protezione.
1.2.b - Posizione operatore
L'opereatore, durante l'uso della macchina è seduto sulla sella con le mani sul manubrio.
1.2.c - Abbigliamento antinfortunistico
- Utilizzare abbigliamento antinfortunistico come individato dalle norme in vigore nel paese di utilizzo della macchina.
1.2.d - Avvertenze generali prima dell'uso
- Controllare, prima dell'uso della macchina, che le protezioni di sicurezza fisse (carter) siano sempre nella loro sede correttamente fissate.
1.2.e - Avvertenze generali durante l'uso della macchina
- Se la macchina emette rumori strani arrestarla immediatamente e individuare la causa.
- NON abbandonare la macchina su superfici inclinate superiori al 16% .
- La pendenza massima superabile a vuoto è del 16% .
- É assolutamente vietato curvare in rampa; pericolò di ribaltamento.
- Durante l'uso della macchina evitare di urtare scaffalature o armadi.
- Evitare di utilizzato la macchina in ambienti con rischio di caduta oggetti.
- É vietato utilizzato la macchina all'aperto e su strade pubbliche.
- Utilizzare la macchina, se possibile, in ambienti liberi da persone; in presenza di persone estranee avvisare le stesse di allontanarsi prima di utilizzato la macchina.
- Non utilizzato la macchina in ambienti con presenza di sostanze corrosive o salmastre.
Nonutilizzare la macchina in ambienti esplosivi (ATEX).
1.2.f - Avvertenze generali sulle batterie
- L'acido della batteria è corrosivo: in caso di contatto con la pelle sciacquare abbondamente con acqua.
- Indossare adeguati mezzi di protezione individuale per evitare il contatto con la pelle (vedi norme in vigore nel paese di utilizzo della macchina).
- Non inalare il vapore: è pericoloso.
- Caricando la batteria si potrebbero formare miscele di gas esplovec, pertanto i locali in cui la batteria è caricata devono essere ben ventilati e conformi alle norme specifiche in materia.
- E' vietato fumare e/o utilizzato fiamme libere nel raggio di 2 metri alla batteria durante la carica, nell'rea di ricarica, e durante il raffreddamento della stessa dopo la ricarica.
- Segnalare eventuali perdite di liquido della batteria:
Sono pericolose ed altoamente inquinanti.
1.2.g - Avvertenze generali durante la manutenzione
- Scollegare le batterie / cavo elettrico, prima di effettuare operazioni di manutenzione o di riparazione.
- Non appoggiare utensili ed oggetti metallici sopra le batterie; pericolo di cortocircuiti.
- Nelle operazioni di pulizia e di lavaggio non usare detergenti aggressivi, acidi, liscivie, ecc. e prestare particolare attenzione alle parti elettriche.
- Non lavare la macchina con getti di acqua diretti o a pressione.
- Quando si deve sollevare la macchina per eventuali operazioni di manutenzione è necessario lavorare in sicurezzagettendo molto la stessa dei sostegni fissi.
- Rivolgersi a un centro di assistenza autorizzato per le operazioni di riparazione e richiedere solamente ricambi ORIGINALI.
1.2.h - Avvertenze generali in caso di incendio
- In caso di incendio utilizzato solo estin-tori a polvere omologati; NON utilizzato acqua per spegnere l'incendio.
1.2.i - Fermo prolongato della machine
- Riporre la macchina al coperto al riparo degli agenti atmospherici in un luogo dove la temperature sa ia compresa tra 5^ C e +40^ C .
- Rimuovere la chiave di avviamento.
- Scaricare l'acqua pulita contentuta nel serbatoio.
- Eseguire la ricarica delle batterie e una volta cariche scollegarle alla stessa.
- Una volta al mese effettuare la ricarica delle batterie.
1.3 - USO PREVISTO DELLA MACCHINA
La macchina è stata progettata e costruita solamente per il lavaggio e asciugatura di pavimenti al coperto.

PERICOLO:
Qualsiasi suo utilizzo solleva il costrutto re da responsabilità per anni a persone e/o cose e fa decadere qualsiasi condizione di garanzia.
1.4 - USO NON PREVISTODELLA MACCHINA

AVVERTENZA:
La macchina non è destinata a funzionare all'aperto.

PERICOLO:
- Non lavare pavimenti con acqua superiore a 50^
-
Non utilizzato gasolio/benzine o detergenti corrosivi per il lavaggio di pavimenti;
Non lavare e aspirare liquidi corrosivi, inflammabili, esplosivi anche se diluiti; -
Non utilizzato la macchina con serba-toio di recupero aperto;
- Non circolare con piedi / gambe a ciondoloni;
- Non effettuare sterzate repentine in particolare in discesa.

AVVERTENZA:
La macchina è abilitata al trasporto di una SOLA persona.
1.4.a - Zone con rischio di esplosione
assolutamente vietato utilizzato la macchina in ambienti con rischio di esplosione dove sono presenti gas, vapori, liquidi e polveri inflammabili ed esplosive.
1.5 - DEMOLIZIONE DELLA MACCHINA
Per la salvaguardia dell'ambiente, procedere alla demolizione della macchina secondo la normativa locale vigente.
Quando l'apparecchio non è più utilizzabile ne riparabile, procedere allo smaltimento differenziato dei componenti.

PERICOLO:
Le batterie sono considerati rifiuti speciali e quindi devo essere smaltite in appositi centri di raccolta come indicato dalle normative in vigore nel paese di utilizzo.
Lo smaltimento inadaguato o abusivo delle apparecchiature oppure un uso improprio delle stesse, in considerazione delle sostenze e dei materiali conteni cui po causare danni alle persone e all'ambiente.
1.6 - NORMATIVE DI RIFERIMENTO
La macchina è stata costruita in conformità alla direttiva macchine in vigore e in conformità alle norme indicate nella dichiarazione "CE" di conformità fornita con la macchina.
2.1 - DISIMBALLO (Fig. 1)
Una volta rimioso l'imballo come indicate o nelle istruzioni riportate sull'imballo stesso, controllare l'integrità della macchina e di tutti i componenti in dotazione.
Se si riscontrano danni evidenti contattare il concessionario di zona e il trasportatore entro 3 giorni dal ricevimento.
- Rimuovere la busta (1) contente gli accessori in dotazione.
2.1.a - Dotazione macchina (Fig. 2)
Gli accessori in dotazione sono i seguenti:
1) Manuale d'uso e manutenzione della macchina.
2) Manuale istruzioni caricabatterie (se presente).
3) N^2 spazzole (montate in macchina).



IT
2.1.b - Installazione batterie (Fig. 3)
- Sollevare il serbatoio di recupero (1) tramite le apposite maniglie (2).
Il serbatoio sare mantenuto in posizione aperta dall'apposita molla a gas (3).
-
Posizione are the batterie come indicato in figura, collegandole come riportato nello schema sottostante, utilizzando i cavi e le spine in dotazione.
-
Collegare la spina (4) delle batterie con la presa (5).
- Abbassare il serbatoio di recupero (1) accompagnandone la discesa.

NOTA:
La connessione delle batterie deve essere eseguita da personale specializzato.

2.1.c - Scarico macchina dal bancale in legno (Figg. 4-5)
- Posizione are uno scivolo (1) e agganciarlo al bancale in legno.
- Rimuovere i blocchi (2) di legno posizionati sulle tre ruote.
- Sedersi sul sedile in posizione di guida.
- Controllare che gli interruptori (3) e (4) siano in posizione "0".
- Sbloccare il freno di stazionamento premendo il fermo (6).
Tenere premuto il freno (5) per evitare spostamenti della macchina.
- Avviare la macchina ruotando la chiave (7) in posizione "I".
- Agire sul selettore di direzione (8) spostandolo su " (marci avanti) o " (retromarcia), quindi premere il pedale dell'acceleratore (9) e scendere dal bancaletramite lo scivolo.



3.1 - ASSEMBLAGGIO COMPONENTI
3.1.a - Installazione tergipavimento (Fig.6)
- Inserire il tergipavimento (1) nella piatra (2) di supporto e fissarlo avvitando i due pomelli (3).
- Collegare il tubo di aspirazione (4) sul bocchettone del tergipavimento.
4.1 - CARICA DELLA BATTERIA

PERICOLO:
Effettuare la carica delle batterie in locali ben areati e conformi alle norme vigenti nel paese di utilizzo.
Per le informazioni relative alla sicurezza atteneri a quanto descritto nel capitolo 1 del presente manuale.

AVVERTENZA:
Per le informazioni e le avvertenze relative alla batteria attenersi a quantoindicato nel manuale del caricabatteria allegato al presente.

AVVERTENZA:
La macchina esce alla fabbrica tarata per il funzionamento con batterie a gel. Se si dovessero installare della batterie ad acido è necessario rivolgersi al Centro di Assistenza per effettuire una nuova taratura. E' vietato utilizzato la macchina con batterie a gel con taratura per batterie ad acido.

NOTA:
Per altre informazioni sulle tarature fare riferimento alle informazioni presenti al paragrafo 11.1.l.

NOTA:
Per la ricarica completa delle batterie sono necessarie 10 ore. Evitare ricariche parziali.

4.1.a - Carica della batteria tramite caricabatterie esterno (Fig. 7)
- Portarsi con la macchina nei pressi della stazione di carica delle batterie.
- Staccare la spina (1) delle batterie alla presa (2) dell'impiano.
- Collegare la spina (1) delle batterie alla presa (3) del caricabatterie esterno.
- Alla fine della ricarica delle batterie ricollegare la spina (1) delle batterie alla presa (2) dell'impiano.


5.1 - CONOSCENZA DELLA MACCHINA (Fig. 8)
1) Volante
2) Cruscotto comandi
3) Sedile
4) Leva regolazione sedile
5) Spina/presa batteria
6) Pedana appoggiapiedi
7) Pedale accelerator
8) Pedale freno
9) Leva freno di stazionamento
10) Girofari
11) Serbatoio acqua di recupero
12) Coperchio serbatoio acqua di recupero
13) Serbatoio acqua pulita
14) Apertura carico acqua pulita
15) Tubo scarico acqua di recupero
16) Tubo aspirazione acqua tergipavimento
17) Tubo scarico acqua pulita
18) Molla a gas
19) Gruppo spazzole
20) Tergipavimento
(21) Minigonne laterali
22) Filtro acqua
23) Ruota direzionale e di trazione
24) Ruote posteriori
25) Luci di lavoro
6.1 - DESCrizIONE COMANDI MACCHINA
6.1.a - Comandi pannello (Fig. 9)

1) Display
- Vedere paragrafo ("Comandi display").
2) Pulsante non utilizzato
3) Interruttore avviamento aspiratore (luminoso) - Il funzionamento dell'aspiratore è abilitato alla chiave (7) in posizione "I".
-
Premendo l'interruttore (3) in posizione "I" si avvia l'aspiratore, sul display si il-lumina il symbolo e, se è insertita la marcia avanti o se la macchina è in folle, il tergipavimento si abbassa.
-
Premendo l'interruttore in posizione "0" l'aspiratore si ferma e il tergipavimento si solleva.
4) Potenziometro regolatore quantità ac-qua - Permette la regolazione della quantità di acqua da erogare.
- Ruotato in senso orario augenta gradualmente l'erogazione dell'acqua, ruotato in senso antiorario, la diminuisce.
- L'erogazione dell'acqua si attiva solo con macchina in movimento in marcia avanti.
IT
5) Spia freno di stazionamento inserto (luminosa)
- Il funzionamento della spia è abilitato dalla chiave (7) in posizione "I".
- La spia si illumina se il freno di stazionamento è inserito.
6) Interruttore spazzole (ON/OFF)
- Il funzionamento delle spazzole è abilitato alla chiave (7) in posizione "I".
- Premendo l'interruttore (6) in posizione "I" si abbassa il gruppo spazzole; sul display si illumina il symbolo
- Le spazzole iniziano a ruotare quando la macchina si muove in avanti o indietro e si fermano quando la macchina si ferma.
- Premendo l'interruttore in posizione "0" le spazzole si fermano, il gruppo si solleva e si spegne il symbolo sul display.
7) Chiave avviamento
- Ruotata in senso orario "I" inserisce tensione ai circuitiabilitando il funzionamento della macchina.
- Ruotata in senso antiorario "0" toglie tensione ai circuiti ed è in posizione di estrazione.
8) Selettore di direzione
- Predispone il funzionamento della machine.
- Portando il selettore in avanti " la macchina proceeds con marcia avanti, portando il selettore indietro la macchina proceeds in retromarcia e si inserisce il cicalino di retromarcia; lasciendo il selettore in posizione centrale "0" la macchina resta in folle.
(9) Pulsante avvisatore acustico
- Premendo il pulsante, l'avvisatore acustico suona.
- Il suo funzionamento èabilitato alla chiave (7) in posizione "I".
10) Interruttore girofaro
- Premuto, con chiave (7) in posizione "I", aziona i girofari.
11) Interruttore luci di lavoro
- Premuto, con chiave (7) in posizione "I", aziona le luci di lavoro.
12) Presa 12V (1A)
- Presa di servizio 12V (1A).
- Il funzionamento della presa di servizio è abilitato alla chiave (7) in posizione "I".
6.1.b - Comandi pedana (Fig. 10)
Pedale freno (1)
- Premendo il pedale freno (1) la macchina rallenta la sua corsa fino a fermarsi.
Leva freno di stazionamento (2)
- Il freno di stazionamento deve essere azionato agli qualvolta l'opereatore scende alla macchina.
- Per abilitare la leva freno stazionamento premere il pedale freno (1).
- Per disinserire il freno di stazionamento premere la levetta (2).
Pedale accelerator (3)
- Premendo il pedale acceleratore, la macchina si muove in avanti o indietro, a seconda di come è posizionato il selettore di direzione.
6.1.c - Regolazione sedile (Fig. 10)

AVVERTENZA:
La regolazione del sedile deve essere effettuata a macchina ferma.
- Il sedile cui ose regolato longitudinalmente:
sollevare la leva regolazione (4) posta除去 il sedile e spostarlo in avanti o indietro.

IT
6.1.d - Display (Figg. 11-12-13)
Il cruscotto comandi è provvisto di un display che si illumina ruotando la chiave avviamento in posizione "I".
Sul display è possible visualizzare:
Stato batteria
- Sul display viene visualizzata una barra (1) che monitorizza lo stato della batteria:
Batteria carica: la barra è completeness di tacche. Le tacche diminuiscono gradualmente con l'utilizzo della macchina.
Batteria scarica: la barra riporta una sola tacca e il simbolo della batteria lampeggia.
Indica che la carica delle batterie è esaurita; tutte le funzioni di lavoro sono disattIVATE, rimane in funzione solo la trazione.
Timer (2)
- Indica il tempo totale di funzionamento della macchina.
Simbolo aspiratore (3) (Fig. 12)
- Il symbolo si visualizza sul display quando l'aspiratore è in funzione.
Simbolo spazzole (4) (Fig. 13)
Il symbolo si visualizza sul display quando le spazzole sono in rotazione.



6.1.e - Allarmi durante il funzionamento (Figg. 14)
In caso di allarme durante il funzionamento della macchina, sul display si visualizzera il symbolo e il relative codice dell'allarme inserto.
I possibili allarmi sono i seguenti:
- 1E03 :
Questo codice prevede due possibilità di allarme:
a) Gli interrupttori non sono in posizione "0".
Ruotare la chiave avviamento in posizione "0", posizionare tutti gli interruptori in posizione "0" e riavviare la macchina.
b) Serbatoio di recupero piano.
Indica che il livello del liquido presente nel serbatoio di recupero ha raggiunto la sonda di allarme; l'aspiratore si disattiva.
Portarsi nella stazione di scarico acqua e scaricare il serbatoio di recupero come indicato nel relativo paragrafo.
-2F01:
La macchina è stata avviata con il pedale dell'acceleratore premuto.
Ripetere I'avvioswana premere il pedale.
- Simbolo batteria lampeggiante:
Indica che la carica delle batterie è esaurita; tutte le funzioni di lavoro sono disattivate rimane in funzione solo la trazione.
Recarsi subito nella zona di ricarica.

NOTA:
Se si visualizzano altri codici erre, contattare il Servizio Assistenza autorizzato.

IT
6.1.f - Emergenza (Fig. 15)
In caso di emergenza staccare la spina (1) alla presa (2);那么 toglie tensione ai circuiti fermando qualsiasi funzione della macchina.

AVVERTENZA:
Staccare la spina (1) con macchina accesa solo in caso di reale necessità, non utilizzare quello procedimento per spegniere la macchina, potrebbe causare guasti ancche seri alla stessa.

7.1 - SICUREZZE (Fig. 16)

AVVERTENZA:
La macchina è dotata di un sensore (1) presenza operatore; tale sensore bloccata delle funzioni della macchina quando l'operatore non è presente al posto di guida e posizione la stessa in folle.

8.1 - RIEMPIMENTOSERBATOIO (Fig. 17)

AVVERTENZA:
Introduire nel serbatoio acqua pulita direte con temperatura non superiore a 50^
- Assicurarsi che il tubo (1) sia correttamente agganciato al serbatoio tramite gli apposti incastri.
- Aprire il tappo (2) del serbatoio acqua pulita (3).
- Introduire acqua nel serbatoio (3) sino al riempimento dello stesso.
- Versare nel serbatoio del liquido detergente in funzione alla quantità di acqua contentuta.

NOTA:
Utilizzare solo detergenti non schiumosi, per la quantità atteneri alle istruzioni del produtore del detergente e al tipo di sporco.

PERICOLO:
- In caso di contatto del detergente con occhi e pelle o in caso di ingerimento fare riferimento alla schedà di sicurezza e di impiego del produttore del detergente.
- Alla fine del riempimento del serbatoio chiudere il tappo (2).

IT
9.1.a - Controlli prima dell'uso
- Controllare che il tubo (1) di scarico del serbatoio di recupero sua correttamente agganciato e correttamente tappato.
- Controllare che il tubo (2) di aspirazione acqua tergipavimento sia correttamente inserto nel serbatoio di recupero.
- Controllare che il raccordo (3) posto sul tergipavimento (4) non sia ostruito e che il tubo sia correttamente collegato.
- Controllare lo stato di carica delle batterie, ruotando la chiave (5) su "ON" e l'in-dicazione di carica sul display (6).

9.1.b - Preparazione macchina e scelta ciclo (Fig. 19)
- Sedersi alippo di guida e togliere il fre-no di stazionamento (1).
Ciclo di lavoro:
- La macchina ha la possibilità di effettuare 4 cicli di lavoro:
Ciclo solo asciugatura:
- Per effettuare solo il ciclo di asciugatura premere l'interruttore (2) in posizione "I", si avvia l'aspiratore.
Ciclo solo spazzolatura:
- Per effettuare solo il ciclo di spazzolatura premere l'interruttore (3) in posizione "1", si predispone la rotazione delle spazzole; verificare che il potenziometro (4) sia in posizione "0".
La rotazione delle spazzole si avvia quando la macchina inizia a muoversi.
Ciclo lavaggio, spazzolatura:
- Premere il tasto (3) per predisporre la rotazione delle spazzole e ruotare il potenziometro (4) per predisporre l'erogazione dell'acqua.
La rotazione delle spazzole e l'erogazione dell'acqua (solo con marcia avanti) si avviano quando la macchina inizia a muoversi.
Ciclo di lavaggio, spazzolatura, asciugata:
-
Ruotare il potenziometro (4) per predisporre l'erogazione dell'acqua;
-
premere l'interruttore (3) in posizione "I", si predispone la rotazione delle spazzole che si avvia quando la macchina inizia a muoversi;
-
premere l'interruttore (2) in posizione "I", si avvia l'aspiratore.

9.1.c - Uso della macchina (Figg. 20-21)

PERICOLO:
Prestare la massima attenzione nell'utilizzo della macchina su rampe, in modo da evitare il ribaltamento o situazioni che possano renderere precaria la stabilità della macchina stessa.

PERICOLO:
Evitare brusché sterzate ed effettuare sterzate con volante completeness ruottato solo a bassa velocità, tenendo comunque conto delle condizioni del suolo.
- Dopo aver avviato la macchina e scelto il tipo di ciclo inseire la marcia voluta agenda sul selettore di marcia (1).
- Azionare i girofari (2) e le luci di lavoro (3).
- Iniziare le operazioni di pulizia agenda sull'acceleratore (4).

NOTA:
Rilasciando I'acceleratore la rotazione delle spazzole e I'erogazione dell'acqua si fermano.

NOTA:
La corretta pulizia e asciugatura del pavimento si effettua procedendo con la macchina in avanti, procedendo con la macchina in retromarcia il tergipavimento si solleva e non si ha l'aspirazione dell'acqua presente nel pavimento.
- Eventualmente regolare la quantità di soluzione di lavaggio tramite il potenziometro (5).
- Controllare lo stato di carica delle batterie tramite il display (6).



PERICOLO:
Quando l'operaore scende alla macchina, la stessa si posizione in folle ed è quindi OBBLIGATORIO insere il freno di stazionamento come indicato nel paragrafo "Comandi pedaliera".

PERICOLO:
È vietato parcheggiare la macchina in rampa.
9.1.d - Fine uso e spegnimento (Fig. 22)
- Alla fine delle operazioni di pulizia fermare in sequenza la rotazione delle spazzole e l'aspiratore, agenda sui relativi comandi in funzione al tipo di ciclo utilizzato.
- Ruotare la chiave (1) su "0".
- Inserire il freno di stazionamento come indicate nel paragrafo "comandi pedaliera".
- Svuotare e lavare il serbatoio di recupero e il serbatoio della soluzione come indicato nei relativi paragrafi.

10.1 - SCARICO ACQUA DIRECUPERO
(Fig. 23)

PERICOLO:
Assicurarzi che il serbatoio dell'acqua di recupero (1) sia vuoto prima di sollevarlo.
Alla fine del ciclo di lavaggio oppure quando il serbatoio (1) dell'acqua di recupero risultata pieno è necessario svuotarlo agenda come segue:

NOTA:
Per lo smaltimento dell'acqua di recupero atteneri alle norme vigenti nel paese di utilizzato della macchina.
- Posizioniarsi con la macchina vicino a una piletta di scarico.
- Staccare il tubo (2) dal supporto.
- Togliere il tappo (3) dal tubo (2) e scaricare completamente l'acqua contenta nel serbatoio.

NOTA:
E' possibile modulare la quantità di acqua che fuoriesce premendo la parte finale del tubo (2).
- Reinserire il tappo (3) sul tubo (2) e riposizionarlo sul relativo supporto.


11.1 MANUTENZIONE E PULIZIA

AVVERTENZA:
Per le informazioni e le avvertenze relative alle operazioni di manutenzione o pulizia atteneri a quanto indicate nel paragrafo "Avvertenze generali durante la manutenzione" presente nel capitolo 1 del presente manuale.
OPERAZIONI DA EFFETTUARSI OGNI GIORNO
11.1.a - Svuotamento e pulizia serba-toio acqua pulita (Fig. 24)

AVVERTENZA:
Alla fine delle operazioni di lavaggio è obbligatorio scaricare e pulire il serbatoio dell'acqua pulita (1) per evitare depositi o incrostazioni.
Dopo aver scaricato il serbatoio dell'acqua di recupero, scaricare il serbatoio dell'acqua pulita (1) agenda come segue:
- Posizionarsi con la macchina su una piletta di scarico.
- Staccare il tubo (2) dagli appositi agganci, abbassarlo a terra sulla piletta di scarico, togliere il tappo (3) e lasciare scaricare completamente l'acqua.
- Lavare l'interno del serbatoio lasciando il tubo di scarico aperto e introducendo acqua pulita dall'apertura superiore.
- Alla fine della pulizia sollevare il tubo (2), chiudere il tappo (3) ad agganciare il tubo negli apposti incastri.

IT
11.1.b - Pulizia serbatoio acqua di recupero (Figg. 25-26)

AVVERTENZA:
Alla fine delle operazioni di lavaggio è obblatorio pulire il serbatoio dell'acqua di recupero per evitare depositi o incro-stazioni ed il proliferare di batteri, odori, muffle.

PERICOLO:
Scaricare l'acqua dal serbatoio di recupero (2) prima di sollevarlo.
- Rimuovere il coperchio (1).
- Sollevare il serbatoio acqua di recupero (2).
- Lasciando il tubo (3) abbassato e il tappo rimioso introdurre acqua dall'apertura superiore (4) pulendo l'interno del serbatoio fino a che dal tubo di scarico fuoriesca acqua pulita.
- Pulire con un panno umido le sonde di livello (5) facendoattenzione a non deformarle.
- Riposizionare il tutto procedendo in sense inverso.
- Svitare la vite a brugola (6) e togliere il coperchio filtro (7).
- Rimuovere e pulire il filtrro (8) di aspirazione togliendo eventuali pezzi di carta, legno ecc... che lo ostruiscono.




Fig. 25
11.1.c - Pulizia terGITore (Fig. 27)
Per effettuare una corretta pulizia del tergimento (2) è necessario rimuoverlo agenda come segue:
- Staccare il tubo (1) dal terGITore (2).
- Allentare i pomelli (3) e rimuovere il tergi-tore (2).
- Lavare il tergitore e in particolar modo le gomme (4) e l'interno del raccordo di aspirazione (5).

NOTA:
Se durante il lavaggio sinota che le gomme (4) si presentano rovinate o usurate è necessario sostituirle o girarle.
- Rimontare il tutto procedendo in senso inverso.
11.1.d - Pulizia minigonne laterali (Fig. 28)
Per effettuare una corretta pulizia delle minigonne laterali (1) è necessario rimuoverle agenda come segue:
- Allentare i pomelli (2) e rimuovere le minigonne laterali (1).
- Lavare legomme (3).

NOTA:
Se durante il lavaggio sinota che le gomme (3) si presentano rovinate o usurate è necessario sostituirle o girarle.
- Rimontare il tutto procedendo in senso inverso.

Fig. 27

OPERAZIONI DA EFFETTUARSI OGNI SETTIMANA
11.1.e - Pulizia filtro acqua pulita (Fig. 29)
- Sganciare il filtro (1) tramite attacchi rapi-di (2) e sollevarlo dall'aggancio (3).
- Ruotare ilhetto (1) per riuscire ad estrarlo alla macchina.
- Rimuovere il tappo (4) ed estrarre la cartuccia filtrlo (5).
- Pulire la cartucciachio (5) con acqua corrente.
- Rimontare il tutto procedendo in senso inverso.
OPERAZIONI DA EFFETTUARSI OGNI 3 MESI
11.1.f - Controllo stato di usura catena sterzo (Fig. 30)
- Controllare lo stato di usura e di corrosione della catena (1) posta sotto la macchina nei pressi della ruota anteriore.
Se la catena si presenta con tracce di corrosione è necessario sostituirla rivolgendosi al servizio di assistenza tecnica.





OPERAZIONI DA EFFETTUARSI SECONDO NECESSITA
11.1.g - Sostituzione spazzole (Fig. 31)
Si rende necessaria la sostituzione delle spazzole quando le stesse si presentano usurate con lunghezza setole inferiore a 2cm oppure vanno sostituite in funzione al tipo di pavimento da lavare; per la sostituzione, agire come segue:
- Infilare una mano sotto il gruppo porta-spazzole (1), per sganciare la spazzola ruotarla con un colpo secco nel senso contrario alla rotazione.
- Posizione saretto il gruppo portaspazzole (1) le nuove spazzole.
- Sedersi al posto di guida, ruotare la chiave (2) in posizione "I".
- Inserire una marcia.
- Premere il tasto (3) per abilitare la rotazione delle spazzole; il gruppo spazzole si abbassa.
- Premendo il pedale acceleratore (4), le flange portaspazzole iniziano a ruotare agganciando le spazzole, quando rilasciare il pedale.
- Ripremere il tasting e ruotare la chiave (2) in posizione "0".

IT
11.1.h - Sostituzione gomme tergito-re (Fig. 32)
Quando sinota che l'asciugatura del pavimento risultata difficultosa o che nel pavimento rimangono alcune tracce di acqua è necessario controllare lo stato di usura delle gomme del tergitore (1):
- Rimuovere il gruppo tergitore (1) come indicato nel paragrafo "Pulizia tergitore".
- Svitare i dadi ad alette (2) e rimuovere le gomme (3).

NOTA:
Quando le gomme (3) sono usurate da un lato, per una volta, possono essere capovolte.
- Sostituire o capovolgere le gomme (3)
senza invertire. - Rimontare il tutto procedendo in senso inverso.

NOTA:
E possibile avere due tipi di gomme: Gomme in para per tutti i tipi di pavimento e gomme in poliuretano per pavimenti sporchi di olio di officine meccaniche.
11.1.i - Sostituzione gomme minigonne laterali (Fig. 33)
Quando sinota che l'acqua di lavaggio non è contentuta dalle minigonne laterali è necessario controllare lo stato di usura delle gomme (1):
- Rimuovere le minigonne laterali come indicato nel paragrafo "Pulizia minigonne laterali".
- Svitare le viti (2) e rimuovere le gomme (1).

NOTA:
Quando le gomme (2) sono usurate da un lato, per una volta, possono essere capovolte.


- Sostituire o capovolgere le gomme (1)enza invertirle.
- Rimontare il tutto procedendo in senso inverso.
11.1.j - Regolazione incidenza tergittere (Fig. 34)
- Avviare la macchina e premere il tasting, il gruppo tergitore si abbassa.
- Inserire la marcia avanti e spostarsi di quale metro, quindi inserire il freno di stazionamento e scendere alla macchina.
- Agire sulla barra filettata (1) per regolare l'incidenza che le racle (2) hanno con il pavimento, ruotando in senso orario si ha una maggiore incidenza viceversa si ha una minore incidenza.

NOTA:
L'incidenza corretta è quando durante il funzionamento non ci sono trifilamenti di liquido sul pavimento e la racia ha una incidenza costante su tutte la sua lunghezza.



Fig. 34
11.1.k - Controllo stato di usura delle tre ruote (Fig. 35)
- Controllare periodicamente lo stato di usura tre delle ruote (1); se si presentano usurate o rovinate è necessario sostituirle rivolgendosi al servizio di assistenza tecnica.

PERICOLO:
Procedere con le ruote usurate o rovinate comporta un pericolo per l'opercatore in quanto la macchina potrebbe avere una ridotta tenuta di strada in curva.

11.1.I - Sostituzione fusibili (Fig. 36)

AVVERTENZA:
Sostituire il fusabile bruciato con uno di pari amperaggio.
- Per la sostituzione del fusabile (1) posto sul polo positivo della batteria procedere nel seguente modo:

AVVERTENZA:
Controllare che il serbatoio di recuperosia vuoto.
- Staccare la spina (2) alla presa (3).
- Sollevare il serbatoio di recupero (4) tramite le apposite maniglie (5).
Fusibile (1) - 150A
Fusibile battery.
Fusibile (6)-10A
Fusibile pannello comandi.
- Il fusibile (6) è un fusibile riarmabile.
Per riarmarlo premere la linguetta (7).

11.1.m -Configurazione caricabatterie (Fig. 37)

AVVERTENZA:
La macchina esce alla produzione con una configurazione standard per il funzionamento con batterie a gel tipo "Sonnenschein".

PERICOLO:
Questa operazione deve essere eseguita esclusivamente da un technique specializzato.
Configurazione standard con batterie a gel tipo Sonnenschein
- Smontare il carter (A) del caricabatterie esterno e controllare che gli switches (1 - 2 - 3 - 4) siano posti come in figura (B).
E' possibile modificare la configurazione agenda come segue:
Configurazione per batterie a gel di tipo diverso da Sonnenschein
- Controllare che gli switches (1 - 2 - 3 - 4) siano posti come in figura (C).
Configurazione per batterie ad acido
- Controllare che gli switches (1 - 2 - 3 - 4) siano posti come in figura (D).

AVVERTENZA:
Agire solo sugli switches (1 - 2 - 3 - 4); non modificare la posizione degli switches (5 - 6 - 7 - 8).

Fig. 37
PROBLEMI - CAUSE - RIMEDI
| PROBLEMCAU | USA RIMEDIO | |
| Ruotando la chiave la macchina non si avvia. | Batteria scarica.Fusibile generale bruciato. | Controllare lo stato di carica della batteria.Sostituire il fusibile posizionato sul cavo batteria. |
| Spazzola non ruota. Marcia | in folle. Inserire la marcia avanti o la retromarcia. | |
| Aspiratore non funziona. Serbatoio di recupero pièno.Sonde di livello sporche. | Svuotare il serbatoio.Pulire con un panno umido le sonde di livello poste nel serbatoio di recupero. | |
| La macchina non asciuga o non asciuga bene lascian-do tracce di acqua nel pa- vimento. | Aspiratore spento.Tubo di aspirazione intasa-to.Serbatoio di recupero pièno.Gomme tergitore usurate. | Avviare l'aspiratoreControllare e eventualmente pulire il tubo di aspirazione che collega il tergitore al serbatoio di recupero.Svuotare il serbatoio di recupero.Capovolgere o sostituire le gomme tergitore. |
| Non fuoriesce acqua. Serbatoio vuoto.Potenziometro regolazione quantità acqua posizionato su "0".Filtro intasato.Elettrovalvola pompa non funzionante. | Riempire il serbatoio.Ruotare il potenziometro.Pulire il filtrio.Chiamare il servizio di assistenza tecnica. | |
| PROBLEMCAU | SA RIMEDIO | |
| La macchina non si muove in condizioni di lavoro. | Operatore non seduto correttamente al posto di gui-da.Marcia non inserita.Sensore presenza operato-re guasto. | Sedersi correttamente sul sedile.Inserire la marcia tramite il relativo dato.Inchiamare il servizio di assi-stenza per la sostituzione. |
| Pulizia pavimento insuffi-ciente. | Spazzole o detergente ina-deguati.Spazzola consumata. | Usare spazzole o detergen-ti adatte al tipo di pavimento o di sporco da pulire.Sostituire la spazzola. |
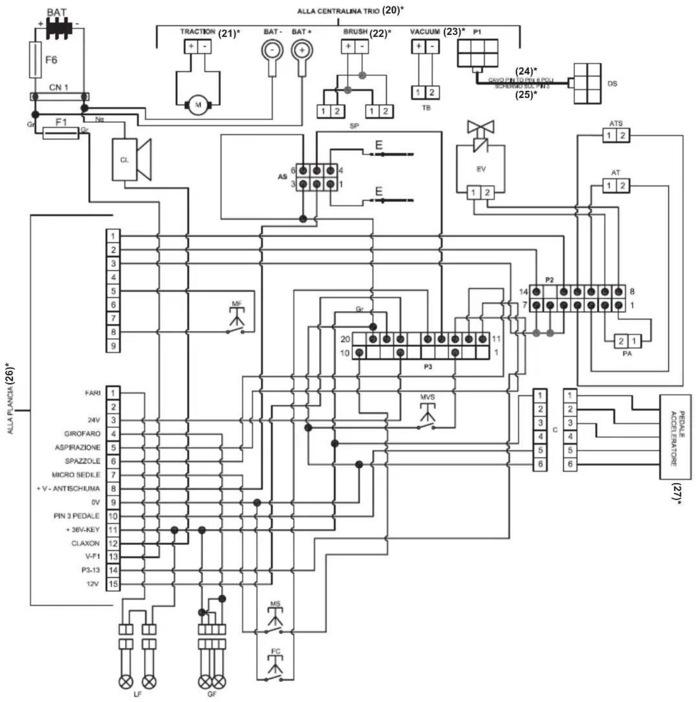
SCHEMA ELETTRICO

E112
Legenda E112
CA Comando aspirazione
CG .Comando girofaro
CH Chiave
CL Comando luci
CN1 Connettore 15 PIN
CN2A Connettore 9 PIN
CN3 Connettore cicalino
CN3A Connettore cicalino
CN4 Connettore scheda diodi
CN5 Connettore presa di cortesia
CN6 Connettoretrasformatore
CR Cicalino retromarcia
CS. Comando spazzola
D1 Diodo 1N5819
D2 Diodo 1N5349 X3
DCDC3612 Trasformatore 36V-12V
LMAI Leva marcia avanti/indietro
PC. Pulsante claxon
PPA Potenziometro pompa acqua
R1 .Resistenza
SD....Scheda diodi
SPFM Spia freno a mano
CN1A
- Fari
- 24V
- Girofaro
- Aspirazione
- Spazzole
- Micro sedile
- Antischiuma
- 0V
10 PIN 3 Pedale - +36V-Key
- Claxon
- V-F1
- P3-13
- 12V
Legenda Colori
R . Rosso
BR .Marrone
G .Verde
V .Viola
P .Rosa
B .Nero
GR Grigio
L
Y Giallo
W Bianco
E112

Legenda E112
AS.Antischiuma
AT Attuatore tergi
ATS Attuatore spazzola
BAT .Batteria 36V
C Connettore
CL Claxon
CN1 Connettore 175 A
DSDispaly
E Elettrodi
EV .Elettrovalvola
F1 .Fusibile 10A
F6 .Fusibile 150A
FC ....Fine corsa discesa attuatore spazzole
GF Girofaro
LF Lampade fari
M Motore trazione
MF Micro freno a mano
MS Micro sedile
MVS Micro velocità sterzata
P2 Centralina trio
P3 Centralina trio
PA. Pompa acqua
SP Spazzole
TB Turbina
(A)*
1 Fari
3 24V
4. Girofaro
5. Aspirazione
6. Spazzole
7 Micro sedile
8. Antischiuma
9. .0V
10 PIN 3 Pedale
11. +36V-Key
12 Claxon
13. V-F1
14. P3-13
15. 12V
(20)* .......Alla centralina trio
(21)* Trazione
(22)* Spazzola
(23)* Aspiratore
(24)* Cavo Pin to PIN 6 poli
(25)* . Schermo sul PIN 3
(26)* .......Alla plancia
(27)* Pedale acceleratore
Dear Customer,
Status da ricerca da bateria:
via Circonvallazione, 5 - 27020 Dorno (PV) Italy
Tel. +39 0382.848811 - Fax +39 0382.84668
http://www.ghibli.it - e-mail: info@ghibli.it
ManualeFacile