S1 45M45 - Lavasciuga Ghibli - Manuale utente e istruzioni gratuiti
Trova gratuitamente il manuale del dispositivo S1 45M45 Ghibli in formato PDF.
Domande frequenti - S1 45M45 Ghibli
Questions des utilisateurs sur S1 45M45 Ghibli
0 question sur cet appareil. Repondez a celles que vous connaissez ou posez la votre.
Poser une nouvelle question sur cet appareil
Scarica le istruzioni per il tuo Lavasciuga in formato PDF gratuitamente! Trova il tuo manuale S1 45M45 - Ghibli e riprendi in mano il tuo dispositivo elettronico. In questa pagina sono pubblicati tutti i documenti necessari per l'utilizzo del tuo dispositivo. S1 45M45 del marchio Ghibli.
MANUALE UTENTE S1 45M45 Ghibli
Serie 1 45M45 - 45M55 45D55 - 45D60
Uso e Manutenzione Use and Maintenance Utilisation et Entretien Gebrauch und wartung Uso y Mantenimiento Uso e manutenção
IT
DATI IDENTIFICATIVI
I dati identificativi e la marcatura "CE" della macchina sono posizionati sulla targhetto (1) posta molto il pannellino comandi.
Si consiglia di trascrivere il modello della macchina e il relativivo numero di matricola nella tabella riportata nella pagina seguente.
EN
IDENTIFICATION DATA
IT Italiano I-1 (Istruzioni originali)
La ringraziamo per aver scelto un nostro prodotto per la pulizia dei loro ambienti.
La lavasciuga pavimenti da lei acquistata è stata progettata per soddisfare l'utilizzatore in termini di semplicità di utilizzo e affidabilità nel tempo.
Noi siamo coscienti che un buon prodotto per restare tale, nel tempo, necessita di continui aggiornamenti mirati a soddisfare le aspettative di chi, quotidianamente, ne fa uso. In tal sense, nei ci auguriamo di averere in lei non solo un cliente soddis fatto maanche un partner che non esita a trasmetterci opinioni e idee derivanti alla personale quotidiana esperenza.
Indice
Dati tecnici 1-3
1.1 Introduzione 1-5
1.1.a Scopo del manuale I-5
1.1.b Consultazione del manuale.. 1-5
1.1.c Legenda symbologia presente nel manuale .I-5
1.1.d Terminologia convenzionale.. 1-5
1.2 Avvertenze generali 1-5
1.2.a Qualifica del personale I-5
1.2.b Posizione operatore 1-5
1.2.c Abbigliamento antinfortunistico 1-6
1.2.d Avvertenze generali prima dell'uso 1-6
1.2.e Avvertenze generali durante l'uso della macchina 1-6
1.2.f Avvertenze generali sulle batterie I-6
1.2.g Avvertenze generali durante la manutenzione 1-6
1.2.h Avvertenze generali in caso di incendio I-6
1.2.i Fermo prolongato della macchina.. 1-6
1.3 Uso previsto della macchina 1-7
1.4 Uso non previsto della macchina 1-7
1.4.a Zone con rischio di esplosione.. 1-7
1.5 Demolizione della macchina 1-7
1.6 Normative di riferimento 1-7
2.1 Disimballo 1-8
2.1.a Dotazione macchina 1-8
3.1 Assemblaggio componenti 1-9
3.1.a Posizionamento maniglione 1-9
3.1.b Montaggio coperchio serbatoio
3.1.c Installazione e collegamento batterie.. 1-10
4.1 Carica della batteria 1-11
4.1.a Carica della batteria tramite caricabatterie di bordo (se presente) I-11
4.1.b Carica della batteria tramite caricabatterie esterno .I-12
5.1 Conoscenza della macchina 13
6.1 Pannello di controllo e lavoro 1-14
7.1 Riempimento serbatoio 1-16
8.1 Funzionamento 1-17
8.1.a Controlli prima dell'uso 17
8.1.b Preparazione macchina e scelta ciclo.. 1-18
8.1.c Uso della macchina.. 19
8.1.d Fine uso e spegnimento.. 19
8.1.e Allarme massimo livello acqua di recupero.. 1-20
8.1.f Altezza sonde 1-20
8.1.g Lista allarmi (solo per modelli con trazione integrata) 1-21
9.1 Scarico acqua di recupero 1-23
10.1 Manutenzione e pulizia 1-24
10.1.a Svuotamento e pulizia serbatoio acqua pulita 1-24
10.1.b Pulizia serbatoio acqua di recupero.. 1-25
10.1.c Pulizia tergitore 1-26
10.1.d Pulizia filtro acqua pulita 1-26
10.1.e Sostituzione spazzola 1-27
10.1.f Sostituzione gomme terGITore 1-28
10.1.g Sostituzione fusibili 1-29
10.1.h Configurazione caricabatterie e strumento digitale.. 1-30
Problemi - Cause - Rimedi 1-32
Schemie elettrici 1-34
Dati tecnici
| 45M45 45M | 55 45D55 45D60 | |||
| Tipodi guida Operatore a terra | ||||
| Caratteristiche | ||||
| Alimentazione Batteria 24V | ||||
| Potenza installata 1080 W 1230 W | 1430 W | |||
| Avanzamento Manuale Elettrica avanti indietro | ||||
| Larghezza pista lavaggio 440 mm | 550 mm 600 mm | |||
| Larghezza di aspirazione 750 mm | 850 mm | |||
| Resa oraria teorica 1550 m | 2/h | 1900 m²/h | 2750 m²/h | 3000 m²/h |
| Spazzole | ||||
| Diametro / pad / numero 440 mm | 16" x 1 | 550 mm / 20" x 1 | 310 mm / 12" x 2 | |
| Potenza motore / numero | 500 W x 1 | 350 W x 2 | ||
| Velocità motore | 170 giri/min. | 190 giri/min. | ||
| Pressione specifica | 30 gr / cm² | 25 gr / cm² | 50 gr / cm² | |
| Trazione | ||||
| Potenza motore | -- 150 W | |||
| Velocità avanzamento massima | -- | 5,0 Km/h | ||
| Pendenza massima superabile a pieno carico | 2 % | |||
| Aspirazione | ||||
| Potenza motore | 570 W | |||
| Depressione | 130 / 1350 mbar/mmH₂O | |||
| Portata d'aria | 32 l / sec | |||
| Rumorosità | 67 dB (A) | |||
| Serbatoio | ||||
| Tipologia | “Tank in tank” | |||
| Riciclo | No | |||
| Capacità soluzione | 65 l | |||
| Capacità recupero | 45 l | |||
| Dimensioni 1130 x | 520 x 970 mm | 1170 x 540 x 970 mm | 1100 x 610 x 970 mm | |
| 45M45 45M155 45D55 45D60 | ||||
| Rumorosità 66 dB (A) 63,9 dB (A) 66 dB (A) | ||||
| Vibrazioni ISO 5349 0,93 m/s | 2 | 1,17 m/s2 | 1,23 m/s2 | |
| Peso | ||||
| Peso a vuoto 90 kg 94 kg 96 kg 98 kg | kg | |||
| Peso con batterie 143 kg 147 kg 176 kg 178 kg | kg | |||
| Peso ordine marcia GVW | 208 kg 212 kg 241 kg 243 kg | |||
| Accessori | ||||
| Spazzola PPL ø 0,7 | 40.0002.00 | 40.0003.00 | 40.0001.00(x2) | |
| Paraspruzzi spazzola | 39.0022.00 | 39.0023.00 | ||
| Gomma terGITore anteriore | 39.0007.00 | 39.0002.00 | ||
| Gomma terGITore posteriore | 39.0008.00 | 39.0001.00 | ||
| Accessori a richiesta | ||||
| Spazzola PPL strong ø 0,9 | 40.0102.00 | 40.0103.00 | 40.0101.00(x2) | |
| Spazzola PPL strong ø 1,2 | 40.0302.00 | 40.0303.00 | 40.0301.00(x2) | |
| Spazzola tynex ø 1,2 grit 80 | 40.0202.00 | 40.0203.00 | 40.0201.00(x2) | |
| Trascinatore | 40.1002.00 | 40.1003.00 | 40.1001.00(x2) | |
| Gomma terGITore anterioreantiolio | 39.0037.00 | 39.0033.00 | ||
| Gomma terGITore posterioreantiolio | 39.0050.00 | 39.0039.00 | ||
| Set n° 2 batterie GEL | 18.0000.00 - 2x 12V - 79Ah(C20) | 18.0001.00 - 2x 12V - 120Ah(C20) | ||
| Gruppo caricabatterie | 22.0032.00 - 230V 50-60Hz / 24V 12A | |||
| Gruppo caricabatterie U.S.A. | 22.0077.00 - 115V 50-60Hz / 24V 12A | |||
Batterie:
Si consiglia l'uso di batterie a gel.
- Macchine con trazione: Batterie a gel, tipo GF 12 - 105 V / 120 Ah (C20).
- Macchineenza trazione: Batterie a gel, tipo GF 12 - 79 V / 79 Ah (C20).
1.1 INTRODUZIONE
Il presente manuale costituisce parte integrante della macchina stessa; delve essere pertanto conservato con cura in un luogo sicuro accessibile a tutti gli utilizzatori (operatori e personale addetto alla manutenzione) per tutte la vita della macchina fino alla demolizione.
1.1.a - Scopo del manuale
Lo scopo del manuale è di fornire le istruzioni necessarie per la messa in servizio, l'uso e la manutenzione della macchina alla quale è allegato.
Si raccomanda una attentalettura delleistruzioni e una scrupolosa osservanza dellenorme di sicurezza descripte nel manuale.
La mancata osservanza di tali istruzioni/norme potrebbe causare danni alla macchina e all'operaatore e in nessun caso potranno essere imputati al costruttore.
Leindicazioni di sicurezza descritte nel manuale integrano e NON SOSTITUISCONO lenorme in vigore nel paese diutilizzo della macchina.
1.1.b - Consultazione del manuale
Il manuale è suddiviso in capitoli secondo un ordine logico di conoscenza ed impiego della macchina.
Per facilitare la ricerca, consultare prima l'IN-DICE riportato all'inizio del manuale.
1.1.c - Legenda symbologia presente nel manuale
Per evidenziare informazioni e procedure relative alla sicurezza, manutenzione, ecc., nel manuale sono stati adottati i seguenti simboli:

PERICOLO:
Avverte di un serio pericolo,anche mortale,per l'incomità dell'operaatore e/o terze persona.

AVVERTENZA:
Informazioni di estrema importanta atte ad evitare seri danni alla macchina e all'ambiente in cui opera.

NOTA:
Informazioni aggintive per il corretto funziona-mentation della macchina o di carattere generale.
1.1.d - Terminologia convenzionale
Leindicazioni anteriore,posteriore,avanti indietro superiore, inferiore sinistro e destro sono riferite con l'operaatore in posizione di lavoro con le mani sul maniglione di guida.
Per splificare, il nome commerciale del modello è stato sostituito con "Macchina".
1.2 AVVERTENZE GENERALI
Prima della messa in servizio, l'uso e la manutenzione della macchina è necessario che gli addetti (responsabili e operatori) siano astruiti sulle procedure operative e norme di sicurezza riportate nel presente manuale.
Rispettare tutte le prescrizioni continue nel manuale e nella eventuale documentazione allegata.

PERICOLO:
È vietato l'uso della macchina a personale non addestrato, bambini e portatori di handicap.
1.2.a - Qualifica del personale
Operatore
Per operatore si intende un personale generico in grado di svolgere le semplici operazioni di conduzione della macchina e le relative operazioni di pulizia a fine torno di lavoro.
Manutentore elettrico/meccanico
Tecnico qualificato a operare sulla macchina per eseguire operazioni di riparazione o sostituzione di parti che necessitano la rimozione dei carter di protezione.
1.2.b - Posizione operatore
L'opercatore, durante l'uso della macchina è posizionato nella parte posteriore della stessa con le mani sul maniglione.
1.2.c - Abbigliamento atinfortunistico
- Utilizzare abbigliamento antinfortunistico come individato delle norme in vigore nel paese di utilizzo della macchina.
1.2.d - Avvertenze generali prima dell'uso
- Controllare, prima dell'uso della macchina, che le protezioni di sicurezza fisse (carter) siano sempre nella loro sede correttamente fissate.
1.2.e - Avvertenze generali durante l'uso della macchina
- Se la macchina emette rumori strani arrestar-la immediatamente e individuare la causa.
- NON abbandonare la macchina su superfici inclinate superiori al 2% .
- Durante l'uso della macchina evitare di urtare scaffalature o armadi.
- É viétato utilizzato la macchina all'aperto e su strade pubbliche.
Utilizzare la macchina, se possibile, in ambienti liberi da persona; in presenza di persone estranee avvisare le stesse di allontanarsi prima di utilizzato la macchina.
Non utilizzato la macchina in ambienti con presenza di sostanze corrosive o salmastre. - Nonutilizzare la macchina in ambienti esplosivi (ATEX).
1.2.f - Avvertenze generali sulle batterie
- L'acido della batteria è corrosivo: in caso di contatto con la pelle sciacquare abbondamente con acqua.
- Indossare adeguati mezzi di protezione individuale per evitare il contatto con la pelle (vedi norme in vigore nel paese di utilizzo della macchina).
- Non inalare il vapore: è pericoloso.
- Caricando la batteria si potrebbero formare miscele di gas esplosive, pertanto i locali in cui la batteria è caricata devono essere ben ventilati e conformi alle norme specifiche in materia.
- E' vietato fumare e/o utilizzato fiamme libere nel raggio di 2 metri alla batteria
durante la carica, nell'area di ricarica, e durante il raffreddamento della stessa dopo la ricarica.
- Segnalare eventuali perdite di liquido della batteria:
Sono pericolose ed altoamente inquinanti.
1.2.g - Avvertenze generali durante la manutenzione
- Scollegare le batterie, prima di effettuare operazioni di manutenzione o di riparazione.
Non appoggiare utensili ed oggetti metallici,sopra le batterie; pericolo di cortocircuiti. - Nelle operazioni di pulizia e di lavaggio non usare detergenti aggressivi, acidi, liscivie, ecc. e prestare particolare attenzione alle parti elettriche.
- Non lavare la macchina con getti di acqua diretti o a pressione.
- Quando si deve sollevare la macchina per eventuali operazioni di manutenzione è necessario lavorare in sicurezzagettendo molto la stessa dei sostegni fissi.
Rivolgersi a un centro di assistenza autorizzato per le operazioni di riparazione e richiedere solamente ricambi ORIGINALI.
1.2.h - Avvertenze generali in caso di incendio
- In caso di incendio utilizzato solo estin-tori a polvere omologati; NON utilizzato acqua per spegnere l'incendio.
1.2.i - Fermo prolongato della machine
- Riporre la macchina al coperto al riparo degli agenti atmosferici in un luogo dove la temperatura sia compresa tra 5^ e +40^ .
- Rimuovere la chiave di avviamento.
- Scaricare l'acqua pulita contentuta nel serbatoio.
- Eseguire la ricarica delle batterie e una volta cariche scollegarle alla stessa.
- Una volta al mese effettuare la ricarica delle batterie.
1.3. USO PREVISTO DELLA MACCHINA
La macchina è stata progettata e costruita solamente per il lavaggio e asciugatura di pavimento al coperto.

PERICOLO:
Qualsiasi altro utilizzato solleva il costrutto re da responsabilità per anni a persone e/o cose e fa decadere qualsiasi condizione di garanzia.
1.4 - USO NON PREVISTODELLA MACCHINA

AVVERTENZA:
La macchina non è destinata a funzionare all'aperto.

PERICOLO:
- non lavare pavimenti con acqua superiore a 50^ ;
- non utilizzato gasolio/benzine o detergenti corrosivi per il lavaggio di pavimenti;
- non lavare e aspirare liquidi corrosivi, in-fiammabili, esplosivianche se diluiti.
1.4.a - Zone con rischio di esplosione
È assolutamente vietato utilizzato la macchina in ambienti con rischio di esplosione dove sono presenti gas, vapori, liquidi e polveri inflammabili ed esplosive.
1.5. DEMOLIZIONE DELLA MACCHINA
Per la salvaguardia dell'ambiente, procedere secondo la normativa locale vigente.
Quando l'apparecchio non è piùutilizzabile né riparabile, procedere allo smaltimento d ferenziato dei componenti.

L'apparecchiatura elettrica non può essere smaltita come un rifiuto urbano, ma è necessario rispetto la raccolta separata introdotta alla disciplina speciale per lo smaltimento dei rifiuti derivati da apparecchiature elettriche (dlg n 151 del 25/7/05 - 2002/96/CE - 2003/108/CE).
Le apparecchiature elettriche sono contrassegnate da un symbolo recante un contentatore di spazzatura su ruote barrato. Il symbolo indica che l'apparecchiatura è stata immessa sul mercato dopo il 13.agosto 2005 e che deve essere oggetto di raccolta separata.
Lo smaltimento inadeguato o abusivo delle apparecchiature oppure un uso improprio delle stesse, in considerazione delle sostanze e dei materiali conteni cui po causare danni alle persone e all'ambiente. Lo smaltimento dei rifiuti elettrici che non rispetti le norme vigenti comporta l'applicazione di sanzioni amministrative e penali.
1.6. NORMATIVE DI RIFERIMENTO
La macchina è stata costruita in conformità alla direttiva macchine in vigore e in conformità alle norme indicate nella dichiarazione "CE" di conformità fornita con la macchina.
2.1 DISIMBALLO (Fig. 1)
Una volta rimioso l'imballo come indicate o nelle istruzioni riportate sull'imballo stesso, controllare l'integrità della macchina e di tutti i componenti in dotazione.
Se si riscontrano danni evidenti contattare il concessionario di zona e il trasportatore entro 3 giorni dal ricevimento.
- Rimuovere la busta (1) contente gli accessori.
- Tagliare la reggia (2).
Rimuovere il coperchio (3) serbatoio ac-qua di recupero. - Rimuovere i blocchi (4) e (5) in legno.
- Sollevare la spazzola (6) premendo sul pedale (7) (vedi relativivo paragrafo).
- Sollevare il terGITore (8) sollevando la maniglia (9) (vedi relative paragrafo).
- Posizione are uno scivolo e scaricare la macchina dal bancale.
2.1.a - Dotazione macchina (Fig. 2)
Gli accessori in dotazione sono i seguenti:
1) Tubo flessibile carico acqua.
2) Manuale d'uso e manutenzione della macchina.
3) Manuale istruzioni caricabatterie (se presente).
4) Spazzola/e.
5) Cavo di alimentazione caricabatteria (se presente).
6) Fusibile 7,5A - Fusibile 30A - Fusibile 40A.


3.1 ASSEMBLAGGIO COMPONENTI
3.1.a - Posizionamento maniglione (Fig. 3)
- Allentare i volantini (1).
- Posizione il maniglione (2) all'altezza voluta quindi avvitare i volantini (1).

3.1.b - Montaggio coperchio serbatotto (Fig. 4)
- Montare il coperchio (1) come indicate in figura inserendo le cave del coperchio sui perni del supporto (2) maniglione.
- Esercitare una pressione sulla cerniera del coperchio (1) sino ad agganciarlo correttamente.

3.1.c - Installazione e collegamento batterie (Fig. 5)

AVVERTENZA:
Controllare che il serbatoio di recupero e il serbatoio acqua pulita siano vuoti.
- Scollegare la spina (1).
- Togliere la copiglia (2) e sollevare i serbatoi (3), tramite la maniglia (4) completing ribaltamento.
- Posizione are batterie (5) come indicato in figura e collegarle comeindicato nello schema di Fig. 5utilizzando i cavi in do-tazione.
- Avvitare i morsetti (6) utilizes una chiave isolata.
- Abbassare i serbatoi (3) e riposizionare la copiglia (2).
- Collegare la spina (1).

NOTA:
La connessione delle batterie deve essere eseguita da personale specializzato.





4.1 CARICA DELLA BATTERIA

PERICOLO:
Effettuare la carica delle batterie in locali ben areati e conformi alle norme vigenti nel paese di utilizzo.
Per le informazioni relative alla sicurezza atteneri a quanto descritto nel capitolo 1 del presente manuale.

AVVERTENZA:
Per le informazioni e le avventenze relative alla batteria e al caricabatteria di bordo (se presente) attenersi a quantoindicato nel manuale del caricabatteria allegato al presente.

AVVERTENZA:
La macchina esce alla fabbrica tarata per il funzionamento con batterie a gel. Se si dovessero installare della batterie ad acido è necessario rivolgersi al Centro di Assistenza per effettuare una nuova taratura. E' vietato utilizzato la macchina con batterie a gel con taratura per batterie ad acido.

NOTA:
Per altre informazioni sulle tarature fare riferimento alle infomazioni presenti al paragrafo 10.1.h.

NOTA:
Per la ricarica completa delle batterie sono necessarie 10 ore. Evitare ricariche parziali.
4.1.a - Carica della batteria tramite caricabatterie di bordo (se presente) (Fig. 6)
- Portarsi con la macchina nei pressi di una presa di corrente elettrica di rete.
- Staccare la spina (1) delle batterie alla presa (2) dell'impianto.
- Collegare la spina (1) delle batterie alla presa (3) del caricabatterie di bordo (4).
- Prelevare dall'apposto aggancio il cavo (5) e collegarlo alla presa (6) presente nella macchina, quando collegare l'altra estremità alla presa di corrente di rete.


AVVERTENZA:
Controllare che la tensione di rete sia compatibile con la tensione di funzionamento del caricabatteria (230 Vac per mercato Europeo; 115 Vac per mercato Americano; 50 / 60Hz
- Lasciare in carica le batterie fino all'illuminazione del led (7) "Verde", quindi staccare il cavo (5) di alimentazione e riporlo.
- Ricollegare la spina (1) delle batterie alla presa (2) dell'impiano.
4.1.b - Carica della batteria tramite caricabatterie esterno
(Fig. 7)
- Portarsi con la macchina nei pressi della stazione di carica delle batterie.
- Staccare la spina (1) delle batterie alla presa (2) dell'impianto.
- Collegare la spina (1) delle batterie alla presa (3) del caricabatterie esterno.
- Alla fine della ricarica delle batterie ricollegare la spina (1) delle batterie alla presa (2) dell'impiano.

Fig. 7
5.1 CONOSCENZA DELLA MACCHINA (Fig. 8)

1) Maniglione di guida.
2) Cruscotto comandi.
3) Leva azionamento tergipavimento.
4) Rubinetto erogazione acqua.
5) Serbatoio.
6) Coperchio serbatoio.
7) Apertura carico acqua pulita.
8) Ruote.
9) Flangia rotazione spazzola.
10) Spazzola.
11) Tergipavimento.
12) Tubo scarico acqua di recupero.
13) Tubo aspirazione acqua tergipavimento.
14) Tubo scarico acqua pulita.
15) Caricabatterie (optional).
16) Filtro acqua.
17) Ruote pivottanti.
18) Pedale salita / discesa spazzola.
19) Pulsante avviamento rotazione spazzole.
20) Leve avviamento trazione e rotazione spazzole.
6.1 PANNELLO DI CONTROLLO E COMANDO (Fig. 9)
1) Interruttore avviamento aspiratore
Il funzionamento dell'interruttore è abilitato dalla chiave (2) in posizione "1". Premere l'interruttore in posizione "1", si illumina e si avvia il funzionamento dell'aspiratore.
2) Chiave di avviamento
Ruotata in posizione "1" abilita il funzionamento della macchina.
3a) Indicatore ore di funzionamento
Si illumina quando la chiave di avviamento è in posizione "1" e indica le ore di funzionamento della macchina.
3b) Indicatore stato di carica batterie
Si illumina quando la chiave di avviamento è in posizione "1"indicando lo stato di carica della batteria.
-
Quando si illuminano i leds di colore verde o il led posizionato nella parte estrema destra dello strumento, indica che lo stato di carica della batteria è massimo.
-
Quando si illuminano i leds di colore arancio o i led centrali dello strumento, indica che lo stato di carica della batteria è circa a metà.
-
Quando si illumina/no i leds di colore rosso indica che lo stato di carica della batteria è minimo.

NOTA:
Quando il led o i leds rossi sono illuminati non utilizzare la macchina ma recarsi nella zona di ricarica delle batterie.
4) Interruttore abilitazione rotazione spazzola/e
Il funzionamento dell'interruttore è abilitato alla chiave (2) in posizione "1". Premere l'interruttore (4), si abilita la rota
zione della/e spazzola/e; il funzionamento delle stesse è comandato dal pulsante (7) o (8) o dalle leve (9) a seconda del modello, con spazzole in rotazione si illumina il pulsante.
5) Interruttore elettrovalva acqua Il funzionamento dell'interruttore è abilitato alla chiave (2) in posizione "1" e dall'interruttore (4) in posizione "l".
Premere l'interruttore (5), si predispone l'apertura dell'elettrovalva acqua, il funzionamento della stessa è comandato dal pulsante (7) o (8) o dalle leve (9) a seconda del modello, con elettrovalva aperta si illumina il pulsante.
La quantità di acqua è regolabile tramite il rubinetto (6).
6) Rubinetto regolazione quantità acqua
- Ruotare il rubinetto (6) in senso antiorario per augmentare la quantità di soluzione, viceversa per diminuirla.
7) Pulsante avviamento rotazione spazzola/e
Premuto con chiave (2) in posizione "1" e interrettore (4) in posizione "I" avvia la rotazione della/e spazzola/e e l'erogazione dell'acqua.
8) Leve avviamento trazione e rotazione spazzola/e
Agendo sulle leve (9) con chiave (2) in posizione "1" e interrottore (4) in posizione "I" avvia la la trazione e la rotazione della/e spazzola/e e l'erogazione dell'acqua.
Spingendo le leve nel senso "A" la macchina si avvia in avanti;
spingendo le leve nel senso "B" la macchina si avvia in retromarcia.

NOTA:
La velocità di trazione è proportonziona all'angolo di movimentazione delle leve.
9) Manopola regolazione velocità massima
Ruotando la manopola verso sinistra si diminuisce la velocità massima, ruotandola verso destra si aumento.

7.1 RIEMPIMENTOSERBATOIO (Fig. 10)

AVVERTENZA:
Introduire nel serbatoio solo acqua pulita di rete con temperatura non superiore a 50^
- Prelevare il tubo (1) in dotazione, collegare l'estremità (1a) a un rubinetto e l'estremità (1b) inserirla nel serbatoio (2).
- Aprire il rubinetto e riempire il serbatoio (2).
- Il livello dell'acqua contenta nel serbatolio è visualizzato alla pallina rossa posizionata nel tubo trasparente (1).
- Versare nel serbatoio del liquido detergente.

NOTA:
Utilizzare solo detergenti non schiumosi, per la quantità atteneri alle istruzioni del produttore del detergente e al tipo di sporco.

PERICOLO:
In caso di contatto del detergente con occhi e pelle o in caso di ingerimentofare riferimento alla schedai sicurezza e di impiego del produttore del detergente.
- Alla fine del riempimento del serbatoio: introdurre completeness il tubo (1) nel serbatoio (2) dove l'estremità (1a) fa da tazzo.

8.1.a - Controlli prima dell'uso
- Controllare che il tubo (1) di scarico del serbatoio di recupero sua correttamente agganciato e correttamente tappato.
- Controllare che il raccordo (3)ippo sul tergipavimento (4)non sia ostruito e che il tubo via correttamente collegato.
- Controllare che il tubo (5) di scarico ac-qua pulita sia correttamente agganciato agli appositi supporti e che sia corretta-mente tappato.
- Controllare lo stato di carica delle batterie; ruotare la chiave (7) in posizione "1", controlling l'indicatore a leds (8).

Fig. 11
8.1.b - Preparazione macchina e scelta ciclo
- Ruotare la chiave (7) in posizione "1", si illuminano i led dello strumento (8)indicando lo stato di carica delle batterie ed il display (8a)indicando le ora di funzionamento.
- Sganciare la leva (9) ed abbassarla; il tergipavimento (4) scende.
- Premere il pedale (10), sganciarlo dall'apposto aggancio e sollevarlo, la/espazzola/e (11) si abbassa/no.
Ciclo di lavoro:
- La macchina ha la possibilità di effettuare 4 cicli di lavoro:
Ciclo solo asciugatura:
- Per effettuare solo il ciclo di asciugatura premere l'interruttore (12), si avvia l'aspiratore.
Per i modelli con trazione agire sugli appositi comandi per avviare la trazione.
Ciclo solo spazzolatura:
- Per effettuare solo il ciclo di spazzolatura premere l'interruttore (13) per abilitare la rotazione della/e spazzola/e.
Premere i comandi (pulsanti o leve) pos-sizionati sul maniglione per avviare la ro-tazione della/e spazzola/e (per i modelli con trazione integrata si avviaanche la trazione).
Ciclo lavaggio, spazzolatura:
- Premere l'interruttore (13) per abilitare la rotazione della/e spazzola/e; premere l'interruttore (14) per abilitare l'erogazione dell'acqua.
Ciclo di lavaggio, spazzolatura, asciugata:
- Premere l'interruttore (12) per avviare l'aspiratore, l'interruttore (13) per abilitare la rotazione della/e spazzola/e e premere l'interruttore (14) per abilitare l'erogazione dell'acqua.
Premere i comandi (pulsanti o leve) pos-sizionati sul maniglione per avviare la ro-tazione della/e spazzola/e e l'erogazione dell'acqua (per i modelli con trazione integrata si avviaanche la trazione).




8.1.c - Uso della macchina
- Dopo aver avviato la macchina e scelto il tipo di ciclo, iniziare le operazioni di pulizia spingendo la macchina tramite il maniglione (1) o agenda sui comandi (2) (pulsanti o leve) per avviare la trazione (per i modelli dotati).

NOTA:
Per evitare di rovinare il pavimento non utilizzato la macchina ferma con la rotazione della spazzola inserita.

NOTA:
La corretta pulizia e asciugatura del pavimento si effettua procedendo con la macchina in avanti, procedendo con la macchina indietro除外 a rovinare le racle non si ha una corretta aspirazione dell'acqua presente nel pavimento.
- Eventualmente regolare la quantità di acqua di lavaggio tramite il rubinetto (3).
- Controllare lo stato di carica delle batterie tramite l'indicatore (4).
8.1.d - Fine uso e spegnimento
- Alla fine delle operazioni di pulizia prima di spegnere la macchina fermare l'erogazione dell'acqua e la rotazione della spazzola agenda sugli interruptori (5) e (6); proseguire con l'aspiratore inserto per aspirare tutto il liquido presente nel pavimento, quindi spegnere l'aspiratore premendo l'interruttore (7).
- Sollevare il tergipavimento (8) sollevando la leva (9) agganciandola nell'apposita clip (10) di fissaggio.
- Sollevare la spazzola premendo il pedale (11) fino a finecorsa agganciandolo nell'apposto incastro.

AVVERTENZA:
Sollevare sempre il tergitore alla fine dei lavori di pulizia in quanto si evita la deformazione delle racle in gomma.
- Ruotare la chiave (12) in posizione "0" per spegnere la macchina.

8.1.e - Allarme massimo livello acqua di recupero (Fig. 14)
Se durante l'uso della macchina l'aspiratore si spegne vuol dire che il livello del liquido presente nel serbatoio di recupero ha raggiunto le sonde (1) di massimo livello poste all'interno del serbatoio stesso.
Recarsi presso la stazione di scarico acqua e scaricare il serbatoio di recupero come indicato nel relativivo paragrafo.
8.1.f - Altezza sonde (Fig. 14)
Le sonde (1) sono regolate per un utilizzo della macchina con pendenza del 2% . Qualora, nell'ambiente di lavoro, vi siano presenti rampe in salute o discesa superiori al 2% si deve regolare l'altezza delle sonde onde evitare danni alla turbina di aspirazione.

AVVERTENZA:
Per la regolazione rivolgersi al Centro di Assistance Autorizzato.

8.1.g - Lista allarmi (solo per modelli con trazione integrata)
(Fig. 15)
Quando si presenta un malfunzionamento della macchina, sul display (1) lampeggiano delle barre, ognuna delle quali corrisponde ad un preciso allarme, come da elenco sotto riportato.
Consultare I'elenco ed eseguire le procedure consigliate per ripristinare il corretto funzionamento della macchina.
Se i rimendi consigliati non dovessero avere un buon esito, contattare il Servizio di Assistenza Tecnica.
Se.invoke, le tacche restano fisse, segnalano lo stato di carica della batteria:
1 Bar: carica minima;
10 Bar: carica massima.

Elenco allarmi:

Le batterie necessitano di ricarica.

Verificare la corretta connessione tra il motore e la schedea elettronica.

Il motore di trazione è in corto circuito.
Contattare l'assistenza tecnica

La carica delle batterie è scesa al di sotto della soglia impostata. La scheda elettronica ha inibito alcune funzioni.
Ricaricare le batterie.

Non usato.

L a scheda elettronica ha disattivato il motore di trazione.
Probabilmente è collegato il caricabatterie.

Allarme acceleratore (leve rosse sul maniglione di guida).
Verificare che sia in posizione centrale all'accensione della macchina.

La scheda elettronica è in allarme.
Verificare i collegamenti.

I I freno magnetico ha un problema.
Verificare i collegamenti del freno e del motore trazione.

Eccessiva tensione applicata alla schedae elettronica.
Verificare i collegamenti.
In aggiunta alle possibilità segnalate fino ad ora, si può presentare il caso in cui tutte e 10 le tacche continuino a scorrere sul display (1): significica che la macchina è stata accesa con acceleratore premuto, rilasciare l'acceleratore.
9.1 SCARICO ACQUA DIRECUPERO
(Fig. 16)
Alla fine del ciclo di lavaggio oppure quando il serbatoio (1) dell'acqua di recupero risultata pieno è necessario svuotarlo agenda come segue:

NOTA:
Per lo smaltimento dell'acqua di recupero attenersi alle norme vigenti nel paese di utilizzato della macchina.
- Posizioniarsi con la macchina vicino a una piletta di scarico.
- Staccare il tubo (2) dal supporto.
- Togliere il tappo (3) dal tubo (2) e scaricare completamente l'acqua contenta nel serbatojo.

NOTA:
E' possibile modulare la quantità di acqua che fluorisce premendo la parte finale del tubo (2).
- Reinserire il tappo (3) sul tubo (2) e riposizionarlo sul relativivo supporto.


Fig. 16
10.1 MANUTENZIONE E PULIZIA

AVVERTENZA:
Per le informazioni e le avventenze relative alle operazioni di manutenzione o pulizia atteneri a quantoindicato nel paragrafo "Avventenze generali durante la manutenzione" presente nel capitolo 1 del presente manuale.
OPERAZIONI DA EFFETTUARSI OGNI GIORNO
10.1.a - Svuotamento e pulizia serba-toio acqua pulita (Fig. 17)

AVVERTENZA:
Alla fine delle operazioni di lavaggio è obbligatorio scarticare e pulire il serbatoio dell'acqua pulita per evitare depositi o incrostazioni.
Dopo aver scaricato il serbatoio dell'acqua di recupero scaricare il serbatoio dell'acqua pulita agenda come segue:
- Posizioniarsi con la macchina su una piletta di scarico.
- Staccare il tubo (1) dagli apposti agganci, abbassarlo a terra sulla piletta di scarico, se chiuso, togliere il tappo (2) e lasciare scaricare completamente l'acqua.
- Sollevare il coperchio (3).
- Lavare l'internalo del serbatoio lasciando il tubo di scarico aperto e introducendo acqua pulita dall'apertura superiore.
- Alla fine della pulizia sollevare il tubo (1), chiudere il tappo (2) ad agganciare il tubo negli apposti incastri.



10.1.b - Pulizia serbatoio acqua di recupero (Fig. 18)

AVVERTENZA:
Alla fine delle operazioni di lavaggio è obbligatorio pulire il serbatoio dell'acqua di recupero per evitare depositi o incrostazioni ed il proliferare di batteri, odori, muffle.
- Scaricare l'acqua di recupero come indicato nel relativivo paragrafo posizionando-si con la macchina su una piletta di scarico.
- Sollevare il coperchio (1).
- Rimuovere la paratia (2) e lavarla con acqua corrente.
- Lasciando il tubo (3) abbassato e il tappo rimioso, tramite un tubo versare acqua corrente all'internalo del serbatoio (4), pulendolo fino a che dal tubo di scarico fuoriesca acqua pulita.
- Pulire con un panno umido le sonde di livello (5) facendoattenzione a non deformarle.
- Rimontare il tutto procedendo in senso inverso.



Fig. 18
10.1.c - Pulizia terGITore (Fig. 19)
Per effettuare una corretta pulizia del tergitore (1) è necessario rimuoverlo agenda come segue:
- Staccare il tubo (2) dal terGITore (1).
- Allentare i pomelli (3) e rimuovere il tergi-tore (1).
- Lavare il tergitore e in particolar modulo le gomme (4) e l'internalo del raccordo di aspirazione (5).

NOTA:
Se durante il lavaggio sinota che le gomme (4) si presentano rovinate o usurate è necessario sostituirle o girarle.
- Rimontare il tutto procedendo in senso inverso.
OPERAZIONI DA EFFETTUARSI OGNI MESE
10.1.d - Pulizia filtro acqua pulita (Fig. 20)
- Svitare il coperchio trasparente (1) del filtro e rimuovere il filtrro (2).
- Pulire ilhetto (2) in acqua corrente.
- Rimontare il tutto procedendo in senso inverso.


OPERAZIONI DA EFFETTUARSI SECONDO NECESSITA
10.1.e - Sostituzione spazzola (Fig. 21)
Si rende necessaria la sostituzione della spazzola quando la stessa si presenta usurata con lunghezza setole inferiore a 2 cm oppure va sostituita in funzione al tipo di pavimento da lavare; per la sostituzione, agire come segue:
- Sollevare la spazzola agenda sul pedale come indicato nel relativivo paragrafo.
- Infilare una mano sotto il gruppo portaspazzola (1); per sganciare la spazzola ruotarla con un colpo secco nel senso contrario alla rotazione.
- Sostituire la spazzola posizionandola sotto la flangia portaspazzola (1).
- Abbassare la flangia portaspazzola (1)
agenda sul pedale come indicato nel relativivo paragrafo. - Ruotare la chiave (2) in posizione "1".
- Premere l'interruttore (3) per abilitare la rotazione della spazzola.
- Agire sui comandi (4) posizionati sul maniglione per avviare la rotazione della spazzola fino a sentire il "click" di aggancio della spazzola sulla flangia (1), quando fermare la rotazione della spazzola rilasciando i comandi (4).
- Spagnere la macchina ruotando la chiave (2) in posizione "0".

10.1.f - Sostituzione gomme tergitori (Fig. 22)
Quando sinota che l'asciugatura del pavimento risultata dificoltosa o che nel pavimento rimangono alcune traccce di acqua è necessario controllare lo stato di usura delle gomme del tergitore (1):
- Rimuovere il gruppo tergitore (1) come indicato nel paragrafo "Pulizia tergitore".
- Svitare i dadi ad alette (2) e rimuovere le gomme (3).

NOTA:
Quando le gomme (3) sono usurate da un lato, per una volta, possono essere capovolate.
- Sostituire o capovolgere le gomme (3)zza invertirle.
- Rimontare il tutto procedendo in senso inverso.

NOTA:
E possibile avere due tipi di gomme: Gomme in para per tutti i tipi di pavimento e gomme in poliuretano per pavimenti di officine meccaniche, sporchi di olio.

Fig. 22
10.1.g - Sostituzione fusibili (Fig. 23)

AVVERTENZA:
Sostituire il fusabile bruciato con uno di pari amperaggio.
- Staccare la spina (1) alla presa (2).
- Togliere il coperchio (3) per accedere ai fusibili.
Fusibile (4) - 7,5A
Protezione quadro comandi.
Fusibile (5) - Verde 30A
Protezione motore rotazione spazzola.
Fusibile (6) - Rosso 40A
Protezione motore aspiratore
- Rimontare il coperchio (3).
- Per la sostituzione del fusabile (7) postosul polo positivo della batteria procederelnel seguente modo:

AVVERTENZA:
Controllare che il serbatoio di recupero e il serbatoio acqua pulita siano vuoti.
- Scollegare la spina (8).
- Togliere la copiglia (9) e sollevare i serbati (10), tramite la maniglia (11) sono al completo ribaltamento.
Fusibile (7)-75A
Fusibile batteria.


Fig. 23
10.1.h - Configurazione caricabatterie e strumento digitale (Figg. 24-25)

AVVERTENZA:
La macchina esce alla produzione con una configurazione standard per il funzionamento con batterie a gel tipo "Sonnenchein".
- Rimuovere il carter (1) svitando le viti (2).
Configurazione strumento digitale (solo per modellienza trazione integrata)
- Sulla parte posteriore dello strumento digitale (3) è presente un selettore (4):
per batterie ad acido ruotare il seletto- re (4) in posizione "0";
per batterie a gel ruotare il selettore (4) in posizione "2".



Fig. 24
Configurazione standard caricabatterie con batterie a gel tipo Sonnenschein
- Sollevare la mostrina (X) e controllare che gli switches (1 - 2 - 3 - 4) siano posti come in figura (C).
E' possible modificare la configurazione agenda come segue:
Configurazione caricabatterie per batterie a gel di tipo diverso da Sonnenschein
- Sollevare la mostrina (X) e controllare che gli switches (1 - 2 - 3 - 4) siano posti come in figura (D).
Configurazione caricabatterie per batterie ad acido
- Sollevare la mostrina (X) e controllare che gli switches (1 - 2 - 3 - 4) siano posti come in figura (E).

AVVERTENZA:
Agire solo sugli switches (1 - 2 - 3 - 4); non modificare la posizione degli switches (5 - 6 - 7 - 8).





Fig. 25
PROBLEMI - CAUSE - RIMEDI
| PROBLEMCAU | USA RIMEDIO | |
| Ruotando la chiave la macchina non si avvia. | Batteria scarica.Fusibile generale bruciato. | Controllare lo stato di carica della batteria.Sostituire il fusibile genera-le da 7,5A. |
| Spazzola non ruota. Fusibile | spazzola bruciato.Interruttore abilitazione ro-tazione spazzola non pre-muto. | Sostituire il fusibile VERDE motore spazzola da 30A.Premere l'interrottore. |
| Aspiratore non funziona. Fusibile aspiratore brucia-to.Interruttore aspiratore non premuto.Serbatoio di recupero pie-no. | Sostituire il fusibile ROSSOMotore aspiratore da 40A.Premere l'interrottore.Svuotare, lavare e pulire i serbatoio e le sonde. | |
| La macchina non asciuga bene lasciando tracce di acqua nel pavimento. | Aspiratore spentoTubo di aspirazione intasa-to.Serbatoio di recupero pie-no.Gomme tergitore usurate. | Avviare l'aspiratoreControllare e eventuallyme pulire il tubo di aspirazioné che collega il tergitore al serbatoio di recupero.Svuotare il serbatoio di re-cupero.Capovolgere o sostituire le gomme tergitore. |
| Non fuoriesce acqua. Serbatoio vuoto.Interruttore abilitazione eletrovalva non premuto.Rubinetto chiuso.Filtro intasato.Elettrovalvola non funzionante. | Riempire il serbatoio.Premere l'interrottore.Aprire il rubinetto.Pulire il filtro.Chiamare il servizio di assistenza tecnica. | |
| PROBLEMACAU | SA RIMEDIO | |
| Pulizia pavimento insuffi-ciente. | Spazzole o detergente ina-deguati. | Usare spazzole o detergen-ti adatte al tipo di pavimento o di sporco da pulire. |
| Spazzola consumata. | Sostituire la spazzola | |
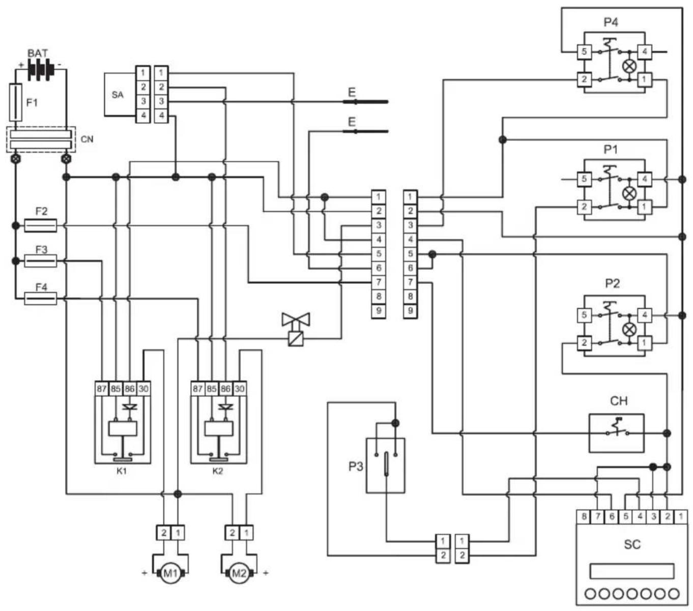
SCHEMI ELETTRICI
Modelli 45M45 - 45M55

BAT Battery 24V
CH Chiave
CN Connettore
E Elettrodo
F1 Fusibile batterie 75A
F2 Fusibile chiave 7,5A
F3 Fusibile spazzola 30A
F4 .Fusibile aspiratore 40A
K1 .Relè spazzola
K2 .Relè aspiratore
M1...Motore spazzola
M2 Motore aspiratore
P1 Pulsante spazzola
P2 Pulsante aspiratore
P3 Pulsante start spazzola
P4 Pulsante elettrovalvola
SA. Scheda antischiuma
SC...Indicatore scarica ^+ contaore
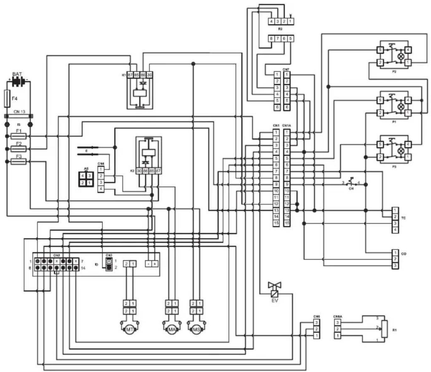
Modello 45D55

AS Antischiuma
BAT .Batteria 24V
CO .......Contaore
CN1 Connettore 15 PIN
CN2 . . . . . . . . . . . . . . . . . . . . . . . . . . . . . . . . . . . . . . . . . . . . . . . . . . . . . . . . . . . . . . . . . . . . . . . . .. Connettore alla centralina ID
CN3 Connettore alla centralina ID
CN4 .... Connettore alla scheda antischiuma
CN6 .Al potenziemetro PL
CN7 Al manubrio
E E .... Elettrodi
EV Elettrovalvola
F1 .Fusibile 7,5A
F2 .Fusibile 30A
F3 .Fusibile 40A
F4 .Fusibile 75A
K1 .Relè spazzola
K2 .Relè aspirazione
ID Centralina I-Drive
IS .Isolatori
MA .Motore aspirazione
MS .Motorre spazzole
MT Motore trazione
P1 . Pulsante spazzole
P2 Pulsante elettrovalvola
P3 . Pulsante aspirazione
R1 .Potenziometro 4,7K
R2 Acceleratore manubrio
TC True charge
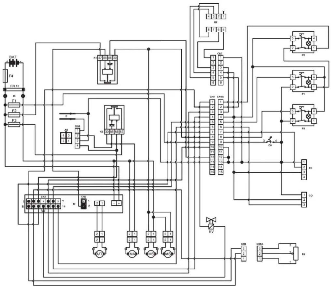
Modello 45D60

AS Antischiuma
BAT .Batteria 24V
CO Contaore
CN1 Connettore 15 PIN
CN2 ............ Connettore alla centralina ID
CN3 Connettore alla centralina ID
CN4 .... Connettore alla scheda antischiuma
CN6 .Al potenziemetro PL
CN7 Al manubrio
E Elettrodi
EV Elettrovalvola
F1 .Fusibile 7,5A
F2 .Fusibile 30A
F3 .Fusibile 40A
F4 .Fusibile 75A
K1 .Relè spazzola
K2 .Relie aspirazione
ID Centralina I-Drive
IS .Isolatori
MA .Motore aspirazione
MS .Motorre spazzole
MT Motore trazione
P1 . Pulsante spazzole
P2 Pulsante elettrovalvola
P3 Pulsante aspirazione
R1 .Potenziometro 4,7K
R2 Acceleratore manubrio
TC .True charge
Dear Customer,
10.1 MANTENIMIENTO Y LIMPIEZA

ADVERTENCIA:
via Circonvallazione, 5 - 27020 Dorno (PV) Italy
Tel. +39 0382.848811 - Fax +39 0382.84668
http://www.ghibli.it - e-mail: info@ghibli.it
ManualeFacile