S1 45M45 - Lavadora automática Ghibli - Manual de utilização gratuito
Encontre gratuitamente o manual do aparelho S1 45M45 Ghibli em formato PDF.
Perguntas frequentes - S1 45M45 Ghibli
Questions des utilisateurs sur S1 45M45 Ghibli
0 question sur cet appareil. Repondez a celles que vous connaissez ou posez la votre.
Poser une nouvelle question sur cet appareil
Baixe as instruções para o seu Lavadora automática em formato PDF gratuitamente! Encontre o seu manual S1 45M45 - Ghibli e retome o controlo do seu dispositivo eletrónico. Nesta página estão publicados todos os documentos necessários para a utilização do seu dispositivo. S1 45M45 da marca Ghibli.
MANUAL DE UTILIZADOR S1 45M45 Ghibli
Os dados identificativos e a marca “CE” da boa está poscionados na plac (1) posta por baixo do paine de comandos.
Recomendamos que você anote o Modelo da boaina e seu número de série naanela abaixo.


PT Português PT-1 (Traducao das instruções originais)
Gentile cliente,
8.1 FUNZIONAMENTO (Figg. 11-12-13)
8.1 FUNCIONAMIENTO ES-17
Ciclo lavado, cepillado:
Obrigado por escolher nossois produits para a limpeza dos seuis locais.
A boa para fazer o meuignon é agradear os outros para me dar agradeamento.
Estamos conscientes que, para manter um alto nível de qualidade do produits ao longo do tempo, são necessarias atualizacoes e melhorias continuas, destinadas a satisfazer as necessidades e expectativas das pessoas que utilizez quotidianamente a boaquina. Por也是如此 que você está, àslem de um cliente satisfeito, um parceiro que não hesita em aparecer opiniões e ideias decorrentes da sua experiencia diária.
Indices
Dados Tecnicos. PT-3
1.1 INTRODUÇÃO PT-5
1.1.a Finalidade do Manual PT-5
1.1.b Consultar o manual PT-5
1.1.c Legendado sibbolos contidoseste manual PT-5
1.1.d Terminologia convencional. PT-5
1.2 ADVERTENCIAS GERAIS PT-5
1.2.a Qualificacao e certificacao de personal.. PT-5
1.2.b Postura do usuario durante a utilização da boaquina .PT-5
1.2.c Acessórios e vestuário de proteção . PT-6
1.2.d Advertências gerais (ANTES DE USAR) PT-6
1.2.e Advertencias gerais de uso. PT-6
1.2.f Informacoes gerais sobre as baterias PT-6
1.2.g Informacoes gerais sobre a manutencao.. PT-6
1.2.h Informacoes gerais em caso de incendio . PT-6
1.2.i Armazenamento por longos periodos PT-6
1.3 USO PREVISTO DA MAQUINA PT-7
1.4 USO NAO PREVISTO PT-7
1.4.a Atmosferas (Areas) com risco de explosao e inflamubilidade .PT-7
1.5 DESTRUÇÃO DA MAQUINA PT-7
1.6REFERENCA NORMATIVA PT-7
2.1 DESEMBALAGEM PT-8
2.1.a Acessórios em dotação PT-8
3.1 MONTAGEM DOS COMPONENTES PT-9
3.1.a Posicionamento do Conjunto guidao PT-9
3.1.b Montagem da cobertura reservatorio . PT-9
3.1.c Instalação e ligação das baterias.. PT-10
4.1 CARGA DA BATERIA PT-11
4.1.a Carga da bateria atraves do carregarador de baterias de bordo (se presente)PT-11
4.1.b Carga da bateria através do carregarador de baterias externo .PT-12
5.1 CONHECIMENTO DA MAQUINA PT-13
6.1 PAINÉL DE CONTROLE E COMANDO PT-14
7.1 ENCHIMENTO DO RESERVATORIO PT-16
8.1 FUNCIONAMENTO PT-17
8.1.a Verificacoes que devem ser feitas antes da utilização PT-17
8.1.b Preparacao daquina e escolha do ciclo de limpeza.. PT-18
8.1.c Utilização da boaquina.. PT-19
8.1.d Termino da utilização e desigamento PT-19
8.1.e Alarme maximalo do nivel da agua de recuperação . PT-20
8.1.f Altura sondas PT-20
8.1.g Lista de alarmes (so para modelos com tracao integra) .PT-21
9.1 DESCARGADAS ÁGUAS SUJAS PT-23
10.1 MANUTENÇÃO E LIMPEZA PT-24
10.1.a Esvaziamento e limpeza do reservatorio de agua limpa .PT-24
10.1.b Limpeza do reservatorio de aguas sujas PT-25
10.1.c Proceso de lavagem do mecanismo limpador PT-26
10.1.d Limpeza do filtrlo do reservatorio de agua limpa PT-26
10.1.e Substituicao da escova PT-27
10.1.f Substituicao das partes em borracha do mecanismo limpador PT-28
10.1.g Substituicao dos fusiveis PT-29
10.1.h Configuração carregarador de baterias e instrumento digital PT-30
PROBLEMAS - CAUSAS - SOLUÇOES PT-32
DIAGRAMAS (ESQUEMAS) ELETRICOS PT-34
Dados Técnicos
| 45M45 45M55 45D55 45D60 | ||||
| Sistema de半导ha Opeatore a terra | ||||
| Caracteristicas | ||||
| Alimentacao Bateria 24V | ||||
| Potência instalada 1080 W 1230 W 1430 W | ||||
| Tipo de avanço Manual Eléctrica para frete para trás | ||||
| Faixa de trabalho 440 mm 550 mm 600 mm | ||||
| Faixa de aspiração 750 mm 850 mm | ||||
| Capacidade teórica de trabalho 1550 m2/h | 1900 m2/h | 2750 m2/h | 3000 m2/h | |
| Escovas | ||||
| Diámetro/Acessório(s) de série | 440 mm / 16" x 1 | 550 mm / 20" x 1 | 310 mm / 12" x 2 | |
| Potência do motor/ Acessório(s) de série | 500 W x 1 | 350 W x 2 | ||
| Velocidade | 170 giri/min. | 190 giri/min. | ||
| Pressão especialica | 30 gr / cm2 | 25 gr / cm2 | 50 gr / cm2 | |
| Troção | ||||
| Potência motor | -- | 150 W | ||
| Velocidade avanço máximo | -- | 5,0 Km/h | ||
| Declive máximo supervel com plena energia | 2% | |||
| Aspiração | ||||
| Potência do motor | 570 W | |||
| Vázuo | 130 / 1350 mbar/mmH2O | |||
| Fluxo de ar | 32 l / sec | |||
| Nível de ruído | 67 dB (A) | |||
| Reservatório | ||||
| Tipo | “Tank in tank” | |||
| Reciclagem de águas | Não prevista | |||
| Capacidade | 65 l | |||
| Capacidade de recolhimento | 45 l | |||
| Dimensoes | 1130 x 520 x 970 mm | 1170 x 540 x 970 mm | 1100 x 610 x 970 mm | |
| Ruido 66 dB (A) 63,9 dB (A) 66 dB (A) | (A) | |||
| Vibrações ISO 5349 0,93 m/s | 2 | 1,17 m/s2 | 1,23 m/s2 | |
| Peso | ||||
| Peso da boaquina 90 kg 94 kg 96 | kg 98 kg | |||
| Peso com baterias 143 kg 147 kg | 176 kg 178 kg | |||
| Peso em ordem de marcha 208 kg | 212 kg 241 kg | 243 kg | ||
| Acessórios | ||||
| Escova PPL Ø 0,7 | 40.0002.00 | 40.0003.00 | 40.0001.00(x2) | |
| Escova pára gotas | 39.0022.00 | 39.0023.00 | ||
| Borracha raspador dianteiro | 39.0007.00 | 39.0002.00 | ||
| Borracha raspador posterior | 39.0008.00 | 39.0001.00 | ||
| Acessoriós a pedido | ||||
| Escova PPL strong Ø 0,9 | 40.0102.00 | 40.0103.00 | 40.0101.00(x2) | |
| Escova PPL strong Ø 1,2 | 40.0302.00 | 40.0303.00 | 40.0301.00(x2) | |
| Escova tynex Ø 1,2 grit 80 | 40.0202.00 | 40.0203.00 | 40.0201.00(x2) | |
| Arrastador | 40.1002.00 | 40.1003.00 | 40.1001.00(x2) | |
| Borracha raspador dianteiroanti-óleo | 39.0037.00 | 39.0033.00 | ||
| Borracha raspador posterioranti-óleo | 39.0050.00 | 39.0039.00 | ||
| Set n° 2 baterias GEL | 18.0000.00 - 2x 12V - 79Ah(C20) | 18.0001.00 - 2x 12V - 120Ah(C20) | ||
| Grupo carregarador de baterias | 22.0032.00 - 230V 50-60Hz / 24V 12A | |||
| Grupo carregarador de bateriasU.S.A. | 22.0077.00 - 115V 50-60Hz / 24V 12A | |||
Baterias:
Aconseha-se a utilização de baterias de gel.
- Maquinas com traca: Baterias de gel, tipo GF 12 - 105 V / 120 Ah (C20).
- Maquinas sem tracção: Baterias de gel, tipo GF 12 - 79 V / 79 Ah (C20).
1.1 INTRODUÇÃO
Este manual é parte integrante e complementar da和个人á; por isso deve ser preservado com cuidado em um lugar seguro e acessível a todos os 用户os (operadores e pessoal de manutenção técnica) durante toda a vidautil da和个人, ou seja, até a sua demoluição.
1.1.a - Finalidade do Manual
O objetivo deste manual consiste em fornecer as instruções necessarias para a ligação, Utilização e manutenção daquina.
Recomendamos uma leitura atenta das instruções e uma estrita observança das normas de seguranca descritas no manual.
A inobservança destas normas pode causar eventuels danos à boa e à saude do operador que, em nenhum caso, poder ser imputados ao fabricante.
As indentações de segurarca descririas no manual complementam mas NAO SUBSTITUEM as normas em vigor no País onde aquinaa éutilizada.
1.1.b - Consultar o manual
Omanual é dividido em capítulos,segundo
uma ordem lógica de conheçimento eutiliza
ção da boaquina.
Para facilitar a pesquisa, consulte sempre o
INDICE.
1.1.c - Legendas dos simbolos contidos nestemanual
Para encontrar as informações e os procedimentos relacionados à segurar, manutençao, etc., foram adotados as seguentes sintbolos:

PERIGO:
Aviso de um perigo grave, e até mesmo mortal, para a segurarca do operador e/ ou de terreiros.

AVISO:
Informações de extrema importância para evaporar sérios danos à boaquina e ao meio-ambiente em que a boaquina opera.

NOTA:
Informações adiconais para o correto func. tionamento da区内a ou de carater geral.
1.1.d - Terminologia convencional
As indicações à freme, atrás, à freme e atrás parte superior, à esquerda e à direita parte inferior referem-se ao operador adotando uma postura correta, com as muitos posicionadas sobre o Conjunto guidão.
Por quostoes de simplicidade o nome comercial do Modelo foi substituido pelo nome "Máquina".
1.2 ADVERTÉNCIAS GERAIS
É necessário que os functionários (gerentes e operadores) sejam instruções sobre os métodos operações e as normas de segurar descritas neste manual antes da ligação, utilizesçao ou execuição de quando operações de manutenção.
Respeite todos os preceitos contidos no manuai e em eventuais anexos.

PERIGO:
O uso da boa, é proibido às pessoas não aptas ao seu manuseio, às crianças e portadores de deficiências fisicas.
1.2.a - Qualificacao e certificacao de pessoal
Empresa
O uso é uma coisa, genérica, capaz de realizar simples operações de condução da boaquina e as operações de limpeza no final do_turno de trabalho.
Técnico responsavel pela manutenção eletrica e mecanica
Técnico qualificado para executar quaisquer operações de reparação e substituição de partes na boa que necessitam ser feitas atraves da remoção dos carderes de proteção.
1.2.b - Postura do usuario durante a utilização da boaquina
O usuario, ao utilize a boaquina, deve estar posicaoado na parte posterior da mesma, com as mao sobre o Conjunto guidao.
1.2.c - Acessórios e vestuário de proteção
- Use acessórios e vestuário de proteção adequados, atendendo as normas em vigor no País onde a boaquina é realizada.
1.2.d - Advertências gerais (ANTES DE USAR)
- Verifique, antes da utilização da区内a, que as proteções de segurarca (cárteres) estejam devidamente fixadas em seu alojamentos.
1.2.e - Advertências gerais de uso
Se aquina emitir ruidos estranhos desligue-a imeditamente e identifique a causa.
- NÃO deixe a boaina em superficies com inclinação superior a 2%.
- Evite impactos contra prateleiras ou armários durante o uso.
- É proibida a'utilização da区内aáreas ao ar livre e emestradas Púbicas.
- Use a boaina possivelmente em areas livres de pessoas; caso for utilizing amaiqina na presenca de pessoas estranhas,alerte-as para que se afastem ante des起初 quaisquer operacoes.
- Não use a boaquina em和地区 com Presence de substancas corrosivas ou salobras.
- Não utilize a boaquina em atmocferas explosivas ("ATEX").
1.2.f - InformaçõesGERais sobre as baterias
- O acido da bateria é corrosivo: no caso de contacto com a pele lavar abundamente com água.
- Usar adequados meios de proteção individual para fazer o contacto com a pele (ver normas em vigor no País de utilizesçao da boa).
- Não inalar o vapor: é perigoso.
- Carregando a bateria pode-se formar uma mistura de gás explosiva, portanto os locais onde a bateria deve ser carregada devem ser bem ventilados e em conformidade com as normas espécicas na materia.
- É proibido fumar e/ou'utilizar chamas li
vres no raio de 2 metros da bateria durante o carregamento, na area de recarga, e durante o arrefecimento da mesma antes a recarga.
- Assinalar eventuels perdas de liquido da bateria:
São perigosas e muito polentes.
1.2.g - Informações gerais sobre a manutenção
- Desligar as baterias, antes de efectuar as operações de manutençao ou de reparacao.
- Não colque objetivos metalicos e ferramentas em cima das baterias; perigo de curto-circuitos.
- Não utilize detergentes agressivos, acidos, lixivias, etc., durante as operações de limpeza e lavagem e dedique uma atençao especial às partes electricas.
- Não lave a boa com jatos d'água diretos ou de alta pressão.
- Caso seja necessario erga a boa para executar quaisquer operacoes de manutencao, e necessario apoia-la em suportes bem fixados para travaalhar com seguranca.
- Contate assistência técnica autorizada para as reparações e exija sempre peças originais.
1.2.h - Informações gerais em caso de incério
- Em caso de incendidio utilize apenas extintores em po quimico certificados e homologados, NAO use agua para extinguir o fogo.
1.2.i - Armazenamento por longos periodos
- Mantenha todo o equipamento em local coberto e protegado contra as interpéties e a ação dos agentes atmóricos, em um lugar onde as temperatas variam entre 5^ e 40^
- Retire a chave.
- Esvazie completeness o reservatorio de agua.
- Execute o carregamento das baterias e desconnecte as ligações quando o processo estiver completeness.
Reccaregue as baterias uma vez por mês.
1.3. USO PREVISTO DA MAQUINA
A boa, foi projetada e construira exclusivamente para lavar e secar pisos de interiores.

PERIGO:
O fabricante declina quaisquer responsabilitadies por danos pessoas e/ou materiais decorrentes de umautilização naoprevista; ademais isso invalida quaisquer termos de garantia.
1.4 - USO NÃO PREVISTO

AVISO:
A boa nao foi projetada para func tionar em areas externas.

PERIGO:
- não lavar os pavimentos com água superior a 50^ ;
- não usar gasólico/gasolina ou detergentes corrosivos para a lavagem dos pavimentos;
- não lavar e"Aspirar liquidos corrosivos, inflamáveis, explosivos mesmo se forem diluidos.
1.4.a - Atmosferas (Áreas) com risco de explosão e inflamídade
É absolutamente proibida a'utilização da boaquina em和地区 com risco de explosão, onde há gases, vapes, liquidos e pos inflâveis e explosivos.
1.5. DESTRUÇÃO DA MAQUINA
Respeite as legislações locais para preservar o meio-ambiente. quando a boaina não é mais'utilizando ou reparavel, proceeder à separação manual dos componentes a fim de permitir uma coleta diferenciada.

Os equipamentos electrolycos não podem ser eliminados como residuos urbanos, os processos de coleta diferenciada introduzidos pela disciplina especial relativa aos residuos de equipments electrolylicos e eletronicos (Decreto Legislativo 151/2005 do Governo Italiano - Diretiva 2002/96/CE - Diretiva 2003/108/CE) devem ser respeitados.
O símbolo da lixeira presente no equipamento ou na embalagem indica que tratá-se deequipamentoétrico. Este símbolo minhaque o equipamento foi colocado no mercadoapós o dia 13 de agosto de 2005 e delve sereliminado separadamente.
Uma eliminacao inadequada e/ou não-permitida, ou uma utilização indevida dos equipamentos, tendo em consideração os materiais e as substancias que os compoem, podem causar danos às pessoas e ao meio-ambiente. A eliminacao dos resíduos de equipamentos electrolycos realizada em desrespeito/violação das normas em vigor préve a aplicação de sanções administrativas e penais.
1.6.REFERÊNCIA NORMATIVA
A boa, foi fabricada em conformidade com a directa maquinas e com as normas evidenciadas na declaracao "CE" de conformidade, fornecida junto com a boa.
2.1 DESEMBALAGEM (Fig. 1)
Remova a embalagem como indicaçao nas instruções fornecidas, e verifique a integridade da区内e todos os componentes incluidos.
Se notar algo dano aparente entre em contato com o distribuidor autorizzato e o transporteur no prazo de tres días (uteis) a partir da recepçao da ordem.
- Remover a saca (1) que contém os acessósios.
- Cortar a cintagem (2).
- Remover a cobertura (3) reservatório de água de recuperação.
- Remover os bloqueiros (4) e (5) emmadeira.
Elevar a escova (6) pressionando no pedal (7) (vero relativeo paragrafo). - Elevar o raspador (8) elevando a manilha (9) (vero relativo paragrafo).
- Posicionar um deslizador e descarregar a boa do estrado.
2.1.a - Acessórios emDOTAZo (Fig. 2)
Os acessos incluidos são:
1) Mangueira flexivel para o carregamento da agua.
2) Manual de uso e manutenção da boaquina.
3) Manual de instruções do carregarador de baterias (se presente).
4) Escova/s.
5) Cabo de alimentação do carregaror (se presente).
6) Fusivel 7,5A - Fusivel 30A - Fusivel 40A.


3.1 MONTAGEM DOS COMPONENTES
3.1.a - Posicionamento do Conjunto guidão (Fig. 3)
- Desapertar os volantes (1).
- Posicionar a manilha (2) na alta desejada e portanto aperture os volantes (1).

3.1.b - Montagem da cobertura reservatório (Fig. 4)
- Montar a cobertura (1) como indica na figura inserindo as ranhuras da cobertura nos pinos do suporte (2) manilhas.
- Exercer uma pressão na dobradiça da cobertura (1) até engata-lo correctamente.

PT
3.1.c - Instalação e ligação das baterias (Fig. 5)

AVISO:
Controlar se o reservatório de recuperação e o reservatório de água limpa estejam vazios.
- Desligar a ficha (1).
- Retirar o contrapino (2) eEARos reservatorios (3), atraves da manilha (4) até a completeness.
- Posicionar as baterias (5) como indica na figura e ligá-las como indica no esquema da Fig. 5'utilizando os cabos emDOTAZ.
- Apertar os terminais (6) utilizing uma chave isolada.
- Baixar os reservatórios (3) e reposicionar o contrapino (2).
- Ligar a ficha (1).

NOTA:
A ligação das baterias deve ser efectuada por pessoal especializzato.





4.1 CARGA DA BATERIA

PERIGO:
Efectuar a entrega das baterias em locais bem arejados e em conformidade com as normas no País de utilizesao.
Para as informações relativas à segurarça respeitar o quando descririto no capítulo 1 do presente manual.

AVISO:
Para as informacoes e os avisos relativos à bateria e ao carregarador de baterias de bordo (se presente) respeitar o quanto indicado no manual do carregarador de baterias em anexo ao presente.

AVISO:
Para mais informações sobre a calibragem fazer referencia às informações presentes no parágrafo 10.1.h.

NOTA:
Para a recarga completeness das baterias são necessarias 10 horas. Evitar recargas parciais.
4.1.a - Carga da bateria através do carregarador de baterias de bor-do (se presente) (Fig. 6)
- Levar a boa perto de uma ficha de corrente eletrica de rede.
- Desligar a ficha (1) das baterias da toma da (2) da instalacao.
- Ligar a ficha (1) das baterias à tomada (3) do carregarador de baterias de bordo (4).
- Tirar do apropriadopengate o cabo (5) eliga-lo na tomada (6) presente naquina, portanto ligar a另外一个 extremidade na toma da de corrente da rede.


AVISO:
Controlar se a tensão da rede é compatible com a tensão de functiçamento do carregarador de baterias (230 Vac para o mercato Europeu; 115 Vac para o mercado Americano; 50/60 Hz).
- Deixar em cargo as baterias até à illuminação do led (7) "Verde", portando deslagar o cabo (5) de alimentação e repo-lo.
- Ligar novamente a ficha (1) das baterias à ficha (2) da instalação.
4.1.b - Carga da bateria através do carregarador de baterias externo (Fig. 7)
- Levar a boa perto de uma estagao de cargo de baterias.
- Desligar a ficha (1) das baterias da toma da (2) da instalacao.
- Ligar a ficha (1) das baterias à tomada (3) do carregarador de baterias externo.
- No fim da recarga das baterias ligar novamente a ficha (1) das baterias à tomada (2) da instalação.

5.1 CONHECIMENTO DA MAQUINA (Fig. 8)

1) Conjunto guidão.
2) Painel de contrôle.
3) Alavanca de acontecimiento do mecanismo limpador.
4) Torneira de fornecimento de agua.
5) Reservatório.
6) Cobertura reservatório.
7) Abertura para enchimento com agua limpa.
8) Rodas.
9) Flange de adaptação para a rotação da escova.
10) Escova.
11) Mechanismo limpador.
12) Tubo de descarga das águas sujas.
13) Mangueira de sução da água de limpeza.
14) Tubo de descarga agua limpa.
15) Carregador de baterias (optional).
16) Filtro.
17) Rodas giratorias.
18) Pedal subida / descida escova.
19) Botão de ligação rotação escovas.
20) Alavancas ligação traçao e rotação escovas.
6.1 PAINÉL DE CONTROLÉ E COMANDO (Fig. 9)
1) Interruptor ligação aspirador
O funciona do interruptor activa-se com a chave (2) na posicao "1".
Premir o interruptor na posicao "I", acende-se e liga-se o functi冗amento do aspirador.
2) Chave de ligaçao
Girada na posicao "1" activa o funciona-mentation daquina.
Acende-se quando a chave de ligação estiver na posicao "1" e indica as horas de funcaoamento daquina.
Acende-se quando a chave de ligação estiver na posicao "1"indicando o estado da energia da bateria.
-
Quando se acendem os leds de calor ver de ou o led posicionado na parte es trema direita do instrumento, indica que o estado da energia da bateria está no maximum.
-
Quando se acendem os leds de cor alaranjada ou os leds centrais do instrumento, indica que o estado da arga da bateria é cerca da metade.
-
Whenever you are in the area, you should use the signs and signs of the nearest public place.

NOTA:
Quando o led ou os leds vermelhos estiverem acemosnão utiliser a MQquina mas dirigir-se para a zona de correamento das baterias.
4) Interruption de activação da rotação da/s escova/s
O funciona do interruptor é Activado pela chave (2) na posicao "1".
Premir o interruptor (4), activa-se a rotação da/s escova/s;
O funciona das vezes é comandado pelo botão (7) ou (8) o das alavancas (9) conforme o Modelo, com as escobvas em rotazione acende-se o botão.
5) Interruptor da electrovalvula da agua
O funciona do interruptor é Activado pela chave (2) na posicao "1" e pelo interruptor (4) na posicao "I".Premir o interruptor (5),obtem-se a abertura da electro-valvula da agua, o funciona da mesma é comanda-da性和 botao (7) ou (8) ou pelas alavancas (9) conforme o Modelo, com a elecrováluvla aberta acende-se o botão.
A quantidade de agua regula-se atraves da torneira (6).
6) Torneira de regulação da quantidade de água
- Girar aorneira (6) no sentido anti-horário para augmentar a quantidade de solução, vice-versa para diminui-la.
7) Botão de ligação da rotação da/s escova/s
Premido com a chave (2) na posicao "1" e o interruptor (4) na posicao "l" Liga a rotação da/s escova/s e o fornecimento da agua.
8) Alavancas de ligação truncação e rotação das escovas
Usando as alavancas (9) com a chave (2) na posicao"1" e o interruptor (4) na posicao"l" liga a traccao e a rotação das/s escova/s e o fornecimento da agua.
Empurrando as alavancas no sentido "A" a boa liga-se para frente; empurran-do as alavancas no sentido "B" a boa liga-se para a marcha-atrás.

NOTA:
A velocidade de tracao é proportionada ao angulo de movimentacao das alavancas.
9) Manipulo regulação da velocidade maxima
Girando o Manipulo para a esquerda diminui-se a velocidade Tmaxima, girando-o para a direita aumenta-se.

7.1 ENCHIMENTO DO RESERVATORIO (Fig. 10)

AVISO:
Introduzida no reservatório senteágua limpa da rede de distribuição hídrica e a uma temperatura não superior a 50^ .
- Extraia o tubo (1) (incluindo entre os acessórios em dotação), conecte a extremidade (1a) à uma sina de água e a introduza a extremidade (1b) no reservatório (2).
- Abra a torneira e encha o reservatório (2).
- O;nivel da agua contida no deposito é visualizzatoPGAema varmelha posiccionada no tubo trasparente (1).
- Introduza o detergente liquido no reservatorio.

NOTA:
Utilize apenas deterentes não espumisos, em RELATED à quantidade de produits a ser realizado siga as instruções do fabricante do detergente e leve em consideração o tipo de sujidade.

PERIGO:
Caso ocorra conta do detergente com os olhos e a pele, ou em caso de ingestão, sina atentamente a ficha de segurar e instruções tínicas de utilizesçao fornecidas pelo fabricante do produits.
- No fim do enchimento do deposito: introduzir completeness o tubo (1) no deposito (2) onde a extremidade (1a) serve como tampa.

8.1 FUNCIONAMENTO
(Fig. 11-12-13)
8.1.a - Verificações que devem ser feitas antes da Utilização
- Certifique-se de que o tubo (1) de descarga do reservatorio de águas sujas esteja devidamente acoplado e corretemente tampado.
- Certifique-se de que a junção (3) montada sobre o mecanismo limpador (4) não está obstruindo e de que o tubo está corretamente connectado.
- Controlar se o tubo (5) de descarga de agua limpa está correctamente engatado nos apropriados suportes e que está correctamente tapado.
- Controlar o estado da energia das baterias; girando a chave (7) na posicao "1", controlando o indicator de leds (8).



Fig. 11
8.1.b - Preparação da区内e escolha do ciclo de limpeza
- Girar a chave (7) na posicao "1", acendem-se os leds do instrumento (8)indicando o estado da energia das baterias e o display (8a)indicando as horas de funcaoamento.
- Desengatar a alavanca (9) e baixa-la; o limpa-pavimentos (4) desce.
- Premir o pedal (10), desengatando-o do apropriado engate e levanta-lo, a/s escova/s abaixam-se.
Ciclos de limpeza:
- A boa, tem a capacidade de executar 4 (quatro)发展目标es ciclo de trabalho:
Ciclo so secagem:
- Para efectuar semente o ciclo de seca-gem premir o interruptor (12), liga-se o aspirador.
Para os modelos com tratçao usar os apropriados comandos para ligar a tratçao.
Ciclo so escovacao:
- Para efectuar semente o ciclo de escovagem premir o interruptor (13) para activar a rotação da/s escova/s.
Premir os comandos (botoes ou alavancas) posicionados na manilha para ligar a rotação da/s escova/s (para os modelos com tratção integradna liga-se tambem a tratção).
Ciclo de lavagem e escovacao:
- Premir o interruptor (13) para activar a rotação da/s escova/s; premir o interruptor (14) para activar o fornecimento da água.
Ciclo de lavagem, escovacao e secagem:
- Premir o interruptor (12) para ligar o aspirador, o interruptor (13) para activar a rotação da/s escova/s premir o interruptor (14) para activar o fornecimento da água.
Premir os comandos (botoes ou alavancas) posicao-dos na manila para ligar a rotação da/s escova/s e o fornecimento da agua (para modelos com tratacao integra liga-se tambem a tratacao).




8.1.c - Utilização da boaquina
Depois de têr ligado a boaina e escolhido o tipo de ciclo,,iniciar as operações de limpeza empurrando a boaina atraves da manilha (1) ou usingo os comandos (2) (botoes ou alavancas) para ligar a tracção (para os modelos povidos).

NOTA:
Para evaporar que o piso soit danificado não use a boaquina parada e com a funcao de rotação da escova ativada.

NOTA:
A boa limpeza e secagem do solo é feita somen- te se a execucao dos processos é feita movendo aquiresina para frente; movendo-a paraTRS, algo de provocar um rapiido desgaste das partes em borracha, aquiresina nao executa corre-. tamente oprocesso de aspiracao das aguas.
- Se necessário, ajustar a quantidade de água necessária para executar a limpeza atraves da torreira (3).
- Verificar o estado de energia das baterias através dos "LEDs" indicadores (4).
8.1.d - Termino da utilizesao e desligamento
- No fim das operações de limpeza antes de deslagar a boaquina parar o fornecimento da agua e a rotação da escova usingo os interruptores (5) e (6); Prosseguir com o aspirador inserido para aspirar todo o liquido presente no pavimento, portanto deslagar o aspirador premindo o interruptor (7).
- Elevar o limpa-pavimento (8) elevando a alavanca (9) engatando-a na apropiada argola (10) de fixação.
- Elevar a escova pressionando o pedal (11) até ao fim deAwaye ingatando-o no apropriadeno encaixe.

AVISO:
Erga o limpador après o termino de quaisquer ciclos de limpeza, a fim de evaporar a deformacao das partes em borracha.
- Girar a chave (12) na posicao "0" para desligar a boaquina.

8.1.e - Alarme máximo do nível da agua de recuperação (Fig. 14)
Se durante a utilizesao da maquina o aspirador se desligar significa que o nivel do liquido presente no deposito de recuperacao atingiu as sondas (1) de nivel maximo colocadas no interior do mesmo deposito.
Dirigir-se a uma estação de descarga de água e descarregar o reservatório de recuperação como indicado no relativo parágrafo.
8.1.f - Altura sondas (Fig. 14)
As sondas (1) são reguladas para uma utilização da boa quina comPENDência de 2% . Caso, no ambiente de trabalho, existam rampas em subida ou descida superiores a 2% deve-se regular a alta das sondas para evaporar danos na turbina de aspiração.

AVISO:
Para a regulação contactar o Centro de Assistência Autorizada.

8.1.g - lista de alarmes (so para modelos com tratçao integrad) (Fig. 15)
Quando existe um mau funcionaamento da boaquina, no display (1) tornam-se intermitentes as barras,
cada uma das quais corresponde a um alarme preciso, conforme o elenco abaixo referido.
Consultar o elenco e efectuar os procedimientos aconselhados para restabelecer o correcto funciona-namento daquina.
Se as soluções aconselhadas não obtiverem um bom resultado, contactar o Serviço de Assistência Tecnica.
Se ao contrario, as barras ficarem fixas, assinalam o estado de energia da bateria:
-
1 Bar: energia minima;
-
10 Bar: energia maxima.
Lista alarmes:

As baterias necessitam de corregamento.

O motor de truncação está em curto circuito.
Contactor a assistência técnica.

Aarga das baterias desceu abaixo do limite configurado.
Carregar as baterias.

Não uso.

A ficha electrónica desactivou o motor de truncação.
Provávelmente está ligado o carregarador de baterias.

Alarme acelerador (alavancas vermelhas na manilha de conduccao).
Verificar se está na posicao central ao ligar a MQquina.

A ficha electrónica está em alarme.
Verificar as ligações.

O travao magnetico tem um problema.
Verificar as ligações do travão e do motor tratçao.

Excessiva tensão aplicada na placar electrónica.
Verificar as ligações.
Adichoando as possibilidades assinaladas até ahora, pode-se encontrar o caso em que todas as 10 barras continuem a deslocar-se no display (1): significa que a boa aquina foi ligada com o acelerador premido, libertar o acelerador.
9.1 DESCARGA DAS ÁGUAS SUJAS
(Fig. 17)
Apos o termino do ciclo lavagem ou quando o reservatório (1) de águas sujas estiver completeness é necessário esvazía-lo em pleno respeito das seguides instruções:

NOTA:
Em relacion ao processo de escoamento das áquas sujas siga atentamente as normas em vigor no País onde a boaquina é realizada.
- Posiciona aquina cerca de una社会效益 de escoamento.
- Retire o tubo (2) da conexão.
- Retire a tampa (3) do tubo (2) e descarregue totalmente as águmas contidas no reservatório.

NOTA:
É possével modular a quantidade de água que sai premindo a parte final do tubo (2).
- Reintroduzir a tampa (3) no tubo (2) e posicioná-lo novamente no relativo suporte.


Fig. 16
10.1 MANUTENÇÃO E LIMPEZA

AVISO:
Em relaço às informações e advertências sobre as operações de manutenção ou limpeza sina as instruções contidas no parágrafo "Informações gerais sobre a manutenção", do capículo 1 do presente manual.
OPERACOES QUE DEVEM SER EFETUADAS TODOS OS DIAS
10.1.a - Esvaziamento e limpeza do reservatorio de agua limpa (Fig. 17)

AVISO:
Apos o termino das operações de lavagem é necessário desacoplar e limpar o reservatório de água limpa a fim de evaporar depositos ou incrustações.
Apos o termino do processo de escoamento das águmas sujas espaziar o reservatório deágua limpa agindo como descririto em seguida:
- Posiciona aquina cerca de una saida de escoamento.
- Desengatar o tubo (1) dos apropiados engates, baixá-lo na terra na grelha do sifão de descarga, se estiver fechado,utar a tampa (2) e deixar descarregar completeness a agua.
Elevar a cobertura (3). - Lavar o interior do reservatorio deixando o tubo de descarga aberto e introduzindo agua limpa pela aperture superior.
- No fim da limpeza levantar o tubo (1), fechar a tampa (2) e engatar o tubo nos apropiados encaixes.



10.1.b - Limpeza do reservatório de águas sujas (Fig. 18)

AVISO:
Apos o termino das operações de lavagem é necessário limpar o reservatório de águas sujas a fim de fazer a formação de depositos ou incrustações e a proliferação de bacteriias, odores e mofo.
- Execute o processo de escoamento das águas sujas segindo atentamente o parágrafo deste manual relacionado a este tema, posicionando a boaquina cerca de uma sina de escoamento.
- Elevar a cobertura (1).
- Remover a antepara (2) e lava-la com agua corrente.
- Deixando o tubo (3) baixado e a tampa removida, com um tubo verter agua corrente no interior do reservatório (4), limpando-o às que do tubo saíaágua limpa.
- Limpar com um pano humido as sondas de nível (5) prestando atençao para nao deformá-las.
- Monte novamente todos os componentes às vezes o termino.

PT
10.1.c - Processo de lavagem do mecanismo limpador (Fig. 19)
A fim de executar uma boa operação de lavagem do mecanismo limpador (1), é necessário remove-lo agindo da segunte forma:
- Extraia o tubo (2) de sua cavidade no mecanismo (1).
- Desaperte os suportes de fixação (3) e extraia o mecanismo limpador (1).
- Execute a operação de lavagem do mecanismo e limpe cuidadosamente as partes em borracha (4) e a parte interna do dispositalo de succao (5).

NOTA:
Se durante a lavagem você notar que as partes em borracha (4) estao desgastadas ou danificadas sera necessario substitui-las ou girá-las.
- Monte novamente todos os componentes já está ou teme.
OPERACOES A EFFECTUAR-SE EM CADA MÉS
10.1.d - Limpeza do filtro do reservatório de água limpa (Fig. 20)
- Desaperte a tampa transparente (1) e retire o filtro (2).
- Limpar o filtro (2) com agua corrente.
- Monte novamente todos os componentes antes o termino.


10.1.e - Substituição da escova (Fig. 21)
É necessário substituir a escova quando houver desgaste e a largura das cerdas for inferior a 2 cm; nesse caso ou quando a operação de substituição é necessária para a execuição da lavagem de um tipo de piso diferente, proceda da segunte forma:
- Elevar a escova usingo pedal como indicado no relative paragrafo.
- Enfiar uma boa por baixo do grupo porta-escova (1); para desengatar a escova girá-la com um golpe seco no sentido contrário à rotação.
- Substituir a escova posicionando-a por baixo da flange porta-escova (1).
- Baixar a flange porta-escova (1) using o pedal como indicado no relativo paragrafo.
- Girar a chave (2) na posicao "1".
- Premir o interruptor (3) para activar a rotação da escova.
- Usar os comandos (4) posicionados na manilha para ligar a rotação da escova até sentido um "click" de engate da escova na flange (1), portanto parar a rotação da escova libertando os comandos (4).
- Desligar a boaquina girando a chave (2) na posicao "0".

PT
10.1.f - Substituição das partes em borracha do mecanismo limpador (Fig. 22)
Quando o processo de secagem do piso revela-se mais demorado e dificil ou quando, après a secagem, permanecem vestigios de agua no piso é necessario verficar o estado de desgaste das partes em borracha do mecanismo limpador(1):
- Extraia o mecanismo (1) assim como indicado no paragrafo "Proceso de lavagem do mecanismo limpador".
- Desaperte os suportes de fixação (2) e remove as partes em borracha (3).

NOTA:
Quando somente um lado das partes em borracha (3) estiver desgastado, é possivel virá-las (uma so vez).
- Substitua ou vire as partes em borracha (3), prestando atencao para nao inverter nenhuma posicao.
- Monte novamente todos os componentes às vezes o termino.

NOTA:
10.1.g - Substituição dos fusiveis (Fig. 23)

AVISO:
Substitua os fusíveis queimados por outros de mesma amperagem.
- Desligar a ficha (1) da tomada (2).
- Retirar a tampa (3) para aceder aos fusí-veis.
Fusível (4) - 7,5A
Proteção quadro comandos.
Fusivel (5) - Verde 30A
Fusivel destinado a proteção do motor de rotação da escova.
Fusivel (6) - Vermelho 40A
Fusivel destinado a protecao do motor de suecao.
- Montar novamente a tampa (3).
- Para a substituição do fusível (7) colocado no polo positivo da bateria procedo segunte modo:

AVISO:
Controlar se o reservatório de recuperação e o reservatório de água limpa estejam vazios.
- Desligar a ficha (8).
- Retirar o contrapino (9) eEARos reservatorios (10), atraves da manilha (11) até a completeness.
Fusivel (7) - 75A
Fusivel bateria.


Fig. 23
PT
10.1.h - Configuração corregador de baterias e instrumento digital (Figg. 24-25)

AVISO:
A boa, sai da producao com uma configuraao standard para o funcionamento com baterias de gel tipo "Sonnenschein".
- Remover o carter (1) desapertando os parafusos (2).
Configuração instrumento digital (só para modelos sem tratçao integrad)
-
Na parte posterior do instrumento digital (3) está presente um selector (4):
-
para baterias ácidas girar o selector
(4) na posicao "0"; - para baterias de gel girar o selector
(4) na posicao "2".



Fig. 24
Configuração standard挂钩器 de bacterias com baterias de gel tipo Sonnenschin
- Levantar oMASTER (X) e controlar que os switches (1 - 2 - 3 - 4) estejam colocados como na figura (C).
É possível modifier a configuração fazendo como segue:
Configuração carregarador de baterias para baterias de gel de tipo diferente de Sonnenschein
- Levantar oMASTER (X) e controlar que os switches (1 - 2 - 3 - 4) estejam colocados como na figura (D).
Configuração carregarador de baterias para baterias acidas
- Levantar oMASTER (X) e controlar que os switches (1 - 2 - 3 - 4) estejam colocados como na figura (E).

ADVERTÉNCIA:
Usar so os switches (1 - 2 - 3 - 4); não modificar a posicao dos switches (5 - 6 - 8).





Fig. 25
| PROBLEM A | CAUSA | SOLUÇÃO |
| Girando a chave a区管委会 não arranca. | Baterias com energia insufi-ciente ou falta de energia.Fusível destinado a prote-ção geral do equipamento queimado. | Verifique o estado de energia da bateria.Substituir o fusível geral de 7,5A. |
| A escova não roda. Fusível | destinado a prote-ção do motor de rotação da escova queimado.Interruptor activação rotação escova não premido. | Substitua o fusível VERDE -30A.Premir o interruptor. |
| O aspirador não funciona. Fusível | Fusível destinado a prote-ção do motor de sução queimado.Interruptor aspirador não premido.Reservatório de recupera-ção cheio. | Substitir o fusível VERMELHO motor aspirador de 40A.Premir o interruptor.Esvaziar, lavar e limpar o reservatório e as sondas. |
| A区管委会 não seca bem e deixa vestiges doágua no piso. | Aspirador desligado.Tubo de sueção entupido.Reservatório de águmas su-jas cheio.Partes em borracha do mecanismo limpador desgas-tadas. | Ligue o aspirador.Verifique e eventually men-te limpe o tubo de sueção que conecta o mecanismo limpador ao reservatório de águmas sujas.Esvazie o reservatório.Vire ou substitua as partes em borracha. |
| Não saiágua. Reservatório de água limpa vazio. Interruptoractivationoelectroválvula não premido. Torneira fechada. Filtro obstruído. A eletroválvula não está funcional. | de água limpa vazio. Interruption activaçãoelectroválvula não premido. Torneira fechada. Filtro obstruído. A eletroválvula não está funcional. | Encha o tanque. Premir o interruptor. Abrir aorneira. Limpe o filtró. Chame o服务于assistência técnica. |
| Limpeza insufficiente do piso. | Escovas ou detergentes inadequados. Escova desgastada. | Utilize escovas ou detergentes adequados para o tipo de piso ou sujidade. Substitua a escova |
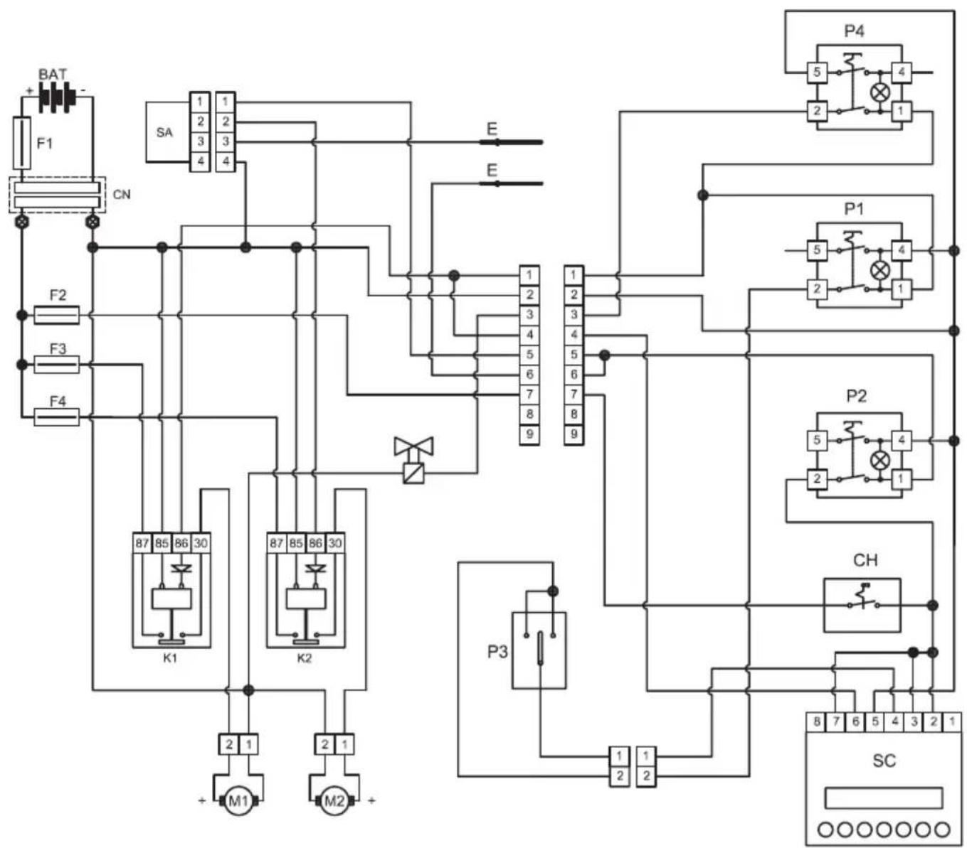
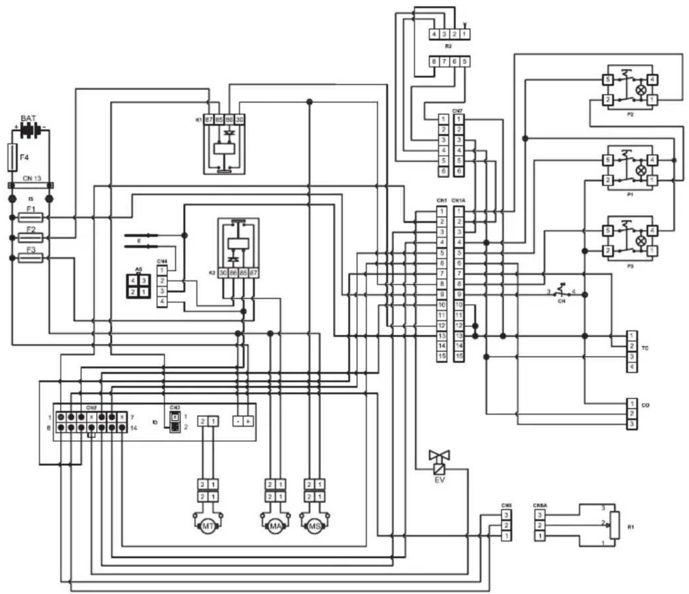
DIAGRAMAS (ESQUEMAS) ELETRICOS
Modelos 45M45 - 45M55

BAT Bateria 24V
CH Chave
CN Conector
E ......... Elctrodo
F1 Fusivel bateria 75A
F2 .Fusivel chave 7,5A
F3 Fusivel escova 30A
F4 Fusivel aspirador 40A
K1 Relé escova
K2 Relé aspirador
M1............Motor escova
M2. Motor aspirador
P1 Botao escova
P2 Botao aspirador
P3 Botao start escova
P4 .Botao electrovalvula
SA. Placa antiespuma
SC.....Indicador descarga ^+ conta-horas
Modelo 45D55

AS Antiespuma
BAT .Bateria 24V
CO Conta-horas
CN1 Conector 15 PIN
CN2 Conector a centralina ID
CN3 .Conector a centralina ID
CN4 .Conector a placantiespuma
CN6 .No potenciometro PL
CN7 No Cabo
E . Eléctrodos
EV .Electroválvula
F1 Fusivel 7,5A
F2 Fusivel 30A
F3 Fusivel 40A
F4 Fusivel 75A
K1 Relé escova
K2 Relé aspiração
ID Centralina I-Drive
IS ...Isoladores
MA .Motor aspiracao
MS Motor escovas
MT Motor tracção
P1 Botao escovas
P2 Botao electroválvula
P3 Botao aspiracao
ManualFácil