Winner 38E - Lavadora automática Ghibli - Manual de utilização gratuito
Encontre gratuitamente o manual do aparelho Winner 38E Ghibli em formato PDF.
| Características | Detalhes |
|---|---|
| Tipo de aparelho | Limpador de alta pressão |
| Pressão máxima | 140 bar |
| Vazão de água | 450 litros/hora |
| Alimentação | 230 V |
| Peso | 15 kg |
| Dimensões | 40 x 35 x 90 cm |
| Acessórios incluídos | Mangueira de alta pressão, lança, bico ajustável |
| Uso recomendado | Limpeza de superfícies externas, veículos, terraços |
| Manutenção | Verifique regularmente o filtro de entrada de água, limpe a lança |
| Segurança | Desligamento automático, proteção contra superaquecimento |
| Garantia | 2 anos |
Perguntas frequentes - Winner 38E Ghibli
Baixe as instruções para o seu Lavadora automática em formato PDF gratuitamente! Encontre o seu manual Winner 38E - Ghibli e retome o controlo do seu dispositivo eletrónico. Nesta página estão publicados todos os documentos necessários para a utilização do seu dispositivo. Winner 38E da marca Ghibli.
MANUAL DE UTILIZADOR Winner 38E Ghibli
Os dados identificativos/técnicos da máquina são gravados na placa (1) que encontra-se no conjunto guidão.
Recomendamos que você anote o modelo da máquina e seu número de série na tabela abaixo.

text_image
Produttore Manufacturer Producteur Hersteller Fabricante Produtor Scrubber Dryer V~ Tot……W Mod: ...... Art.: ...... Nr. ...... MADE IN ITALY IPX3 Art.: ...... Nr. ...... Grado di protezione Level of protection Degré de protection Schutzgrad Nivel de protección Nivel de proteção Modello ...... Model ...... Modèle ...... Modell ...... Modelo ...... Modelo ...... Codice articolo Item code Référence de l'article Artikelnummer Código del artículo Código do artigo Anno costruzione Year of production Année de construction Baujahr Año de construcción Ano de produção N° Matricola ...... Serial N° ...... N° Matricule ...... Matrikelnr.: ...... N° Matrícula ...... Número de série ...... Peso in ordine di marcia Full load weight Poids à pleine charge Gesamtgewicht in vollbeladenem Zustand Peso con carga plena Peso (plena carga)PT Português ....PT -1 (Tradução das instruções originais)
Gentile cliente,
Pendenza massima superabile a pieno carico .... 2 % .... 2%
Aspirazione
Alimentation ....Batteries 24V gel ou AGM ....
Anchura pista de lavado ....385 mm ....385 mm
9.1 FUNCIONAMIENTO (Figg. 11-12)
9.1.a - Controles antes del uso
Ciclo lavado, cepillado:
Obrigado por escolher nossos produtos para a limpeza dos seus locais.
A máquina para lavar e secar pisos que você adquiriu é projetada com o objetivo de satisfazer as necessidades do usuário em termos de facilidade de utilização e de proporcionar longa vida útil ao equipamento.
Estamos conscientes que, para manter um alto nível de qualidade do produto ao longo do tempo, são necessárias atualizações e melhorias contínuas, destinadas a satisfazer às necessidades e expectativas das pessoas que utilizam quotidianamente a máquina. Por isso esperamos que voçe seja, além de um cliente satisfeito, um parceiro que não hesita em apresentar opiniões e idéias decorrentes da sua experiência diária.
Índice
1.1 Introdução PT-4
1.1.a Finalidade do Manual PT-4
1.1.b Consultar o manual PT-4
1.1.c Legenda dos símbolos contidos neste manual PT-4
1.1.d Terminologia convencional PT-4
1.2 Advertências gerais PT-4
1.2.a Qualificação e certificação de pessoal PT-4
1.2.b Postura do usuário durante a utilização da máquina. PT-5
1.2.c Acessórios e vestuário de proteção PT-5
1.2.d Advertências gerais (ANTES DÉ USÁR) PT-5
1.2.e Advertências gerais de uso PT-5
1.2.f Informações gerais sobre as baterias....PT-5
1.2.g Informações gerais sobre a manutenção PT-5
1.2.h Informações gerais em caso de incêndio PT-5
1.2.i Armazenamento por longos períodos .....PT-6
1.3 Uso previsto da máquina....PT-6
1.4 Uso não previsto PT-6
1.4.a Atmosferas (Áreas) com risco de explosão e inflamabilidade....PT-6
1.5 Destruição da máquina PT-6
1.6 Referência normativa PT-6
2.1 Desembalagem PT-7
2.1.a Acessórios em dotação PT-7
3.1 Montagem dos componentes PT-7
3.1.a Posicionamento do conjunto guidão PT-7
3.1.b Conexão das baterias (apenas para a versão BC)....PT-8
3.1.c Ligações eléctricas (apenas versão E) PT-8
3.1.d Montagem da escova PT-9
4.1 Carregamento das baterias (somente para a versão BC) .....PT-10
5.1 Conhecimento da máquina....PT-11
6.1 Painél de controle e comando PT-12
7.1 Alavanca para regulagem de inclinação do conjunto guidão .....PT-13
8.1 Enchimento do reservatório PT-14
9.1 Funcionamento PT-15
9.1.a Verificações que devem ser feitas antes da utilização....PT-15
9.1.b Preparação da máquina e escolha do ciclo de limpeza. PT-15
9.1.c Utilização da máquina....PT-16
9.1.d Término da utilização e desligamento....PT-16
9.1.e Alarmes durante o funcionamento PT-17
9.1.f Temporizador....PT-17
10.1 Descarga das águas sujas PT-18
11.1 Manutenção e limpeza .....PT-19
11.1.a Esvaziamento e limpeza do reservatório de água limpa....PT-19
11.1.b Limpeza do reservatório de águas sujas....PT-20
11.1.c Processo de lavagem do mecanismo limpador....PT-21
11.1.d Limpeza do filtro do reservatório de água limpa .....PT-22
11.1.e Substituição da escova PT-22
11.1.f Substituição das partes em borracha do mecanismo limpador.....PT-23
11.1.g Configuração de incidência do limpador PT-23
11.1.h Substituição dos fusíveis (apenas para a versão BC)....PT-24
Problemas - Causas - Soluções PT-25
Diagramas (esquemas) elétricos PT-27
Versão BC....PT-27
Versão E PT-29
Dados Técnicos
Versão BC Versão E
Sistema de condução.....Operatore a terra.....Operatore a terra
Características
Acionamento ...... À Baterias ...... Cabo Elétrico
Tipo de baterias.....N° 2 - 12V - 25Ah - (C5).....-
Tipo de cabo elétrico ....230 V - 50/60 Hz
Alimentação......Bateria 24V Gel ou AGM......-
Comprimento do cabo elétrico....-....15 m
Potência instalada 510 W 620 W
Tipo de avanço.... Manual.... Manual
Faixa de trabalho ....385 mm ....385 mm
Faixa de aspiração ....450 mm ....450 mm
Capacidade teórica de trabalho.... 1100 m²/h .... 1100 m²/h
Escovas
Diâmetro/Acessório(s) de série ....385 mm / 15" x 1 ....385 mm / 15" x 1
Potência do motor/ Acessório(s) de série.... 260 W x 1.... 370 W x 1
Velocidade....130 giri / min....155 giri / min.
Pressão específica ....35 gr / cm² ....35 gr / cm²
Tração
Declive máximo superável com plena carga.... 2 %.... 2%
Aspiração
Potência do motor 250 W 250 W
Vácuo (Coluna de água).... 68 / 700 mbar / mmH₂O ....68 / 700 mbar / mmH₂O
Nível de ruído 65 dB (A) 65 dB (A)
Reservatório
Tipo......Reservatório duplo...... Reservatório duplo
Reciclagem de águas...... Não prevista...... Não prevista
Capacidade 16 | 16 |
Capacidade de recolhimento.... 22 I....22 I
Dimensões (Ixhxb)....800 x 1100 x 400 mm ....800 x 1100 x 400 mm
Barulho
Alavanca de pressão sonora do operador ... Lp (A) 65,9 dB(A) ....Lp (A) 65,9 dB(A)
Incerteza associada....kpA = 0,75 dB(A)....kpA = 0,75 dB(A)
Vibrações
Nível de vibração transmitida
a mão/braço (ISO 5349)....1.61 m/s2....1.61 m/s2
Incerteza associada.... kv = 6.3%.... kv = 6.3%
Peso
Peso da máquina....39 kg....40 kg
Peso com baterias 61 kg
Temperatura de operação....-10°C ÷ 40°C ....-10°C ÷ 40°C
1.1 INTRODUÇÃO
Este manual é parte integrante e complemetar da própria máquina; por isso deve ser preservado com cuidado em um lugar seguro e acessível a todos os usuários (operadores e pessoal de manutenção técnica) durante toda a vida útil da máquina, ou seja, até a sua demolição.
1.1.a - Finalidade do Manual
O objetivo deste manual consiste em forne- cer as instruções necessárias para a ligação, utilização e manutenção da máquina.
Recomendamos uma leitura atenta das instruções e uma estrita observância das normas de segurança descritas no manual.
A inobservância destas normas pode causar eventuais danos à máquina e à saúde operador que, em nenhum caso, podem ser imputados ao fabricante.
As indicações de segurança descritas manual complementam mas NÃO SUBSTI-TUEM as normas em vigor no país onde a máquina é utilizada.
1.1.b - Consultar o manual
O manual é dividido em capítulos, segundo uma ordem lógica de conhecimento e utilização da máquina.
Para facilitar a pesquisa, consulte sempre o ÍNDICE.
1.1.c - Legenda dos símbolos contidos neste manual
Para destacar as informações e os procedimentos relacionados à segurança, manutenção, etc., foram adotados as seguintes símbolos:

PERIGO:
Aviso de um perigo grave, e até mesmo mortal, para a segurança do operador e/ou de terceiros.

AVISO:
Informações de extrema importância para evitar sérios danos à máquina e ao meio-ambiente em que a máquina opera.

NOTA:
Informações adicionais para o correto funcionamento da máquina ou de caráter geral.
1.1.d - Terminologia convencional
As indicações à frente, atrás, à frente e atrás parte superior, à esquerda e à direita parte inferior referem-se ao operador adotando uma postura correta, com as mãos posicionadas sobre o conjunto guidão.
Por questões de simplicidade o nome comercial do modelo foi substituído pelo nome "Máquina".
A máquina pode ser fornecida em duas versões:
- BC: modelo com baterias
- E: modelo com cabo de alimentação eléctrica do
1.2 ADVERTÊNCIAS GERAIS
É necessário que os funcionários (gerentes e operadores) sejam instruídos sobre os metódos operacionais e as normas de segurança descritas neste manual antes da ligação, utilização ou execução de quaisquer operações de manutenção.
Respeite todos os preceitos contidos no manual e em eventuais anexos.

PERIGO:
O uso da máquina é proibido às pessoas não aptas ao seu manuseio, às crianças e portadores de deficiências físicas.
1.2.a - Qualificação e certificação de s pessoal
Usuário
O usuário é uma pessoa, genérica, capaz de realizar simples operações de condução da máquina e as operações de limpeza no final do turno de trabalho.
Técnico responsável pela manutenção elétrica e mecânica
Técnico qualificado para executar quaisquer operações de reparação e substituição de partes na máquina que necessitam ser feitas através da remoção dos cárteres de proteção.
1.2.b - Postura do usuário durante a utilização da máquina.
O usuário, ao utilizar a máquina, deve estar posicionado na parte posterior da mesmo com as mãos sobre o conjunto guidão.
1.2.c - Acessórios e vestuário de proteção
- Use acessórios e vestuário de proteção adequados, atendendo as normas em vigor no país onde a máquina é utilizada.
1.2.d - Advertências gerais (ANTES DE USAR)
- Verifique, antes da utilização da máquina, que as proteções de segurança (cárteres) estejam devidamente fixadas em seus alojamentos.
1.2.e - Advertências gerais de uso
- Se a máquina emitir ruídos estranhos desligue-a imediatamente e identifique a causa.
- NÃO deixe a máquina em superfícies com inclinação superior a 2%.
- Evite impactos contra prateleiras ou armários durante o uso.
- É proibida a utilização da máquina em áreas ao ar livre e em estradas públicas.
- Use a máquina possivelmente em área as livres de pessoas; caso for utilizar máquina na presença de pessoas estranhas, alerte-as para que se afastem antes de iniciar quaisquer operações.
- Não use a máquina em áreas com presença de substâncias corrosivas ou salobras.
- Não utilize a máquina em atmosferas explosivas ("ATEX").
- Não se aconselha o uso de transformadores, tomadas múltiplas e/ou extensões.
- Se o cabo de alimentação deste aparelho está danificado, deve ser substituído unicamente por um centro de assistência autorizado pela marca.
Só para versão de "E"
- Durante o funcionamento da máquina mantenha sempre o cabo elétrico longe da escova; perigo devido ao possível enrolamento do cabo elétrico na escova.
1.2.f - Informações gerais sobre as baterias
- Use equipamentos de proteção individual, adequados para evitar o contato direto da bateria com a pele (consulte as normas em vigor no país onde a máquina é utilizada).
- Não inale o vapor: é perigoso.
- É proibido fumar e/ou usar chamas livres em um raio de 2 metros de distância das baterias durante o processo de carregamento, na área onde o carregamento é feito e durante o resfriamento das baterias (após o carregamento).
- Notifique sobre quaisquer perdas de fluido da(s) bateria(s):
os líquidos são perigosos e altamente poluentes.
- Use somente bateria selada do tipo GEL ou AGM.
- Baterias devem somente ser substituídas por pessoal qualificado.
1.2.g - Informações gerais sobre a manutenção
- Desligue as baterias (o cabo de alimentação elétrica) antes de executar operações de manutenção ou reparação.
- Não coloque objetos metálicos e ferramentas em cima das baterias; perigo de curto-circuitos.
- Não utilize detergentes agressivos, ácidos, lixívias, etc., durante as operações de limpeza e lavagem e dedique uma atenção especial às partes eléctricas.
- Não lave a máquina com jatos d'água diretos ou de alta pressão.
- Caso seja necessário erga a máquina para executar quaisquer operações de manutenção, é necessário apoiá-la em suportes bem fixados para trabalhar com segurança.
- Contate assistência técnica autorizada para as reparações e exija sempre peças originais.
1.2.h - Informações gerais em caso de incêndio
- Em caso de incêndio utilize apenas extintores em pó químico certificados e homologados, NÃO use água para extinguir o fogo.
PT
1.2.i - Armazenamento por longos períodos
- Mantenha todo o equipamento em local coberto e protegido contra as intem ries e a ação dos agentes atmosféricos, em um lugar onde as temperaturas riam entre 5 °C e 40 °C.
- Retire a chave.
- Esvazie completamente o reservatório de água.
- Execute o carregamento das baterias e desconecte as ligações quando o cesso estiver completado.
- Reccaregue as baterias uma vez por mês.
1.3. USO PREVISTO DA MÁQUINA
A máquina foi projetada e construída exclusivamente para lavar e secar pisos de interiores.

PERIGO:
O fabricante declina quaisquer responsabilidades por danos pessoais e/ou materiais decorrentes de uma utilização não-prevista; ademais isso invalida quaisquer termos de garantia.
1.4 - USO NÃO PREVISTO

AVISO:
A máquina não foi projetada para funcionar em áreas externas.

PERIGO:
- Lavar os piso com água a uma temperatura superior a 50 °C;
- Utilizar diesel e/ou gasolinas, ou dete gentes corrosivos para lavar o chão;
- Lavar e aspirar líquidos corrosivos, inflamáveis, explosivos, mesmo na hipótese de líquidos diluídos.
1.4.a - Atmosferas (Áreas) com risco de explosão e inflamabilidade
É absolutamente proibida a utilização da má- équina em áreas com risco de explosão, onde há gases, vapores, líquidos e pós inflamá- weis e explosivos.
1.5. DESTRUIÇÃO DA MÁQUINA
Respeite as legislações locais para preservar o meio-ambiente. Quando a máquina não é mais utilizável ou reparável, proceder à separação manual dos componentes a fim de permitir uma coleta diferenciada.

Os equipamentos elétricos não podem ser eliminados como resíduos urbanos, os processos de coleta diferenciada introduzidos pela disciplina especial relativa aos resíduos de equipamentos elétricos e eletrôni-
cos (Decreto Legislativo 151/2005 do Governo Italiano – Diretiva 2002/96/CE – Diretiva 2003/108/CE) devem ser respeitados.
O símbolo da lixeira presente no equipamento ou na embalagem indica que trata-se de equipamento elétrico. Este símbolo mostra que o equipamento foi colocado no mercado após o dia 13 de agosto de 2005 e deve ser eliminado separadamente.
Uma eliminação inadequada e/ou não-permitida, ou uma utilização indevida dos equipamentos, tendo em consideração os materiais e as substâncias que os compõem, podem causar danos às pessoas e ao meio-ambiente. A eliminação dos resíduos de equipamentos elétricos realizada em desrespeito/violação das normas em vigor prevê a aplicação de sanções administrativas e penais.
1.6. REFERÊNCIA NORMATIVA
A máquina foi fabricada em conformidade com a directiva máquinas e com as normas evidenciadas na declaração “CE” de conformidade, fornecida junto com a máquina.
2.1 DESEMBALAGEM
(Fig. 1)
Remova a embalagem como indicado nas instruções fornecidas, e verifique a integridade da máquina e todos os componentes incluídos.
Se notar algum dano aparente entre em contato com o distribuidor autorizado e o transportador no prazo de três dias (úteis) a partir da recepção da ordem.
- Retire a bolsa (1) que contêm os e pamentos e acessórios em dotação e a caixa (2) que contêm a escova.
2.1.a - Acessórios em dotação (Fig. 2)
Os acessórios incluídos são:
1) Mangueira flexível para o carregamento da água.
2) Manual de uso e manutenção da máquina.
3) Manual de instruções do carregador de baterias.
4) Filtro para a boca do reservatório de água limpa.
5) Fusível 30A.
6) Escova.
3.1 MONTAGEM DOS COMPONENTES
3.1.a - Posicionamento do conjunto guidão (Fig. 3)
- Destrave o conjunto guidão (1) puxando a alavanca (2), após isso erga o conjunto e coloque-o na posição de trabalho desejada.

text_image
2
text_image
2 i- 1 Fig. 1
text_image
1 2 3 4 5 6 Fig. 2
3.1.b - Conexão das baterias (ape- nas para a versão BC) (Fig. 4)
- Desparafuse os parafusos (3) que mantêm o tanque fechado (4) junto à alça de apoio.
- Remova o reservatório (4) de águas sujas e ligue os conectores (5) e (6) das baterias.
- Monte novamente o reservatório (4) de água.
3.1.c - Ligações eléctricas (apenas versão E)
- Ligue o cabo de alimentação do aparelho a uma tomada (fonte) com uma saída mínima de 10 Ampères

AVISO:
- Certifique-se de que a instalação (rede) elétrica esteja equipada com um interruptor diferencial (de tipo salva-vidas).
- Antes de ligar a máquina desenrole completamente o cabo de alimentação.
- Use extensões elétricas somente se em perfeito estado de conservação, assegurar-se de que a seção nominal do fio condutor é apropriada para a transmissão de potência da máquina.
- Não deixe nunca o cabo de alimentação passar sobre pontas arestas cortantes e evite amassá-lo.

3.1.d - Montagem da escova (Fig. 5)
- Posicione a escova (1) sobre o solo.
- Levante a máquina, a partir da parte anterior, com o auxílio do conjunto guidão (2) e remova o suporte em poliestireno (3).
- Coloque o flange de adaptação (4) sobre a escova (1).
- Pressione o botão (5) (acende-se a luz), em seguida pressione as alavancas (6) a fim de iniciar a rotação da escova, até ouvir o “click” de engate, em fim solte as alavancas (6) e pressione o botão (5) (apaga-se a luz).

AVISO:
Utilize apenas escovas fornecidas pelo fabricante de acordo com o modelo da máquina.
Utilizar outros tipos de escovas pode comprometer a segurança da máquina.

4.1 CARREGAMENTO DAS BATERIAS (Fig. 6)
(somente para a versão BC)

PERIGO:
Execute o carregamento das baterias em áreas com boa ventilação e em conformidade com as normas em vigor no país onde a máquina é utilizada.
Em relação à segurança, siga todas as instruções descritas no capítulo 1 deste manual.

AVISO:
Em relação às informações e advertências sobre as baterias e o carregador, siga atentamente toda as indicações do manual de uso das bateria e do carregador que encontra-se em anexo ao presente manual.
- Aproxime a máquina a uma tomada rede elétrica.
- Desenrole o cabo (2) e conecte à saída.

AVISO:
Cerifique-se de que a tensão da rede elétrica é compatível com a do carregador de baterias.
- Deixe as baterias carregando até a carga total (acende-se o LED verde) (4) e, em seguida, retire o cabo de alimentação (2) e enrole no apoio específico.

NOTA:
São necessárias 10 (dez) horas para recar- regar completamente as baterias Evite (ao máximo) fazer recargas parciais

AVISO:
- Certifique-se de que a instalação (rede) elétrica esteja equipada com um interruptor diferencial (de tipo salva-vidas).
- Desenrole o cabo de alimentação completamente antes de conectá-lo às tomadas principais.
- Use extensões elétricas somente se em perfeito estado de conservação, assegurar-se de que a seção nominal do fio condutor é apropriada para a transmissão de potência da máquina.
- Não deixe nunca o cabo de alimentação passar sobre pontas arestas cortantes e evite amassá-lo.
- A tomada deve ser de fácil acesso.

da
5.1 CONHECIMENTO DA MÁQUINA (Fig. 7)

4) Alavancas de controle da rotação da escova e/ou do fornecimento de água.
5) Alavanca de controle da posição do conjunto guidão.
6) Reservatório de águas sujas.
7) Tampa do reservatório de águas sujas.
8) Cabo de alimentação (apenas para a versão E).
9) Reservatório de água limpa.
10) Abertura para enchimento com água limpa.
11) Rodas.
12) Flange de adaptação para a rotação da escova.
13) Escova.
16) Mangueira de sucção da água de limpeza.
17) Carregador de baterias (apenas para a versão BC).
18) Indicador de carga das bateria (apenas para a versão BC).
19) Válvula para ajustamento de pressão da água.
20) Filtro
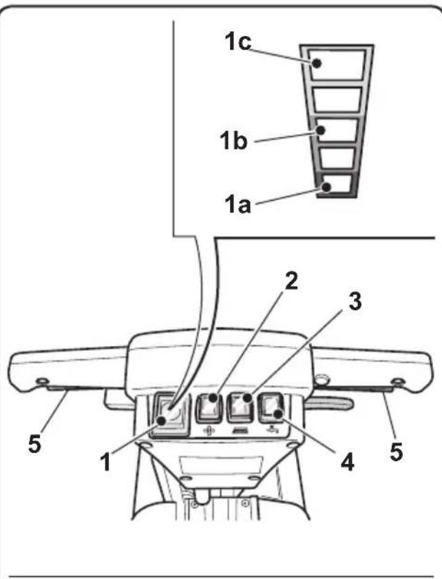
6.1 PAINÉL DE CONTROLE E COMANDO (Fig. 8)
1) "LEDs" (Diodos emissores de luz) indicativos do estado de carga da bateria (apenas para a versão BC)
Acendem-se quando o botão (3) é pressionado e indicam o estado de carga da bateria.
- Quando a bateria encontra-se na ca- pacidade máxima de carga acende- se o "LED" (1c).
- Quando a bateria encontra-se com cerca da metade da capacidade máxima de carga acende-se o "LED" (1b).
- Quando o estado de carga da bateria está próximo ao limite mínimo acende-se o "LED" (1a) ("LED" vermelho).
Quando a bateria encontra-se descarregada ("LED" vermelho (1a) iluminado) máquina desliga automaticamente ou não pode ser ligada novamente e o "LED" R do carregador de bateria pisca por alguns segundos; é necessário recarregar a bateria.
2) Botão para iniciar a sucção
O botão (2) acende-se quando é pressionado e inicia a função de aspiração.
O funcionamento do aspirador é permitido somente quando o botão (3) é manti-do pressionado.
3) Botão de controle da rotação da escova
O botão (3) acende-se quando é pressionado e fornece corrente aos circuitos, iniciando a rotação da escova.
O início da rotação da escova é controlado pelas alavancas (5) que devem ser mantidas sempre apertadas.
4) Botão de controle do fornecimento de água
O botão (4) acende-se quando é pressionado e inicia o fornecimento de água para a lavagem do piso.
O fornecimento de água é controlado além que pelo pressionamento do interruptor (3), pelas alavancas (5) que vem ser mantidas apertadas.
5) Alavancas de controle da rotação da escova e/ou do fornecimento de água
Pressionando as alavancas (5) e mantendo-as apertadas, inicia a rotação da escova e a função de fornecimento de água, se previamente ativada.
de-

text_image
1c 1b 1a 2 3 4 5 1 5
7.1 ALAVANCA PARA RE- GULAGEM DE INCLINAÇÃO DO CONJUNTO GUIDÃO (Fig. 9)
- É possível regular a posição do conjunto guidão (2) puxando a alavanca (1); após solta a alvanca o conjunto guidão queia-se na mais próxima das posições pré-definidas.

NOTA:
É possível executar uma limpeza mais profunda dos cantos posicionando o conjunto guidão (2) verticalmente e girando a máquina em torno de si mesma.
blo-

Introduzida no reservatório somente água limpa da rede de distribuição hídrica e a uma temperatura não superior a 50 °C.
- Extraia o tubo (1) (incluído entre os acessórios em dotação), conecte a extremidade (1a) à uma saída de água e a introduza a extremidade (1b) no reservatório (2).
- Abra a torneira e encha o reservatório (2).
- Introduza o detergente líquido no reservatório.

NOTA:
Utilize apenas detergentes não espumosos, em relação à quantidade de produto a ser utilizado siga as instruções do fabricante do detergente e leve em consideração o tipo de sujidade.

PERIGO:
Caso ocorra contato do detergente com os olhos e a pele, ou em caso de ingestão, siga atentamente a ficha de segurança e instruções técnicas de utilização fornecidas pelo fabricante do produto;
- Quando o processo de enchimento do reservatório estiver completado, é possível:
Introduzir completamente o tubo (1) no reservatório (2), de modo que a extremidade (1a) funcione como tampa; ou remover o tubo (1) e introduzir no reservatório (2) o filtro (3) incluído entre os acessórios em dotação.

text_image
1a 1b 2 1a 1 2 3 2 Fig. 109.1 FUNCIONAMENTO (Fig. 11-12)
9.1.a - Verificações que devem ser feitas antes da utilização
- Certifique-se de que o tubo (1) de descarga do reservatório de águas sujas esteja devidamente acoplado e corretamente tampado.
- Controllare che il tubo (2) di aspirazione acqua tergipavimento sia correttamente inserito nel serbatoio di recupero.
- Certifique-se de que a junção (3) montada sobre o mecanismo limpador (13) não esteja obstruída e de que o tubo esteja corretamente conectado.
- Verifique o estado de carga das baterias; pressione o interruptor (4) e controle os "LEDs" indicadores (5) (somente para a versão BC).
9.1.b - Preparação da máquina e escolha do ciclo de limpeza.
- Pressione o botão (4) (acende-se a luz).
- Puxe a alavanca (6) e solte-a sucessivamente; deste modo abaixo-se o mecanismo limpador.
Ciclos de limpeza:
- A máquina tem a capacidade de executar 4 (quatro) diferentes ciclos de trabalho:
Ciclo só secagem:
- Para executar somente o ciclo de secagem pressione o botão (7), a fim de iniciar o processo de aspiração.
Ciclo só escovação:
- Para executar apenas a escovação puxe as alavancas (8); a escova pára de girar quando o usuário solta as alavancas (8).
Ciclo de lavagem e escovação:
- Pressione o botão (9) a fim de iniciar o fornecimento de água, aperte então alavancas (8) a fim de iniciar o ciclo.
Ciclo de lavagem, escovação e secagem:
- Pressione o botão (7) a fim de iniciar o processo de aspiração (sucção), o tão (9) a fim de iniciar o fornecimento de água, aperte então as alavancas (8) a fim de iniciar o ciclo.

9.1.c - Utilização da máquina
- Após as operações de ligação da máquina e a escolha do tipo de ciclo, inicie a execução dos processos de limpeza pu-xando as alavancas (8) e mantenha-as apertadas a fim de iniciar a rotação escova e o fornecimento de água; seguida guie a máquina através dos punhos (10) do conjunto guidão (11).

NOTA:
Quando o usuário solta as alavancas (8) a escova pára de girar e o fornecimento de água é interrompido.

NOTA:
Para evitar que o piso seja danificado não use a máquina parada e com a função de rotação da escova ativada.

NOTA:
A boa limpeza e secagem do solo é feita somente se a execução dos processos é feita movendo a máquina para frente; movendo-a para trás, além de provocar um rápido desgaste das partes em borracha, a máquina não executa corretamente o processo de aspiração das águas.
- Se necessário, ajustar a quantidade de água necessária para executar a limpeza através da torneira (12).
- Verificar o estado de carga das baterias através dos “LEDs” indicadores (5) (somente para a versão BC).
9.1.d - Término da utilização e desligamento
- Após o término das operações de limpeza e antes de desligar a máquina interrompa os processos de fornecimento de água e de rotação da escova soltando as alavancas (8) e, pressionado o botão (9), continue com o processo de sucção ativado para aspirar todo o líquido que ainda encontra-se no piso; em fim desligue o aspirador pressionando o botão (7).
- Erga o limpador (13) puxando a alavanca (6) e solte-a sucessivamente; a alavanca permanece na posição mais alta e mantém o mecanismo limpador erguido.

text_image
da m 5 7 9 4 8 6 1 10 11 13 12 Fig. 12
AVISO:
Erga o limpador após o término de quaisquer ciclos de limpeza, a fim de evitar a deformação das partes em borracha.
- Pressione o botão (4) (apaga-se a luz)
- Retire o cabo de alimentação da fonte de corrente (apenas para a versão E).
9.1.e - Alarmes durante o funcionamento (Fig. 12/a)
- Durante o funcionamento da máquina, alguns sinais de alarme podem ocorrer e são mostrados ao ligar os DELs:
Erro de sobreintensidade da tomada da unidade de sucção
Erro na tomada da unidade de sucção de circuito aberto
Quando quaisquer dos sinais de erros mencionados acima são mostrados, é necessário desligar a máquina e depois ligar novamente para que possa retornar ao funcionamento normal.
É possível visualizar o tempo de funcionamento da máquina procedendo da seguinte maneira:
- Para ligar o temporizador é preciso iniciar a máquina ao apertar o botão de “Escovas giratórias” (6) e mantê-lo pressionado.

NOTA:
O temporizador conta até 9999 horas.
Indicação da horas de funcionamento em unidades:
- uma luz momentânea no DEL 1 seguida por tantas luzes momentâneas no DEL 5 quanto o número de horas de funcionamento.
Indicação das horas de funcionamento em dezenas:
- uma luz momentânea no DEL 1 seguida por tantas luzes momentâneas no DEL 4 quanto as dezenas de horas de funcionamento.
Indicação das horas de funcionamento por centenas:
- uma luz momentânea no DEL 1 seguida por tantas luzes no DEL 3 quanto as centenas de horas de funcionamento.
Indicação da horas de funcionamento em milhares:
- uma luz momentânea no DEL 1 seguida por tantas luzes momentâneas no DEL 2 quanto as milhares de horas de funcionamento.
10.1 DESCARGA DAS ÁGUAS SUJAS
(Fig. 13)
Após o término do ciclo lavagem ou do o reservatório (1) de águas sujas estiver completo é necessário esvaziá-lo em pleno respeito das seguintes instruções:

NOTA:
Em relação ao processo de escoamento das águas sujas siga atentamente as normas em vigor no país onde a máquina é utilizada.
- Posicione a máquina cerca de uma saída de escoamento.
- Retire o tubo (2) da conexão (3).
- Retire a tampa (4) do tubo (2) e descarregue totalmente as águas contidas no reservatório.
quan-

11.1 MANUTENÇÃO E LIMPEZA

AVISO:
Em relação às informações e advertências sobre as operações de manutenção ou limpeza siga as instruções contidas no parágrafo “Informações gerais sobre a manutenção”, do capítulo 1 do presente manual.
OPERAÇÕES QUE DEVEM SER EFETUADAS TODOS OS DIAS
11.1.a - Esvaziamento e limpeza do reservatório de água limpa (Fig. 14)

AVISO:
Após o término das operações de lava-gem é necessário desacoplar e limpar o reservatório de água limpa a fim de evitar depósitos ou incrustações.
Após o término do processo de escoamento das águas sujas esvaziar o reservatório de água limpa agindo como descrito em seguida:
- Posicione a máquina cerca de uma saída de escoamento.
- Desenrosque (virando em direção ao lado externo) a junção do duto de escoamento.
- Empurre para dentro o anél e extraia contemporaneamente a tampa; deixe a água escorrer totalmente.
- Lave as partes internas do reservatório deixando a tampa aberta e introduzindo água limpa a partir da outra abertura.
- Após o término das operações coloque de novo a tampa (3) (empurrando-a em direção à parte interna).

11.1.b - Limpeza do reservatório de águas sujas (Fig. 15)

AVISO:
Após o término das operações de lavagem é necessário limpar o reservatório de águas sujas a fim de evitar a formação de depósitos ou incrustações e a proliferação de bactérias, odores e mofo.
- Execute o processo de escoamento das águas sujas seguindo atentamente o parágrafo deste manual relacionado a este tema, posicionando a máquina cerca de uma saída de escoamento.
- Retire a tampa (1) e limpe com água corrente o interior da tampa e a peça flutuante (2) de segurança que tem a função de sucção.
- Introduza água através da abertura superior (4) mantendo o tubo (3) abaixo e com a tampa removida, a fim de limpar a parte interior do reservatório; continue até que a água saia do tubo de descarga limpa.
- Monte novamente todos os componentes após o término.

text_image
1 2 4 3 Fig. 1511.1.c - Processo de lavagem do mecanismo limpador (Fig. 16)
A fim de executar uma boa operação de lavagem do mecanismo limpador (1), é necessário removê-lo agindo da seguinte forma:
- Extraia o mecanismo limpador puxando em direção ao externo(1).
- Extraia o tubo (2) de sua cavidade no mecanismo (1).
- Desaperte os suportes de fixação (3) extraia o mecanismo limpador (1).
- Execute a operação de lavagem do mecanismo e limpe cuidadosamente as partes em borracha (4) e a parte interna do dispositivo de sucção (5).

NOTA:
Se durante a lavagem você notar que as partes em borracha (4) estão desgastadas ou danificadas será necessário substituí-las ou girá-las.
- Monte novamente todos os componentes após o término.

11.1.d - Limpeza do filtro do reservatório de água limpa (Fig. 17)
- Desaperte a tampa transparente (1) e retire o filtro (2).
- Limpe o filtro (2) com água limpa, caso de formação de depósitos ou crustações é necessário substituí-lo.
- Monte novamente todos os componentes após o término.
11.1.e - Substituição da escova (Fig. 18)
É necessário substituir a escova quando houver desgaste e a largura das cerdas for inferior a 2 cm; nesse caso ou quando operação de substituição é necessária para a execução da lavagem de um tipo de piso diferente, proceda da seguinte forma:
- Conecte o cabo de alimentação (apenas para a versão E).
- Levante levemente a máquina, a partir da parte anterior, com o auxílio dos punhos do conjunto guidão.
- Pressione o botão (3), a fim de iniciar a rotação da escova, aperte e solte em seguida as alavancas (4) a fim de desengatar a escova (5).
- Substitua a escova e em seguida coloque o flange de adaptação (6) sobre a escova (5) e aperte as alavancas (4) até ouvir o "click" de engate.
- Pressione o botão (3) (apaga-se a luz).

text_image
2 1 Fig. 17
text_image
3 4 4 a
text_image
6 5 Fig. 1811.1.f - Substituição das partes em borracha do mecanismo lim-pador (Fig. 19)
Quando o processo de secagem do piso revela-se mais demorado e difícil ou quando, após a secagem, permanecem vestígios de água no piso é necessário verificar o estado de desgaste das partes em borracha do mecanismo limpador (1):
- Extraia o mecanismo (1) assim como indicado no parágrafo “Processo de lavagem do mecanismo limpador”.
- Desaperte os suportes de fixação (2) remova as partes em borracha (3).

NOTA:
Quando somente um lado das partes em borracha (3) estiver desgastado, é possível virá-las (uma só vez).
- Substitua ou vire as partes em borracha (3), prestando atenção para não inverter nenhuma posição.
- Monte novamente todos os componentes após o término.

NOTA:
Existem dois tipos de borrachas:
11.1.g - Configuração de incidência do limpador (Fig. 20)
- Abaixe o limpador utilizando a alavanca correta.
- Inicie a unidade de sucção e avance em alguns metros antes de parar a máquina de sucção.
- Cheque o ângulo de incidência das borrachas (1) no chão.
Fig. A = muito amassada
Fig. B = muito alta
Fig. C = posição correta.
- Retire o limpador da máquina.
- Para configurar, afrouxe os parafusos (2) no volante (3) e mova o volante verticalmente na abertura; ao elevar o volante, o ângulo de incidência aumenta, vice-versa, diminui.

text_image
1 2 3 Fig. 19
text_image
A B OK C 1 2 3 3 Fig. 2011.1.h - Substituição dos fusíveis (apenas para a versão BC) (Fig. 21)

AVISO:
Substitua os fusíveis queimados por outros de mesma amperagem.
- Desparafuse os parafusos que (1) fec ham a caixa externa (2) e remova.
- Desparafuse os dois parafusos (3) do painel de circuito interno (4) e remova.
Fusível (5) Verde 30A
Proteção geral da máquina
- Coloque a tampa (4) e a caixa (2) de volta ao lugar e inverta a sequência.

| PROBLEMA | CAUSA | SOLUÇÃO |
| Virando a chave em direção à “ON” a máquina não inicia. | Baterias com carga insuficiente ou falta de carga (apena para a versão BC).Máquina não conectada corretamente a rede elétrica (apena para a versão E).Fusível destinado a proteção geral do equipamento queimado (apenas para a versão BC). | Verifique o estado de carga da bateria.Conecte corretamente a (saída da) rede elétricaSubstitua o fusível VERDE - 30A. |
| A escova não roda. Erro sobreintesidade da tomada do grupo de escovas ou do circuito aberto.O botão que controla a rotação da escova não esta sendo pressionado. | Veja o parágrafo “Sinais de advertência ao utilizar a máquina”.Pressione corretamente o botão. | |
| O aspirador não funciona. Erro da tomada da unidade de sucção ou do circuito aberto.O botão que controla a função de sucção não está sendo pressionado. | Veja o parágrafo “Sinais de advertência ao utilizar a máquina”.Pressione corretamente o botão. | |
| A máquina não seca bem e deixa vestígios de água no piso. | Aspirador desligado.Tubo de sucção entupido.Borrachas do limpador não estão corretamente configuradas.Reservatório de águas sujas cheio.Partes em borracha do mecanismo limpador desgas-tadas. | Ligue o aspirador.Verifique e eventualmente limpe o tubo de sucção que conecta o mecanismo limpador ao reservatório de águas sujas.Coloque as borrachas do limpador conforme o indicado no parágrafo “Configuração do limpador”Esvazie o reservatório.Vire ou substitua as partes em borracha. |
| Não sai água. | Reservatório de água limpa vazio.O botão que controla o funcionamento da eletroválvula não estando pressionado.Torneira fechada.Filtro obstruído.A eletroválvula não está funcionando. | Encha o tanque.Pressione corretamente o botão.Abra a torneira que encontra-se na parte inferior da máquina.Limpe o filtro.Chame o serviço de assistência técnica. |
| Limpeza insuficiente do piso. | Escovas ou detergentes inadequados.Escova desgastada. | Utilize escovas ou detergentes adequados para o tipo de piso ou sujidade.Substitua a escova |
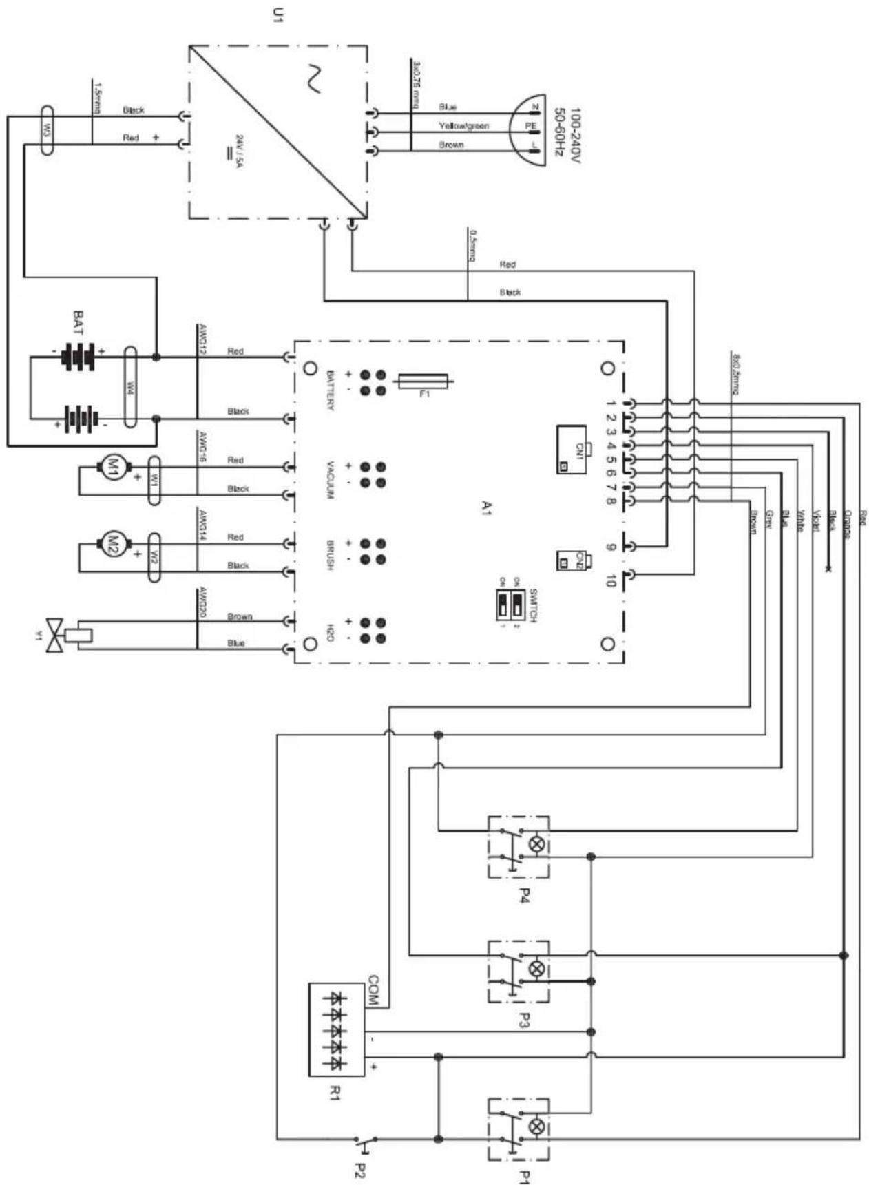
DIAGRAMAS (ESQUEMAS) ELÉTRICOS
Versão BC

text_image
U1 1.5mm Black Red + 24V/5A W3 BAT + - W4 + - AWG12 Red Black AWG16 Red Black AWG14 Red Black AWG20 Brown Blue F1 BATTERY + - VACUUM + - BRUSH + - H2C A1 1 2 3 4 5 6 7 8 9 10 CN1 CN2 SWITCH 60.2mm Gray Blue Valve VCM Block OUTDO. P4 P3 COM R1 P2 P1A1 ...... Painel de circuito eletrônico
BAT ......Bateria 2x 12V
U1 ....Carregador de baterias 5A
Y1 ......Eletroválvulas
F1 ......Fusível 30A (geral)
M1..Motor que exerce a função aspiração
M2 ... Motor responsável pela rotação da escova
P1 botão ligar/desligar
P2 Botão de escova
P3 .. Interruptor de funcionamento (aspiração)
P4 ..Interruptor de comando da eletroválvula
CN2 ..... Conector do carregador de bateria.
Red ....Vermelho
Orange .... Laranja
Black ...... Preto
Violet ...... Violeta
White ....Branco
Blue Azul
Grey Cinza
Brown ....Marrom
Yellow ......Amarelo
Green ....Verde
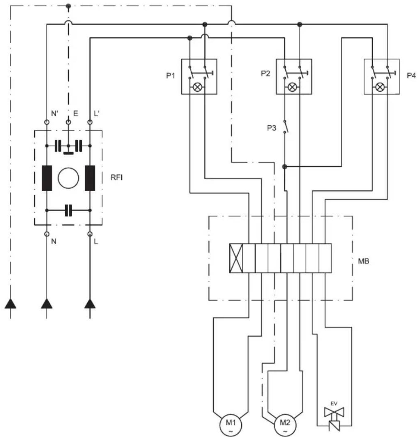
Versão E

flowchart
graph TD
A["RF1"] --> B["N"]
A --> C["L"]
A --> D["E"]
A --> E["N'"]
F["M1"] --> G["M2"]
H["M2"] --> I["EV"]
J["P1"] --> K["P2"]
K --> L["P3"]
L --> M["P4"]
N["MB"] --> O["P1"]
N --> P["P2"]
N --> Q["P3"]
style A fill:#f9f,stroke:#333
style F fill:#ccf,stroke:#333
style J fill:#cfc,stroke:#333
style N fill:#fcc,stroke:#333
style O fill:#ffc,stroke:#333
style P fill:#fcc,stroke:#333
style Q fill:#fcc,stroke:#333
EV ......Eletroválvulas
M1..Motor que exerce a função aspiração
M2 ... Motor responsável pela rotação da escova
MB ......Placa de terminais
P1 ... Interruptor de funcionamento (aspiração)
P2. Interruptor do movimento de rotação da escova
P3 ......Botão de controle da escova
P4 ..Interruptor de comando da eletroválvula
RFI ...... Filtro de rede
DEALER

CE



text_image
GHIBLI®Ghibli S.p.a.
ManualFácil