Winner 38E - Autolaveuse Ghibli - Notice d'utilisation et mode d'emploi gratuit
Retrouvez gratuitement la notice de l'appareil Winner 38E Ghibli au format PDF.
| Caractéristiques | Détails |
|---|---|
| Type d'appareil | Nettoyeur haute pression |
| Pression maximale | 140 bars |
| Débit d'eau | 450 litres/heure |
| Alimentation | 230 V |
| Poids | 15 kg |
| Dimensions | 40 x 35 x 90 cm |
| Accessoires inclus | Flexible haute pression, lance, buse réglable |
| Utilisation recommandée | Nettoyage de surfaces extérieures, véhicules, terrasses |
| Entretien | Vérifier régulièrement le filtre d'entrée d'eau, nettoyer la lance |
| Sécurité | Arrêt automatique, protection contre la surchauffe |
| Garantie | 2 ans |
FOIRE AUX QUESTIONS - Winner 38E Ghibli
Téléchargez la notice de votre Autolaveuse au format PDF gratuitement ! Retrouvez votre notice Winner 38E - Ghibli et reprennez votre appareil électronique en main. Sur cette page sont publiés tous les documents nécessaires à l'utilisation de votre appareil Winner 38E de la marque Ghibli.
MODE D'EMPLOI Winner 38E Ghibli
Les données d'indentification de la machine se trouvent sur la plaque (1) positionnée sur le manche de guide.
Il est recommandé de reporter dans le tableau ci-dessous le modèle de la machine et le numéro relatif de matricule.
DE
KENNDATEN
U1 Carica batterie 5A
Nous vous remercions pour avoir choisi un de nos produits pour le nettoyage de vos locaux.
L'autolaveuse accompagnée que vous venez d'acquérir a été conçue pour satisfaire l'utilisateur en termes de simplicité d'utilisation et de fiabilité dans le temps.
Nous sommes conscients que, pour qu'un produit reste tel quel dans le temps, il faut constamment le renouveler afin de satisfaire les attentes de ceux l'utilisent quotidiennement. Nous espérons donc que vous serez un client satisfait mais aussi un collaborateur qui n'hésite pas à nous faire partager les opinions et les idées de ceux qui l'utilisent au quotidien.
Tables des Matières
1.1 Introduction ...... FR-4
1.1.a Intérêt du manuel FR-4
1.1.b Consultation du manuel.... FR-4
1.1.c Légende des symboles présents dans le manuel ......FR-4
1.1.d Terminologie conventionnelle FR-4
1.2 Avertissements généraux ...... FR-4
1.2.a Qualification du personnel....FR-4
1.2.b Position de l'opérateur.... FR-5
1.2.c Combinaison de protection.... FR-5
1.2.d Avertissements généraux avant la première utilisation ...... FR-5
1.2.e Avertissements généraux pedant l'utilisation de la machine ...... FR-5
1.2.f Avertissements généraux concernant les batteries FR-5
1.2.g Avertissements généraux pendant l'entretien ......FR-5
1.2.h Avertissements généraux en cas d'incendie FR-5
1.2.i Arrêt prolongé de la machine. FR-6
1.3 Utilisation prévue de la machine FR-6
1.4 Utilisation non prévue de la machine FR-6
1.4.a Zones à risque d'explosion FR-6
1.5 Démolition de la machine FR-6
1.6 Textes de référence ....FR-6
2.1 Désemballage FR-7
2.1.a Équipement de la machine FR-7
3.1 Assemblage des composants ...... FR-7
3.1.a Positionnement du manche FR-7
3.1.b Branchement de la batterie (seulement pour les versions BC) ...... FR-8
3.1.c Branchement électrique (seulement pour les versions E) ...... FR-8
3.1.d Montage de la brosse FR-9
4.1 Chargement de la batterie FR-10
5.1 Connaissance de la machine .... FR-11
6.1 Panneau de contrôle et de commandes ......FR-12
7.1 Levier de réglage de l'inclinaison du manche ...... FR-13
8.1 Remplissage du réservoir FR-14
9.1 Fonctionnement ...... FR-15
9.1.a Vérification avant l'utilisation. FR-15
9.1.b Préparation de la machine et choix du cycle. FR-15
9.1.c Utilisation de la machine FR-16
9.1.d Fin d'utilisation et arrêt. ......FR-16
9.1.e Alarmes durant le fonctionnement.... FR-17
9.1.f Compteur d'heures. FR-17
10.1 Vidange eau de récupération FR-18
11.1 Entretien et nettoyage ......FR-19
11.1.a Vidange et nettoyage du réservoir d'eau propre ...... FR-19
11.1.b Nettoyage du réservoir d'eau de récupération FR-20
11.1.c Nettoyage du groupe suceur FR-21
11.1.d Nettoyage du filtre d'eau propre....FR-22
11.1.e Substitution de la brosse....FR-22
11.1.f Substitution des raclettes en caoutchouc....FR-23
11.1.g Réglage incidence suceur....FR-23
11.1.h Substitution des fusibles (seulement pour la versions BC) ...... FR-24
Problèmes – Cause – Réparations...... FR-25
Schémas électriques ...... FR-27
Données des Matières
Type de conduction ....Conducteur accompagnant ....Conducteur accompagnant
Caractéristiques
Fonctionnement ...... Batteries ......Câble
Type de Batteries N° 2 - 12V - 25Ah - (C5)
Type de câble électrique ....230 V - 50/60 Hz
Longueur câble électrique 15 m
Puissance installée 510 W 620 W
Avancement...... Manuel ....Manuel
Largeur piste de lavage ....385 mm ....385 mm
Largeur d'aspiration ....450 mm ....450 mm
Rendement théorique 1100 m³/h 1100 m³/h
Brosses
Diamètre / pad / nombre ....385 mm / 15" x 1 ....385 mm / 15" x 1
Puissance moteur / nombre.... 260 W x 1 .... 370 W x 1
Vitesse moteur 130 tours / min. 155 tours / min.
Pression spécifique ....35 gr / cm² ....35 gr / cm²
Traction
Pente maximale autorisé à pleine charge .... 2 % .... 2%
Aspiration
Puissance moteur 250 W 250 W
Dépression (colonne d'eau)....68 / 700 mbar / mmH 2 O ....68 / 700 mbar / mmH 2 O
Débit d'air 28 l/sec 28 l/sec
Niveau sonore ....65 dB (A) ....65 dB (A)
Réservoir
Type...... Double réservoir ...... Double réservoir
Capacité récupération 22 l 22 l
Dimensions (lxhxb) 800 x 1100 x 400 mm 800 x 1100 x 400 mm
Bruit
Niveau de pression sonore
perçue par l'opérateur ....Lp (A) 65,9 dB(A) ....Lp (A) 65,9 dB(A)
Incertitude associée....kpA = 0,75 dB(A) ....kpA = 0,75 dB(A)
Vibrations
Niveau de vibration transmis au
système main-bras (ISO 5349)....1.61 m/s2 ....1.61 m/s2
Poids à vide....39 kg....40 kg
Poids avec batteries 61 kg
Poids à pleine charge .... 77 kg .... 56 kg
Température d'exercice -10°C ÷ 40°C -10°C ÷ 40°C
1.1 INTRODUCTION
Ce manuel fait partie intégrante de la machine ; il doit donc être conservé avec soin dans un lieu sûr et accessible à tous les utilisateurs (opérateurs et personnels prévus pour l'entretien) pour toute la durée de vie de la machine jusqu'à sa démolition.
1.1.a - Intérêt du manuel
L'intérêt de ce manuel est de fournir les instructions nécessaires pour la mise en service, l'utilisation et l'entretien de la machine à laquelle il est annexé.
Il est recommandé de lire les instructions de ce manuel attentivement et de respecter scrupuleusement les normes de sécurité décrites dans ce manuel.
Le mauvais respect de ces instructions/ normes pourrait causer des dommages à la machine et à l'opérateur et ne pourront en aucun cas être imputés au constructeur.
Les indications de sécurité décrites dans le manuel intègrent et NE SUBSTITUENT PAS les normes en vigueur du pays dans lequel la machine est utilisée.
1.1.b - Consultation du manuel
Ce manuel est divisé en chapitres selon un ordre logique de connaissances et d'emploi de la machine. Pour faciliter la recherche, consulter d'abord la TABLE DES MATIÈRES reportée au début du manuel.
1.1.c - Légende des symboles présents dans le manuel
Pour mettre en évidence dans ce manuel les informations et les procédures relatives à la sécurité, l'entretien, etc. on été adoptés les symboles suivants :

DANGER :
Avertissement d'un danger sérieux, ême mortel, pour la sécurité de l'opérateur et/ou de tierces personnes.

AVERTISSEMENT :
Informations d'une extrême importance permettant d'éviter des sérieux dommages à la machine et dans l'environnement de travail.

NOTE :
Informations supplémentaires pour le correcte fonctionnement de la machine ou ayant un caractère général.
1.1.d - Terminologie conventionnelle
Les indications antérieures, postérieures, en avant, en arrière, en bas, en haut, à gauche et à droite font référence à l'opérateur en position de travail avec les mains sur le manche de conduction.
Pour simplifier, le nom commercial du modèle a été substitué par « machine ».
La machine peut être fournie selon deux versions :
- BC : version avec batteries
- E : version avec câble électrique
1.2 AVERTISSEMENTS GÉNÉRAUX
Avant la mise en route, l'utilisation et l'entretien de la machine, il faut que les conducteurs (responsables ou opérateurs) aient pris connaissance des procédures et de normes de sécurité présentes dans ce manuel.
Respecter toutes les prescriptions contenues dans le manuel et dans la documentation éventuelle en annexe.

DANGER :
L'utilisation de la machine par du personnel no formé, des enfants et des personnes porteuses d'handicap est strictement interdit.
1.2.a - Qualification du personnel
Opérateur
Par opérateur, il est sous-entendu du personnel générique capable de pratiquer des opérations simples de conduction de la machine ainsi que les opérations de nettoyage après l'utilisation relatives.
Ouvrier chargé de l'entretien électrique/mécanique
Technicien qualifié pour effectuer sur la machine des opérations de réparation ou de substitution des parties pour lesquelles il faut enlever les carters de protection.
1.2.b - Position de l'opérateur
Pendant l'utilisation de la machine, l'opérateur est positionné derrière la machine, avec les mains sur le manche.
1.2.c - Combinaison de protection
- Utiliser une combinaison de protection selon la norme en vigueur dans le pays d'utilisation de la machine.
1.2.d - Avertissements généraux avant la première utilisation
- Avant la première utilisation de la machine, vérifié que les protections de sécurité fixe (carter) soient toujours à leur emplacement et correctement fixées.
1.2.e - Avertissements généraux pe- dant l'utilisation de la machine
- Si la machine émet des bruits bizarres, l'arrêter immédiatement et identifier la cause.
- NE JAMAIS laisser la machine sur de surfaces inclinées supérieures à 2 %.
- Pendant le fonctionnement de la machine, éviter les chocs avec des étagères ou des armoires.
- Il est interdit d'utiliser la machine en plein air ou sur la voie publique.
- Si possible, utiliser la machine dans des lieux vides de personnes ; si ce n'est pas le cas, les prévenir de bien vouloir s'éloi-gner avant d'utiliser la machine.
- Ne pas utiliser la machine au sein d'environnements présentant des substances corrosives ou des saumâtres.
- Ne pas utiliser la machine au sein d'environnements explosifs (ATEX).
- L'emploi d'adaptateurs, de prises multi- ples et/ou de rallonges est déconseillé.
- Si le câble d'alimentation de l'appareil présente des signes de détérioration, le faire uniquement remplacer dans un centre de service après-vente agréé par le constructeur.
Seulement pour version "E"
- Durant le fonctionnement de la machine, faire attention à maintenir le câble électrique loin de la brosse; risque d'enroulement du câble autour de la brosse.
1.2.f - Avertissements généraux concernant les batteries
- Porter des moyens de protection individuels pour éviter le contact avec la peau (voir normes en vigueur dans le pays d'utilisation de la machine.
- Ne pas inhaler les vapeurs : cela peut être dangereux.
- Il est interdit de fumer et/ou d'utiliser des flammes libres dans un rayon de 2 mètres autour de la batterie pendant sa charge, dans la zone de recharge et pendant le refroidissement de celle-ci après la charge.
- Signaler les éventuelles fuites de liquide de la batterie ; elles sont dangereuses et fortement polluantes.
- Utiliser uniquement des batteries scellées type GEL ou AGM
- Les batteries ne doivent être substituées que par un technicien qualifié.
1.2.g - Avertissements généraux pendant l'entretien
- Débrancher la batterie / le câble électrique, avant d'effectuer des opérations d'entretien ou de réparation.
- Ne pas poser d'outils ni d'objets métalliques sur les batteries; cela pourrait provoquer des courts-circuits.
- Ne pas utiliser de produits détergents agressifs, acides, lessivant, etc. pour les opérations de nettoyage et de lavage, et faire particulièrement attention aux parties électriques.
- Ne pas laver la machine avec des jets d'eau directs ou sous pression.
- Lorsque l'on doit soulever la machine pour d'éventuelles opérations d'entretien, il est nécessaire de travailler en toute sécurité en plaçant en dessous de celle-ci des supports fixes.
- Ne s'adresser qu'à un centre d'assistance autorisé pour les opérations de réparation et ne demander que des pièces de rechange ORIGINALES.
1.2.h - Avertissements généraux en cas d'incendie
- En cas d'incendie, n'utiliser que l'extinc- teur à poudre homologué ; NE PAS utili- ser d'eau pour éteindre l'incendie.
1.2.i - Arrêt prolongé de la machine.
- Placer la machine dans un endroit couvert, à l'abri des agents atmosphériques, dans un lieu où la température est comprise entre 5°C et +40°C.
- Retire la clé de démarrage.
- Vider l'eau propre contenue dans le réservoir.
- Exécuter la recharge des batteries et une fois chargées, l'enlever de la machine.
- Effectuer la recharge de la batterie une fois par mois.
1.3. UTILISATION PRÉVUE DE LA MACHINE
La machine a été conçue et fabriqué seulement pour nettoyer et sécher les sols d'un endroit clos.

DANGER :
Toute autre utilisation décharge le constructeur de toute responsabilité pour dommages aux personnes et/ou aux choses et fait déchoir toute condition de garantie.
1.4 - UTILISATION NON PRÉVUE DE LA MACHINE

AVERTISSEMENT :
La machine n'est pas conçue pour être utilisée à l'extérieur.

DANGER :
- Laver les sols avec de l'eau dont la température est supérieure à 50°C.
- Utiliser du gasoil/de l'essence ou des détergents corrosifs pour le lavage des sols.
- Laver et aspirer des liquides corrosifs, inflammables et explosifs, même dilués.
1.4.a - Zones à risque d'explosion
Il est absolument interdit d'utiliser la machine dans des environnements à risque d'explosion, dans lesquels on peut noter la présence de gaz, de vapeurs, de liquides et de poudres inflammables et explosives.
1.5. DÉMOLITION DE LA MACHINE
Pour la sauvegarde de l'environnement, procéder selon les normes locales en vigueur. Quand l'appareil n'est plus utilisable ni réparable, procéder à l'élimination différenciée des composants.

L'installation électrique ne peut pas être éliminée comme un déchet urbain ; il faut donc respecter le tri sélectif spécifique pour l'élimination des déchets dérivant des équipements électriques (Loi n°151 du 25 juillet
2005-2002/967/CE-2003/108/CE)
Les équipements électriques sont marqués d'un symbole représentant un conteneur à déchet sur roues barré. Ce symbole indique que l'équipement a été mis sur le marché après le 13 août 2005 et qu'il doit faire l'objet d'une récolte différencié.
L'élimination inadaptée ou abusive des équipements ou bien une utilisation impropre, en fonction des substances et des matériaux contenus, peut causer des dommages aux personnes et pour l'environnement. L'élimination des déchets électriques qui ne respecterait pas les normes en vigueur peut entraîner l'application de sanctions administratives et pénales.
1.6. TEXTES DE RÉFÉRENCE
La machine a été construite conformément à la Directive Machines en vigueur et conformément aux normes figurant dans la déclaration de conformité "CE" fournie avec la machine.
2.1 DÉSEMBALLAGE (Fig. 1)
Une fois que vous avez enlevé l'emballage comme indiqué selon les instructions reportées sur l'emballage, vérifier l'intégrité de la machine et de tous ses composants.
Si vous constatez des dommages, contacter le concessionnaire de la zone et le transporteur au maximum trois jours après la livraison.
- Enlever le sac (1) contenant les accessoires ainsi que le carton (2) contenant la brosse.
2.1.a - Équipement de la machine (Fig. 2)
Les accessoires équipant la machine sont les suivants :
1) Un tube flexible de chargement de l'eau.
2) Un manuel d'utilisation et d'entretien de la machine.
3) Un manuel d'instruction du chargeur de batteries.
4) Filtre pour l'orifice du réservoir d'eau propre.
5) Fusible 30 A
6) Brosse.
3.1 ASSEMBLAGE DES COMPOSANTS
3.1.a - Positionnement du manche (Fig. 3)
- Débloquer le manche (1) en tirant sur le levier (2) et le soulever en la plaçant dans la position souhaitée.

text_image
2
text_image
2 1 Fig. 1[Non-Text]

3.1.b - Branchement de la batterie (seulement pour les versions BC) (Fig. 4)
- Dévisser les vis (3) qui fixent le réservoir (4) au support poignée.
- Enlever le réservoir (4) de l'eau de récupération et brancher les connecteurs (5) et (6) des batteries.
- Remonter le réservoir (4) d'eau de récupération.
3.1.c - Branchement électrique (seulement pour les versions E)
- Brancher le câble d'alimentation de la machine à une prise de courant du réseau électrique ayant une portée minimale de 10 A.

AVVERTISSEMENT :
- S'assurer que l'implant électrique de réseau soit équipé d'interrupteurs différentiels (type disjoncteur différentiel).
- Dérouler entièrement le câble d'alimentation électrique avant de démarrer la machine.
- N'utiliser une rallonge électrique seulement que si elle est en parfait état ; vérifier que la section soit appropriée à la puissance de l'appareil.
- Ne jamais laisser courir le câble d'alimentation sur des coins coupant et éviter de l'écraser.

3.1.d - Montage de la brosse (Fig. 5)
- Mettre la brosse (1) par terre.
- Soulever la machine par l'avant en faisant levier sur le manche (2) et enlever le socle en polystyrène (3).
- Placer la bride (4) sur la brosse (1).
- Appuyer sur le bouton (5) qui s'allume, puis appuyer sur le levier (6) en lançant la rotation de la brosse jusqu'à entendre un "CLICK" d'accrochage de la brosse, puis relâcher le levier (6) et appuyer sur le bouton (5) qui s'éteint.

AVERTISSEMENT:
Utiliser uniquement les brosses fournies par le constructeur pour le modèle spécifique de machine.
L'utilisation d'un type de brosse différent peut compromettre la sécurité de la machine.

4.1 CHARGEMENT DE LA BATTERIE (Fig. 6) (seulement pour la version BC)

DANGER :
Procéder au chargement des batteries dans un lieu aéré et conforme aux normes en vigueur dans le pays d'utilisation
Pour les informations relatives à la sécurité, respecter les instructions décrites dans le chapitre 1 de ce manuel.

AVERTISSEMENT :
Pour les informations et les avertissements relatifs à la batterie et au chargeur de batterie, respecter les instructions décrites dans le manuel de la batterie et du chargeur de batterie annexé à ce manuel.
- Approcher la machine d'une prise de courant électrique reliée de secteur.
- Dérouler le câble (2) et le raccorder avec la prise de courant électrique reliée de secteur.

AVERTISSEMENT :
Vérifier que la tension de réseau soit compatible avec la tension de fonctionnement du chargeur de batterie.
- Laisser la batterie en charge jusqu'à ce que la led « verte » s'allume, puis débrancher le câble (2) d'alimentation et enrouler de nouveau dans le support spécial.

NOTE :
Il faut 10 heures pour charger complètement les batteries.
Eviter les recharges partielles.

AVVERTISSEMENT :
- S'assurer que l'implant électrique de réseau soit équipé d'interrupteurs différentiels (type disjoncteur différentiel).
- Dérouler complètement le câble d'alimentation électrique avant de le raccorder à la prise de courant électrique.
- N'utiliser une rallonge électrique seulement que si elle est en parfait état ; vérifier que la section soit appropriée à la puissance de l'appareil.
- Ne jamais laisser courir le câble d'alimentation sur des coins coupant et éviter de l'écraser.
- La prise de courant doit être facilement accessible.

1) Manche de conduite
2) Tableaux de commandes
3) Levier d'actionnement de la raclette.
4) Levier démarrage rotation brosse et/ou distribution eau.
5) Levier de rotation de la position du manche.
6) Réservoir d'eau de récupération.
7) Couvercle du réservoir d'eau de récupération.
8) Câble d'alimentation (seulement pour la version E).
9) Réservoir d'eau propre.
10) Ouverture remplissage de l'eau propre.
11) Roues.
12) Bride de rotation de la brosse.
13) Brosse.
14) Raclette.
15) Tuyau de vidange de l'eau de récupération.
16) Tuyau d'aspiration de l'eau depuis la raclette.
17) Chargeur de batteries (seulement pour la version BC).
18) Indicateur de charge de la batterie (seulement pour la version BC).
19) Robinet de réglage de l'eau.
20) Filtre de l'eau.
6.1 PANNEAU DE CONTRÔLE ET DE COMMANDES
(Fig. 8)
1) LED état de charge de la batterie (uniquement pour la version BC)
Elle s'allume lorsque le bouton (3) est appuyé en indiquant l'état de charge de la batterie.
- Lorsque la LED est allumée (1c), elle indique que l'état de charge de la batterie est au maximum.
- Lorsque la LED est allumée (1b), elle indique que l'état de charge de la batterie est environ à la moitié.
- Lorsque la LED est allumée (1a) (led rouge), elle indique que l'état de charge de la batterie est au minimum.
Lorsque la batterie est déchargée (led rouge (1a) allumée), la machine s'éteint ou ne démarre pas et clignote pendant quelques secondes la led "R" du chargeur de batterie; il faut recharger la batterie.
2) Bouton aspirateur
En appuyant sur le bouton (2), il s'allume et le fonctionnement de l'aspirateur démarre.
Le fonctionnement de l'aspirateur est activé par le bouton (3) appuyé.
3) Bouton rotation brosse
En appuyant sur le bouton (3), il s'allume et la tension dans les circuits est activée ainsi que la rotation de la brosse.
Le lancement de la rotation de la brosse est commandé par les leviers (5) appuyés.
4) Bouton distribution eau
En appuyant sur le bouton (4), il s'allume et la distribution de l'eau s'active pour la-ver le sol.
La distribution est commandée non seulement par l'interrupteur (3) appuyé mais aussi par les leviers (5) appuyés.
5) Leviers rotation brosse et/ou distribution eau
En appuyant sur le levier (5) et en tenant appuyé, la rotation de la brosse démarre et la distribution de l'eau est activée.

text_image
1c 1b 1a 2 3 5 4 5 1 Fig. 87.1 LEVIER DE RÉGLAGE DE L'INCLINAISON DU MANCHE (Fig. 9)
- En tirant sur le levier (1), il est possible de changer la position du manche (2); en relâchant le manche se positionne et se bloque dans la position obligatoire la plus proche.

NOTE :
En positionnant le manche (2) verticalement, il est possible d'effectuer un nettoyage plus soigné des angles en faisant pivoter la machine sur elle-même.

text_image
1 2 Fig. 98.1 REMPLISSAGE DU RÉSERVOIR (Fig. 10)

AVVERTISSEMENT :
N'introduire dans le réservoir que de l'eau propre du réseau, dont la température ne doit pas dépasser les 50°C.
- Récupérer le tuyau (1) parmi les accessoires, brancher l'extrémité (1a) à un robinet et insérer l'extrémité (1b) dans le réservoir.
- Ouvrir le robinet et remplir le réservoir (2)
- Verser dans le réservoir du liquide détergent.

NOTE:
N'utiliser que du détergent qui ne mousse pas ; en ce qui concerne les quantités, se référer aux instructions du producteur du détergent et selon le type de saleté.

DANGER:
En cas de contact du détergent avec les yeux et la peau ou en cas d'ingestion, se référer à la fiche de sécurité et d'utilisation fourni par le producteur du détergent;
- A la fin du remplissage du réservoir, le tuyau (1) peut être entièrement inséré dans le réservoir (2) car l'extrémité (1a) sert de bouchon ; ou alors, le tuyau (1) peut être entièrement enlevé et à la place, le filtre (3) peut être introduit dans l'ouverture du réservoir (2).

text_image
1a 1b 2 1a 1 2 3 2 Fig. 109.1 FONCTIONNEMENT (Fig. 11-12)
9.1.a - Vérification avant l'utilisation.
- Contrôler que le tuyau (1) d'évacuation du réservoir de récupération soit correctement accroché et correctement bouché.
- Vérifier que le tuyau (2) d'aspiration de l'eau venant de la raclette soit correctement inséré dans le réservoir de récupération.
- Vérifier que le raccord (3) posé sur la raclette (13) ne soit pas obstrué et que le tuyau soit correctement branché.
- Contrôler l'état de charge des batteries; appuyer sur l'interrupteur (4), en contrôlant l'indicateur à LED (5) (uniquement pour la version BC).
9.1.b - Préparation de la machine et choix du cycle.
- Appuyer sur le bouton (4) qui s'allume.
- Tirer sur le levier (6) et le relâcher, la ra-clette s'abaisse.
Cycle de travail :
- La machine a la possibilité d'effectuer 4 cycles de travail.
Cycle de séchage seulement :
- Pour effectuer seulement cycle de séchage, appuyer sur le bouton (7) pour démarrer l'aspiration.
Cycle de brossage seulement :
- Pour n'effectuer que le cycle de brossage appuyer sur le levier (8); en le relâchant (8) la brosse s'arrête.
Cycle de lavage, Brosses :
- Appuyer sur le bouton (9) pour prédisposer la distribution de l'eau, puis appuyer sur le levier (8) pour lancer le cycle.
Cycle de lavage, de brossage et de séchage :
- Appuyer sur le bouton (7) pour lancer l'aspirateur, le bouton (9) pour prédisposer la distribution de l'eau, puis appuyer sur le levier (8) pour démarrer le cycle.

9.1.c - Utilisation de la machine
- Après avoir lancé la machine et choisi le type de cycle, démarrer les opérations de nettoyage en appuyant sur les leviers (8) et en les maintenant appuyés pour lancer al rotation de la brosse et la distribution de l'eau; puis pousser la machine par les poignées (10) présentes sur le manche (11).

NOTE :
En relâchant les leviers (8), la rotation de la brosse et la distribution de l'eau s'arrêtent.

NOTE :
Pour éviter de détériorer le sol, ne pas laisser la machine ferme avec la rotation de la brosse enclenchée.

NOTE :
Le correct nettoyage et séchage du sol s'effectue en faisant avancer la machine ; si au contraire vous reculez avec la machine, en plus de détériorer les raclettes, l'aspiration de l'eau présente sur le sol ne se fera pas correctement.
- Il est possible de régler la quantité d'eau de lavage grâce au robinet (12).
- Contrôler l'état de charge des batteries au moyen de l'indicateur (5) (uniquement pour la version BC).
9.1.d - Fin d'utilisation et arrêt.
- A la fin des opérations de nettoyage, avant d'éteindre la machine, stopper la distribution de l'eau et la rotation de la brosse en relâchant les leviers (8) et en appuyant sur le bouton (9) continuer avec l'aspirateur branché pour aspirer tout le liquide présent sur le sol, ensuite éteindre l'aspirateur en appuyant sur le bouton (7).
- Soulever la raclette (13) en tirant le levier (6) et en le relâchant; le levier reste en position supérieure en maintenant la raclette levée.

text_image
5 7 9 4 8 1 6 8 10 11 13 12 Fig. 12
AVERTISSEMENT
Toujours soulever le groupe suceur à la fin des travaux de nettoyage pour éviter la déformation des raclettes de caoutchouc.
- Appuyer sur le bouton (4) qui s'éteint.
- Débrancher le câble d'alimentation électrique de la prise (seulement pour la version E).
9.1.e - Alarmes durant le fonctionnement (Fig. 12/a)
- Durant le fonctionnement de la machine des alarmes peuvent être enclenchées et sont visibles lorsque les led s'illuminent : Erreur surintensité sortie aspirateur Led 1 clignotante plus led 2 allumée avec lumière fixe.
Erreur surintensité sortie brosse
Led 1 clignotante plus led 3 allumée avec lumière fixe.
Erreur circuit ouvert sortie aspirateur
Led 1 clignotante plus led 4 allumée avec lumière fixe.
Erreur circuit ouvert sortie brosse
Led 1 clignotante plus led 5 allumée avec lumière fixe.

text_image
5 4 3 2 1 Fig. 12/a
REMARQUE :
Lorsqu'une des erreurs mentionnées plus haut est affichée il est nécessaire d'éteindre et de redémarrer la machine pour revenir au fonctionnement normal.
9.1.f - Compteur d'heures (Fig. 12/a)
Il est possible d'afficher les heures de fonctionnement de la machine comme indiqué ci-dessous :
- Pour accéder au compteur d'heures démarrer la machine en appuyant sur le bouton (6) « Rotation brosses » et maintenir appuyé.

REMARQUE :
La valeur maximum calculée est de 9999 heures.
Affichage unités d'heures :
- un clignotement de la led 1 suivi de plusieurs clignotements de la led 5 correspond aux unités des heures.
Affichage dizaines d'heures :
- un clignotement de la led 1 suivi de plusieurs clignotements de la led 4 correspond aux dizaines des heures.
Affichage centaines d'heures :
- un clignotement de la led 1 suivi de plusieurs clignotements de la led 3 correspond aux centaines des heures.
Affichage milliers d'heures :
- un clignotement de la led 1 suivi de plusieurs clignotements de la led 2 correspond aux milliers des heures.
10.1 VIDANGE EAU DE RÉCUPÉRATION
(Fig. 13)
A la fin du cycle de lavage ou bien quand le réservoir (1) de l'eau de récupération est plein, il faut le vider en opérant comme décrit ci-dessous :

NOTE :
Pour l'élimination de l'eau de récupération se référer aux normes en vigueur dans le pays d'utilisation de la machine.
- Placer la machine près d'une bonde de vidange.
- Détacher le tuyau (2) du support (3).
- Enlever le bouchon (4) du tube (2) et vi- der entièrement l'eau contenue dans le réservoir.

text_image
1 2 3 2 2 4 1 2 Fig. 1311.1 ENTRETIEN ET NETTOYAGE

AVERTISSEMENT :
Pour les informations et les avertissements relatifs aux opérations d'entretien ou de nettoyage, se référer aux informations indiquées dans le paragraphe « avertissement généraux pendant l'entretien » présentes dans le chapitre 1 de ce manuel.
OPÉRATIONS À EFFECTUER TOUS LES JOURS
11.1.a - Vidange et nettoyage du ré- servoir d'eau propre (Fig. 14)

AVERTISSEMENT :
A la fin des opérations de lavage ; il est obligatoire de vider et de nettoyer le réservoir d'eau propre pour éviter les dépôts ou les incrustations.
Après avoir vider le réservoir d'eau de récupération, vider le réservoir d'eau propre, en procédant comme suit :
- Placer la machine près d'une bonde de vidange.
- Tourner vers l'intérieur le raccord de vidange (1).
- Pousser vers l'intérieur la bague (2) et en même temps extraire le bouchon (3) et laisser l'eau se vider entièrement.
- Laver l'intérieur du réservoir en laissant le bouchon de décharge ouvert et en introduisant de l'eau propre depuis l'ouverture à l'avant.
- Une fois le nettoyage terminé, replacer le bouchon (3) en le poussant vers l'intérieur.

11.1.b - Nettoyage du réservoir d'eau de récupération. (Fig. 15)

AVERTISSEMENT :
Une fois les opérations de lavage terminées, il faut obligatoirement nettoyer le réservoir d'eau de récupération pour éviter des dépôts ou des incrustations et la prolifération de bactéries, d'odeurs et de moisissures.
- Vidanger l'eau de récupération comme cela est indiqué dans le paragraphe en question en plaçant la machine près d'une bonde de vidange.
- Enlever le couvercle (1) et nettoyer avec de l'eau l'intérieur du couvercle et la son-de (2) de sécurité aspirante.
- En laissant le tuyau (3) abaissé et le bouchon déplacé, introduire de l'eau depuis l'ouverture supérieure (4) pour nettoyer l'intérieur du réservoir jusqu'à ce que de l'eau propre ressorte du tuyau de décharge.
- Remonter l'ensemble en procédant en sens inverse.

text_image
1 2 4 3 Fig. 1511.1.c - Nettoyage du groupe suceur (Fig. 16)
Pour effectuer un nettoyage du groupe suceur (1), il faut l'enlever comme indiqué ci-dessous :
- Extraire vers l'extérieur le groupe suceur (1).
- Débrancher le tube (2) du groupe (1).
- Dévisser les volants de serrage (3) et en-lever le groupe (1).
- Laver le groupe et plus particulièrement les pièces en caoutchouc (4) et l'intérieur du raccord d'aspiration (5).

NOTE :
Si au cours du nettoyage, il s'avère que les caoutchoucs (4) sont abîmés ou usés, il faut soit les remplacer soit les inverser.
- Remonter le tout en procédant en sens inverse.

11.1.d - Nettoyage du filtre d'eau propre (Fig. 17)
- Dévisser le couvercle transparent (1) du filtre et enlever de filtre (2).
- Nettoyer le filtre (2) à l'eau du robinet ; s'il est encrassé, procéder à sa substitution.
- Remonter le tout en procédant en sens inverse.
OPÉRATIONS À EFFEC- TUER SELON LES BESOINS
11.1.e - Substitution de la brosse (Fig. 18)
La substitution de la brosse devient nécessaire lorsqu'elle présente une usure au niveau de la longueur de poils inférieur à 2 cm, ou bine en fonction du type de sol à nettoyer ; procéder comme suit pour la substitution :
- Brancher le câble électrique (uniquement pour la version E).
- Soulever légèrement l'avant de la machine en faisant levier sur les poignées du manche.
- Appuyer sur le bouton (3) en activant la rotation de la brosse, puis appuyer sur le levier (4) et le relâcher; la brosse (5) est dégagée.
- Remplacer la brosse puis appuyer sur la flasque de support (6) sur la brosse (5) et appuyer sur les leviers (4) jusqu'à entendre le "CLICK" d'accrochage de la brosse sur la flasque.
- Appuyer sur le bouton (3) qui s'éteint.

text_image
2 1 Fig. 17
11.1.f - Substitution des raclettes en caoutchouc (Fig. 19)
A partir du moment où le séchage du sol s'avère difficile ou bien que des traces d'eau restent sur le sol, il faut contrôler l'état d'usure des raclettes en caoutchouc du groupe suceur (1).
- Enlever le groupe suceur (1) comme indiqué dans le paragraphe « nettoyage groupe suceur ».
- Dévisser les écrous à ailettes (2) et enlever le caoutchouc (3).

NOTE :
Lorsque les caoutchoucs (3) sont usés d'un côté, ils peuvent être retournés une fois.
- Substituer ou retourner le caoutchouc (3) sans les intervertir.
- Remonter le tout en procédant en sens contraire.

NOTE :
Il existe deux types de caoutchouc :
Le caoutchouc en para pour tous les types de sols et le caoutchouc en polyuréthane pour les sols d'atelier mécanique présentant des traces d'huile.
11.1.g - Réglage incidence suceur (Fig. 20)
- Abaisser le suceur en agissant sur le levier spécial.
- Démarrer l'aspirateur et se déplacer de quelques mètres, ensuite éteindre l'aspirateur et arrêter la machine.
- Contrôler l'incidence des raclettes en caoutchouc (1) sur le sol.
Fig. A = trop écrasé
Fig. B = trop soulevé
Fig. C = position correcte.
- Démonter le suceur de la machine.
- Pour le réglage desserrer la vis (2) de la roue (3) et déplacer, verticalement, la roue sur l'encoche ; lorsque vous soulevez la roue l'incidence augmente, inversement elle diminue.

text_image
1 2 3 Fig. 19
text_image
A B OK C 1 2 3 3 Fig. 2011.1.h - Substitution des fusibles (seulement pour la versions BC) (Fig. 21)

AVERTISSEMENT :
Substituer le fusible grillé avec un de même ampérage.
- Dévisser les deux vis (1) du carter extérieur (2) et l'enlever.
- Dévisser les deux vis (3) du couvercle (4) de la fiche électronique et l'enlever.
Fusible (5) Vert 30A
Protection générale machine.
- Remonter le couvercle (4) et le carter (2) en procédant dans le sens inverse.

| PROBLÈMES CAUSE RÉPARATIONS | ||
| La machine ne démarre lorsque l'on tourne la clé. | La batterie est déchargée (seulement pour la version BC).La prise est débranchée (seulement pour la version E).Le fusible général est grillé (seulement pour la version BC). | Contrôler l'état de charge de la batterie.Brancher la prise.Substituer le fusible VERT général de 30 A. |
| La brosse ne tourne pas. Erreur surintensité sortie brosse ou bien circuit ouvert brosse.Le bouton commandant la rotation de la brosse n'est pas enclenché. | Voir paragraphe « Alarmes durant le fonctionnement ».Enclencher le bouton. | |
| L'aspirateur ne fonctionne pas. | Erreur surintensité sortie aspirateur ou bien circuit ouvert aspirateurLe bouton commandant l'aspiration n'est pas enclenché. | Voir paragraphe « Alarmes durant le fonctionnement ».Enclencher le bouton. |
| La machine ne sèche pas correctement et laisse des traces d'eau sur le sol. | L'aspirateur est éteint.Le tuyau d'aspiration est encrassé.Raclettes en caoutchouc suceur non réglés correctementLe réservoir de récupération est plein.Les raclettes en caoutchouc sont usées. | Démarrer l'aspirateur.Contrôler et éventuellement nettoyer le tuyau d'aspiration qui relie de groupe suceur au réservoir de récupération.Régler les raclettes en caoutchouc du suceur comme indiqué dans le paragraphe « Réglage suceur »Vider le réservoir de récupération.Retourner ou substituer les raclettes en caoutchouc. |
| L'eau ne sort plus. Le réservoir est vide.Le bouton de commande de l'électrovalve n'est pas enclenchéLe robinet est fermé.Le filtre est encrassé.L'électrovalve ne fonctionne pas. | Remplir le réservoir.Enclencher le bouton.Ouvrir le robinet placé sous la machine.Nettoyer le filtre.Contacter le service d'assistance technique. | |
| Le nettoyage du sol est in-suffisant. | Les brosses ou les déter-gents sont inadaptés.La brosse est usée. | Utiliser des brosses ou des détergents adaptés au type de sol ou selon le degré de saleté à nettoyer.Substituer la brosse. |
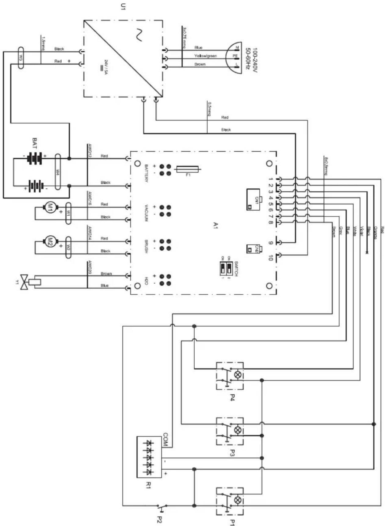
SCHÉMAS ÉLECTRIQUES
Version BC

text_image
U1 1.5mm Black Red + 24V/5A W3 BAT + - W4 + - AWG12 Red Black AWG16 Red Black AWG14 Red Black AWG20 Brown Blue F1 BATTERY + - VACUUM + - BRUSH + - H2C A1 1 2 3 4 5 6 7 8 9 10 CN1 CN2 SWITCH RCC 60.2mm Gray Blue Valve VCM Block OUTDO. P4 P3 COM R1 P2 P1A1 ......Fiche électronique
BAT ......Batterie 2x 12V
U1 ....Chargeur de batterie 5A
Y1 ......Electrovalve
F1 ......Fusible 30A (général)
M1 ......Moteur aspiration
M2 Moteur brosse
P1 Interrupteur ON/OFF
P2 Bouton brosse
P3 Interrupteur aspiration
P4 ......Interrupteur électrovalve
R1 ......Indicateur décharge
CN1 ......Connecteur poignée
CN2 ......Connecteur chargeur de batteries
Red ....Rouge
Orange ...... Orange
Black .... Noir
Violet ...... Violet
White .... Blanc
Blue ....Bleu
Grey Gris
Brown ....Marron
Yellow ...... Jaune
Green ....Vert
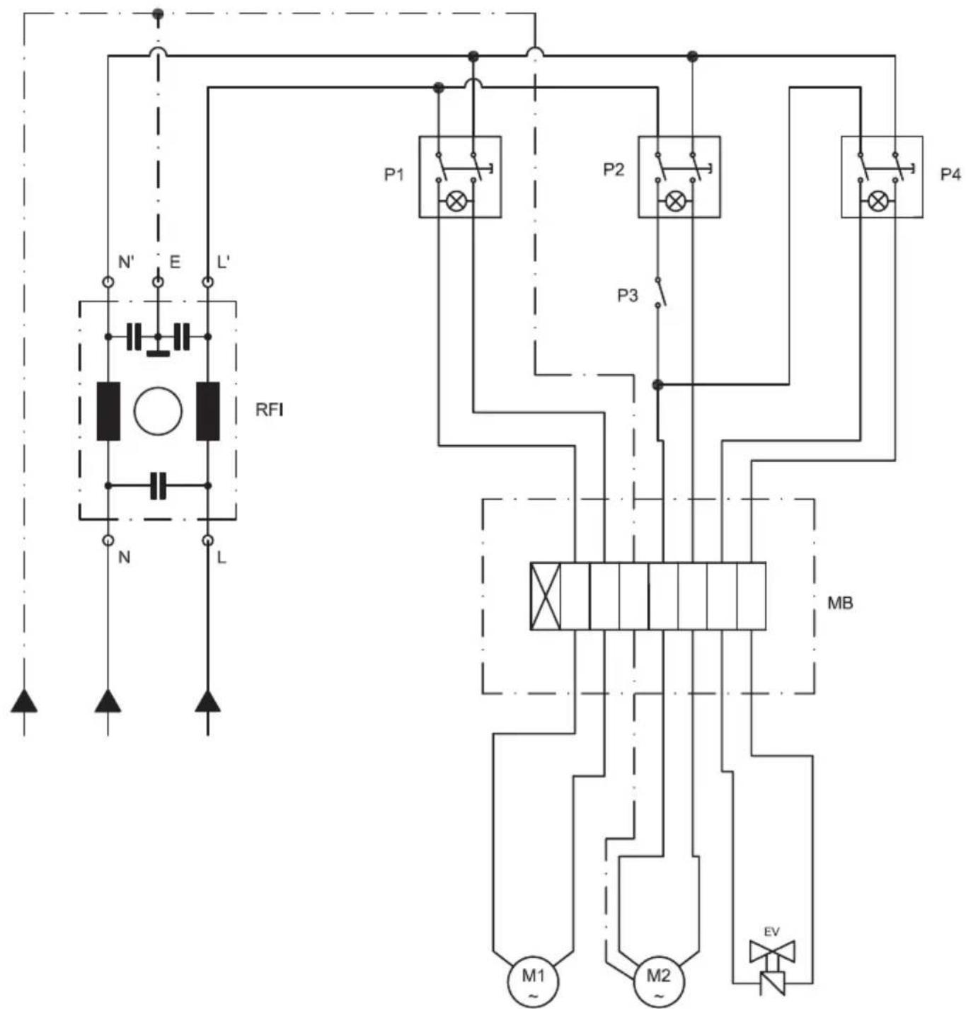
Version E

flowchart
graph TD
A["RF1"] --> B["N"]
A --> C["L"]
A --> D["E"]
A --> E["N'"]
F["P1"] --> G["×"]
H["P2"] --> I["×"]
J["P3"] --> K["×"]
L["P4"] --> M["×"]
N["M1"] --> O["~"]
P["M2"] --> Q["~"]
R["EV"] --> S["~"]
T["MB"] --> U["~"]
V["~"] --> W["~"]
X["~"] --> Y["~"]
EV ....Electrovalve
M1....Moteur aspiration
M2 Moteur brosse
MB ......Bornier
P1 ...... Interrupteur aspiration
P2 ......Interrupteur brosse
P3 ...... Bouton brosse
P4 ......Interrupteur électrovalve
RFI ......Filtre antibrouillage réseau
Notice Facile