Winner 38E - Depurador Ghibli - Manual de uso y guía de instrucciones gratis
Encuentra gratis el manual del aparato Winner 38E Ghibli en formato PDF.
| Características | Detalles |
|---|---|
| Tipo de dispositivo | Limpiador a alta presión |
| Presión máxima | 140 bares |
| Caudal de agua | 450 litros/hora |
| Alimentación | 230 V |
| Peso | 15 kg |
| Dimensiones | 40 x 35 x 90 cm |
| Accesorios incluidos | Manguera de alta presión, lanza, boquilla ajustable |
| Uso recomendado | Limpieza de superficies exteriores, vehículos, terrazas |
| Mantenimiento | Revisar regularmente el filtro de entrada de agua, limpiar la lanza |
| Seguridad | Apagado automático, protección contra sobrecalentamiento |
| Garantía | 2 años |
Preguntas frecuentes - Winner 38E Ghibli
Descarga las instrucciones para tu Depurador en formato PDF gratis! Encuentra tus instrucciones Winner 38E - Ghibli y toma tu dispositivo electrónico nuevamente en la mano. En esta página están publicados todos los documentos necesarios para el uso de su dispositivo. Winner 38E de la marca Ghibli.
MANUAL DE USUARIO Winner 38E Ghibli
ESDATOS IDENTIFICATIVOS
Los datos identificativos de la máquina se encuentran en la placa (1) colocada sobre el manillar-guía.
Se recomienda transcribir el modelo y el número de matrícula de la máquina en la tabla inferior
PT
DADOS IDENTIFICATIVOS/TÉCNICOS
ES Español.... ES -1 (Traducción de las instrucciones originales)
Le agradecemos por haber elegido este producto, estamos seguros que le ayudará a mantener limpio sus ambientes.
La fregadora-secadora de suelos que Usted ha adquirido ha sido diseñada para satisfacer sus exigencias periódicas en términos de uso y confiabilidad.
Somos conscientes que para que un buen producto perdure en el tiempo requiere de continuas actualizaciones que satisfagan las expectativas de quien diariamente lo usa. Nosotros esperamos contar con Usted no sólo como cliente, sino como el socio que transmite sus opiniones y sus ideas producto de la experiencia que en este sentido ha adquirido.
Índice
1.1 Introducción ...... ES-4
1.1.a Finalidad del manual ES-4
1.1.b Consulta del manual...... ES-4
1.1.c Lectura de los símbolos presentes en el manual ES-4
1.1.d Términos convencionales...... ES-4
1.2 Advertencias generales...... ES-4
1.2.a Cualificación del personal ES-4
1.2.b Posición del operador......ES-5
1.2.c Ropa de seguridad en el trabajo ES-5
1.2.d Advertencias generales antes del uso ES-5
1.2.e Advertencias generales cuando se usa la máquina ES-5
1.2.f Advertencias generales sobre las baterías ES-5
1.2.g Advertencias generales durante el mantenimiento ES-5
1.2.h Advertencias generales en caso de incendio ES-5
1.2.i Parada de la máquina por largo período ES-6
1.3 Uso contemplado de la máquina ES-6
1.4 Uso no contemplado de la máquina ES-6
1.4.a Zonas con riesgo de explosión ES-6
1.5 Desinstalación y tratamiento como residuo de la máquina ...... ES-6
1.6 Normas de referencia ...... ES-6
2.1 Desembalaje ES-7
2.1.a Equipamiento de la máquina ES-7
3.1 Ensamblaje de componentes ...... ES-7
3.1.a Posicionamiento del manillar...... ES-7
3.1.b Instalación de las baterías (sólo para las versiones BC) ...... ES-8
3.1.c Instalación Eléctrica (sólo para versión E)......ES-8
3.1.d Montaje del cepillo...... ES9
4.1 Carga de la batería (sólo para la versión bc) ES-10
5.1 Conocimiento de la máquina ES-11
6.1 Panel de control y mando ES-12
7.1 Palanca rotación inclinación manillar...... ES-13
8.1 Llenado del depósito ES-14
9.1 Funcionamiento ...... ES-15
9.1.a Controles antes del uso...... ES-15
9.1.b Preparación de la máquina y elección del ciclo ES-15
9.1.c Uso de la máquina ES-16
9.1.d Fin del uso y apagado......ES-16
9.1.e Alarmas durante el funcionamiento. ES-17
9.1.f Cuentahoras. ES-17
10.1 Vaciado del agua de retorno ES-18
11.1 Mantenimiento y limpieza ES-19
11.1.a Vaciado y limpieza del depósito de agua limpia...... ES-19
11.1.b Limpieza del depósito de agua de retorno ES-20
11.1.c Limpieza de la escobilla ES-21
11.1.d Limpieza del filtro de agua limpia...... ES-22
11.1.e Sustitución del cepillo......ES-22
11.1.f Sustitución de los cauchos de la escobilla......ES-23
11.1.g Regulación incidencia del limpiador......ES-23
11.1.h Sustitución de fusibles (sólo para la Versión BC)......ES-24
Problemas - Causas - Soluciones ES-25
Esquemas eléctricos ES-27
Versión BC ES-27
Versión E......ES-29
Datos técnicos
Versión BC Versión E
Tipo de conducción ....Conducción desde el suelo ....Conducción desde el suelo
Características
Funcionamiento ......Baterías ......Cable
Tipo de baterías......N° 2 - 12V - 25Ah - (C5)......-
Tipo de cable eléctrico....- 230 V - 50/60 Hz
Alimentación...... Batería 24V Gel o AGM......-
Longitud cable eléctrico 15 m
Potencia instalada 510 W 620 W
Avance.... Manual .... Manual
Anchura de aspiración....450 mm....450 mm
Rendimiento horario teórico 1100 m²/h 1100 m²/h
Cepillos
Diámetro / pad / número .....385 mm / 15" x 1 .....385 mm / 15" x 1
Potencia motor / número 260 W x 1 370 W x 1
Velocidad del motor ....130 rpm / min. ....155 rpm / min.
Presión específica ....35 gr / cm² ....35 gr / cm²
Tracción
Pendiente máxima superable con carga plena ..... 2 % .....2%
Aspiración
Potencia motor 250 W 250 W
Depresión (columna de agua) ....68 / 700 mbar / mmH₂O ....68 / 700 mbar / mmH₂O
Capacidad de aire 28 l/sec 28 l/sec
Nivel de ruido....65 dB (A)....65 dB (A)
Depósito
Tipología ....Doble tanque ....Doble tanque
Capacidad de solución....16 I....16 I
Capacidad de retorno 22 l 22 l
Dimensiones (lxhxb) 800 x 1100 x 400 mm 800 x 1100 x 400 mm
Ruido
Nivel de presión sonora
en la posición del operador....Lp (A) 65,9 dB(A)....Lp (A) 65,9 dB(A)
Inseguridad asociada....kpA = 0,75 dB(A)....kpA = 0,75 dB(A)
Vibraciones
Nivel de vibración transmitido
al sistema mano brazo (ISO 5349)....1.61 m/s2 ....1.61 m/s2
Inseguridad asociada ......kv = 6.3% ......kv = 6.3%
Peso
Peso en vacío 39 kg 40 kg
Peso con baterías.... 61 kg ....-
Peso con carga plena 77 kg 56 kg
Temperatura de ejercicio....-10°C ÷ 40°C ....-10°C ÷ 40°C
1.1 INTRODUCCIÓN
Este manual forma parte integral de la máquina, por lo tanto debe conservarse en un lugar seguro y de fácil acceso para todos los que lo usan (operadores y personal encargado del mantenimiento) durante la vida útil de la máquina y hasta cuando se produzca su desinstalación con tratamiento residual.
1.1.a - Finalidad del manual
El objeto de este manual es el de suministrar las instrucciones necesarias para poner en funcionamiento, usar y hacerle mantenimiento a la máquina para la cual se ha elaborado.
Se recomienda leer atentamente las instrucciones y atender estrictamente las norm de seguridad que en él se describen.
El incumplimiento de las instrucciones y mas establecidas podría ocasionar lesiones al operador y daños en la máquina que de ninguna manera podrán imputarse al fabricante.
Las indicaciones descritas en el manual for- man parte de la reglamentación legal que esté vigente en el lugar donde se va a instalar la máquina, y por lo tanto NO LA SUSTITUYEN.
1.1.b - Consulta del manual
El manual está dividido en capítulos según el orden lógico de relación y empleo de la máquina. Para facilitar la búsqueda, consultar el ÍNDICE que está al comienzo del manual.
1.1.c - Lectura de los símbolos presentes en el manual
Para resaltar la información y los proce mientos relacionados con la seguridad, mantenimiento, etc., dentro del manual han sido adoptados los siguientes símbolos:

PELIGRO:
Alerta sobre la presencia de un serio peligro que puede poner en riesgo la integridad física, o incluso ocasionar la muerte del operador o de terceras personas.

ADVERTENCIA:
Contiene información importante para evitar daños en la máquina y al lugar donde ésta opera.

NOTA:
Información adicional para el correcto funcionamiento de la máquina y otras de carácter general.
1.1.d - Términos convencionales
Las indicaciones que hacen referencia a los términos delantero, trasero, hacia adelante hacia atrás arriba, abajo izquierdo y derecho, corresponden a las acciones que realiza el operador cuando trabaja con las manos en el manillar-guía.
Para simplificar, el nombre comercial del modelo ha sido reemplazado por el de "Máquina".
La máquina puede entregarse en dos versiones diferentes:
- BC: Versión con baterías
- E: Versión con cable eléctrico
1.2 ADVERTENCIAS GENERALES
Antes de poner en funcionamiento, de usar y de hacerle mantenimiento a la máquina, es necesario que el personal encargado (responsable u operador) reciban las instrucciones sobre los procedimientos operativos y sobre las normas de seguridad descritas en este manual.
Respetar todas las instrucciones que contiene este manual así como sus eventuales anexos.

PELIGRO:
ed Está prohibido que personas sin la debi- elda formación, niños y minusválidos usen la máquina.
1.2.a - Cualificación del personal
Operador
Por operador se entiende el personal que está en capacidad de realizar las operaciones de conducción de la máquina, y de limpiarla al finalizar el turno de trabajo.
Electricista/mecánico
Técnico cualificado para realizar en la máquina labores de reparación o de sustitución de partes en las que se necesite retirar la carcasa de protección.
1.2.b - Posición del operador
Durante su uso, el operador debe colocarse en la parte trasera de la máquina con las manos sobre el manillar.
1.2.c - Ropa de seguridad en el trabajo
- Utilizar ropa de seguridad en el trabajo de acuerdo con la reglamentación legal que esté vigente en el lugar donde se instala la máquina.
1.2.d - Advertencias generales antes del uso
- Antes de usar la máquina, controle que los protectores de seguridad (carcasa) estén siempre fijados en la posición correcta.
1.2.e - Advertencias generales cuando se usa la máquina
- Si la máquina emite ruidos extraños párela inmediatamente e identifique la causa.
- NO deje la máquina en superficies con inclinaciones superiores al 2%.
- Durante el uso de la máquina evitar gol- pes en las estanterías o armarios.
- Es prohibido usar la máquina fuera del lugar o en vías públicas.
- En lo posible, utilizar la máquina en lugares libres de personas; y en el caso en que advierta la presencia de alguna ajena al ambiente de trabajo, alértela sobre la necesidad de retirarse del lugar antes de usarla.
- No usar la máquina en ambientes con presencia de sustancias corrosivas o salobres.
- No usar la máquina en ambientes con presencia de explosivos (ATEX).
- Es aconsejable el uso de adaptadores, tomas múltiples y/o prolongadores.
- Si el cable de alimentación de este aparato está dañado, debe ser sustituido exclusivamente por un centro de asistencia técnica autorizado por el fabricante.
Sólo por versión "E"
- Durante el funcionamiento de la máquina prestar atención en mantener el cable eléctrico lejos de la escobilla; peligro de enrollado del mismo en la escobilla.
1.2.f - Advertencias generales sobre las baterías
- Utilizar los medios individuales de protección adecuados con el fin de evitar contactos con la piel (ver normas vigentes en el lugar donde se utiliza la máquina).
2 No inhalar el vapor, es peligroso. - Es prohibido fumar y/o utilizar fuego libre en un radio de 2 metros alrededor de la batería durante la carga, en el área de recarga y durante el enfriamiento de la misma durante la recarga.
- Indicar las posibles pérdidas de líquido de la batería., es muy peligroso y contaminante.
- Utilizar sólo baterías selladas tipo GEL o AGM.
- Las baterías deben ser substituidas sólo por personal calificado.
1.2.g - Advertencias generales durante el mantenimiento
- Desconecte las baterías/cable eléctrico, antes de realizar operaciones de mantenimiento o de reparación.
- No apoye herramientas y objetos metálicos sobre las baterías, puede provocar cortocircuitos.
- En las operaciones de limpieza y de lavado no usar detergentes agresivos, ácidos, lejías, etc. y poner mucha atención a las partes eléctricas.
- No lavar la máquina con chorros de agua directos o a presión.
- Cuando se eleve la máquina para las operaciones de mantenimiento, es necesario trabajar bajo seguridad colocando debajo de ella los soportes fijos.
- Diríjase a un centro de asistencia técnica autorizado para las operaciones de reparación, y solicite sólo repuestos ORIGINALES.
1.2.h - Advertencias generales en caso de incendio
- En caso de incendio usar sólo extintores de polvo homologados; NO USAR agua para apagar el incendio.
1.2.i - Parada de la máquina por largo período
- Dejar la máquina cubierta y alejada agentes atmosféricos en un lugar donde la temperatura esté entre los 5° los+40°C.
- Retirar la llave de encendido.
- Descargar el agua limpia del depósito.
- Cargar las baterías, y una vez hecho este procedimiento desconectarlas.
- Una vez al mes recargar las baterías.
1.3. USO CONTEMPLADO DE LA MÁQUINA
La máquina ha sido diseñada y fabricada para lavar y secar suelos cubiertos.

PELIGRO:
Cualquier otro uso que se le dé exime al fabricante de responsabilidad por los daños que puedan causarse a las personas o a las cosas y hace caducar cualquier garantía.
1.4 - USO NO CONTEMPLADO DE LA MÁQUINA

ADVERTENCIA:
La máquina no ha sido diseñada para funcionar al descubierto.

PELIGRO:
- No lavar suelos con agua cuya temperatura sea superior a los 50°C;
- No utilizar gasóleo, gasolina o detergentes corrosivos, inflamables, y explosivos aunque estén diluidos.
- Lavar y aspirar líquidos corrosivos, inflamables y explosivos aunque estén diluidos.
1.4.a - Zonas con riesgo de explosión
Es prohibido utilizar la máquina en ambientes con riesgo de explosión, con gas, vapores, lí- quidos y polvos inflamables y explosivos.
1.5. DESINSTALACIÓN Y TRATAMIENTO COMO RESIDUO DE LA MÁQUINA
Para proteger el ambiente, proceder de acuerdo con la legislación local que esté vigente.
Cuando la máquina no pueda ser utilizada o reparada es necesario realizar el procedimiento de desinstalación con tratamiento de residuo de sus componentes.

La instalación eléctrica no puede eliminarse como residuo urbano, pero es necesario respetar la recogida selectiva prevista por la reglamentación especial para la eliminación de los residuos derivados de equipos eléctricos (D. leg. N° 151 del 27 /07 /2005; –
96/2002 DIRECTIVA CE; -108 /2003 DIRECTIVA CE
Las instalaciones eléctricas están marcadas con un símbolo relativo a un depósito de basura barrado con ruedas. El símbolo significa que el equipo ha sido introducido al mercado después del 13 de agosto de 2005, y que debe ser objeto de recogida selectiva.
La eliminación inadecuada o abusiva del equipo o el uso impropio del mismo puede causar daños a las personas y al ambiente, debido a las sustancias y al material que contiene. La eliminación de los residuos eléctricos que no respeten las normas vigentes, comporta la aplicación de sanciones administrativas y penales.
1.6. NORMAS DE REFERENCIA
La máquina ha sido fabricada conformemente con la Directiva máquinas vigente y con las normas indicadas en la Declaración "CE" de conformidad entregada con la máquina.
2.1 DESEMBALAJE (Fig. 1)
Una vez removido el embalaje de acuerdo con las instrucciones que están consignadas en el mismo embalaje, controlar que la máquina y todo el equipamiento de serie estén completos e íntegros.
Si se encuentran daños evidentes, contactar al distribuidor de la zona y al transportador dentro de los 3 días siguientes a su recibimiento.
- Retirar el sobre (1) con los accesorios de equipamiento y la caja (2) con el cepillo.
2.1.a - Equipamiento de la máquina (Fig. 2)
Los accesorios de equipamiento son los siguientes:
1) Tubo flexible para carga de agua.
2) Manual de uso y mantenimiento de máquina.
3) Manual de instrucciones para la carga de baterías
4) Filtro de entrada para el depósito de agua limpia.
5) Fusible de 30A.
6) Cepillo.
3.1 ENSAMBLAJE DE COMPONENTES
3.1.a - Posicionamiento del manillar (Fig. 3)
- Desbloquear el manillar (1) empujando la palanca (2), levantarlo colocándolo en la posición deseada.

text_image
2
text_image
do 2 1 Fig. 1[Non-Text]

text_image
la 1 2 3 4 5 6 Fig. 2[Non-Text]

3.1.b - Instalación de las baterías (sólo para las versiones BC) (Fig. 4)
- Destornillar los tornillos (3) que fijan el depósito (4) al soporte manilla.
- Quitar el depósito (4) del agua de retorno e instalar los conectores (5) y (6) de las baterías.
- Volver a poner el depósito (4) del agua de retorno.
3.1.c - Instalación Eléctrica (sólo para versión E)
- Conectar el cable de alimentación de la máquina a una toma de red con capacidad mínima de 10A.

ADVERTENCIA:
- Asegurar que la instalación eléctrica de la red tenga un interruptor diferencial (tipo salvavidas).
- Desenrollar todo el cable de alimentación eléctrica antes de poner en funcionamiento el equipo.
- Utilizar extensión eléctrica solamente cuando esté en buen estado. Asegurar-se que la sección sea la apropiada para la potencia del equipo.
- No dejar nunca que el cable de alimentación se deslice sobre equinas cortantes, y evitar aplastarlos.

3.1.d - Montaje del cepillo (Fig. 5)
- Colocar el cepillo (1) en el suelo.
- Levantar por delante la máquina ejerciendo palanca sobre el manillar (2) quitando el apoyo de poliestireno (3).
- Colocar la brida (4) sobre el cepillo(1).
- Pulsar el botón (5) el cual se ilumina, luego accionar las palancas (6) encendiendo la rotación del cepillo hasta que suene el "CLIC" de enganche del cepillo, después dejar libre las palancas (6) y pulsar el botón (5) el cual se apaga.

ADVERTENCIA:
Utilizar sólo escobillas abastecidas por el constructor según el modelo de máquina. El uso de otros tipos de escobillas puede comprometer la seguridad de la máquina.

4.1 CARGA DE LA BATERÍA (Fig. 6) (sólo para la Versión BC)

PELIGRO:
La carga de las baterías sólo debe efectuarse en locales con buena ventilación y conformes con la legislación del lugar donde se utiliza.
La información relacionada con la seguridad está descrita en el capítulo 1 de este manual, por lo tanto rogamos remitirse a ella.

ADVERTENCIA:
Las informaciones y las advertencias relacionadas con la batería y con el cargador de batería están descritas en su manual especial, anexo al presente.
- Llevar la máquina hasta un lugar provisto de toma con corriente eléctrica perteneciente a la red.
- Desenrollar el cable (2) y conectarlo a la toma de corriente de red

ADVERTENCIA:
Controlar que la tensión de la red sea compatible con la tensión prevista para el funcionamiento del cargador de batería.
- Dejar cargando las baterías hasta que se encienda el color "verde" del led (4), y entonces desconectar el cable (2) de alimentación y enrollarlo al soporte correspondiente.

NOTA:
Para recargar completamente las baterías se requieren 10 horas.
Evitar recargas parciales.

ADVERTENCIA:
- Asegurar que la instalación eléctrica de la red tenga un interruptor diferencial (tipo salvavidas).
- Desenrollar completamente el cable de alimentación eléctrica antes de conectarlo a la toma de corriente.
- Utilizar extensión eléctrica solamente cuando esté en buen estado. Asegurar-se que la sección sea la apropiada para la potencia del equipo.
- No dejar nunca que el cable de alimentación se deslice sobre equinas cortantes, y evitar aplastarlos.
- La toma de corriente debe ser de fácil acceso.

5.1 CONOCIMIENTO DE LA MÁQUINA (Fig. 7)

1) Manillar-guía.
2) Panel de mandos.
3) Palanca de activación de la fregado secadora.
4) Palancas de accionado rotación cepillos y/o suministro de agua.
5) Palancas de rotación posición del manillar
6) Depósito agua de retorno.
7) Tapa depósito agua de retorno.
8) Cable de alimentación (sólo para Versión E).
9) Depósito de agua limpia.
10) Orificio de llenado agua limpia.
11) Ruedas.
12) Brida de rotación del cepillo.
43) Cepillo.
14) Fregadora-secadora.
15) Tubo descarga agua de retorno.
16) Tubo de aspiración agua de la fregadora-
secadora
17) Cargador de baterías (sólo para la Versión BC).
18) Indicador de carga de baterías (sólo para Versión BC).
19) Grifo para regulación de agua.
20) Filtro de agua.
6.1 PANEL DE CONTROL Y MANDO (Fig. 8)
1) Leds estado de carga de la batería (sólo para la versión BC)
Se ilumina cuando el botón (3) es pulsa- do, indicando el estado de la carga de la batería.
- Cuando el led está iluminado (1c) indica que la carga de la batería está en lo máximo.
- Cuando el led está iluminado (1b) indica que la carga de la batería está en la mitad.
- Cuando el led está iluminado (1a) (en rojo), indica que la carga de la batería está en el mínimo.
Con la batería descargada (led en rojo (1a) e iluminado) la máquina se apaga y no se enciende, parpadeando por algunos segundos el led "R" del cargador de batería, por lo tanto es necesario cargar la batería.
2) Botón aspirador
Pulsando el botón (2) se ilumina y se en-
ciende el funcionamiento del aspirador.
El funcionamiento del aspirador es activado pulsando el botón (3).
3) Botón rotación cepillo
Pulsando el botón (3) se ilumina y se activa la tensión en los circuitos, igualmente se activa la rotación del cepillo.
El encendido del cepillo es activado accionando las palancas (5).
4) Botón suministro de agua
Pulsando el botón (4) se ilumina y se activa el suministro del agua para el lavado del suelo.
El suministro del agua es accionado no solo pulsando el interruptor (3) sino también pulsando las palancas (5).
5) Palancas rotación cepillo y/o suministro de agua
Accionando las palancas (5) y mante- niéndolas accionadas, se enciende la ro- tación del cepillo e igualmente se activa el suministro del agua.

text_image
1c 1b 1a 2 3 5 1 4 5 R Fig. 87.1 PALANCA ROTACIÓN INCLINACIÓN MANILLAR (Fig. 9)
- Empujando la palanca (1) se puede variar la posición del manillar (2); lib do la palanca el manillar se ubica bloquea en forma obligada en la posición más cerca.

NOTA:
Posicionando el manillar (2) en forma vertical se puede realizar una mejor limpieza de los ángulos haciendo rotar sobre si misma la máquina.

text_image
1 2 ran- y se Fig. 98.1 LLENADO DEL DEPÓSITO (Fig. 10)

ADVERTENCIA:
Llenar el depósito sólo con agua limpia y a una temperatura no superior a los 50°C.
- Coger el tubo (1) de equipamiento, conectar el extremo (1a) a un grifo, y el otro extremo (1b) introducirlo en el depósito (2).
- Abrir el grifo y llenar el depósito (2).
- Echar en el depósito el líquido detergen- te.

NOTA:
Utilizar sólo detergentes que no sean espumosos y en la cantidad que recomienda su productor para el tipo de suciedad.

PELIGRO:
En caso de contacto del detergente con los ojos y en la piel o en caso de ingerimiento remitirse a la placa de seguridad y de uso del fabricante del detergente;
- Al terminar de llenar el depósito se puede:
Introducir completamente el tubo (1) en el depósito (2) donde el extremo (1°) hace las veces de tapón; o quitar completamente el tubo (1) e introducir en la boca del depósito (2) el filtro (3) de equipamiento.

text_image
1a 1b 2 1a 1 2 m- 3 2 Fig. 10- Controlar que el tubo (1) de descarga del depósito de retorno esté bien enganchado y correctamente cerrado.
- Controlar que el tubo (2) de aspiración del agua de la fregadora-secadora esté bien conectado en el depósito de retorno.
- Controlar que la unión (3) colocada en la fregadora-secadora (13) no esté obstruida y que el tubo esté bien conectado.
- Controlar el estado de la carga de las baterías; pulsar el interruptor (4), controlando el indicador de leds (5) (sólo para la versión BC).
9.1.b - Preparación de la máquina y elección del ciclo
- Pulsar el botón (4) el cual se ilumina.
- Empujar la palanca (6) y liberarla, se baja la fregadora-secadora.
Ciclo de trabajo:
- La máquina puede efectuar 4 ciclos de trabajo:
Ciclo de sólo secado:
- Para efectuar solamente el ciclo de secado, pulsar el botón (7), y se enciende el aspirador.
Ciclo de sólo cepillado:
- Para efectuar sólo el ciclo de cepillado accionar las palancas (8); liberando las palancas (8) el cepillo se detiene.
- Pulsar el botón (9) para disponer del suministro de agua, luego accionar las palancas (8) para iniciar el ciclo.
Ciclo de lavado, cepillado, secado:
- Pulsar el botón (7) para encender el aspirador, el botón (9) para disponer suministro de agua y luego accionar las palancas (8) para iniciar el ciclo.

9.1.c - Uso de la máquina
- Después de haber encendido la máquina y elegir el tipo de ciclo, iniciar las operaciones de limpieza accionando las palancas (8) manteniéndolas accionadas para iniciar la rotación del cepillo y el suministro del agua; después empujar la máquina por las empuñaduras (10) del manillar (11).

NOTA:
Dejando libre las palancas (8) la rotación del cepillo y el suministro del agua se detienen.

NOTA:
Para evitar daños al suelo no utilice la máquina parada con la rotación del cepillo activada.

NOTA:
Para una correcta limpieza y secado del sue- lo la máquina debe moverse hacia delante, puesto que hacia atrás se dañan las raclas y el aspirado del agua del suelo no se efectúa correctamente.
- La regulación del agua se realiza a través del respectivo grifo (12).
- Controlar el estado de la carga de las baterías a través del indicador (5) (sólo para la versión BC).
9.1.d - Fin del uso y apagado
- Al terminar las operaciones de limpieza y antes de apagar la máquina detener el suministro del agua y la rotación del cepillo dejando libre las palancas (8) y pulsando el botón (9), continuar con el aspirador que se ha activado para aspirar el líquido que está en el suelo, y entonces apagar el aspirador pulsando el botón (7).
- Levantar la fregadora-secadora (13) em- pujando la palanca (6) y dejarla libre; la palanca permanece en posición superior manteniendo alzada la fregadora-seca- dora.

text_image
5 7 9 4 8 1 6 8 10 11 13 12 Fig. 12
ADVERTENCIA:
Levantar siempre la escobilla al terminar los trabajos de limpieza, evitando que las raclas de caucho se deformen.
- Pulsar el botón (4), el cual se apaga.
- Desconectar el cable de alimentación eléctrica de la toma (sólo para la Versión E).
9.1.e - Alarmas durante el funcionamiento (Fig. 12/a)
- Durante el funcionamiento de la máquina se pueden activar unas alarmas que se visualizan gracias a unos diodos luminosos:
Error exceso de corriente salida aspirador
Diodo luminoso 1 parpadeante más dio- do luminoso 2 fijo.
Error exceso de corriente salida escobilla
Diodo luminoso 1 parpadeante más dio- do 3 fijo.
Error circuito abierto salida aspirador
Diodo luminoso 1 parpadeante más diodo 4 fijo
Error circuito abierto salida escobilla
Diodo luminoso 1 parpadeante más diodo 5 fijo.

text_image
5 4 3 2 1 Fig. 12/a
NOTA:
Cuando se visualiza una cualquiera de las alarmas arriba indicadas es necesario apagar la máquina para volver al funcionamiento normal.
9.1.f - Cuentahoras (Fig. 12/a)
Se pueden visualizar las horas de funcionamiento de la máquina de la manera siguiente:
- Para acceder al cuentahoras es necesario iniciar la máquina manteniendo pulsado el botón (6) "Rotación escobillas".

NOTA:
El valor máximo contado es de 9999 horas.
Visualizar la unidad de horas:
- un parpadeo del diodo luminoso 1 seguido por el número de parpadeos del diodo 5 correspondiente al número de las unidades de horas.
Visualiza las decenas de horas:
- un parpadeo del diodo luminoso 1 seguido por el número de los parpadeos del diodo 4 correspondiente a las decenas de horas.
Visualizar las centenas de horas:
- un parpadeo del diodo luminoso 1 seguido por el número de los parpadeos del diodo 3 correspondiente a las centenas de horas.
Visualizar las miles de horas:
- un parpadeo del diodo luminoso 1 seguido por el número de los parpadeos del diodo 2 correspondiente a las miles de horas.
10.1 VACIADO DEL AGUA DE RETORNO
(Fig. 13)
Al terminar el ciclo de lavado o cuando el depósito (1) de agua de retorno está lleno, es necesario vaciarlo de la siguiente manera:

NOTA:
Para eliminar el agua de retorno se deben seguir los procedimientos establecidos por la legislación del lugar donde opere la máquina.
- Mover la máquina cerca a un sifón desagüe.
- Desenganchar el tubo (2) del soporte (3).
- Quitar el tapón (4) del tubo (2) y vaciar completamente el agua del depósito.

text_image
1 2 3 2 4 2 1 2 Fig. 1311.1 MANTENIMIENTO Y LIMPIEZA

ADVERTENCIA:
Toda la información y las advertencias relacionadas con el mantenimiento y la limpieza se encuentran en el apartado "Advertencias generales durante el mantenimiento" del capítulo 1 de este manual, por lo que rogamos atenerse a lo allí indicado.
OPERACIONES QUE DEBEN EFECTUARSE DIARIAMENTE
11.1.a - Vaciado y limpieza del depósito de agua limpia (Fig. 14)

ADVERTENCIA:
Al terminar las operaciones de lavado es obligatorio vaciar y limpiar el depósito con el fin de evitar residuos o incrustaciones.
Después de vaciar el depósito del agua de retorno, descargar el depósito de agua lim-pia, procediendo de la siguiente manera:
- Posicionarse con la máquina sobre un sifón de desagüe.
- Girar hacia el exterior la unión de vaciado(1).
- Empujar hacia el interior la abrazadera (2) y al mismo tiempo extraer el tapón (3) dejando que el agua se vacíe.
- Lavar el interior del depósito dejando el tapón de vaciado abierto, introduciendo agua limpia desde el frente.
- Al terminar de limpiar, volver a poner el tapón (3) empujándolo hacia el interior.

11.1.b - Limpieza del depósito de agua de retorno (Fig. 15)

ADVERTENCIA:
Al terminar las operaciones de lavado, es obligatorio limpiar el depósito de agua de retorno para evitar residuos o incrustaciones, y para que no proliferen bacterias, olores y añublos.
- Vaciar el agua de retorno como se indica en el correspondiente apartado, posicionándose con la máquina sobre un sifón de desagüe.
- Quitar la tapa (1) y limpiar con agua corriente el interior de la tapa y el flotador (2) de seguridad del aspirador.
- Dejando el tubo (3) bajado y el tapón removido, llenar con agua desde la apertura superior (4) limpiando el interior del depósito hasta que desde el tubo de vaciado salga agua limpia.
- Volver a poner todo, procediendo en sentido contrario.

text_image
1 2 3 4 Fig. 1511.1.c - Limpieza de la escobilla (Fig. 16)
Para efectuar una correcta limpieza de la escobilla (1)es necesario quitarla procediendo como sigue:
- Extraer hacia el exterior el grupo escobilla (1).
- Conectar el tubo (2) desde la escobilla (1).
- Aflojar los mangos (3) y quitar la escobilla (1).
- Lavar la escobilla, especialmente los cauchos (4) y el interior de la unión de aspiración (5).

NOTA:
Si durante el lavado se observa que los cauchos (4) están dañados o desgastados, es necesario sustituirlos o invertirlos.
- Volver a poner todo, procediendo en sentido contrario.

OPERACIONES QUE DEBEN EFECTUARSE SEMANALMENTE
11.1.d - Limpieza del filtro de agua limpia (Fig. 17)
- Aflojar la tapa transparente (1) del filtro y quitar el filtro (2).
- Limpiar el filtro (2) con agua corriente y si observa que está obstruido sustituirlo.
- Volver a poner todo, procediendo en sentido contrario.
OPERACIONES QUE DEBEN EFECTUARSE SEGÚN LAS NECESIDADES
11.1.e - Sustitución del cepillo (Fig. 18)
Es necesario sustituir el cepillo cuando está desgastado, es decir cuando el diámetro de las cerdas es inferior a los 2 cm o, cuando el tipo de suelos a lavar es diferente. Para la sustitución proceder de la siguiente manera:
- Introducir el cable eléctrico (sólo para la versión E).
- Levantar ligeramente la máquina por la parte delantera ejerciendo palanca sobre las empuñaduras del manillar.
- Pulsar el botón (3) activando la rotación del cepillo, luego accionar las palancas (4) y dejarlas libre; el cepillo se desprende.
- Sustituir el cepillo, por lo tanto, apoyar la brida porta cepillo (6) sobre el cepillo (5) y accionar las palancas (4) hasta sentir el “CLIC” de enganche del cepillo en la brida.
- Pulsar el botón (3), el cual se apaga.

text_image
2 1 Fig. 17
11.1.f - Sustitución de los cauchos de la escobilla (Fig. 19)
Cuando el secado sobre el suelo es ineficiente o quedan algunos residuos de agua es necesario controlar el estado de desgaste de los cauchos de la escobilla (1):
- Quitar el grupo escobilla (1) comose indica en el apartado "Limpieza de la escobilla".
- Desatornillar las tuercas y aletas (2) quitar los cauchos (3).

NOTA:
Cuando los gauchos (3) están desgastados en un lado, pueden ser invertidos por una sola vez.
- Sustituir o invertir los cauchos (3) sin confundirlos.
- Volver a poner todo, procediendo en sentido contrario.

NOTA:
Se pueden tener dos tipos de caucho:
Cauchos para todo tipo de suelos y cauchos de poliuretano para suelos de talleres de mecánica, sucios de aceite, etc.
11.1.g - Regulación incidencia del limpiador (Fig. 20)
- Bajar el limpiador actuando en la palanca correspondiente.
- Poner en marcha el aspirador y se unos metros, luego apagar el aspirador y parar la máquina.
- Controlar la incidencia de los cauchos (1) en el suelo.
Fig. A = demasiado aplastado
Fig. B = demasiado levantado
Fig. C = posición correcta.
- Desmontar el limpiador de la máquina.
- Para la regulación aflojar el tornillo (2) de la rueda (3) y desplazar, en sentido vertical, la rueda en la entalladura; levantando la rueda aumenta la incidencia, viceversa disminuye.

text_image
y 1 2 3 Fig. 19
text_image
A B OK C 1 2 3 3 Fig. 2011.1.h - Sustitución de fusibles (sólo para la Versión BC) (Fig. 21)

ADVERTENCIA:
Sustituir el fusible quemado por uno de igual amperaje.
- Destornillar los dos tornillos (1) del cáter externo (2) y quitarlo.
- Destornillar los dos tornillos (3) de la tapa (4) ficha electrónica y quitarla.
Fusible (5) Verde 30A
Protección general de la máquina.
- Volver a montar la tapa (4) y el cárter (2) procediendo en sentido contrario.

| PROBLEMAS | CAUSAS SOLUCIONES | |
| Girando la llave la máquina no se enciende. | Batería descargada (sólo para la versión BC).Enchufe de conexión de red desconectado (sólo para la Versión E).Fusible general quemado (sólo para la Versión BC). | Controlar el estado de carga de la batería.Conectar el enchufe de red.Sustituir el fusible VERDE general de 30A. |
| El cepillo no gira. Error exceso de corriente salida escobilla o circuito abierto escobillaBotón que activa la rotación del cepillo no pulsado. | Véase párrafo “Alarmas durante el funcionamiento”.Pulsar el botón. | |
| El aspirador no funciona. Error exceso de corriente salida aspirador o circuito abierto aspiradorBotón para la activación del aspirador no pulsado. | Véase párrafo “Alarmas durante el funcionamiento”.Pulsar el botón. | |
| La máquina no seca bien-dejando residuos de agua en el suelo. | Aspirador apagadoTubo de aspiración obstruido.Cauchos limpiador no regulados correctamenteDepósito de retorno lleno.Cauchos de la escobilla desgastados. | Encender el aspiradorControlar o limpiar el tubo de aspiraciónque conecta la escobilla con el depósito de retorno.Regular los cauchos del limpiador tal como está indicado en el párrafo “Regulación limpiador”Vaciar el depósito deretorno.Invertir o sustituir loscauchos de la escobilla. |
| PROBLEMAS | CAUSAS SOLUCIONES |
| No sale agua Depósito vacío. | Llenar el depósito.Lpulsar el botón.Abrir el grifo que está en la parte inferior de lamáquina.Limpiar el filtro.Llamar al servicio de asistenciatécnica. |
| Botón de activación de electroválvula no pulsado.Grifo cerrado.Filtro obstruido.No funciona la electroválvula. | |
| Limpieza del suelo ineficiente. | Cepillos o detergentes inadecuados.Cepillo desgastado. |
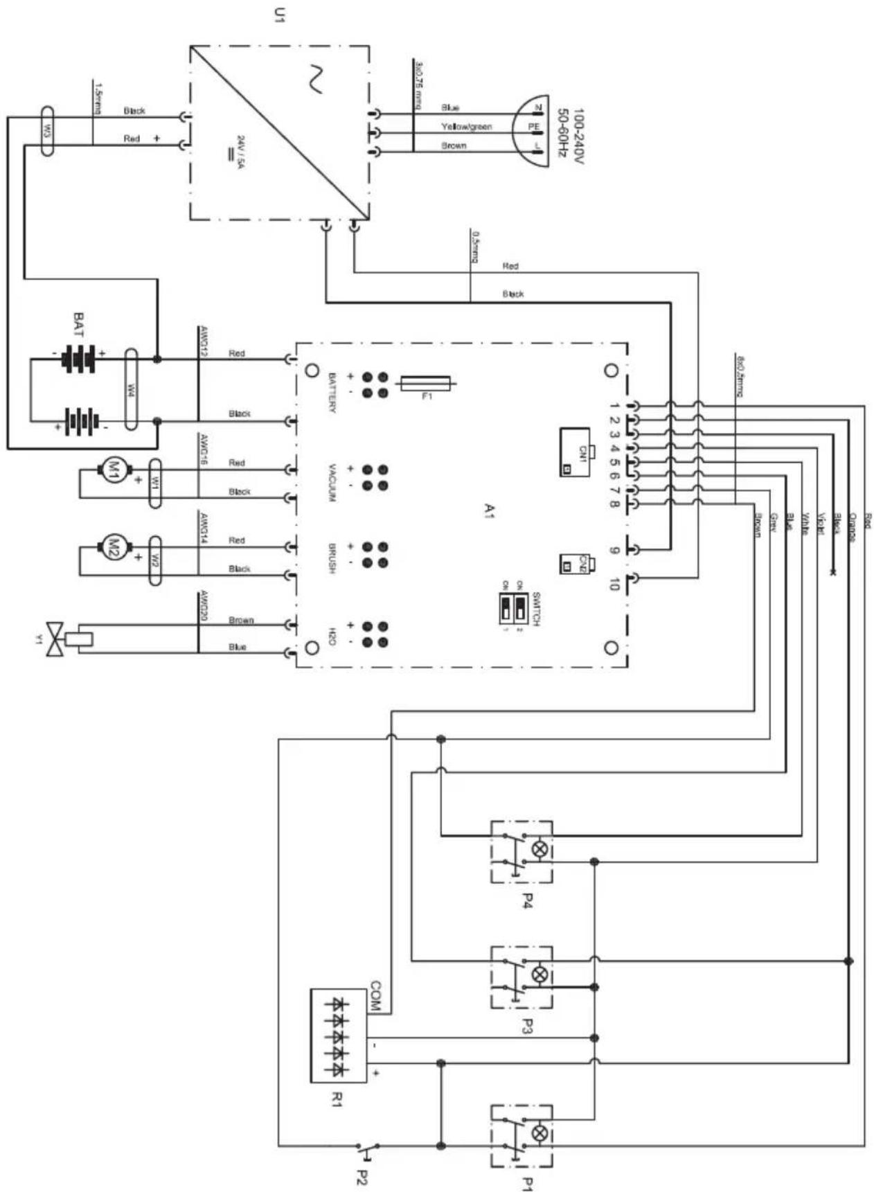
ESQUEMAS ELÉCTRICOS
Versión BC

text_image
U1 1.5mm Black Red + 24V/5A W3 BAT + - W4 + - AWG12 Red Black AWG16 Red Black AWG14 Red Black AWG20 Brown Blue F1 BATTERY + - VACUUM + - BRUSH + - H2C A1 1 2 3 4 5 6 7 8 9 10 CN1 CN2 SWITCH RCC 60.2mm Gray Blue Valve VCM Block OUTDO. P4 P3 COM R1 P2 P1A1 ...... Ficha electrónica
BAT ......Batería de 2x 12V
U1 ......Cargador de baterías 5A
Y1 ......Electroválvula
F1 ......Fusible de 30A (general)
M1 Motor de aspiración
M2 Motor del cepillo
P1 Botón ON/OFF
P2 Botón escobilla
P3 ......Interruptor de la aspiración
P4 ......Interruptor de la electroválvula
R1 ......Indicador de descarga
CN1 ...... Conector manilla
CN2 ......Conector recarga baterías
Red ......Rojo
Orange ....Naranja
Black ......Negro
Violet ...... Violeta
White Blanco
Blue Azul
Grey Gris
Brown ....Marrón
Yellow ...... Amarillo
Green ....Verde
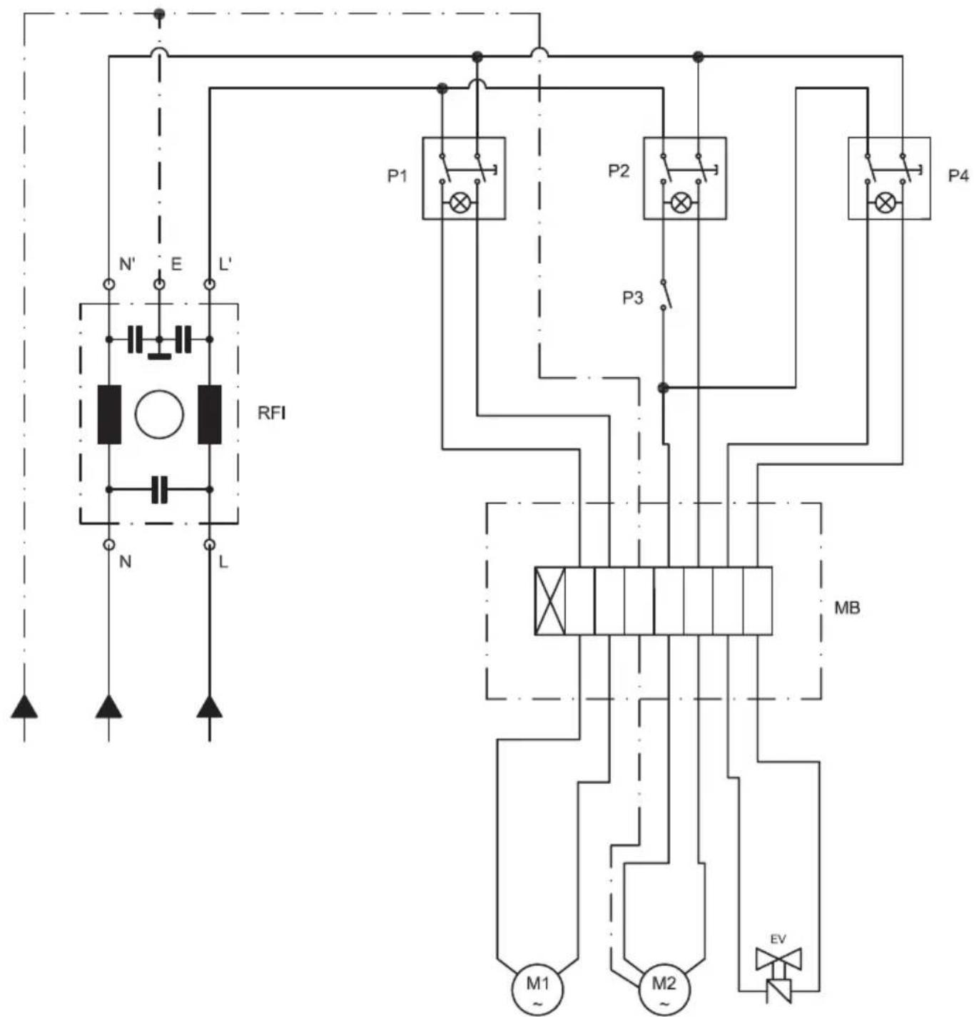
Versión E

flowchart
graph TD
A["RF1"] --> B["N"]
A --> C["L"]
A --> D["E"]
A --> E["N'"]
F["P1"] --> G["×"]
H["P2"] --> I["×"]
J["P3"] --> K["×"]
L["P4"] --> M["×"]
N["M1"] --> O["~"]
P["M2"] --> Q["~"]
R["EV"] --> S["~"]
T["MB"] --> U["~"]
V["Ground"] --> W["External Circuit"]
style A fill:#f9f,stroke:#333
style F fill:#ccf,stroke:#333
style H fill:#ccf,stroke:#333
style J fill:#ccf,stroke:#333
style L fill:#ccf,stroke:#333
style M fill:#ccf,stroke:#333
style N fill:#ccf,stroke:#333
style P fill:#ccf,stroke:#333
style Q fill:#ccf,stroke:#333
style R fill:#ccf,stroke:#333
style S fill:#ccf,stroke:#333
EV ....Electroválvula
M1....Motor de aspiración
M2 Motor del cepillo
MB ......Bornes
P1 ...... Interruptor de aspiración
P2 ......Interruptor del cepillo
P3 Botón del cepillo
P4 ......Interruptor de la electroválvula
RFI ......Filtro antidisturbio de red
Prezado Cliente,
Peso (plena carga)....77 kg....56 kg
14) Mecanismo limpador.
15) Tubo de descarga das águas sujas.
DEL 1 está piscando DEL 2 está stantemente ligado.
DEL 1 está piscando e DEL 3 está stantemente ligado.
DEL 1 está piscando e DEL 4 está stantemente ligado.
Erro da tomada de circuito aberto do grupo de escovas
DEL 1 está piscando e DEL 5 está stantemente ligado.

text_image
5 4 3 2 1 Fig. 12/a
NOTA:
9.1.f - Temporizador (Fig. 12/a)
OPERAÇÕES QUE DEVEM SER EFETUADAS DE ACORDO COM NECESSIDADE
Borrachas naturais para todos os tipos de pisos e borrachas sintéticas (de poliuretano) para executar limpeza dos pisos de oficinas mecânicas, sujos de óleo.
R1 ......Indicador de carga
CN1 ...... Conector de alça
ManualFácil