S1 45D55 - Depurador Ghibli - Manual de uso y guía de instrucciones gratis
Encuentra gratis el manual del aparato S1 45D55 Ghibli en formato PDF.
Preguntas frecuentes - S1 45D55 Ghibli
Questions des utilisateurs sur S1 45D55 Ghibli
0 question sur cet appareil. Repondez a celles que vous connaissez ou posez la votre.
Poser une nouvelle question sur cet appareil
Descarga las instrucciones para tu Depurador en formato PDF gratis! Encuentra tus instrucciones S1 45D55 - Ghibli y toma tu dispositivo electrónico nuevamente en la mano. En esta página están publicados todos los documentos necesarios para el uso de su dispositivo. S1 45D55 de la marca Ghibli.
MANUAL DE USUARIO S1 45D55 Ghibli
ESDATOS IDENTIFICATIVOS
Los datos de identificacion y lamarca "CE"de laquina estan posiconadas en la plac (1) colocada debajo del panel de mandos.
Se recomienda(transcribir elmodelo yel numero de matricula de laquina en la tabla inferior
PT
DADOS IDENTIFICATIVOS/TÉCNICOS
(Traducción de las instrucciones originales)
PT
Portugues PT-1
Le agradecemos por haber elegido este producto, estamos seguros que le ayudar a mantener limpio sus ambientes.
La fregadora-secadora de sueños que Usted ha adquirido ha sido disnada para satisfacer sus exigencias periodicas en关键时刻 de uso y confiabilidad.
Somos conscientes que para que un buena producto perdure en el tiempo requisere de continuasactualizaciones que satisfagan lasexpectativasdequiendiariamentelousa. NosotrosesperamosatarconUstednosólocomocliente,sino comoel socioque transmite sus opiniones y sus ideas producto de la experiencia que en este sentido ha adquirido.
Indices
Datasétécnicos ES-3
1.1 INTRODUCCION ES-5
1.1.a Finalidad del manual ES-5
1.1.b Consulta del manual ES-5
1.1.c Lectura de losvinculospresentes en el manual.. ES-5
1.1.d Terminos convenciones ES-5
1.2 ADVERTECIAS GENERALES ES-5
1.2.a Cualificacion del personal ES-5
1.2.b Posicón del operador ES-5
1.2.c Ropa de seguidad en el trabajo.. ES-6
1.2.d Advertencias generales antes del uso ES-6
1.2.e Advertencias generales cuando se usa laquina ES-6
1.2.f Advertencias generales sobre las baterias ES-6
1.2.g Advertencias generales durante el mantenimiento ES-6
1.2.h Advertencias generales en caso de incendio ES-6
1.2.i Parada de laquina por长大o periodo ES-6
1.3 USO CONTEMPLADO DE LA MAQUINA ES-7
1.4 USO NO CONTEMPLADO DE LA MAQUINA ES-7
1.4.a Zonas con riesgo de explosiOn ES-7
.5 DESINSTALLACION Y TRATAMENTO COMO RESIDUO DE LA MAQUINA.. ES-7
.6 NORMAS DE REFERENCIA ES-7
2.1 DESEMBALAJE ES-8
2.1.a Equipamento de laquina ES-8
3.1 ENSAMBLAJE DE COMPONENTES ES-9
3.1.a Posicionamento del manillar ES-9
3.1.b Montaje de la tapa del tanque.. ES-9
3.1.c Instalación y conexión bacterias.. ES-10
4.1 CARGA DE LABATERIA ES-11
4.1.a Carga de la bateria mediante cargador de baterias de a bordo (si estuviera presente) ES-11
4.1.b Carga de la batería mediante cargador de baterías externo ES-12
5.1 CONOCIMIENTO DE LA MAQUINA.. ES-13
6.1 PANEL DE CONTROL Y MANDO.. ES-14
7.1 LLENADO DEL DEPOSITO ES-16
8.1.a Controles antes del uso ES-17
8.1.b Preparación de laquina y elección del ciclo ES-18
8.1.c Uso de laquina.. ES-19
8.1.d Fin del uso y apagado.. ES-19
8.1.e Alarma nivel maximo del agua de returno ES-20
8.1.f Altura de las sondas ES-20
8.1.g Listado de alarmas (solo para modelos con tracción integrazione) ES-21
9.1 VACIADO DEL AGUA DE RETORNO ES-23
10.1 MANTENIMIENTO Y LIMPIEZA ES-24
10.1.a Vaciado y limpieza del deposito de agua limpia ES-24
10.1.b Limpieza del deposito de agua de returno.. ES-25
10.1.c Limpieza de la escobilla ES-26
10.1.d Limpieza del filtrlo de agua limpia ES-26
10.1.e Sustitución del cepillo ES-27
10.1.f Sustitución de los cauchos de la escobilla ES-28
10.1.g Sustitución de fusibles ES-29
10.1.h Configuración del cargador de baterías e instrumento digital ES-30
PROBLEMAS - CAUSAS - SOLUCIONES ES-32
ESQUEMAS ELECTRICOS.. ES-34
Datasétécnicos
| 45M45 45M | 55 45D55 45D60 | |||
| Tipo de conducccion Conduccion como el sueño | ||||
| Caracteristicas | ||||
| Alimentacion Bateria 24V | ||||
| Potencia instalada 1080 W 1230 W | W 1430 W | |||
| Avance Manual Eléctrica adelante | atrás | |||
| Anchura pista de lavado 440 mm | 550 mm 600 mm | |||
| Anchura de aspiracion 750 mm 850 mm | ||||
| Rendimiento horario teórico 1550 m | 2/h | 1900 m²/h | 2750 m²/h | 3000 m²/h |
| Cepillos | ||||
| Diámetro / pad / número | 440 mm / 16" x 1 | 550 mm / 20" x 1 | 310 mm / 12" x 2 | |
| Potencia motor / número | 500 W x 1 | 350 W x 2 | ||
| Velocidad del motor | 170 rpm / min. | 190 rpm / min. | ||
| Presión española | 30 gr / cm² | 25 gr / cm² | 50 gr / cm² | |
| Tracción | ||||
| Potencia motor | -- | 150 W | ||
| Velocidad Tmaxima de marcha | -- | 5,0 Km/h | ||
| Pendiente的最大値 conargaplena | 2% | |||
| Aspiracion | ||||
| Potencia motor | 570 W | |||
| Depresión | 130 / 1350 mbar/mmH₂O | |||
| Capacidad de aire | 32 l/sec | |||
| Nivel de ruido | 67 dB (A) | |||
| Depósito | ||||
| Tipología | “Tank in tank” | |||
| Recirculación | No | |||
| Capacidad de solución | 65 l | |||
| Capacidad de returno | 45 l | |||
| Dimensiones | 1130 x 520 x 970 mm | 1170 x 540 x 970 mm | 1100 x 610 x 970 mm | |
| Índice de ruido 66 dB (A) 63,9 dB (A) 66 dB (A) | ||||
| Vibraciones ISO 5349 0,93 m/s | 2 | 1,17 m/s2 | 1,23 m/s2 | |
| Peso | ||||
| Peso en vacío 90 kg 94 kg 96 kg 98 kg | ||||
| Peso con baterías 143 kg 147 kg 176 kg 178 kg | ||||
| Pesoorden marcha 208 kg 212 kg 241 kg 243 kg | ||||
| Accesorios | ||||
| Cepillo PPL Ø 0,7 | 40.0002.00 | 40.0003.00 | 40.0001.00(x2) | |
| Cepillo contra salpicaduras | 39.0022.00 | 39.0023.00 | ||
| Caucho boquilla delantera | 39.0007.00 | 39.0002.00 | ||
| Caucho boquilla trasera | 39.0008.00 | 39.0001.00 | ||
| Accesorios bajo pedido | ||||
| Cepillo PPL strong Ø 0,9 | 40.0102.00 | 40.0103.00 | 40.0101.00(x2) | |
| Cepillo PPL strong Ø 1,2 | 40.0302.00 | 40.0303.00 | 40.0301.00(x2) | |
| Cepillo tynex Ø 1,2 grit 80 | 40.0202.00 | 40.0203.00 | 40.0201.00(x2) | |
| Sistema de arrastre | 40.1002.00 | 40.1003.00 | 40.1001.00(x2) | |
| Caucho boquilla delanteraanti aceite | 39.0037.00 | 39.0033.00 | ||
| Caucho boquilla traseraanti aceite | 39.0050.00 | 39.0039.00 | ||
| Set de 2 baterías de GEL | 18.0000.00 - 2x 12V - 79Ah(C20) | 18.0001.00 - 2x 12V - 120Ah(C20) | ||
| Grupo cargador baterías | 22.0032.00 - 230V 50-60Hz / 24V 12A | |||
| Grupo cargadorbaterías U.S.A. | 22.0077.00 - 115V 50-60Hz / 24V 12A | |||
Baterías:
Se recomienda usar baterías de gel.
- Maquina con tracción: Bateria de gel, tipo GF 12 - 105 V/ 120 Ah (C20).
- Maquina sin tracción: Bateria de gel, tipo GF 12 - 79V/79 Ah (C20).
1.1 INTRODUCCION
Este manual forma parte integral de laquina, por lo tantoDebe conservarse en un lugar seguro y de fácil acceso para todos los que lo usesan (operadores y personal encargado del mantenimiento) durante la vidautilde laquina y hasta cuando se produzca su desinstalacion con tratamento residual.
1.1.a - Finalidad del manual
El的对象de este manual es el de suministrar las instrucciones necessarias paraponer en funcionamento,usar y hacerlemantimiento a laquina para la cuales se ha elaborado.
Se recomienda leer atentamente las instrucciones y atender strictamente las normas de seguridad que en el se describen.
El incumplimiento de las instruciones y normas existables podra occasionar lesiones al operador y daños en laquina que de网通unaforma podran imputarse al fabricante.
Lasindicacionesdescritas enel manual forman parte de la reglamentacion legal que estevigente en el lugaronde se va a instalar lamaquina,y por lo tanto NO LA SUSTITUYEN.
1.1.b - Consulta del manual
El manual está dividido en capítulos según el orderán lógico de relacion y empleo de laquina. Para poderla búsqueada, consultar el INDI-CE que está al comienzo del manual.
1.1.c - Lectura de los símbolos-presentes en el manual
ParaDSL:La informacion y los procedimientos relacionados con la calidad, elmantimiento,etc.,dentrol manual han sidoadoptadoslossiguientessimbolos:

PELIGRO:
Alerta sobre la presencia de un serio peligro que puedaponer en riesgo la integridad fisica, o incluso occasionar la muerte del operador o de terceras personas.

ADVERTENCIA:
Contiene informacion importante para evaporar danos en laquina y al lugar donde esta opera.

NOTA:
Información adicional para el correcto funciona general.
1.1.d - Terminos convencionales
Lasindicacionesquehacenreferenciaalostérminos delantero,trasero,hacia adelantehaciaatrasarriba,abajo izquierdo y derecho,correspondend a las actiones que realiza eloperador cuando trabajo con las manos enel manillar-guia.
Para simplificar, el nombre comercial del modelo ha sido reemplazado por el de "Maquina".
1.2 ADVERTENCIAS GENERALES
Antes deponer enfuncionamento,deusar y de hacerlemantimientoa laquina,ese necessario que el personal encargado (responsible u operador) reciban las instrucciones sobre los procedimientos operativos y sobre las normas de seguidad descritas en este manual.
Respetar todas las instrucciones que contiene este manual asi como sus eventuales anexos.

PELIGRO:
Esta prohibido que personas sin la debida formación, niños y minusvacidos usen laquina.
1.2.a - Cualificación del personal
Operator
Por operador se entende el personal que está en capacité de realizar las operaciones de conducccion de laquina, y de limpiarla al finalizar el_turno de trabajo.
Electricista/mecánico
Técnicoriallicado para realizar en laquina labores de reparación o de sustitución de partes en las que se necesite retiring la carcasa de proteccion.
1.2.b - Posición del operador
Durante su uso, el operador debe colocarse en la parte trasera de laquina con las manos sobre el manillar.
1.2.c - Ropa de seguridad en el trabajo
- Utilizar ropa de seguridad en el trabajo de acuerdo con la relictamentacion legal que este vigente en el lugar donde se instala laquina.
1.2.d - Advertencias generales antes del uso
- Antes de usar laquina, contrôle que los protectores de seguridad (carcasa) estén siempre fjados en la posicion correcta.
1.2.e - Advertencias generales cuando se usa laquina
- Si laquina emite ruidos extranos párela inmediamente e identifique la causa.
- NO deja laquina en superficies con inclinaciones superiores al 2% .
- Durante el uso de laquinaoculars or armarios.
- Es prohibido usar laquina fuera del lugar o en vías Púbicas.
- En lo possible, utilizar laquina en lugarres libres de personas; y en el caso en que advierta la presencia de alguna ajena al ambiente de trabajo, ALERTa sobre la necessities de retirarse del lugar antes de usarla.
- No usar laquina en ambientes con presencia de sustancias corrosivas o salobres.
- No usar laquina en ambientes con presencia de explosivos (ATEX).
1.2.f - Advertencias generales sobre las baterias
- El acido de la bateria es muy corrosivo: en caso de contacto, enjuagar con abundante agua fria.
- Usar medios adequados de proteccion individual paraatar el contacto con la piel (vernormas vigentes en el pais deutilizacion de laquina).
- No inhalar el vapor: es peligioso.
-
Cargando la bateria se podrjan formar mezclas de gases explosivos, por lo tanto, los locales donde está cargada la bateria deben estar bien ventilados y conformes con las normas espécicas en materia.
-
Se prohíbe fumar y/o utilizar llamas libres en el radio de ACCION de 2 metros de la batería durante la energia, en el area de recarga, y durante el encfiambre del mismeja antes de la recarga.
- Senalar posibles perdidas de liquido de la bateria: son peligrosas y muy contaminantes.
1.2.g - Advertencias generales durante el mantenimiento
- Desconectar las baterías, antes de realizar operaciones de mantenimiento o de reparación.
- No apoye herramientos y objetos metálicos sobre las baterías, pueda provocar cortocircuitos.
- En las operaciones de limpieza y de lavado no usar detergentes agresivos, acidos, lejías, etc. yponer mucha atencion a las partes electricas.
- No lavar laquina con chorros de agua directos o a presión.
- Cuando se eleve laquina para las operaciones de mantenimiento, es necesario trabajo bajo seguridad colocando debajo de ella los soportes fjitos.
Dirijase a un centro de asistencia的技术a autorizzato para las operaciones de reparacion, y Solicite solo repuestos ORIGINALES.
1.2.h - Advertencias generales en caso de incendio
- En caso de incendio usar solo extintores de polvo homologados; NO USAR agua para apagar el incendio.
1.2.i - Parada de laquina por长大o periodo
- Dejar laquina cubierta y alejada de agentes atmosféricos en un lugar donde la temperatura esté entre los 5^ y los + 40^
- Retirar la llave de encendido.
- Descargar el agua limpia del deposito.
- Cargar las baterías, y una vez hecho este procedimiento desconectarlas.
- Una vez al mes recargar las baterías.
1.3. USO CONTEMPLADO DE LA MAQUINA
Laquina ha sido disenada y fabricada para lavar y secar sueños cubiertos.

PELIGRO:
Cualquier除外 loo que se le de exime al fabricante de responsabilitad por los daños que poderan causarse a las personas o a las cosas y hace caducarrialquier garantia.
1.4 - USO NO CONTEMPLADO DE LA MAQUINA

ADVERTENCIA:
Laquina no ha sido disenada para的功能ar al descubierto.

PELIGRO:
- No lavar el suelo con agua superior a los 50^ ;
- no utiliser gasóleo/gasolina o detergentes corrosivos para el lavado de los sueños;
- no lavar y aspirar liquidos corrosivos, inflamables, explosivos inclujo si está diluidos.
1.4.a - Zonas con riesgo de explosión
Es prohibido usar laquina en ambientes con riesgo de explosión, con gas, vapeores, liquidos y polvos inflamables y explosivos.
1.5. DESINSTALLACION Y TRATAMENTO COMO RESIDUO DE LA MAQUINA
Para proteger el ambiente, proceder de acuerdo con la legislacion local que este vigente. Cuando laquina no pueda ser realizado o reparada esnecessaryrealizarelprocedimiento de desinstalacion con tratamento de residuo de sus componentes.

La instalacion eletrica no vale eliminarse como residuo urbano, pero es necessario respectar la recogida selectiva prevista por la reglamentacion especial para la eliminacion de los residuos derivados de equipos electricos (D. leg. N° 151 del 27 /07 /2005; -96/2002 DIRECTIVA CE; -108 /2003 DIRECTIVA CE
Las instalaciones electricas estámarcadas con un*simbolo relativ a un deposito de basura barrado con ruedas.El symbolo significa que el equipo ha sido introducido al mercadodespues del 13 de agosto de 2005,yqueDebe ser objeto de recogida selectiva.
La eliminación inadequada o abusiva del equipo o el uso impropio del@mismo peutecauseardañosa laspersonas y alambiente,debido a las sustancias y al material quecontiene.Laeliminacionde losresiduoselectricosque no respetenlasnormasvigentes,comportala aplicacionde sancionesadministrativas ypenales.
1.6. NORMAS DE REFERencia
Laquina ha sido fabricada conformamente con la Directiva migunas vigente y con las normas indicadas en la Declaracion "CE" de conformidad entrega con laquina.
2.1 DESEMBALAJE (Fig. 1)
Una vez Removedo el embalaje de acuerdo con las instrucciones que está consignadas en el mismo embalaje, controlar que laquina y todo el equipamento de series estén completos e integros.
Si se encuentran daños evidentes, contactar al distribuidor de la zona y al transporte bajo el centro de los 3 días sugintantes a su recibimiento.
- Quitar la salsa (1) que contiene los accesorios.
- Cortar el fleje (2).
- Quitar la tapa (3) del tanque de agua de recuperación.
- Quitar los bloques (4) y (5) de madera.
- Alzar el cepillo (6) presionando en el pedal (7) (ver relativoApartado).
- Alzar el limpiador (8) alzando la manilla (9) (ver relativo partirado).
- Positionar una rampa y descargar laquina de la plataforma
2.1.a - Equipamento de laquina (Fig. 2)
Los accesorios de equipamiento son los siguidentes:
1) Tubo flexible para energia de agua.
2) Manual de uso y mantenimiento de laquina.
3) Manual de instruciones para la energia de baterías (cuando está presente).
4) Cepillo/s.
5) Cable de alimentación para cargar la batería (cuando está presente).
6) Fusible de 7,5A - Fusible de 30A - Fusible de 40A.


3.1 ENSAMBLAJE DE COMPONENTES
3.1.a - Posicionamento del manillar (Fig. 3)
- Aflojar los volantes de mano (1).
- Posicionar el asa (2) a la alta deseada y después enroscar los volantes de mano (1).

3.1.b - Montaje de la tapa del tanque (fig. 4)
- Montar la taps (1) como se indica en la figura introduciendo las ranuras de la taps en los pernos del soporte (2) del asa.
- Ejercer una presión en la charnela de la tapa (1) hasta engancharla correctamente.

3.1.c - Instalación y conexión baterías (fig. 5)

ADVERTENCIA:
Controlar que el tanque de recuperación y el tanque de agua limpia estávacios.
- Desconectar el enchufe (1).
- Quitar el pasador (2) y alzar los tanques (3), por medio de la manilla (4) hasta que se vuelque totalmente.
- Colocar las baterías (5) del modo indicado en la figura y conectarlas como se indica en el diagrama de la Fig. 5 realizando los cables en dotación.
- Enroscar los bornes (6) utilizing una llave aislada.
- Bajar los tanques (3) y reposicionar el pasador (2).
- Conectar el enchufe (1).

NOTA:
La connexion de las baterias debe ser realizada por personal especializzato.


4.1 CARGA DE LA BATERÍA

PELIGRO:
Efectuar la energia de las baterias en locales bien ventilados y conformes con las normas vigentes en el País de uso.
Para las informaciones relativas a la seguidad sujetarse a lo descririto en el capitulo 1 del presente manual.

ADVERTENCIA:
Para las informaciones y las advertencias relativas a la bateria y al cargador de bacterias de a bordo (si existe sujetarse a lo indicado en el manual del cargador de bacterias que se adjunta al presente.

ADVERTENCIA:
Laquina sale de fabrica calibrada para el funciona con baterias de gel. Si se tuveran que instalar baterias de acido es requisiteirse al Centro de asistencia para realizar un nuevo calibrado. Se prohibe utiliser laquina con baterias de gel con calibrado para baterias de acido.

NOTA:
Para otheras informaciones sobre los calibrados, remitirse a las informaciones presentes en el apartado 10.1.h.

NOTA:
Para la recarga completa de las baterias se necesitan 10 horas. Evitar recargas parciales.
4.1.a - Carga de la bateria mediente carrgador de baterias de a bordo (si estuviera presente) (Fig. 6)
- Colocarse con laquina en las cercanías de una toma de corriente electrica de red.
- Desconectar el enchufe (1) de las baterías de la toma (2) de la instalación.
- Conectar el enchufe (1) de las baterias a la toma (3) del cargador de baterias de a bordo (4).
- Tomar del respectivo enganche el cable (5) y conectarlo al enchufe (6) de laquina, bajo conectar el othero extremo a la toma de corriente de red.


ADVERTENCIA:
Controlar que la tension de red sea compatible con la tension de funcionaimiento del cargo bateria (230 Vac para el mercado europeo; 115 para el mercado americano; 50 / 60Hz
- Dejar cargando las baterías hasta la iluminación del led (7) "Verde", cuando desconectar el cable (5) de alimentación yponerlo en su lugar.
- Volver a conectar el enchufe (1) de las baterías a la toma (2) de la instalación.
4.1.b - Carga de la bateria mediente cargador de baterias externo (fig. 7)
- Colocarse con laquina en las cercañas de una estación de energia de las bacterias.
- Desconectar el enchufe (1) de las baterias desde la toma (2) de la instalacion.
- Conectar el enchufe (1) de las baterias a la toma (3) del cargador de baterias externo.
- Al final de la recarga de las baterias, reconectar el enchufe (1) de las baterias a la toma (2) de la instalacion.

5.1 CONOCIMIENTO DE LA MAQUINA (Fig. 8)

1) Manillar-guía.
2) Panel de mandos.
3) Palanca de activacion de la fregadora-secadora.
4) Grifo suministro de agua.
5) Tanque.
6) Tapa del Tanque.
7) Orificio de llenado agua limpia.
8) Ruedas.
9)Brida de rotacion del cepillo.
10) Cepillo.
11) Fregadora-secadora.
12) Tubo descarga agua de returno.
13) Tubo de aspiración agua de la fregadora-secadora.
14) Tubo de descarga agua limpia.
15) Cargador de baterías (optional).
16) Filtro de agua.
17) Ruedas pivotantes.
18) Pedal subida/ bajada cepillo.
19) Botón puesta en marcha rotación cepillos
20) Palanca puesta en marcha tracción y rotacion cepillos.
6.1 PANEL DE CONTROL Y MANDO (Fig. 9)
1) Interruption encendido del aspirador El funciona del interruptor secciona desde la llave (2) en posicion "1". Pulsar el interruptor en posicion "I",se ilumina y se pone en marcha el aspirador.
2) Llave de encendido Girada en posicio "1" se activa el funciona de laquina.
3a) Indicador de horas de funciona
Se ilumina cuando la llave de encendido
está en posición "1" e indica las horas de
funcimiento de laquina.
3b) Indicador estado del cargador de baterias Se illumina cuando la llave de encendido está en posicion "1"indicando el estado de carga de la bateria.
- Cuando se iluminan los led de color verde o el led que está en la parte extrema derecha del instrumento indica que el estado de la energia de la batería es el máximo.
- Cuando se ilumina el led de color naranja o los led centrales del instrumento indican que la energia de la bateria está en la mitad.
- Cuando se ilumina/n los led de color rojo se indica que el estado de energia de la bateria es el minimum.
i NOTA: Cuando el led o los led rojos se iluminan, no utilize laquina y dirigirse a la zona de carga de las baterias
4) Interruptor activación rotación cepillo/s El funciona del interruptor se acciona con la llave (2) en la posión "1". Presionar el interruptor (4), de esta manière se activa la rotación del cepillo/s; el funciona del mismo se controla con el botón (7) u (8) o con las palancas (9) según el modelos, con cepillos en rotación se ilumina el botón.
5) Interruptor de la electroválvula de agua
El interruptor se activa con la llave (2) en posicion "1" y con el interruptor (4) en posicion "I".
Presionar el interruptor (5), se prepara la aperture de la electrovalvula del agua, el funciona en el botón (7) u (8) según el modelo, con electrovalvula abierta se ilumina el botón.
La cantidad de agua se regula con el grifo (6).
6) Grifo regulator de agua
- Girar el grifo (6) en sentido anti horario para augmentar lacantidad y en sentido contrario para disminuirla
7) Botón de encendido de la rotación de cepillo/s
Presionado con la llave (2) en posicón "1" y el interruptor (4) en posicón "I" seonga la rotación del cepillo/s y el su-ministro de agua
8) Palancas de puesta en marcha tracción y rotacion cepillo/s
Con las palancas (9), la llave (2) en pos-. sacion "1" y el interruptor (4) en posicion I" se pone en marcha la traccion y la rotacion del cepillo/s y el suministro de agua.
Empujando las palancas en sentido "A" laquina se pone en marcha hacía adelante; empujando las palancas en sentido "B" laquina se pone en marcha hacíaDSL.

NOTA
La velocidad de tracción es proportional al ángulo de Manipulación de las palancas.
9) Mango de regulación velocidad Tmaxima
Girando el mango hacía la izquierda disminuya la velocidad, girandola hacía la derechaurrenta.

7.1 LLENADO DEL DEPOSITO (Fig. 10)

ADVERTENCIA:
Llenar el deposito solo con agua limpie y a una temperatura no superior a los 50^ .
- Coger el tubo (1) de equipoimiento, conectar el extremo (1a) a un grifo, y el(other extremo (1b) introducirlo en el deposito (2).
- Abrir el grifo y llenar el deposito (2).
- El nivel del agua del deposito es visualizo por la esfera roja colocada en el tubo transparente (1).
- Echar en el deposito el liquido detergente.

NOTA:
Utilizar solo detergentes que no sean espumos y en lacantidad que recomienda su productor para el tipo de sociedad.

PELIGRO:
En caso de contacto del detergente con los ojos y en la piel o en caso de ingrimiento remitirse a la placac de seguidad y de uso del fabricante del detergente.
- Para llenar el deposito se debe: introducir Completely la manguera (1) en el deposito (2) sobre la parte final (1a) para de tapón.

8.1 FUNCIONAMIENTO
(Figg. 11-12-13)
8.1.a - Controles antes del uso
- Controlar que el tubo (1) de descarga del deposito de returno está bien enganchado y correctamente cerrado.
- Controlar que la unión (3) colocada en la fregadora-secadora (4) no está obstruidy que el tubo está bien conectado.
- Controlar que la manguera (5) de descargue de agua limpia está bien enganchada en los respectivos soportes y está bien tapado.
- Controlar la energia de las baterias; Girar la llave (7) en posicion "1", controlando el indicator de led (8).



Fig. 11
8.1.b - Preparación de laquina y elección del ciclo
- Girar la llave (7) en posicion "1", se iluminan los led de instrumentos (8)indicando el estado de energia de las baterias y display (8a) eindicando las horas de configuracion.
- Desenganchar la palanca (9) y bajo la; el limpia-pavimento (4) descende.
- Presionar el pedal (10), desengancharlo de su=peso y levantarlo, el cepillo/s (11) se baja/n.
Ciclo de trabajo:
- Laquina puede efectuar 4 ciclos de trabajo:
Ciclo de solo secado:
- Para el ciclo de secado presionar el interruptor (12), se pone en marcha el aspirador. Para los modelos con tracción la funciona se activa con los respectivos mandos.
Ciclo de solo cepillado:
- Para el ciclo de cepillado presionar el interruptor (13) para activar la rotacion del cepillo/s.
Presionar los mandos (botones o palancas) del manillar para poder en marcha la rotacion del cepillo/s (para los modelos con traccion integra时候 also pone en marcha la traccion).
- Presionar el interruptor (13) para activar la rotacion del cepillo/s y presionar el interceptor (14) para activar el suministro de agua.
Ciclo de lavado, cepillado, secado:
- Presionar el interruptor (12) para poder en marcha el aspirador, el interruptor (13) para activar la rotacion del cepillo/s y pulsar el interruptor (14) para activar el suministro de agua. as) del manillar para poder en marcha la rotacion del cepillo/s y el suministro de agua (para los modelos con traccion integrada también se pone en marcha la traccion).




8.1.c - Uso de laquina
- Después de encender laquina y selecciónar el tipo de ciclo,起初 las operaciones de limpieza empujando laquina con el manillar (1) o con los mandos (2) (botones o palancas) para poder en marcha la tracción (en los modelosequipados).

NOTA:
Para evaporar danos al suejo no utilise la maquina parada con la rotacion del cepillo activada.

NOTA:
Para una correcta limpieza y secado del sue lo laquina debe moverse hacer delante, bajo que hacía aftas se danan las raclas y el aspirado del agua del sue lo no se efectuacorrectamente.
- La regulación del agua se realiza a工程技术 del respectivo grifo (3).
- Controlar el estado de la energia de las bacterias a工程技术 del indicator (4).
8.1.d - Fin del uso y apagado
- Al terminar las operaciones de limpieza y antes de apagar laquina cerrar el su-ministro de agua y la rotacion del cepillo con los interruptores (5) y (6), bajo con el interruptor (7) apagar el aspirador正常使用 para aspirar los liquidos del suelo.
- Alzar el limpia-pavimento (8) alzando la palanca (9) enganchandola en el clip (10) de lijacion.
- Alzar el cepillo presionando el pedal (11) hasta el final de carrera enganchandolo en el respectivo encastre.

ADVERTENCIA:
Levantar siempre la escobilla al terminar los problemas de limpieza,xitando que las raclas de caudo se deformen.
- Girar la lleva (12) en posicion "0" para apagar laquina.

8.1.e - Alarma nivel Tmaxido del agua de returno (fig. 14)
Si durante el uso de laquina el aspirador se apaga, significa que el nivel del liquido en el deposito de returno ha alcancazo las sonidas (1) de nivel máximo que está dentro delismo deposito.
Dirigirse hacía la estación de descarga agua y descargar el tanque de recuperación como se indica en el relativoApartado.
8.1.f - Altura de las sondas (Fig. 14)
Las sondas (1) se regulan para un uso de laquina con una pendiente del 2% .
En el caso de que, en el ambiente, haya rampsas en subida o en bajada superiores al 2% se deben regular la alta de las sondas para evacitar daños en la turbina de aspiración.

ADVERTENCIA:
Para la regulación dirigirse al Centro de asistencia autorizado.

8.1.g - Listado de alarmas (sólo para modelos con tracción integra- da) (Fig. 15)
Cuando se presenta mal funciona en laquina, en el display (1) parpadean las barras que corresponde a una determina alarma, de acuerdo con la lista descrita abajo.
Consultar el lista y seguir los procedimientos recomendados para restablecer el correcto funciona de laquina.
Si las soluciones recomendadas no resultan, contactar al serviceo de asistencia技术水平.
Si en cambio las muescas permanecen fijas, indican el estado de la energia de la bateria:
- 1 bar: energia minima;
- 10 bar: energia maxima;

Listado de alarmas:

Las baterias necessan recargarse.

Comprobar la correcta connexion entre el motor y la tarjeta electrica.

El motor de tracción está en corto circuito.
Contactar el servicios de assistencia的技术ica.

La energia de las baterias está por debajo del nivel configurado. La tarjeta electrónica ha desactivado todas sus sistemas.
Recargar las baterias

No uso.

La tarjeta electrónica ha desactivado el motor de tracción.
Posiblemente está conectado elarga baterias.

Alarma acelerador (palancas rojas en el manillar de conducccion).
Comprobar que este en posicion central al encendido de laquina.

La tarjeta electrònica está en alarma.
Comprobar las conexiones.

El freno magnétique presente problemas.
Comprobar las conexiones del freno y del motor de tracción.

Excesiva tensión aplicada a la tarjeta electrónica.
Comprobar las conexiones.
Además de las posibilidades descritas hasta ahora, puede presentarse el caso en elrial todas las 10 muescas se desplacen sobre el display (1): Este significa que laquina ha sido encendida con el acelerador presionado, por lo tanto liberar el acelerador.
9.1 VACIADO DEL AGUA DE RETORNO
(Fig. 16)
Al terminar el ciclo de lavado o cuando el deposto (1) de agua de returno está lleno, es besoinario vaciarlo de la?sigaune forma:

NOTA:
Para eliminar el agua de returno se deben seguir los procedimientos existecidos por la legislacion del lugar donde opere laquina.
- Mover laquina cerca a un sifón de desagüe.
- Desenganchar el tubo (2) del soporte.
- Quitar el tapón (3) del tubo (2)y vaciar completeness el agua del deposito.

NOTA:
Es possible regular la cantidad de agua que sale presionando la parte final de la mangue-ra (2).
- Reintroducir el tapón (3) en el tubo (2) y reposicionarlo en el relativo soporte.


Fig. 16
Toda la información y las advertencias relacionadas con el mantenimiento y la limpieza se encontrar en elApartado "Advertencias generales durante el mantenimiento" del capitulo 1 de este manual, por lo que rogamos atenerse a lo allí indicado.
OPERACIONES QUEDEBEN EFFECTUARSE DIARIAMENTE
10.1.a - Vaciado y limpieza del depó-sito de agua limpia (Fig. 17)

ADVERTENCIA:
Al terminar las operaciones de lavado es obligatorio y vinciar y limpiar el deposto con el fin deatarresiduos o incrustaciones.
Después de vaciar el deposito del agua de returno,descendingel deposito de agua limpia,procediendode la?siguelementarrera:
- Positionarse con laquina sobre un sifón de desagüe.
Desenganchar la manguera (1) de los respectivos enganches, bajo lo a tierra sobre el tanque de descargue, si está cerrado retiring el tapón (2) y bajo vaciar Completely el agua. - Alzar la tapsa (3).
- Lavar el interior del tanque dejoing el tubo de descarga abierto e introduciendo agua limpia desde la aperture superior.
- Al terminar la limpieza levantar el tubo (1), cerrar el tapón (2) y engancharlo en las respectivas lengüetas.



10.1.b - Limpieza del deposito de agua de returno (Fig. 18)

ADVERTENCIA:
Al terminar las operaciones de lavado, es obligatorio limpiar el deposito de agua de returno paraatarresiduos o incrustaciones,ypara que no prolifen bacterias,olores y anublos.
- Vaciar el agua de returno como se indica en el correspondienteApartado, posicónándezse con laquina sobre un sifón de desagüe.
- Alzar la tapsa (1).
- Quitar el mamparo (2) y lavarlo con agua corriente.
- Dejando el tubo (3) hacía abajo y el tapón extraído, mediante un tubo verter agua corriente dentro del tanque (4), limpiandolo hasta que salga agua limpia del tubo de descarga.
- Limpiar con un paño humedo las sondas de nivel (5) prestando atencion de no deformarlas.
- Volver aponer todo, procediendo en sentido contrario.



Fig. 18
ES
10.1.c - Limpieza de la escobilla (Fig. 19)
Para efectuar una correcta limpieza de la escobilla (1)es besoino quitarla procediendo como sigue:
- Conectar el tubo (2) desde la escobilla (1).
- Aflojar los mangos (3) y quitar la escobilla (1).
- Lavar la escobilla, especially los cauchos (4) y el interior de la unión de aspiración (5).

NOTA:
Si durante el lavado se observa que los cauchos (4) estan danados o desgastados, esnecessary sustituirlos o invertirlos.
- Volver aponer todo, procediendo en sentido contrario.
OPERACIONES A REALIZARSE TODOS LOS MESES
10.1.d - Limpieza del filtró de agua limpia (Fig. 20)
- Aflojar la tapa transparente (1) del filtro y quitar el filtro (2).
- Limpiar el filtro (2) con agua corriente.
- Volver aponer todo, procediendo en sentido contrario.


OPERACIONES QUEDEBENEFFECTUARSE SEGUN LASNECESIDADES
10.1.e - Sustitución del cepillo (Fig. 21)
Es Neededo sustituir el cepillo cuando está desgastado, es decide cuando el diametro de las cerdas es inferior a los 2 cm o, cuando el tipo de sueños a lavar es diferente. Para la sutitudon proceder de la?sigue manera:
- Alzar el cepillo mediante el pedal como se indica en el relativoApartado.
- Introducir una mano debajo del grupo portacepillo (1); para desenganchar el cepillo girarlo con un golpe seco en el sentido counterpartio a la rotación.
- Sustituir el cepillo posicionandolo bajo de la brida portacepillo (1).
- Bajar la brida portacepillo (1) mediante el pedal como se indica en el relativo apartado.
- Girar la llave (2) en posición "1".
- Presionar el interruptor (3) para activar la rotacion del cepillo.
- Con los mandos (4) del manillarponer en marcha la rotacion del cepillo hasta sentir el "click" de enganche del cepillo en la brida (1), bajo detener la rotacion del cepillo liberando los mandos (4).
- Apagar laquina girando la llave (2) en posicion "0".

ES
10.1.f - Sustitución de los cauchos de la escobilla (Fig. 22)
Cuando el secado sobre el suelo es ineficiente o quedan algunos residuos de agua es besoinario controlar el estado de desgaste de los cauchos de la escobilla (1):
- Desatornillar las tuercas y aletas (2) y guitar los cauchos (3).

NOTA:
Cuando los gauchos (3) está desgastados en un lado,SEO.uen ser invertidos por una sola vez.
- Sustainir o invertir los cauchos (3) sin confundirlos
- Volver a poner todo, procediendo en sentido contrario.

NOTA:
Se pueda tener dos temas de caucho:
Cauchos para todo tipo de sueños ycauchos de poliuretano para sueños de talleres de mecánica, sucios de aceite, etc.

Fig. 22
10.1.g - Sustitución de fusibles (Fig. 23)

ADVERTENCIA:
Sustituir el fusible quemado por uno de igual amperaje.
- Desconectar el enchufe (1) de la toma (2).
- Quitar la tapa (3) para acceder a los fusibles.
Fusible (4) - 7,5A
Proteccion cuadro mandos.
Fusible (5) - Verde de 30A
Protection del motor de rotacion del cepillo.
Fusible (6) - Rojo de 40A
Protection del motor del aspirador
- Volver aponer la tapa (3).
- Para sustituir el fusible (7) del polo positivo de la batería, realizar lo siguientes:

ADVERTENCIA:
Controlar que el tanque de recuperación y el tanque de agua limpia estávacios.
- Desconectar el enchufe (8).
- Quitar el pasador (9) y alzar los tanques (10), por medio de la manilla (11) hasta que se vuelque totalmente.
Fusible (7) - 75A
Fusible batería.


Fig. 23
ES
10.1.h - Configuración del cargador de baterías e instrumento digital (Figg. 24-25)

ADVERTENCIA:
Laquina sale de la produccion con una configuracion estandar para el的功能amento con baterias de gel tipo "Sonnenschein".
Configuración instrumento digital (sólo en los modelos sin tracción integradada)
-
En la parte posterior del instrumento digital (3) está un selector (4):
-
Para baterias de acido girar el selector (4) en posicion "0";
- Para baterías de gel girar el selector (4) en posición “2”.



Fig. 24
Configuración estándar del cargador de baterías para baterías de gel tipo Sonnenschein
- Elevar lauya (X) y controlar che los switches (1 - 2 - 3 - 4) estén colocados como se muestra en la figura (C).
Es possible modifier la configuracion actuando del modo suiviente:
Configuración del cargador de baterías para baterías differentes al tipo Sonnenschein
- Retirar la muestra (X) y controlar que los switches (1 - 2 - 3 - 4) estén colocados como en la figura (D).
Configuración del cargador de baterías para baterías de acido.
- Retirar la muestra (X) y controlar que los switches (1 - 2 - 3 - 4) se.Encuentren colocados como en la figura (E).

ADVERTENCIA:
Actuar solamente sobre los switches (1 - 2 - 3 - 4); no modificar la posicion de los switches (5 - 6 - 7 - 8).





Fig. 25
PROBLEMAS - CAUSAS - SOLUCIONES
| PROBLEMAS | CAUSAS SOLU | CIONES |
| Girando la llave laquina no se enciende. | Batería descargada. | Controlar el estado de car-ga de la batería. |
| Fusible general quemado. | Sustituir el fusible general de 7,5A. | |
| El cepillo no gira. Fusible del cepillo quema-do. | Sustituir el fusible VERDE del motor del cepillo de 30A. | |
| Interruptor de activación de la rotación del cepillo no presionado. | Presionar el interruptor. | |
| El aspirador no funciona. Fusible del aspirador que-mado. | Sustituir el fusible ROJO Motor aspirador de 40a. | |
| Interruptor del aspirador no presionado. | Presionar el interruptor. | |
| Tanque de recuperación lleno. | Vaciar, lavar y limpiar el tanque y las sondas. | |
| Laevinina no seca bien-dejando residuos de agua en el sueño. | Aspirador apagado | Encender el aspirador |
| Tubo de aspiración obstrui-do. | Controlar o limpiar el tubo de aspiraciónque conecta la escobilla con eldeposito de returno. | |
| Depósito de returno lleno. | Vaciar el deposito dereturno. | |
| Cauchos de la escobilla desgastados. | Invertir o sustituir loscau-chos de la escobilla. | |
| No sale agua. | Depósito vacio. | Llenar el deposito. |
| Interruptor de activación de la electroválvula no presionado. | Presionar el interruptor. | |
| Grifo cerrado. | Abrir el grifo. | |
| Filtro obstruido. | Limpiar el filtró. | |
| No funciona la electrovál-vula. | Llamar al servicios de asis-tenciatécnica. | |
| PROBLEMAS | CAUSAS SOLU CIONES | |
| Limpieza del suejo inefi-ciente. | Cepillos o detergentes in-adecuados. | |
| Cepillo desgastado. | ||
| Sustituir el cepillol | ||
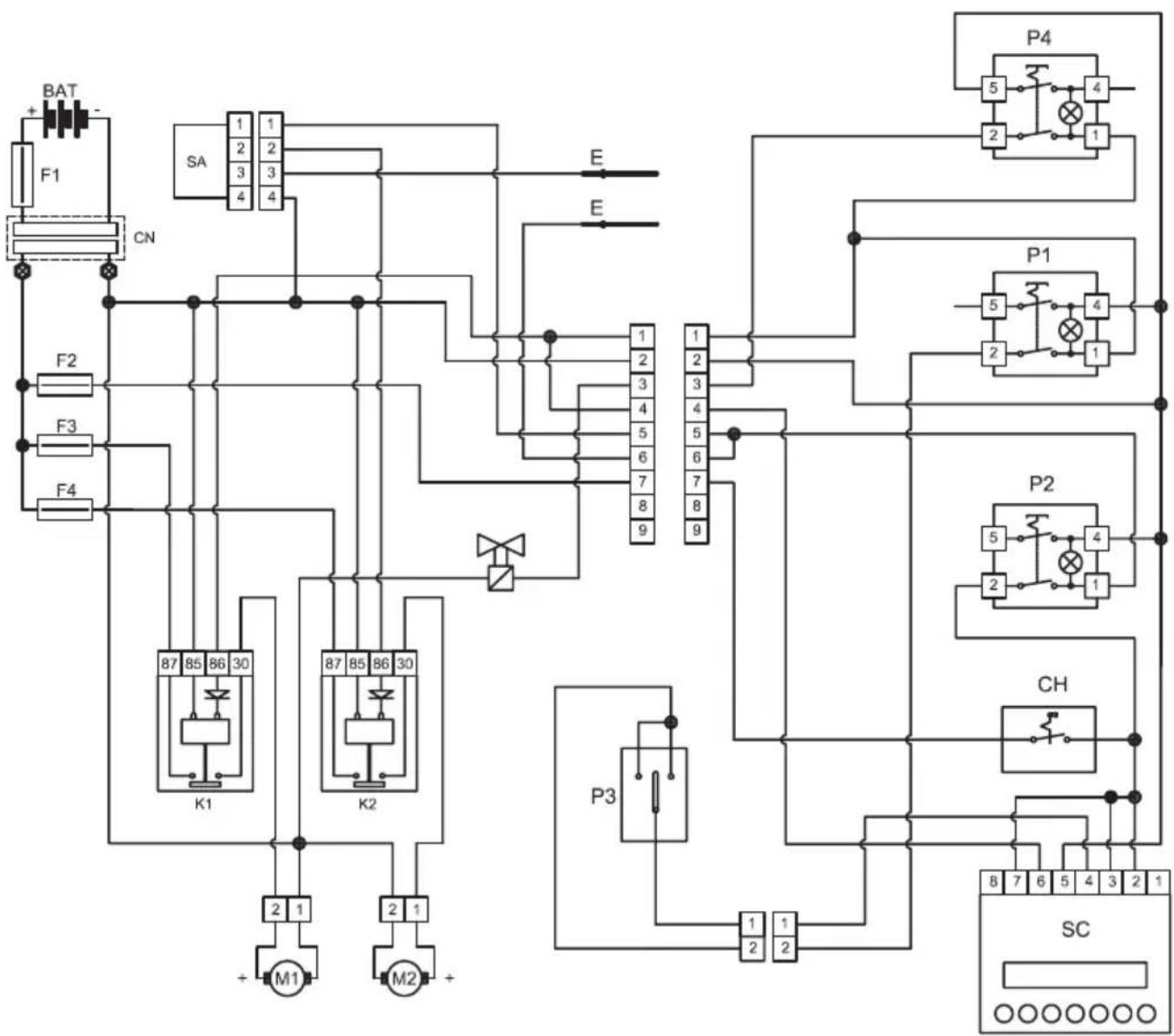
ESQUÉMAS ÉLECTRICOS
Modelos 45M45 - 45M55

BAT Bateria 24V
CH Llave
CN Conector
E .Electrodo
F1 Fusible bacterias 75A
F2 .Fusible Ihave 7.5A
F3 Fusible cepillo 30A
F4 Fusible aspirador 40A
K1 .Relé cepillo
K2 Relé aspirador
M1.Motor cepillo
M2. Motor aspirador
P1 .Boton cepillo
P2 Boton aspirador
P3 Boton start cepillo
P4 .Boton electroválvula
SA. Tarjeta anti espuma
SC.....Indicador descarga ^+ CNTahoras
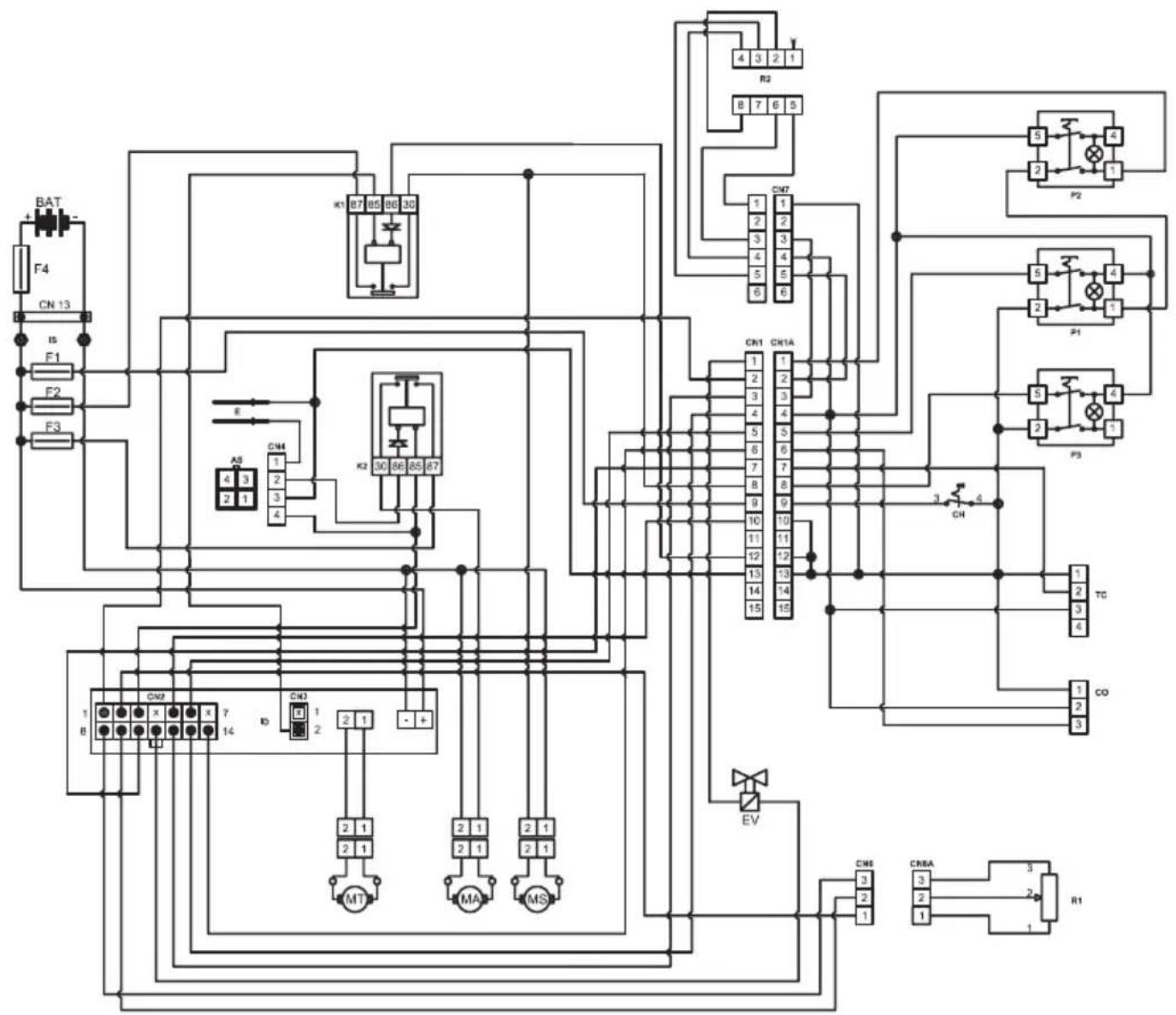
Modelo 45D55

AS Anti espuma
BAT Bateria 24V
CO Cuentahoras
CN1 Conector 15 PIN
CN2 .Conector centralita ID
CN3 .Conector centralita ID
CN4 Conector tarjeta anti espuma
CN6 .Al potenciómetro PL
CN7 Al manillar
E .Electrodos
EV .Electroválvula
F1 Fusible 7,5A
F2 Fusible 30A
F3 Fusible 40A
F4 Fusible 75A
K1 .Relé cepillo
K2 .Relé aspiración
ID Centralita I-Drive
IS .Aisladores
MA .Motor aspiración
MS Motor cepillos
MT .Motor tracción
P1 .Boton cepillos
P2 .Boton electroválvula
P3 .Boton aspiración
R1 .Potenciometro 4,7K
R2 Acelerador manillar
TC True charge
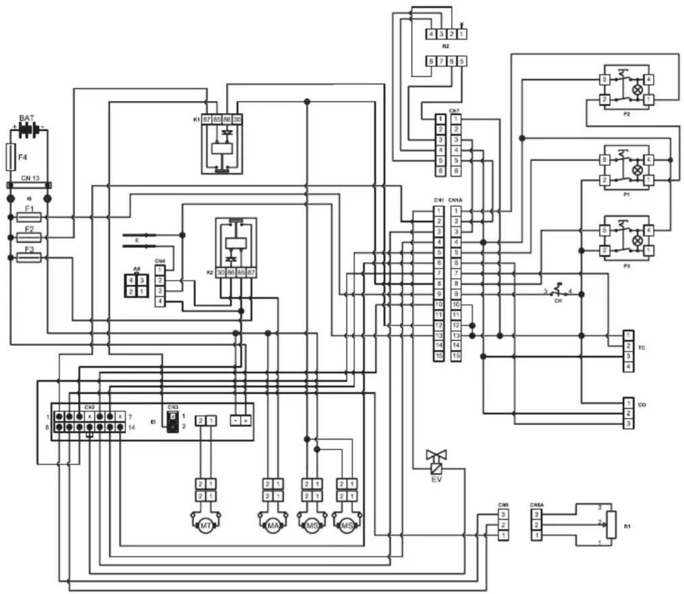
Modelo 45D60

AS Anti espuma
BAT Bateria 24V
CO Cuentahoras
CN1 Conector 15 PIN
CN2 . . . . . . . . . . . . . . . . . . . . . . . . . . . . . . . . . . . . . . . . . . . . . . . . . . . . . .. Conector centralita ID
CN3 .Conector centralita ID
CN4 Conector tarjeta anti espuma
CN6 .Al potenciometro PL
CN7 .Al manillar
E .Electrodos
EV .Electroválvula
F1 Fusible 7,5A
F2 Fusible 30A
F3 Fusible 40A
F4 Fusible 75A
K1 .Relé cepillo
K2 .Relé aspiración
ID Centralita I-Drive
IS .Aisladores
MA .Motor aspiración
MS Motor cepillos
MT .Motor traccion
P1 .Boton cepillos
P2 .Boton electrovalvula
P3 .Boton aspiracion
R1 .Potenciometro 4,7K
R2 Accelerador manillar
TC True charge
Prezado CLIENTE,
3a) Indicador das horas de acontecimiento
A ficha electrónica inibiu algunos fonções.
OPERACOES QUE DEVEM SER EFETUADAS DE ACORDO COM NECESSIDADE
Existem doit些pos de borrachas: Borrachas naturais para todos ostips de pisos e borrachas sintéticas (de poliuretano) para executar limpeza dos pisos de oficinas mecânicas, sujos de oleo.

ManualFácil