Winner 38E - Lavasciuga Ghibli - Manuale utente e istruzioni gratuiti
Trova gratuitamente il manuale del dispositivo Winner 38E Ghibli in formato PDF.
| Caratteristiche | Dettagli |
|---|---|
| Tipo di apparecchio | Idropulitrice |
| Pressione massima | 140 bar |
| Portata d'acqua | 450 litri/ora |
| Alimentazione | 230 V |
| Peso | 15 kg |
| Dimensioni | 40 x 35 x 90 cm |
| Accessori inclusi | Tubo ad alta pressione, lancia, ugello regolabile |
| Uso consigliato | Pulizia di superfici esterne, veicoli, terrazze |
| Manutenzione | Controllare regolarmente il filtro di ingresso dell'acqua, pulire la lancia |
| Sicurezza | Arresto automatico, protezione contro il surriscaldamento |
| Garanzia | 2 anni |
Domande frequenti - Winner 38E Ghibli
Questions des utilisateurs sur Winner 38E Ghibli
0 question sur cet appareil. Repondez a celles que vous connaissez ou posez la votre.
Poser une nouvelle question sur cet appareil
Scarica le istruzioni per il tuo Lavasciuga in formato PDF gratuitamente! Trova il tuo manuale Winner 38E - Ghibli e riprendi in mano il tuo dispositivo elettronico. In questa pagina sono pubblicati tutti i documenti necessari per l'utilizzo del tuo dispositivo. Winner 38E del marchio Ghibli.
MANUALE UTENTE Winner 38E Ghibli
I dati identificativi e la marcatura "CE" della macchina sono posizionati sulla targhetta (1) posta sul maniglione di guida.
Si consiglia di trascrivere il modello della macchina e il relativo numero di matricola nella tabella riportata nella pagina seguente.
EN
IDENTIFICATION DATA
IT Italiano .... I -1 (Istruzioni originali)
La ringraziamo per aver scelto un nostro prodotto per la pulizia dei suoi ambienti.
La lavasciuga pavimenti da lei acquistata è stata progettata per soddisfare l'utilizzatore in termini di semplicità di utilizzo e affidabilità nel tempo.
Noi siamo coscienti che un buon prodotto per restare tale, nel tempo, necessita di continui aggiornamenti mirati a soddisfare le aspettative di chi, quotidianamente, ne fa uso. In tal senso, noi ci auguriamo di avere in lei non solo un cliente soddisfatto ma anche un partner che non esita a trasmetterci opinioni e idee derivanti dalla personale quotidiana esperienza.
Indice
1.1 Introduzione ......I-4
1.1.a Scopo del manuale....I-4
1.1.b Consultazione del manuale .....I-4
1.1.c Legenda simbologia presente nel manuale....I-4
1.1.d Terminologia convenzionale .....I-4
1.2 Avvertenze generali .....I-4
1.2.a Qualifica del personale......I-4
1.2.b Posizione operatore .....I-5
1.2.c Abbigliamento atinfortunistico .....I-5
1.2.d Avvertenze generali prima dell'uso ....I-5
1.2.e Avvertenze generali durante l'uso della macchina .....I-5
1.2.f Avvertenze generali sulle batterie .....I-5
1.2.g Avvertenze generali durante la manutenzione .....I-5
1.2.h Avvertenze generali in caso di incendio .....I-5
1.2.i Fermo prolungato della macchina .....I-6
1.3 Uso previsto della macchina .....I-6
1.4 Uso non previsto della macchina .....I-6
1.4.a Zone con rischio di esplosione .....I-6
1.5 Demolizione della macchina .....I-6
1.6 Normative di riferimento .....I-6
2.1 Disimballo....I-7
2.1.a Dotazione macchina .....I-7
3.1 Assemblaggio componenti .....I-7
3.1.a Dosizionamento maniglione .....I-7
3.1.b Collegamento batterie (solo per versione BC) ......I-8
3.1.c Collegamento elettrico (solo per versione E) .....I-8
3.1.d Montaggio spazzola I-9
4.1 Carica della batteria (solo per versione bc) ......I-10
5.1 Conoscenza della macchina I-11
6.1 Pannello di controllo e comando .....I-12
7.1 Leva regolazione inclinazione maniglione .....I-13
8.1 Riempimento serbatoio .....I-14
9.1 Funzionamento ......I-15
9.1.a Controlli prima dell'uso....I-15
9.1.b Preparazione macchina e scelta ciclo I-15
9.1.c Uso della macchina .....I-16
9.1.d Fine uso e spegnimento .....I-16
9.1.e Allarmi durante il funzionamento. I-17
9.1.f Contaore....I-17
10.1 Scarico acqua di recupero .....I-18
11.1 Manutenzione e pulizia .....I-19
11.1.a Svuotamento e pulizia serbatoio acqua pulita ......I-19
11.1.b Pulizia serbatoio acqua di recupero .....I-20
11.1.c Pulizia tergitore....I-21
11.1.d Pulizia filtro acqua pulita .....I-22
11.1.e Sostituzione spazzola....I-22
11.1.f Sostituzione gomme tergitore....I-23
11.1.g Regolazione incidenza tergitore .....I-23
11.1.h Sostituzione fusibili (solo per versione bc)....I-24
Problemi - Cause - Rimedi ......I-25
Schemi elettrici....I-27
Versione BC....1-27
Versione E....I-29
Dati tecnici
Versione BC Versione E
Tipo di guida....Operatore a terra....Operatore a terra
Caratteristiche
Funzionamento ....Batterie ....Cavo
Tipo di batterie ...... N° 2 - 12V - 25Ah - (C5)......-
Tipo cavo elettrico ....230 V - 50/60 Hz
Alimentazione ......Batteria 24V Gel o AGM ......-
Lunghezza cavo elettrico ....- 15 m
Potenza installata 510 W 620 W
Avanzamento Manuale Manuale
Larghezza pista lavaggio ....385 mm ....385 mm
Larghezza di aspirazione....450 mm ....450 mm
Resa oraria teorica 1100 m²/h 1100 m²/h
Spazzole
Diametro / pad / numero ....385 mm / 15" x 1 ....385 mm / 15" x 1
Potenza motore / numero 260 W x 1 370 W x 1
Velocità motore....130 giri / min. ....155 giri / min.
Pressione specifica....35 gr / cm² ....35 gr / cm²
Trazione
Potenza motore 250 W 250 W
Depressione (colonna acqua)....68 / 700 mbar / mmH 2 O ....68 / 700 mbar / mmH 2 O
Portata d'aria 28 l/sec 28 l/sec
Rumorosità ....65 dB (A) ....65 dB (A)
Serbatoio
Tipologia ....Doppio serbatoio ....Doppio serbatoio
Riciclo....No....No
Capacità soluzione 16 l 16 l
Capacità recupero 22 | 22 |
Dimensioni (lxhxb) 800 x 1100 x 400 mm 800 x 1100 x 400 mm
Rumore
Livello di pressione sonora all'operatore .... Lp (A) 65,9 dB(A) ....Lp (A) 65,9 dB(A)
Incertezza associata ....kpA = 0,75 dB(A) ....kpA = 0,75 dB(A)
Vibrazioni
Livello di vibrazione trasmesso al
sistema mano braccio (ISO 5349) ....1.61 m/s² ....1.61 m/s²
Incertezza associata .... kv = 6.3% .... kv = 6.3%
Peso
Peso a vuoto....39 kg....40 kg
Peso con batterie....61 kg....-
Peso in ordine di marcia ....77 kg ....56 kg
Temperatura di esercizio -10°C ÷ 40°C -10°C ÷ 40°C
1.1 INTRODUZIONE
Il presente manuale costituisce parte integrante della macchina stessa; deve essere pertanto conservato con cura in un luogo sicuro accessibile a tutti gli utilizzatori (operatori e personale addetto alla manutenzione) per tutta la vita della macchina fino alla demolizione.
1.1.a - Scopo del manuale
Lo scopo del manuale è di fornire le istruzioni necessarie per la messa in servizio, l'uso e la manutenzione della macchina alla quale è allegato.
Si raccomanda una attenta lettura delle istruzioni e una scrupolosa osservanza delle norme di sicurezza descritte nel manuale.
La mancata osservanza di tali istruzioni/norme potrebbe causare danni alla macchina e all'operatore e in nessun caso potranno essere imputati al costruttore.
Le indicazioni di sicurezza descritte nel manuale integrano e NON SOSTITUISCONO le norme in vigore nel paese di utilizzo della macchina.
1.1.b - Consultazione del manuale
Il manuale è suddiviso in capitoli secondo un ordine logico di conoscenza ed impiego della macchina.
Per facilitare la ricerca, consultare prima l'INDICE riportato all'inizio del manuale.
1.1.c - Legenda simbologia presente nel manuale
Per evidenziare informazioni e procedure relative alla sicurezza, manutenzione, ecc., nel manuale sono stati adottati i seguenti simboli:

PERICOLO:
Avverte di un serio pericolo, anche mortale, per l'incolumità dell'operatore e/o terze persone.

AVVERTENZA:
Informazioni di estrema importanza atte ad evitare seri danni alla macchina e all'ambiente in cui opera.

NOTA:
Informazioni aggiuntive per il corretto funzionamento della macchina o di carattere generale.
1.1.d - Terminologia convenzionale
Le indicazioni anteriore, posteriore, avanti indietro superiore, inferiore sinistro e destro sono riferite con l'operatore in posizione di lavoro con le mani sul maniglione di guida.
Per semplificare, il nome commerciale del modello è stato sostituito con "Macchina".
La macchina può essere fornita in due versioni:
- BC: versione con batterie
- E: versione con cavo elettrico
1.2 AVVERTENZE GENERALI
Prima della messa in servizio, l'uso e la manutenzione della macchina è necessario che gli addetti (responsabili e operatori) siano istruiti sulle procedure operative e norme di sicurezza riportate nel presente manuale.
Rispettare tutte le prescrizioni contenute nel manuale e nella eventuale documentazione allegata.

PERICOLO:
È vietato l'uso della macchina a personale non addestrato, bambini e portatori di handicap.
1.2.a - Qualifica del personale
Operatore
Per operatore si intende un personale generico in grado di svolgere le semplici operazioni di conduzione della macchina e le relative operazioni di pulizia a fine turno di lavoro.
Manutentore elettrico/meccanico
Tecnico qualificato a operare sulla macchina per eseguire operazioni di riparazione o sostituzione di parti che necessitano la rimozione dei carter di protezione.
1.2.b - Posizione operatore
L'operatore, durante l'uso della macchina è posizionato nella parte posteriore della stessa con le mani sul maniglione.
1.2.c - Abbigliamento atinfortunistico
- Utilizzare abbigliamento antinfortunistico come indicato dalle norme in vigore nel paese di utilizzo della macchina.
1.2.d - Avvertenze generali prima dell'uso
- Controllare, prima dell'uso della macchina, che le protezioni di sicurezza fisse (carter) siano sempre nella loro sede correttamente fissate.
1.2.e - Avvertenze generali durante l'uso della macchina
- Se la macchina emette rumori strani arrestar- la immediatamente e individuare la causa.
- NON abbandonare la macchina su superfici inclinate superiori al 2%.
- Durante l'uso della macchina evitare di urtare scaffalature o armadi.
- È vietato utilizzare la macchina all'aperto e su strade pubbliche.
- Utilizzare la macchina, se possibile, in ambienti liberi da persone; in presenza di persone estranee avvisare le stesse di allontanarsi prima di utilizzare la macchina.
- Non utilizzare la macchina in ambienti con presenza di sostanze corrosive o salmastre.
- Non utilizzare la macchina in ambienti esplosivi (ATEX).
- É sconsigliabile l'uso di adattatori, prese multiple e/o prolunghe.
- Se il cavo di alimentazione di questo apparecchio è danneggiato, deve essere sostituito esclusivamente da un centro assistenza tecnico autorizzato dal costruttore.
Solo per versione "E"
- Durante il funzionamento della macchina fare attenzione a mantenere il cavo elettrico lontano dalla spazzola; pericolo di avvolgimento dello stesso sulla spazzola.
1.2.f - Avvertenze generali sulle batterie
- Indossare adeguati mezzi di protezione individuale per evitare il contatto con la pelle (vedi norme in vigore nel paese di utilizzo della macchina).
- Non inalare il vapore: è pericoloso.
- E' vietato fumare e/o utilizzare fiamme libere nel raggio di 2 metri dalla batteria durante la carica, nell'area di ricarica, e durante il raffreddamento della stessa dopo la ricarica.
- Segnalare eventuali perdite di liquido della batteria: sono pericolose ed altamente inquinanti.
- Impiegare solo batterie sigillate tipo GEL o AGM.
- Le batterie devono essere sostituite solo da personale qualificato.
1.2.g - Avvertenze generali durante la manutenzione
- Scollegare le batterie / cavo elettrico, prima di effettuare operazioni di manutenzione o di riparazione.
- Non appoggiare utensili ed oggetti metallici sopra le batterie; pericolo di cortocircuiti.
- Nelle operazioni di pulizia e di lavaggio non usare detergenti aggressivi, acidi, liscivie, ecc. e prestare particolare attenzione alle parti elettriche.
- Non lavare la macchina con getti di acqua diretti o a pressione.
- Quando si deve sollevare la macchina per eventuali operazioni di manutenzione è necessario lavorare in sicurezza mettendo sotto la stessa dei sostegni fissi.
- Rivolgersi a un centro di assistenza autorizzato per le operazioni di riparazione e richiedere solamente ricambi ORIGINALI.
1.2.h - Avvertenze generali in caso di incendio
- In caso di incendio utilizzare solo estintori a polvere omologati; NON utilizzare acqua per spegnere l'incendio.
1.2.i - Fermo prolungato della macchina
- Riporre la macchina al coperto al riparo degli agenti atmosferici in un luogo dove la temperatura sia compresa tra 5°C e +40°C.
- Rimuovere la chiave di avviamento.
- Scaricare l'acqua pulita contenuta nel serbatoio.
- Eseguire la ricarica delle batterie e una volta cariche scollegarle dalla stessa.
- Una volta al mese effettuare la ricarica delle batterie.
1.3. USO PREVISTO DELLA MACCHINA
La macchina è stata progettata e costruita solamente per il lavaggio e asciugatura di pavimenti al coperto.

PERICOLO:
Qualsiasi altro utilizzo solleva il costrutto-re da responsabilità per danni a persone e/o cose e fa decadere qualsiasi condizione di garanzia.
1.4 - USO NON PREVISTO DELLA MACCHINA

AVVERTENZA:
La macchina non è destinata a funzionare all'aperto.

PERICOLO:
- lavare pavimenti con acqua superiore a 50°C;
- utilizzare gasolio/benzine o detergenti corrosivi per il lavaggio di pavimenti;
- lavare e aspirare liquidi corrosivi, infiammabili, esplosivi anche se diluiti.
1.4.a - Zone con rischio di esplosione
È assolutamente vietato utilizzare la macchina in ambienti con rischio di esplosione dove sono presenti gas, vapori, liquidi e polveri infiammabili ed esplosive.
1.5. DEMOLIZIONE DELLA MACCHINA
Per la salvaguardia dell'ambiente, procedere secondo la normativa locale vigente.
Quando l'apparecchio non è più utilizzabile nè riparabile, procedere allo smaltimento d ferenziato dei componenti.

L'apparecchiatura elettrica non può essere smaltita come un rifiuto urbano, ma è necessario rispettare la raccolta separata introdotta dalla disciplina speciale per lo smaltimento dei rifiuti derivati da apparecchiature elettriche (dlg n 151 del 25/7/05
- 2002/96/CE - 2003/108/CE)
Le apparecchiature elettriche sono contrassegnate da un simbolo recante un contenitore di spazzatura su ruote barrato. Il simbolo indica che l'apparecchiatura è stata immessa sul mercato dopo il 13 agosto 2005 e che deve essere oggetto di raccolta separata.
Lo smaltimento inadeguato o abusivo delle apparecchiature oppure un uso improprio delle stesse, in considerazione delle sostanze e dei materiali contenuti può causare danni alle persone e all'ambiente. Lo smaltimento dei rifiuti elettrici che non rispetti le norme vigenti comporta l'applicazione di sanzioni amministrative e penali.
1.6. NORMATIVE DI RIFERIMENTO
La macchina è stata costruita in conformità alla direttiva macchine in vigore e in conformità alle norme indicate nella dichiarazione "CE" di conformità fornita con la macchina.
2.1 DISIMBALLO (Fig. 1)
Una volta rimosso l'imballo come indicato nelle istruzioni riportate sull'imballo stesso, controllare l'integrità della macchina e di tutti i componenti in dotazione.
Se si riscontrano danni evidenti contattare il concessionario di zona e il trasportatore entro 3 giorni dal ricevimento.
- Rimuovere la busta (1) contenente gli accessori in dotazione e la scatola (2) contenete la spazzola.
2.1.a - Dotazione macchina (Fig. 2)
Gli accessori in dotazione sono i seguenti:
1) Tubo flessibile carico acqua.
2) Manuale d'uso e manutenzione della macchina.
3) Manuale istruzioni caricabatterie
4) Filtro per bocca serbatoio acqua pulita.
5) Fusibile 30A.
6) Spazzola.
3.1 ASSEMBLAGGIO COMPONENTI
3.1.a - Posizionamento maniglione (Fig. 3)
- Sbloccare il maniglione (1) tirando la leva (2) e sollevarlo posizionandolo nella posizione desiderata.

text_image
2 1 Fig. 1
3.1.b - Collegamento batterie (solo per versione BC) (Fig. 4)
- Svitare le viti (3) che fissano il serbatoio (4) al supporto maniglione.
- Rimuovere il serbatoio (4) dell'acqua di recupero e collegare i connettori (5) e (6) delle batterie.
- Rimontare il serbatoio (4) dell'acqua di recupero.
3.1.c - Collegamento elettrico (solo per versione E)
- Collegare il cavo di alimentazione della macchina ad una presa di rete avente portata minima di 10A.

AVVERTENZA:
- Accertarsi che l'impianto elettrico di rete sia provvisto di interruttore differenziale (tipo salvavita).
- Svolgere completamente il cavo di alimentazione elettrica prima di mettere in funzione l'apparecchio.
- Utilizzare una prolunga elettrica solo se in perfetto stato; assicurarsi che la sezione sia appropriata alla potenza dell'apparecchio.
- Non lasciare mai scorrere il cavo di alimentazione su spigoli taglienti ed evitare di schiacciarlo.

3.1.d - Montaggio spazzola (Fig. 5)
- Posizionare la spazzola (1) a terra.
- Sollevare anteriormente la macchina facendo leva sul maniglione (2) e rimuovere l'appoggio di polistirolo (3).
- Posizionare la flangia (4) sopra la spazzola (1).
- Premere il pulsante (5) che si illumina, quindi premere le leve (6) avviando la rotazione della spazzola fino a sentire il "CLIC" di aggancio della spazzola, quindi rilasciare le leve (6) e premere il pulsante (5) che si spegne.

AVVERTENZA:
Utilizzare solo spazzole fornite dal co- struttore relative al modello di macchina. L'utilizzo di altri tipi di spazzole può com- promettere la sicurezza della macchina.

4.1 CARICA DELLA BATTERIA (Fig. 6) (solo per versione BC)

PERICOLO:
Effettuare la carica delle batterie in locali ben areati e conformi alle norme vigenti nel paese di utilizzo.
Per le informazioni relative alla sicurezza attenersi a quanto descritto nel capitolo 1 del presente manuale.

AVVERTENZA:
Per le informazioni e le avvertenze relative alla batteria e al caricabatteria attenersi a quanto indicato nel manuale della batteria e del caricabatteria allegato al presente.
- Portarsi con la macchina nei pressi di una presa di corrente elettrica di rete.
- Svolgere il cavo (2) e collegarlo alla presa di corrente di rete.

AVVERTENZA:
Controllare che la tensione di rete sia compatibile con la tensione di funzionamento del caricabatteria.
- Lasciare in carica le batterie fino all'illuminazione del led (4) "Verde", quindi staccare il cavo (2) di alimentazione e riavvolgerlo nell'apposito supporto.

NOTA:
Per la ricarica completa delle batterie sono necessarie 10 ore.
Evitare ricariche parziali.

AVVERTENZA:
- Accertarsi che l'impianto elettrico di rete sia provvisto di interruttore differenziale (tipo salvavita).
- Svolgere completamente il cavo di alimentazione elettrica prima di collegarlo alla presa di corrente.
- Utilizzare una prolunga elettrica solo se in perfetto stato; assicurarsi che la sezione sia appropriata alla potenza dell'apparecchio.
- Non lasciare mai scorrere il cavo di alimentazione su spigoli taglienti ed evitare di schiacciarlo.
- La presa di corrente deve essere di facile accesso.

1) Maniglione di guida.
2) Cruscotto comandi.
3) Leva azionamento tergipavimento.
4) Leve avviamento rotazione spazzole e/o erogazione acqua.
5) Leva rotazione posizione maniglione.
6) Serbatoio acqua di recupero.
7) Coperchio serbatoio acqua di recupero.
8) Cavo alimentazione (solo per versione E).
9) Serbatoio acqua pulita.
10) Apertura carico acqua pulita.
11) Ruote.
12) Flangia rotazione spazzola.
13) Spazzola.
14) Tergipavimento.
15) Tubo scarico acqua di recupero.
16) Tubo aspirazione acqua tergipavimento
17) Caricabatterie (solo per versione BC).
18) Indicatore di carica batterie (solo per versione BC).
19) Rubinetto regolazione acqua.
20) Filtro acqua.
6.1 PANNELLO DI CONTROLLO E COMANDO
(Fig. 8)
1) Leds stato di carica della batteria (solo per versione BC)
Si illumina quando il pulsante (3) è pre- muto indicando lo stato di carica della batteria.
- Quando è illuminato il led (1c) indica che lo stato di carica della batteria è massimo.
- Quando è illuminato il led (1b) indica che lo stato di carica della batteria è circa a metà.
- Quando è illuminato il led (1a) (led rosso) indica che lo stato di carica della batteria è minimo.
Con batteria scarica (led rosso (1a) illuminato) la macchina si spegne o non si avvia e lampeggia per alcuni secondi il led "R" del caricabatteria; occorre ricaricare la batteria.
2) Pulsante aspiratore
Premendo il pulsante (2) si illumina e si avvia il funzionamento dell'aspiratore.
Il funzionamento dell'aspiratore è abilitato dal pulsante (3) premuto.
3) Pulsante rotazione spazzola
Premendo il pulsante (3) si illumina e in- serisco tensione ai circuiti e si abilita la rotazione della spazzola.
L'avviamento della rotazione della spazzola è comandato dalle leve (5) premute.
4) Pulsante erogazione acqua
Premendo il pulsante (4) si illumina e si abilita l'erogazione dell'acqua per il lavaggio del pavimento.
L'erogazione dell'acqua è comandato oltre che dall'interruttore (3) premuto anche dalle leve (5) premute.
5) Leve rotazione spazzola e/o erogazione acqua
Premendo le leve (5) e mantenendole pre- mute, si avvia la rotazione della spazzola e se abilitata, l'erogazione dell'acqua.

text_image
1c 1b 1a 2 3 5 4 5 1 Fig. 87.1 LEVA REGOLAZIONE INCLINAZIONE MANIGLIONE (Fig. 9)
- Tirando la leva (1) è possibile variare la posizione del maniglione (2); rilasciando la leva il maniglione si posiziona e si blocca nella posizione obbligata più vicina.

NOTA:
Posizionando il maniglione (2) verticalmente si può effettuare una pulizia più accurata degli angoli facendo ruotare su se stessa la macchina.

text_image
1 2 Fig. 98.1 RIEMPIMENTO SERBATOIO (Fig. 10)

AVVERTENZA:
Introdurre nel serbatoio solo acqua pulita di rete con temperatura non superiore a 50°C.
- Prelevare il tubo (1) in dotazione, collegare l'estremità (1a) a un rubinetto e l'estremità (1b) inserirla nel serbatoio (2).
- Aprire il rubinetto e riempire il serbatoio (2).
- Versare nel serbatoio del liquido deter- gente.

NOTA:
Utilizzare solo detergenti non schiumosi, per la quantità attenersi alle istruzioni del produttore del detergente e al tipo di sporco.

PERICOLO:
In caso di contatto del detergente con oc- chi e pelle o in caso di ingerimento fare riferimento alla scheda di sicurezza e di impiego del produttore del detergente;
- Alla fine del riempimento del serbatoio è possibile:
Introdurre completamente il tubo (1) nel serbatoio (2) dove l'estremità (1a) fa da tappo; oppure rimuovere completamente il tubo (1) e introdurre nell'apertura del serbatoio (2) il filtro (3) in dotazione.

text_image
1a 1b 2 1a 1 2 3 2 Fig. 109.1 FUNZIONAMENTO
(Figg. 11-12)
9.1.a - Controlli prima dell'uso
- Controllare che il tubo (1) di scarico del serbatoio di recupero sia correttamente agganciato e correttamente tappato.
- Controllare che il tubo (2) di aspirazione acqua tergipavimento sia correttamente inserito nel serbatoio di recupero.
- Controllare che il raccordo (3) posto sul tergipavimento (13) non sia ostruito e che il tubo sia correttamente collegato.
- Controllare lo stato di carica delle batterie; premere l'interruttore (4), controllando l'indicatore a leds (5) (solo per versione BC).
9.1.b - Preparazione macchina e scelta ciclo
- Premere il pulsante (4) che si illumina.
- Tirare la leva (6) e rilasciarla, si abbassa il tergipavimento.
Ciclo di lavoro:
- La macchina ha la possibilità di effettuare 4 cicli di lavoro:
Ciclo solo asciugatura:
- Per effettuare solo il ciclo di asciugatura premere il pulsante (7), si avvia l'aspiratore.
Ciclo solo spazzolatura:
- Per effettuare solo il ciclo di spazzolatura premere le leve (8); rilasciando le leve (8) la spazzola si ferma.
Ciclo lavaggio, spazzolatura:
- Premere il pulsante (9) per predisporre l'erogazione dell'acqua, quindi premere le leve (8) per avviare il ciclo.
Ciclo di lavaggio, spazzolatura, asciugatura:
- Premere il pulsante (7) per avviare l'aspiratore, il pulsante (9) per predisporre l'erogazione dell'acqua, quindi premere le leve (8) per avviare il ciclo.

9.1.c - Uso della macchina
- Dopo aver avviato la macchina e scelto il tipo di ciclo, iniziare le operazioni di pulizia premendo le leve (8) e mantenendo-le premute per avviare la rotazione della spazzola e l'erogazione dell'acqua; quindi spingere la macchina tramite le impugnature (10) presenti nel maniglione (11).

NOTA:
Rilasciando le leve (8) la rotazione della spazzola e l'erogazione dell'acqua si fermano.

NOTA:
Per evitare di rovinare il pavimento non utilizzare la macchina ferma con la rotazione della spazzola inserita.

NOTA:
La corretta pulizia e asciugatura del pavimento si effettua procedendo con la macchina in avanti, procedendo con la macchina indietro oltre a rovinare le racle non si ha una corretta aspirazione dell'acqua presente nel pavimento.
- Eventualmente regolare la quantità di acqua di lavaggio tramite il rubinetto (12).
- Controllare lo stato di carica delle batterie tramite l'indicatore (5) (solo per versione BC).
9.1.d - Fine uso e spegnimento
- Alla fine delle operazioni di pulizia prima di spegnere la macchina fermare l'erogazione dell'acqua e la rotazione della spazzola rilasciando le leve (8) e premendo il pulsante (9) proseguire con l'aspiratore inserito per aspirare tutto il liquido presente nel pavimento, quindi spegnere l'aspiratore pre-mendo il pulsante (7).
- Sollevare il tergipavimento (13) tirando la leva (6) e rilasciandola; la leva rimane in posizione superiore mantenendo sollevato il tergipavimento.

text_image
5 7 9 4 8 1 6 8 10 11 13 12 Fig. 12
AVVERTENZA:
Sollevare sempre il tergitore alla fine dei lavori di pulizia in quanto si evita la deformazione delle racle in gomma.
- Premere il pulsante (4) che si spegne.
- Staccare il cavo di alimentazione elettrica dalla presa (solo per versione E).
9.1.e - Allarmi durante il funzionamento (Fig. 12/a).
- Durante il funzionamento della macchina si possono inserire degli allarmi che vengono visualizzati dall'illuminazione dei leds:
Errore sovracorrente uscita aspiratore
Led 1 lampeggiante più led 2 illuminato fisso.
Errore sovracorrente uscita spazzola
Led 1 lampeggiante più led 3 illuminato fisso.
Errore circuito aperto uscita aspiratore
Led 1 lampeggiante più led 4 illuminato fisso
Errore circuito aperto uscita spazzola
Led 1 lampeggiante più led 5 illuminato fisso.

text_image
5 4 3 2 1 Fig. 12/a
NOTA:
Quando viene visualizzato uno qualsiasi degli allarmi sopra riportati è necessario spegnere e riaccendere la macchina per tornare al funzionamento normale.
9.1.f - Contaore (Fig. 12/a)
È possibile visualizzare le ore di funzionamento della macchina agendo come segue:
- Per accedere al contaore è necessario avviare la macchina con il pulsante (6) "Rotazione spazzole" mantenuto premuto.

NOTA:
Il valore massimo conteggiato è di 9999 ore.
Visualizzazione unità di ore:
- un lampeggio del led 1 seguito da tanti lampeggi del led 5 quante sono le unità di ore.
Visualizzazione decine di ore:
- un lampeggio del led 1 seguito da tanti lampeggi del led 4 quante sono le decine di ore.
Visualizzazione centinaia di ore:
- un lampeggio del led 1 seguito da tanti lampeggi del led 3 quante sono le centinaia di ore.
Visualizzazione migliaia di ore:
- un lampeggio del led 1 seguito da tanti lampeggi del led 2 quante sono le centinaia di ore.
10.1 SCARICO ACQUA DI RECUPERO
(Fig. 13)
Alla fine del ciclo di lavaggio oppure quando il serbatoio (1) dell'acqua di recupero risulta pieno è necessario svuotarlo agendo come segue:

NOTA:
Per lo smaltimento dell'acqua di recupero attenersi alle norme vigenti nel paese di utilizzo della macchina.
- Posizionarsi con la macchina vicino a una piletta di scarico.
- Staccare il tubo (2) dal supporto (3).
- Togliere il tappo (4) dal tubo (2) e scaricare completamente l'acqua contenuta nel serbatoio.

text_image
1 2 3 2 2 4 1 2 Fig. 1311.1 MANUTENZIONE E PULIZIA

AVVERTENZA:
Per le informazioni e le avvertenze relative alle operazioni di manutenzione o pulizia attenersi a quanto indicato nel paragrafo "Avvertenze generali durante la manutenzione" presente nel capitolo 1 del presente manuale.
OPERAZIONI DA EFFETTUARSI OGNI GIORNO
11.1.a - Svuotamento e pulizia serbatoio acqua pulita (Fig. 14)

AVVERTENZA:
Alla fine delle operazioni di lavaggio è obbligatorio scaricare e pulire il serbatoio dell'acqua pulita per evitare depositi o incrostazioni.
Dopo aver scaricato il serbatoio dell'acqua di recupero scaricare il serbatoio dell'acqua pulita agendo come segue:
- Posizionarsi con la macchina su una piletta di scarico.
- Ruotare verso l'esterno il raccordo di scarico (1).
- Spingere verso l'interno il collarino (2) e contemporaneamente estrarre il tappo (3) e lasciare scaricare completamente l'acqua.
- Lavare l'interno del serbatoio lasciando il tappo di scarico aperto e introducendo acqua pulita dall'apertura anteriore.
- Alla fine della pulizia rimontare il tappo (3) spingendolo verso l'interno.

11.1.b - Pulizia serbatoio acqua di recupero (Fig. 15)

AVVERTENZA:
Alla fine delle operazioni di lavaggio è obbligatorio pulire il serbatoio dell'acqua di recupero per evitare depositi o incrostazioni ed il proliferare di batteri, odori, muffe.
- Scaricare l'acqua di recupero come indicato nel relativo paragrafo posizionandosi con la macchina su una piletta di scarico.
- Rimuovere il coperchio (1) e pulire in acqua corrente l'interno del coperchio e il galleggiante (2) di sicurezza aspiratore.
- Lasciando il tubo (3) abbassato e il tappo rimosso introdurre acqua dall'apertura superiore (4) pulendo l'interno del serbatoio fino a che dal tubo di scarico fuoriesca acqua pulita.
- Rimontare il tutto procedendo in senso inverso.

text_image
1 2 4 3 Fig. 1511.1.c - Pulizia tergitore (Fig. 16)
Per effettuare una corretta pulizia del tergitore (1) è necessario rimuoverlo agendo come segue:
- Estrarre verso l'esterno il gruppo tergitore (1).
- Staccare il tubo (2) dal tergitore (1).
- Allentare i pomelli (3) e rimuovere il tergitore (1).
- Lavare il tergitore e in particolar modo le gomme (4) e l'interno del raccordo di aspirazione (5).

NOTA:
Se durante il lavaggio si nota che le gomme (4) si presentano rovinate o usurate è necessario sostituirle o girarle.
- Rimontare il tutto procedendo in senso inverso.

11.1.d - Pulizia filtro acqua pulita (Fig. 17)
- Svitare il coperchio trasparente (1) del filtro e rimuovere il filtro (2).
- Pulire il filtro (2) in acqua corrente se si presenta intasato sostituirlo.
- Rimontare il tutto procedendo in senso inverso.
OPERAZIONI DA EFFETTUARSI SECONDO NECESSITÀ
11.1.e - Sostituzione spazzola (Fig. 18)
Si rende necessaria la sostituzione della spazzola quando la stessa si presenta usu-rata con lunghezza setole inferiore a 2 cm oppure va sostituita in funzione al tipo di pavimento da lavare; per la sostituzione, agire come segue:
- Inserire il cavo elettrico (solo per versione E).
- Sollevare leggermente anteriormente la macchina facendo leva sulle impugnature del maniglione.
- Premere il pulsante (3) abilitando la rotazione della spazzola, quindi premere le leve (4) e rilasciarle; la spazzola (5) si sgancia.
- Sostituire la spazzola quindi appoggiare la flangia portaspazzola (6) sulla spazzola (5) e premere le leve (4) fino a sentire il "CLICK" di aggancio della spazzola sulla flangia.
- Premere il pulsante (3) che si spegne.

text_image
2 1 Fig. 17
11.1.f - Sostituzione gomme tergitore (Fig. 19)
Quando si nota che l'asciugatura del pavimento risulta difficoltà o che nel pavimento rimangono alcune tracce di acqua è necessario controllare lo stato di usura delle gomme del tergitore (1):
- Rimuovere il gruppo tergitore (1) come indicato nel paragrafo "Pulizia tergitore".
- Svitare i dadi ad alette (2) e rimuovere le gomme (3).

NOTA:
Quando le gomme (3) sono usurate da un lato, per una volta, possono essere capovolte.
- Sostituire o capovolgere le gomme (3) senza invertirle.
- Rimontare il tutto procedendo in senso inverso.

NOTA:
È possibile avere due tipi di gomme:
Gomme in para per tutti i tipi di pavimento e gomme in poliuretano per pavimenti di officine meccaniche, sporchi di olio.
11.1.g - Regolazione incidenza tergitore (Fig. 20)
- Abbassare il tergitore agendo sull'apposita leva.
- Avviare l'aspiratore e procedere per qualche metro, quindi spegnere l'aspiratore e fermare la macchina.
- Controllare l'incidenza delle gomme (1) sul pavimento.
Fig. A = troppo schiacciata
Fig. B = troppo sollevata
Fig. C = posizione corretta.
- Smontare il tergitore dalla macchina.
- Per la regolazione allentare la vite (2) della ruota (3) e spostare, in senso verticale, la ruota sulla cava; sollevando la ruota aumenta l'incidenza, viceversa diminuisce.

text_image
1 2 3 Fig. 19
text_image
A B OK C 1 2 3 3 Fig. 2011.1.h - Sostituzione fusibili (solo per versione BC) (Fig. 21)

AVVERTENZA:
Sostituire il fusibile bruciato con uno di pari amperaggio.
- Svitare le due viti (1) del carter esterno (2) e rimuoverlo.
- Svitare le due viti (3) del coperchio (4) scheda elettronica e rimuoverlo.
Fusibile (5) Verde 30A
Protezione generale macchina.
- Rimontare il coperchio (4) e il carter (2) procedendo in senso inverso.

| PROBLEMA CAUSA RIMEDIO | ||
| Ruotando la chiave la macchina non si avvia. | Batteria scarica (solo per versione BC).Spina scollegata (solo per versione E).Fusibile generale bruciato (solo per versione BC). | Controllare lo stato di carica della batteria.Collegare la spina.Sostituire il fusibile VERDE-generale da 30A. |
| Spazzola non ruota. Errore | sovracorrente uscita spazzola oppure circuito aperto spazzolaPulsante abilitazione rotazione spazzola non premuto. | Vedi paragrafo “Allarmi durante il funzionamento.Premere il pulsante. |
| Aspiratore non funziona. Errore | sovracorrente uscita aspiratore oppure circuito aperto aspiratorePulsante abilitazione aspiratore non premuto. | Vedi paragrafo “Allarmi durante il funzionamento.Premere il pulsante. |
| La macchina non asciuga bene lasciando tracce di acqua nel pavimento. | Aspiratore spentoTubo di aspirazione intasa-to.Gomme tergitore non rego-late correttamenteSerbatoio di recupero pieno.Gomme tergitore usurate. | Avviare l’aspiratoreControllare e eventualmen-te pulire il tubo di aspirazio-ne che collega il tergitore al serbatoio di recupero.Regolare le gomme del tergitore come indicato nel paragrafo” Regolazione tergitore”Svuotare il serbatoio di recupero.Capovolgere o sostituire le gomme tergitore. |
| Non fuoriesce acqua Serbatoio vuoto. | Pulsante abilitazione elet-trovalvola non premuto. | Riempire il serbatoio. |
| Premere il pulsante. | ||
| Rubinetto chiuso. | Aprire il rubinetto posto nella parte inferiore della macchina. | |
| Filtro intasato. | Pulire il filtro. | |
| Elettrovalvola non funzio-nante. | Chiamare il servizio di assistenza tecnica. | |
| Pulizia pavimento insufficiente. | Spazzole o detergente inadeguati. | Usare spazzole o detergenti adatte al tipo di pavimento o di sporco da pulire. |
| Spazzola consumata. | Sostituire la spazzola | |
SCHEMI ELETTRICI
Versione BC

text_image
U1 1.5mm Black Red + 24V/5A W3 BAT + - W4 + - AWG12 Red Black AWG16 Red Black AWG14 Red Black AWG20 Brown Blue F1 BATTERY + - VACUUM + - BRUSH + - H2C A1 1 2 3 4 5 6 7 8 9 10 CN1 CN2 SWITCH RCC 60.2mm Gray Blue Valve VCM Block OUTDO. P4 P3 COM R1 P2 P1A1 ....Scheda elettronica
BAT ......Batteria 2x 12V
Y1 ......Elettrovalvola
F1 ...... Fusibile 30A (generale)
M1 ......Motore aspirazione
M2 ......Motore spazzola
P1 Interruttore ON/OFF
P2 Pulsante spazzola
P3 ...... Interruttore aspirazione
P4 ......Interruttore elettrovalvola
R1 Indicatore scarica
CN1 ...... Connettore maniglione
CN2 ......Connettore caricbatterie
Red ...... Rosso
Orange ...... Arancione
Black ....Nero
Violet Viola
White Bianco
Blue .... Blu
Grey Grigio
Brown ....Marrone
Yellow Giallo
Green ...... verde
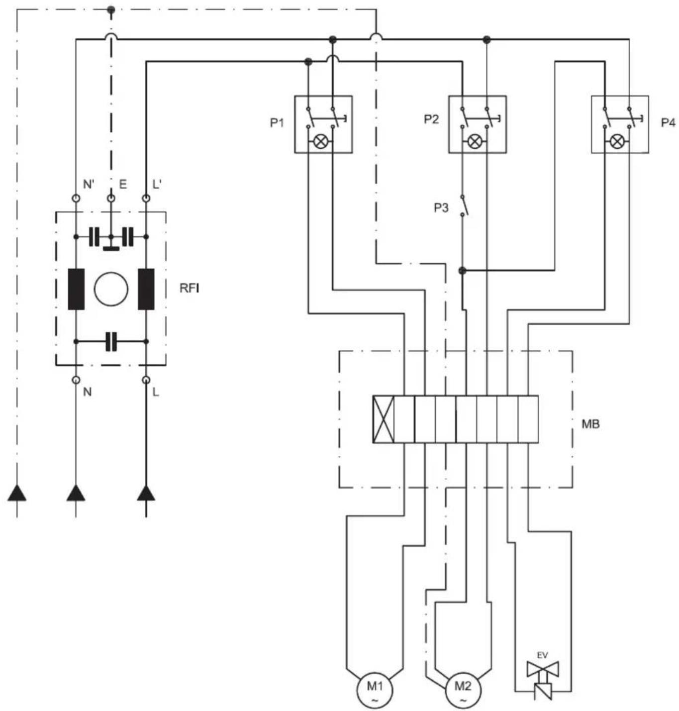
Versione E

flowchart
graph TD
A["RF1"] --> B["N"]
A --> C["L"]
A --> D["N'"]
A --> E["E"]
A --> F["L'"]
G["M1"] --> H["M2"]
I["M2"] --> J["EV"]
K["P1"] --> L["P2"]
M["P3"] --> N["P4"]
O["MB"] --> P["P1"]
O --> Q["P2"]
R["Power Supply"] --> S["Resistor 1"]
R --> T["Resistor 2"]
R --> U["Resistor 3"]
R --> V["Resistor 4"]
EV ......Elettrovalvola
M1....Motore aspirazione
M2 ......Motore spazzola
MB ...... Morsettiera
P1 ...... Interruttore aspirazione
P2....Interruttore spazzola
P3 Pulsante spazzola
P4 ......Interruttore elettrovalvola
RFI ......Filtro antidisturbo rete
Dear Customer,
- Accertarsi che l'impianto elettrico di rete sia provvisto di interruttore differenziale (tipo salvavita).
- Unwind the electric power cable completely before connecting it to the mains socket.
- Utilizzare una prolunga elettrica solo se in perfetto stato; assicurarsi che la sezione sia appropriata alla potenza dell'apparecchio.
- Non lasciare mai scorrere il cavo di alimentazione su spigoli taglienti ed evitare di schiacciarlo.
- The socket must be easily accessible.

5.1 GETTING TO KNOW THE MACHINE (Fig. 7)

Recyclage ...... Non ...... Non
via Circonvallazione, 5 - 27020 Dorno (PV) Italy
Tel. +39 0382.848811 - Fax +39 0382.84668
http://www.ghibli.it - e-mail: info@ghibli.it
ManualeFacile