Winner 38E - Scrubber Ghibli - Free user manual and instructions
Find the device manual for free Winner 38E Ghibli in PDF.
| Features | Details |
|---|---|
| Device type | High-pressure cleaner |
| Maximum pressure | 140 bars |
| Water flow rate | 450 liters/hour |
| Power supply | 230 V |
| Weight | 15 kg |
| Dimensions | 40 x 35 x 90 cm |
| Included accessories | High-pressure hose, lance, adjustable nozzle |
| Recommended use | Cleaning outdoor surfaces, vehicles, terraces |
| Maintenance | Regularly check the water inlet filter, clean the lance |
| Safety | Automatic shut-off, overheating protection |
| Warranty | 2 years |
Frequently Asked Questions - Winner 38E Ghibli
Questions des utilisateurs sur Winner 38E Ghibli
0 question sur cet appareil. Repondez a celles que vous connaissez ou posez la votre.
Poser une nouvelle question sur cet appareil
Download the instructions for your Scrubber in PDF format for free! Find your manual Winner 38E - Ghibli and take your electronic device back in hand. On this page are published all the documents necessary for the use of your device. Winner 38E by Ghibli.
USER MANUAL Winner 38E Ghibli
natural_image
Line drawing of a cleaning or cleaning service robot with visible mechanical components and safety warning symbol (no text or labels)

WINNER® 38BC RELOADED
WINNER® 38E RELOADED
Uso e Manutenzione Use and Maintenance Utilisation et Entretien Gebrauch und wartung Uso y Mantenimiento Uso e manutenção
IT
DATI IDENTIFICATIVI
The identification data and the “CE” marking for the ,achine are positioned on the data plate (1) located on the guide handle.
It is advisable to make a note of the machine model and the relative serial number shown on the following page.
FR
DONNÉES D'IDENTIFICATION
EN English ...... EN -1 (Translation of original instructions)
FR Français .... FR -1 (Traduction des instructions d'origine)
text_image
Diagram illustrating medical or laboratory procedure steps with labeled parts including a coiled tube, paper sheets, and a circular component.
natural_image
Mechanical assembly diagram showing a device with labeled component '1' and directional arrow, no readable text or symbols present.
text_image
2text_image
Technical diagram showing car gear shift lever with labeled parts 3 and 4, including a hand pressing the seat.
text_image
5 6
natural_image
Pure electrical circuit lines without any symbolsFig. 4
text_image
Technical diagram showing three views of a car engine with labeled components and wiring, including a pump unit and battery pack.5.1 CONOSCENZA DELLA MACCHINA (Fig. 7)

text_image
Technical diagram of a cleaning or cleaning machine with numbered components and labeled partstext_image
Technical diagram of a cleaning or cleaning machine with numbered parts labeled 1, 2, and 6.
text_image
Technical diagram of a mechanical assembly with numbered components labeled 13 and 3
text_image
8 5 7 4 9 8Fig. 11
text_image
Technical diagram illustrating car tire assembly steps with labeled parts and a caption 'Fig. 14'text_image
Technical diagram of a cleaning or cleaning machine with numbered components and labeled partsOPERAZIONI DA EFFETTUARSI OGNI SETTIMANA
text_image
Technical diagram of a vehicle's front view with labeled components including control panel, air buttons, and dashboard.
text_image
6 5 Fig. 18text_image
Technical diagram of a vehicle's internal components with numbered labels 1 and 2 indicating parts of the engine or chassis.
text_image
Technical diagram of a mechanical device with labeled parts 3 and 4, showing internal components and wiring.
text_image
5 Fig. 21PROBLEMI - CAUSE - RIMEDI
Thank you for choosing one of our cleaning products.
The floor scrubber dryer that you have purchased has been designed to satisfy the user in terms of ease of use and reliability over time.
We are aware that in order for a good product to stay that way, over time, it requires continuous updates aimed at meeting the expectations of those who use it on a daily basis. For this reason, we hope that you will not only be a satisfied customer but also a partner who does not hesitate to give us your opinions and ideas originating from your personal day-to-day experience.
Contents
1.1 Introduction ......EN-4
1.1.a Purpose of the manual .....EN-4
1.1.b Consulting the manual.....EN-4
1.1.c Key to symbols used in the manual.....EN-4
1.1.d Conventional terminology ......EN-4
1.2 General warnings ......EN-4
1.2.a Personnel qualifications....EN-4
1.2.b Operator position ......EN-5
1.2.c Protective clothing .....EN-5
1.2.d General warnings before use ......EN-5
1.2.e General warnings while using the machine .....EN-5
1.2.f General warnings about the batteries .....EN-5
1.2.g General warnings during maintenance....EN-5
1.2.h General warnings in the event of a fire....EN-5
1.2.i Prolonged machine standstill .....EN-6
1.3 Intended machine use ......EN-6
1.4 Non-intended machine use ......EN-6
1.4.a Zone with risk of explosion ......EN-6
1.5 Demolishing the machine ......EN-6
1.6 Reference standards ......EN-6
2.1 Unpacking ......EN-7
2.1.a Standard machine equipment ......EN-7
3.1 Assembling the components ......EN-7
3.1.a Positioning of the handle .....EN-7
3.1.b Connecting the batteries (for BC version only)......EN-8
3.1.c Electrical connection (for E version only) ......EN-8
3.1.d Assembling the brush ......EN-9
4.1 Charging the battery (for bc version only) ......EN-10
5.1 Getting to know the machine ...... EN-11
6.1 Control panel ......EN-12
7.1 Lever for handle angle regulation ......EN-13
8.1 Filling the tank EN-14
9.1 Operation ......EN-15
9.1.a Checks before use ......EN-15
9.1.b Preparing the machine and choosing the cycle......EN-15
9.1.c Using the machine......EN-16
9.1.d End of use and switching off ......EN-16
9.1.e Warnings while using the machine ......EN-17
9.1.f Timer....EN-17
10.1 Draining the recovery water......EN-18
11.1 Maintenance and cleaning ......EN-19
11.1.a Emptying and cleaning the clean water tank ......EN-19
11.1.b Cleaning the recovery water tank ......EN-20
11.1.c Cleaning the squeegee ......EN-21
11.1.d Cleaning the clean water filter......EN-22
11.1.e Replacing the brush ......EN-22
11.1.f Replacing the squeegee rubber blades......EN-23
11.1.g Squeegee incidence set up ......EN-23
11.1.h Replacing the fuses (for BC version only)......EN-24
Troubleshooting......EN-25
Wiring diagrams ......EN-27
BC version......EN-27
E version EN-29
Technical data
BC version E version
Type of use....Operator on ground....Operator on ground
Characteristics
Operation ...... Batteries ...... Cable
Type of batteries N° 2 - 12V - 25Ah - (C5)
Type of electric cable....- 230 V - 50/60 Hz
Power supply 24V Gel or AGM battery
Length of electric cable....- 15 m
Installed load 510 W 620 W
Forward movement.... Manual .... Manual
Washing width 385 mm 385 mm
Drying width 450 mm 450 mm
Theoretical hourly working capacity ....1100 m2/h ....1100 m2/h
Brushes
Diameter / pad / number ....385 mm / 15" x 1 ....385 mm / 15" x 1
Motor power / number 260 W x 1 370 W x 1
Motor speed.... 130 rpm. .... 155 rpm
Specific pressure 35 g/cm² 35 g/cm²
Traction
Maximum gradient which can be overcome at full load ..... 2 % .... 2 %
Aspiration
Motor power.... 250 W .... 250 W
Negative pressure (water column)....68 / 700 mbar / mmH₂O ....68 / 700 mbar / mmH₂O
Air flow rate....28 l/sec....28 l/sec
Noise level 65 dB (A) 65 dB (A)
Tank
Type....Dual tank....Dual tank
Recirculation No No
Solution capacity 16 I 16 I
Recovery capacity 22 | 22 |
Dimensions (lxhxb) 800 x 1100 x 400 mm 800 x 1100 x 400 mm
Noise
Operator sound pressure level .... Lp (A) 65,9 dB(A) .... Lp (A) 65,9 dB(A)
Combined uncertainty....kpA = 0,75 dB(A) ....kpA = 0,75 dB(A)
Vibrations
Level of vibration transmitted to
hand/arm (ISO 5349) 1.61 m/s2 1.61 m/s2
Combined uncertainty.... kv = 6.3% .... kv = 6.3%
Weight
Empty weight 39 kg 40 kg
Weight with batteries 61 kg
Full load weight....77 kg ....56 kg
Operating temperature....-10°C ÷ 40°C ....-10°C ÷ 40°C
1.1 INTRODUCTION
The manual is an integral part of the machine itself; it must therefore be stored carefully in a safe place which is accessible to all users (operators and personnel in charge of maintenance) for the entire machine life until demolition.
1.1.a - Purpose of the manual
The purpose of the manual is to provide the instructions necessary for putting into service, using and maintaining the machine with which it is enclosed.
It is advisable to read the instructions carefully and comply with the safety standards described in the manual to the letter.
The non-observance of these instructions/standards may cause damage to the machine and injury to the operator for which under no circumstances is the manufacturer responsible.
The safety information described in the manual supplements and DOES NOT REPLACE standards in force in the country in which the machine is used.
1.1.b - Consulting the manual
The manual is divided into chapters according to a logical order of knowledge and use of the machine.
For help with finding a specific topic, first consult the CONTENTS shown at the beginning of the manual.
1.1.c - Key to symbols used in the manual
In order to highlight information and procedures regarding safety, maintenance etc., the following symbols have been adopted in the manual:

DANGER:
Warns of a serious, even fatal danger for the safety of the operator and/or third persons.

WARNING:
Extremely important information in order to prevent serious damage to the machine and the environment in which it operates.

N.B.:
Additional information for correct machine operation or of a general nature.
1.1.d - Conventional terminology
The terms front, rear, forward, back, upper, lower, left and right refer to the operator in the working position with his/her hands on the guide handle.
To simplify, the brand name of the model has been replaced with "Machine".
The machine comes in two versions:
- BC: version with batteries
- E: version with electric cable
1.2 GENERAL WARNINGS
Before putting into service, using and maintaining the machine, it is necessary for the persons involved (persons in charge and operators) to be trained regarding the operating procedures and safety standards shown in this manual.
Respect all the provisions contained in the manual and in any enclosed documentation.

DANGER:
It is forbidden for untrained personnel, children and disabled persons to use the machine.
1.2.a - Personnel qualifications
Operator
The term operator refers to a generic worker able to perform simple operations such as running the machine and carrying out the relative cleaning at the end of the working shift.
Electrical/mechanical maintenance technician
A technician qualified to operate on the machine in order to repair or replace parts which require the removal of the protective cover.
1.2.b - Operator position
While using the machine, the operator is position at the rear of the machine with his/her hands on the handle.
1.2.c - Protective clothing
- Use protective clothing as indicated in the standards in force in the country in which the machine is used.
1.2.d - General warnings before use
- Before using the machine, check that the fixed safety guards (covers) are always correctly secured in position.
1.2.e - General warnings while using the machine
- If the machine makes strange noises, stop it immediately and identify the cause.
- Do NOT abandon the machine on surfaces which slope by more than 2%.
- While using the machine, do not knock into shelving or cupboards.
- It is forbidden to use the machine outdoors or on public roads.
- If possible, use the machine in environments where no persons are present; in the present of unauthorised persons, warn them to move away before using the machine.
- Do not use the machine in environments with the presence of corrosive or salty substances.
- Do not use the machine in explosive environments (ATEX).
- It is not advisable to use an adaptor, multiple sockets, or an extension cord.
- If the electrical cord of this appliance is damaged, it must be replaced by an Authorized Customer Service Centre.
Only for "E" version
- Ensure the electrical cable is kept away from the brush during machine operation. It poses the danger of winding itself on the brush.
1.2.f - General warnings about the batteries
- Use appropriate personal protection equipment to avoid contact with the skin (see standards in force in the country in which the machine is used).
- Do not inhale the vapour: it is dangerous.
- It is forbidden to smoke and/or use naked flames within 2 metres of the battery during charging, in the charging area and while the battery is cooling after charging.
- Report any liquid leaking from the battery: leaks are dangerous and highly polluting.
- Use only sealed GEL or AGM batteries.
- Batteries must be replaced only by qualified personnel.
1.2.g - General warnings during maintenance
- Disconnect the batteries/electric cable before performing maintenance and repair operations.
- Do not rest tools and metal objects on the batteries; danger of short circuits.
- Do not use aggressive detergents, acid, lye etc. during cleaning and washing and take particular care with electrical parts.
- Do not wash the machine with direct or pressurised jets of water.
- When the machine must be lifted for any maintenance operations, it is necessary to work safely by placing fixed supports underneath it.
- Contact an authorised support centre for repairs and request ORIGINAL spare parts only.
1.2.h - General warnings in the event of a fire
- In the event of a fire, use approved powder extinguishers only; do NOT use water to put out the fire.
1.2.i - Prolonged machine standstill
- Place the machine under cover, sheltered from atmospheric agents in a place where the temperature is between 5°C and +40°C.
- Remove the ignition key.
- Drain the clean water contained in the tank.
- Charge the batteries and, once they are charged, disconnect them from the charger.
- Charge the batteries once a month.
1.3. INTENDED MACHINE USE
The machine has been designed and manufactured for washing and drying indoor floor surfaces.

DANGER:
Any other use releases the manufacturer from responsibility for damage or injury to persons and/or things and invalidates any warranty condition.
1.4 - NON-INTENDED MACHINE USE

WARNING:
The machine is not intended for outdoor use.

DANGER:
- washing floors with water which is hotter than 50^ C;
- using diesel/petrol or corrosive detergents to wash floors;
- washing and sucking up corrosive, flammable and/or explosive liquids, even if diluted.
1.4.a - Zone with risk of explosion
It is strictly forbidden to use the machine in environments where there is a risk of explosion with the presence of flammable and explosive gases, vapours, liquids and powders.
1.5. DEMOLISHING THE MACHINE
In order to protect the environment, proceed in compliance with local standards in force. When the appliance can no longer be used or repaired, proceed with the separate disposal of its components.
Electrical equipment cannot be disposed of as urban waste and it is necessary to dispose of it separately as introduced by the special regulation regarding the disposal of waste originating from electrical equipment (Italian Legislative Decree no. 151 of 25/7/05 - 2002/96/EC - 2003/108/EC).
The electrical equipment is marked with a symbol showing a wheeled bin with a cross on it. The symbol indicates that the equipment was put on the market after 13 August 2005 and that it must be disposed of separately.
In consideration of the substances and materials contained, inadequate or abusive disposal of the equipment or its improper use may cause damage or injury to persons and the environment.
Disposal of electrical waste which does not respect the standards in force leads to the application of administrative sanctions and penalties.
1.6. REFERENCE STANDARDS
This machine has been built in compliance with the machine directive in force and in accordance with the standards contained in the EC Declaration of Conformity supplied with the machine.
2.1 UNPACKING (Fig. 1)
Once the packaging has been removed as shown in the instructions on the packaging itself, check that the machine and all the components supplied are intact.
If any evident damage is found, contact the area agent and the carrier within 3 days of receipt
- Remove the pack (1) containing the accessories supplied and the box (2) containing the brush.
2.1.a - Standard machine equipment (Fig. 2)
The accessories supplied are as follows:
1) Water filling hose.
2) Machine use and maintenance manual.
3) Battery charger instruction manual
4) Filter for clean water tank opening.
5) 30A fuse.
6) Brush.
3.1 ASSEMBLING THE COMPONENTS
3.1.a - Positioning of the handle (Fig. 3)
- Unlock the handle (1) pulling the lever (2) and lift it placing it in the desired position.

text_image
2 1 Fig. 1
text_image
Diagram illustrating six labeled parts of a medical or laboratory procedure, including documents, tubing, and a circular component.
natural_image
Mechanical assembly diagram showing a motor or engine component with labeled parts and directional arrow (no text or symbols beyond label)
text_image
2EN
3.1.b - Connecting the batteries (for BC version only) (Fig. 4)
- Unscrew the bolts (3) that fasten the tank (4) to the handle support.
- Remove the recovery water tank (4) and connect the battery connectors (5) and (6).
- Replace the recovery water tank (4).
3.1.c - Electrical connection (for E version only)
- Connect the machine power cable to a mains socket with a minimum capacity of 10A.

WARNING:
- Make sure that the mains system is equipped with an RCD (circuit breaker).
- Unwind the electric power cable completely before operating the appliance.
- Use an electrical extension lead only if in perfect condition; ensure that the section is appropriate for the appliance power rating.
- Never let the power cable run over sharp edges and do not tread on it.

text_image
Technical diagram showing car interior components with numbered parts and wiring connections, including battery and switch symbols.3.1.d - Assembling the brush (Fig. 5)
- Position the brush (1) on the ground.
- Lift the front of the machine up by levering the handle (2) and remove the polystyrene support (3).
- Position the flange (4) above the brush (1).
- Press the button (5) that illuminates, then, for starting the rotation of the brush, press the levers (6) until hearing the coupling "Click" of the attachment of the brush, then release levers (6) and press the button (5) and the light turns off.

WARNING:
Use only brushes provided by the manufacturer according to the model of the machine.
Using other types of brushes may compromise the safety of the machine.

4.1 CHARGING THE BATTERY (Fig. 6) (for BC version only)

DANGER:
Charge the batteries in well-ventilated areas which comply with standards in force in the country of use.
For safety-related information, follow what is described in chapter 1 of this manual.

WARNING:
For information and warnings about the battery and the battery charger, follow what is described in the battery and battery charger manual enclosed with this document.
- Move the machine to the vicinity of a main electrical socket.
- Unwind the cable (2) and connect it to the outlet.

WARNING:
Check that the mains voltage is compatible with the operating voltage of the battery charger.
- Leave the batteries to charge until the "Green" LED (4) comes on, then remove the power cable (2) and wind it up in the specific support.

N.B.:
10 hours are needed for complete battery charging.
Avoid partial recharges.

AVVERTENZA:
text_image
Technical diagram of a cleaning or cleaning machine with numbered components and labeled parts1) Guide handle.
2) Control console.
3) Squeegee activation lever.
4) Lever for starting brush rotation and/or dispensing water.
5) Lever for rotating handle positions.
6) Recovery water tank.
7) Recovery water tank cover.
8) Power cable (for E version only).
9) Clean water tank.
10) Clean water filling opening.
11) Wheels.
12) Brush rotation flange.
13) Brush.
14) Squeegee.
15) Recovery water drain hose.
16) Squeegee water aspiration hose.
17) Battery charger (for BC version only).
18) Batter charger indicator (for BC version only).
19) Water regulation tap.
20) Water filter.
6.1 CONTROL PANEL
(Fig. 8)
1) LEDs status of battery charge (only for BC version)
The button (3) is illuminated when pressed, indicating the charging status of the battery.
- When the LED (1c) is illuminated, it indicates that the battery charge status is at maximum.
- When the LED (1b) is illuminated, it indicates that the battery charge status is at about half.
- When the LED (1a) is illuminated (red LED), it indicates that the battery charge status is at minimum.
With the battery discharged [red LED (1a) illuminated], the machine turns off or will not start and the LED "R" of the battery charger flashes for a few seconds; the battery needs recharging.
2) Aspirator button
On pressing the button (2) it illuminates and the functioning of the aspirator starts.
The functioning of the aspirator is enabled by pressing the button (3).
3) Brush rotation button
On pressing the button (3) it illuminates and tension is fed to the circuits and rotation of the brush. is enabled.
The starting of rotation of the brush is controlled by pressing levers (5).
4) Water dispensing button
On pressing the button (4) it illuminates and enables the dispensing of water for washing pavement.
The dispensing of water is controlled both by the switch (3) and by pressing the le-vers (5).
5) Brush rotation and/or water dispensing lever
Pressing the levers (5) and holding them pressed, starts the rotation of the brush and, if enabled, the dispensing of water.

text_image
1c 1b 1a 2 3 5 4 5 1 Fig. 87.1 LEVER FOR HANDLE ANGLE REGULATION (Fig. 9)
- By pulling on the lever (1), it is possible to vary the position of the handle (2); releasing the lever, the handle is positioned and locks in the nearest required position.

N.B.:
By positioning the handle (2) vertically, it is possible to effect a more thorough cleaning of corners by rotating the machine on itself.

text_image
1 2 Fig. 98.1 FILLING THE TANK (Fig. 10)

WARNING:
Only add clean mains water to the tank at a temperature no greater than 50^ C.
- Remove the hose (1) supplied, connect one end (1a) to a tap and insert the other end (1b) in the tank (2).
- Turn on the tap and fill the tank (2).
- Pour the liquid detergent into the tank.

N.B.:
Use non-foamy detergents only. For the quantities, follow the instructions provided by the detergent manufacturer according to the type of dirt.

DANGER:
If the detergent comes in contact with the eyes and/or skin or if swallowed, refer to the use and safety information booklet provided by the manufacturer of the detergent;
- Once tank filling is complete, it is possible to:
Insert the hose (1) into the tank (2) fully where the end (1a) acts as a cap; or remove the hose (1) fully and insert the filter (3) supplied into the tank (2) opening.

text_image
1a 1b 2 1a 1 2 3 2 Fig. 109.1 OPERATION
(Figs. 11-12)
9.1.a - Checks before use
- Check that the exhaust tube (1) of the recovery tank is properly coupled and properly sealed.
- Check that the squeegee water aspiration hose (2) is correctly inserted in the recovery tank.
- Check that the connector (3) on the squeegee (13) is not blocked and that the hose is connected correctly.
- To check the status of the battery charge; press the switch (4), controlling the LEDs (5) indicator (only for version BC).
9.1.b - Preparing the machine and choosing the cycle
- Press the button (4) that illuminates.
- Pull the lever (6) and release it, it lowers the squeegee.
Working cycle:
- The machine can perform 4 working cycles:
Drying only cycle:
- To perform the drying cycle only, press button (7). The aspirator starts up.
Brushing only cycle:
- To effect only the brushing cycle, press the levers (8), releasing the levers (8) stops the brush.
Washing, brushing cycle:
- Press the button (9) to prepare for the dispensing of water, then press levers (8) to start the cycle.
Washing, brushing, drying cycle:
- Press the button (7) to start the aspirator, the button (9) to prepare the dispensing of water, then press the levers (8) to start the cycle.

9.1.c - Using the machine
- After having started the machine and selected the type of cycle, start the cleaning operation by pressing the levers (8) and holding them pressed to start rotation of the brush and the dispensing of water, then push the machine by means of the handles (10) in the handle bar (11).

N.B.:
Releasing the levers (8) stops the rotation of the brush and the dispensing of water.

N.B.:
To avoid damaging the floor, do not use the machine in a fixed position with brush rotation activated

N.B.:
The correct way of cleaning and drying the floor is to move the machine forwards. Moving the machine backwards damages the blades as well as not allowing correct aspiration of the water present on the floor.
- If necessary, adjust the quantity of washing water using the tap (12).
- Check the status of the battery charge by the indicator (5) (only on version BC).
9.1.d - End of use and switching off
- At the end of the cleaning operation and before turning off the machine, stop the dispensing of water and the rotation of the brush by releasing levers (8) and pressing the button (9) to continue with the aspirator to remove all of the liquid present on the floor, and then turn off the aspirator by pressing button (7).
- Raise the squeegee (13) by pulling the lever (6) and releasing it, the lever remains in an upper position thus maintaining the floor wipers in the raised position.

text_image
5 7 9 4 8 1 6 10 11 13 12 Fig. 12
WARNING:
Always lift up the squeegee at the end of cleaning in order to prevent the deformation of the rubber blades.
- Press the button (4) turning it off.
- Disconnect the electric power cable from the socket (for E version only).
9.1.e - Warnings while using the machine (Fig. 12/a)
- While using the machine, the occurrence of the following errors is signalled by the coming on of the leds.
Suction unit outlet overcurrent error
Led 1 is flashing and Led 2 is constantly lit.
Brush unit outlet overcurrent error
Led 1 is flashing and Led 3 is constantly lit.
Suction unit outlet open circuit error
Led 1 is flashing and Led 4 is constantly lit.
Brush unit outlet open circuit error
Led 1 is flashing and Led 5 is constantly lit.

text_image
5 4 3 2 1 Fig. 12/a
NOTE:
When any of the above mentioned error signals is displayed, it is necessary to turn off the machine and then turn it on again, in order to set it back to normal functioning.
9.1.f - Timer (Fig. 12/a)
It is possible to visualize the working time of the machine proceeding as follows:
- To turn on the timer it is necessary to start the machine by pushing the "Brush rotation" button (6) and keeping it pressed.

NOTE:
The timer counts up to 9999 hours.
Indication of the hours of work by units:
- one flash of Led 1 followed by as many flashes of Led 5 as the units of hours of work.
Indication of the hours of work by tens:
- one flash of Led 1 followed by as many flashes of Led 4 as the tens of hours of work.
Indication of the hours of work by hundreds:
- one flash of Led 1 followed by as many flashes of Led 3 as the hundreds of hours of work.
Indication of the hours of work by thousands:
- one flash of Led 1 followed by as many flashes of Led 2 as the thousands of hours of work.
10.1 DRAINING THE RECOVERY WATER
(Fig. 13)
At the end of the washing cycle or when the recovery water tank (1) is full, it is necessary to empty the tank by proceeding as follows:

N.B.:
To dispose of the recovery water, comply with the standards in force in the country in which the machine is used.
- Position the machine near to a drain outlet.
- Disconnect the hose (2) from the support (3).
- Remove the cap (4) from the hose (2) and drain all the water contained in the tank.

text_image
1 2 3 2 2 4 1 2 Fig. 1311.1 MAINTENANCE AND CLEANING

WARNING:
For information and warnings regarding maintenance or cleaning, follow the information given in the “General warnings during maintenance” in chapter 1 in this manual.
OPERATIONS TO PERFORM DAILY
11.1.a - Emptying and cleaning the clean water tank (Fig. 14)

WARNING:
At the end of the washing operations, it is compulsory to drain and clean the clean water tank to prevent deposits or scaling.
After draining the recovery water tank, drain the clean water tank as follows:
- Position the machine over a drain outlet.
- Turn the drain connector outwards (1).
- Push the hose clip (2) inwards and at the same tie remove the cap (3) and let all the water drain out.
- Wash the inside of the tank, leaving the drain cap open and adding clean water through the front opening.
- After cleaning, replace the cap (3), pushing inwards.

text_image
Technical diagram illustrating car tire assembly steps with labeled parts and motion arrows11.1.b - Cleaning the recovery water tank (Fig. 15)

WARNING:
At the end of the washing operations, it is compulsory to clean the recovery water tank to prevent deposits or scaling and the proliferation of bacteria, odours or mould.
- Drain the recovery water as shown in the relative paragraph, positioning the machine over a drain outlet.
- Remove the cover (1) and clean the inside of the cover and the aspirator safety float (2) with running water.
- Leaving the hose (3) lowered and the cap off, add water through the upper opening (4), cleaning the inside of the tank until clean water comes out of the drain hose.
- Replace all the components in reverse order.

text_image
1 2 4 3 Fig. 1511.1.c - Cleaning the squeegee (Fig. 16)
In order to clean the squeegee correctly (1), it is necessary to remove it as follows:
- Pull the squeegee unit outwards (1).
- Disconnect the hose (2) from the squeegee (1).
- Loosen the knobs (3) and remove the squeegee (1).
- Wash the squeegee and in particular the rubber blades (4) and the inside of the aspiration connector (5).

N.B.:
If, during washing, it is clear that the rubber blades (4) are damaged or worn, it is necessary to replace them or turn them over.
- Replace all the components in reverse order.

text_image
Technical diagram of a cleaning or cleaning machine with numbered components and labeled partsOPERATIONS TO PERFORM WEEKLY
11.1.d - Cleaning the clean water filter (Fig. 17)
- Unscrew the transparent filter cover (1) and remove the filter (2).
- Clean the filter (2) in running water. If it is blocked, replace it.
- Replace all the components in reverse order.
OPERATIONS TO PERFORM WHEN NECESSARY
11.1.e - Replacing the brush (Fig. 18)
It becomes necessary to replace the brush when it is worn with bristles shorter than cm or it must be replaced according to the type of floor to wash; to replace it, proceed as follows:
- Plug in the electrical cord (only for version E).
- Lift the machine up slightly at the front, levering the grips on the handle.
- Press the button (3) to enable the rotation of the brush, then press levers (4) and release them; the brush (5) is disconnected.
- Replace the brush and then rest the brush holder flange (6) on the brush (5) and press the levers (4) listening for the coupling "CLICK" of the brush on the flange.
- Press the button (3) turning it off.

text_image
2 1 Fig. 17
text_image
Technical diagram of a vehicle's front view with labeled components including control panel, display screen, and buttons
text_image
6 5 Fig. 1811.1.f - Replacing the squeegee rub ber blades (Fig. 19)
When it becomes clear that drying the floor is difficult or traces of water remain on the floor, it is necessary to check the wear on the squeegee rubber blades (1):
- Remove the squeegee unit (1) as indicated in the "Cleaning the squeegee" paragraph.
- Loosen the finned nuts (2) and remove the rubber blades (3).

N.B.:
When the rubber blades (3) are worn on one side, on one occasion they may be turned over.
- Replace or turn over the rubber blades (3) without inverting them.
- Replace all the components in reverse order.

N.B.:
It is possible to have two types of rubber blade.
Para rubber blades for all types of floor and polyurethane rubber blades for mechanical workshop floors which are dirty with oil.
11.1.g - Squeegee incidence set up (Fig. 20)
- Lower the squeegee using the specific lever.
- Start the suction unit and advance for some metres before stopping the suction unit and the machine.
- Check the angle of incidence of the rubbers (1) on the floor.
Fig. A = too squatted
Fig. B = too high
Fig. C = correct position.
- Take off the squeegee from the machine
- To set up, loosen the screw (2) of the wheel (3) and move the wheel vertically in the slot; by lifting the wheel, the angle of incidence increases, vice versa it decreases.

text_image
1 2 3 Fig. 19
text_image
A B OK C 1 2 3 3 Fig. 2011.1.h - Replacing the fuses (for BC version only) (Fig. 21)

WARNING:
Replace the blown fuse with one with the same amperage.
- Unscrew the two bolts (1) that fasten the external box (2) and remove it.
- Unscrew the two bolts (3) of the printed circuit board (4) and remove it.
Fuse (5) Green 30A
Machine general protection.
- Put the cover (4) and the box (2) back into place in reverse sequence.

text_image
Technical diagram of a vehicle's internal components with numbered labels 1 and 2 indicating parts of the engine or chassis.
text_image
Technical diagram of a mechanical device with numbered components labeled 3 and 4
text_image
5 Fig. 21TROUBLESHOOTING
| PROBLEM CAU | SE SOLUTION | |
| The machine does not start up when the key is turned. | Low battery (for BC version only).Plug disconnected (for E version only).Main fuse blown (for BC version only). | Check that the battery is charged.Connect the plug.Replace the GREEN 30A main fuse. |
| The brush does not rotate. | Brush unit outlet overcurrent error or brush unit open circuit error.Brush rotation enabling button not pressed. | See paragraph “Warning signals while using the machine”.Press the button. |
| Aspirator does not work. | Suction unit outlet overcurrent error or suction unit open circuit errorAspirator enabling button not pressed. | See paragraph “Warning signals while using the machine”.Press the button. |
| The machine does not dry well, leaving traces of water on the floor. | Aspirator off.Aspiration tube blocked.Squeegee rubbers not correctly set up.Recovery tank full.Squeegee rubber blades worn. | Start up the aspirator.Check and if necessary clean the aspiration tube that connects the squee-gee to the recovery tank.Set up the squeegee rub-bers as indicated in para-graph “Squeegee setting”Empty the recovery tank.Replace or turn over the squeegee rubber blades. |
| PROBLEM CAUSE SOLUTION | ||
| No water comes out. Tank empty. | Solenoid valve enabling button not pressed.Tap turned off.Filter blocked.Solenoid valve does not work. | Fill the tank.Press the button.Turn on the tap located at the bottom of the machine.Clean the filter.Call the technical support service. |
| Insufficient floor cleaning. Unsuitable brushes or detergent.Brush worn. | Use brushes or detergents which are suitable for the type of floor or dirt to be cleaned.Replace the brush. | |
WIRING DIAGRAMS
BC version

text_image
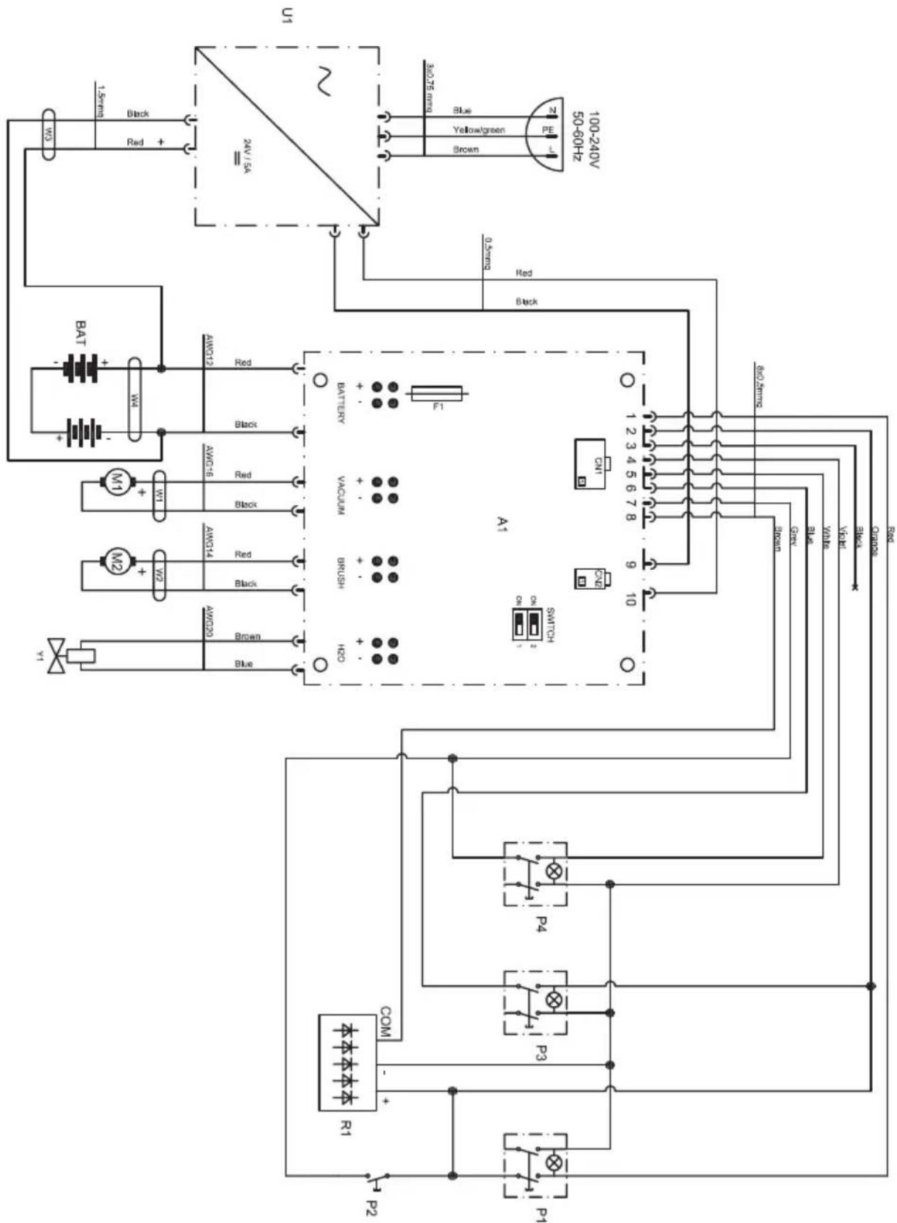
U1 1.5mm Black Red + 24V/5A W3 BAT + - W4 + - AWG12 Red Black AWG16 Red Black AWG14 Red Black AWG20 Brown Blue F1 BATTERY + - VACUUM + - BRUSH + - H2C A1 1 2 3 4 5 6 7 8 9 10 CN1 CN2 SWITCH RCC 60.2mm Gray Blue Valve VCM Block OUTDO. P4 P3 COM R1 P2 P1EN
A1....Printed circuit board
BAT 2x 12V battery
U1 5A battery charger
Y1 ......Electrovalve
F1 Main fuse 30A
M1 Vacuum motor
M2 Brush motor
P1...... ON/OFF switch
P2 Brush button
P3 Vacuum interruptor
P4 ...... Electrovalve interruptor
R1 ......Battery level indicator
CN1 ...... Handle connector
CN2 ...... Battery charger connector
E version

flowchart
graph TD
A["RF1"] --> B["N"]
A --> C["L"]
A --> D["N'"]
A --> E["E"]
A --> F["L'"]
G["M1"] --> H["M2"]
I["M2"] --> J["EV"]
K["P1"] --> L["P2"]
M["P3"] --> N["P4"]
O["MB"] --> P["P1"]
O --> Q["P2"]
R["Power Supply"] --> S["Resistor 1"]
R --> T["Resistor 2"]
R --> U["Resistor 3"]
R --> V["Resistor 4"]
EV ....Solenoid valve
M1...... Aspiration motor
M2 Brush motor
MB Terminal board
P1 Aspiration switch
P2 Brush switch
P3 Brush button
P4 ....Solenoid valve switch
RFI Net filter
Cher client,
Version BC FR-27
Version E.... FR-29
Version BC Version E
Capacité solution 16 I 16 I
Incertitude associée....kv = 6.3% ....kv = 6.3%
Poids
text_image
Diagram illustrating six labeled parts of a medical or laboratory procedure, including documents, tubing, and a circular component.[Non-Text]

natural_image
Mechanical assembly diagram showing a component with labeled parts and directional arrow (no text or symbols beyond labels)text_image
Technical diagram of a car seatbelt mechanism with labeled parts 3 and 4, showing hand placement and valve assembly.
text_image
5 6
natural_image
Pure electrical circuit lines without any symbolsFig. 4
text_image
Technical diagram showing three views of a car engine with labeled components and wiring, including a pump unit and battery pack.5.1 CONNAISSANCE DE LA MACHINE (Fig. 7)

text_image
Technical diagram of a cleaning or cleaning machine with numbered components and labeled partstext_image
Technical diagram of a cleaning or cleaning machine with numbered parts labeled 1, 2, and 6.
text_image
Technical diagram of a mechanical assembly with numbered components labeled 13 and 3
text_image
8 5 7 4 9 8Fig. 11
text_image
Technical diagram illustrating car tire assembly steps with labeled parts and motion arrowstext_image
Technical diagram of a cleaning or cleaning machine with labeled components and parts, including a 3D view and detailed assembly details.OPÉRATIONS À EFFECTUER TOUTES LES SEMAINES
text_image
Technical diagram of a vehicle's front view with labeled components including control panel, display screen, and buttons
text_image
6 5 Fig. 18text_image
Technical diagram of a vehicle's internal components with numbered labels 1 and 2 indicating parts of the engine or chassis.
text_image
Technical diagram of a mechanical device with labeled parts 3 and 4, showing internal components and wiring.
text_image
5 Fig. 21PROBLÈMES – CAUSE – RÉPARATIONS
text_image
Diagram showing six labeled parts of a medical or laboratory procedure, including documents, tubing, and a circular component with holes.[Non-Text]

text_image
2
natural_image
Mechanical assembly diagram showing a component with labeled parts and directional arrow (no readable text or symbols)text_image
Technical diagram showing car interior components with numbered parts and a battery circuit schematic.text_image
Technical diagram showing three views of a car engine with labeled components and wiring connections5.1 MASCHINENKENNTNISSE (Abb. 7)

text_image
Technical diagram of a cleaning or cleaning machine with numbered components and labeled partstext_image
Technical diagram of a cleaning or cleaning machine with numbered components labeled 1 through 13.
text_image
12Abb. 12

HINWEIS:
text_image
Technical diagram illustrating car tire assembly steps with labeled parts and directional arrowsDE
text_image
Technical diagram showing four steps of a cleaning or maintenance procedure with labeled componentstext_image
Technical diagram of a cleaning or cleaning machine with numbered components and assembly linetext_image
Technical diagram of a vehicle's front view with labeled components including control panel, buttons, and dashboard.
text_image
6 5 A10b.188text_image
1 2 3 A B OK C 3 Fig.20text_image
Technical diagram of a vehicle's internal components with numbered labels 1 and 2 indicating parts of the engine or chassis.
text_image
Technical diagram of a mechanical device with labeled parts 3 and 4, showing internal components and wiring.
text_image
5 F16.21natural_image
Mechanical assembly diagram showing a component with labeled parts and directional arrow (no text or symbols beyond labels)text_image
Technical diagram showing car interior components with numbered parts and wiring connections, including a battery circuit schematic.text_image
Technical diagram of a cleaning or cleaning machine with numbered components and labeled partstext_image
Technical diagram of a cleaning or cleaning machine with numbered parts labeled 1, 2, and 6.
text_image
Technical diagram of a mechanical assembly with numbered components labeled 13 and 3
text_image
las 8 5 7 4 9 8del
Fig. 11
text_image
Technical diagram illustrating car tire assembly steps with labeled parts and a caption 'Fig. 14'text_image
Technical diagram of a cleaning or cleaning machine with numbered components and labeled partstext_image
Technical diagram of a vehicle air intake control panel with labeled parts 3, 4, and 4
text_image
s 6 5 Fig. 18text_image
Technical diagram of a vehicle's internal components with numbered labels 1 and 2 indicating parts of the engine or chassis.
text_image
Technical diagram of a mechanical device with labeled parts 3 and 4, showing internal components and wiring.
text_image
5 Fig. 21PROBLEMAS - CAUSAS - SOLUCIONES
Fluxo de ar....28 l/sec....28 l/sec
natural_image
Mechanical assembly diagram showing a device with labeled parts and directional arrow (no text or symbols beyond label)PT
text_image
Technical diagram of a car seatbelt mechanism with labeled parts 3 and 4, showing hand placement and valve assembly.
text_image
5 6
natural_image
Pure electrical circuit lines without any symbolsFig. 4
text_image
Technical diagram of a mechanical device with numbered components labeled 3, 4, and a central component.
text_image
Technical diagram of a mechanical device with labeled parts 1 and 4, showing assembly or assembly steps.
text_image
2 5 6 6Fig. 5
text_image
Technical diagram of a cleaning or cleaning machine with numbered components and labeled parts1) Conjunto guidão.
2) Painél de controle.
3) Alavanca de acionamento do mecanismo limpador.
text_image
Technical diagram of a vehicle's rear suspension system with labeled components and wiringFig. 8
text_image
Diagram of a cleaning or cleaning machine with labeled parts and directional arrows indicating motion or operation.Fig. 9
PT
8.1 ENCHIMENTO DO RESERVATÓRIO (Fig. 10)

AVISO:
text_image
Technical diagram of a cleaning or cleaning machine with numbered parts labeled 1, 2, and 6.
text_image
Technical diagram of a mechanical assembly with numbered components labeled 13 and 3
text_image
8 5 7 4 9 8Fig. 11
PT
text_image
Technical diagram of a mechanical device with numbered parts labeled 1, 2, and 3
text_image
Diagram showing hands holding a mechanical component with labeled parts 2 and 4
text_image
1 2 Fig. 13Fig. 13
text_image
Technical diagram showing three-step car tire assembly procedure with labeled parts and motion arrowstext_image
Technical diagram of a cleaning or cleaning machine with labeled parts including a main blade, side-mounted cleaning unit, and curved track assembly.OPERAÇÕES QUE DEVEM SER EFETUADAS TODAS AS SEMANAS
text_image
Technical diagram of a vehicle's internal components with numbered labels 1 and 2 indicating parts of the engine or chassis.
text_image
Technical diagram of a mechanical device with labeled parts 3 and 4, showing internal components and wiring.
text_image
5 Fig. 21PROBLEMAS - CAUSAS - SOLUÇÕES
EasyManual