Winner 38E - Scheuersaugmaschine Ghibli - Kostenlose Bedienungsanleitung
Finden Sie kostenlos die Bedienungsanleitung des Geräts Winner 38E Ghibli als PDF.
| Eigenschaften | Details |
|---|---|
| Gerätetyp | Hochdruckreiniger |
| Maximaler Druck | 140 bar |
| Wasserdurchfluss | 450 Liter/Stunde |
| Stromversorgung | 230 V |
| Gewicht | 15 kg |
| Abmessungen | 40 x 35 x 90 cm |
| Inklusive Zubehör | Hochdruckschlauch, Lanze, verstellbare Düse |
| Empfohlene Verwendung | Reinigung von Außenflächen, Fahrzeugen, Terrassen |
| Wartung | Regelmäßig den Wasserzulauffilter überprüfen, Lanze reinigen |
| Sicherheit | Automatische Abschaltung, Überhitzungsschutz |
| Garantie | 2 Jahre |
Häufig gestellte Fragen - Winner 38E Ghibli
Laden Sie die Anleitung für Ihr Scheuersaugmaschine kostenlos im PDF-Format! Finden Sie Ihr Handbuch Winner 38E - Ghibli und nehmen Sie Ihr elektronisches Gerät wieder in die Hand. Auf dieser Seite sind alle Dokumente veröffentlicht, die für die Verwendung Ihres Geräts notwendig sind. Winner 38E von der Marke Ghibli.
BEDIENUNGSANLEITUNG Winner 38E Ghibli
Die Kenndaten der Maschine findet man auf dem Datenschild (1) an der Führungssäule. Es ist ratsam das Maschinenmodel und die dazugehörige Matrikelnummer in unten stehende Tabelle einzutragen.
ES
DE Deutsch ...... DE -1 (Übersetzung der Originalanleitung)
Sehr verehrter Kunde,
Wir bedanken uns bei Ihnen dafür, dass Sie eines unserer Produkte zur Reinigung Ihrer Räume gekauft haben.
Der von Ihnen erworbene Wasch-Trockenfußbodenreiniger wurde für eine unkomplizierte Handhabung und für eine lange Lebensdauer entwickelt.
Uns ist bewusst, dass ein gutes Produkt, um im Laufe der Zeit gut zu bleiben, ständig verbessert werden muss, um die jene zufrieden zu stellen, die tagtäglich mit ihm umgehen. Daher wünschen wir uns, dass Sie nicht nur ein zufriedener Kunde sind, sondern auch ein Partner, der sich nicht davor scheut, uns seine Meinungen und seine jeden Tag mit dem Gerät gemachten Erfahrungen mitteilt.
Inhaltsangabe
1.1 Einleitung ......DE-4
1.1.a Ziel des Handbuchs......DE-4
1.1.b Gebrauch des Handbuchs......DE-4
1.1.c Erklärung der im Handbuch verwendeten Symbole ......DE-4
1.1.d Begriffsverwendungen ....DE-4
1.2 Allgemeine Hinweisev ......DE-4
1.2.a Bildungsstand des Personals ......DE-4
1.2.b Bedienerstellung......DE-5
1.2.c Unfallverhütungskleidung DE-5
1.2.d Allgemeine Hinweise vor dem Gebrauch DE-5
1.2.e Allgemeine Hinweise während des Gebrauchs DE-5
1.2.f - Allgemeine Hinweise zu den Batterien DE-5
1.2.g Allgemeine Hinweise während der Wartung DE-5
1.2.h Allgemeine Hinweise bei Feuer DE-5
1.2.i Längerer Nichtgebrauch der Maschine DE-6
1.3 Vorgesehener Gebrauch der Maschine ......DE-6
1.4 Nicht Vorgesehener Gebrauch der Maschine ......DE-6
1.4.a Explosionsgefährdete Räume ......DE-6
1.5 Entsorgung der Maschinez DE-6
1.6 Referenzvorschriften ......DE-6
2.1 Entpackung DE-7
2.1.a Maschinenzubehär DE-7
3.1 Zusammenbau der Einzelteile ......DE-7
3.1.a Positionierung der Handstange DE-7
3.1.b Anschließen der Batterie (nur Ausführung BC) ......DE-8
3.1.c Elektroanschluss (nur Ausführung E) ......DE-8
3.1.d Bürsteneinbau DE-9
4.1 Laden der Batterie (nur ausführung bc) ......DE-10
5.1 Maschinenkenntnisse...... DE-11
6.1 Kontroll- und Steuerpult DE-12
7.1 Hebel zum einstellen des winkels der handstange ......DE-13
8.1 Tankauffüllung DE-14
9.1 Arbeitsweise ......DE-15
9.1.a Kontrollen vor Arbeitsbeginn DE-15
9.1.b Vorbereitung der Maschine und Funktionswahl DE-15
9.1.c Gebrauch der Maschine DE-16
9.1.d Nach Gebrauch der Maschine und Ausschalten .....DE-16
9.1.e Betriebsalarme DE-17
9.1.f Betriebsstundenzähler......DE-17
10.1 Entsorgung des Schmutzwassers ......DE-18
11.1 Wartung und Rreinigung ......DE-19
11.1.a Leeren und Reinigen des Frischwassertanks ......DE-19
11.1.b Reinigung des Schmutzwassertanks ......DE-20
11.1.c Reinigung des Wischers......DE-21
11.1.d Reinigung des Frischwasserfilters......DE-22
11.1.e Auswechseln der Bürste......DE-22
11.1.f Auswechseln des Wischergummis DE-23
11.1.g Druckeinstellung der Wischergummis DE-23
11.1.h Auswechselung der Sicherungen (nur Ausführung BC) ......DE-24
Problem - Ursache - Behebung ......DE-25
Elektrische Schaltpläne ......DE-27
Ausführung BC......DE-27
Ausführung E DE-29
Technische Daten
Ausführung BC Ausführung E
Führungstyp...... Bodenreiniger...... Bodenreiniger
Merkmale
Arbeitsweise ....Batterie ....Kabel
Batterietyp N° 2 - 12V - 25Ah - (C5)
Elektrokabeltyp....230 V - 50/60 Hz
Energieversorgung ......Batterie 24V Gel o AGM ......-
Länge Elektrokabel 15 m
Gesamtleistung.... 510 W .... 620 W
Antrieb ......von Hand ......von Hand
Waschfußbreite ....385 mm ....385 mm
Saugfußbreite 450 mm 450 mm
Theoretische Stundenleistung 1100 m³/h 1100 m³/h
Bürsten
Durchmesser / pad / Anzahl ....385 mm / 15" x 1 ....385 mm / 15" x 1
Motorleistung / Anzahl 260 W x 1 370 W x 1
Motorumdrehungsleistung ....130 Drehungen / min. .... 155 Drehungen / min.
Spezifischer Druck....35 gr / cm² ....35 gr / cm²
Antrieb
Max. Schräge bei vollem Gewicht 2% 2%
Ansaugung
Motorleistung 250 W 250 W
Unterdruck (Wassersäule) ....68 / 700 mbar / mmH₂O ....68 / 700 mbar / mmH₂O
Luftmenge....28 l / sek....28 l / sek
Geräuschentwicklung ....65 dB (A) ....65 dB (A)
Tank
Typ......Doppeltank......Doppeltank
Wiederverwendung......Nein ......Nein
Frischwasser 16 l 16 l
Schmutzwasser 22 l 22 l
Bemessungen (lxhxb)....800 x 1100 x 400 mm ....800 x 1100 x 400 mm
Geräuschabstrahlung
Emissionsschalldruckpegel für den Bediener .....Lp (A) 65,9 dB(A) .....Lp (A) 65,9 dB(A)
Assoziierte Unsicherheit .... kpA = 0,75 dB(A) .... kpA = 0,75 dB(A)
Vibrationen
Maximale Vibrationsschwelle zwischen dem
Hand-Arm-System des Menschen (DIN ISO 5349) .....1.61 m/s ^2 .....1.61 m/s ^2
Assoziierte Unsicherheit .... kv = 6.3% .... kv = 6.3%
Gewicht
Leergewicht ....39 kg ....40 kg
Gewicht mit Batterien 61 kg
Gesamtgewicht in vollbeladenem Zustand 77 kg 56 kg
Betriebstemperatur ....-10°C ÷ 40°C ....-10°C ÷ 40°C
1.1 EINLEITUNG
Das vorliegende Hand ist fester Bestandteil der Maschine. Es muss an einem sicheren und für das Bedienpersonal (Anwender und Wartungspersonal) leicht zugänglichen Ort für die gesamte Lebensdauer bis zur Entsorgung aufbewahrt werden.
1.1.a - Ziel des Handbuchs
Das Ziel des Handbuchs ist es, alle benötigten Anweisungen zur Ingangsetzung, zum Gebrauch und Wartung der Maschine zu liefern.
Es ist sorgfältig zu lesen und die im Handbuch beschriebenen Sicherheitsbestimmungen sind strengstens einzuhalten.
Die Nichtbefolgung der Anweisungen/Normen könnte Schäden an der Maschine und am Bediener verursachen, die keinesfalls dem Hersteller angelastet werden können.
Die im Handbuch beschriebenen Sicherheitsanweisungen vervollständigen und ersetzen nicht die geltenden Richtlinien des Landes, in dem die Maschine benutzt wird.
1.1.b - Gebrauch des Handbuchs
Das Handbuch ist in Kapitel gemäß der logischen Ordnung von Maschinenkenntnis- und Anwendung unterteilt. Um eine Suche zu erleichtern, gehen Sie zunächst zur Inhaltsangabe am Anfang des Handbuchs.
1.1.c - Erklärung der im Handbuch verwendeten Symbole
Zu Hervorhebung von Informationen und Verfahren bzgl. Sicherheit, Wartung usw. werden im Handbuch folgende Symbole verwendet:

GEFAHR:
Warnt vor einer ernsten, auch tödlichen Gefahr für die körperliche Unversehrtheit des Bediener und/oder Dritter.

HINWEIS:
Informationen von besonderer Bedeutung zur Vermeidung von schweren Schäden an der Maschine und in deren Umfeld.

BEMERKUNG:
Zusätzliche Informationen für eine korrekte Arbeitsweise der Maschine oder sonstige Anmerkungen.
1.1.d - Begriffsverwendungen
Die Angaben vorne, hinten, vorwärts, rückwärts, obere, untere, links und rechts beziehen sich auf die Arbeitsposition des Bedieners mit den Händen an der Führungssäule.
Zu Vereinfachung ist der Handelsname des Modells mit dem Wort "Maschine" ersetzt worden.
Die Maschine kann in zwei Ausführungen geliefert werden:
- BC: Batterieausführung
- E: Elektrokabelausführung
1.2 ALLGEMEINE HINWEISEV
Or Ingangsetzung, Gebrauch und Wartung der Maschine muss das Personal (Verantwortliche und Bediener) über die in diesem Handbuch vorgetragenen Verfahrensweise und Sicherheitsbestimmungen geschult werden. Beachten Sie alle in diesem Handbuch und in eventuell beilegten Dokumentationen enthaltenen Vorschriften.

GEFAHR:
Der Gebrauch der Maschine ist nicht eingewiesenen Personen, Kindern oder Behinderten untersagt.
1.2.a - Bildungsstand des Personals
Bediener
Unter Bediener wird ein Person verstanden, die in der Lage ist, einfache Lenk- und Reinigungsaufgaben am Ende der Arbeitsschicht vorzunehmen.
Wartungsarbeiter Elektrik/Mechanik
Qualifizierter Techniker, der Reparaturarbeiten oder Auswechselungen von Teilen vornehmen kann, bei denen das Schutzgehäuse abgenommen werden muss.
1.2.b - Bedienerstellung
Der Bediener steht während des Arbeitsvorganges vor der Maschine mit den Händen auf der Führungssäule.
1.2.c - Unfallverhütungskleidung
- Benutzen Sie Unfallverhütungskleidung, so, wie im Land, in dem die Maschine zum Einsatz kommt vorgeschrieben.
1.2.d - Allgemeine Hinweise vor dem Gebrauch
- Kontrollieren Sie vor dem Gebrauch der Maschine, dass die festen Schutzvorrichtungen (Gehäuse) immer fest in ihren Sitzen eingerastet sind.
1.2.e - Allgemeine Hinweise während des Gebrauchs
- Erzeugt die Maschine merkwürdige Geräusche, halten Sie sie sofort an und stellen Sie die Ursachen fest.
- Verlassen Sie NIE die Maschine bei schrägen Oberflächen von über 2%
- Vermeiden Sie es, während des Gebrauchs an Regale oder Schränke zu stoßen.
- Die Anwendung der Maschine im Freien oder auf öffentlichen Straßen ist verboten.
- Benutzen Sie die Maschine in Räumlichkeiten, in denen sich wenn möglich keine Personen aufhalten, und bei Anwesenheit von fremden Personen sind diese angehalten, den Raum vor Anwendung der Maschine zu verlassen.
- Verwenden Sie die Maschine nicht in Räumlichkeiten mit ätzenden oder salzigen Substanzen.
- Verwenden Sie die Maschine nicht in explosiven Räumlichkeiten (ATEX).
- Der Einsatz von Adaptern, Mehrfachsteckdosen und/oder Verlängerungen ist nicht zu empfehlen.
- Wenn das Versorgungskabel dieses Gerätes beschädigt ist, darf es ausschließlich durch eine vom Hersteller autorisierte Kundendienststelle ausgetauscht werden.
nur für die Versionen "E"
- Während des Maschinenbetriebs darauf achten, dass das Speisekabel nicht in die Nähe der Bürste kommt. Das Kabel könnte sich in der Bürste verfangen.
1.2.f - Allgemeine Hinweise zu den Batterien
- Tragen Sie passende persönliche Schutzkleidung, um Kontakt mit der Haut zu vermeiden (siehe geltende Richtlinien des Landes, in dem die Maschine zur Anwendung kommt)
- Keinen Dampf einatmen: er ist gefährlich.
- Während des Ladevorgangs, im Bereich des Ladevorgangs und während des Abkühlungsprozesses nach dem Ladevorgang ist es verboten, im Umkreis von 2m zu rauchen und/oder offene Flammen zu entzünden.
- Melden Sie eventuelle Austritte von Flüssigkeiten aus der Batterie: sie sind gefährlich und hoch schädlich.
- Nur versiegelte Batterien Typ GEL oder AGM verwenden.
- Die Batterien dürfen nur von qualifiziertem fachpersonal ausgewechselt werden.
1.2.g - Allgemeine Hinweise während der Wartung
- Klemmen Sie die Batterie / das Elektrokabel vor Ausführung der Wartungs- oder Reparaturarbeiten immer ab.
- Legen Sie keine Werkzeuge oder metallische Gegenstände auf die Batterie, es besteht Gefahr eines Kurzschlusses.
- Benutzen Sie zur Reinigung und zur Spülung keine aggressiven, säure- oder laugenhaltigen oder Reinigungsmittel und achten Sie besonders auf die elektrischen Bauteile.
- Reinigen Sie die Maschine nicht mit direktem Wasserstrahl oder Druckstrahl.
- Muss die Maschine für eventuelle Wartungsarbeiten angehoben werden, so ist in Sicherheit zu arbeiten, indem unter sie feste Stützen geschoben werden.
- Wenden Sie sich bei Reparaturarbeiten an einen autorisierten Kundendienst und benuzen Sie nur ORIGINALERSATZTEILE.
1.2.h - Allgemeine Hinweise bei Feuer
- Bei Feuer benutzen Sie nur geprüfte Feuerlöscher, benutzen Sie NIEMALS Wasser zum Löschen.
1.2.i - Längerer Nichtgebrauch der Maschine
- Bringen Sie die Maschine in einen vor Witterungseinflüssen geschützten Ort mit einer Temperatur von 5°C bis +40°C.
- Entfernen Sie den Zündschlüssel
- Entleeren Sie das Frischwasser aus dem Tank.
- Laden Sie die Batterien auf und nach Aufladung klemmen Sie sie von der Maschine ab.
- Führen Sie den Ladevorgang einmal im Monat durch.
1.3. VORGESEHENER GE-BRAUCH DER MASCHINE
Die Maschine wurde entwickelt und gebaut zu Waschung und Trocknung von Fußböden in überdachten Räumen.

GEFAHR:
Jede andere Verwendung entbindet den Hersteller von der Haftung für Schäden an Personen und/oder Sachen und lässt jegliche Garantiebedingung erlöschen.
1.4 - NICHT VORGESEHENER GEBRAUCH DER MASCHINE

HINWEIS:
Die Maschine ist nicht für den Gebrauch im Freien bestimmt.

GEFAHR:
- waschen von Büden mit Wasser von über 50°C;
- Gebrauch von Diesel/Benzinen oder ätzenden Mittel zum Waschen von Böden;
- waschen und einatmen ätzender, entflambarer, explosiver Flüssigkeiten, auch wenn verdünnt.
1.4.a - Explosionsgefährdete Räume
Es ist absolut untersagt, die Maschine in Räumen zu benutzen, in denen Explosionsgefahr besteht und in denen entflammbare und explosive Gase, Dämpfe, Flüssigkeiten und Pulver vorkommen.
1.5. ENTSORGUNG DER MASCHINEZ
um Schutz der Umwelt gehen Sie so vor, wie die geltenden Regeln des Landes es bestimmen. Ist die Maschine nicht mehr gebrauchstüchtig und nicht mehr zu reparieren, entsorgen Sie ihre Bauteile nach der Regel der Mülltrennung.

Elektrische Bauteile dürfen nicht wie normaler Hausmüll entsorgt werden, sondern erfordern die Entsorgung in speziellen Sammelstellen für Elektroschrott (Gesetz Nr. 151 vom
25.07.05 - 2002/96/EG - 2003/108/EG).
Die Elektrobauteile sind mit einem Symbol einer durchgekreuzten Mülltonne mit Rädern gekennzeichnet. Das Symbol zeigt an, dass das Gerät vor dem 13. August 2005 auf den Markt kam und dass es getrennt entsorgt werden muss.
Die unsachgemäße oder missbräuchliche Abfallbeseitigung von Bauteilen oder ihre sachfremde Anwendung kann durch ihre Substanzen und Materialien Schäden an Personen und Sachen hervorrufen. Die Beseitigung von Elektromüll auf nicht gesetzesgemäße Art ist Gegenstand von Verwaltungssanktionen und Haftstrafen.
1.6. REFERENZVORSCHRIFTEN
Die Maschine wurde in Konformität mit der geltenden Maschinenrichtlinie und den in der "CE-Konformitätserklärung" angegeben Vorschriften konstruiert.
2.1 ENTPACKUNG (Abb. 1)
Ist das Verpackungsmaterial einmal beseitigt, so, wie wie auf dem Verpackungsmaterial selbst gezeigt, überprüfen Sie, dass die Maschine und ihr Zubehör vollständig ist.
Werden eindeutig Schäden festgestellt, so informieren Sie innerhalb von 3 Tagen den zuständigen Gebietsvertreiber und das Transportunternehmen.
- Entfernen Sie die Hülle (1) mit den Zubehörteilen und die Kartonschachtel (2) mit der Bürste.
2.1.a - Maschinenzubehär (Abb. 2)
Folgende Zubehörteile sind enthalten:
1) Wasserfüllschlauch
2) Gebrauch- und Wartungshandbuch der Maschine.
3) Anleitungshandbuch zum Batterieladegerät.
4) Filter für Tankstutzen Frischwasser.
5) Sicherung 30A.
6) Bürste.
3.1 ZUSAMMENBAU DER EINZELTEILE
3.1.a - Positionierung der Handstan- ge (Abb. 3)
- Die Blockierung der Handstange (1) durch das Ziehen des Hebels (2) aufheben und sie bis zur gewünschten Position heben.

text_image
2 1 Abb. 1[Non-Text]

3.1.b - Anschließen der Batterie (nur Ausführung BC) (Abb. 4)
- Die Schrauben (3) lösen, mit denen der Tank (4) an der Halterung des Lenkers angebracht ist.
- Entfernen des Schmutzwasser tanks (4) und einstecken der Anschlüsse (5) und (6) der Batterien
- Wiederaufsetzen des Schmutzwasser tanks (4).
3.1.c - Elektroanschluss (nur Ausführung E)
- Verbinden Sie das Stromversorgungskabel der Maschine mit einem Netzschalter mit 10A Mindestleistung.

HINWEIS:
- Vergewissern Sie sich, dass die Elektroanlage mit einem Fehlerstromschutzschalter (Typ Schutzleiter) ausgestattet ist.
- Wickeln Sie komplett das elektrische Versorgungskabel ab, bevor Sie die Maschine in Bewegung setzen.
- Benutzen Sie nur ein Verlängerungskabel in perfektem Zustand; stellen Sie sicher, dass der Durchschnitt des Kabels der Gerätestärke angemessen ist
- Lassen Sie nie das Versorgungskabel über schneidende Kanten laufen und vermeiden Sie Quetschungen des Kabels.

3.1.d - Bürsteneinbau (Abb. 5)
- Legen Sie die Bürste (1) auf den Boden.
- Heben Sie die Maschine vorne an, benutzen Sie hierzu die Führungssäule als Hebel (2) und entfernen Sie das Styropor (3).
- Positionieren Sie die Flansch (4) über die Bürste (1).
- Den Knopf (5) drücken, welcher daraufhin aufleuchtet, dann die Hebel (6) drücken, wobei sich die Bürste zu drehen beginnt, bis Sie den „KLICK“ beim Einrasten der Bürste hören, daraufhin die Hebel (6) loslassen und zum Ausschalten den Knopf (5) drücken.

ACHTUNG:
Ausschließlich vom Hersteller für das entsprechende Modell freigegebene Bürsten verwenden.
Die Verwendung von ungeeigneten Bürsten kann die Maschinensicherheit beeinträchtigen.

4.1 LADEN DER BATTERIE (Abb. 6) (NUR AUSFÜHRUNG BC)

GEFAHR:
Führen Sie den Ladevorgang der Batterien in gut durchlüfteten Räumen und gemäß den Ländernormen des Einsatzes der Maschine durch.
Für Informationen über die Sicherheit sehen Sie nach, was hierzu im Kapitel 1 des vorliegenden Handbuchs geschrieben steht.

HINWEIS:
Für Informationen und Hinweise zur Batterie und zum Batterieladegerät sehen Sie in den dem vorliegenden Handbuch beigelegten Dokumentationen zur Batterie und zum Ladegerät nach.
- Bringen Sie die Maschine in die Nähe einer Netzsteckdose.
- Das Kabel (2) abrollen und den Stecker anschließen.

HINWEIS:
Kontrollieren Sie, ob die Netzspannung der des Ladegeräts entspricht.
- Die Batterie aufladen, bis die Leuchtanzeige (4) "grün" wird, danach ziehen Sie das Versorgungskabel (2) ab und rollen es wieder an der Halterung auf.

BEMERKUNG:
Für eine vollständige Aufladung der Batterien benötigt man 10 Stunden. Vermeiden Sie unvollständige Ladezeiten.

HINWEIS:
- Vergewissern Sie sich, dass die Elektroanlage mit einem Fehlerstromschutzschalter (Typ Schutzleiter) ausgestattet ist.
- Das Stromkabel immer vollständig ausrollen bevor es an die Steckdose angeschlossen wird.
- Benutzen Sie nur ein Verlängerungskabel in perfektem Zustand; stellen Sie sicher, dass der Durchschnitt des Kabels der Gerätestärke angemessen ist
- Lassen Sie nie das Versorgungskabel über schneidende Kanten laufen und vermeiden Sie Quetschungen des Kabels.
- Die Steckdose muss leicht zugänglich sein.

1) Führungssäule.
2) Schaltpult.
3) Bedienhebel Bodenwischer.
4) Hebel zur Aktivierung der Drehung der Bürsten und/oder zur Wasserabgabe.
5) Hebel zur Drehung der Handstange.
6) Schmutzwasser tank.
7) Deckel Schmutzwasser tank
8) Versorgungskabel (nur Ausführung E).
9) Frischwassertank.
10) Entleerung Frischwasser.
11) Räder.
12) Rotierflansch Bürste.
13) Bürste.
14) Bodenwischer.
15) Entleerschlauch Schmutzwasser.
16) Ansaugschlauch Bodenwischerwasser.
17) Batterieladegerät (nur Ausführung BC).
18) Batterieladeanzeige (nur Ausführung BC).
19) Wasserregulierhahn.
20) Wasserfilter.
6.1 KONTROLL- UND STEUERPULT (Abb. 8)
1) Leds zur Anzeige des Batterielade-stands (nur bei der BC-Version)
Es leuchtet auf wenn der Knopf (3) gedrückt wird und zeigt den Status der Batterie an.
- Wenn das Led (1c) aufleuchtet, so bedeutet das, dass der Energiestatus der Batterie auf dem Maximalstand ist.
- Wenn das Led (1b) aufleuchtet, bedeutet das, dass der Energiestatus der Batterie ungefähr bei der Hälfte liegt.
- Wenn das Led (1a) (rotes Led) aufleuchtet, bedeutet das, dass der Energiestatus der Batterie auf dem Minimalstand ist.
Wenn die Batterie leer ist (rotes Led (1a) leuchtet auf), schaltet sich die Maschine aus oder nicht ein und das Led „R“ des Batterieladegeräts blinkt für einige Sekunden auf; die Batterie muss wieder aufgeladen werden.
2) Knopf zum Anstellen der Saugfunktion
Beim Drücken des Knopfes (2) leuchtet dieser auf und die Saugfunktion wird aktiviert.
Der Betrieb der Saugfunktion wird durch Drücken des Knopfes (3) aktiviert.
3) Knopf zum Anstellen der Rotation der Bürste
Beim Drücken des Knopfes (3) leuchtet dieser auf, dem Kreis wird Strom zugeführt und die Rotation der Bürste wird aktiviert.
Das Anstellen der Bürste wird durch Drücken der Hebel (5) gesteuert.
4) Knopf zur Wasserabgabe.
Beim Drücken des Knopfes (4) leuchtet dieser auf und ermöglicht die Abgabe des Wassers zur Reinigung des Bodens.
Die Wasserabgabe wird außer durch Drücken des Schalters (3) auch durch Drücken der Hebel (5) aktiviert.
5) Hebel für die Rotation der Bürste und / oder die Wasserabgabe
Beim durchgehenden Drücken der Hebel (5), wird die Rotation der Bürste aktiviert und, falls eingestellt, auch die Wasserabgabe.

text_image
1c 1b 1a 2 3 5 4 5 1 R A5kg. 87.1 HEBEL ZUM EINSTELLEN DES WINKELS DER HANDSTANGE (Abb. 9)
- Durch Ziehen des Hebels (1) ist es möglich, die Position der Handstange (2) zu ändern;
Sobald der Hebel losgelassen wird, blockiert die Handstange in der nächstliegenden vorgegebenen Position.

BEMERKUNG:
Wenn die Handstange (2) in vertikaler Position festgestellt wird, ist eine genauere Reinigung der Ecken möglich, in dem man die Maschine um sich selbst drehen lässt.

text_image
1 2 Abb. 98.1 TANKAUFFÜLLUNG (Abb. 10)

HINWEIS:
Füllen Sie in den Tank nur sauberes Wasser aus der Leitung mit einer Temperatur nicht über 50°C ein.
- Ziehen Sie den mitgelieferten Schlauch (1) heraus, verbinden Sie das eine Ende (1a) mit dem Wasserhahn und das andere Ende (1b) führen Sie in den Tank (2) ein
- Öffnen Sie den Wasserhahn und füllen Sie den Tank (2)
- Geben das flüssige Reinigungsmittel in den Tank hinzu.

BEMERKUNG:
Verwenden Sie nur nicht schäumende Reinigungsmittel, für die Menge sehen Sie in den Angaben des Reinigungsmittelherstellers und der Art des zu beseitigenden Schmutzes.

GEFAHR:
Sollte das Reinigungsmittel in die Augen oder auf die Haut gelangen oder verschluckt werden befolgen Sie die Angaben auf dem Sicherheitsdatenblatt und die Anleitungen des Reinigungsmittel-Herstellers;
- Ist der Tank aufgefüllt haben Sie folgende Möglichkeiten:
Führen Sie den Schlauch (1) komplett in den Tank (2) ein, wobei das Schlauchanschlussstück (1a) als Verschluss dient, oder entfernen Sie den Schlauch ganz und setzen Sie in die Tanköffnung (2) den mitgelieferten Filter (3) ein.

text_image
1a 1b 2 1a 1 2 3 2 Abb. 109.1 ARBEITSWEISE (Abb. 11-12)
9.1.a - Kontrollen vor Arbeitsbeginn
- Kontrollieren Sie die korrekte Anbringung und den Verschluss des Ablassschlauchs (1) des Tanks.
- Kontrollieren Sie, dass der Wasseransaugschlauch des Bodenwischers (2) richtig in den Schmutzwasser tank eingeführt ist.
- Kontrollieren Sie, dass das Anschlussstück (3) auf dem Bodenwischer (13) nicht verstopft und dass der Schlauch korrekt verbunden ist.
- Kontrollieren Sie den Ladestand der Batterien; drücken Sie den Schalter (4), um die Led-Anzeige (5) zu kontrollieren (nur bei der BC-Version).
9.1.b - Vorbereitung der Maschine und Funktionswahl
- Beim Drücken des Knopfes (4) leuchtet dieser auf.
- Ziehen Sie den Hebel (6) und lassen Sie ihn daraufhin los, so wird der Bodenwischer auf den Boden gesenkt.
Arbeitsdurchgang:
- Die Maschine kann 4 Arbeitsdurchgänge ausführen:
Nur Trocknen:
- Um allein den Trockendurchgang auszuführen, drücken Sie den Schaltknopf (7). Der Ansauger fährt an.
Nur Kehren:
- Um nur den Bürstenzyklus zu aktivieren, die Hebel (8) drücken; beim Loslassen der Hebel (8) wird die Bürste gestoppt.
Wasch- Kehrdurchgang:
- Den Knopf (9) drücken, um die Wasserabgabe zu ermöglichen, dann die Hebel (8) drücken, um den Zyklus zu aktivieren.
Wasch- Kehr- und Trockendurchgang:
- Den Knopf (7) drücken, um die Saugfunktion zu aktivieren, den Knopf (9) um die Wasserabgabe zuzulassen und dann die Hebel (8) um den Zyklus zu aktivieren.

9.1.c - Gebrauch der Maschine
- Nachdem Sie die Maschine angeschaltet und den Zyklus gewählt haben, können Sie die Reinigung beginnen, indem Sie die Hebel (8) drücken und diese gedrückt halten um die Drehung der Bürste und die Wasserabgabe zu aktivieren; daraufhin die Maschine mit den Handgriffen (10), die auf der Handstange (11) befestigt sind, schieben.

BEMERKUNG:
Beim Loslassen der Hebel (8) wird die Drehung der Bürste und die Wasserabgabe gestoppt.

BEMERKUNG:
Um zu vermeiden, dass der Fußboden beschädigt wird, lassen Sie die Maschine nicht mit laufender Bürste stehen.

BEMERKUNG:
Eine korrekte Reinigung und Trocknung des Bodens erhält man, indem die Maschine nach vorne gefahren wird. Beim Zurückziehen der Maschine werden nicht nur die Abstreifer beschädigt, sondern auch das Wasser auf dem Boden wird nicht ordentlich abgesaugt.
- Regulieren Sie eventuell die Wassermenge über den Hahn (12).
- Kontrollieren sie den Energiestatus der Batterien mit Hilfe der Anzeige (5) ( Nur bei der BC - Version).
9.1.d - Nach Gebrauch der Maschine und Ausschalten
- Nach Beendigung der Reinigungsarbeiten, bevor Sie das Gerät ausschalten, lassen Sie die Hebel (8) los, um die Drehung der Bürste und die Wasserabgabe zu stoppen. Drücken Sie den Knopf (9) um mit dem Sauger die sich auf dem Fußboden befindende Flüssigkeit aufzunehmen; schalten Sie daraufhin den Sauger ab, indem Sie den Knopf (7) drücken.
- Den Bodenwischer (13) anheben, indem Sie den Hebel (6) ziehen und daraufhin loslassen; der Hebel bleibt in der höheren Position und hebt somit den Bodenwischer an.

text_image
5 7 4 9
Heben Sie am Ende der Reinigungsarbeiten immer den Wischer an, sodass sich die Gummiabstreifer nicht verformen.
- Zum Ausschalten den Knopf (4) drücken.
- Den Stecker des Stromkabels aus der Steckdose ziehen (nur Ausführung E).
9.1.e - Betriebsalarme (Abb. 12/a)
- Während des Betriebs der Maschine können verschiedene Alarme gesetzt und durch die entsprechenden Leuchtdioden angezeigt werden:
Störung Überstrom am Ansaugerausgang
LED 1 blinkt und LED 2 leuchtet.
Störung Überstrom Bürstenausgang
LED 1 blinkt und LED 3 leuchtet.
Störung Stromkreis offen am Ansaugerausgang
LED 1 blinkt und LED 4 leuchtet.
Störung Stromkreis offen am Bürsten- ausgang
LED 1 blinkt und LED 5 leuchtet.

text_image
5 4 3 2 1 Abb. 12/a
ANMERKUNG:
Wenn eine beliebige der oben genannten Störungen angezeigt wird, die Maschine aus- und wieder einschalten, um den normalen Betrieb herzustellen.
9.1.f - Betriebsstundenzähler (Abb. 12/a)
Die Maschine kann die Betriebsstunden auf folgende Weise anzeigen:
- Um den Betriebsstundenzähler einzuschalten, die Maschine einschalten, während die Taste (6) "Bürstengruppe" gedrückt wird.

ANMERKUNG:
Der Zähler kann bis maximal 9.999 Stunden anzeigen.
Anzeige in Stunden:
- LED 1 leuchtet einmal auf und LED 5 blinkt so oft, wie Stunden gezählt wurden.
Anzeige in Zehner-Stunden:
- LED 1 leuchtet einmal auf und LED 4 blinkt so oft, wie zehn Stunden gezählt wurden.
Anzeige in Hunderter-Stunden:
- LED 1 leuchtet einmal auf und LED 3 blinkt so oft, wie hundert Stunden gezählt wurden.
Anzeige in Tausender-Stunden
- LED 1 leuchtet einmal auf und LED 2 blinkt so oft, wie tausend Stunden gezählt wurden.
10.1 ENTSORGUNG DES SCHMUTZWASSERS (Abb. 13)
Nach dem Arbeitsdurchgang oder wenn der Schmutzwassertank (1) voll ist, muss er auf folgende Art geleert werden:

BEMERKUNG:
Zur Entsorgung des Schmutzwassers halten Sie sich an die Regeln des Landes, in dem die Maschine eingesetzt wird.
- Stellen Sie sich mit der Maschine in die Nähe eines Abflusses.
- Den Schlauch (2) vom Träger (3) entfernen.
- Entfernen Sie den Stopfen (4) vom Schlauch (2) und entleeren Sie vollständig das Wasser im Tank.

text_image
1 2 3 2 2 4 1 2 Abb. 1311.1 WARTUNG UND REINIGUNG

HINWEIS:
Für Informationen und Hinweise zu Wartungs- oder Reinigungsmaßnahmen sehen Sie unter dem Abschnitt „Allgemeine Hinweise während der Wartung“ im Kapitel 1 des vorliegenden Handbuchs nach.
TÄGLICH AUSZUFÜHREN- DE MASSNAHMEN
11.1.a - Leeren und Reinigen des Frischwassertanks (Abb. 14)

HINWEIS:
Am Ende der Reinigungsarbeiten muss der Frischwassertank entleert und und gesäubert werden, um Ablagerungen und Verkrustungen zu vermeiden.
Nach der Entleerung des Schmutzwassertanks, entleeren Sie den Frischwassertank auf folgende Weise
- Stellen Sie sich mit der Maschine in die Nähe eines Abflusses.
- Drehen Sie den Entleerstutzen nach außen (1).
- Drücken Sie den Halsring (2) nach innen und ziehen Sie gleichzeitig den Stopfen (3) heraus und lassen Sie das Wasser vollständig ablaufen.
- Waschen Sie das Innere des Tanks, bei offenem Stopfen und lassen Sie durch die hintere Öffnung Frischwasser ein.
- Am Ende des Reinigungsvorgangs, setzen Sie den Stopfen (3) wieder durch Druck nach innen ein.

11.1.b - Reinigung des Schmutzwassertanks (Abb. 15)

HINWEIS:
Am Ende der Reinigungsarbeiten muss der Schmutzwassertank gesäubert werden, um zu vermeiden, dass sich Ablagerungen und Krusten bilden und zur Vermeidung von Bakterien, Gerüche und Schimmelpilzen.
- Entleeren Sie das Schmutzwasser wie im entsprechenden Abschnitt erklärt, indem Sie sich mit der Maschine in die Nähe eines Abflusses begeben.
- Entfernen Sie den Deckel (1) und reinigen unter fließendem Wasser das Deckelinnere und den Sicherheitsschwimmer (2) des Ansaugers.
- Lassen Sie den Schlauch (3) nach unten gehalten und ohne Deckel und füllen Wasser über die obere Öffnung (4) zur Säuberung des Tankes solange Wasser ein, bis aus dem Entleerungsschlauch sauberes Wasser austritt.
- Bauen Sie alles in umgekehrter Reihenfolge wieder ein.

11.1.c - Reinigung des Wischers (Abb. 16)
Um den Wischer (1) richtig zu reinigen muss er folgendermaßen entfernt werden:
- die Wischergruppe herausziehen (1).
- Den Schlauch (2) vom Wischer (1) abziehen.
- Die Drehknöpfe (3) lockern und den Wischer (1) entfernen.
- Den Wischer und besonders die die Gummis (4) säubern ebenso wie das Innere des Ansauganschlusses (5).

BEMERKUNG:
Sollten Sie während der Reinigung feststellen, dass die Gummis (4) defekt oder abgenutzt sind, wechseln Sie sie aus oder drehen Sie sie um.
- Bauen Sie alles wieder in umgekehrter Reihenfolge ein.

WÖCHENTLICH DURCHZUFÜHRENDE MASSNAHMEN
11.1.d - Reinigung des Frischwasserfilters (Abb. 17)
- Drehen Sie den durchsichtigen Deckel (1) des Filters ab und entfernen Sie den Filter (2).
- Reinigen Sie den Filter (2) unter fließendem Wasser, sollte er verstopft sein, so wechseln Sie ihn aus.
- Bauen Sie alles wieder in umgekehrter Reihenfolge ein.
BEI BEDARF DURCHZUFÜHRENDE MASSNAHMEN
11.1.e - Auswechseln der Bürste (Abb. 18)
Eine Auswechselung der Bürste wird notwendig, wenn die Borsten durch Abnutzung kürzer wie 2cm geworden sind oder auch wenn in Abhängigkeit des zu reinigenden Fußbodens. Zum Auswechseln gehen Sie wie folgt vor:
- Das Stromkabel einstecken (nur bei der E-Version).
- Heben Sie leicht die Maschine vorne hoch, bedienen Sie sich hierzu der Führungssäule als Hebel.
- Drücken Sie den Knopf (3), um die Rotation der Bürste zu aktivieren, daraufhin die Hebel (4) drücken und wieder loslassen; die Bürste klinkt sich aus.
- Die Bürste ersetzen und das Ansatzstück des Bürstenhalters (6) auf die Bürste (5) legen und die Hebel (4) drücken, bis Sie den „KLICK“ hören, mit dem die Bürste auf dem Ansatzstück des Bürstenhalters einrastet.
- Zum Ausschalten den Knopf (3) drücken.

text_image
2 1 Abb. 17
11.1.f - Auswechseln des Wischer- gummis (Abb. 19)
Wenn Sie bemerken, dass die Trocknung des Bodens schwierig wird oder dass auf dem Boden einige Wasserspuren bleiben, wird es nötig sein, den Verschleißgrad der Wischergummis (1) zu kontrollieren. :
- Entfernen Sie die Wischergruppe (1) wie im Abschnitt „Reinigung des Wischers“ beschrieben.
- Schrauben Sie die Flügelmuttern (2) auf und entfernen Sie die Gummis (3).

BEMERKUNG:
Wenn die Gummis (3) nur auf einer Seite abgenutzt sind, können Sie gedreht werden.
- Ersetzen oder drehen Sie die Gummis (3) um, ohne sie miteinander zu vertauschen
- Bauen Sie alles wieder in umgekehrter Reihenfolge ein.

BEMERKUNG:
Es können zwei Gummitypen verwendet werden: Paragummis für alle Arten von Böden oder in Polyurethan für mechanische Werkstätten mit Ölverschmutzungen.
11.1.g - Druckeinstellung der Wischergummis (Abb. 20)
- Den Bodenwischer mit dem entsprechenden Hebel herunterlassen.
- Den Ansauger einschalten und einige Meter weit fahren; den Ansauger wieder ausschalten und die Maschine anhalten.
- Den Druck kontrollieren, den die Wischer- gummis (1) auf dem Boden hinterlassen:
Abb. A = zu starker Druck
Abb. B = zu hoch
Abb. C = korrekte Einstellung.
- Den Bodenwischer von der Maschine abschrauben.
- Zur Einstellung die Schraube (2) des Rades (3) lösen und das Rad senkrecht in der Nut verschieben: durch Anheben des Rades wird der Druck erhöht, durch Absenken vermindert.

text_image
1 2 3 Erisb.199
11.1.h - Auswechselung der Sicherungen (nur Ausführung BC) (Abb. 21)

HINWEIS:
Ersetzen Sie die durchgebrannten Schmelzsicherungen mit einer gleicher Amperezahl.
- Die beiden Schrauben (1) des äußeren Gehäuses (2) lösen und das Gehäuse abnehmen.
- Die beiden Schrauben (3) des Deckels (4) der elektronischen Steuerkarte lösen und den Deckel abnehmen.
Sicherung (5) Grün 30A
Allgemeiner Maschinenschutz.
- Den Deckel (4) und das Gehäuse (2) wieder anbringen und dabei in umgekehrter Reihenfolge vorgehen.

PROBLEM - URSACHE - BEHEBUNG
| PROBLEM URS | ACHE | BEHEBUNG |
| Bei Drehen des Schlüssels schaltet sich die Maschine nicht ein | Batterie leer (nur Ausführung BC).Stecker nicht angeschlossen ( nur Ausführung E).Hauptsicherung durchgebrannt ( nur Ausführung BC). | Ladezustand der Batterien überprüfen.Stecker einsteckenGRÜNE Hauptsicherung von 30A auswechseln. |
| Bürste dreht sich nicht. Störung | Überstrom Bürstenausgang oder Stromkreis Bürsten offenSchaltknopf zum Einschalten der Bürstenrotation nicht gedrückt. | Siehe Abschnitt “Betriebsalarme”Schaltknopf drücken. |
| Ansauger funktioniert nicht. | Störung Überstrom am Ansaugerausgang oder Stromkreis Ansauger offenSchaltknopf zum Einschalten der Ansaugers nicht gedrückt. | Siehe Abschnitt “Betriebsalarme”Schaltknopf drücken. |
| Die Maschine trocknet nicht gut und hinterlässt auf dem Boden Wasserspuren. | Ansauger ausgeschaltetAnsaugschlauchverstopft.Wischergummis nicht richtig eingestelltSchmutzwassertank voll.Wischergummis verschlissen | Ansauger einschaltenDen Ansaugschlauch, der den Wischer mit dem Schmutzwassertank verbindet, kontrollieren und eventuell reinigen.Die Wischergummis einstellen, wie im Abschnitt “Einstellen des Wischers” beschrieben.Dn Schmutzwassertank leeren.Die Wischergummis umdrehen oder ersetzen. |
| PROBLEM URSACHE | BEHEBUNG | |
| Wasser tritt nicht aus Tank leer. | Schaltknopf des Elektroventils nicht gedrückt. | Tank auffüllen.Schaltknopf drücken. |
| Wasserhahn zu. | Öffnen des Hahns an der Unterseite der Maschine. | |
| Filter verstopft. | Filter reinigen. | |
| Elektroventil funktioniert nicht | Technischen Kundendienst anrufen | |
| Bodenreinigung ist unzureichend. | Falsche Bürsten oder Reinigungsmittel. | Benutzen Sie dem Boden oder dem Grad der Verschmutzung angepasste Bürsten und Reinigungsmittel. |
| Bürste verbraucht. | Bürste ersetzen. | |
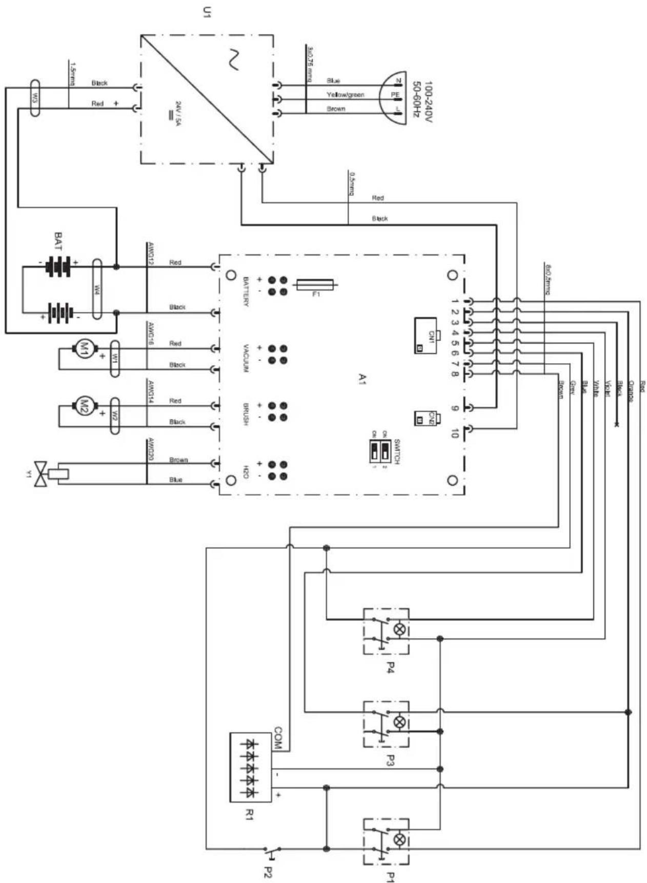
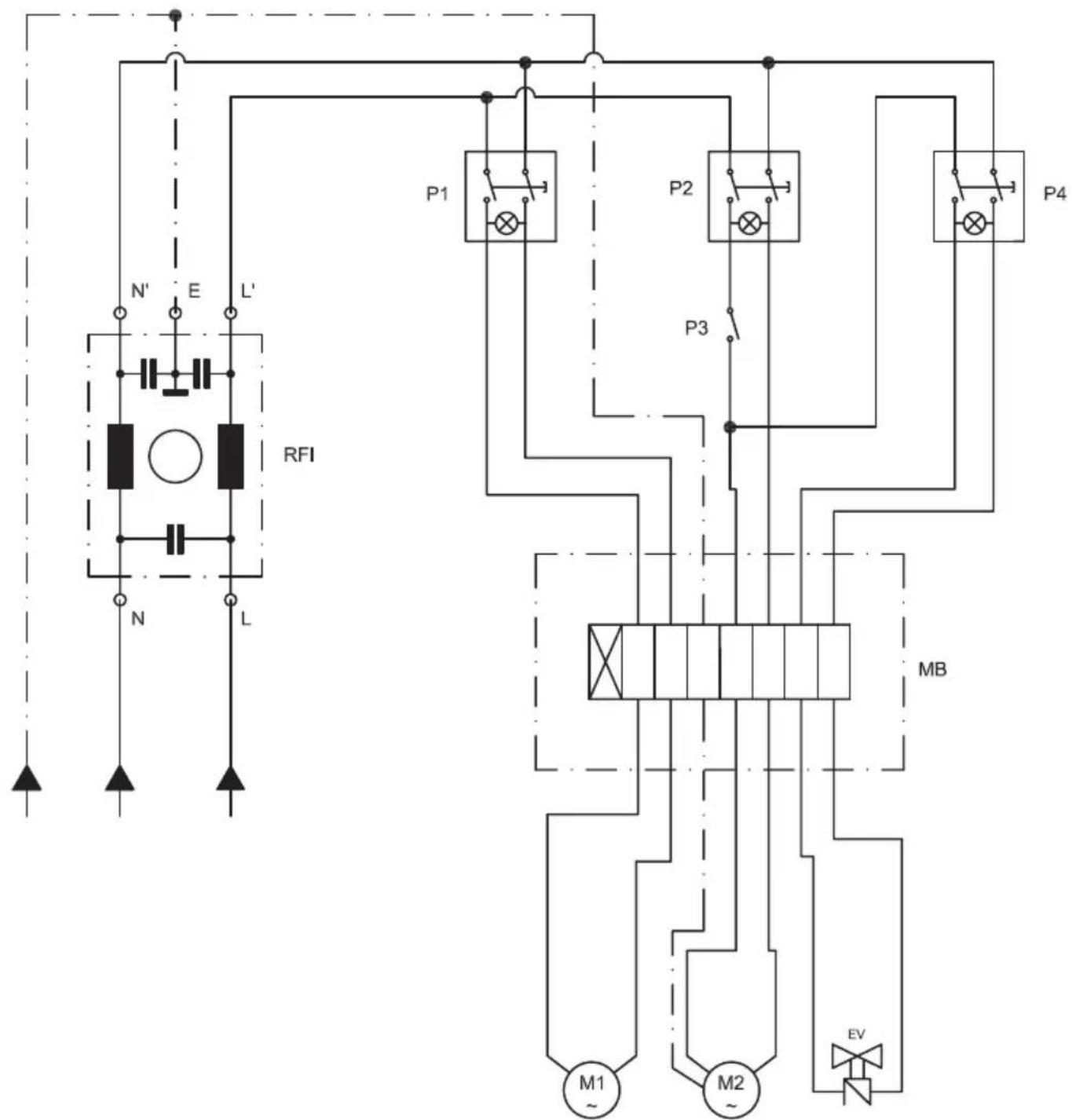
ELEKTRISCHE SCHALTPLÄNE
Ausführung BC

text_image
U1 3.0/25 mm Blue Yellowgreen PE 100-240V 50-60Hz 2N/15A Red Blue Brown 0.5mm Red Black BAT W4 AWG12 Red Black BATTERY F1 M1 W1 AWG16 Red Black VACUUM BRUSH H2C M2 W2 AWG14 Red Black AWG20 Brown Blue A1 1 2 3 4 5 6 7 8 9 10 CN1 SWITCH CN2 Green Blue White Block Rout P4 P3 COM R1 P2 P1A1 ......Elektronische Schaltkarte
BAT ......Batterie 2x 12V
U1 ......Batterieladegerät 5A
Y1 ......Elektroventil
F1 ......Schmelzsicherung 30A (allgemein)
M1 ......Ansaugmotor
M2 ......Bürstenmotor
P1 ......On/Off Schalter
P2 Bürstentaste
P3 ......Ansaugschalter
P4 ...... Elektroventilschalter
R1 Leeranzeiger
CN1 ....Lenkerstecker
CN2 ......Batterieladestecker
Red ..... Rot
Orange Orange
Black ....Schwarz
Violet ...... Violett
White .....Weiß
Blue .... Blau
Grey Grau
Brown ....Braun
Yellow Gelb
Green Grün
Ausführung E

flowchart
graph TD
A["RF1"] --> B["N"]
A --> C["L"]
A --> D["E"]
A --> E["N'"]
F["M1"] --> G["M2"]
H["M2"] --> I["EV"]
J["P1"] --> K["P2"]
K --> L["P3"]
L --> M["P4"]
N["MB"] --> O["P1"]
N --> P["P2"]
N --> Q["P3"]
style A fill:#f9f,stroke:#333
style F fill:#ccf,stroke:#333
style J fill:#cfc,stroke:#333
style N fill:#fcc,stroke:#333
style O fill:#ffc,stroke:#333
style P fill:#fcc,stroke:#333
style Q fill:#fcc,stroke:#333
EV ......Elektroventil
M1....Ansaugmotor
M2 ......Bürstenmotor
MB ....Klemmenleiste
P1 ......Ansaugschalter
P2 Bürstenschalter
P3 Schaltknopf Bürste
P4 ...... Elektroventilschalter
RFI Netzentstörfilter
Apreciado cliente,
EinfachAnleitung