S1 45M55 - Lavasciuga Ghibli - Manuale utente e istruzioni gratuiti
Trova gratuitamente il manuale del dispositivo S1 45M55 Ghibli in formato PDF.
Domande frequenti - S1 45M55 Ghibli
Questions des utilisateurs sur S1 45M55 Ghibli
0 question sur cet appareil. Repondez a celles que vous connaissez ou posez la votre.
Poser une nouvelle question sur cet appareil
Scarica le istruzioni per il tuo Lavasciuga in formato PDF gratuitamente! Trova il tuo manuale S1 45M55 - Ghibli e riprendi in mano il tuo dispositivo elettronico. In questa pagina sono pubblicati tutti i documenti necessari per l'utilizzo del tuo dispositivo. S1 45M55 del marchio Ghibli.
MANUALE UTENTE S1 45M55 Ghibli
I dati identificativi e la marcatura “CE” della macchina sono posizionati sulla targhetta (1) posta sotto il pannellino comandi.
Si consiglia di trascrivere il modello della macchina e il relativo numero di matricola nella tabella riportata nella pagina seguente.
EN
IDENTIFICATION DATA
Caratteristiche elettriche
Caratteristiche tecniche
(Istruzioni originali)
EN
La ringraziamo per aver scelto un nostro prodotto per la pulizia dei suoi ambienti.
La lavasciuga pavimenti da lei acquistata è stata progettata per soddisfare l'utilizzatore in termini di semplicità di utilizzo e affidabilità nel tempo.
Noi siamo coscienti che un buon prodotto per restare tale, nel tempo, necessita di continui aggiornamenti mirati a soddisfare le aspettative di chi, quotidianamente, ne fa uso. In tal senso, noi ci auguriamo di avere in lei non solo un cliente soddisfatto ma anche un partner che non esita a trasmetterci opinioni e idee derivanti dalla personale quotidiana esperienza.
Indice
Dati tecnici....1-3
1.1 Introduzione ...... I-5
1.1.a Scopo del manuale .....I-5
1.1.b Consultazione del manuale....I-5
1.1.c Legenda simbologia presente nel manuale....I-5
1.1.d Terminologia convenzionale....I-5
1.2 Avvertenze generali....I-5
1.2.a Qualifica del personale .....I-5
1.2.b Posizione operatore .....I-5
1.2.c Abbigliamento antinfortunistico....I-6
1.2.d Avvertenze generali prima dell'uso .....I-6
1.2.e Avvertenze generali durante l'uso della macchina .....I-6
1.2.f Avvertenze generali sulle batterie .....I-6
1.2.g Avvertenze generali durante la manutenzione .....I-6
1.2.h Avvertenze generali in caso di incendio .....I-6
1.2.i Fermo prolungato della macchina....I-6
1.3 Uso previsto della macchina ..... I-7
1.4 Uso non previsto della macchina....I-7
1.4.a Zone con rischio di esplosione....I-7
1.5 Demolizione della macchina....I-7
1.6 Normative di riferimento....I-7
2.1 Disimballo....I-8
2.1.a Dotazione macchina .....I-8
3.1 Assemblaggio componenti....I-9
3.1.a Posizionamento maniglione .....I-9
3.1.b Montaggio coperchio serbatoio .....I-9
3.1.c Installazione e collegamento batterie....I-10
4.1 Carica della batteria.... I-11
4.1.a Carica della batteria tramite caricabatterie di bordo (se presente) ..... I-11
4.1.b Carica della batteria tramite caricabatterie esterno .....I-12
5.1 Conoscenza della macchina....I-13
6.1 Pannello di controllo e comando....I-14
7.1 Riempimento serbatoio....I-16
8.1 Funzionamento I-17
8.1.a Controlli prima dell'uso .....I-17
8.1.b Preparazione macchina e scelta ciclo....I-18
8.1.c Uso della macchina....I-19
8.1.d Fine uso e spegnimento......I-19
8.1.e Allarme massimo livello acqua di recupero....I-20
8.1.f Altezza sonde .....I-20
8.1.g Lista allarmi (solo per modelli con trazione integrata)......I-21
9.1 Scarico acqua di recupero....I-23
10.1 Manutenzione e pulizia....I-24
10.1.a Svuotamento e pulizia serbatoio acqua pulita .....I-24
10.1.b Pulizia serbatoio acqua di recupero....I-25
10.1.c Pulizia tergitore .....I-26
10.1.d Pulizia filtro acqua pulita....I-26
10.1.e Sostituzione spazzola .....I-27
10.1.f Sostituzione gomme tergitore .....I-28
10.1.g Sostituzione fusibili .....I-29
10.1.h Configurazione caricabatterie e strumento digitale....I-30
Problemi - Cause - Rimedi....I-32
Schemi elettrici....I-34
Dati tecnici
| 45M45 45M | 55 45D55 45D60 | |||
| Tipo di guida Operatore a terra | ||||
| Caratteristiche | ||||
| Alimentazione Batteria 24V | ||||
| Potenza installata 1080 W 1230 W | 1430 W | |||
| Avanzamento Manuale Elettrica avanti indietro | ||||
| Larghezza pista lavaggio 440 mm | 550 mm 600 mm | |||
| Larghezza di aspirazione 750 mm | 850 mm | |||
| Resa oraria teorica 1550 m | ^2/h | 1900 m^2/h | 2750 m^2/h | 3000 m^2/h |
| Spazzole | ||||
| Diametro / pad / numero 440 mm | 16" x 1 | 550 mm / 20" x 1 | 310 mm / 12" x 2 | |
| Potenza motore / numero | 500 W x 1 | 350 W x 2 | ||
| Velocità motore | 170 giri/min. | 190 giri/min. | ||
| Pressione specifica | 30 gr / cm^2 | 25 gr / cm^2 | 50 gr / cm^2 | |
| Trazione | ||||
| Potenza motore | -- 150 W | |||
| Velocità avanzamento massima | -- | 5,0 Km/h | ||
| Pendenza massima superabile a pieno carico | 2 % | |||
| Aspirazione | ||||
| Potenza motore | 570 W | |||
| Depressione | 130 / 1350 mbar/ mmH_2O | |||
| Portata d'aria | 32 l / sec | |||
| Rumorosità | 67 dB (A) | |||
| Serbatoio | ||||
| Tipologia | “Tank in tank” | |||
| Riciclo | No | |||
| Capacità soluzione | 65 l | |||
| Capacità recupero | 45 l | |||
| Dimensioni 1130 x | 520 x 970 mm | 1170 x 540 x 970 mm | 1100 x 610 x 970 mm | |
| Rumorosità 66 dB (A) 63,9 dB (A) | 66 dB (A) | |||
| Vibrazioni ISO 5349 0,93 m/s | 2 | 1,17 m/s^2 | 1,23 m/s^2 | |
| Peso | ||||
| Peso a vuoto 90 kg 94 kg 96 kg 98 kg | ||||
| Peso con batterie 143 kg 147 kg 176 kg 178 kg | ||||
| Peso ordine marcia GVW | 208 kg 212 kg 241 kg 243 kg | |||
| Accessori | ||||
| Spazzola PPL ø 0,7 | 40.0002.00 | 40.0003.00 | 40.0001.00(x2) | |
| Paraspruzzi spazzola | 39.0022.00 | 39.0023.00 | ||
| Gomma tergitore anteriore | 39.0007.00 | 39.0002.00 | ||
| Gomma tergitore posteriore | 39.0008.00 | 39.0001.00 | ||
| Accessori a richiesta | ||||
| Spazzola PPL strong ø 0,9 | 40.0102.00 | 40.0103.00 | 40.0101.00(x2) | |
| Spazzola PPL strong ø 1,2 | 40.0302.00 | 40.0303.00 | 40.0301.00(x2) | |
| Spazzola tynex ø 1,2 grit 80 | 40.0202.00 | 40.0203.00 | 40.0201.00(x2) | |
| Trascinatore | 40.1002.00 | 40.1003.00 | 40.1001.00(x2) | |
| Gomma tergitore anteriore antiolio | 39.0037.00 | 39.0033.00 | ||
| Gomma tergitore posteriore antiolio | 39.0050.00 | 39.0039.00 | ||
| Set n° 2 batterie GEL | 18.0000.00 - 2x 12V - 79Ah(C20) | 18.0001.00 - 2x 12V - 120Ah(C20) | ||
| Gruppo caricabatterie | 22.0032.00 - 230V 50-60Hz / 24V 12A | |||
| Gruppo caricabatterie U.S.A. | 22.0077.00 - 115V 50-60Hz / 24V 12A | |||
Batterie:
Si consiglia l'uso di batterie a gel.
- Macchine con trazione: Batterie a gel, tipo GF 12 - 105 V / 120 Ah (C20).
• Macchine senza trazione: Batterie a gel, tipo GF 12 - 79 V / 79 Ah (C20).
1.1 INTRODUZIONE
Il presente manuale costituisce parte integrante della macchina stessa; deve essere pertanto conservato con cura in un luogo sicuro accessibile a tutti gli utilizzatori (operatori e personale addetto alla manutenzione) per tutta la vita della macchina fino alla demolizione.
1.1.a - Scopo del manuale
Lo scopo del manuale è di fornire le istruzioni necessarie per la messa in servizio, l'uso e la manutenzione della macchina alla quale è allegato.
Si raccomanda una attenta lettura delle istruzioni e una scrupolosa osservanza delle norme di sicurezza descritte nel manuale.
La mancata osservanza di tali istruzioni/norme potrebbe causare danni alla macchina e all'operatore e in nessun caso potranno essere imputati al costruttore.
Le indicazioni di sicurezza descritte nel manuale integrano e NON SOSTITUISCONO le norme in vigore nel paese di utilizzo della macchina.
1.1.b - Consultazione del manuale
Il manuale è suddiviso in capitoli secondo un ordine logico di conoscenza ed impiego della macchina.
Per facilitare la ricerca, consultare prima l'INDICE riportato all'inizio del manuale.
1.1.c - Legenda simbologia presente nel manuale
Per evidenziare informazioni e procedure relative alla sicurezza, manutenzione, ecc., nel manuale sono stati adottati i seguenti simboli:

PERICOLO:
Avverte di un serio pericolo, anche mortale, per l'incolumità dell'operatore e/o terze persone.

AVVERTENZA:
Informazioni di estrema importanza atte ad evitare seri danni alla macchina e all'ambiente in cui opera.

NOTA:
Informazioni aggiuntive per il corretto funzionamento della macchina o di carattere generale.
1.1.d - Terminologia convenzionale
Le indicazioni anteriore, posteriore, avanti indietro superiore, inferiore sinistro e destro sono riferite con l'operatore in posizione di lavoro con le mani sul maniglione di guida.
Per semplificare, il nome commerciale del modello è stato sostituito con “Macchina”.
1.2 AVVERTENZE GENERALI
Prima della messa in servizio, l'uso e la manutenzione della macchina è necessario che gli addetti (responsabili e operatori) siano istruiti sulle procedure operative e norme di sicurezza riportate nel presente manuale.
Rispettare tutte le prescrizioni contenute nel manuale e nella eventuale documentazione allegata.

PERICOLO:
È vietato l'uso della macchina a personale non addestrato, bambini e portatori di handicap.
1.2.a - Qualifica del personale
Operatore
Per operatore si intende un personale generico in grado di svolgere le semplici operazioni di conduzione della macchina e le relative operazioni di pulizia a fine turno di lavoro.
Manutentore elettrico/meccanico
Tecnico qualificato a operare sulla macchina per eseguire operazioni di riparazione o sostituzione di parti che necessitano la rimozione dei carter di protezione.
1.2.b - Posizione operatore
L'operatore, durante l'uso della macchina è posizionato nella parte posteriore della stessa con le mani sul maniglione.
1.2.c - Abbigliamento atinfortunistico
- Utilizzare abbigliamento antinfortunistico come indicato dalle norme in vigore nel paese di utilizzo della macchina.
1.2.d - Avvertenze generali prima dell'uso
- Controllare, prima dell'uso della macchina, che le protezioni di sicurezza fisse (carter) siano sempre nella loro sede correttamente fissate.
1.2.e - Avvertenze generali durante l'uso della macchina
- Se la macchina emette rumori strani arrestar- la immediatamente e individuare la causa.
- NON abbandonare la macchina su superfici inclinate superiori al 2%.
- Durante l'uso della macchina evitare di urtare scaffalature o armadi.
- È vietato utilizzare la macchina all'aperto e su strade pubbliche.
- Utilizzare la macchina, se possibile, in ambienti liberi da persone; in presenza di persone estranee avvisare le stesse di allontanarsi prima di utilizzare la macchina.
- Non utilizzare la macchina in ambienti con presenza di sostanze corrosive o salmastre.
- Non utilizzare la macchina in ambienti esplosivi (ATEX).
1.2.f - Avvertenze generali sulle batterie
- L'acido della batteria è corrosivo: in caso di contatto con la pelle sciacquare abbondantemente con acqua.
- Indossare adeguati mezzi di protezione individuale per evitare il contatto con la pelle (vedi norme in vigore nel paese di utilizzo della macchina).
- Non inalare il vapore: è pericoloso.
- Caricando la batteria si potrebbero formare miscele di gas esplosive, pertanto i locali in cui la batteria è caricata devono essere ben ventilati e conformi alle norme specifiche in materia.
- E' vietato fumare e/o utilizzare fiamme libere nel raggio di 2 metri dalla batteria
durante la carica, nell'area di ricarica, e durante il raffreddamento della stessa dopo la ricarica.
- Segnalare eventuali perdite di liquido della batteria:
Sono pericolose ed altamente inquinanti.
1.2.g - Avvertenze generali durante la manutenzione
- Scollegare le batterie, prima di effettuare operazioni di manutenzione o di riparazione.
- Non appoggiare utensili ed oggetti metallici sopra le batterie; pericolo di cortocircuiti.
- Nelle operazioni di pulizia e di lavaggio non usare detergenti aggressivi, acidi, liscivie, ecc. e prestare particolare attenzione alle parti elettriche.
- Non lavare la macchina con getti di acqua diretti o a pressione.
- Quando si deve sollevare la macchina per eventuali operazioni di manutenzione è necessario lavorare in sicurezza mettendo sotto la stessa dei sostegni fissi.
- Rivolgersi a un centro di assistenza autorizzato per le operazioni di riparazione e richiedere solamente ricambi ORIGINALI.
1.2.h - Avvertenze generali in caso di incendio
- In caso di incendio utilizzare solo estin- tori a polvere omologati; NON utilizzare acqua per spegnere l'incendio.
1.2.i - Fermo prolungato della macchina
- Riporre la macchina al coperto al riparo degli agenti atmosferici in un luogo dove la temperatura sia compresa tra 5°C e +40°C.
- Rimuovere la chiave di avviamento.
- Scaricare l'acqua pulita contenuta nel serbatoio.
- Eseguire la ricarica delle batterie e una volta cariche scollegarle dalla stessa.
- Una volta al mese effettuare la ricarica delle batterie.
1.3. USO PREVISTO DELLA MACCHINA
La macchina è stata progettata e costruita solamente per il lavaggio e asciugatura di pavimenti al coperto.

PERICOLO:
Qualsiasi altro utilizzo solleva il costrutto-re da responsabilità per danni a persone e/o cose e fa decadere qualsiasi condizio ne di garanzia.
1.4 - USO NON PREVISTO DELLA MACCHINA

AVVERTENZA:
La macchina non è destinata a funzionare all'aperto.

PERICOLO:
- non lavare pavimenti con acqua superiore a 50°C;
- non utilizzare gasolio/benzine o detergenti corrosivi per il lavaggio di pavimenti;
- non lavare e aspirare liquidi corrosivi, infiammabili, esplosivi anche se diluiti.
1.4.a - Zone con rischio di esplosione
È assolutamente vietato utilizzare la macchina in ambienti con rischio di esplosione dove sono presenti gas, vapori, liquidi e polveri infiammabili ed esplosive.
1.5. DEMOLIZIONE DELLA MACCHINA
Per la salvaguardia dell'ambiente, procedere secondo la normativa locale vigente.
Quando l'apparecchio non è più utilizzabile né riparabile, procedere allo smaltimento d ferenziato dei componenti.

L'apparecchiatura elettrica non può essere smaltita come un rifiuto urbano, ma è necessario rispettare la raccolta separata introdotta dalla disciplina speciale per lo smaltimento dei rifiuti derivati da apparecchiature elettriche (dlg n 151 del 25/7/05 - 2002/96/CE - 2003/108/CE).
Le apparecchiature elettriche sono contrassegnate da un simbolo recante un contenitore di spazzatura su ruote barrato. Il simbolo indica che l'apparecchiatura è stata immessa sul mercato dopo il 13 agosto 2005 e che deve essere oggetto di raccolta separata.
Lo smaltimento inadeguato o abusivo delle apparecchiature oppure un uso improprio delle stesse, in considerazione delle sostanze e dei materiali contenuti può causare danni alle persone e all'ambiente. Lo smaltimento dei rifiuti elettrici che non rispetti le norme vigenti comporta l'applicazione di sanzioni amministrative e penali.
1.6. NORMATIVE DI RIFERIMENTO
La macchina è stata costruita in conformità alla direttiva macchine in vigore e in conformità alle norme indicate nella dichiarazione "CE" di conformità fornita con la macchina.
2.1 DISIMBALLO (Fig. 1)
Una volta rimosso l'imballo come indicato nelle istruzioni riportate sull'imballo stesso, controllare l'integrità della macchina e di tutti i componenti in dotazione.
Se si riscontrano danni evidenti contattare il concessionario di zona e il trasportatore entro 3 giorni dal ricevimento.
- Rimuovere la busta (1) contenente gli accessori.
- Tagliare la reggia (2).
- Rimuovere il coperchio (3) serbatoio acqua di recupero.
- Rimuovere i blocchi (4) e (5) in legno.
- Sollevare la spazzola (6) premendo sul pedale (7) (vedi relativo paragrafo).
- Sollevare il tergitore (8) sollevando la maniglia (9) (vedi relativo paragrafo).
- Posizionare uno scivolo e scaricare la macchina dal bancale.
2.1.a - Dotazione macchina (Fig. 2)
Gli accessori in dotazione sono i seguenti:
1) Tubo flessibile carico acqua.
2) Manuale d'uso e manutenzione della macchina.
3) Manuale istruzioni caricabatterie (se presente).
4) Spazzola/e.
5) Cavo di alimentazione caricabatteria (se presente).
6) Fusibile 7,5A - Fusibile 30A - Fusibile 40A.

3.1.a - Posizionamento maniglione (Fig. 3)
- Allentare i volantini (1).
- Posizionare il maniglione (2) all'altezza voluta quindi avvitare i volantini (1).

text_image
1 2 1 Fig. 33.1.b - Montaggio coperchio serbatoio (Fig. 4)
- Montare il coperchio (1) come indicato in figura inserendo le cave del coperchio sui perni del supporto (2) maniglione.
- Esercitare una pressione sulla cerniera del coperchio (1) fino ad agganciarlo correttamente.

text_image
1 2 Fig. 43.1.c - Installazione e collegamento batterie (Fig. 5)

AVVERTENZA:
Controllare che il serbatoio di recupero e il serbatoio acqua pulita siano vuoti.
- Scollegare la spina (1).
- Togliere la copiglia (2) e sollevare i ser- batoi (3), tramite la maniglia (4) completo ribaltamento.
- Posizionare le batterie (5) come indicato in figura e collegarle come indicato nello schema di Fig. 5 utilizzando i cavi in dotazione.
- Avvitare i morsetti (6) utilizzando una chiave isolata.
- Abbassare i serbatoi (3) e riposizionare la copiglia (2).
- Collegare la spina (1).

NOTA:
La connessione delle batterie deve essere eseguita da personale specializzato.

text_image
1 fino al 3 4 2 6 S S= Senso di marcia Fig. 5
text_image
3 6 5 S=
Effettuare la carica delle batterie in locali ben areati e conformi alle norme vigenti nel paese di utilizzo.
Per le informazioni relative alla sicurezza attenersi a quanto descritto nel capitolo 1 del presente manuale.

AVVERTENZA:
Per le informazioni e le avvertenze relative alla batteria e al caricabatteria di bordo (se presente) attenersi a quanto indicato nel manuale del caricabatteria allegato al presente.

AVVERTENZA:
La macchina esce dalla fabbrica tarata per il funzionamento con batterie a gel. Se si dovessero installare della batterie ad acido è necessario rivolgersi al Centro di Assistenza per effettuare una nuova taratura. E' vietato utilizzare la macchina con batterie a gel con taratura per batterie ad acido.

NOTA:
Per altre informazioni sulle tarature fare riferimento alle infomazioni presenti al paragrafo 10.1.h.

NOTA:
Per la ricarica completa delle batterie sono necessarie 10 ore. Evitare ricariche parziali.
4.1.a - Carica della batteria tramite caricabatterie di bordo (se presente) (Fig. 6)
- Portarsi con la macchina nei pressi di una presa di corrente elettrica di rete.
- Staccare la spina (1) delle batterie dalla presa (2) dell'impianto.
- Collegare la spina (1) delle batterie alla presa (3) del caricabatterie di bordo (4).
- Prelevare dall'apposito aggancio il cavo (5) e collegarlo alla presa (6) presente nella macchina, quindi collegare l'altra estremità alla presa di corrente di rete.

Controllare che la tensione di rete sia compatibile con la tensione di funzionamento del caricabatteria (230 Vac per mercato Europeo; 115 Vac per mercato Americano; 50/60 Hz).
- Lasciare in carica le batterie fino all'illuminazione del led (7) "Verde", quindi staccare il cavo (5) di alimentazione e riporlo.
- Ricollegare la spina (1) delle batterie alla presa (2) dell'impianto.
4.1.b - Carica della batteria tramite caricabatterie esterno (Fig. 7)
- Portarsi con la macchina nei pressi della stazione di carica delle batterie.
- Staccare la spina (1) delle batterie dalla presa (2) dell'impianto.
- Collegare la spina (1) delle batterie alla presa (3) del caricabatterie esterno.
- Alla fine della ricarica delle batterie ricollegare la spina (1) delle batterie alla presa (2) dell'impianto.

text_image
1 2 3 Fig. 75.1 CONOSCENZA DELLA MACCHINA (Fig. 8)

1) Maniglione di guida.
2) Cruscotto comandi.
3) Leva azionamento tergipavimento.
4) Rubinetto erogazione acqua.
5) Serbatoio.
6) Coperchio serbatoio.
7) Apertura carico acqua pulita.
8) Ruote.
9) Flangia rotazione spazzola.
10) Spazzola.
11) Tergipavimento.
12) Tubo scarico acqua di recupero.
13) Tubo aspirazione acqua tergipavimento.
14) Tubo scarico acqua pulita.
15) Caricabatterie (optional).
16) Filtro acqua.
17) Ruote pivottanti.
18) Pedale salita / discesa spazzola.
19) Pulsante avviamento rotazione spazzole.
20) Leve avviamento trazione e rotazione spazzole.
6.1 PANNELLO DI CONTROLLO E COMANDO (Fig. 9)
1) Interruttore avviamento aspiratore
Il funzionamento dell'interruttore è abilitato dalla chiave (2) in posizione "1".
Premere l'interruttore in posizione "I", si illumina e si avvia il funzionamento dell'aspiratore.
2) Chiave di avviamento
Ruotata in posizione "1" abilita il funzionamento della macchina.
3a) Indicatore ore di funzionamento
Si illumina quando la chiave di avviamento è in posizione "1" e indica le ore di funzionamento della macchina.
3b) Indicatore stato di carica batterie
Si illumina quando la chiave di avviamento è in posizione "1" indicando lo stato di carica della batteria.
- Quando si illuminano i leds di colore verde o il led posizionato nella parte estrema destra dello strumento, indica che lo stato di carica della batteria è massimo.
- Quando si illuminano i leds di colore arancio o i led centrali dello strumento, indica che lo stato di carica della batteria è circa a metà.
- Quando si illumina/no i leds di colore rosso indica che lo stato di carica della batteria è minimo.
i NOTA:
Quando il led o i leds rossi sono illuminati non utilizzare la macchina ma recarsi nella zona di ricarica delle batterie.
4) Interruttore abilitazione rotazione spazzola/e
Il funzionamento dell'interruttore è abilitato dalla chiave (2) in posizione "1". Premere l'interruttore (4), si abilita la rota-
zione della/e spazzola/e; il funzionamento delle stesse è comandato dal pulsante (7) o (8) o dalle leve (9) a seconda del modello, con spazzole in rotazione si illumina il pulsante.
5) Interruttore elettrovalvola acqua
Il funzionamento dell'interruttore è abilitato dalla chiave (2) in posizione "1" e dall'interruttore (4) in posizione "l".
Premere l'interruttore (5), si predispone l'apertura dell'elettrovalvola acqua, il funzionamento della stessa è comandato dal pulsante (7) o (8) o dalle leve (9) a seconda del modello, con elettrovalvola aperta si illumina il pulsante.
La quantità di acqua è regolabile tramite il rubinetto (6).
6) Rubinetto regolazione quantità acqua
- Ruotare il rubinetto (6) in senso antiorario per aumentare la quantità di soluzione, viceversa per diminuirla.
7) Pulsante avviamento rotazione spazzola/e
Premuto con chiave (2) in posizione "1" e interruttore (4) in posizione "I" avvia la rotazione della/e spazzola/e e l'erogazione dell'acqua.
8) Leve avviamento trazione e rotazione spazzola/e
Agendo sulle leve (9) con chiave (2) in posizione "1" e interruttore (4) in posizione "I" avvia la la trazione e la rotazione della/e spazzola/e e l'erogazione dell'acqua.
Spingendo le leve nel senso “A” la macchina si avvia in avanti;
spingendo le leve nel senso "B" la macchina si avvia in retromarcia.

NOTA:
La velocità di trazione è proporzionata all'angolo di movimentazione delle leve.
9) Manopola regolazione velocità massima
Ruotando la manopola verso sinistra si diminuisce la velocità massima, ruotandola verso destra si aumenta.

text_image
1 2 3a 3b 4 6 5 7 1 9 3b 4 5 6 2 3a A B 8 Fig. 97.1 RIEMPIMENTO SERBATOIO (Fig. 10)

AVVERTENZA:
Introdurre nel serbatoio solo acqua pulita di rete con temperatura non superiore a 50°C.
- Prelevare il tubo (1) in dotazione, collegare l'estremità (1a) a un rubinetto e l'estremità (1b) inserirla nel serbatoio (2).
- Aprire il rubinetto e riempire il serbatoio (2).
- Il livello dell'acqua contenuta nel serbatoio è visualizzato dalla pallina rossa posizionata nel tubo trasparente (1).
- Versare nel serbatoio del liquido deter- gente.

NOTA:
Utilizzare solo detergenti non schiumosi, per la quantità attenersi alle istruzioni del produttore del detergente e al tipo di sporco.

PERICOLO:
In caso di contatto del detergente con occhi e pelle o in caso di ingerimento fare riferimento alla scheda di sicurezza e di impiego del produttore del detergente.
- Alla fine del riempimento del serbatoio: introdurre completamente il tubo (1) nel serbatoio (2) dove l'estremità (1a) fa da tappo.

text_image
1 1a 1 1b 2 Fig. 108.1 FUNZIONAMENTO
(Figg. 11-12-13)
8.1.a - Controlli prima dell'uso
- Controllare che il tubo (1) di scarico del serbatoio di recupero sia correttamente agganciato e correttamente tappato.
- Controllare che il raccordo (3) posto sul tergipavimento (4) non sia ostruito e che il tubo sia correttamente collegato.
- Controllare che il tubo (5) di scarico acqua pulita sia correttamente agganciato agli appositi supporti e che sia corretta-mente tappato.
- Controllare lo stato di carica delle batterie; ruotare la chiave (7) in posizione "1", controllando l'indicatore a leds (8).

text_image
1 2 3 4 5 6 7 8 9 Fig. 118.1.b - Preparazione macchina e scelta ciclo
- Ruotare la chiave (7) in posizione "1", si illuminano i led dello strumento (8) indicando lo stato di carica delle batterie ed il display (8a) indicando le ora di funzionamento.
- Sganciare la leva (9) ed abbassarla; il ter- gipavimento (4) scende.
- Premere il pedale (10), sganciarlo dall'apposito aggancio e sollevarlo, la/e spazzola/e (11) si abbassa/no.
Ciclo di lavoro:
- La macchina ha la possibilità di effettuare 4 cicli di lavoro:
Ciclo solo asciugatura:
- Per effettuare solo il ciclo di asciugatura premere l'interruttore (12), si avvia l'aspiratore.
Per i modelli con trazione agire sugli appositi comandi per avviare la trazione.
Ciclo solo spazzolatura:
- Per effettuare solo il ciclo di spazzolatura premere l'intrerruttore (13) per abilitare la rotazione della/e spazzola/e.
Premere i comandi (pulsanti o leve) posizionati sul maniglione per avviare la rotazione della/e spazzola/e (per i modelli con trazione integrata si avvia anche la trazione).
Ciclo lavaggio, spazzolatura:
- Premere l'interruttore (13) per abilitare la rotazione della/e spazzola/e; premere l'interruttore (14) per abilitare l'erogazione dell'acqua.
Ciclo di lavaggio, spazzolatura, asciugatura:
- Premere l'interruttore (12) per avviare l'aspiratore, l'interruttore (13) per abilitare la rotazione della/e spazzola/e e premere l'interruttore (14) per abilitare l'erogazione dell'acqua.
Premere i comandi (pulsanti o leve) posizionati sul maniglione per avviare la rotazione della/e spazzola/e e l'erogazione dell'acqua (per i modelli con trazione integrata si avvia anche la trazione).

8.1.c - Uso della macchina
- Dopo aver avviato la macchina e scelto il tipo di ciclo, iniziare le operazioni di pulizia spingendo la macchina tramite il maniglione (1) o agendo sui comandi (2) (pulsanti o leve) per avviare la trazione (per i modelli dotati).

NOTA:
Per evitare di rovinare il pavimento non utilizzare la macchina ferma con la rotazione della spazzola inserita.

NOTA:
La corretta pulizia e asciugatura del pavimento si effettua procedendo con la macchina in avanti, procedendo con la macchina indietro oltre a rovinare le racle non si ha una corretta aspirazione dell'acqua presente nel pavimento.
- Eventualmente regolare la quantità di acqua di lavaggio tramite il rubinetto (3).
- Controllare lo stato di carica delle batterie tramite l'indicatore (4).
8.1.d - Fine uso e spegnimento
- Alla fine delle operazioni di pulizia prima di spegnere la macchina fermare l'ero-gazione dell'acqua e la rotazione della spazzola agendo sugli interruttori (5) e (6); proseguire con l'aspiratore inserito per aspirare tutto il liquido presente nel pavimento, quindi spegnere l'aspiratore premendo l'interruttore (7).
- Sollevare il tergipavimento (8) sollevando la leva (9) agganciandola nell'apposita clip (10) di fissaggio.
- Sollevare la spazzola premendo il pedale (11) fino a finecorsa agganciandolo nell'apposito incastro.

AVVERTENZA:
Sollevare sempre il tergitore alla fine dei lavori di pulizia in quanto si evita la deformazione delle racle in gomma.
- Ruotare la chiave (12) in posizione "0" per spegnere la macchina.

8.1.e - Allarme massimo livello acqua di recupero (Fig. 14)
Se durante l'uso della macchina l'aspiratore si spegne vuol dire che il livello del liquido presente nel serbatoio di recupero ha raggiunto le sonde (1) di massimo livello poste all'interno del serbatoio stesso.
Recarsi presso la stazione di scarico acqua e scaricare il serbatoio di recupero come indicato nel relativo paragrafo.
8.1.f - Altezza sonde (Fig. 14)
Le sonde (1) sono regolate per un utilizzo della macchina con pendenza del 2%.
Qualora, nell'ambiente di lavoro, vi siano presenti rampe in salita o discesa superiori al 2% si deve regolare l'altezza delle sonde onde evitare danni alla turbina di aspirazione.

AVVERTENZA:
Per la regolazione rivolgersi al Centro di Assistenza Autorizzato.

8.1.g - Lista allarmi (solo per modelli con trazione integrata)
(Fig. 15)
Quando si presenta un malfunzionamento della macchina, sul display (1) lampeggiano delle barre, ognuna delle quali corrisponde ad un preciso allarme, come da elenco sotto riportato.
Consultare l'elenco ed eseguire le procedure consigliate per ripristinare il corretto funzionamento della macchina.
Se i rimendi consigliati non dovessero avere un buon esito, contattare il Servizio di Assistenza Tecnica.
Se invece, le tacche restano fisse, segnalano lo stato di carica della batteria:
- 1 Bar: carica minima;
- 10 Bar: carica massima.

text_image
1 Fig. 15Elenco allarmi:

Le batterie necessitano di ricarica.

Verificare la corretta connessione tra il motore e la scheda elettronica.

Il motore di trazione è in corto circuito.
Contattare l'assistenza tecnica

La carica delle batterie è scesa al di sotto della soglia impostata. La scheda elettronica ha inibito alcune funzioni.
Ricaricare le batterie.

Non usato.

L a scheda elettronica ha disattivato il motore di trazione.
Probabilmente è collegato il caricabatterie.

Allarme acceleratore (leve rosse sul maniglione di guida).
Verificare che sia in posizione centrale all'accensione della macchina.

La scheda elettronica è in allarme.
Verificare i collegamenti.

I I freno magnetico ha un problema.
Verificare i collegamenti del freno e del motore trazione.

Eccessiva tensione applicata alla scheda elettronica.
Verificare i collegamenti.
In aggiunta alle possibilità segnalate fino ad ora, si può presentare il caso in cui tutte e 10 le tacche continuino a scorrere sul display (1): significa che la macchina è stata accesa con acceleratore premuto, rilasciare l'acceleratore.
9.1 SCARICO ACQUA DI RECUPERO
(Fig. 16)
Alla fine del ciclo di lavaggio oppure quando il serbatoio (1) dell'acqua di recupero risulta pieno è necessario svuotarlo agendo come segue:

NOTA:
Per lo smaltimento dell'acqua di recupero attenersi alle norme vigenti nel paese di utilizzo della macchina.
- Posizionarsi con la macchina vicino a una piletta di scarico.
- Staccare il tubo (2) dal supporto.
- Togliere il tappo (3) dal tubo (2) e scaricare completamente l'acqua contenuta nel serbatoio.

NOTA:
E' possibile modulare la quantità di acqua che fuoriesce premendo la parte finale del tubo (2).
- Reinserire il tappo (3) sul tubo (2) e riposizionarlo sul relativo supporto.

10.1 MANUTENZIONE E PULIZIA

AVVERTENZA:
Per le informazioni e le avvertenze relative alle operazioni di manutenzione o pulizia attenersi a quanto indicato nel paragrafo "Avvertenze generali durante la manutenzione" presente nel capitolo 1 del presente manuale.
OPERAZIONI DA EFFETTUARSI OGNI GIORNO
10.1.a - Svuotamento e pulizia serbatoio acqua pulita (Fig. 17)

AVVERTENZA:
Alla fine delle operazioni di lavaggio è obbligatorio scaricare e pulire il serbatoio dell'acqua pulita per evitare depositi o incrostazioni.
Dopo aver scaricato il serbatoio dell'acqua di recupero scaricare il serbatoio dell'acqua pulita agendo come segue:
- Posizionarsi con la macchina su una piletta di scarico.
- Staccare il tubo (1) dagli appositi agganci, abbassarlo a terra sulla piletta di scarico, se chiuso, togliere il tappo (2) e lasciare scaricare completamente l'acqua.
- Sollevare il coperchio (3).
- Lavare l'interno del serbatoio lasciando il tubo di scarico aperto e introducendo acqua pulita dall'apertura superiore.
- Alla fine della pulizia sollevare il tubo (1), chiudere il tappo (2) ad agganciare il tubo negli appositi incastri.

10.1.b - Pulizia serbatoio acqua di recupero (Fig. 18)

AVVERTENZA:
Alla fine delle operazioni di lavaggio è obbligatorio pulire il serbatoio dell'acqua di recupero per evitare depositi o incrostazioni ed il proliferare di batteri, odori, muffe.
- Scaricare l'acqua di recupero come indicato nel relativo paragrafo posizionandosi con la macchina su una piletta di scarico.
- Sollevare il coperchio (1).
- Rimuovere la paratia (2) e lavarla con acqua corrente.
- Lasciando il tubo (3) abbassato e il tappo rimosso, tramite un tubo versare acqua corrente all'interno del serbatoio (4), pulendolo fino a che dal tubo di scarico fuoriesca acqua pulita.
- Pulire con un panno umido le sonde di livello (5) facendo attenzione a non deformarle.
- Rimontare il tutto procedendo in senso inverso.

10.1.c - Pulizia tergitore (Fig. 19)
Per effettuare una corretta pulizia del tergitore (1) è necessario rimuoverlo agendo come segue:
- Staccare il tubo (2) dal tergitore (1).
- Allentare i pomelli (3) e rimuovere il tergitore (1).
- Lavare il tergitore e in particolar modo le gomme (4) e l'interno del raccordo di aspirazione (5).

NOTA:
Se durante il lavaggio si nota che le gomme (4) si presentano rovinate o usurate è necessario sostituirle o girarle.
- Rimontare il tutto procedendo in senso inverso.
OPERAZIONI DA EFFETTUARSI OGNI MESE
10.1.d - Pulizia filtro acqua pulita (Fig. 20)
- Svitare il coperchio trasparente (1) del filtro e rimuovere il filtro (2).
- Pulire il filtro (2) in acqua corrente.
- Rimontare il tutto procedendo in senso inverso.

text_image
Fig. 19
text_image
1 2 Fig. 20OPERAZIONI DA EFFETTUARSI SECONDO NECESSITÀ
10.1.e - Sostituzione spazzola (Fig. 21)
Si rende necessaria la sostituzione della spazzola quando la stessa si presenta usu-rata con lunghezza setole inferiore a 2 cm oppure va sostituita in funzione al tipo di pavimento da lavare; per la sostituzione, agire come segue:
- Sollevare la spazzola agendo sul pedale come indicato nel relativo paragrafo.
- Infilare una mano sotto il gruppo porta-spazzola (1); per sganciare la spazzola ruotarla con un colpo secco nel senso contrario alla rotazione.
- Sostituire la spazzola posizionandola sotto la flangia portaspazzola (1).
- Abbassare la flangia portaspazzola (1) agendo sul pedale come indicato nel relativo paragrafo.
- Ruotare la chiave (2) in posizione "1".
- Premere l'interruttore (3) per abilitare la rotazione della spazzola.
- Agire sui comandi (4) posizionati sul maniglione per avviare la rotazione della spazzola fino a sentire il “click” di aggancio della spazzola sulla flangia (1), quindi fermare la rotazione della spazzola rilasciando i comandi (4).
- Spegnere la macchina ruotando la chiave (2) in posizione "0".

text_image
1 2 3 4 Fig. 2110.1.f - Sostituzione gomme tergitore (Fig. 22)
Quando si nota che l'asciugatura del pavi- mento risulta difficoltàosa o che nel pavimento rimangono alcune tracce di acqua è nece- sario controllare lo stato di usura delle gom- me del tergitore (1):
- Rimuovere il gruppo tergitore (1) come indicato nel paragrafo "Pulizia tergitore".
- Svitare i dadi ad alette (2) e rimuovere le gomme (3).

NOTA:
Quando le gomme (3) sono usurate da un lato, per una volta, possono essere capovolte.
- Sostituire o capovolgere le gomme (3) senza invertirle.
- Rimontare il tutto procedendo in senso inverso.

NOTA:
È possibile avere due tipi di gomme:
Gomme in para per tutti i tipi di pavimento e gomme in poliuretano per pavimenti di officine meccaniche, sporchi di olio.

text_image
Fig. 2210.1.g - Sostituzione fusibili (Fig. 23)

AVVERTENZA:
Sostituire il fusibile bruciato con uno di pari amperaggio.
- Staccare la spina (1) dalla presa (2).
- Togliere il coperchio (3) per accedere ai fusibili.
Fusibile (4) - 7,5A
Protezione quadro comandi.
Fusibile (5) - Verde 30A
Protezione motore rotazione spazzola.
Fusibile (6) - Rosso 40A
Protezione motore aspiratore
- Rimontare il coperchio (3).
- Per la sostituzione del fusibile (7) posto sul polo positivo della batteria procedere nel seguente modo:

AVVERTENZA:
Controllare che il serbatoio di recupero e il serbatoio acqua pulita siano vuoti.
- Scollegare la spina (8).
- Togliere la copiglia (9) e sollevare i serbatoi (10), tramite la maniglia (11) fino al completo ribaltamento.
Fusibile (7) - 75A
Fusibile batteria.

10.1.h - Configurazione caricabatterie e strumento digitale
(Figg. 24-25)

AVVERTENZA:
La macchina esce dalla produzione con una configurazione standard per il funzionamento con batterie a gel tipo "Sonnenschein".
- Rimuovere il carter (1) svitando le viti (2).
Configurazione strumento digitale (solo per modelli senza trazione integrata)
- Sulla parte posteriore dello strumento digitale (3) è presente un selettore (4):
- per batterie ad acido ruotare il seletto- re (4) in posizione "0";
- per batterie a gel ruotare il selettore (4) in posizione "2".

Configurazione standard caricabatterie con batterie a gel tipo Sonnenschein
- Sollevare la mostrina (X) e controllare che gli switches (1 - 2 - 3 - 4) siano posti come in figura (C).
E' possibile modificare la configurazione agendo come segue:
Configurazione caricabatterie per batterie a gel di tipo diverso da Sonnenschein
- Sollevare la mostrina (X) e controllare che gli switches (1 - 2 - 3 - 4) siano posti come in figura (D).
Configurazione caricabatterie per batterie ad acido
- Sollevare la mostrina (X) e controllare che gli switches (1 - 2 - 3 - 4) siano posti come in figura (E).

AVVERTENZA:
Agire solo sugli switches (1 - 2 - 3 - 4); non modificare la posizione degli switches (5 - 6 - 7 - 8).

| PROBLEMA CAU | USA RIMEDIO | |
| Ruotando la chiave la macchina non si avvia. | Batteria scarica.Fusibile generale bruciato. | Controllare lo stato di carica della batteria.Sostituire il fusibile generale da 7,5A. |
| Spazzola non ruota. Fusibile | spazzola bruciato.Interruttore abilitazione rotazione spazzola non pre-muto. | Sostituire il fusibile VERDE motore spazzola da 30A.Premere l'interruttore. |
| Aspiratore non funziona. Fusibile | aspiratore brucia-to.Interruttore aspiratore non premuto.Serbatoio di recupero pie-no. | Sostituire il fusibile ROSSO motore aspiratore da 40A.Premere l'interruttore.Svuotare, lavare e pulire i serbatoio e le sonde. |
| La macchina non asciuga bene lasciando tracce di acqua nel pavimento. | Aspiratore spentoTubo di aspirazione intasa-to.Serbatoio di recupero pie-no.Gomme tergitore usurate. | Avviare l'aspiratoreControllare e eventualmente pulire il tubo di aspirazione che collega il tergitore al serbatoio di recupero.Svuotare il serbatoio di recupero.Capovolgere o sostituire le gomme tergitore. |
| Non fuoriesce acqua. Serbatoio vuoto.Interruttore abilitazione elet-trovalvola non premuto.Rubinetto chiuso.Filtro intasato.Elettrovalvola non funzionante. | Riempire il serbatoio.Premere l'interruttore.Aprire il rubinetto.Pulire il filtro.Chiamare il servizio di assi-stenza tecnica. | |
| PROBLEMA CAU | SA RIMEDIO | |
| Pulizia pavimento insuffi-ciente. | Spazzole o detergente ina-deguati. | Usare spazzole o detergen-ti adatte al tipo di pavimento o di sporco da pulire. |
| Spazzola consumata. | Sostituire la spazzola | |
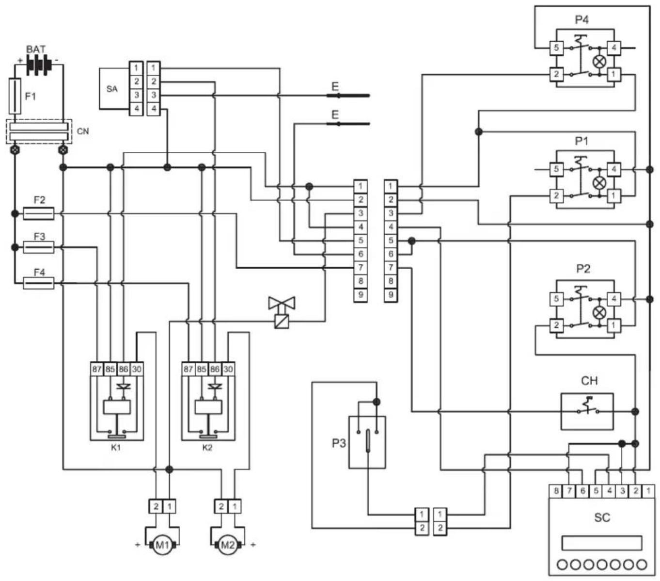
SCHEMI ELETTRICI
Modelli 45M45 - 45M55

flowchart
graph TD
BAT["+BAT"] --> F1["F1"]
F1 --> CN["CN"]
CN --> SA["SA"]
SA --> E["E"]
E --> P4["P4"]
P4 --> 5["5"]
5 --> 4["4"]
5 --> 2["2"]
4 --> 1["1"]
3 --> 2["2"]
3 --> 3["3"]
3 --> 4["4"]
2 --> 1
1 --> P1["P1"]
P1 --> 5["5"]
5 --> 4["4"]
5 --> 2["2"]
4 --> 1
3 --> 2
3 --> 3
3 --> 4
2 --> 1
2 --> 3
2 --> 4
2 --> 5
2 --> 6
2 --> 7
2 --> 8
2 --> 9
F2["F2"] --> CN
F3["F3"] --> CN
F4["F4"] --> CN
K1["K1"] --> K2["K2"]
K2 --> P3["P3"]
P3 --> CH["CH"]
CH --> SC["SC"]
SC --> M1["M1"]
SC --> M2["M2"]
M1 --> +1["+"]
M2 --> +2["+"]
+1 --> M1
+2 --> M2
style M1 fill:#f9f,stroke:#333
style M2 fill:#f9f,stroke:#333
style K1 fill:#ccf,stroke:#333
style K2 fill:#ccf,stroke:#333
style P3 fill:#cfc,stroke:#333
style CH fill:#fcc,stroke:#333
style SC fill:#fff,stroke:#333
BAT ......Batteria 24V
CH....Chiave
CN ......Connettore
E....Elettrodo
F2 Fusibile chiave 7,5A
F3 ...... Fusibile spazzola 30A
F4 ......Fusibile aspiratore 40A
K1 ....Relè spazzola
K2 ....Relè aspiratore
M1....Motore spazzola
M2.... Motore aspiratore
P1 Pulsante spazzola
P2 Pulsante aspiratore
P3 Pulsante start spazzola
P4 Pulsante elettrovalvola
SA....Scheda antischiuma
SC......Indicatore scarica + contaore
Modello 45D55

flowchart
graph TD
subgraph Power Source
A["BAT"] --> B["F4"]
B --> C["CN 13"]
C --> D["F1"]
D --> E["F2"]
E --> F["F3"]
end
subgraph Control Circuit
G["A5"] --> H["CM4"]
H --> I["1"]
I --> J["2"]
J --> K["3"]
K --> L["4"]
L --> M["85"]
M --> N["87"]
N --> O["K2"]
O --> P["30"]
P --> Q["86"]
Q --> R["85"]
end
subgraph Output Circuit
S["CN1"] --> T["CH1A"]
T --> U["1"]
U --> V["2"]
V --> W["3"]
W --> X["4"]
X --> Y["5"]
Y --> Z["6"]
Z --> AA["7"]
AA --> AB["8"]
AB --> AC["9"]
AC --> AD["10"]
AD --> AE["11"]
AE --> AF["12"]
AF --> AG["13"]
AG --> AH["14"]
AH --> AI["15"]
end
subgraph Control Bus
AJ["MT"] --> AK["2 1"]
AL["MA"] --> AM["2 1"]
AN["MS"] --> AO["2 1"]
end
subgraph Output Bus
AP["EV"] --> AQ["CM6"]
AQ --> AR["3"]
AR --> AS["2"]
AS --> AT["1"]
end
style Power Source fill:#f9f,stroke:#333
style Control Circuit fill:#ccf,stroke:#333
AS ....Antischiuma
BAT ......Batteria 24V
CO....Contaore
CN1 ......Connettore 15 PIN
CN2 ......Connettore alla centralina ID
CN3 ......Connettore alla centralina ID
CN4 ..... Connettore alla scheda antischiuma
CN6 ......Al potenziometro PL
CN7 Al manubrio
E Elettrodi
EV ......Elettrovalvola
F1 Fusibile 7,5A
F2 ......Fusibile 30A
F3 Fusibile 40A
F4 Fusibile 75A
K1 ....Relè spazzola
K2 ....Relè aspirazione
ID Centralina I-Drive
IS ....Isolatori
MA ......Motore aspirazione
MS Motorre spazzole
MT ...... Motore trazione
P1 Pulsante spazzole
P2 Pulsante elettrovalvola
P3 Pulsante aspirazione
R1 Potenziometro 4,7K
R2 Acceleratore manubrio
TC ....True charge
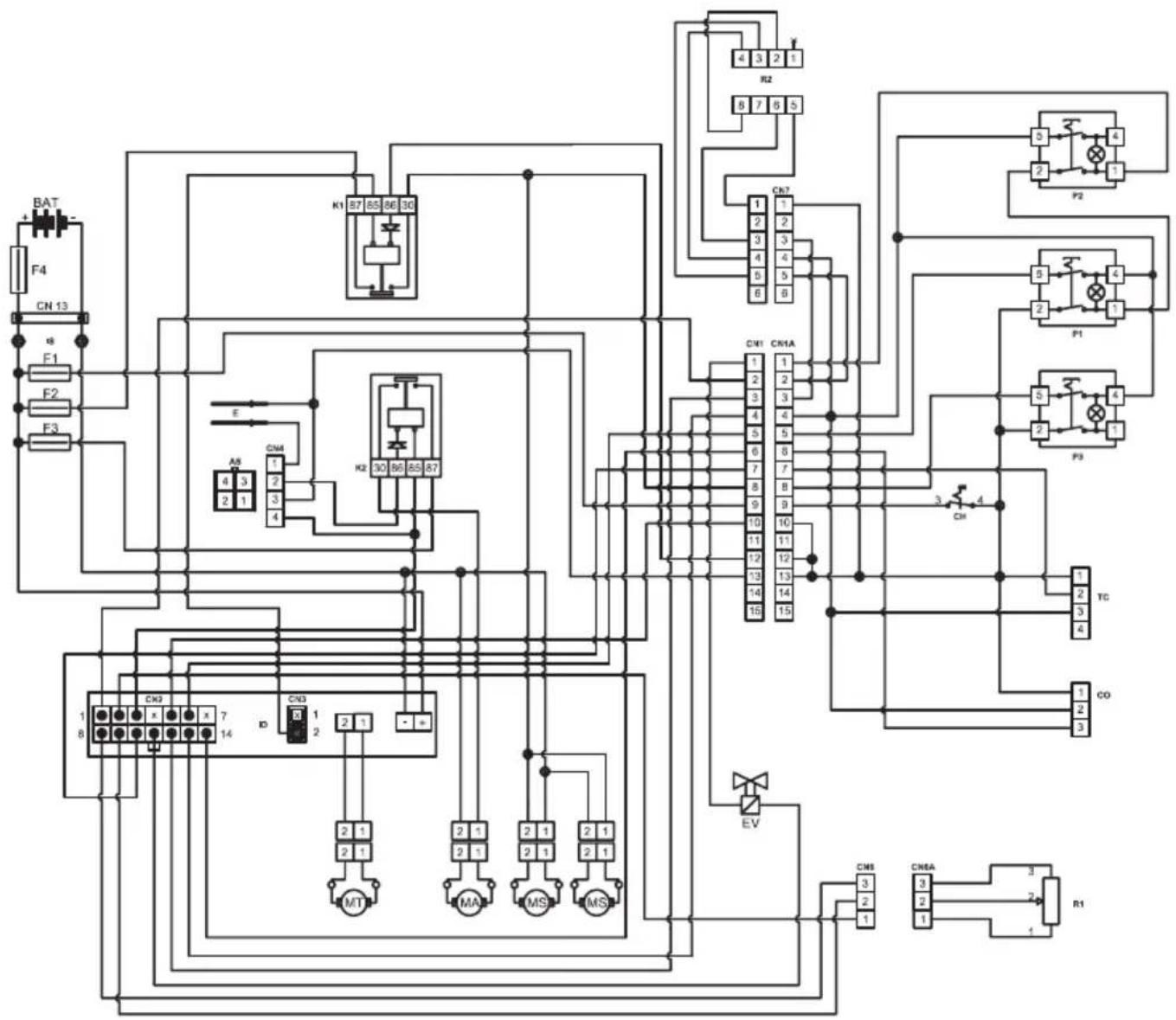
Modello 45D60

flowchart
graph TD
subgraph Power Source
A["BAT"] --> B["F4"]
B --> C["CN 13"]
C --> D["F1"]
D --> E["F2"]
E --> F["F3"]
end
subgraph Control Circuit
G["K1"] --> H["87 65 86 30"]
I["K2"] --> J["30 86 85 87"]
K["CN1"] --> L["1 1"]
M["CN2"] --> N["1 1"]
O["CN3"] --> P["1 1"]
Q["MT"] --> R["2 1"]
S["MA"] --> T["2 1"]
U["MS"] --> V["2 1"]
W["MS"] --> X["2 1"]
Y["EV"] --> Z["CMB 3"]
AA["CNBA 3"]
AB["R1 1"]
end
subgraph Control Junctions
AC["CN7"] --> AD["1 2 2 3 4 5 6 8"]
AE["CNIA"] --> AF["1 2 2 3 4 5 6 7 8"]
AG["CNII"] --> AH["1 2 2 3 4 5 6 7 8"]
AI["CNIII"] --> AJ["1 2 2 3 4 5 6 7 8"]
AK["CNIV"] --> AL["1 2 2 3 4 5 6 7 8"]
AM["CNV"] --> AN["1 2 2 3 4 5 6 7 8"]
AO["CNVI"] --> AP["1 2 2 3 4 5 6 7 8"]
AQ["CNVII"] --> AR["1 2 2 3 4 5 6 7 8"]
AS["CNVI"] --> AT["1 2 2 3 4 5 6 7 8"]
AU["CNVIII"] --> AV["1 2 2 3 4 5 6 7 8"]
AW["CNVI"] --> AX["1 2 2 3 4 5 6 7 8"]
AY["CNV"] --> AZ["1 2 2 3 4 5 6 7 8"]
BA["CNVI"] --> BB["1 2 2 3 4 5 6 7 8"]
BC["CNVII"] --> BD["1 2 2 3 4 5 6 7 8"]
BE["CNVI"] --> BF["1 2 2 3 4 5 6 7 8"]
end
subgraph Control Junctions
BG["CNII"] --> BH["10"]
BI["CNIII"] --> BJ["10"]
BK["CNIV"] --> BL["10"]
BM["CNVI"] --> BN["10"]
BO["CNVII"] --> BP["10"]
BQ["CNVI"] --> BR["10"]
BS["CNVIII"] --> BT["10"]
BU["CNVI"] --> BV["10"]
BW["CNVIII"] --> BX["10"]
end
subgraph Control Junctions
BY["CNII"] --> BZ["10"]
CA["CNIII"] --> CB["10"]
CC["CNIV"] --> CD["10"]
DE["CNVI"] --> ED["10"]
EF["CNVII"] --> GF["10"]
GH["CNVI"] --> BI
end
style Control Junctions fill:#f9f,stroke:#333,stroke-width:2px
style Control Junctions fill:#ccf,stroke:#333,stroke-width:2px
AS ....Antischiuma
BAT ......Batteria 24V
CO....Contaore
CN1 ......Connettore 15 PIN
CN2 ......Connettore alla centralina ID
CN3 ......Connettore alla centralina ID
CN4 ..... Connettore alla scheda antischiuma
CN6 AI potenziometro PL
CN7 Al manubrio
E ...... Elettrodi
EV ......Elettrovalvola
F1 ......Fusibile 7,5A
F2 ......Fusibile 30A
F3 ......Fusibile 40A
F4 Fusibile 75A
K1 ....Relè spazzola
K2 ....Relè aspirazione
ID Centralina I-Drive
IS ....Isolatori
MA ......Motore aspirazione
MS Motorre spazzole
MT ...... Motore trazione
P1 Pulsante spazzole
P2 Pulsante elettrovalvola
P3 Pulsante aspirazione
R1 Potenziometro 4,7K
R2 Acceleratore manubrio
TC ....True charge
Dear Customer,
10.1 MANTENIMIENTO Y LIMPIEZA

ADVERTENCIA:
via Circonvallazione, 5 - 27020 Dorno (PV) Italy
Tel. +39 0382.848811 - Fax +39 0382.84668
http://www.ghibli.it - e-mail: info@ghibli.it
ManualeFacile