S5 150S85 - Autolaveuse industrielle Ghibli - Notice d'utilisation et mode d'emploi gratuit
Retrouvez gratuitement la notice de l'appareil S5 150S85 Ghibli au format PDF.
| Caractéristiques techniques | Modèle : Ghibli S5 150S85 |
|---|---|
| Type d'appareil | Non catégorisé |
| Utilisation | Appareil destiné à un usage professionnel, idéal pour le nettoyage de surfaces variées. |
| Maintenance | Vérifier régulièrement les filtres et les accessoires pour assurer un fonctionnement optimal. |
| Sécurité | Utiliser l'appareil conformément aux instructions du fabricant pour éviter les accidents. |
| Informations générales | Consulter le manuel d'utilisation pour des conseils d'utilisation et d'entretien spécifiques. |
FOIRE AUX QUESTIONS - S5 150S85 Ghibli
Questions des utilisateurs sur S5 150S85 Ghibli
0 question sur cet appareil. Repondez a celles que vous connaissez ou posez la votre.
Poser une nouvelle question sur cet appareil
Téléchargez la notice de votre Autolaveuse industrielle au format PDF gratuitement ! Retrouvez votre notice S5 150S85 - Ghibli et reprennez votre appareil électronique en main. Sur cette page sont publiés tous les documents nécessaires à l'utilisation de votre appareil S5 150S85 de la marque Ghibli.
MODE D'EMPLOI S5 150S85 Ghibli
Les données d'identification et le marquage "CE" de la machine sont positionnés sur la plaque (1) située sous le tableau de bord.
Il est recommandé de reporter dans le tableau ci-dessous le modele de la machine et le numero relatif de matricule.
DE
KENNDATEN
(Traduction des instructions d'origine)
[DE] Deutsch DE-1
Nous vous remercions pour avoir choisi un de nos produits pour le nettoyage de vos locaux.
L'autolaveuse accompagnée que vous venez d'acquerir a ete concue pour satisfaire l'utilisateur en termes de simplicité d'utilisation et de fiabilité dans le temps.
Nous sommes conscients que, pour qu'un produit reste tel quel dans le temps, il faut constamment le renouveler afin de satisfaire les attentes de ceux l'utilisent quotidienne. Nous espérons donc que vous serez un client satisfait mais aussi un collaborateur qui n'hésite pas à nous faire partager les opinions et les idées de ceux qui l'utilisent au quotidien.
Tables des Matieres
1.1.a Intérêt du manuel FR-6
1.1.b Consultation du manuel FR-6
1.1.c Legende des symboles presents dans le manuel FR-6
1.1.d Terminologie conventionnelle FR-6
1.2 AVERTISSEMENTS GENÉRAUX FR-6
1.2.a Qualification du personnel.. FR-6
1.2.b Position de I'opérateur FR-7
1.2.c Combinaison de protection FR-7
1.2.d Avertissements généraux avant la première utilisation FR-7
1.2.e Avertissements généraux PEDANT L'UTILISATION DE LA MACHINE FR-7
1.2.f Avertissements generaux concernant les batteries FR-7
1.2.g Avertissements généaux pendant l'entretien FR-7
1.2.h Avertissements generaux en cas d'incendie FR-8
1.2.i Arrêt prolongé de la machine FR-8
1.3 UTILISATION PRÉVUE DE LA MACHINE FR-8
1.4 UTILISATION NON PREVUE DE LA MACHINE FR-8
1.4.a Zones a risque d'explosion FR-8
1.5 DEMOLITION DE LA MACHINE FR-8
1.6 REGLEMENTATIONS DE REFERENCE FR-8
2.1 DÉSEMBALLAGE FR-9
2.1.a Equipement de la machine FR-9
2.1.b Installation batteries FR-10
2.1.c Dechargement de la machine de la palette de transport en bois .... FR-11
3.1 ASSEMBLAGE COMPOSANTS FR-12
3.1.a Installation du dispositif-suceur FR-12
4.1 CHARGEMENT DE LA BATTERIE FR-12
5.1 CONNAISSANCE DE LA MACHINE FR-15
6.1 DESCRIPTION DES COMMANDES DE LA MACHINE FR-15
6.1.a Commande panneau.. FR-15
6.1.b Commandes estrade FR-17
6.1.c Réglage du siège FR-17
6.1d Ecran FR-18
6.1.e Alarmes pendant le fonctionnement.. FR-19
6.1.f Arret d'urgence FR-20
7.1 SECURITIES FR-20
8.1 REMPLISSAGE DU RÉSERVOIR FR-21
9.1 FONCTIONNEMENT FR-22
9.1.a Vérification avant l'utilisation FR-22
9.1.b Préparation de la machine etCHOix du cycle.. FR-23
9.1.c Utilisation de la machine FR-24
9.1.d Fin d'utilisation et extinction FR-25
10.1 VIDANGE EAU DE RÉCUPÉRATION FR-26
11.1 ENTRETIEN ET NETTOYAGE FR-27
11.1.a Vidange et nettoyage du réservoir d'eau propre FR-27
11.1.b Nettoyage du réservoir d'eau de récapération FR-28
11.1.c Nettoyage suceur FR-29
11.1.d Nettoyage des mini-jupes laterales FR-29
11.1.e Nettoyage du filtr d'eau propre FR-30
11.1.f Contrôle de l'etat d'usure de la chaine de direction FR-30
11.1.g Remplacement brosses FR-31
11.1.h Substitution des raclettes en caoutchouc.. FR-32
11.1.i Substitution des raclettes en caoutchouc des mini-jupes laterales FR-32
11.1.j Reglage incidence suceur FR-33
11.1.k Contrôle état d'usure des trois roues FR-33
11.1.1 Substitution des fusibles FR-34
11.1.mConfiguration chargeur de batterie.. FR-35
PROBLEMES - CAUSE - RÉPARATIONS FR-36
SCHEMA ELECTRIQUES FR-38
Données des Matières
| 150 S 85 150 S 100 | ||
| Type de conduction Opérateur à bords | ||
| Caracteristique | ||
| Fonctionnement Batteries | ||
| Type de Batteries N° 6 - 6V - 240Ah - (C5) | ||
| Alimentation Batteries 36V | ||
| Puisance installée 2200 W 2500 W | ||
| Avancement Traction avant/arière | ||
| Largeur piste de lavage 850 mm 1000 mm | ||
| Largeur d'aspiration 1100 mm 1300 mm | ||
| Rendement théorique 5000 m | 2/h 6000 m | 2/h |
| Vibration système main-bras 2.03 m/s | ||
| Vibration corps entier | 0.63 m/s2 | |
| Niveau sonore | 68 db(A) | |
| Incertitude KpA | 0.75 dB (A) | |
| Brosses | ||
| Diamètre / pad / nombre | 440 mm / 17" x 2 | 508 mm / 20' x 2 |
| Puisance moteur / nombre | 350 W x 2 | 500 W x 2 |
| Vitesse moteur | 165 tours / min. | |
| Pression spécifique | 42 gr / cm2 | |
| Traction | ||
| Pente maximale autorisé à pleine charge | 16 % | |
| Puisance moteur / numéro | 900 W | |
| Vitesse maximum avancement en travail | 6 km/h | |
| Aspiration | ||
| Puisance moteur | 610 W | |
| Dépression (colonne d'eau) | 165 / 1700 mbar / mmH2O | |
| Débit d'air | 32 l / sec | |
| 150 S 85 150 S 100 | ||
| Réservoir | ||
| Type Double réservoir | ||
| Recyclage No | ||
| Capacité solution 150 l | ||
| Capacité récapération 160 l | ||
| Dimensions 1570 x 900 x 1080 mm | 1570 x 1100 x 1180 | |
| Poids | ||
| Poids à vide 255 Kg 270 Kg | ||
| Poids avec batteries 555 Kg 570 Kg | ||
| Poids dans l'ordre de marche 780 Kg 795 Kg | ||
1.1 - INTRODUCTION
Ce manuel fait partie intégrante de la machine ; il doit donc être conservé avec soin dans un lieu sur et accessible à tous les utilisateurs (opérateurs et personnels prévus pour l'entretien) pour toute la durée de vie de la machine jusqu'à sa démolition.
1.1.a - Intérêt du manuel
L'intérêt de ce manuel est de fournir les instructions nécessaires pour la mise en service, l'utilisation et l'entretien de la machine à laquelle il est annexe.
Il est recommandé de dire les instructions de ce manuel attentivement et de respecter scrupuleusement les normes de sécurité décrites dans ce manuel.
Le mauvais respect de ces instructions/normes pourrait cause des dommages à la machine et à l'opérateur et ne pourront enaucun cas être imputés au constructeur.
Les indications de sécurité décrites dans le manuel intégrant et NE SUBSTITUENT PAS les normes en vigueur du pays dans lequel la machine est utilisé.
1.1.b - Consultation du manuel
Ce manuel est divisé en chapitres selon un ordre logique de connaissances et d'emploi de la machine.
Pour faciliter la recherche, consulter d'abord la TABLE DES MATIÈRES reportée au début du manuel.
1.1.c - Légende des symboles présents dans le manuel
Pourmettre enevidence dans ce manuel les informations et les procedures relatives à la sécurité,l'entretien,etc.onetéadoptés les symboles suivants:

DANGER:
Avertissement d'un danger sérieux, éme mortel, pour la sécurité de l'opérateur et/ ou de tierces personnes.

AVERTISSEMENT :
Informations d'une extréme importance permettant déviter des sérieux dommages à la machine et dans l'environnement de travail.

REMARQUE:
Informations supplémentaires pour le correcte fonctionnement de la machine ou ayant un caractete général.
1.1.d - Terminologie conventionnelle
Les indications : antérieur, postérieur, avant, arrrière, supérieur, inférieur, gauche, droite se rapportent à l'opérateur assis en position de conduite avec les mains sur le guidon.
Pour simplifier, le nom commercial du modulo a ete substituie par « machine »
1.2 - AVERTISSEMENTS GÉNÉRAUX
Avant la mise en route, l'utilisation et l'entretien de la machine, il faut que les conducteurs (responsibles ou opérateurs) aient pris connaissance des procédures et de normes de sécurité générées dans ce manuel. Respecter toutes les prescriptions containues dans le manuel et dans la documentation eventuelle en annexe.

DANGER :
L'utilisation de la machine par du personnel no formé, des enfants et des personnes porteuses d'handicap est strictement interdit.
1.2.a - Qualification du personnel Opérateur
Par opérateur, il est sous-entendu du personnel générique capable de pratiquer des opérations simples de conduction de la machine ainsi que les opérations de nettoyage après l'utilisation relatives.
Ouvrier chargé de l'entretien électrique/ mécanique
Technicien qualifié pour effectuer sur la machine des opérations de réparation ou de substitution des parties pour lesquelles il faut enlever les carters de protection.
1.2.b - Position de l'opérateur
L'opérateur, durant l'utilisation de la machine, est assis sur la selle avec es mains sur le guidon.
1.2.c - Combinaison de protection
- Utiliser une combinaison de protection selon la norme en vigueur dans le pays d'utilisation de la machine.
1.2.d - Avertissements généraux avant la première utilisation
- Avant la première utilisation de la machine, vérifié que les protections de sécurité fixe (carter) soient toujours à leur emplacement et correctement fixées.
1.2.e - Avertissements généraux PEDANT L'utilisation de la machine
- Si la machine émet des bruits办实事, l'arrêter immédiatement et identifier la cause.
- NE PAS abandonner la machine sur des surfaces inclinées supérieures à 16% .
- L'inclinaison maximum supportable à vide est de 16% .
- Il est strictement interdit de fléç pente ; danger de renversement.
- Pendant le fonctionnement de la machine, éviter les chocs avec des étagères ou des armoires.
- Eviter d'utiliser la machine dans des environnements compteant un risque de chute d'objets.
- Il est interdirit d'utiliser la machine en plein air ou sur la voie publique.
- Si possible, utiliser la machine dans des lieux vides de personnes; si ce n'est pas le cas, les prévenir de bien pouvoir s'éloigner avant d'utiliser la machine.
- Ne pas utiliser la machine au sein d'environnements représentant des substances corrosives ou des saumâtres.
- Ne pas utiliser la machine au sein d'environnements explosifs (ATEX).
1.2.f - Avertissements généraux concernant les batteries
- L'acid de la batterie est corrosif: en cas de contact avec la peau rincer abondament à l'eau claire.
- Porter des moyens de protection individuels pour éviter le contact avec la peau (voir normes en vigueur dans le pays d'utilisation de la machine).
- Ne pas inhaler les vapeurs : cela peut etre dangereux.
- En chargeant la batterie il pourrait se former des mélanges de gaz explosifs, pour cette raison les locaux dans lesquels la batterie est rechargée doivent être correctement ventilés et conformes aux normes spécifique en la matière.
Il est interdit de fumer et/ou d'utiliser des flammes libres dans un rayon de 2 metres autour de la batterie pendant sa charge, dans la zone de recharge et pendant le refroidissement de celle-ci après la charge. - Signaler les éventuelles fuites de liquide de la batterie ; elles sont dangereuses et fortement polluantes.
1.2.g - Avertissements généraux pendant l'entretien
- Débrancher la batterie / le cable électrique, avant d'effectuer des opérations d'entretien ou de réparation.
- Népas poser d'outils ni d'objets métalliques sur les batteries ; cela pourrait provoquer des courts-circuit.
- Ne pas utiliser de produits détergents agressifs, acides, dessistant, etc. pour les opérations de nettoyage et de lavage, et faire particulièrement attention aux parties électriques.
- Ne pas laver la machine avec des jets d'eau directs ou sous pression.
- Lorsque l'on doit soulever la machine pour d'eventuelles opérations d'entretien, il est nécessaire de travailler en toute sécurité en plaçant en dessous de cette-ci des supports fixes.
- Ne s'adresser qu'a un centre d'assistance autorisé pour les opérations de réparation et ne demander que des pieces de rechange ORIGINALES.
1.2.h - Avertissements généraux en cas d'incendie
- En cas d'incendie, n'utiliser que l'extincteur à poudre homologué; NE PAS utiliser d'eau pour éteindre l'incendie.
1.2.i - Arrêt prolongé de la machine
-
Placer la machine dans un endroit couvert, à l'abri des agents atmosphériques, dans un lieu où la température est comprise entre 5^ et +40^ .
-
Retire la clé de démarrage.
Vider l'eau propre contenue dans le réservoir.
-
Executer la recharge des batteries et une fois chargees, l'enlever de la machine.
-
Effectuer la recharge de la batterie une fois par mois.
1.3 - UTILISATION PRÉVUE DE LA MACHINE
La machine a ete conue et fabrique seulement pour nettoyer et secher les sols d'un endroit clos.

DANGER :
Toute autre utilisation décharge le constructeur de toute responsabilité pour dommages aux personnes et/ou aux choses et fait déchoir toute condition de garantie.
1.4 - UTILISATION NON PRÉVUE DE LA MACHINE

AVERTISSEMENT :
La machine n'est pas conscience pour etreutilisée a l'extérieur.

DANGER :
-
Ne pas laver les sols avec de l'eau d'une température supérieure à 50^
-
Ne pas utiliser du gazole/de l'essence ou des déterments corrosifs pour le lavage des sols;
-
Ne pas laver ni aspirer des liquides corrosifs, inflammables, explosifs, même si ceux-ci sont dilués;
-
Ne pas utiliser la machine avec le réseauoir de récapération ouvert;
- Ne pas circuler avec les pieds/les jambes sortant de la zone de protection de la machine;
- Ne pas effectuer des braquages soudains en particulier lors de descente.

AVERTISSEMENT:
La machine est habilitée au transport d'une SEULE personne.
1.4.a - Zones à risque d'explosion
Il est absolument interdit d'utiliser la machine dans des environnements à risque d'explosion, dans lesquels on peut noter la présence de gaz, de vapeurs, de liquides et de poudres inflammables et explosives.
1.5 - DEMOLITION DE LA MACHINE
Pour la protection de l'environnement, proceder à la démolition de la machine conformément à la reglementation locale en vigueur. Quand l'appareil n'est plus utilisable ni répârable, proceder à l'élimination différenciée des composants.

DANGER:
Les batteries sont considérées comme des déchets spéciaux et doivent donc être aménées et traitées dans des centres spécifique de ramassage comme indiqué par les réglementations en vigueur dans le pays d'utilisation.
L'élimination inadaptée ou abusive des équipements ou bien une utilisation impropre, en fonction des substances et des matériaux contenus, peut cause des dommages aux personnes et pour l'environnement.
1.6 - REGLEMENTATIONS DE REFERENCE
La machine a ete construite en conformite a la directive sur les machines en vigueur et en conformite avec les normes indiquees dans la déclaration "CE" de conformité fournie avec la machine.
2.1 - DÉSEMBALLAGE (Fig. 1)
Une fois que vous avez enlevé l'emballage comme indiqué selon les instructions reportées sur l'emballage, vérifier l'intégrité de la machine et de tous ses composants.
Si vous constatiez des dommages, contacter le concessionnaire de la zone et le transporter au maximum trois jours après la livraison.
- Enlever le sac (1) contenant les accessoires.
2.1.a - Equipement de la machine (Fig. 2)
Les accessoires équipant la machine sont les suivants :
1) Un manuel d'utilisation et d'entretien de la machine.
2) Manuel d'instructions chargeur de batteries (si present).
3) N^2 brosses (montées sur la machine).



2.1.b - Installation batteries (Fig. 3)
- Soulever le réservoir de récapération (1) avec les poignées spéciales (2).
Le réserve sera maintenu en position ouverte avec un spécial dessort à gaz (3).
-
Positionner les batteries comme indiquedans la figure en les raccordant selon schema ci-dessous et en utilisant les cables et les fiches fournies.
-
Raccorder la fiche (4) des batteries avec la prise (5).
- Baisser le réservoir de récapération (1) en accompagnant sa descente.

REMARQUE:
Le branchement des batteries doit etre effectue par un personnel specialise.

2.1.c - Déchéancement de la machine de la palette de transport en bois (Fig. 4-5)
- Positionner un pont de support (1) et l'accrocher à la palette en bois.
- Retirer les cales (2) en bois placees sur les trois roues.
- S'asseoir sur le siège en position de conduite.
- Contrôler que les interrupteurs (3) et (4) se trouvent en position « 0 »
- Débloquer le frein de stationnement en appuyant sur le blocage (6).
Maintenir appuyé le frein (5) pour éviter que la machine se déplace.
- Demarrer la machine en tournant la clé de contact (7) en position « I »
- Agir sur le sélecteur de direction (8) en le déplaçant sur « » (marche avant) ou « » (marche arrêté), ensuite appuyer sur la pédale de l'accéléateur (9) et descendre de la palette au moyen du support.



3.1 - ASSEMBLAGE COMPOSANTS
3.1.a - Installation du dispositif-suceur (Fig.6)
-
Insérer le suceur (1) dans la plaque (2) de support et le fixer en vissant les deux pommeaux (3).
-
Raccorder le tuyau d'aspiration (4) sur la bouche du suceur.
4.1 - CHARGEMENT DE LA BATTERIE

DANGER:
Proceder au chargement des batteries dans un lieu aéré et conforme aux normes en vigueur dans le pays d'utilisation.
Pour les informations relatives à la sécurité, respecter les instructions décrites dans le chapitre 1 de ce manuel.

AVERTISSEMENT :
Pour les informations et les averissements relatifs à la batterie s'en tener aux indications du manuel du chargeur de batterie joint en annexe duprésent manuel.

AVERTISSEMENT:
La machine sort de l'usine calibrée pour un fonctionnement avec batteries à gel. Si l'installation de batterie à acide est nécessaire, s'adresser au Centre d'Assistance pour effectuer un nouveau calibrage.
Il est interdirit d'utiliser la machine avec des batteries à gel avec un calibrage pour batteries à acide.

REMARQUE:
Pour toute autre information sur les calibrages se reporter aux indications générées au paragraphe 11.1.l.

REMARQUE:
Il faut 10 heures pour charger complètement les batteries. Eviter les recharges partielles.

4.1.a - Charge de la batterie avec chargeur externe (Fig. 7)
- Approcher la machine pres d'une station de rechargement des batteries.
- Déconnecter la fiche (1) des batteries de la prise (2) du système.
- Raccorder la fiche (1) des batteries à la prise (3) du chargeur de batterie externe.
- Au terme du rechargement des batteries reconnectcer la prise (1) des batteries à la prise (2) du système.


FR-14
5.1 - CONNAISSANCE DE LA MACHINE (Fig. 8)
1) Volant
2) Tableau de commandes
3) Siège
4) Levier de réglage du siège
5) Fiche/prise batterie
6) Estrade d'appui pour les pieds
7) Pedale accelerateur
8) Pedale frein
9) Levier du frein de stationnement
10) Gyrophares
11) Réservoir d'eau de récapération
12) Couvercle du réservoir d'eau de récapération
13) Réservoir d'eau propre
14) Ouverture replissage de l'eau propre
15) Tuyau de vidange de I'eau de récapération
16) Tuyau d'aspiration de l'eau du dispositif-suceur
17) Tuyau de vidange de I'eau propre
18) Ressort a gaz
19) Groupe brosses
20) Dispositif-suceur
21) Mini-jupes laterales
22) Filtrde I'eau
(23) Roue de direction et de traction
(24) Roues postérieures
25) Lumières de travail
6.1 - DESCRIPTION DES COMMANDES DE LA MACHINE 6.1.a - Commande panneau (Fig. 9)

1) ECRAN
- Voir paragraphe (« Commandes de l'écran »)
2) Bouton non utilisé
3) Interrupteur de démarrage aspirateur (lumineux) - Le fonctionnement de l'aspirateur est habilité par la clé de contact (7) en position « I »
- En appuyant sur l'interrupteur (3) en position « I » on démarre l'aspirateur, sur l'écran le symbole s'illumine et, si la marche avant ou bien le point mort est inséré, le suceur s'abaisse.
En appuyant sur l'interrupteur en position « 0 » l'aspirateur s'arrête et le suceur se souève.
4) Potentiomètre régulateur de la quantité d'eau
- Permet le réglage de la quantité d'eau à distribuer.
- Tourner dans le sens hora pour augmenter graduelflement la distribution de l'eau, tourner en sens contraire pour la diminuier.
La distribution de l'eau ne s'active que lorsque la machine se déplace en marche avant.
FR
5) Voyant de frein de stationnement inséré (lumineux)
- Le fonctionnement duvoyant est habilité par la clé de contact (7) en position « I »
Levoyant s'illumine si le frein de stationnement est insere.
6) Interrupteur brosses (ON/OFF) - Le fonctionnement des brosses est habilité par la clé de contact (7) en position « I »
- En appuyant sur l'interrupteur (6) en position « I » le groupe brosses s'abaisse ; sur l'écran le symbole s'illumine.
- Les brosses commencent à tournier lorsque la machine se déplace en avant ou en arrêté et s'arrêtent lorsque la machine n'avance plus.
- En appuyant sur l'interrupteur en position « 0 » les brosses s'arrêtent, le groupe se souèle et le symbole s'éteint sur l'écran.
7) Clé de démarrage
Tournier la clé dans le sens hora sur « I » apporte de la tension aux circuits permettant de faire fonctionner la machine.
Tourner en sens contraire sur « 0 » en- lève la tension des circuits ; dans cette position, la clé peut être enlevée.
8) Sélecteur de direction
- Il prédispose le fonctionnement de la machine.
- Porter en avant « le sélecteur pour permettre à la machine de procéder en marche avant, porter en arrêt « le sélecteur pour permettre à la machine de procéder en marche arrêt ; faisser le sélecteur en position centrale « 0 » pour que la machine reste en point mort.
9) Bouton avertisseur sonore - En appuyant sur le bouton l'avertisseur sonore sonne.
- Son fonctionnement est habilité par la clé (7) en position « I »
10) Interrupteur gyrophares
- S'il est appuyé, avec la clé de contact (7) en position « I», il permet d'activer les gyrophares.
11) Interrupteur lumières de travail - S'il est appuyé, avec la clé de contact (7) en position « I», il permet d'activer les lumières de travail.
12) Prise 12V (1A) - Prise de service 12V (1A).
- Le fonctionnement de la prise de service est habilité par la clé (7) en position « I »
6.1.b - Commandes estrade (Fig. 10)
Pédale frein (1)
- En appuyant sur la pédale frein (1) la machine ralentit sa course jusqu'à s'arrêté.
Levier frein de stationnement (2)
- Le frein de stationnement doit être activé chaque fois que l'opérateur descend de la machine.
- Pour habiliter le levier frein de stationnement, appuyer sur la pédale frein (1).
- Pour déshabiliter le frein de stationnement appuyer sur la languette (2).
Pédale accelérateur (3)
- En appuyant sur la pédale accelérateur, la machine se déplace en avant ou en arrêté, suivant la position du sélecteur de direction.
6.1.c - Réglage du siège (Fig. 10)

AVERTISSEMENT :
Le réglage du siècle doit être effectué lorsqu'la machine ne rouge pas.
Le siège peut être régle longitudinalement: soulever le levier de réglage (4) situésous le siège et le déplacer en avant ou en arrêté.

FR
6.1d - Ecran (Figg. 11-12-13)
Le tableau de commandes est muni d'un écran qui s'illumine en tournant la clé de contact en position « I »
L'écran peut afficher :
Etat batterie
- L'écran affiche une barre (1) qui indique l'état de la batterie :
Batterie chargée : la barre affiche le niveau de charge maximale. Les barres diminuent graduelflement au fur et à mesure que vous utilisez la machine.
Batterie décharge: l'écran affiche une seule barre et le symbole de la batterie clignote.
Indique que la charge des batteries est épuisée; toutes les fonctions de travail sont désactivées, seule la traction reste active.
Minuteur (2)
- Il indique le temps total de fonctionnement de la machine.
Symbole aspirateur (3) (Fig. 12)
- Le symbole s'affiche sur l'écran lorsqu' l'aspirateur est en fonction.
Symbole brosses (4) (Fig. 13)
Le symbole s'affiche sur I'ecran lorsque les brosses sont en rotation.



6.1.e - Alarmes pendant le fonctionnement (Figg. 14)
En cas d'alarme pendant le fonctionnement de la machine, l'écran affichera le symbole
et son code d'alarme respectif insere Possibles alarmes:
-1E03:
Ce code prévoit deux possibles alarmes :
a) Les interrupteurs ne sont pas en position « 0 ». Tournier la clé de contact en position « 0 », placer tous les interrupteurs en position « 0 » et redémarrer la machine.
b) Réservoir de récapuration plein.
Cette alarme indique que le niveau du liquide present dans le réservoir de récuρération a atteint la sonde d'alarme; l'aspirateur se désactive.
Amener la machine à la station de vidange de l'eau et vider le réservoir de récu-pération comme indiqué au paragraphe correspondant.
-2F01:
La machine a ete demarrree avec la pedale de I'accelerateur appuyee.
Redémarrer la machine sans appuyer sur la pedale.
- Symbole batterie clignotant :
Indique que la charge des batteries est épuisée; toutes les fonctions de travail sont désactivées, seule la traction reste active. Se rendre immédiatement dans la zone de rechargement.

REMARQUE:
Si la machine affiche d'autres codes d'erreur contacter le Service d'Assistance autorisé.

FR
6.1.f - Arrêt d'urgence (Fig. 15)
En cas d'urgence déconnecter la fiche (1) de la prise (2); cela permet de couper la tension aux circuits en arrêtant toutes les fonctions de la machine.

AVERTISSEMENT :
Déconnecter la fiche (1) lorsque la machine est en service uniquement en cas de réelle nécessité, ne pas utiliser ce procédé pour éteindre la machine, car cela pourrait cause des dommages même sériex à la machine.

7.1 - SECURITES (Fig. 16)

AVERTISSEMENT:
La machine est dotée de capteur (1) de presence opérateur; ce capteur bloque toutes les fonctions de la machine lors que l'opérateur n'est pasprésent au poste de conduite et met la machine au point mort.

8.1 - REMPLISSAGE DU RÉSERVOIR (Fig. 17)

AVERTISSEMENT:
N'introduire dans le réservoir que de l'eau propre du réseau, dont la température ne doit pas dépasser les 50^
- Prendre soit de vérifier que le tuyau (1) soit correctement accroché au réservoir avec les joints spéciaux.
- Ouvrir le bouchon (2) du réservoir d'eau propre (3).
- Introduire l'eau dans le réservoir (3) jusqu'à ce que le réservoir soit rempli.
- Verser du liquide détergent dans le réservoir en fonction de la quantité d'eau contenue.

REMARQUE:
N'utiliser que du dénergent qui ne mousse pas ; en ce qui concerne les quantités, se référer aux instructions du produitur du dénergiet et selon le type de saleté.

DANGER:
- En cas de contact du détergent avec les yeux et la peau ou en cas d'ingestion consulter la fiche de sécurité et d'emploi du fabricant du détergent.
-Au terme du remplissage du réservoir fer- mer le bouchon (2).

9.1 - FONCTIONNEMENT (Fig. 18)
19.1.a - Vérification avant l'utilisation
- Contrôler que le tuyau (1) d'évacuation du réservoir soit correctement accroché et bouché.
- Contrôler que le tuyau (2) d'aspiration de l'eau du suéur soit correctement inséré dans le réservoir de récapération.
- Contrôler que le raccord (3) situé sur le suceur (4) ne soit pas obstrué et que le tuyau soit correctement raccordé.
- Contrôler l'état de charge des batteries, en tournant la clé (5) sur "ON" et l'indication de charge apparait sur l'écran (6).

9.1.b - Préparation de la machine etCHOIX DU CYCLE (Fig. 19)
- S'asseoir au poste de conduite et desserrer le frein à main (1).
Cycle de travail :
- La machine a la possibilité d'effectuer 4 cycles de travail.
Cycle de séchage seulement :
Pour effectuer uniquement le cycle de sechage appuyer sur l'interrupteur (2) en position « I » et l'aspirateur démarre.
Cycle de brossage seulement :
Pour effectuer uniquement le cycle de brossage appuyer sur l'interrupteur (3) en position « 1», ainsi la rotation des brosses est prédisposée; vérifier que le potentiamètre (4) soit en position « 0 »
La rotation des brosses démarre lorsque la machine commence à se déplacer.
Cycle de lavage, Brosses :
- Appuyer sur le bouton (3) pour prédisposer la rotation des brosses et tournier le potentiamètre (4) pour prédisposer la distribution de l'eau.
La rotation des brosses et la distribution de l'eau (uniquement en marche avant) démarrent lorsque la machine commence à se déplacer.
Cycle de lavage, de brossage et de sechage:
-
Tourner le potentiemetre (4) pour prédisposer la distribution de l'eau ;
-
appuyer sur l'interrupteur (3) en position « I », ainsi la rotation des brosses est prédisposée ; la rotation des brosses démarre lorsque la machine commence à se déplacer ;
-
appuyer sur l'interrupteur (2) en position « I » et l'aspirateur démarre.

9.1.c - Utilisation de la machine (Fig. 20-21)

DANGER:
Faire particulièrement attention lorsque l'on utilise la machine en pente, pour éviter tout danger de renversement ou des situations pouvant rendre précaire la stabilité de la machine.

DANGER :
Eviter les braquages soudains et effectuer des braquages uniquement avec le volant complètement tourné et à basse vitesse, en tenant compte des conditions du sol.
- Avec avoir redémarré la machine et choisis le type de cycle, insérer la marche voulue en agissant sur le sélecteur de marche (1).
- Allumer les gyrophares (2) et les lumières de travail (3).
- Proceder aux opérations de nettoyage en agissant sur l'accelérateur (4).

REMARQUE:
En relachant l'accélérateur la rotation des brosses et la distribution de l'eau s'arrêtent.

REMARQUE:
Pour proceder correctement au nettoyage et au séchage du sol, il est nécessaire d'utiliser la machine en marche avant. Lorsque l'on utilise la marche arrêté, le suceur se souèle et l'aspiration de l'eau résiduelle présente sur le sol s'arrête.
- Régler éventuellesment la quantité de solution de lavage avec le potentiamètre (5).
- Contrôler l'état de charge des batteries avec l'écran (6).



DANGER:
Lorsque l'opérateur descend de la machine, celle-ci se positionne au point mort et il est donc OBLIGATOIRE d'insérer le frein de stationnement comme indiquedans le paragraphe "Commandes pédalier".

DANGER:
Il est interdit de garer la machine en pente
9.1.d - Fin d'utilisation et extinction (Fig. 22)
- Au terme des opérations de nettoyage arrêté la machine en suivant les étapes suivantes: rotation des brosses et aspirateur en agissant sur les commandes correspondantes en fonction du type de cycle utilisé.
- Tourner la clé (1) sur "0".
- Insérer le frein de stationnement comme indiquedansle paragraphe"commandes pédalier".
Vider et laver le réservoir de récapération ainsi que le réservoir de la solution comme indiqué dans les paragraphs correspondants.

10.1 - VIDANGE EAU DE RÉCUPÉRATION
(Fig. 23)

DANGER:
Prendre soit de vérifier que le réservoir de l'au de récapération (1) soit vide avant de le soulever.
A la fin du cycle de lavage ou bien quand le réservoir (1) de l'eau de récapération est plein, il faut le vider en opérant comme décrit ci-dessous :

NOTE:
Pour l'élimination de l'eau de récapération se référer aux normes en vigueur dans le pays d'utilisation de la machine.
- Placer la machine pres d'une bonde de vidange.
- Detacher le tuyau (2) du support.
- Enlever le bouchon (3) du tube (2) et vider entierement l'eau contenue dans le réservoir.

NOTE:
Il est possible de moduler la quantité d'eau distribuée en appuyant sur la partie finale du tuyau (2).
- Remetre le bouchon (3) sur le tuyau (2) et le reposer sur son support.


11.1 ENTRETIEN ET NETTOYAGE

AVERTISSEMENT :
Pour les informations et les averissements relatifs aux opérations d'entretien ou de nettoyage, se référer aux informations indiquées dans le paragraphe « averissement généraux pendant l'entretien » réalisées dans le chapitre 1 de ce manuel.
OPÉRATIONS À EFFECTUER TOUS LES JOURS
11.1.a - Vidange et nettoyage du réseau voir d'eau propre (Fig. 24)

AVERTISSEMENT :
A la fin des opérations de lavage ; il est obligatoire de vider et de nettoyer le réservoir d'eau (1) propre pour éviter les dépôts ou les incrustations.
Après avoir vider le réservoir d'eau de récu-pération, vider le réservoir d'eau propre (1), en procédant comme suit :
- Placer la machine pres d'une bonde de vidange.
- Débrancher le tube (2) des crochets spéciaux, le baisser à terre sur la bonde de vidange, enlever le bouchon (3) et vider entièrement l'eau.
- Laver l'intérieur du réservoir en laissant le tuyau de vidange ouvert et en introduisant de l'eau propre par l'ouverture supérieure.
Au terme du nettoyage soulever le tuyau (2),refermer le bouchon (3) et accrocher le tuyau à ses supports.

11.1.b - Nettoyage du réservoir d'eau de récapération (Fig. 25-26)

AVERTISSEMENT:
Une fois les opérations de lavage terminées, il faut obligatoirement nettoyer le réservoir d'eau de récapération pour évier des dépôts ou des incrustations et la prolifération de bacteries, d'odeurs et de moisissures.

DANGER:
Vider l'eau du réservoir de récapération (2) avant de le soulever.
- Retirer le couvercle (1).
- Soulever le réservoir d'eau de récapération (2).
- En laissant le tuyau (3) abaisse et le bouchon déplace, introduire de l'eau depuis l'ouverture supérieure (4) pour nettoyer l'intérieur du réservoir jusqu'à ce que de l'eau propre desserte du tuyau de décharge.
- Nettoyer avec un linge humide les sondes de niveau (5) en faisant attention à ne pas les déformer.
- Repositionner l'ensemble en procédant dans le sens inverse.
- Dévisser la vis à six pans (6) et-retirer le couvercle du filtré (7).
- Retirer et nettoyer le filtrre (8) d'aspiration en retardant d'eventuels bouts de papiers, de bois, etc., qui pourrait l'obstruer.




Fig. 25
11.1.c - Nettoyage suceur (Fig. 27)
Pour effectuer un nettoyage du groupe su-. ceur (2), il faut l'enlever comme indiqued cidesous :
- Debrancher le tube (1) du groupe (2).
- Dévisser les volants de serrage (3) et enlever le groupe (2).
- Laver le groupe et plus particulièrement les pieces en caoutchouc (4) et l'intérieur du raccord d'aspiration (5).

REMARQUE:
Si au cours du nettoyage, il s'avere que les caoutchoucs (4) sont abimés ou usés, il faut soit les replacer soit les inverser.
- Remonter le tout en procédant en sens inverse.
11.1.d - Nettoyage des mini-jupes latérales (Fig. 28)
Pour nettoyer correctement les mini-jupes latérales (1), il faut les enlever comme indiqué ci-dessous :
- Dévisser les pommeaux (2) et enlever les mini-jupes laterales (1).
- Layer les raclettes en caoutchouc (3).

REMARQUE:
Si au cours du nettoyage, il s'avere que les caoutchoucs (3) sont abimés ou usés, il faut soit les replacer soit les inverser.
- Remonter le tout en procédant en sens inverse.

Fig. 27

OPÉRATIONS À EFFECTUER TOUTES LES SEMAINES
11.1.e - Nettoyage du filtré d'eau propre (Fig. 29)
- Débrancher le contrôle (1) en utilisant les jonctions rapides (2) et le soulever du crochet (3).
- Tourner le filtré (1) pour pouvoir l'extraire de la machine.
- Enlever le bouchon (4) et extraire la cartouche fille (5).
- Nettoyer la cartouche filtré (5) à l'eau du robinet.
- Remonter le tout en procédant en sens inverse.
OPERATIONS A EFFECTUER TOUS LES 3 MOIS
11.1.f - Contrôle de l'etat d'usure de la chaine de direction (Fig. 30)
- Contrôler l'état d'usure et de corrosion de la chaine (1) située sous la machine à côte de la roue antérieure.
Si la chaîne présente des traces de corrosion il est nécessaire de la replacer en s'adressant au service d'assistance technique.





OPÉRATIONS À EFFECTUER SELON LES BESOINS
11.1.g - Remplacement brosses (Fig. 31)
Il est nécessaire de replacer les brosses lorsque celles-ci sont usées etprésentant une longueur inférieure à 2 cm ou bien doit être replacées en fonction du type de sol à nettoyer. Pour le remplacement procédér de la manière suivante :
- Enfiler une main sous le groupe portebrosses (1), pour decrocher la Brosse la tournier d'un coup sec dans le sens contraire à la rotation.
- Positionner sous le groupe porte-brosses (1) les nouvelles brosses.
- S'asseoir au poste de conduite, tourner la clé (2) en position "I".
- Insérer une marche.
- Appuyer sur la touche (3) pour habiliter la rotation des brosses: le groupe de brosses s'abaisse.
- En appuyant sur la pedale accelérateur (4), les brides porte-brosses commencent à tourner en accrochant les brosses; ensuite relâcher la pedale.
Appuyer de nouveau sur la touche (3) et tournier la clé (2) en position "0".

11.1.h - Substitution des raclettes en caoutchouc (Fig. 32)
A partir du moment où le séchage du sol s'avéré difficile ou bien que des traces d'eau restent sur le sol, il faut contrôler l'état d'usage des raclettes en caoutchouc du groupe suceur (1).
- Enlever le groupe suceur (1) comme indiquedansle paragraphe « nettoyage groupe suceur »
- Dévisser les écrous à ailettes (2) et enlever le caoutchouc (3).

REMARQUE:
Lorsque les caoutchoucs (3) sont usés d'un côté, ils peuvent être returnés une fois.
- Substituer ou returner le caoutchouc (3) sans les intervenir.
- Remonter le tout en procédant en sens contraire.

REMARQUE:
Il est possible d'avoir deux types de pneus: Pneus en para pour tous les types de sol et pneus en polyuréthanne pour des sols enduits d'huile d'atelier mécanique.
11.1.i - Substitution des raclettes en caoutchouc des mini-jupes laterales (Fig. 33)
Lorsque I'on s'aperçoit qu'il n'y a plus d'eau de nettoyage dans les mini-jupes laterales il faut contrôler l'état d'usure des raclettes en caoutchouc (1):
- Enlever les mini-jupes laterales comme indiquedansle paragraphe «Nettoyagedes mini-jupes laterales
- Dévisser les vis (2) et enlever les raclettes en caoutchouc (1).

REMARQUE:
Lorsque les caoutchoucs (2) sont usés d'un côte, ils peuvent être returnés une fois.


Fig. 33
- Substituer ou returner le caoutchouc (1) sans les intervertir.
- Remonter le tout en suivant en sens contraire.
11.1.j - Réglage incidence suceur (Fig. 34)
- Demarrer la machine et appuyer sur la touche , le groupe du suceur s'abaisse.
- Insérer la marche avant et se déplacer de quelques mètres, ensuite insérer le frein de stationnement et descendre de la machine.
- Agir sur la barre filetée (1) pour régler l'incidence que les raclettes (2) ont avec le sol, en tournant dans le sens des aiguilles d'une montre, on obtient une plus grande incidence et inversement, on obtient une incidence moindre.

REMARQUE:
On obtient une incidence correcte lorsqu durant le fonctionnement il n'y a pas de traces ni de filets de liquide sur le sol et que la raclette a une incidence constante sur toute sa longueur.



Fig. 34
11.1.k - Contrôle état d'usure des trois roues (Fig. 35)
- Contrôler régulierrement l'état d'usure des roues (1); si elles都想ient des traces d'usure ou si elles sont endommagées, il est nécessaire de les replacer en s'adressant au service d'assistance technique.

DANGER:
Opérer avec les roues usées ou endommagées compte un danger pour l'opérateur car la machine pourrait avoir une tenue de conduite réduite dans les virages.

FR
11.1.1 - Substitution des fusibles (Fig. 36)

AVERTISSEMENT:
Substituer le fusible grillé avec un de même ampérage.
- Pour remplaçer le fusible (1) positionné sur le pole positif de la batterie procédé de la manière suivante :

AVERTISSEMENT :
Vérifier que le réservoir de récapération soit vide.
- Déconnecter la fiche (2) de la prise (3).
- Soulever le réservoir de récapération (4) en utilisant les poignées spéciales (5).
Fusible (1) - 150A
Fusible batterie.
Fusible (6) - 10A
Fusible tableau de commandes.
- Le fusible (6) est un fusible réarmable. Pour le réarmer, appuyer sur la languette (7).

11.1.m - Configuration chargeur de batterie (Fig. 37)

AVERTISSEMENT:
La machine sort de la production avec une configuration standard pour le fonctionnement avec des batteries à gel de type "Sonnenschein".

DANGER:
Cette opération doit être effectue une uniquement par un technicien spécialise.
Configuration standard avec batteries à gel de type Sonnenschein
- Demonter le carter (A) du chargeur de batteries externe et contrôle que les internupteurs/switches (1-2-3-4) soient positionnés comme dans la figure (B).
Il est possible de modifier la configuration en procédant de la manière suivante :
Configuration pour batteries à gel de type différent de Sonnenschein
- Contrôler que les interrupteurs/switches (1-2-3-4) seront positionnés comme dans la figure (C).
Configuration pour batteries à acide
- Contrôler que les interrupteurs/switches (1-2-3-4) seront positionnés comme dans la figure (D).

AVERTISSEMENT:
Agir uniquement sur les switches (1 - 2 - 3 - 4); ne pas modifier la position des switches (5-6-7-8).

Fig. 37
PROBLEMES - CAUSE - RÉPARATIONS
| PROBLÉMES CAUSE RÉPARATIONS | ||
| La machine ne démarre lorsque l'on tourne la clé. | La batterie est déchargée. | Contrôler l'état de charge de la batterie. |
| Le fusible général est grillé. | Remplacer le fusible positionné sur le cable batterie. | |
| Larosse ne tourne pas. Marche au point mort. Insérer la marche avant ou arrêté. | ||
| L'aspirateur ne fonctionne pas. | Réservoir de récapération plein. | Vider le réservoir. |
| Sondes de niveau couver-tes d'impuretés. | Nettoyer avec un linge humide les sondes de niveau situées dans le réservoir de récapération. | |
| La machine n'essue pas ou essue mal en laissant des traces d'eau sur le sol. | L'aspirateur est étèint. | Démarrer l'aspirateur. |
| Le tuyau d'aspiration est encrassé. | Contrôler et eventuèlement nettoyer le tuyau d'aspiration qui relié de groupe succer au réservoir de récepération. | |
| Le réservoir de récapération est plein. | Vider le réservoir de récepération. | |
| Les raclettes en caoutchouc sont usées. | Retourner ou substituer les raclettes en caoutchouc. | |
| L'eau ne sort plus. | Réservoir vide. | Remplir le réservoir. |
| Potentiomètre de réglage de la quantité d'eau positionné sur « 0 ». | Tourner le potentiomètre. | |
| Filtre engorgé. | Nettoyer le filtré. | |
| L'électrovalve de la pompe ne fonctionne pas. | Appeler le service d'assistance technique. | |
| PROBLÉMES CAUSE RÉPARATIONS | ||
| La machine ne se déplace pas en condition de travail. | Opérateur non assis correctement su poste de conduite. | S'asseoir correctement sur le siège. |
| Marche non insérée. | Insérer la marche avec la commande relative. | |
| Capeur présence opéra-teur endommagé. | Appeler le service d'assistance pour le remplacement. | |
| Le nettoyage du sol est insuffisant. | Les brosses ou les détergents sont inadaptés. | Utiliser des brosses ou des détergents adaptés au type de sol ou selon le degré de saleté à nettoyer. |
| La brosse est usée. | Substituer la brosse. | |
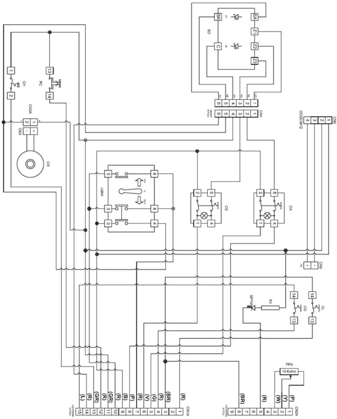
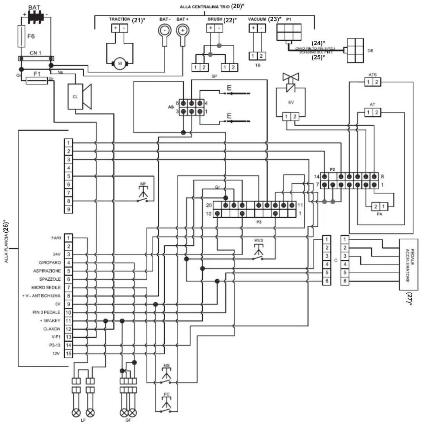
SCHEMA ÉLECTRIQUES

E112
Legende E112
CA.......Commande aspiration
CN1...Connecteur 15 PIN
CN2A...Connecteur 9 PIN
CN3... Connecteur avertisseur sonore
CN3A...Connecteur avertisseur sonore
CN4...Connecteur fiche diodes
CN5....Connecteur prise de courtoisie
CN6.... Connecteur transformateur
CR.....Avertisseur sonore marche arriere
CS……Commande Brosse
D1 Diode 1N5819
D2 Diode 1N5349 X3
DCDC3612....Transformateur 36V-12V
LMAI. .Levier marche avant/arriere
PC. .Bouton klaxon
PPA........Potentiometre pompe eau
R1. Résistance
SD Fiche diodes
SPFM.Voyant frein a main
CN1A
- Phares
3 24V - Gyrophare
- Aspiration
- Brosses
7 Micro siege - Anti-mousse
- 0V
10 PIN 3 Pedale - +36V-Key
- Klaxon
- V-F1
14 P3-13 - 12V
Legende Couleurs
R. Rouge
BR. Marron
G.......Vrt
V. Violet
P. Rose
B. Noir
GR. Gris
L. Bleu
Y. Jaune
W. Blanc

Legende E112
AS. Anti-mousse
AT Actionneur suceur
ATS Actionneurrosse
BAT. Batterie 36V
C. Connecteur
CL. Klaxon
CN1 Connecteur 175 A
DS. Ecran
E. Electrodes
EV. Electrovalve
F1. Fusible 10A
F6. Fusible 150A
FC..Fin de course descente actioneur brosses
GF .Gyrophare
LF. Lampes phares
M. Moteur traction
MVS. Micro vitesse braquage
; ? ? ? ? ? ? ? ? ? ? ? ? ? ? ? ? ? ? ? ? ? ? ? ? ? ? ? ? ? ? ? ? ? ? ? ? ? ? ? ? ? ? ? ? ? . . . . . . . . . . . . . . . . . . . . . . . . . . . . . . . . . . . . . . . . . . . . ; •
• • • • • • • • • • • • • • • • • • • • • • • • • • • • • • • • • \
Desenroscar los tornillos (2) y quitar los cauchos (1).

Notice Facile