S5 150S85 - Industrielle Scheuersaugmaschine Ghibli - Kostenlose Bedienungsanleitung
Finden Sie kostenlos die Bedienungsanleitung des Geräts S5 150S85 Ghibli als PDF.
Häufig gestellte Fragen - S5 150S85 Ghibli
Questions des utilisateurs sur S5 150S85 Ghibli
0 question sur cet appareil. Repondez a celles que vous connaissez ou posez la votre.
Poser une nouvelle question sur cet appareil
Laden Sie die Anleitung für Ihr Industrielle Scheuersaugmaschine kostenlos im PDF-Format! Finden Sie Ihr Handbuch S5 150S85 - Ghibli und nehmen Sie Ihr elektronisches Gerät wieder in die Hand. Auf dieser Seite sind alle Dokumente veröffentlicht, die für die Verwendung Ihres Geräts notwendig sind. S5 150S85 von der Marke Ghibli.
BEDIENUNGSANLEITUNG S5 150S85 Ghibli
Die Maschinenkenndaten und die Aufprüfung "CE" befinden sich auf dem Schild (1) unter der Steuertafel.
Es ist ratsam das Maschinenmodel und die dazugehörige Matrikelnummer in unten stehende Tabelle einzutragen.
ES
(Übersetzung der Originalanleitung)
ES Espanol. ES-1
Sehr verehrter Kunde,
Wir bedanken uns bei Ohnen davon, dass Sie eines unserer Produkte zur Reinigung ihrer Räume gekauft haben.
Der von Ihnen erworbene Wasch-Trockenfußbodenreiniger wurde für eine unkomplizierte Handhabung und für eine lange Lebensdauer entwickelt.
Uns ist bewusst, dass ein gutes Produkt, um im Laufe der Zeit gut zu bleiben, ständig verbessert werden muss, um die jene zufrieden zu stellen, die tagtglich mit ihm umgehen. Daher wünschen wir uns, dass Sie nicht nur ein zufriedener Kunde sind, sondern auch ein Partner, der sich nicht davor scheut, uns seine Meinungen und seine jeder Tag mit dem Gerät gemachteten Erfahrungen mitteilt.
Inhaltsangabe
1.1 EINLEITUNG DE-6
1.1.a Ziel des Handbuchs .DE-6
1.1.b Gebrauch des Handbuchs .DE-6
1.1.c Erklärung der im Handbuch verwendeten Symbole DE-6
1.1.d Begriffsverwendungen DE-6
1.2 ALLGEMEINE HINWEISEV DE-6
1.2.a Bildungsstand des Personals DE-6
1.2.b Bedienerstellung DE-7
1.2.c Unfallverhütungskleidung .DE-7
1.2.d Allgemeine Hinweise vor dem Gebrauch DE-7
1.2.e Allgemeine Hinweise während des Gebrauchs.. DE-7
1.2.f Allgemeine Hinweise zu den Batterien. DE-7
1.2.g Allgemeine Hinweise während der Wartung DE-7
1.2.h Allgemeine Hinweise bei Feuer.. DE-8
1.2.i Langerer Nichtgebrauch der Maschine DE-8
1.3 VORGESEHENER GEBRAUCH DER MASCHINE DE-8
1.4 NICT VORGESEHENER GEBRAUCH DER MASCHINE DE-8
1.4.a Explosionsgefahrdete Räume DE-8
1.5 ENTSORGUNG DER MASCHINEZ DE-8
1.6 BEZUGSVORSCHRIFTEN DE-8
2.1 ENTPACKUNG DE-9
2.1.a Maschinenzubehar .DE-9
2.1.b Installierung Batterien DE-10
2.1.c Abladen der Maschine von der Holzpalette DE-11
3.1 ZUSAMMENBAU DER BAUTEILE DE-12
3.1.a Installierung des Bodenwischers.. DE-12
4.1 LADEN DER BATTERIE DE-12
5.1 MASCHINENKENNTNISSE DE-15
6.1 BESCHREIBUNG DER MASCHINENSTEUERUNG DE-15
6.1.a Befehle der Steuertafel DE-15
6.1.b Fufpedale DE-17
6.1.c Einstellen des Bedienersitzes DE-17
6.1.d Anzeige DE-18
6.1.e Alarme, die während des Betriebs anstehen konnen.. DE-19
6.1.f Notfall DE-20
7.1 SICHERHEITEN DE-20
8.1 TANKAUFFULLUNG .DE-21
9.1 ARBEITSWEISE DE-22
9.1.a Kontrollen vor Arbeitsbeginn DE-22
9.1.b Vorbereitung der Maschine und Funktionswahl DE-23
9.1.c Gebrauch der Maschine DE-24
9.1.d - Arbeitsende und Ausschalten DE-25
10.1 ENTSORGUNG DES SCHMUTZWASSERS DE-26
11.1 WARTUNG UND REINIGUNG DE-27
11.1.a Leeren und Reinigen des Frischwassertanks DE-27
11.1.b Reinigung des Schmutzwassertanks DE-28
11.1.c Reinigung des Bodenwischers DE-29
11.1.d Reinigung der seitlichen Schutzgummis DE-29
11.1.e Reinigung des Frischwasserfilters DE-30
11.1.f Überprüfen Sie den Verschleizzustand der Lenkerkette DE-30
11.1.g Auswechseln der Bürsten DE-31
11.1.i Auswechseln der seitlichen Gummischütze DE-32
11.1.j Einstellung der Schräge des Bodenwischers DE-33
11.1.k Kontrolle des Verschleizustandes der drei Rader DE-33
11.1.1 Auswechselung der Sicherungen DE-34
11.1.mEinstellung des Aufladegerats DE-35
PROBLEM - URSACHE - BEHEBUNG DE-36
ELEKTRISCHE SCHALTPLANE DE-38
Technische Daten
| 150 S 85 150 S 100 | ||
| Führungstyp Aufsitzmaschine | ||
| Merkmale | ||
| Arbeitsweise Batterie | ||
| Batterietyp N° 6 - 6V - 240Ah - (C5) | ||
| Energieversorgung Batterie 36V | ||
| Gesamtleistung 2200 W 2500 W | ||
| Antrieb Fahrantrieb vor/zurück | ||
| Waschfußbreite 850 mm 1000 mm | ||
| Saugfußbreite 1100 mm 1300 mm | ||
| Theoretische Stundenleistung 500 m | 2/h 6000 m | 2/h |
| Vibration Hand-Arm 2.03 m/s | 2 | |
| Vibration ganzer Körper | 0.63 m/s2 | |
| Schalldruck | 68 db(A) | |
| Unsicherheit KpA | 0.75 dB (A) | |
| Bürsten | ||
| Durchmesser / pad / Anzahl | 440 mm / 17" x 2 | 508 mm / 20' x 2 |
| Motorleistung / Anzahl | 350 W x 2 | 500 W x 2 |
| Motorumdrehungsleistung | 165 Drehungen / min. | |
| Spezifischer Druck | 42 gr / cm2 | |
| Antrieb | ||
| Max. Schräge bei vollem Gewicht | 16 % | |
| Motorleistung / Nummer | 900 W | |
| Höchstgeschwindigkeit im Arbeitsbetrieb | 6 km/h | |
| Ansaugung | ||
| Motorleistung | 610 W | |
| Unterdruck (Wassersäule) | 165 / 1700 mbar / mmH2O | |
| Luftmenge | 32 l / sec | |
| 150 S 85 150 S 100 | ||
| Tank | ||
| Typ Doppeltank | ||
| Wiederverwendung Nein | ||
| Frischwasser 150 I | ||
| Schmutzwasser 160 I | ||
| Bemessungen 1570 x 900 x 1080 mm | 1570 x 1100 x 1180 | |
| Gewicht | ||
| Leergewicht 255 Kg 270 Kg | ||
| Gewicht mit Batterien 555 Kg 570 Kg | ||
| Betriebsgewicht 780 Kg 795 Kg | ||
1.1 - EINLEITUNG
Das vorliegende Hand ist fester Bestandteil der Maschine. Es muss an einem sicheren und für das Bedienpersonal (Anwender und Wartungspersonal) leicht zugänglichen Ort für die gesamte Lebensdauer bis zur Entsorgung aufbewahrt werden.
1.1.a - Ziel des Handbuchs
Das Ziel des Handbuch's ist es, alle benotigten Anweisungen zur Ingangsetzung, zum Gebrauch und Wartung der Maschine zu liefern.
Es ist sorgfältig zulesen und die im Handbuch beschreibenben Sicherheitsbestimmungen sind strengstens einzuhalten.
Die Nichtbefolgung der Anweisungen/Normen konnte Schaden an der Maschine und am Bediener verursachen, die keinesfalls dem Hersteller angelastet werden konnen.
Die im Handbuch beschreibenen Sicherheitsanweisungen verrollständigen und ersetzen nicht die geltenden Richtlinien des Landes, in dem die Maschine benutzt wird.
1.1.b - Gebrauch des Handbuchs
Das Handbuch ist in Kapitel gemäß der logischen Ordnung von Maschinenkenntnis- und Anwendung unterteilt. Um eine Suche zu erleichtern, gehen Sie zunachst zur Inhaltsan-gabe am Anfang des Handbuchs.
1.1.c - Erklärung der im Handbuch verwendeten Symbole
Zu Hervorhebung von Informationen und Verfahren bzgl. Sicherheit, Wartung usw. werden im Handbuch folgende Symbole verwendet:

GEFAHR:
Warnt vor einer ernsten, auch tödlichen Gefahr für die körperliche Universehrheit des Bediener und/oder Dritter.

HINWEIS:
Informationen von besonderer Bedeutung zur Vermeidung von schweren Schäden an der Maschine und in deren Umfeld.

BEMERKUNG:
Zusätzliche Informationen für eine korrekte Arbeitsweise der Maschine oder sonstige Anmerkungen.
1.1.d - Begriffsverwendungen
Die Angaben vorne, hinter, vorwärts, rückwärts, oben, unter, links und rechts beziehen sich auf die Fahrposition des Bedieners mit den Händen am Lenker.
Zu Vereinfachung ist der Handelsname des Modells mit dem Wort "Maschine" ersetzt worden.
1.2 - ALLGEMEINE HINWEISEV
Or Ingangsetzung, Gebrauch und Wartung der Maschine muss das Personal (Verantwortliche und Bediener) über die in diesen Handbuch vorgetragenen Verfahrensweise und Sicherheitsbestimmungen geschuilt werden. Beachten Sie alle in diesen Handbuch und in eventuell beilegten Dokumentationen enthaltenen Vorschriften.

GEFAHR:
Der Gebrauch der Maschine ist nicht eingewiesenen Personen, Kindern oder Behinderten untersagt.
1.2.a - Bildungsstand des Personals
Bediener
Unter Bediener wird ein Person verstanden, die in der Lage ist, einfache Lenk- und Reinigungsaufgaben am Ende der Arbeitsschicht vorzunehmen.
Wartungsarbeiter Elektrik/Mechanik
Qualifizierter Techniker, der Reparaturarbeit-ten oder Auswechselungen von Teilen vornehmen kann, bei denen das Schutzgehause abgenommen werden muss.
1.2.b - Bedienerstellung
Der Bediener sitzt während des Betriebs der Maschine auf der Sitzbank mit den Händen am Lenker.
1.2.c - Unfallverhütungskleidung
- Benutzen Sie Unfallverhütungskleidung, so, wie im Land, in dem die Maschine zum Einsatz kommt vorgeschreiben.
1.2.d - Allgemeine Hinweise vor dem Gebrauch
- Kontrollieren Sie vor dem Gebrauch der Maschine, dass die festen Schutzvorrichtungen (Gehäuse) immer fest in ihren Sitzen eingerastet sind.
1.2.e - Allgemeine Hinweise während des Gebrauchs
- Erzeugt die Maschine merkwürdige Gérausche, halten Sie sie sofort an und stellen Sie die Ursachen fest.
- Bei Oberflächen mit einem Neig winkel von über 16% darf die Maschine NICT verlassen werden.
Die hochstzulässige Schraglage im Leer-zustand beträgt 16% . - Es ist absolut verboten in Schräglage zu kurven; Umsturzgebung.
- Vermeiden Sie es, während des Gebrauchs an Regale oder Schranke zu stären.
- Vermeiden Sie es, die Maschine in Umgebungen zu benutzen, in denen Gegenstände herabfallen konnten.
Die Anwendung der Maschine im Freien oder auf öffentlichen Straßen ist verboten. - Benutzen Sie die Maschine in Räumlichkeiten, in denen sich wenn möglich keine Personen aufhalten, und bei Anwesenheit von fremden Personen sind diese angehalten, den Raum vor Anwendung der Maschine zu verlassen.
- Verwenden Sie die Maschine nicht in Räumlichkeiten mit atzenden oder salzigen Substanzen.
- Verwenden Sie die Maschine nicht in explosiven Räumlichkeiten (ATEX).
1.2.f - Allgemeine Hinweise zu den Batterien
Die Batteriesäure ist atzend: im Falle eines Kontaktes mit der Haut, spulen Sie diese ausgiebig mit Wasser ab.
- Tragen Sie passende persönliche Schutzkleidung, um Kontakt mit der Haut zu vermeiden (siehe geltende Richtlinien des Landes, in dem die Maschine zur Anwendung kommt).
- Keinen Dampf einatmen: er ist gefährlich.
- Beim Ladevorgang der Batterie konnten sich explosive Gasgemische bilden, daher müssen Räume, in denen die Batterie aufgeladen wird, gut beluftet sein und den diesbezüglichen Vorschriften entsprechen.
- Während des Ladevorgangs, im Bereich des Ladevorgangs und während des Abkühlungsprozesses nach dem Ladevorgang ist es verboten, im Umkreis von 2m zu rauchen und/oder offene Flammen zu entzünden.
- Melden Sie eventuelle Austritte von Flüssigkeiten aus der Batterie: sie sind gefährlich und hoch schädlich.
1.2.g - Allgemeine Hinweise während der Wartung
- Klemmen Sie die Batterie / das Elektro-kabel vor Ausführung der Wartungs- oder Reparaturarbeiten immer ab.
- Legen Sie keine Werkzeuge oder metallische Gegenstände auf die Batterie, es besteht Gefahr eines Kurzschlusses.
- Benutzen Sie zur Reinigung und zur Spülung keine aggressiven, säure- oder laugenhaltigen oder Reinigungsmittel und achten Sie besonders auf die elektrischen Bauteile.
- Reinigen Sie die Maschine nicht mit direktem Wasserstrahl oder Druckstrahl.
- Muss die Maschine für eventuelle Wartungsarbeiten angehoben werden, so ist in Sicherheit zu arbeiten, indem unter sie feste Stützen geschoben werden.
Wenden Sie sich bei Reparaturarbeiten an einen autorisierten Kundendienst und benu- zen Sie nur ORIGINALERSATZTEILE.
1.2.h - Allgemeine Hinweise bei Feuer
- Bei Feuer benutzen Sie nur geprüfte Feu erlöscher, benutzen Sie NIEMALS Wasser zum Löschen.
1.2.i - Längerer Nichtgebrauch der Maschine
- Bringen Sie die Maschine in einen vor Witterungseinfüssen geschützten Ort mit einer Temperatur von 5^ bis +40^ .
- Entfernen Sie den Zündschlüssel.
- Entleeren Sie das Frischwasser aus dem Tank.
- Laden Sie die Batterien auf und nach Aufladung klemmen Sie sie von der Maschine ab.
- Führn Sie den Ladevorgang einmal im Monat durch.
1.3 - VORGESEHENER GEBRAUCH DER MASCHINE
Die Maschine wurde entwickelt und gebaut zu Waschung und Trocknung von Fußboden in überdachten Räumen.

GEFAHR:
Jede andere Verwendung entbindet den Hersteller von der Haftung fur Schaden an Personen und/oder Sachen und lasst jegliche Garantiebedingung erlöschen.
1.4 - NICT VORGESEHNER GEBRAUCH DER MASCHINE

HINWEIS:
Die Maschine ist nicht für den Gebrauch im Freien bestimmt.

GEFAHR:
- Waschen Sie keine Böden mit einer Wassertemperatur über 50^ ;
- benutzen Sie kein Dieselkraftstoff/ Benzin oder atzende Reinigungsmittel zur Reinigung von Fußboden;
-
waschen und saugen Sie keine atzenden, entflammbaren, explosiven Flüssigkeiten, auch wenn sie verdünnt sind;
-
Benutzen Sie die Maschine nicht bei geöffnetem Schmutzwassertank;
- fahren Sie nicht mit herab baumelnden Füssen/Beinen;
- führten Sie keine jahren LenkmanOVER, vor allem bei Abfahrten, aus;

HINWEIS:
Die Maschine ist nur für den Transport EINER Person geeignet.
1.4.a - Explosionsgefahrdete Räume
Es ist absolut undersagt, die Maschine in Räumen zu benutzen, in denen Explosionsgefahr besteht und in denen entflammbare und explosive Gase, Dämpfe, Flüssigkeiten und Pulver vorkommen.
1.5 - ENTSORGUNG DER MASCHINEZ
Zum Schutz der Umwelt verschritten Sie die Maschine gemäß der geltenden ortlichen Vorschrift.
Ist die Maschine nicht mehr gebrauchstüch-tig und nicht mehr zu reparieren, entsorgen Sie ihre Bauteile nach der Regel der Müll-trennung.

GEFAHR:
Die Batterien sind als Sondermull anzusehen und müssenDMAH in entsprechen den Sammelstellen, wie in den geltenden Vorschriften des Benutzerlandes vorgesehen, entsorgt werden.
Die unsachgemäß oder missbrächliche Abfallbeseitigung von Bauteilen oder ihre sachfremde Anwendung kann durch ihre Substanzen und Materialien Schäden an Personen und Sachen hervorrufen.
1.6 - BEZUGSVORSCHRIFTEN
Die Maschine wurde in Übereinstimmung mit den geltenden Maschinenrichtlinien und in Übereinstimmung mit «EG»-Konformitätserklarung, die mit der Maschine geliefert wird, gebaut.
2.1 - ENTPACKUNG (Abb. 1)
Ist das Verpackungsmaterial einmal beseitigt, so, wie wie auf dem Verpackungsmaterial selbst gezeigt, überprüfen Sie, dass die Maschine und ihr Zubehör vollständig ist.
Werden eindeutig Schaden festgestellt, so informieren Sie innerhalb von 3 Tage den zuständigen Gebietsvertreiber und das Transportunternehmen.
- Entfernen Sie die Hülle (1) mit den Zube-hörteilen.
2.1.a - Maschinenzubehär (Abb. 2)
Folgende Zubehörteile sind enthalten:
1) Gebrauch- und Wartungshandbuch der Maschine.
2) Betriebsanleitung Batterieladegerate (wenn vorhanden).
3) Nr. 2 Bürsten (in der Maschine eingebaut).



DE
2.1.b - Installierung Batterien (Abb. 3)
- Den Schmutzwassertank (1) an den entsprechenden Griffen (2) anheiten.
Der Tank wird durch den Druck der Gasfeder (3) offen gehalten.
-
positionieren Sie die Batterien wie in der Abbildung gezeigt und schlieben Sie sie wie in unten stehender Zeichnung gezeigt mittels der mitgelieferten Kabel und Stecker an.
-
verbinden Sie den Stecker (4) der Batterien mit dem Steckanschluss (5).
- Den Schmutzwassertank (1) vorsichtig bis ganz nach unter drücken.

BEMERKUNG:
Der Anschluss der Batterien muss von Fachpersonal vorgenommen werden.

2.1.c - Abladen der Maschine von der Holzpalette (Abb. 4-5)
- befestigen Sie eine Rutsche (1) an die Holzpalette.
entfernen Sie die Holzpflöcke (2) von den drei Rädern. - Auf dem Bedienersitz Platznehmen.
- Sicherstellen, dass die Schalter (3) und (4) auf Position "0" stehen.
Die Standbremse (6) losen. Die Bremse (5) gedrückt halten, damit die Maschine sich nicht ungewollt fortbewegt.
Die Maschine anlassen und den Anlassschlussel (7) auf Position "I" drehen.
Die Gangschaftung (8) entweder auf (Vorwartsgang) oder (Rückwartsgang) drehen, das Beschleunigungspedal (9) drücken und die Maschine über die Rutsche von der Holzpalette fahren.



3.1 - ZUSAMMENBAU DER BAUTEILE
3.1.a - Installierung des Bodenwischers (Abb. 6)
- setzen Sie den Bodenwischer (1) in die Halteplatte (2) und drehen Sieihn mit den Feststellknopfen (3) fest.
- verbinden Sie den Ansaugschlauch (4) mit dem Stutzen des Bodenwischers.
4.1 - LADEN DER BATTERIE

GEFAHR:
Führer Sie den Ladevorgang der Batterien in gut durchlufteten Räumen und gemäß den Ländernormen des Einsatzes der Maschine durch.
Für Informationen über die Sicherheit sehen Sie nach, was hierzu im Kapitel 1 des vorliegenden Handbuchsgeschrieben stehen.

VORSICHT:
Anleitungen und Hinweise über die Batterie entnehmer Sieitte dem beiliegenden Handbuch des Batterieladegerates.

HINWEIS:
Die Maschine ist ab Fabrik auf eine Arbeit mit einer Gel-Zellen-Batterie geeicht. Wenn Sie eine Säurebatterie einsetzen müssen, wenden Sie sich an den Kundenservice um eine neue Eichung vornehmen zu halten.
Es ist verboten die Maschine mit Gel-Batterie zu benutzen, wenn letzte auf Säurebatterie geeicht ist.

BEMERKUNG:
Für weitere Informationen zur Eichung, siehen Sie unter den Informationen im Abschnitt 11.1.1. nach

BEMERKUNG:
Für eine vollständige Aufladung der Batterienbenötigt man 10 Stunden. Vermeiden Sie unvollständige Ladezeiten.

4.1.a - Aufladen der Batterie durch externes Ladegerät (Abb. 7)
- Bringen sie die Maschine in die Höhe der Batterieladestation.
- ziehen Sie den Stecker (1) der Batterie aus der Steckdose (2) der Anlage.
- Verbinden Sie den Stecker (1) der Batterien mit der Steckdose (3) des externen Ladegerats.
- Am Ende des Ladevorgangs verbinden Sie wieder den Stecker (1) der Batterien an der Steckdose (2) der Anlage.


5.1 - MASCHINENKENNTNISSE (Abb. 8)
1) Lenker
2) Schaltpult
3) Bedienersitz
4) Bedienersitzverstellung
5) Stecker/Steckdose für die Batterie
6) Fußstütze
7) Beschleunigungspedal
8) Bremspedal
9) Standbremse
10) Sicherheitsleuchten
11) Schmutzwassertank
12) Deckel vom Schmutzwassertank
13) Frischwassertank
14) Einfluttstuten vom Frischwassertank
15) Ablassschlauch für Schmutzwasser
16) Ansaugschlauch für Bodenwischerwasser
17) Ablassschlauch für Frischwasser
18) Gasfeder
(19) Bürstengruppe
20) Bodenwischer
(21) Seitliche Schutzgummis
22) Wasserfilter
23) Lenk- und Antriebsrad
24) Hinterräder
25) Arbeitsleuchten
6.1 BESCHREIBUNG DER MASCHINENSTEUERUNG
6.1.a - Befehle der Steuertafel (Abb. 9)

1) Anzeige
- Siehe Abschnitt ("Anzeigsteuerung")
2) Nicht zugeordneter Druckknopf
3) Anlassertaste Ansauger (Leuchttaste) -
Der Betrieb des Ansaugers ist nur möglich, wenn der Anlassschlüssel (7) auf Position "I" steht.
Durch Drucken der Taste (3) auf Position "I" wird der Ansauger eingeschaltet; auf der Anzeige leuchtet das Symbol auf und, wenn der Vorwärtsgang oder der Leerlauf eingelegt sind, senkt sich der Waschfuss ab. -
Wenn die Taste wieder auf Position "0" gedrückt wird, bleibt der Ansauger stehen und der Waschfuss wird angehoben.
4) Leistungsbegrenzer zur Einstellung der Wassermenge - Mit dem Leistungsbegrenzer wird die verwendete Wassermenge geregelt.
- Stufenweise im Uhrzeigersinn drehen, um die Wassermenge zu erhöhen; gegen den Uhrzeigersinn drehen, um sie zu verringern.
- Das Wasser lauft nur bei vorwärts laufender Maschine aus.
5) Anzeigelampe Standbremse gezogen (Leuchtschalter)
- Der Betrieb dieser Lampe ist nur bei eingeschalteten Anlassschlüssel (7) auf Position "I" möglich.
Das Aufleuchten dieser Lampe zeigt an, dass die Standbremse festgestellt worden ist.
6) Bürstentaste (ON/OFF) - Der Betrieb dieser Taste ist nur bei eingeschalteten Anlassschlüssel (7) auf Position "I" möglich.
- Durch Drücken dieser Taste (6) auf Position "I", senkt sich die Bürstengruppe ab; auf der Anzeige leuchtet das Symbol auf.
Die Bürsten beginnen sich zu drehen, wenn sich die Maschine nach vorne oder zurück bewegt und sie halten an, wenn die Maschine anhalt. - Durch erneuten Druck auf diese Taste in Position "0" bleiben die Bürsten stehen, die Bürstengruppe wird angehoben und das Symbol auf der Anzeige erlischt.
7) Zündschlüssel
Eine Drehung im Uhrzeigersinn "I" versorgt die Maschine mit Strom und macht sie betriebsbereit. Eine Drehung im Gegenuhrzeigersinn "0" unterbricht dir Stromzufuhr, der Schlüssel kann nun abgezogen werden.
8) Gangschaltung
Dient zur Einstellung der Betriebsart Vorwärtsgang oder Rückwärtsgang.
Wird der Schalter auf nach vorne gestellt, fahr die Maschine vorwärts; wird der Schalter auf nach hinten gestellt, fahr die Maschine rückwärts und das entsprechende Signal er tont; wenn der Schalter auf der mittleren Position "0" steht, lauft die Maschine im Leerlauf.
9) Akustisches Warnsignal
- Mit diesen Knopf wird das akustische Warnsignal betätig.
Das Warnsignal kann nur betätigter werden, wenn der Schlüssel (7) auf Position "I" liegt.
10) Schalter für Sicherheitsleuchten
- Bei eingeschaltetem Anlassschlussel (7) auf Position "I" möglich werden durch Drukken these Schalters die Sicherheitsleuchten eingeschaltet.
11) Schalter für Arbeitsleuchten - Bei eingeschaltetem Anlassschlüssel (7) auf Position "I" möglich werden durch Drucken these Schalters die Arbeitsleuchten eingeschaltet.
12) 12 V (1 A) Steckdose - Steckdose zu 12 V (1 A)
Die Steckdose ist nur betriebsfähig, wenn der Schlüssel (7) auf Position „I" steht.
6.1.b - Fußpedale (Abb. 10)
Bremspedal (1)
- Durch Betätigung des Bremspedals (1) wird die Maschine stufenweise und bis zum Stillstand abgebremst.
Hebel der Standbremse (2)
Die Standbremse muss jeder Mal betätig werden, wenn der Bediener von der Maschine steigt.
Die Standbremse wird durch Drucken des Bremspedals (1) betätig.
- Um die Standbremse zu losen, den entsprechenden Hebel (2) drucken.
Beschleunigungspedal (3)
- Durch Betätigung des Beschleunigungspedals fahr die Maschine, je nachdem, ob der Vorwärts- oder der Rückwärtsgang eingestellt ist, vorwärts oder rückwärts.
6.1.c - Einstellen des Bedienersitzes (Abb. 10)

HINWEIS:
Der Bedienersitzarf nur bei stehender Maschine vorgenommen werden.
- der Sitz kann vor oder rückwärts verschoben werden;
den entsprechenden Hebels (4) unter dem Sitz hochziehen und den Sitz verstellen.

6.1.d - Anzeige (Abb. 11-12-13)
Auf dem Schaltpult befindet sich eine Anzeige, die aufleucht, wenn der Anlasssschluss auf Position"1" gedreht wird.
Auf der Anzeige werden folgende Betriebszustände angezeigt:
Batteriestand
- Auf der Anzeige erschreiben Balken (1), die den Batteriestand anzeigen:
Batterie aufgeladen: die Balken sind vollständig. Je nach Verbrauch, verschwinden die Balken von der Anzeige.
Batterie leer: es wird nur noch ein Balken angezeigt und das Batteriesymbol leuchtet.
Zeigt an, dass die Batterieladung leer ist. Alle Arbeitsfunktionen sind ausgeschelt, lediglich der Antrieb bleibt in Betrieb.
Timer (2)
- Der Timer zeigt die Gesamtbetriebszeit der Maschine an.
Symbol Ansauger (3) (Abb. 12)
- Dieses Symbol leuchtet auf der Anzeige auf, wenn der Ansauger in Betrieb ist.
Symbol Birstengruppe (4) (Abb. 13)
- Dieses Symbol leuchtet auf der Anzeige auf, wenn die Bürstengruppe in Betrieb ist.



6.1.e - Alarme, die während des Betriebs anstehen können (Abb. 14)
Wenn während des Betriebs der Maschine ein Alarm gesetzt wird, erscheint das Symbol zusammen mit dem entsprechenden Alarmkode auf der Anzeige.
Folgende Alarme können gesetzt werden:
-1E03
Dieser Alarm wird bei zwei Situationen gesetzt:
a) Tasten und Schalter stehen nicht alle auf Position 0^
Den Schlüssel auf Position "0" drehen, alle Tasten auf Position „0" stellen und die Maschine erneut anlassen.
b) Der Schmutzwassertank ist voll
Der Stand im Schmutzwassertank hat die Alarmsonde erreicht; der Ansauger wird abgeschaltet. Die nachste Entsorgungstelle anfahren und das Schmutzwasser gemäß der Anleitungen des entsprechenden Abschnitts entsorgen.
-2F01:
Die Maschine wurde bei gedrücktem Beschleunigungspedal angelassen.
Die Maschine erneut anlassen, aber ohne das Pedal zu drucken.
- Das Batteriesymbol blinkt:
Zeigt an, dass die Batterieladung leer ist. Alle Arbeitsfunktionen sind ausgeschelt, lediglich der Antrieb bleibt in Betrieb. Begeben Sie sich sofort zur Ladestelle.

ANMERKUNG:
Falls andere Fehlermeldungen angezeigt werden,itte den Kundendienst rufen.

6.1.f - Notfall (Abb. 15)
Bei Notfallen immer sofort den Netzstecker (1) aus der Steckdose (2)ziehen; dadurch wird die Stromzufuhr zur Maschine und damit jeder Funktion unterbrochen.

HINWEIS:
Den Netzstecker bei laufender Maschine nur in Notfällenziehen; diesen Vorgang nicht zum Ausschalten der Maschine vornehmen: es konnen dadurch schwere Schaden an der Maschine hervorgerufen werden.

7.1 - SICHERHEITEN (Abb. 16)

HINWEIS:
Die Maschine ist mit einem Sensor (1) "Bediener anwesend" ausgestattet. Dieser Sensor blockiert alle Funktionen in der Maschine, wenn der Bediener sich nicht auf dem Fahrersitz befindet und setzen die Maschine in den Leerlauf.

8.1 - TANKAUFFÜLLUNG (Abb. 17)

HINWEIS:
Füllen Sie in den Tank nur sauberes Wasser aus der Leitung mit einer Temperatur nicht über 50^ ein.
- Sicherstellen, dass der Schlauch (1) rich-tig am Tankstützen eingerastet ist.
- Den Stopfen (2) am Frischwassertank (3) öffnen.
- Den Tank (3) vollständig mit Wasser befüllen.
- Das Reinigungsmittel entsprechend der eingefüllten Wassermenge zugeben.

BEMERKUNG:
Verwenden Sie nur nicht schäumende Reinigungsmittel, für die Menge sehen Sie in den Angaben des Reinigungsmittelherstellers und der Art des zu beseitigenden Schmutzes.

GEFAHR:
- Wenn Augen oder Haut mit dem Reinigungsmittel in Kontakt geraten sind oder wenn es verschlucht wurde, sehen im Sicherheits- und Anwendungsblatt des Reinigungsmittelherstellers nach.
- Nach Befüllen des Tankes, den Stopfen (2) wieder verschreiben.

9.1 - ARBEITSWEISE (Abb. 18)
9.1.a - Kontrollen vor Arbeitsbeginn
- Kontrollieren Sie, dass der Auslaufschlauch (1) des Schmutzwassertanks richtig eingehakt und korrekt verschussen ist.
- Kontrollieren Sie, dass der Ansaugschlauch (2) des Wassers für den Bodenwischer correkt in den Schmutzwassertank eingeführt ist.
- Kontrollieren Sie, dass der Anschluss (3) auf dem Bodenwischer (4) nicht verstopft ist und dass der Schlauch korrekt angeschlossen ist.
- Kontrollieren Sie den Ladezustand der Batterien, indem Sie den Schlüssel (5) auf "ON" drehen und die Ladeanzeige auf dem Display (6) prufen.

9.1.b - Vorbereitung der Maschine und Funktionswahl (Abb. 19)
- Setzen Sie sich auf den Führersitz und losen Sie die Feststellbremse (1).
Arbeitsdurchgang:
Die Maschine kann 4 Arbeitsdurchgänge ausführten:
Nur Trocknen:
Um nur den Trockengang vorzunehmen, Taste (2) auf Position „I" drücken, um den Ansauger einzuschalten.
Nur Kehren:
- Um nur den Bürstengang vorzunehmen, Taste (3) auf Position „I" drücken, um das Drehen der Bürsten einzuschalten: sicherstellen, dass das Leistungsbegrenzer (4) auf Position „O" steht.
Die Drehung der Bürsten beginnt, sobald die Maschine sich zu bewegen beginnt.
Wasch- Kehrdurchgang:
- Taste (3) drücken, um die Drehung der Bürsten anzulassen, und den Leistungsbegrenzer (4) drehen, um die Wasser-ausgabe einzuschalten.
Die Drehung der Bürsten und die Wasserabgabe (nur beim Vorwärtsgang) beginnen, sobald die Maschine sich zu bewegen anfängt.
Wasch- Kehr- und Trockendurchgang:
-
Den Leistungsbegrenzer (4) drehen, um die Wasserausgabe einzuschalten;
-
Taste (3) auf Position „I" drücken, um die Drehung der Bürstengruppe anzulassen, sobald die Maschine sich bewegt;
-
durch Drücken der Taste (2) auf Position „I" wird der Ansauger angelassen.

9.1.c - Gebrauch der Maschine (Abb. 20-21)

ACHTUNG:
Beim Einsatz der Maschine auf Rampen immer sehr vorsichtig vorgehen, um das Kippen der Maschine oder Situationen, in den die Maschine aus dem Gleichgewicht geraten kann, zu vermeiden.

ACHTUNG:
Brüskes Bremsen und Kurvenfahrt mit voll eingedrehtem Lenker vermeiden oder bei sehr langsamer Fahrgeschwindigkeit vornehmen und auf die Bedingungen des Fußbodens achten.
- Nachdem die Maschine eingeschaltet wurde, die Arbeitsfunktion am Gangschafter (1) wahlen;
Die Signalleuchten (2) und die Arbeitsleuchten (3) einschalten. - Beginnen Sie mit den Reinigungsrarbeitendurch Betätigung des Beschleunigers (4).

BEMERKUNG:
Wenn Sie den Beschleuniger nicht mehr betätigten, halten die Drehung der Bürsten und die Wasserabgabe an.

BEMERKUNG:
Die richtige Reinigung und Trocknung des Bodens erzielt man, wenn die Maschine im Vorwärtsgang betrieben wird. Im Rückwärtsgang liegt sich der Bodenwischer an und das auf dem Boden verbliebene Wasser wird nicht abgesaugt.
Die Wischwassermenge am Leistungsbegrenzer (5) einstellen.
- Kontrollieren sie über das Display (6) den Ladezustand der Batterien.



GEFAHR:
Wenn der Bediener von der Maschine absteigt, setzen sich diese in den Leerlauf und es ist ZwingEND vorgeschreiben, die Feststellbremse zuziehen, wie im Kapitel „Fußpedale“ beschreiben.

ACHTUNG:
Die Maschine nie auf einer Rampe parken.
9.1.d - Arbeitsende und Ausschalten (Abb. 22)
- Am Ende der Reinigungsrarbeiten halten Sie in Reihen folge die Drehung der Bürsten und den Ansauger an, indem Sie die entsprechenden Steuerungsbefehle je nach Betriebsmodus eingeben.
- Drehen Sie den Schlüssel(1) auf “0”.
- Legen Sie die Feststellbremse ein, wie im Abschnitt "Fußpedale" beschrieben.
- Leeren und saubern Sie den Schmutzwassertank und den Lösungsmitteltank, wie in den entsprechenden Abschnitten beschreiben.

10.1 - ENTSORGUNG DES SCHMUTZWASSERS (Abb. 23)

ACHTUNG:
Sicherstellen, dass der Schmutzwassertank leer ist, bevor er angehoben wird.
Nach dem Arbeitsdurchgang oder wenn der Schmutzwassertank (1) voll ist, muss er auf folgende Art geleert werden:

BEMERKUNG:
Zur Entsorgung des Schmutzwassers halten Sie sich an die Regeln des Landes, in dem die Maschine eingesetzt wird.
- Stellen Sie sich mit der Maschine in die Nähe eines Abflusses.
- Den Schlauch (2) vom Träger entfern.
- Entfernen Sie den Stopfen (3) vom Schlauch (2) und entleeren Sie vollständig das Wasser im Tank.

BEMERKUNG:
Über einen Druck auf das Schlauchende (2) kann die Menge des ausströmenden Wassers eingestellt werden.
- Setzen Sie die Kappe (3) auf den Schlauch (2) und positionieren sieihn auf die Halterung.


11.1 WARTUNG UND REINIGUNG

HINWEIS:
Für Informationen und Hinweise zu Wartungs- oder Reinigungsmaßnahmen führen Sie unter dem Abschnitt „Allgemeine Hinweise während der Wartung" im Kapitel 1 des vorliegenden Handbuchs nach.
TÄGLICH AUSZUFÜHRENDE MASSNAHMSN
11.1.a - Leeren und Reinigen des Frischwassertanks (Abb. 24)

HINWEIS:
Am Ende der Reinigungsrarbeiten muss der Frischwassertank (1) entleert und und gesaubert werden, um Ablagerungen und Verkrustungen zu vermeiden.
Nach der Entleerung des Schmutzwassertanks, entleeren Sie den Frischwassertank (1) auf folgende Weise.
- Stellen Sie sich mit der Maschine in die Nähe eines Abflusses.
- Den Schlauch (2) aus der Halterungziehen, nach unten in Richtung Abflussziehen, den Stopfen (3) öffnen und das Wasser abfließen setzen.
- Waschen Sie das Innere des Tanks, wo bei Sie den Auslaufschlauch offen halten, und fullen Sie Frischwasser in die obere Öffnung.
- Am Ende der Reinigungsrarbeit haben Sie den Schlauch (2) hoch, verschlieben Sieihn mit der Kappe (3) und hangen Sie den Schlauch in die entsprechenden Halterungen.

11.1.b - Reinigung des Schmutzwassertanks (Abb. 25-26)

HINWEIS:
Am Ende der Reinigungsrarbeiten muss der Schmutzwassertank gesaubert werden, um zu vermeiden, dass sich Ablagerungen und Krusten bilden und zur Vermeidung von Bakterien, Gerüche und Schimmelpilzen.

ACHTUNG:
Vor Anheiten des Tanks (2), das Schmutzwasser vollständig ablassen.
- Entfernen Sie den Deckel (1).
- Den Schmutzwassertank (2) anheben.
- Lassen Sie den Schlauch (3) nach unten gehalten und ohne Deckel und füllen Wasser über die obere Öffnung (4) zur Säuberung des Tankes solange Wasser ein, bis aus dem Entleerungsschlauch sauberes Wasser austritt.
- Reinigen Sie mit einem feuchten Tuch die Wasserstandssensoren (5). Geben Sie bereits Acht, sie sich zu verbiegen.
- Setzen Sie alles in umgekehrter Reihenfolge wieder ein.
- Drehen Sie die Inbusschraube (6) ab und entfern den Sie den Filterdeckel (7).
- Entfernen und reinigen Sie den Ansaugfilter (8), indem Sie eventuelle Papierstücke, Holz usw., die他们在verstopfen entfern.




Abb. 25
11.1.c - Reinigung des Bodenwischers (Abb. 27)
Um den Wischer (2) richtig zu reinigen muss er folgendermaßen entfernt werden:
- Den Schlauch (1) vom Wischer (2) abziehen.
Die Drehknöpfe (3) lockern und den Wischer (2) entfern. - Den Wischer und besonderss die die Gummis (4) säubern ebenso wie das Innere des Ansauganschlusses (5).

BEMERKUNG:
Sollten Sie während der Reinigung feststellen, dass die Gummis (4) defekt oder abgenutzt sind, wechseln Sie sie aus oder drehen Sie sie um.
- Bauen Sie alles wieder in umgekehrter Reihenfolge ein.
11.1.d - Reinigung der seitlichen Schutzgummis (Abb. 28)
Die seitlichen Schutzgummis (1) müssen zur Reinigung folgendermaßen abgenommen werden:
Die Knöpfe (2) lösen und die Schutzgummis abnehmer (1).
- Den Gummischutz (3) waschen.

BEMERKUNG:
Sollten Sie während der Reinigung feststellen, dass die Gummis (3) defekt oder abgenutzt sind, wechseln Sie sie aus oder drehen Sie sie um.
- Bauen Sie alles wieder in umgekehrter Reihenfolge ein.

Abb. 27

WÖCHENTLICH DURCHZUFÜHRENDE MASSNAHMSN
11.1.e - Reinigung des Frischwasserfilters (Abb. 29)
Die Rastervorrichtung (2) am Filter (1) lose und aus der Haltevorrichtung (3) haben.
- Den Filter (1) drehen und aus der Maschine fühmen.
- Den Stopfen (4) losen und den Filtereinsatz (5) Herausnahmen.
- Den Filtereinsatz (5) herausnehmer unter fließendem Wasser reinigen.
- Bauen Sie alles wieder in umgekehrter Reihenfolge ein.
MASSNAHMEN, DIE ALLE 3 MONATE DURCHZUFUHREN SIND
11.1.f - Überprüfen Sie den Verschleibzustand der Lenkerkette (Abb. 30)
- Kontrollieren Sie den Verschleiß- und Verrostungszustand der unter der Maschine bei den Vorderrädern befindlichen Kette (1).
Wenn Die Kette Spuren von Verrostung aufweist, muss Sie ausgetauscht werden. Hierzu wenden Sie sich an den technischen Kundendienst.





BEI BEDARF DURCHZUFUHRENDE MASSNAHMSN
11.1.g - Auswechseln der Bürsten (Abb. 31)
Eine Auswechselung der Bürste wird notwendig, wenn die Borsten durch Abnutzung kürzer wie 2cm geworden sind oder auch wenn in Abhängigkeit des zu reinigenden Fußbodens. Zum Auswechseln gehen Sie wie folgt vor:
- Führer Sie eine Hand unter die Bürstenhaltergruppe (1) ein. Um die Bürste auszuklien, drehen Sie sie ruckartig in Gegendrehrichtigung.
- Positionieren Sie unter die Bürstenhaltergruppe (1) die neuen Bürsten.
- Setzen Sie sich auf den Fahrsitz und dren Sie den Schlüssel (2) in Position "I".
- Legen Sie einen Gang ein.
- Drücken sie die Taste (3), um die Drehung Bürsten zu aktivieren; die Bürstengruppe senkt sich ab.
- Das Beschleunigungspedal (4) drucken, damit die Bürstenflansche sich drehen und die Bürsten aufnehmen können; sobald die Bürstensätze eingerastet sind, das Pedal wieder loslassen.
- Drucken Sie erneut die Taste (3) und drehen Sie den Schlüssel (2) in Position "0".

11.1.h - Auswechseln des Wischer gummis (Abb. 32)
Wenn Sie bemerken, dass die Trocknung des Bodens schwierig wird oder dass auf dem Boden eine Wasserspuren bleiben, wird es nötig sein, den Verschleißgrad der Wischergummis (1) zu kontrollieren:
- Entfernen Sie die Wischergruppe (1) wie im Abschnitt „Reinigung des Wischers" beschrieben.
- Schrauben Sie die Flügelmattern (2) auf und entfern den Sie die Gummis (3).

BEMERKUNG:
Wenn die Gummis (3) nur auf einer Seite abgenutzt sind, können Sie gedreht werden.
- Ersetzen oder drehen Sie die Gummis (3) um, ohne sie miteinander zu vertauschen.
- Bauen Sie alles wieder in umgekehrter Reihenfolge ein.

BEMERKUNG:
Es konnen zwei Arten von Gummis verwendet werden: Gummi aus Paragummi für alle Bodenarten und Gummis aus Polyurethan für olverschmutzte Böden von Werkstätten.
11.1.i - Auswechseln der seitlichen Gummischütze (Abb. 33)
Wenn die seitlichen Schutzgummis (1) das Wischwasser nicht mehr enthalten und es Herauslauf, sollenn Zustand und Abnutzung geprüft werden:
- Den seitlichen Gummischutz abnehmer, wie im Abschnitt „Reinigung der seitlichen Gummischütze" beschrieben.
Die Schrauben (2) losen und das Schutzgummi (1) abnehmer.

BEMERKUNG:
Wenn die Gummis (2) nur auf einer Seite abgenutzt sind, können Sie gedreht werden.



- Ersetzen oder drehen Sie die Gummis (1) um, ohne sie miteinander zu vertauschen.
- Bauen Sie alles wieder in umgekehrter Reihenfolge ein.
11.1.j - Einstellung der Schräge des Bodenwischers (Abb. 34)
- Schalten Sie die Maschine an und Drukken sie die Taste, die Wischergruppe kenkt sich ab.
- Legen Sie den Vorwärtsgang ein und bewegen Sie sich um eine Meter, legen Sie dann die Feststellbremse ein und steigen Sie von der Maschine ab.
- Betätigkeiten Sie die Gewindestange (1), um den Winkel der Abstreifer (2) zum Boden einzustellen. Drehung in Uhrzeigersinn, wenn sie einen hohenen Einfallswinkel haben, entgegengesetzt, wenn sie einen niedrigeren Einfallswinkel haben.

BEMERKUNG:
Der korrekte Winkel ist erreicht, wenn sich während des Betriebs keine Flüssigkeits-schlieren auf dem Boden bilden und der Abstreifer einen über die ganze Länge durchgehenden Winkel aufweist.
11.1.k - Kontrolle des Verschleibzustandes der drei Räder (Abb. 35)
- Kontrollieren Sie regelmäßigen den Verschleibzustand der drei Räder (1); wenn sich Abnutzungen oder Schäden zeigen müssen sie ausgetauscht werden. Wenden Sie sich hierzu an den technischen Kundendienst.

GEFAHR:
Ein Fortfahren der Arbeit mit entsprechenden oder beschädigten Rädern bedeutete eine Gefahr für den Bediener, da die Maschine eine schlechtere Bodenhaltung in den Kurven hat.



11.1.I - Auswechselung der Sicherungen (Abb. 36)

HINWEIS:
Ersetzen Sie die durchgebrannten Schmelzsicherungen mit einer grelicher Amperezahl.
Die Sicherung (1) am positiven Batteriepol wird folgendermaßen ausgewechselt:

HINWEIS:
Erst sicherstellen, dass der Schmutzwassertank geleert wurde.
- Den Netzstecker (2) aus der Steckdose (3)ziehen.
- Den Schmutzwassertank (4) am entsprechenden Griff (5) anheben.
Sicherung (1) - 150A
Batteriesicherung.
Sicherung (6) - 10A
Sicherung für das Schaltpult.
Die Sicherung (6) kann nach dem Ansprechen wieder eingeschaltet werden. Zum Wiedereinschalten der Sicherung das Zünglein (7) eindrücken.

11.1.m - Einstellung des Aufladegerats (Abb. 37)

HINWEIS:
Die Maschine ist ab Werk mit einer Arbeitsstandardeinstellung mit Gel-Batterien des Typs „Sonnenschein" vorerüstet.

ACHTUNG:
Dieser Vorgang damit nur von spezialisiertem Fachpersonal vorgenommen werden.
Standardinstellung mit Gel-Batterien des Typs Sonnenschein
- Das Gehäuse (A) des äußeren Batterie-ladegerätes abnehmer und sicherstellen, dass die Schalter (1-2-3-4) wie auf der Abb. (B) dargestellt geschaltet sind.
Ein Einstellung kann folgendermaßen geändert werden:
Einstellung für Gel-Batterien, die nicht vom Typ Sonnenschein sind
- Sicherstellen, dass die Schalter (1-2-3-4) wie auf der Abb. (C) dargestellt geschalteit sind.
Einstellung fur Saurebatterien
- Sicherstellen, dass die Schalter (1-2-3-4) wie auf der Abb. (D) dargestellt geschalteit sind.

HINWEIS:
Betätigten Sie nur die Switchs (1 - 2 - 3 - 4);ändern Se nicht deren Position (5 - 6 - 7 - 8).

Abb. 37
PROBLEM - URSACHE - BEHEBUNG
| PROBLEM URS | ACHE BEHEBUNG | |
| Bei Drehen des Schlüssels schaltet sich die Maschine nicht ein. | Batterie leer.Hauptsicherung durchge-brannt. | Ladezustand der Batterien überprüfen.Ersetzen der Sicherung auf dem Batteriekabel. |
| Bürste dreht sich nicht. Leerlauf. Den Vorwärts- oder Rück-wärtsgang einlagen. | ||
| Ansauger Funktioniert nicht. Schmutzwassertank voll.Wasserstandssonde ver-schmutzt. | Den Tank leeren.Reinigen Sie mit einem feuchten Tuch die Wasser-standssonden im Schmitz-wassertank. | |
| Die Maschine trocknet nicht oder trocknet nicht gut und{lösst Wasserstreifen auf dem Boden. | Ansauger ausgeschaltet.Ansaugschlauchverstopft.Schmutzwassertank voll.Wischergummis verschlussen. | Ansauger einschalten.Den Ansaugschlauch, der den Wischer mit dem Schmutzwassertank ver-bindet, kontrollieren und eventuell reinigen.Den Schmutzwassertank leeren.Die Wischergummis umdrehen oder ersetzen. |
| Wasser tritt nicht aus. | Tank ist leer.Der Leistungsbegrenzer zur Wasserregulierung ste-ht auf „0“Filter verstopft.Magnetventil funktioniert nicht. | Den Tank füllen.Den Leistungsbegrenzer drehenDen Filter reinigen.Den technischen Kunden-dienst rufen. |
| Die Maschine bewegt sich nicht in Arbeitsbedingungen. | Der Bediener sitzt nicht korrekt auf dem Fahrersitz.Gang nicht eingelegt.Sensor "Bediener anwe-send" defekt. | Bitte korrekt auf dem Bedie-nersitz Platzephmen.Den Gang über die ent-sprechende Steuerung ein-legen.Rufen Sie zur Auswechselung den Kundendienst. |
| Bodenreinigung ist unzureichend. | Falsche Bürsten oder Rei-nigungsmittel.Bürste verbraucht. | Benutzen Sie dem Boden oder dem Grad der Ver-schmutzung angepasste Bürsten und Reinigungsmittel.Bürste ersetzen. |
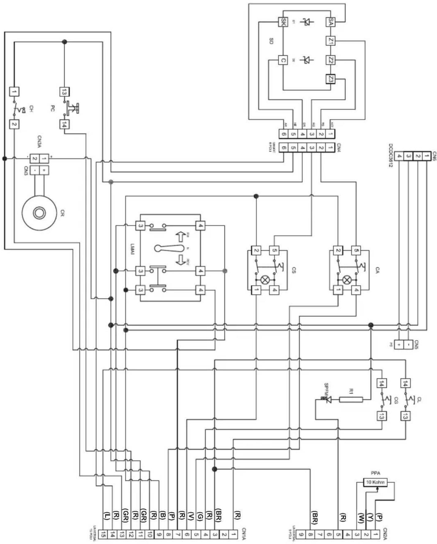
ELEKTRISCHE SCHALTPLANE

E112
Zeichenerklarung E112
CA Ansaugsteuerung
CG .Steuerung der Arbeitsleuchten
CH .Schlussel
CL . Steuerung der Leuchten
CN1 15-Pin Stecker
CN2A .9-Pin Stecker
CN3 Stecker fur Warnsummer
CN3A Stecker fur Warnsummer
CN4 .Kartenanschluss
CN5 .Verbinder fur Nebensteckdose
CN6 .Trafo-Stecker
CR . Warnsignal Rückwartsgang
CS. Stellglied Bürsten
D1 Diode 1N5819
D2 Diode 1N5349 X3
DCDC3612 .Trafo 36V-12V
LMAI. Gangschaltungshebe Vorwartsgang/Rückwartsgang
PC.Hupe Warnsignal
PPA ......Leistungsbegrenzer Wasserpumper
R1 .Sicherung
SD. Diodenkarte
SPFM .Anzeigeleuche Standbremse
CN1A
- Leuchten
- 24V
- .Sicherheitsleuchte
- Ansauger
- Bürsten
- Mikroschalter Bedienersitz
- .Schaumbegrenzereinsatz
- 0V
10...Pin 3 Pedal - +36V-Key
- Hupe
- V-F1
14 .P3-13 - 12V
Farberklarung
R
BR .Braun
G Grun
V .Violett
P Rosa
B .Schwarz
GR . . . . . . . . . . . . . . . . . . . . . . . .
L Blau
Y .Gelb
W WeiB
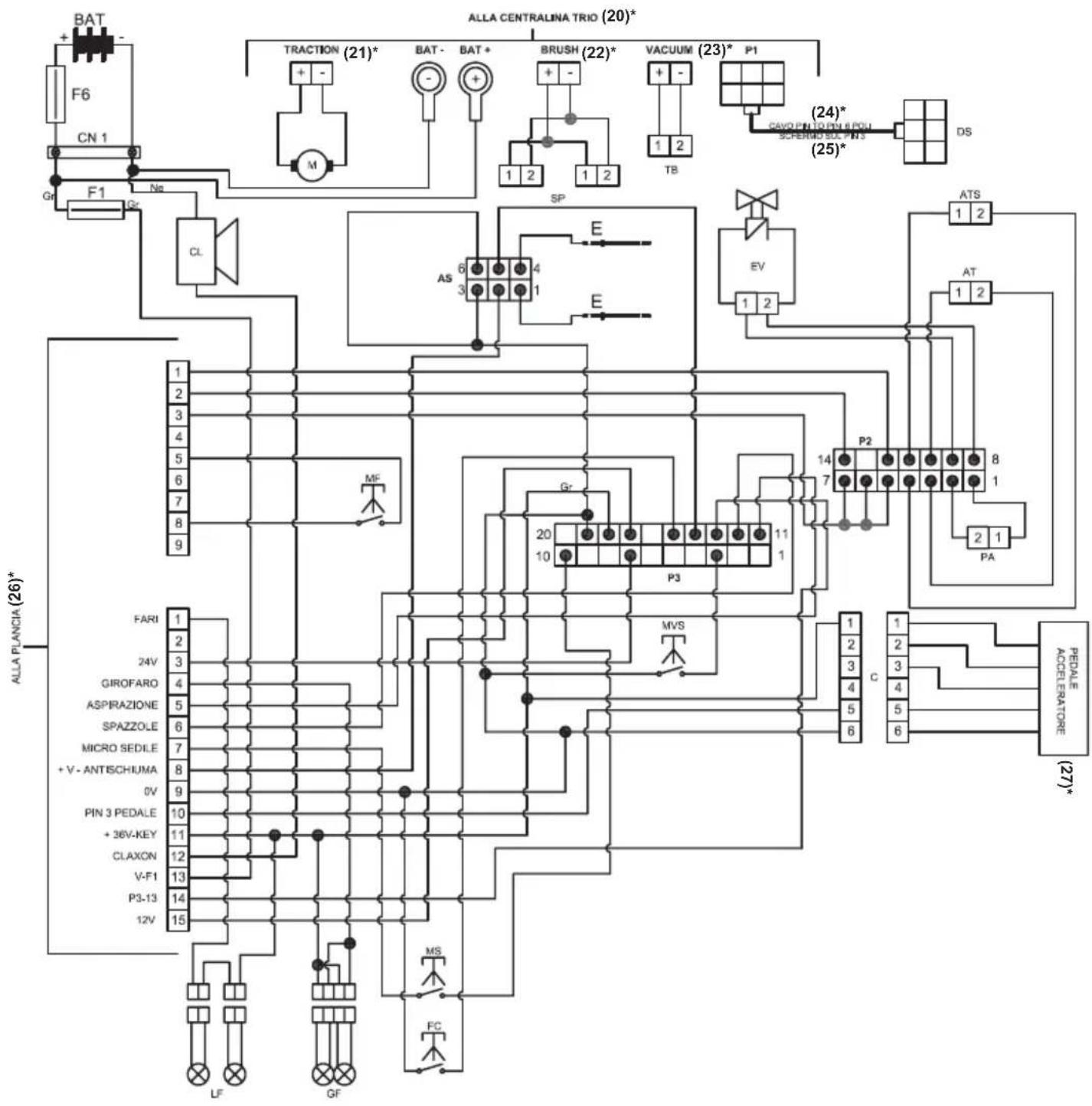
E112

Zeichenerklarung E112
AS. .Schaumbegrenzereinsatz
AT . Reinigungsantrieb
ATS Bürstenantrieb
BAT .Batterie zu 36V
C Stecker
CL . Warningsignal
CN1 Stecker zu 175A
DS. .Anzeige
E Elektroder
EV .Elektroventil
F1 .Sicherung zu 10A
F6 .Sicherung zu 150A
FC .......Endschalter Rücklauf Bürstenantrieb
GF .Sicherheitsleuchte
LF Lampen
M .Antriebsmotor
MF .Mikroschalter Standbremse
MS Mikroschalter Bedienersitz
MVS .......Mikroschalter Lenkgeschwindigkeit
P2 .Trio-Einheit
P3 .Trio-Einheit
PA. Wasserpumper
BSP Bürsten
TB Turbine
(A)\*
- Leuchten
- 24V
- .Sicherheitsleuchten
- Ansauger
- Bürsten
- Mikroschalter Bedienersitz
8.Schaumbegrenzer
9 .0V
10...Pin 3 Pedal - +36V-Key
- Warnsignal
- V-F1
14 P3-13 - 12V
(20)* Zur Trio-Einheit
(21)* Anzug
(22)* Burste
(23)* .Ansauger
(24)* 6-poliges Kabel Pin to Pin
(25)* Schutz auf Pin 3
(26)* Zum Armaturenbrett
(27)* .Beschleunigungspedal
Apreciado cliente,
EinfachAnleitung