SVW300 - Kazán KOSPEL - Ingyenes használati útmutató
Találja meg az eszköz kézikönyvét ingyenesen SVW300 KOSPEL PDF formátumban.
Gyakran ismételt kérdések - SVW300 KOSPEL
Felhasználói kérdések a következőről SVW300 KOSPEL
0 kérdés erről a készülékről. Válaszolj azokra, amiket ismersz, vagy tedd fel a sajátod.
Tegyél fel egy új kérdést erről a készülékről
Töltse le az útmutatót a következőhöz Kazán PDF formátumban ingyenesen! Találja meg kézikönyvét SVW300 - KOSPEL és vegye vissza elektronikus eszközét a kezébe. Ezen az oldalon közzé van téve az eszköze használatához szükséges összes dokumentum. SVW300 márka KOSPEL.
HASZNÁLATI ÚTMUTATÓ SVW300 KOSPEL
Szerelési és kezelési útmutató
Piktogramok magyarázata 13
Biztonsági utasítások 14
A készülék leírása 14
Konstrukció 15
Telepítés 19
Indítás 19
Eljárás hibák vagy rendellenességek esetén 20
Hulladékkezelés 20
Reciklálás és hulladékkezelés 20
Műszaki adatok 21

Olvassa el figyelmesen a használat előtt.
A biztonságos és helyes használat érdekében kövesse az utasításokat.
Tartsa meg ezt az útmutatót a jövőre nézve.

Kérjük, szigorúan tartsa be a biztonsági előírásokat, hogy elkerülje az egészségkárosodást és anyagi károkat.

Veszély Ez a jel figyelmeztet a sérülés veszélyére.

Figyelem Ez a jel figyelmeztet az anyagi veszteségre és a környezetszennyezésre.
Tipp A Tipp szóval jelölt szöveg további információkat tartalmaz.

Az utasítás, hogy a kezelési útmutatót vegyék figyelembe az eszköz kezelése vagy irányítása során a helyen, ahol a szimbólum található.
Érvényes szabályok
- Nemzeti telepítési szabályok.
- A munkavédelmi és egészségügyi törvényi előírások.
- Környezetvédelmi törvényi előírások.
- Szakmai és biztosítási szövetségek előírásai.
-
Aktuális nemzeti biztonsági előírások.
-
Az ismertető útmutató tartalmának megismerése lehetővé teszi a berendezés helyes telepítését és üzemeltetését, biztosítva annak hosszú távú és megbízható működését,
- A puffer tartály telepítése és használata, amely nem összhangban van ezzel az útmutatóval, nem megengedett - hibát okoz és a garancia elvesztéséhez vezet,
- Minden olyan munkánál, amely a berendezés telepítésével, karbantartásával vagy konzerválásával kapcsolatos, be kell tartani a munkavédelmi szabályokat, a robbanásbiztonsági, tűzvédelmi és környezetvédelmi előírásokat az adott országban érvényes követelmények és rendeletek szerint.
- A berendezést nem szabad olyan helyiségben telepíteni, ahol a környezeti hőmérséklet 0°C alá csökkenhet,
- A puffer tartály felszerelését és beüzemelését, valamint a kísérő telepítéseket szakosodott szerviznek kell elvégeznie,
- A fűtővíznek meg kell felelnie a PN-C-04607:1991 szabvány követelményeinek,
- Nem szabad túllépni a névleges hőmérsékletet, 80°C! a tartályokban (400 és 500). A tartályokban (200; 300l; 800l; 1000l) nem szabad túllépni a névleges hőmérsékletet, 95°C!
A készülék leírása
Az SV és SVW puffertartályok fűtővíz (és/vagy hűtővíz 200; 300 liter esetén) tárolására lettek tervezve, együttműködve fűtőkazánokkal és hőszivattyúkkal. Ezenkívül elosztóként (kapcsoló), hidraulikus szétválasztóként és fűtőkörként is szolgálnak a kazánházból. Az SVW tartályba beépített tekercs található más hőforrások csatlakoztatására. A puffertartály fekete acéllemezből készül, belül nyers állapotban, kívül pedig korróziógátló festékkel van bevonva. Az SV és SVW tartályok hőszigeteléssel rendelkeznek, amely a kapacitástól függően készül: 200, 300 liter - PUR hab; 400, 500 liter - polisztírol; 800-1000 liter - poliészter szál. A sok csatlakozási lehetőség különböző csatlakozási változatokat tesz lehetővé.
A tartály maximális munkanyomása:
- 0,3 MPa - 200-1000 liter úrtartalom,
A csőkígyó maximális munkanyomása:
- 1 MPa - 200-1000 liter ürtartalom,

text_image
1 2 3 4 5 6 7 8 9 10 11 12 13 14 15 16 17 18 19 20 21 22 23 24 25 26 27 28 29 30 31 32 33 34 35 36 37 38 39 40 41 42 43 44 45 46 47 48 49 50 51 52 53 54 55 56 57 58 59 60 61 62 63 64 65 66 67 68 69 70 71 72 73 74 75 76 77 78 79 80 81 82 83 84 85 86 87 88 89 90 91 92 93 94 95 96 97 98 99 100Az SV (200l, 300l) puffertároló szerkezete
[1] - felső fedél
[2] - levegőztető csatlakozó csőtorkolat (1/2")
[3] - csatlakozó csótorkolat (6/4")
[4] - hőmérséklet-érzékelő csőtorkolat (1/2")
[5] - hőszigetelés
[6] - lábak
[7] - leeresztő csőtorkolat (1/2")

text_image
45° 45° D d 1 2 3 4 5 J G E 6 7 8 A B C H K' KAz SV (400l; 500l; 800l; 1000l) puffertároló szerkezete
[1] - felső fedél
[2] - levegőztető csatlakozó csőtorkolat (1/2")
[3] - csatlakozó csőtorkolat (6/4")
[4] - hőmérséklet-érzékelő csőtorkolat (1/2")
[5] - hőszigetelés
[6] - lábak
[7] - leeresztő csőtorkolat (1/2")
[8] - alsó fedél

text_image
1 2 3 4 5 6 7 8 9 10 11 J N G L E A B C D d H 45° 45°Az SVW (200l, 300l) puffertároló szerkezete csőkígyóval
[1] - felső fedél
[2] - levegőztető csatlakozó csőtorkolat (1/2")
[3] - csatlakozó csőtorkolat (6/4")
[4] - hőmérséklet-érzékelő csőtorkolat (1/2")
[5] - hőszigetelés
[6] - lábak
[7] - leeresztő csótorkolat (1/2")
[8] - csőkígyó csatlakozó csőtorkolat 1"

text_image
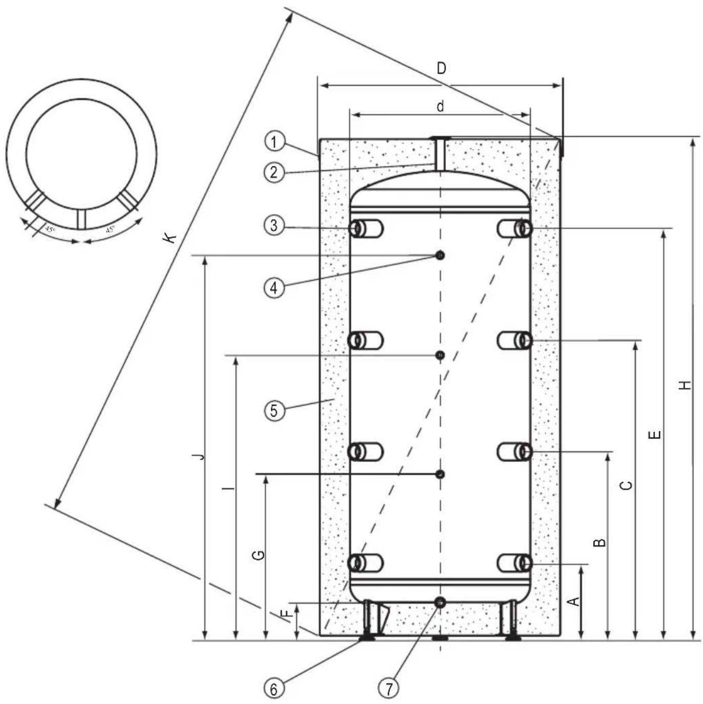
45° 45° 1 2 3 4 D d J I N G L E 6 7 9 A B C E HAz SVW (400l, 500l; 800l; 1000l) puffertároló szerkezete csőkígyóval
[1] - felső fedél
[2] - levegőztető csatlakozó csőtorkolat (1/2")
[3] - csatlakozó csőtorkolat (6/4")
[4] - hőmérséklet-érzékelő csőtorkolat (1/2")
[5] - hőszigetelés
[6] - lábak
[7] - leeresztő csótorkolat (1/2")
[8] - csőkígyó csatlakozó csőtorkolat 1"
[9] - alsó fedél
Méretek
| Modell | SV200.1 | SVW200.1 | SV300.2 | SVW300.2 | SV400.1 | SVW400.1 | SV500.1 | SVW500.1 | SV800.1 | SVW800.1 | SV1000.1 | SVW1000.1 | |
| D | 457 51616 | 595 692 | 755 854 994 | 994 | |||||||||
| 50 600 650 7 | 90 790 | ||||||||||||
| H | 1596 1643 1 | 761 1911 2241 | |||||||||||
| A | 49 256 261 2 | 294 294 | |||||||||||
| B | 11 626 656 7 | 718 828 | |||||||||||
| C | 73 996 1051 | 1142 1362 | |||||||||||
| E | 1322 133 | 8 1368 1446 | 1566 1895 | ||||||||||
| F | 26 124 130 1 | 60 160 | |||||||||||
| G | 44 550 629 6 | 91 801 | |||||||||||
| I | 911 940 | 947 1064 10 | 99 1379 | ||||||||||
| J | 1239 124 | 9 1278 1379 | 1539 1869 | ||||||||||
| K | 1700 174 | 40 1810 1975 | 2130 2430 | ||||||||||
| K' | - | - | 1675 | 1800 | 1915 | 2245 | |||||||
| L | - | 256 | - | 239 | - | 246 | - | 251 | - | 293 | - | 293 | |
| N | - | 811 | - | 850 | - | 856 | - | 974 | - | 1182 | - | 1294 | |
Telepítés
- A puffertárolót kizárólag függőleges pozícióban kell felszerelni.
- A puffertároló központi fűtési rendszerbe történő telepítése lehetséges:
- nyitott rendszer esetén, a PN-B-02413:1191 szabvány szerint,
- zárt rendszer esetén, a PN-B-02414:1999 szabvány szerint.
- A tartályt úgy és olyan helyen kell felszerelni, hogy a tartályból vagy a csatlakozásokból származó esetleges szivárgás ne árassza el a helyiséget.
Indítás
A puffertároló indítása előtt optikailag ellenőrizni kell a berendezés helyes csatlakoztatását.
Ellenőrizni kell a csatlakozások tömítettségét. Ellenőrizni kell a biztonsági szelep működését (a szelep gyártójának utasítása szerint).
Eljárás hibák vagy rendellenességek esetén
| Rendellenesség Eljárási utasítás | |
| A tartályból víz szivárog | zárd el a központi fűtési rendszert elvágó szelepeit és vedd fel a kapcsolatot a szervizzel |
| Túlzott nyomásnövekedés a tartályban |
Hulladékkezelés
Egy leselejtezett terméket nem szabad kommunális hulladékként kezelni.
Egy leselejtezett termék megfelelő hulladékkezelése megakadályozza a környezetre gyakorolt lehetséges negatív hatásokat, amelyek az unszakszerű hulladékkezelésből eredhetnek. A termék újrahasznosításával kapcsolatos részletes információkért forduljon helyi önkormányzatához vagy a hulladékgazdálkodási szolgáltatásokhoz.
Reciklálás és hulladékkezelés
Termékek és berendezések elhelyezése:
A termékeket és berendezéseket nem szabad a háztartási hulladékkal együtt elhelyezni. Biztosítani kell, hogy a termék és az összes berendezés megfelelő módon kerüljön elhelyezésre.
Minden vonatkozó szabályozást be kell tartani.
| Puffertároló | SV200.1 | SVW200.1 | SV300.2 | SVW300.2 | SV400.1 | SVW400.1 | SV500.1 | SVW500.1 | SV800.1 | SVW800.1 | SV1000.1 | SVW1000.1 | ||
| Névleges kapacitás I 200 300 | 400 | 500 800 1000 | ||||||||||||
| Állóveszteségek W 53 65 87 | 78 12 | 0 121 127 128 | ||||||||||||
| Tároló térfogata I 220 219 32 | 24 322 | 399 3 | 96 493 | 490 7 | 95 790 | 942 936 | ||||||||
| Névleges nyomás | tartály | MPa1 - 1 - | 0,3 | |||||||||||
| tekercs - 1 - | 1 - 1 | - | 1 | |||||||||||
| Névleges hőmérséklet | °C | 95 | 80 | 95 | ||||||||||
| A hőcserélő cső felülete | m^2 | - | 0,75 | - | 1,5 | - | 1,7 | - | 2,25 | - | 3 | - | 3,5 | |
| A hőcserélő cső kapacitása | dm^3 | - | 4,5 | - | 9,1 | - | 10 | - | 13,7 | - | 22,4 | - | 25,2 | |
| A hőcserélő cső teljesít-ménye | kW | - | 22* | - | 45* | - | 50* | - | 65* | - | 90* | - | 105* | |
| 7** | 14** | 16** | 21** | - | 28* | - | 32** | |||||||
| Tömeg (víz nélkül) | kg | 53 | 69 | 56 | 85 | 86 | 118 | 96 | 131 | 128 | 170 | 150 | 196 | |
*80/10/45°C } a fütővíz hőmérséklete / a táplálóvíz hőmérséklete / a tartályban lévő víz hőmérséklete; a fütővíz áramlási sebes **55/10/45°C } sége 2,5 m³/h.
KönnyűKézikönyv