SVW300 - Kessel KOSPEL - Kostenlose Bedienungsanleitung
Finden Sie kostenlos die Bedienungsanleitung des Geräts SVW300 KOSPEL als PDF.
Häufig gestellte Fragen - SVW300 KOSPEL
Benutzerfragen zu SVW300 KOSPEL
0 Frage zu diesem Gerät. Beantworten Sie die, die Sie kennen, oder stellen Sie Ihre eigene.
Eine neue Frage zu diesem Gerät stellen
Laden Sie die Anleitung für Ihr Kessel kostenlos im PDF-Format! Finden Sie Ihr Handbuch SVW300 - KOSPEL und nehmen Sie Ihr elektronisches Gerät wieder in die Hand. Auf dieser Seite sind alle Dokumente veröffentlicht, die für die Verwendung Ihres Geräts notwendig sind. SVW300 von der Marke KOSPEL.
BEDIENUNGSANLEITUNG SVW300 KOSPEL
Montage- und Betriebsanleitung
Erläuterung der Piktogramme 13
Bedingungen einer sicheren und zuverlässigen Nutzung 14
Anwendungsbereich 14
Aufbau 15
Montage 19
Inbetriebnahme 19
Vorgehen bei Schäden oder Unregelmäßigkeiten 20
Außerbetriebnahme 20
Recycling und Entsorgung 20
Technische Daten 21

Bitte vor Gebrauch sorgfältig lesen.
Die Anweisungen in dieser Anleitung befolgen, um eine [...] korrekte und sichere Funktionsweise des Produkts sicherzustellen.
Die Anleitung zum späteren Nachschlagen aufbewahren.

Bitte die Sicherheitshinweise sorgfältig befolgen, um Gesundheits- und Sachschäden auszuschließen.

Gefahr Dieses Zeichen warnt vor Verletzungsgefahr.

Achtung Dieses Zeichen warnt vor Sachschäden und Umweltverschmutzung.
Hinweis
Text, der mit dem Wort Hinweis gekennzeichnet ist, enthält zusätzliche Informationen.

Ein Hinweis darauf, dass die Bedienungsanleitung bei der Bedienung oder Steuerung des Geräts in der Nähe der Stelle, an der das Symbol angebracht ist, gelesen werden sollte.
Geltende Vorschriften
• Nationale Installationsvorschriften.
• Gesetzliche Arbeitsschutzvorschriften.
• Gesetzliche Vorschriften zum Umweltschutz.
- Berufsgenossenschaftliche und versicherungsrechtliche Vorschriften.
- Aktuelle nationale Sicherheitsvorschriften.
- Die Bedienungsanleitung ermöglicht eine richtige Installation und Nutzung, bzw. sichert die dauerhafte und sichere Arbeit des Geräts.
- Es ist unzulässig den Pufferspeicher auf eine andere Weise als in de Bedienungsanleitung beschrieben zu montieren – das Nichtbeachten dieser Regeln kann zu Störungen am Gerät und zu einem Garantieverlust führen.
- Bei allen Arbeiten im Zusammenhang mit der Installation, Wartung oder Instandhaltung des Geräts sollten die Regeln des Arbeits-, Explosions-, Brand- und Umweltschutzes entsprechend den im jeweiligen Land geltenden Vorschriften beachtet werden.
- Das Gerät darf nicht dort montiert werden wo die Umgebungstemperatur unter 0°C fallen kann.
- Die Montage und Inbetriebnahme des Pufferspeichers, als auch alle Installationstätigkeiten sollten durch einen Fachbetrieb durchgeführt werden.
- Das Heizwasser sollte die Normen erfüllen.
- Die Nenntemperatur (80°C - 400l; 500l) und (95°C - 200l; 300l; 800l; 1000l) darf nicht überschritten werden!
Anwendungsbereich
Pufferbehälter SV und SVW sind Geräte, die zur Speicherung von Heizwasser (und/oder Kälte für 200; 300 l) in Zusammenarbeit mit Heizkesseln und Wärmepumpen entwickelt wurden. Zusätzlich fungieren sie als Verteiler (Kupplung), hydraulischer Separator und Heizkreislauf vom Heizraum. Der SVW-Tank verfügt über eine eingebaute Wärmetauscher-Spirale zum Anschluss anderer Wärmequellen. Der Pufferbehälter ist aus schwarzem Stahlblech gefertigt, innen im Rohzustand und außen mit einer Korrosionsschutzfarbe versehen. Die SV- und SVW-Tanks verfügen über eine Wärmedämmung, die je nach Kapazität aus 200, 300 l - PUR-Schaum; 400, 500 l - Styropor; 800-1000 l Polyesterfaser besteht. Die große Anzahl von Anschlüssen ermöglicht verschiedene Anschlussvarianten.
Maximaler Arbeitsdruck des Speichers:
- 0,3MPa - 200-1000 Liter.
Maximaler Arbeitsdruck im Heizregister:
- 1MPa - 200-1000 Liter.

text_image
K 1 2 3 4 5 J G E H C B A 6 7 d D d5° 45°Aufbau des Pufferspeichers SV (200l, 300l)
[1] - Obendeckel
[2] - Entlüftungsanschlussnippel (1/2")
[3] - Anschlussnippel (6/4")
[4] - Temperatursensoranschlussnippel (1/2")
[5] - Thermische Isolierung
[6] - Füße
[7] - Ablaufnippel (1/2")

text_image
45° 45° D d 1 2 3 4 K J G E 6 7 8 H C B A k'Aufbau des Pufferspeichers SV (400l;500l; 800l; 1000l)
[1] - Obener Deckel
[2] - Entlüftungsanschlussnippel (1/2")
[3] - Anschlussnippel (6/4")
[4] - Temperatursensoranschlussnippel (1/2")
[5] - Thermische Isolierung
[6] - Füße
[7] - Ablaufnippel (1/2")
[8] - Unterer Deckel

text_image
1 2 3 4 5 6 7 8 9 10 11 12 13 14 15 16 17 18 19 20 21 22 23 24 25 26 27 28 29 30 31 32 33 34 35 36 37 38 39 40 41 42 43 44 45 46 47 48 49 50 51 52 53 54 55 56 57 58 59 60 61 62 63 64 65 66 67 68 69 70 71 72 73 74 75 76 77 78 79 80 81 82 83 84 85 86 87 88 89 90 91 92 93 94 95 96 97 98 99 100Aufbau des Pufferspeichers mit Heizregister SVW (200l, 300l)
[1] - Obener Deckel
[2] - Entlüftungsanschlussnippel (1/2")
[3] - Anschlussnippel (6/4")
[4] - Temperatursensoranschlussnippel (1/2")
[5] - Thermische Isolierung
[6] - Füße
[7] - Ablaufnippel (1/2")
[8] - Anschlussstutzen des Heizregisters 1"

text_image
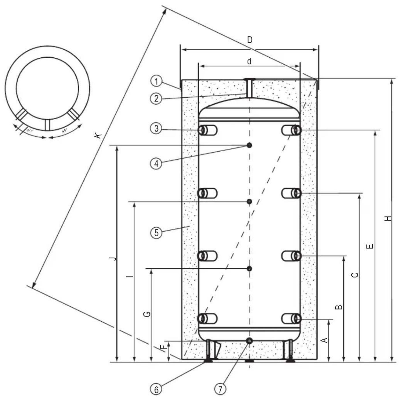
1 2 3 4 5 6 7 8 9 D d J I N G L E A B C H 45° 45°Aufbau des Pufferspeichers mit Heizregister SVW (400l, 500l; 800l;1000l)
[1] - Obener Deckel
[2] - Entlüftungsanschlussnippel (1/2")
[3] - Anschlussnippel (6/4")
[4] - Temperatursensoranschlussnippel (1/2")
[5] - Thermische Isolierung
[6] - Füße
[7] - Ablaufnippel (1/2")
[8] - Anschlussstutzen des Heizregisters 1"
[9] - Unterer Deckel
Bemessung
| Modell | SV200.1 | SVW200.1 | SV300.2 | SVW300.2 | SV400.1 | SVW400.1 | SV500.1 | SVW500.1 | SV800.1 | SVW800.1 | SV1000.1 | SVW1000.1 | |
| D | 457 5 | 595 692 | 755 854 994 | 994 | |||||||||
| 50 600 650 7 | 90 790 | ||||||||||||
| H | 1616 | 1596 1643 1 | 761 1911 224 | 41 | |||||||||
| A | 266 2 | 49 256 261 2 | 294 294 | ||||||||||
| B | 618 6 | 11 626 656 7 | 718 828 | ||||||||||
| C | 970 9 | 73 996 1051 | 1142 1362 | ||||||||||
| E | 1322 | 1338 1368 1 | 446 1566 1895 | ||||||||||
| F | 125m | 26 124 130 1 | 60 160 | ||||||||||
| G | 554 5 | 44 550 629 6 | 91 801 | ||||||||||
| I | 1239 | 911 940 | 947 1064 1099 1379 | ||||||||||
| J | 1249 1278 1 | 879 1539 1869 | |||||||||||
| K | 1700 1740 1810 1975 2130 2430 | ||||||||||||
| K' | - | - | 1675 | 1800 | 1915 | 2245 | |||||||
| L | - | 256 | - | 239 | - | 246 | - | 251 | - | 293 | - | 293 | |
| N | - | 811 | - | 850 | - | 856 | - | 974 | - | 1182 | - | 1294 | |
Montage
- Der Pufferspeicher darf ausschließlich in vertikaler Position montiert werden.
- Der Pufferspeicher kann in einer Heizinstallation montiert werden:
- eine offene Anlage gemäß Norm.
- eine geschlossene Anlage gemäß Norm.
- Der Speicher sollte an solchem Ort und auf bestimmte Weise montiert werden, um eventuellen Wasseraustritt aus dem Behälter oder den Wasseranschlüssen im Raum zu vermeiden.
Inbetriebnahme
Vor der Inbetriebnahme sollte man optisch die Anschlüsse des Geräts prüfen. Funktion des Sicherheitsventils überprüfen (gemäß der Bedienungsanleitung des Ventilherstellers).
Vorgehen bei Schäden oder Unregelmäßigkeiten
| Unregelmäßigkeit Verfahrensanweisung | |
| Wasseraustritt aus dem Speicher | Die Absperrventile der Zentralheizungsanlagen Schließen und sich an den Service wenden. |
| Übermäßiger Druckaufbau im Speicher |
Außerbetriebnahme
Das gebrauchte Produkt kann nicht als Siedlungsabfall behandelt werden. Eine sachgerechte Entsorgung des gebrauchten Produkts verhindert mögliche negative Umweltauswirkungen, die bei unsachgemäßer Entsorgung auftreten könnten. Für detailliertere Informationen zum Recycling dieses Produkts wenden Sie sich bitte an Ihre lokale Regierungsbehörde, Abfallentsorgungsdienst.
Recycling und Entsorgung
Entfernung von Geräten und Zubehör:
Geräte und Zubehör dürfen nicht mit dem Hausmüll entsorgt werden.
Es sollte geachtet werden, dass das Produkt und alle Zubehörteile ordnungsgemäß entsorgt werden.
Alle geltenden Gesetze müssen eingehalten werden.
| Pufferspeicher | SV200.1 | SVW200.1 | SV300.2 | SVW300.2 | SV400.1 | SVW400.1 | SV500.1 | SVW500.1 | SV800.1 | SVW800.1 | SV1000.1 | SVW1000.1 | ||
| Nennkapazität I 200 300 400 | 500 | 800 1000 | ||||||||||||
| Stillstandsverluste W 53 65 87 78 | 120 121 127 | 128 | ||||||||||||
| Speichervolumen I 220 219 324 322 399 | 396 493 490 | 795 790 942 | 936 | |||||||||||
| Nenndruck | Tank | MPa | 0,3 | |||||||||||
| Wärmetauscher(Spirale) | - | 1 | - | 1 | - | 1 | - | 1 | - | 1 | - | 1 | ||
| Nenntemperatur | °C | 95 | 80 | 95 | ||||||||||
| Heizregisterfläche | m^2 | - | 0,75 | - | 1,5 | - | 1,7 | - | 2,25 | - | 3 | - | 3,5 | |
| Heizregisterkapazität | dm^3 | - | 4,5 | - | 9,1 | - | 10 | - | 13,7 | - | 22,4 | - | 25,2 | |
| Heizregisterleistung | kW | - | 22* | - | 45* | - | 50* | - | 65* | - | 90* | - | 105* | |
| 7** | 14** | 16** | 21** | - | 28* | - | 32** | |||||||
| Gewicht ohne Wasser | kg | 53 | 69 | 56 | 85 | 86 | 118 | 96 | 131 | 128 | 170 | 150 | 196 | |
*80/10/45°C } Heizwassertemperatur/ Versorgungswassertemperatur/ Brauchwassertemperatur; Durchfluss des Heizwassers durch den **55/10/45°C } Heizregister 2,5m³/h.
Contents
Technische gegevens 31

Technische Unterstützung (kostenlose) 0 800 18 62 155*
*nur aus dem deutschen Festnetz erreichbar
EinfachAnleitung