SVW300 - Kocioł KOSPEL - Bezpłatna instrukcja obsługi
Znajdź bezpłatnie instrukcję urządzenia SVW300 KOSPEL w formacie PDF.
Często zadawane pytania - SVW300 KOSPEL
Pytania użytkowników dotyczące SVW300 KOSPEL
0 pytanie dotyczące tego urządzenia. Odpowiedz na te, które znasz, lub zadaj własne.
Zadaj nowe pytanie dotyczące tego urządzenia
Pobierz instrukcję dla swojego Kocioł w formacie PDF za darmo! Znajdź swoją instrukcję SVW300 - KOSPEL i weź swoje urządzenie elektroniczne z powrotem w ręce. Na tej stronie opublikowane są wszystkie dokumenty niezbędne do korzystania z urządzenia. SVW300 marki KOSPEL.
INSTRUKCJA OBSŁUGI SVW300 KOSPEL
Instrukcja montażu i obsługi
Objaśnienie piktogramów 3
Warunki bezpiecznej i niezawodnej pracy 4
Opis urządzenia 4
Budowa 5
Instalacja 9
Uruchomienie 9
Sposób postępowania w przypadku wystąpienia uszkodzeń lub nieprawidłowości 10
Wycofanie z eksploatacji 10
Recykling i usuwanie odpadów 10
Dane techniczne 11

Przeczytaj uważnie przed użyciem.
Dla bezpiecznego i prawidłowego użytkowania, postępuj zgodnie z instrukcją.
Zachowaj tą instrukcje na przyszłość.

Prosimy o dokładne przestrzeganie wskazówek bezpieczeństwa w celu wykluczenia ryzyka utraty zdrowia oraz powstania szkód materialnych.

Niebezpieczeństwo
Ten znak ostrzega przed niebezpieczeństwem zranienia.

Uwaga
Ten znak ostrzega przed stratami materialnymi i zanieczyszczeniem środowiska.
Wskazówka
Tekst oznaczony słowem Wskazówka zawiera dodatkowe informacje.

Wskazanie, że instrukcja obsługi powinna być brana pod uwagę podczas obsługi urządzenia lub sterowania w pobliżu miejsca, w którym umieszczony jest symbol.
Obowiązujące przepisy
- Krajowe przepisy dotyczące instalacji
- Ustawowe przepisy bezpieczeństwa i higieny pracy
- Ustawowe przepisy o ochronie środowiska
- Przepisy zrzeszeń zawodowo-ubezpieczeniowych
-
Aktualne krajowe przepisy bezpieczeństwa
-
zapoznanie się z treścią niniejszej instrukcji obsługi umożliwia prawidłową instalację i eksploatację urzą dze nia, za pew nia jąc jego długotrwałą i niezawodną pracę,
- zainstalowanie i użytkowanie zbiornika buforowego niezgodne z niniejszą instrukcją jest niedozwolone - grozi awarią i powoduje utratę gwarancji,
- Podczas wszystkich prac związanych z instalacją, serwisowaniem lub konserwacją urządzenia należy przestrzegać zasad BHP, ochrony przeciwwybuchowej, przeciwpożarowej oraz ochrony środowiska zgodnie z obowiązującymi wymaganiami oraz przepisami w danym państwie.
- urządzenia nie wolno instalować w pomieszczeniach, w których tempe ra tu ra otoczenia może obniżyć się poniżej 0°C,
- zamontowanie i uru cho mie nie zbiornika buforowego oraz wy ko na- nie instalacji towarzyszących należy powierzyć spe cja li stycz ne mu zakładowi usługowemu,
- woda grzewcza powinna spełniać wymagania normy PN-C-04607:1991,
- nie wolno przekraczać temperatury znamionowej 80°C! w zbiornikach 400l; 500l.
W zbiornikach (200l; 300l; 800l; 1000l) nie wolno przekraczać temperatury znamionowej 95°C
Opis urządzenia
Zbiorniki buforowe SV i SVW są urządzeniami przeznaczonymi do magazynowania wody grzewczej (i/lub chłodu dla 200 ; 300l) we współpracy z kotłami grzewczymi i pompami ciepła. Dodatkowo pełnią funkcję rozdzielacza (sprzęgła), separatora hydraulicznego, obiegu grzewczego od kotłowni. Zbiornik SVW posiada wbudowaną wężownicę do przyłączenia innych źródeł ciepła. Zbiornik buforowy wykonany jest z blachy stalowej czarnej, wewnątrz w stanie surowym a na zewnątrz zabezpieczony farbą antykorozyjną. Zbiorniki SV i SVW posiadają izolację cieplną wykonaną w zależności od pojemności z: 200, 300l - piana PUR; 400, 500l - styropian; 800-1000l włóknina poliestrowa. Duża ilość przyłączy umożliwia różne warianty przyłączenia.
Maksymalne ciśnienie pracy zbiornika:
- 0,3MPa - pojemności 200-1000 litrów,
Maksymalne ciśnienie robocze w wężownicy:
- 1MPa - pojemności 200-1000 litrów,

text_image
1 2 3 4 5 6 7 8 9 10 11 12 13 14 15 16 17 18 19 20 D d J G E A B C H KBudowa zbiornika buforowego SV (200l, 300l)
[1] - pokrywa górna
[2] - króciec przyłącza odpowietrznika (1/2")
[3] - króciec przyłączeniowy (6/4")
[4] - króciec czujnika temperatury (1/2")
[5] - izolacja termiczna
[6] - stopki
[7] - króciec spustowy (1/2")

text_image
45° 45° D d 1 2 3 4 K J G E 6 7 8 H C B A LBudowa zbiornika buforowego SV (400l; 500l; 800l; 1000l)
[1] - pokrywa górna
[3] - króciec przyłączeniowy (6/4")
[5] - izolacja termiczna
[6] - stopki
[7] - króciec spustowy (1/2")
[8] - pokrywa dolna
[2] - króciec przyłącza odpowietrznika (1/2")
[4] - króciec czujnika temperatury (1/2")

text_image
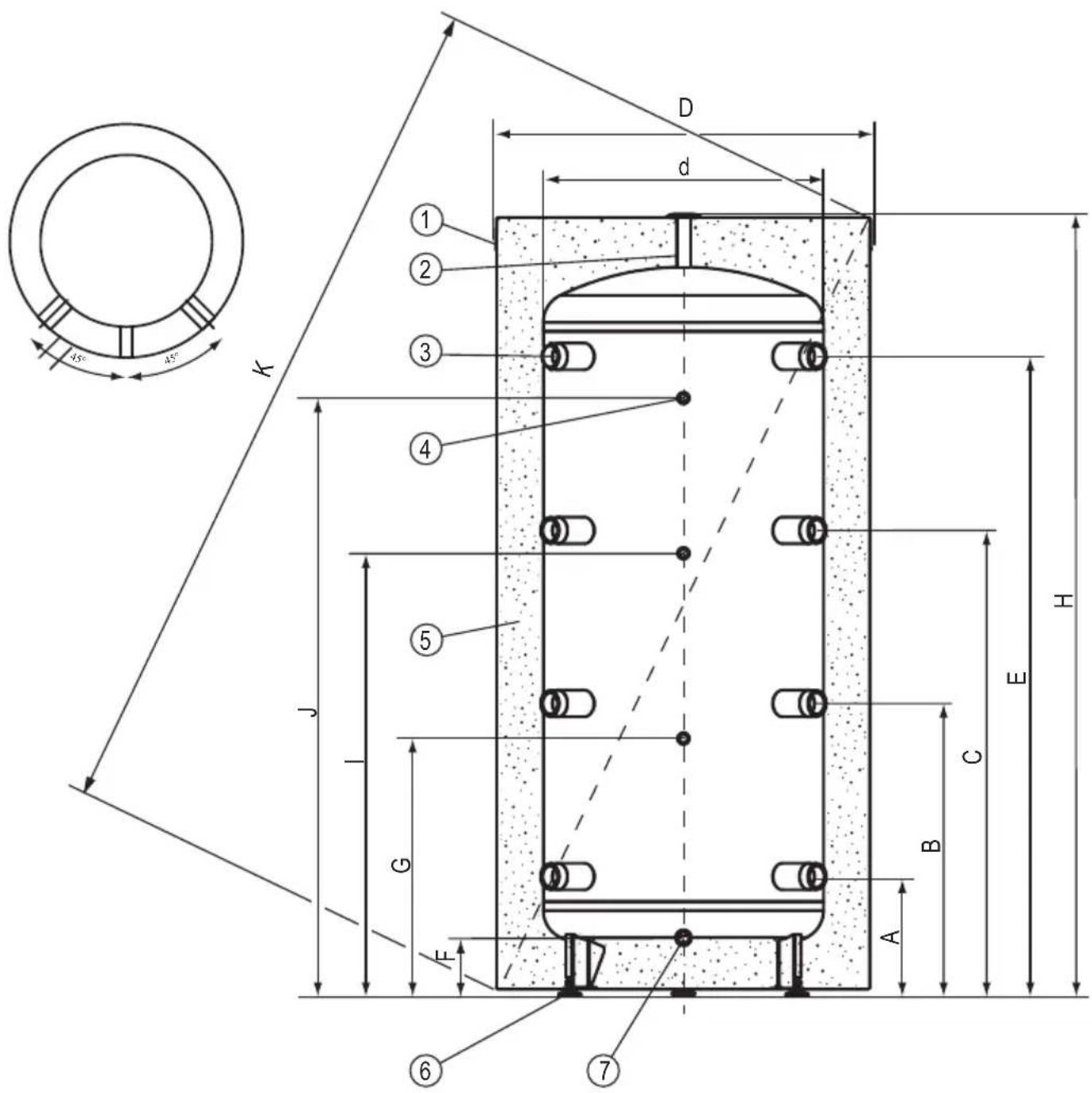
1 2 3 4 5 6 7 8 9 10 11 J N G L E A B C D d 45° 45° H EBudowa zbiornika buforowego z wężownicą SVW (200l, 300l)
[1] - pokrywa górna
[2] - króciec przyłącza odpowietrznika (1/2")
[3] - króciec przyłączeniowy (6/4")
[4] - króciec czujnika temperatury (1/2")
[5] - izolacja termiczna
[6] - stopki"
[7] - króciec spustowy (1/2")
[8] - króciec przyłącza wężownicy 1"

text_image
1 2 3 4 5 6 7 8 9 D d J I N G L E A B C H 45° 45°Budowa zbiornika buforowego z wężownicą SVW (400l; 500l; 800l; 1000l)
[1] - pokrywa górna
[2] - króciec przyłącza odpowietrznika (1/2")
[3] - króciec przyłączeniowy (6/4")
[4] - króciec czujnika temperatury (1/2")
[5] - izolacja termiczna
[6] - stopki
[7] - króciec spustowy (1/2")
[8] - króciec przyłącza wężownicy 1"
[9] - pokrywa dolna
Wymiary
| Model | SV200.1 | SVW200.1 | SV300.2 | SVW300.2 | SV400.1 | SVW400.1 | SV500.1 | SVW500.1 | SV800.1 | SVW800.1 | SV1000.1 | SVW1000.1 | |
| D | 595 692 | 755 854 994 | 994 | ||||||||||
| d | 457 5 | 50 600 650 | 790 790 | ||||||||||
| H | 1616 | 1596 1643 | 761 1911 224 | 41 | |||||||||
| A | 266 2 | 49 256 261 | 294 294 | ||||||||||
| B | 618 6 | 11 626 656 | 718 828 | ||||||||||
| C | 970 9 | 73 996 1051 | 1142 1362 | ||||||||||
| E | 1322 | 1338 1368 | 446 1566 1895 | ||||||||||
| F | 125m | 26 124 130 | 160 160 | ||||||||||
| G | 554 5 | 44 550 629 | 691 801 | ||||||||||
| I | 911 9 | 40 947 1064 | 1099 1379 | ||||||||||
| J | 1239 | 1249 1278 | 379 1539 1869 | ||||||||||
| K | 1700 | 1740 1810 | 975 2130 2430 | ||||||||||
| K' | - - 16 | 75 1800 1915 | 2245 | ||||||||||
| L | -256 | 239 | 246 | 251 | 293 | 293 | |||||||
| N | - | 811 | - | 850 | - | 856 | - | 974 | - | 1182 | - | 1294 | |
Instalacja
• Zbiornik buforowy montuje się wyłącznie w pozycji pionowej.
• Zbiornik buforowy może być zamontowany w instalacji centralnego ogrzewania:
- systemu otwartego, wykonanej zgodnie z normą PN-B-02413:1191,
- systemu zamkniętego, wykonanej zgodnie z normą PN-B-02414:1999.
• Zbiornik musi być zamontowany w takim miejscu i w taki sposób, aby wyciek awaryjny ze zbiornika lub przyłączy nie spowodował zalania pomieszczenia.
Uruchomienie
Przed uruchomieniem zbiornika buforowego należy optycznie sprawdzić prawidłowość podłączenia urządzenia.
Sprawdzić szczelność połączeń. Sprawdzić działanie zaworu bezpieczeństwa (zgodnie z instrukcją producenta zaworu).
Sposób postępowania w przypadku wystąpienia uszkodzeń lub nieprawidłowości
| Nieprawidłowość Instrukcja postępowania | |
| Wyciek wody ze zbiornika | należy zakręcić zawory odcinające instalacje CO i skontaktować się z serwisem |
| Nadmierny wzrost ciśnienia w zbiorniku |
Wycofanie z eksploatacji
Zużyty produkt nie może być traktowany jako odpad komunalny. Odpowiednie zadysponowanie zużytego produktu zapobiega potencjalnym negatywnym wpływom na środowisko jakie mogłyby wystąpić w przypadku niewłaściwego zagospodarowania odpadów. W celu uzyskania bardziej szczegółowych informacji na temat recyklingu tego produktu, należy skontaktować się z lokalną jednostką samorządu terytorialnego, ze służbami zagospodarowania odpadów.
Recykling i usuwanie odpadów
Usuwanie produktu i wyposażenia:
Produktu ani wyposażenia nie wolno usuwać wraz z odpadami domowymi.
Należy zadbać, aby produkt i całe wyposażenie zostały usunięte w sposób prawidłowy.
Należy przestrzegać wszystkich obowiązujących przepisów.
| Zbiornik buforowy | SV200.1 | SVW200.1 | SV300.2 | SVW300.2 | SV400.1 | SVW400.1 | SV500.1 | SVW500.1 | SV800.1 | SVW800.1 | SV1000.1 | SVW1000.1 | ||
| Pojemność znamionowa I | 200 300 | 400 500 800 | 1000 | |||||||||||
| Straty postojowe W | 53 65 87 | 7 78 120 121 | 127 128 | |||||||||||
| Pojemność magazynowa I | 220 2 | 19 324 | 322 3 | 99 396 | 493 4 | 90 795 | 790 94 | 42 936 | ||||||
| Ciśnienie znamionowe | zbiornik | MPa | 0,3 | |||||||||||
| wężownica | -1 - | 1 - 1 - | 1 - 1 - 1 | |||||||||||
| Temperatura znamionowa °C 95 | 80 | 95 | ||||||||||||
| Powierzchnia wężownicy | m^2 | - | 0,75 | - | 1,5 | - | 1,7 | - | 2,25 | - | 3 | - | 3,5 | |
| Pojemność wężownicy dm | ^3 | - | 4,5 | - | 9,1 | - | 10 | - | 13,7 | - | 22,4 | - | 25,2 | |
| Moc wężownicy | kW | - | 22* | - | 45* | - | 50* | - | 65* | - | 90* | - | 105* | |
| 7** | 14** | 16** | 21** | - | 28* | - | 32** | |||||||
| Masa (bez wody) | kg | 53 | 69 | 56 | 85 | 86 | 118 | 96 | 131 | 128 | 170 | 150 | 196 | |
*80/10/45°C } temperatura wody grzewczej / temperatura wody zasilającej / temperatura wody w zbiorniku; przepływ wody **55/10/45°C grzewczej 2,5 m³/h.
ProstaInstrukcja