SVW300 - Cazan KOSPEL - Manual de utilizare gratuit
Găsiți gratuit manualul dispozitivului SVW300 KOSPEL în format PDF.
Întrebări frecvente - SVW300 KOSPEL
Întrebările utilizatorilor despre SVW300 KOSPEL
0 întrebare despre acest aparat. Răspundeți la cele pe care le cunoașteți sau puneți-vă propria.
Pune o întrebare nouă despre acest aparat
Descărcați instrucțiunile pentru Cazan în format PDF gratuit! Găsiți manualul dvs. SVW300 - KOSPEL și luați din nou în mână dispozitivul dvs. electronic. Pe această pagină sunt publicate toate documentele necesare pentru utilizarea dispozitivului dvs. SVW300 mărcii KOSPEL.
MANUAL DE UTILIZARE SVW300 KOSPEL
Instrucțiuni de instalare și utilizare
Spis treści
Explicația pictogramelor 23
Zatvoriti odvodne ventile centralnog grijanja i obratiti se servisu 24
Descrierea dispozitivului 24
Constructie 25
Instalare 29
Punere în funcțiune 29
Mod de procedare în caz de defectiuni sau neregularități 30
Dezafectare 30
Reciclare și eliminare deșeuri 30
Technical data 31

Citește cu atenție înainte de utilizare.
Pentru o utilizare sigură și corectă, urmati instrucțiunile.
Păstrați aceste instrucțiuni pentru viitor.

Vă rugăm să respectați cu strictețe instrucțiunile de siguranță pentru a elimina riscul de vătămare și a cauza daune materiale.

Pericol
Acest semn avertizează asupra riscului de vătămare.

Atentie
Acest semn avertizează împotriva daunelor materiale și poluării mediului.
Sfat
Textul marcat cu cuvântul Sfat oferă informații suplimentare..

Indicarea faptului că instrucțiunile de utilizare ar trebui luate în considerare în timpul utilizării aparatului sau al controlului în apropierea locului unde este amplasat simbolul.
Reglementările în vigoare
- Regulamentele naționale privind instalarea
- Regulamentele statutare de securitate și igienă a muncii
- Regulamentele statutare privind protectția mediului
- Regulamentele asociațiilor profesionale de asigurări
-
Regulamentele de securitate nationale actuale
-
familiarizarea cu conținutul acestui manual de utilizare va permite o instalare corectă și o exploatare a dispozitivului, asigurându-i o funcționare de lungă durată și fiabilă,
- instalarea și utilizarea rezervorului tampon care nu respectă acest manual este interzisă - riscă defectarea și provoacă pierderea garanției,
- În toate lucrările legate de instalare, servisare sau întreținere, trebuie respectate regulile de securitate și sănătate în muncă, protecția împotriva exploziilor, protecția împotriva incendiilor și protecția mediului, în conformitate cu cerințele și reglementările în vigoare în țara respectivă.
- echipamentul nu trebuie instalat în camere în care temperatura ambientală poate scădea sub 0°C,
- instalarea și punerea în funcțiune a rezervorului tampon și realizarea instalațiilor conexe trebuie să fie încredințate unei companii de servicii specializate,
- apa de încălzire ar trebui să îndeplinească cerințele standardului PN-C-04607:1991,
- nu trebuie să depășiți temperatura nominală de 80°C! în rezervoarele (400 și 500l). În rezervoarele (200; 300l; 800l; 1000l) nu trebuie să depășiți temperatura nominală de 95°C.
Descrierea dispozitivului
Rezervoarele tampon SV și SVW sunt dispositive proiectate pentru stocarea apei de încălzire (și/sau răcire pentru 200; 300 litri) în colaborare cu cazane de încălzire și pompe de căldură. În plus, ele funcționează ca distribuitor (cuplaj), separator hidraulic și circuit de încălzire din camera cazanelor. Rezervorul SVW are o serpentină încorporată pentru conectarea altor surse de căldură. Rezervorul tampon este fabricat din tablă de oțel negru, brut la interior și protejat la exterior cu vopsea anticorozivă. Rezervoarele SV și SVW au izolație termică realizată în funcție de capacitate din: 200, 300 litri - spumă PUR; 400, 500 litri - polistiren; 800-1000 litri - fibră de poliester. Numărul mare de racorduri permite diverse opțiuni de conectare.
Presiunea maximă de lucru a rezervorului:
- 0,3MPa - capacități de 200-1000 litri,
Presiunea maximă de lucru în serpentină:
- 1MPa - capacități de 200-1000 litri,

text_image
1 2 3 4 5 6 7 8 9 10 11 12 13 14 15 16 17 18 19 20 21 22 23 24 25 26 27 28 29 30 31 32 33 34 35 36 37 38 39 40 41 42 43 44 45 46 47 48 49 50 51 52 53 54 55 56 57 58 59 60 61 62 63 64 65 66 67 68 69 70 71 72 73 74 75 76 77 78 79 80 81 82 83 84 85 86 87 88 89 90 91 92 93 94 95 96 97 98 99 100Constructia rezervorului tampon SV (200l, 300l)
[1] - capac superior
[2] - conexiunea de aerisire (1/2")
[3] - conexiune de tub (6/4")
[4] - conexiunea senzorului de temperatură (1/2")
[5] - Izolație termică
[6] - picioare
[7] - conexiune de drenare (1/2")

text_image
45° 45° D d 1 2 3 4 K J G E 6 7 8 H C B A E d kConstructia rezervorului tampon SV (400l; 500l; 800l; 1000l)
[1] - capac superior
[2] - conexiunea de aerisire (1/2")
[3] - conexiune de tub (6/4")
[4] - conexiunea senzorului de temperatură (1/2")
[5] - Izolație termică
[6] - picioare
[7] - conexiune de drenare (1/2")
[8] - capac inferior

text_image
1 2 3 4 5 6 7 8 9 10 11 12 13 14 15 16 17 18 19 20 21 22 23 24 25 26 27 28 29 30 31 32 33 34 35 36 37 38 39 40 41 42 43 44 45 46 47 48 49 50 51 52 53 54 55 56 57 58 59 60 61 62 63 64 65 66 67 68 69 70 71 72 73 74 75 76 77 78 79 80 81 82 83 84 85 86 87 88 89 90 91 92 93 94 95 96 97 98 99 100Constructia rezervorului tampon cu serpentină SVW (200l, 300l)
[1] - capac superior
[2] - conexiunea de aerisire (1/2")
[3] - conexiune de tub (6/4")
[4] - conexiunea senzorului de temperatură (1/2")
[5] - Izolație termică
[6] - picioare
[7] - conexiune de drenare (1/2")
[8] - conexiunea serpentinei 1"

text_image
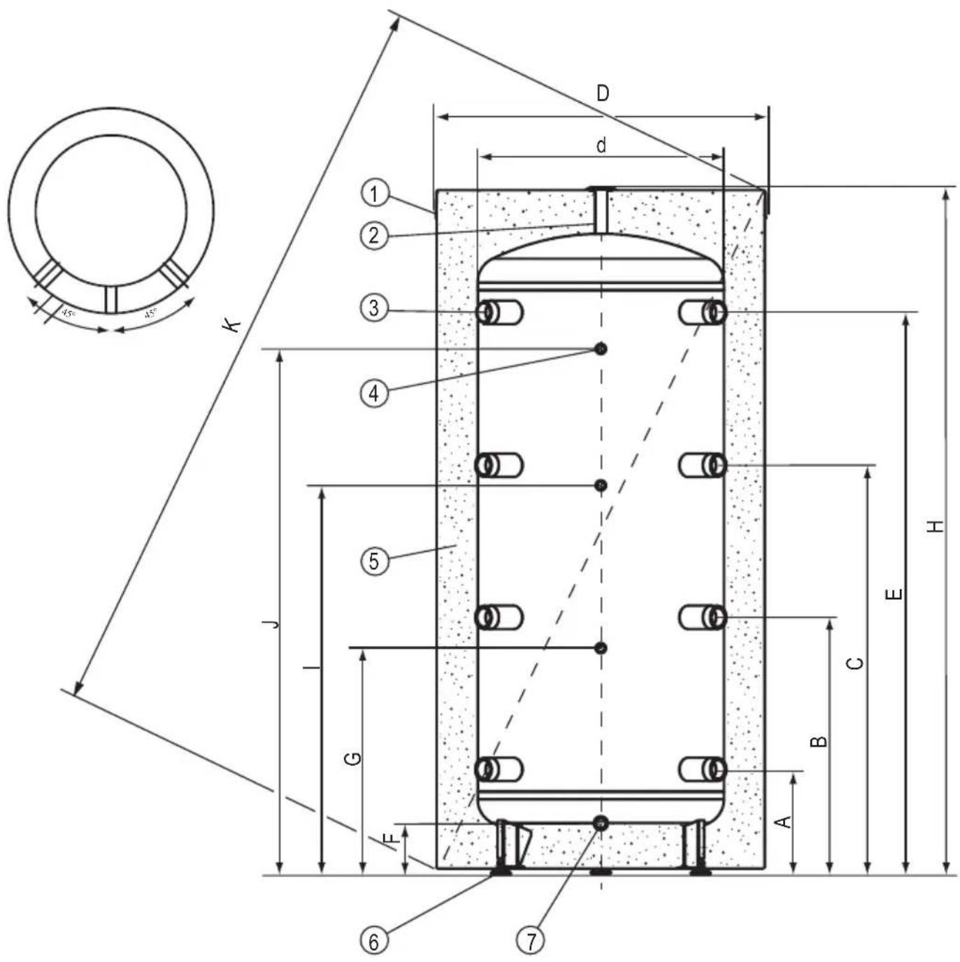
1 2 3 4 5 6 7 8 9 D d J I N G L E A B C H 45° 45°Constructia rezervorului tampon cu serpentină SVW (400l, 500l; 800l; 1000l)
[1] - capac superior
[2] - conexiunea de aerisire (1/2")
[3] - conexiune de tub (6/4")
[4] - conexiunea senzorului de temperatură (1/2")
[5] - Izolație termică
[6] - picioare
[7] - conexiune de drenare (1/2")
[8] - conexiunea serpentinei 1"
[9] - Icapac inferior
Dimensiuni
| Model | SV200.1 | SVW200.1 | SV300.2 | SVW300.2 | SV400.1 | SVW400.1 | SV500.1 | SVW500.1 | SV800.1 | SVW800.1 | SV1000.1 | SVW1000.1 | |
| D | 457 5 | 595 692 | 755 854 994 | 994 | |||||||||
| 50 600 650 7 | 90 790 | ||||||||||||
| H | 1616 | 1596 1643 1 | 761 1911 224 | 41 | |||||||||
| A | 266 2 | 49 256 261 2 | 294 294 | ||||||||||
| B | 618 6 | 11 626 656 7 | 718 828 | ||||||||||
| C | 970 9 | 73 996 1051 | 1142 1362 | ||||||||||
| E | 1322 | 1338 1368 1 | 446 1566 1895 | ||||||||||
| F | 125m | 26 124 130 1 | 60 160 | ||||||||||
| G | 554 5 | 44 550 629 6 | 691 801 | ||||||||||
| I | 911 9 | 40 947 1064 | 1099 1379 | ||||||||||
| J | 1239 | 1249 1278 1 | 379 1539 1869 | ||||||||||
| K | 1700 174 | 40 1810 1975 | 2130 2430 | ||||||||||
| K' | - | - | 1675 | 1800 | 1915 | 2245 | |||||||
| L | - | 256 | - | 239 | - | 246 | - | 251 | - | 293 | - | 293 | |
| N | - | 811 | - | 850 | - | 856 | - | 974 | - | 1182 | - | 1294 | |
Instalare
- Rezervorul tampon se instalează numai în poziție verticală.
- Rezervorul tampon poate fi instalat în instalația de încălzire centrală:
- a unui sistem deschis, realizat conform normei PN-B-02413:1191,
- a unui sistem închis, realizat conform normei PN-B-02414:1999.
- Rezervorul trebuie instalat într-un loc și într-un mod în care o scurgere de urgență din rezervor sau din conexiuni nu va inunda încăperea.
Punere în funcțiune
Înainte de a porni rezervorul tampon, se verifică optic corectitudinea conexiunilor dispozitivului.
Verificați etanșeitatea conexiunilor. Verificați funcționarea supapei de siguranță (conform instructiunilor producătorului supapei).
Mod de procedare în caz de defectiuni sau neregularități
| Neregularitate Instrucțiuni de urmat | |
| Scurgeri de apă din rezervor | este necesar să închideți robinetele de închidere ale instalației de încălzire și să contactați serviciul de asistență |
| Creșterea excesivă a presiunii în rezervor |
Dezafectare
Un produs utilizat nu poate fi tratat ca deșeu municipal. Eliminarea corespunzătoare a produsului utilizat previne potențialele impacturi negative asupra mediului care ar putea apărea în cazul unei gestionări necorespunzătoare a deșeurilor. Pentru informații mai detaliate despre reciclarea acestui produs, vă rugăm să contactați autoritatea locală municipală sau serviciile de gestionare a deșeurilor.
Reciclare și eliminare deșeuri
Eliminarea produsului și a echipamentului:
Produsul și echipamentul nu trebuie eliminați împreună cu deșeurile menajere.
Asigurați-vă că produsul și toate echipamentele sunt eliminate corect.
Toate reglementările relevante trebuie respectate.
| Rezervor tampon | SV200.1 | SVW200.1 | SV300.2 | SVW300.2 | SV400.1 | SVW400.1 | SV500.1 | SVW500.1 | SV800.1 | SVW800.1 | SV1000.1 | SVW1000.1 | ||
| Capacitate nominală I 200 300 400 500 800 1000 | ||||||||||||||
| Pierderi în așteptare W 53 65 87 78 120 121 127 128 | ||||||||||||||
| Capacitate de stocare I 220 219 324 322 399 396 493 490 795 790 942 936 | ||||||||||||||
| Presiune nomi-nală | rezervor | MPa | 0,3 | |||||||||||
| bobina | -1- | 1-1- | 1-1- | 1 | ||||||||||
| Temperatura nominală | °C | 95 | 80 | 95 | ||||||||||
| Suprafața serpentinei | m^2 | - | 0,75 | - | 1,5 | - | 1,7 | - | 2,25 | - | 3 | - | 3,5 | |
| Capacitatea serpentinei | dm^3 | - | 4,5 | - | 9,1 | - | 10 | - | 13,7 | - | 22,4 | - | 25,2 | |
| Puterea serpentinei kW - | 22* | - | 45* | - | 50* | - | 65* | - | 90* | - | 105* | |||
| 7** | 14** | 16** | 21** | - | 28* | - | 32** | |||||||
| Greutate (fără apă) | kg | 53 | 69 | 56 | 85 | 86 | 118 | 96 | 131 | 128 | 170 | 150 | 196 | |
*80/10/45°C } temperatura apei de încălzire / temperatura apei de alimentare / temperatura apei din rezervor; debitul apei de **55/10/45°C } încălzire 2,5 m³/h..
KOSPEL Reparatur - Hotline 0241 910504 50
ManualUșor