MTE 440 - Tankless Water Heater AEG - Free user manual and instructions
Find the device manual for free MTE 440 AEG in PDF.
| Technical Specifications | Details |
|---|---|
| Device Type | Uncategorized |
| Dimensions | Not specified |
| Weight | Not specified |
| Power | Not specified |
| Capacity | Not specified |
| Special Features | Not specified |
| Usage | Usage instructions not provided |
| Maintenance | Maintenance instructions not provided |
| Safety | Safety instructions not provided |
| General Information | No additional information available |
Frequently Asked Questions - MTE 440 AEG
Download the instructions for your Tankless Water Heater in PDF format for free! Find your manual MTE 440 - AEG and take your electronic device back in hand. On this page are published all the documents necessary for the use of your device. MTE 440 by AEG.
USER MANUAL MTE 440 AEG
Electronically controlled small instantaneous water heater
Operation and installation 29
natural_image
Line drawing of a simple water purifier with inlet/outlet valves and a side-mounted column (no text or symbols)natural_image
Line drawing of a bathroom sink with faucet and water supply (no text or symbols)Montage des Gerätes

Hinweis
text_image
Technical diagram of a mechanical device with labeled components and an inset showing a close-up view of a tool interacting with a component.natural_image
Technical line drawing of a mechanical housing or enclosure with internal components and a tool, set on a grid background (no text or symbols)26 02 05 0084
text_image
Technical diagram of a mechanical device with numbered components and directional arrows indicating motion or assembly.26_02_05_0085
natural_image
Line drawing of a faucet with a drain, no text or symbols presentMontage der Armatur
text_image
on on 26_02_05_0087natural_image
Technical line drawing of an internal mechanical assembly with exploded view (no text or symbols)natural_image
Technical line drawing of a mechanical assembly with internal components and a magnified inset showing a component detail (no text or symbols)text_image
1 2 3 26_02_05_0082_text_image
26_02_05_0065_Schutzleiter prüfen
text_image
3 2 1 p> L N L N 85_02_05_0001- General information 29
1.1 Safety instructions 29
1.2 Other symbols in this documentation 29
1.3 Units of measurement....30 - Safety 30
2.1 Intended use 30
2.2 General safety instructions....30
2.3 Test symbols 31 - Appliance description....31
- Settings....32
- Cleaning, care and maintenance 32
- Troubleshooting 32
INSTALLATION
- Safety 33
7.1 General safety instructions....33
7.2 Instructions, standards and regulations....33 - Appliance description....33
8.1 Standard delivery....33
8.2 Accessories 33 - Preparations....34
-
Installation....34
10.1 Installation site 34
10.2 Installation options....34
10.3 Connecting the power supply 37 -
Commissioning....37
11.1 Initial start-up 37
11.2 Appliance handover 37
11.3 Recommissioning 38
11.4 Settings....38 - Shutting down....40
- Troubleshooting ....40
- Maintenance....41
- Specification 42
15.1 Dimensions and connections....42
15.2 Wiring diagram....43
15.3 Increasing the temperature....44
15.4 Application areas 45
15.5 Details on energy consumption 45
15.6 Data table....46
GUARANTEE
ENVIRONMENT AND RECYCLING
SPECIAL INFORMATION
• The appliance may be used by children aged 8 and up and persons with reduced physical, sensory or mental capabilities or a lack of experience and know-how, provided that they are supervised or they have been instructed on how to use the appliance safely and have understood the resulting risks. Children must never play with the appliance. Children must never clean the appliance or perform user maintenance unless they are supervised.
During operation, the tap can reach temperatures in excess of 50 °C. There is a risk of scalding at outlet temperatures in excess of 43 °C.
- Ensure the appliance can be separated from the power supply by an isolator that disconnects all poles with at least 3 mm contact separation.
• In the case of damage, the power cable must only be replaced by a qualified contractor authorised by the manufacturer using the original spare part.
- Secure the appliance as described in chapter "Installation / Installation".
- Observe the maximum permissible pressure (see chapter "Specification / Data table").
- Drain the appliance as described in chapter "Installation / Maintenance / Draining the appliance".
OPERATION
1. General information
The chapter "Operation" is intended for appliance users and qualified contractors.
The chapter "Installation" is intended for qualified contractors.

Note
Read these instructions carefully before using the appliance and retain them for future reference.
Pass on the instructions to a new user if required.
1.1 Safety instructions
1.1.1 Structure of safety instructions

KEYWORD Type of risk
Here, possible consequences are listed that may result from failure to observe the safety instructions.
» Steps to prevent the risk are listed.
1.1.2 Symbols, type of risk
| Symbol Type of risk | |
![]() | Injury |
![]() | Electrocution |
![]() | Burns(burns, scalding) |
1.1.3 Keywords
| KEYWORD | Meaning |
| DANGER | Failure to observe this information will result in serious injury or death. |
| WARNING | Failure to observe this information may result in serious injury or death. |
| CAUTION | Failure to observe this information may result in non-serious or minor injury. |
1.2 Other symbols in this documentation

Note
Notes are bordered by horizontal lines above and below the text. General information is identified by the symbol shown on the left.
» Read these texts carefully.
Operation - for users and contractors
| Symbol | |
| Material losses(appliance damage, consequential losses and environmental pollution) | |
| Appliance disposal |
» This symbol indicates that you have to do something. The action you need to take is described step by step.
1.3 Units of measurement

Note
Unless specified otherwise, all dimensions are given in mm.
2. Safety
2.1 Intended use
This appliance is intended for domestic use. It can be used safely by untrained persons. The appliance can also be used in a non-domestic environment, e.g. in a small business, as long as it is used in the same way.
This appliance is suitable for heating domestic hot water or for reheating preheated water. The appliance is designed for one hand washbasin.
Any other use beyond that described shall be deemed inappropriate. Observation of these instructions and of instructions for any accessories used is also part of the correct use of this appliance.
2.2 General safety instructions

DANGER Scalding
During operation, the tap can reach temperatures in excess of 50^ . There is a risk of scalding at outlet temperatures in excess of 43^ .

WARNING Injury
The appliance may be used by children aged 8 and up and persons with reduced physical, sensory or mental capabilities or a lack of experience and know-how, provided that they are supervised or they have been instructed on how to use the appliance safely and have understood the resulting risks. Children must never play with the appliance. Children must never clean the appliance or perform user maintenance unless they are supervised.

DANGER Electrocution
Any damaged power cables must be replaced by a qualified electrician. This prevents potential hazards from arising.

Material losses
Protect the appliance and tap against frost.

Material losses
Only use the special aerator provided. Prevent scale build-up at the tap outlets (see chapter "Cleaning, care and maintenance").
2.3 Test symbols
See type plate on the appliance.
Country-specific approvals and certifications: Germany
In line with [German] State Building Regulations, a general test certificate has been issued for these appliances, as verification of their suitability regarding noise emissions.
AEG
HOL DIN 4109
P-IX 7508/I
MPA NRW.
3. Appliance description
The electronically controlled small instantaneous water heater maintains a constant outlet temperature up to its output limit, irrespective of the inlet temperature.
This appliance has been factory-set to the outlet temperature required for washing hands. Once this temperature has been reached, the PCB automatically reduces the output. The output is matched to the required temperature, this prevents the temperature being exceeded.
The appliance heats the water directly at the draw-off point as soon as the tap is opened. The short pipe runs ensure that energy and water losses are minimal.
The DHW output depends on the cold water temperature, the heating output and the flow rate.
The bare wire heating system is suitable for hard and soft water areas. This heating system has a low susceptibility to scale build-up. The heating system ensures quick and efficient DHW provision at the hand washbasin.
Your qualified contractor can adjust the maximum temperature and flow rate (see chapter "Commissioning / Settings").
Fitting the special aerator supplied provides an optimum water jet.
Operation - for users and contractors
4. Settings
The appliance heating system switches on automatically as soon as you open the DHW valve at the tap or activate the sensor of a sensor tap. The water is heated. The water temperature can be adjusted at the tap:
For initial flow rate and flow rate limiting, see chapter "Specification".
Increasing the temperature
» Reduce the flow rate at the tap.
Reducing the temperature
» Open the tap further or add more cold water.
Following an interruption of the water supply
See chapter "Commissioning / Recommissioning".
5. Cleaning, care and maintenance
» Never use abrasive or corrosive cleaning agents. A damp cloth is sufficient for cleaning the appliance.
» Check the taps/valves regularly. Limescale deposits at the spouts can be removed using commercially available descaling agents.
» Have the electrical safety of the appliance regularly checked by an electrician.
» Regularly descale or replace the special aerator (see chapter "Appliance description / Accessories").
6. Troubleshooting
| Problem Cause Remedy | ||
| The appliance will not start despite the DHW valve being fully open. | No power to the ap- pliance. | Check the fuses/ MCBs in your fuse box. |
| The aerator in the tap is scaled up or dirty. | Clean and/or descale the aerator or replace the special aerator. | |
| The water supply has been interrupted. | Vent the appliance and the cold water inlet line (see chapter "Settings"). | |
| The required tem- perature is not being reached. | The maximum tem- perature set inside the appliance is too low. | Have your qualified contractor adjust the maximum tempera- ture. |
| The appliance is at its | output limit. | Reduce the flow rate. |
If you cannot remedy the fault, notify your qualified contractor. To facilitate and speed up your enquiry, please provide the serial number from the type plate (000000 / 0000-00000).

Only a qualified contractor should carry out installation, commissioning, maintenance and repair of the appliance.
7.1 General safety instructions
We guarantee trouble-free function and operational reliability only if original accessories and spare parts intended for the appliance are used.

Material losses
Observe the max. permissible inlet temperature. Higher temperatures may damage the appliance. You can limit the inlet temperature by means of a central thermostatic valve.
7.2 Instructions, standards and regulations

Note
Observe all applicable national and regional regulations and instructions.
The specific electrical resistance of the water must not fall below that stated on the type plate. In a linked water network, factor in the lowest electrical resistance of the water (see chapter "Specification / Data table"). Your water supply utility will advise you of the specific electrical water resistance or conductivity.
8. Appliance description
8.1 Standard delivery
The following are delivered with the appliance:
- Sieve inside the cold water inlet
- Special aerator "SR"
- Connection hose 3/8, 500 mm long, with gaskets*
• Tee 3/8* - Company logo for oversink installation
*for the connection as pressure-tested appliance
8.2 Accessories
Special aerator "SR"\*
SR 3: Part number 289591 for MTE 350 and MTE 440
• SR 5: Part number 270582 for MTE 570 and MTE 650
* For use in thread M22/M24.
Non-pressurised taps
- AHS 50 Sensor tap for washbasins
- AHo 40 MTH Wall mounted tap for oversink installation
- AHu 40 MTH Twin lever basin tap
• AHEu 40 MTH Mono lever basin tap
Pressure-tested tap
- ADS 40 Sensor tap for washbasins
9. Preparations
» Flush the water line thoroughly.
Water installation
A safety valve is not required.
Taps
» Use suitable taps (see chapter "Appliance description / Accessories").

Note
Fitting the special aerator supplied provides an optimum water jet.
10. Installation
10.1 Installation site
Install the appliance in a room free from the risk of frost and near the draw-off tap.
Ensure that the lateral fixing screws for the cover are always accessible.
The appliance is suitable for undersink installation (water connections at the top) and oversink installation (water connections at the bottom).

DANGER Electrocution
The adjusting screw for setting the flow rate is 'live', and the IP25 protection is only given when the appliance back panel is fitted.
» Always fit the appliance back panel.
10.2 Installation options
10.2.1 Undersink installation
Non-pressurised, with non-pressurised tap

natural_image
Diagram of a bathtub with faucet and water outlet (no text or labels)26_02_05_0086
Pressure-tested, with pressure-tested tap

natural_image
Line drawing of a bathroom sink with faucet, drain pipe, and hanging bucket (no text or symbols)26 02 05 0094
Appliance installation

Note
» Mount the appliance on the wall.
The wall must have a sufficient load-bearing capacity.

text_image
Technical diagram of a mechanical device with labeled components and an inset showing a close-up view of a component.» Undo the cover fixing screws by two turns.
» Undo the snap fastener using a screwdriver.
» Remove the appliance cover with the heater towards the front.

natural_image
Technical line drawing of a mechanical component with grid background and dimension annotations (no readable text or symbols)» Using pliers, break out the knock-out for the power cable in the appliance cover. Correct the contours with a file if necessary.
» Use the appliance back panel as a drilling template.
» Secure the appliance back panel to the wall with suitable rawl plugs and screws.
Installation - for contractors

text_image
Technical diagram of a mechanical device with numbered components and a scale indicator» Route the power cable through the cable entry in the back panel.
» Hook in the appliance cover with the heater at the bottom.
» Click the heater into place using the snap fastener.
» Secure the appliance cover with the cover fixing screws.
Tap installation
» Install the tap. For this, also observe the tap operating and installation instructions.

Material losses
» When making the connections, counter the torque on the appliance using a size 14 spanner.
Pressure-tested tap

Note
» Fit the 3/8 connection hose provided and the 3/8 tee.
10.2.2 Oversink installation, non-pressurised, with non-pressurised tap

natural_image
Line drawing of a faucet with a drain, no text or symbols presentTap installation
» Install the tap. For this, also observe the tap operating and installation instructions.

Material losses
» When making the connections, counter the torque on the appliance using a size 14 spanner; see chapter "Installation alternatives / Under-sink installation".
Appliance installation
» Fit the appliance to the tap with the water connections.
10.3 Connecting the power supply

DANGER Electrocution
Carry out all electrical connection and installation work in accordance with regulations.

DANGER Electrocution
Ensure that the appliance is earthed.
Ensure the appliance can be separated from the power supply by an isolator that disconnects all poles with at least 3 mm contact separation.

DANGER Electrocution
The appliances are delivered with a power cable (MTE 350 with plug).
Connection to a permanent power supply is possible, provided the fixed cable has a cross-section that is at least equal to that of the standard power cable of the appliance. A maximum cross-section of 3 × 6 ~mm^2 may be used.
» If the appliance is installed over the sink, route the power cable behind the appliance.

Material losses
When making the connection to a standard safety socket (in the case of a power cable with plug), ensure that the socket is freely accessible after the appliance has been installed.

Material losses
Take note of the type plate. The specified voltage must match the mains voltage.
» Connect the power cable as shown in the wiring diagram (see chapter "Specification / Wiring diagram").
11. Commissioning
11.1 Initial start-up

on

26_02_05_0087
» Fill the appliance by running the tap several times until the pipework and appliance are free of air.
» Carry out a tightness check.
» Insert the power cable plug, if present, into the standard safety socket or set the fuse/MCB.
» Check the function of the appliance.
» In the case of oversink installation, affix the company logo supplied over the existing company logo.
11.2 Appliance handover
» Explain the appliance function to users and familiarise them with its operation.
» Make users aware of potential dangers, especially the risk of scalding.
» Hand over these instructions.
Installation - for contractors
11.3 Recommissioning

Material losses
Following an interruption of the water supply, recommission the appliance by carrying out the following steps, in order to prevent irreparable damage to the bare wire heating system.
» Isolate the appliance from the power supply. Pull the power cable plug, if present, from the socket, or remove the fuse/reset the MCB.
» See chapter "Initial start-up".
11.4 Settings
You can alter the maximum flow rate and temperature.

DANGER Electrocution
The flow rate and temperature may only be adjusted if the appliance is isolated from the power supply.
» Isolate all poles of the appliance from the power supply.

DANGER Electrocution
The adjusting screw for changing the flow rate and the potentiometer for setting the temperature are live if the appliance has not been isolated from the power supply.

natural_image
Technical line drawing of an internal mechanical assembly with exploded view (no text or symbols)» Remove the appliance cover.
Setting the maximum temperature
Factory setting: 38 °C

text_image
30°C 38°C + 50°C D0000042035» Using a screwdriver, set the potentiometer to the maximum required temperature.
» Fit the appliance cover.
Limiting the flow rate
Factory setting: Maximum flow rate

natural_image
Technical line drawing of a mechanical assembly with a magnified inset showing internal components (no text or symbols)» Using the adjusting screw, set the maximum required flow rate:
- Lowest flow rate = wind the screw in as far as it will go.
- Highest flow rate = wind the screw out as far as it will go.
» Fit the appliance cover.
12. Shutting down
» Isolate the appliance from the power supply by means of the fuse/MCB in your fuse box or by pulling the power cable plug from the socket.
» Drain the appliance (see chapter "Maintenance").
13. Troubleshooting
| Problem Cause Remedy | ||
| The appliance will not start despite the DHW valve being fully open. The flow rate is set | The aerator in the tap is scaled up or dirty. | Clean and/or descale the aerator or replace the special aerator. |
| too low. | Increase the flow rate. | |
| The sieve in the cold water line is blocked. | Clean the sieve after shutting off the cold water inlet line. | |
| The heater is faulty. | Check the resistance of the heating system and replace the appli-ance if required. | |
| The safety pressure limiter has responded. | Remedy the cause of the fault. Isolate the appliance from the power supply and de-pressurise the water line. Activate the safe-ty pressure limiter. | |
| The required tem-perature is not being reached. | The appliance is at its output limit. | Reduce the flow rate. |
LED indicators

text_image
1 2 3 26_02_05_0082_1 Illuminates red in the case of a fault
2 Illuminates yellow during heating operation
3 Flashes green if the PCB is receiving power
Activating the safety pressure limiter

text_image
1 2 D00000397691 1-pole safety pressure limiter MTE 440 / MTE 570
2 2-pole safety pressure limiter MTE 350 / MTE 650
14. Maintenance

DANGER Electrocution Before any work on the appliance, disconnect all poles from the power supply.
Draining the appliance

DANGER Scalding Hot water may escape during the draining process.
If the appliance needs to be drained for maintenance or to protect the whole installation when there is a risk of frost, proceed as follows:
» Close the shut-off valve in the cold water inlet line.
» Open the draw-off valve.
» Undo the water connections on the appliance.
Installation - for contractors
Cleaning the strainer
You can clean the fitted strainer after removing the cold water supply pipe.

text_image
26_02_05_0065_Checking the earth conductor
» Check the earth conductor (in Germany e.g. BGV A3) on the earth conductor contact of the power cable and on the appliance connector.
Appliance storage
» Store the dismantled appliance in a room free from the risk of frost, as water residues remaining inside the appliance can freeze and cause damage.
Replacing the power cable for the MTE 570
» If replacing the cable for the MTE 570, use a power cable with 4 mm ^2 cross-section.
15. Specification
15.1 Dimensions and connections

text_image
c01 c06 30 143 4.8 28 120 190 95 165 20 b02 b03 82 D0000018336| b02 Entry electrical cables I | ||
| b03 Entry electrical cables II | ||
| c01 Cold water inlet Male thread G 3/8 A | ||
| c06 DHW outlet | Male thread | G 3/8 A |
15.2 Wiring diagram
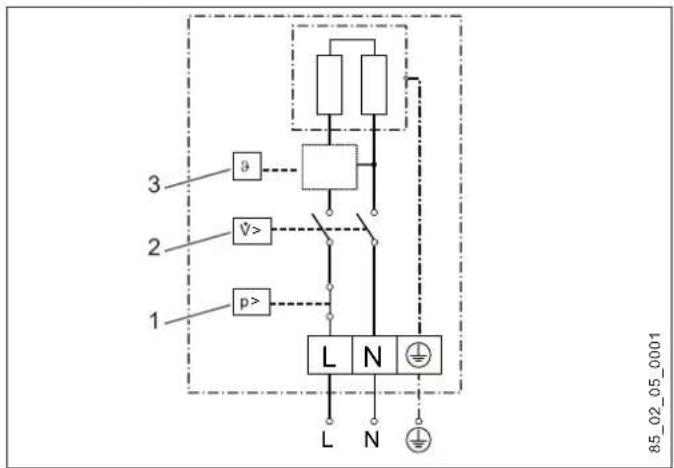
15.2.1 MTE 350
1/N/PE \~ 200-240 V

text_image
3 2 1 p> L N L N D00000353081 Safety pressure limiter
2 Pressure differential switch
3 PCB with outlet temperature sensor
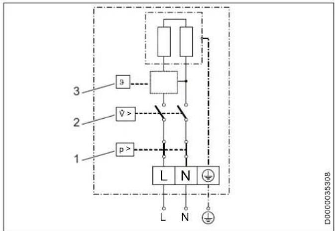
15.2.2 MTE 440 and MTE 570
1/N/PE \~ 200-240 V

text_image
3 2 1 p> L N L N 85_02_05_00011 Safety pressure limiter
2 Pressure differential switch
3 PCB with outlet temperature sensor
Material losses
» In the case of a permanent power supply, connect the power cable according to the designations on the socket terminals.
Installation - for contractors
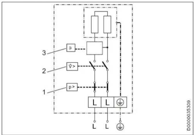
15.2.3 MTE 650
2/PE \~ 380-400 V

text_image
3 2 1 p> θ V> L L L L D00000353091 Safety pressure limiter
2 Pressure differential switch
3 PCB with outlet temperature sensor
15.3 Increasing the temperature
At 230 V / 400 V, the following water temperature increases occur:

line
| X | 1 | 2 | 3 | 4 | | ------ | ---- | ---- | ---- | ---- | | 1.41 | 32.5 | 35.0 | 37.5 | 45.0 | | 82 | 27.5 | 30.0 | 32.5 | 40.0 | | 22 | 22.5 | 25.0 | 27.5 | 35.0 | | 63 | 20.0 | 22.5 | 25.0 | 30.0 | | 03 | 17.5 | 20.0 | 22.5 | 27.5 | | 4 | 15.0 | 17.5 | 20.0 | 25.0 | | 02 | 12.5 | 15.0 | 17.5 | 22.5 | | 02 | 10 | 12.5 | 15.0 | 20.0 | | 02 | 7.5 | 10 | 12.5 | 17.5 | | 02 | 5 | 7.5 | 10 | 15.0 | | 02 | 2.5 | 5 | 7.5 | 12.5 | | 02 | 0 | 2.5 | 5 | 10 | | 02 | -0.5 | -1 | -1 | -7.5 | | 02 | -1 | -2.5 | -2 | -15 | | 02 | -1.5 | -5 | -3 | -22.5| | 02 | -2 | -7.5 | -4 | -30 | | 02 | -2.5 | -10 | -5 | -37.5| | 02 | -3 | -12.5| -6 | -45 | | 02 | -3.5 | -15 | -7 | -52.5| | 02 | -4 | -17.5| -8 | -60 | | 02 | -4.5 | -20 | -9 | -67.5| | 02 | -5 | -22.5| -10 | -75 | | 02 | -5.5 | -25 | -11 | -82.5| | 02 | -6 | -27.5| -12 | -90 | | 02 | -6.5 | -30 | -13 | -97.5| | 02 | -7 | -32.5| -14 | -105 | | 02 | -7.5 | -35 | -15 | -112.5| | 02 | -8 | -37.5| -16 | -120 | | 02 | -8.5 | -40 | -17 | -127.5| | 02 | -9 | -42.5| -18 | -135 | | 02 | -9.5 | -45 | -19 | -142.5| | 03 | -10 | -47.5| -20 | -149 | | 03 | -11 | -50 | -21 | -156 | | 03 | -12 | -52.5| -22 | -163 | | 03 | -13 | -55 | -23 | -170 | | 03 | -14 | -57.5| -24 | -177.5| | 03 | -15 | -60 | -25 | -185 | | 03 | -16 | -62.5| -26 | -192.5| | 03 | -17 | -65 | -27 | -200 | | 03 | -18 | -67.5| -28 | -207.5| | 03 | -19 | -70 | -29 | -215 | | 03 | -20 | -72.5| -30 | -222.5| | 03 | -21 | -75 | -31 | -230 | | 03 | -22 | -77.5| -32 | -237.5| | 03 | -23 | -80 | -33 | -245 | | 03 | -24 | -82.5| -34 | -252.5| | 03 | -25 | -85 | -35 | -260 | | 03 | -26 | -87.5| -36 | -267.5| | 03 | -27 | -90 | -37 | -275 | | 03 | -28 | -92.5| -38 | -282.5| | 03 | -29 | -95 | -39 | -290 | | 03 | -30 | -97.5| -40 | -297.5| | ... | ... ...| ... ...| ... ...| ... ...| | ... | ... ...| ... ...| ... ...| ... ...| | ... | ... ...| ... ...| ... ...| ... ...| | ... | ... ...| ... ...| ... ...| ... ...| | ... | ... ...| ... ...| ... ...| ... ...| | ... | ... ...| ... ...| ... ...| ... . . . .X Flow rate in l/min
Y Temperature increase in K
1 3.5 kW - 230 V
2 4.4 kW - 230 V
3 5.7 kW - 230 V
4 6.5 kW - 400 V
| Example MTE 350 with 3.5 kW | ||
| Flow rate l/min 2.0 | ||
| Increasing the temperature K 25 | ||
| Cold water supply temperature °C 12 | ||
| Maximum possible outlet temperature | °C | 37 |

Note
An outlet temperature of 50 °C can be achieved with the lowest possible flow rate and the following cold water inlet temperatures:
- MTE 350 > 17 °C
- MTE 440 > 18 °C
- MTE 570 > 13 °C
- MTE 650 > 8 °C
15.4 Application areas
For the specific electrical resistance and specific electrical conductivity, see "Data table".
| Standard specification at 15 °C | 20 °C | 25 °C | ||||||
| Spec. resist- ance ρ ≥ | Spec. conduc- tivity σ ≤ | Spec. resist- ance ρ ≥ | Spec. conduc- tivity σ ≤ | Spec. resist- ance ρ ≥ | Spec. conduc- tivity σ ≤ | |||
| Ωcm | mS/m | μS/cm | Ωcm | mS/m | μS/cm | Ωcm | mS/m | μS/cm |
| 1000 | 100 | 1000 | 890 | 112 | 1124 | 815 | 123 | 1227 |
| 1300 | 77 | 769 | 1175 | 85 | 851 | 1072 | 93 | 933 |
15.5 Details on energy consumption
Product data complies with EU regulations relating to the Directive on the ecodesign of energy related products (ErP).
| MTE 350 | MTE 440 | MTE 570 | MTE 650 | ||
| 231003 | 231004 | 231216 | 232770 | ||
| Manufacturer | AEG Haustechnik | AEG Haustechnik | AEG Haustechnik | AEG Haustechnik | |
| Load profile | XXS | XXS | XXS | XXS | |
| Energy efficiency class | A | A | A | A | |
| Annual power consumption | kWh | 478 | 478 | 478 | |
| Energy conversion efficiency | % | 39 | 39 | 39 | 40 |
| Sound power level | dB(A) | 15 | 15 | 15 | 15 |
| Special information on measuring efficiency | None | None | None | None |
15.6 Data table
| MTE 350 MTE 440 MTE 570 MTE 650 | |||||||||||||||
| 231003 231004 231216 232770 | |||||||||||||||
| Electrical details | |||||||||||||||
| Rated voltage | V | 200 | 220 | 230 | 240 | 200 | 220 | 230 | 240 | 200 | 220 | 230 | 240 | 380 | 400 |
| Rated output | kW | 2,7 | 3,2 | 3,5 | 3.8 | 3,3 | 4,0 | 4,4 | 4.8 | 4,3 | 5,2 | 5,7 | 6.2 | 5,9 | 6,5 |
| Rated current | A | 13,3 | 14,5 | 15,2 | 15.8 | 16,7 | 18,2 | 19,1 | 20 | 21,6 | 23,6 | 24,7 | 25.8 | 15,5 | 16,3 |
| Fuse | A | 16 | 16 | 16 | 16 | 20 | 20 | 20 | 20 | 25 | 25 | 25 | 32 | 16 | 20 |
| Frequency | Hz | 50/60 | 50/60 | 50/60 | 50/60 | 50/60 | 50/60 | 50/60 | 50/60 | 50/60 | 50/60 | 50/60 | 50/60 | 50 | 50 |
| Phases | 1/N/PE | 1/N/PE | 1/N/PE | 2/PE | |||||||||||
| Specific resistance _15 ≥ (at _cold ≤ 25^) | Ω cm | 1000 | 1000 | 1000 | 1000 | ||||||||||
| Specific conductivity _15 ≤ (at _cold ≤ 25^) | μS/cm | 1000 | 1000 | 1000 | 1000 | ||||||||||
| Specific resistance _15 ≥ (at _cold ≤ 50^) | Ω cm | 1300 | 1300 | 1300 | 1300 | ||||||||||
| Specific conductivity _15 ≤ (at _cold ≤ 50^) | μS/cm | 770 | 770 | 770 | 770 | ||||||||||
| Max. mains impedance at 50 Hz | Ω | 0,091 | 0,083 | 0,079 | 0,076 | 0,072 | 0,065 | 0,063 | 0,06 | 0,056 | 0,051 | 0,049 | 0,047 | ||
| Max. mains impedance at 380 V / 50Hz | Ω | 0,236 | |||||||||||||
| Max. mains impedance at 400V / 50Hz | Ω | 0,225 | |||||||||||||
| Connections | |||||||||||||||
| Water connection | G 3/8 A | G 3/8 A | G 3/8 A | G 3/8 A | |||||||||||
| Application limits | |||||||||||||||
| Max. permissible pressure | MPa | 1 | 1 | 1 | 1 | ||||||||||
| Max. inlet temperature for reheating | °C | 50 | 50 | 50 | 50 | ||||||||||
| Values | |||||||||||||||
| Max. permissible inlet temperature | °C | 60 | 60 | 60 | 60 | ||||||||||
| Temperature setting range, DHW | °C | 30-50 | 30-50 | 30-50 | 30-50 | ||||||||||
| ON | l/min | >1,5 | >1,8 | >2,2 | >2,2 | ||||||||||
| Pressure drop at flow rate | MPa | 0,05 | 0,06 | 0,07 | 0,07 | ||||||||||
| Flow rate for pressure drop | l/min | 1,5 | 1,8 | 2,2 | 2,2 | ||||||||||
| Flow rate limit at | l/min | 2,3 | 2,8 | 3,2 | 3,2 | ||||||||||
| DHW delivery | l/min | 2,0 | 2,5 | 3,2 | 3,7 | ||||||||||
| Δθ at DHW delivery | K | 25 | 25 | 25 | 25 | ||||||||||
Installation - for contractors
| MTE 350 MTE 440 MTE 570 MTE 650 | |||||
| Hydraulic data | |||||
| Rated capacity I 0,1 0,1 0,1 0,1 | |||||
| Versions | |||||
| Oversink installation X X X X | |||||
| Undersink installation | X X X X | ||||
| Open vented type | X X X X | ||||
| Sealed unvented type | X X X X | ||||
| IP-Rating | IP25 | IP25 | IP25 | IP25 | |
| Protection class | 1 | 1 | 1 | 1 | |
| Insulation block | Plastic | Plastic | Plastic | Plastic | |
| Heating system heat generator | Bare wire | Bare wire | Bare wire | Bare wire | |
| Cap and back panel | Plastic | Plastic | Plastic | Plastic | |
| Colour | white | white | white | white | |
| Dimensions | |||||
| Height | mm | 143 | 143 | 143 | 143 |
| Width | mm | 190 | 190 | 190 | 190 |
| Depth | mm | 82 | 82 | 82 | 82 |
| Weights | |||||
| Weight | kg | 1,5 | 1,5 | 1,5 | 1,5 |
Guarantee - Environment and recycling
Guarantee
The guarantee conditions of our German companies do not apply to appliances acquired outside of Germany. In countries where our subsidiaries sell our products a guarantee can only be issued by those subsidiaries. Such guarantee is only granted if the subsidiary has issued its own terms of guarantee. No other guarantee will be granted.
We shall not provide any guarantee for appliances acquired in countries where we have no subsidiary to sell our products. This will not affect warranties issued by any importers.
Environment and recycling
We would ask you to help protect the environment. After use, dispose of the various materials in accordance with national regulations.
Table des matières
REMARQUES PARTICULIÈRES
UTILISATION
natural_image
Line drawing of a laboratory apparatus with a sink, tubing, and pressure vessel (no text or symbols)natural_image
Line drawing of a bathroom sink with faucet and hanging container (no text or symbols)Pose de l'appareil

Remarque
text_image
Technical diagram showing a mechanical assembly with labeled components and an inset view of a tool interacting with a component.natural_image
Technical line drawing of a mechanical component with grid background and no visible text or symbols26 02 05 0084
text_image
Technical diagram of a mechanical device with labeled parts ①, ②, and ③ indicating components for assembly or inspection.26 02 05 0085
natural_image
Line drawing of a faucet with a sink, no text or symbols presentnatural_image
Technical line drawing of an internal mechanical assembly with exploded view and base plate (no text or symbols)» Retirez le capot.
natural_image
Technical line drawing of a mechanical assembly with internal components and a magnified inset showing a component detail (no text or symbols)text_image
1 2 3 26_02_05_0082_text_image
26_02_05_0065_text_image
3 2 1 θ V̇> p> L N L N 85_02_05_0001natural_image
Diagram of a bathroom sink with faucet, drain pipe, and outlet pipe (no text or labels)26_02_05_0086
natural_image
Line drawing of a bathroom sink with faucet and water pump (no text or symbols)26_02_05_0094
text_image
Technical diagram showing a mechanical assembly with labeled components and an inset view of a tool interacting with a device.natural_image
Technical line drawing of a mechanical component with grid background and no visible text or symbolstext_image
Technical diagram of a mechanical device with numbered components and a scale indicatornatural_image
Line drawing of a faucet with a drain, no text or symbols presentnatural_image
Technical line drawing of an internal mechanical assembly with exploded view (no text or symbols)natural_image
Technical line drawing of a mechanical assembly with a magnified inset showing internal components (no text or symbols)text_image
1 2 3 26_02_05_0082_text_image
26_02_05_0065_text_image
3 2 1 p> L N L N 85_02_05_0001natural_image
Diagram of a bathtub with faucet and water outlet (no text or labels)26_02_05_0086
natural_image
Line drawing of a bathroom sink with faucet and water pump (no text or symbols)26_02_05_0094
text_image
Technical diagram showing a mechanical assembly with labeled components and an inset view of a tool interacting with a device.natural_image
Technical line drawing of a mechanical component with grid background and no visible text or symbolstext_image
Technical diagram of a mechanical device with numbered components and a scale indicatornatural_image
Line drawing of a faucet with a drain, no text or symbols presentMontáž armatury
» Namontujte armaturu. Dodržujte prítom návod k obsluze a instalaci armatury.

Věcné škody
natural_image
Technical line drawing of an internal mechanical assembly with exploded view (no text or symbols)natural_image
Technical line drawing of a mechanical assembly with a magnified inset showing internal components (no text or symbols)text_image
1 2 3 26_02_05_0082_text_image
26_02_05_0065_text_image
3 2 1 p> L N L N 85_02_05_0001natural_image
Line drawing of a bathroom sink with faucet and water outlet (no text or symbols)natural_image
Line drawing of a bathroom sink with faucet, drain, and water tank (no text or symbols)Montaż urządzenia

Wskazówka
text_image
Technical diagram showing a mechanical assembly with labeled components and an inset view of a tool interacting with a component.natural_image
Technical line drawing of a mechanical component with grid background and no visible text or symbols26 02 05 0084
text_image
Technical diagram of a mechanical device with numbered components and directional arrows indicating motion or assembly.26_02_05_0085
natural_image
Line drawing of a faucet with a drain, no text or symbols presentMontaż armatury
natural_image
Technical line drawing of an internal mechanical assembly with exploded view and base plate (no text or symbols)natural_image
Technical line drawing of a mechanical assembly with a magnified inset showing internal components (no text or symbols)text_image
26_02_05_0065_text_image
3 2 1 θ V⃗> p> L N L N 85_02_05_0001natural_image
Diagram of a bathroom sink with faucet, drain tube, and water outlet (no text or labels)26_02_05_0086
natural_image
Line drawing of a bathroom sink with faucet, drain pipe, and hanging bucket (no text or symbols)26_02_05_0094
text_image
Technical diagram showing a mechanical assembly with labeled components and an inset view of a tool interacting with a component.natural_image
Technical line drawing of a mechanical component with grid background and no visible text or symbolstext_image
Technical diagram of a mechanical device with labeled parts and measurement markingsnatural_image
Line drawing of a faucet with a drain, no text or symbols presentArmatürün montajı
natural_image
Technical line drawing of an internal mechanical device with housing and components, shown from two views (no text or symbols present)natural_image
Technical line drawing of a mechanical assembly with a magnified inset showing internal components (no text or symbols)text_image
1 2 3 26_02_05_0082_natural_image
Simple line drawing of a container with two boxes on a boat, no text or symbols present26_02_05_0065_
text_image
3 2 1 p> g V> L N L N 85_02_05_0001Urzhumskaya street 4,
building 2
129343 Moscow
Tel. 0495 7753889
Fax 0495 7753887
Switzerland
STIEBEL ELTRON AG
Industrie West
Gass 8
5242 Lupfig
Tel. 056 4640-500
Fax 056 4640-501
AEG is a registered trademark used under license from AB Electrolux (publ).
Irrium und technische Änderungen vorbehallen! | Subject to errors and technical changes! | Sous réserve d'erreurs et de modifications techniques! | Onder voorbehoud van vergissingen en technische wijzigingen! | Salvo error o modificación técnica! | Rätt till misstag och tekniska ändringar förbehalls! | Excepto erro ou alteração técnica | Zastrzeżone zmiany techniczne iewentualne błędy! | Omyly a technické zmény jsou vyhrazeny! | A muszaki változtatások és tevedések jogát fenntartjuk! | Отсутствие ошибok ne гаранtryется. Возможны технические изменения. | Chiby a technikke zmeny sú vyhradene! 1505
EasyManual


