MTE 440 - Anında su ısıtıcısı AEG - Ücretsiz kullanım kılavuzu
Cihazın kılavuzunu ücretsiz bulun MTE 440 AEG PDF formatında.
| Teknik Özellikler | Detaylar |
|---|---|
| Cihaz Türü | Kategorize edilmemiş |
| Boyutlar | Belirtilmemiş |
| Ağırlık | Belirtilmemiş |
| Güç | Belirtilmemiş |
| Kapasite | Belirtilmemiş |
| Özel Özellikler | Belirtilmemiş |
| Kullanım | Kullanım talimatları sağlanmamıştır |
| Bakım | Bakım talimatları sağlanmamıştır |
| Güvenlik | Güvenlik talimatları sağlanmamıştır |
| Genel Bilgiler | Ek bilgi mevcut değildir |
Sık sorulan sorular - MTE 440 AEG
Cihazınız için talimatları indirin Anında su ısıtıcısı PDF formatında ücretsiz! Kılavuzunuzu bulun MTE 440 - AEG ve elektronik cihazınızı yeniden ele alın. Bu sayfada cihazınızın kullanımı için gerekli tüm belgeler yayınlanmaktadır. MTE 440 markasının AEG.
KULLANIM KILAVUZU MTE 440 AEG
Elektronik ayarlı küçük anında su ıstıcısı
Kullanım ve kurulum 143
Inhalt
BESONDERE HINWEISE
BEDIENUNG
- Genel bilgiler....143
1.1 Güvenlik bilgileri.... 143
1.2 Bu belgelerdeki diğer işaretlemeler 143
1.3 Ölçü birimleri....144 - Güvenlik....144
2.1 Kurallara uygun kullanım 144
2.2 Genel güvenlik bilgileri....144
2.3 Test işareti....145 - Cihaz açıklaması 145
- Ayarlar....146
- Temizlik, bakım ve servis 146
- Sorun giderme 146
KURULUM
- Güvenlik....147
7.1 Genel güvenlik bilgileri.... 147
7.2 Talimatlar, normlar ve düzenlemeler.... 147 - Cihaz açıklaması 147
8.1 Teslimat kapsamı 147
8.2 Aksesuarlar....147 - Hazırlıklar 148
-
Montaj 148
10.1 Montaj yeri 148
10.2 Montaj seçenekleri.... 148
10.3 Güç bağlantısının kurulması 150 -
İşletime alma....151
11.1 İlk işletme alma 151
11.2 Cihazın devredilmesi 151
11.3 Yeniden işletme alma.... 151
11.4 Ayarlar....151 - Devre dışı bırakma.... 153
- Arızaların giderilmesi....153
- Bakim 155
- Teknik veriler....156
15.1 Ölçüler ve bağlantılar.... 156
15.2 Elektrik devre şeması 156
15.3 Sıcaklığın artırılması 158
15.4 Kullanım alanları 158
15.5 Enerji tüketimiyle ilgili bilgiler 159
15.6 Veri tablosu 159
GARANTI
ÇEVRE VE GERİ DÖNÜŞÜM
Özel bilgiler
ÖZEL BİLGİLER
• Cihaz, 8 yaş üzeri çocuklar ve fiziksel, sensörik ve mental yetenekleri kısıtlı veya yeterli deneyime ve bilgi birikimine sahip olmayan kişiler tarafından denetim altında olmaları veya cihazın güvenli bir biçimde kullanılması ile ilgili olarak bilgilendirilmeleri ve buradan kaynaklanabilecek tehlikeleri anlamış olmaları koşulu ile kullanılabilir. Çocuklar cihazla oynamamalıdır. Temizlik ve kullanıcı bakımı, denetim altında olmayan çocuklar tarafından uygulanmalıdır.
° Armatür, çalışma sırasında 50 °C üzerinde sıcaklıklara ulaşabilir. 43 °C üzerindeki çıkış sıcaklıklarında hastanma tehlikesi bulunmaktadır.
• Cihazın tüm kutupları, en az 3 mm'lik bir ayırma mesafesi üzerinden şebeke bağlantısından ayrılabilmelidir.
- Elektrik güç kablosu hasar durumunda veya bir diğeriyle değiştirilirken üretici / imalatçı tarafından yetkilendirilmiş bir yüklenici tarafından orijinal yedek parça takımıyla değiştirilmelidir.
• Cihazı "Kurulum / Montaj" bölümünde açık-landığı gibi sabitleyin. - İzin verilen maksimum basınca dikkat edin ("Teknik bilgiler / Veri tablosu" bölümüne bakın).
• Cihazı "Kurulum / Bakım / Cihazın boşaltılması" bölümünde açıklandığı gibi boşaltın.
KULLANIM
1. Genel bilgiler
"Kullanım" bölümü, cihazın kullanıcısı ve yüklenici için hazırlanmıştır.
"Kurulum" bölümü, yüklenici için hazırlanmıştır.

Bilgi notu
Kullanımdan önce bu kullanım kılavuzunu sonuna kadar dikkatlice okuyun ve saklayın.
Gerekirse, bu kullanım kılavuzunu daha sonraki kul- lanıcılara verin.
1.1 Güvenlik bilgileri
1.1.1 Güvenlik bilgilerinin yapısı

İŞARET SÖZCÜĞÜ Tehlikenin türü
Burada güvenlik bilgisine uyulmaması durumunda ortaya çıkacak muhtemel sonuçlar bulunmaktadır.
» Burada tehlikenin önlenmesi için alınacak önlemler bulunmaktadır.
1.1.2 Semboller, tehlikenin türü
| Sembol Tehlikenin türü | ||
![]() | Yaralanma | |
![]() | Elektrik çarpması | |
![]() | Yanma(Yanma, haşlanma) | |
1.1.3 İşaret sözcükleri
| İŞARET SÖZ-CÜGÜ | Anlamı |
| TEHLİKE | Uyulmadıklarında ağır yaralanmalara ve ölümene neden olan bilgiler. |
| UYARI Uyulmadıklarında ağır yaralanmalara ve ölümene neden olabilecek bilgiler. | |
| DİKK AT Uyulmadıklarında orta ağırlıkta veya hafif yaralan-malara neden olabilecek bilgiler. | |
1.2 Bu belgelerdeki diğer işaretlemeler

Bilgi notu
Bilgi notları, metnin üzerindeki ve altındaki yatay çizgilerle sınırlanmıştır. Genel bilgiler, yanlarında bulunan sembollerle işaretlenmiştir.
» Bilgi notlarını dikkatle okuyun.
Kullanma - kullanıcı ve yüklenici için
| Sembol | |
| Maddi hasarlar(cihaz hasarları, ek hasarlar, çevre kırkı) | |
| Cihazların bertaraf edilmesi |
» Bu sembol, bir şeyler yapmak zorunda olduğunu gösterir. Gerekli işlemler adım adım açıklanmaktadır.
1.3 Ölçü birimleri

Bilgi notu
Aksi belirtilmedikçe, tüm ölçü birimleri milimetre cinsindendir.
2. Güvenlik
2.1 Kurallara uygun kullanım
Cihaz ev ortamında kullanılmak için tasarlanmıştır. Öğrenim almamış kişiler tarafından güvenli bir biçimde kullanılabilir. Cihaz, benzer şekilde kullanılması koşulu ile, örneğin küçük sanayi bölgeleri gibi ev harici yerlerde de kullanılabilir.
Cihaz, içme suyunun ısıtılması veya önceden ısıtılmış suyun daha fazla ısıtılması için kullanılır. Cihaz bir el yıkama lavabosu için tasarlanmıştır.
Bunun dışındaki bir kullanım, kurallara uygun olmayan kullanım olarak kabul edilir. Bu kullanım kılavuzuna ve kullanılan aksesuarların kullanım kılavuzlarına uyulması da, kurallara uygun kullanıma dahildir.
2.2 Genel güvenlik bilgileri

TEHLİKE Haşlanma
Armatür, çalışma sırasında 50 °C üzerinde sıcaklık-lara ulaşabilir.
43 °C üzerindeki çıkış sıcaklıklarında haşlanma tehlikesi bulunmaktadır.

UYARI Yaralanma
Cihaz, 8 yaş üzeri çocuklar ve fiziksel, sensörik ve mental yetenekleri kısıtlı veya yeterli deneyime ve bilgi birikimine sahip olmayan kişiler tarafından denetim altında olmaları veya cihazın güvenli bir biçimde kullanılması ile ilgili olarak bilgilendirilmeleri ve buradan kaynaklanabilecek tehlikeleri anomalies olmaları koşulu ile kullanılabilir. Çocuklar cihazla oynamamalıdır. Temizlik ve kullanıcı bakımı, denetim altında olmayan çocuklar tarafından uygulanmalıdır.

TEHLİKE Elektrik çarpması
Hasara uğramış bir elektrik güç kablosu uzman bir yüklenici tarafından değiştirilmelidir. Böylece muhtemel bir tehlike önlenmiş olur.

Maddi hasar
Cihazı ve armatürü don oluşumuna karşı koruyun.

Maddi hasar
Sadece birlikte verilen özel püskürtme regulatörünü kullanın. Armatür çıkışlarında kireçlenmeler olmasını önleyin ("Temizlik, bakım ve servis" bölümüne bakın).
2.3 Test işareti
Bkz. cihazdaki tip levhası.
Ülkelere özgü ruhsatlar ve belgeler: Almanya
Eyalet yapı düzenlemeleri temelinde, cihazlar için ses tutumu açısından kullanılabilirliğin belgelenmesi amacıyla genel bir yapı denetimi kontrol belgesi istenmektedir.

text_image
AEG HOL DIN 4109 P-IX 7508/I MPA NRW.3. Cihaz açıklaması
Elektronik ayarlı küçük anında su ıstıcısı, çıkış sıcaklığını giriş sıcaklığından bağımsız olarak güç sınırına kadar sabit tutar.
Cihaz, fabrika tarafından el yıkamak için ihtiyaç duyulan çıkış sıcaklığına ayarlanmıştır. Elektronik ünite, sıcaklığa ulaşıldığında gücü otomatik olarak düşürür. Güç, istenilen sıcaklığa uyarlanır, böylelikle sıcaklık aşılmaz.
Armatür açılır açılmaz, cihaz, suyu doğrudan boşaltma musluğunda ıstır. Kısa hatlarda enerji ve su kayıpları azdır.
Sıcak su çıkışı, soğuk suyun sıcaklığına, ısıtma gücüne ve geçen su miktarına bağlıdır.
Çıplak telli ısıtma sistemi, az kireçli ve kireçli sular için uygundur. Isıtma sistemi kireçlenmeye karşı oldukça dayanıklıdır. Isıtma sistemi, el yıkama lavabosu sıcak suyun hızlı ve etkin bir biçimde mevcut olmasını sağlar.
Yüklenici, sıcaklık ve debi için maksimum değerleri ayarlayabilir ("İşletime alma / Ayarlar" bölümüne bakın).
Ekte verilen özel püskürtme regülatörünün monte edilmesiyle optimum bir su tazyiki elde edebilirsiniz.
Kullanma - kullanıcı ve yüklenici için
4. Ayarlar
Armatürdeki sıcak su vanasını açtığınızda veya bir sensör armatürünün sensörünü devreye soktuğunuzda, cihazın ısıtma sistemi otomatik olarak açılır. Su ısıtlılır. Suyun sıcaklığını armatürü kullanarak değiştirebilirsiniz:
Açma miktarı ve debi sınırlama için bkz. "Teknik bilgiler" bölümü.
Sıcaklığın artırılması
» Debiyi armatürden azaltın.
Sıcaklığın düşürülmesi
» Armatürü daha fazla açın veya daha fazla soğuk su karıştırın.
Su beslemesinin kesilmesinden sonra
"İşletime alma / Yeniden işletme alma" bölümüne bakın.
5. Temizlik, bakım ve servis
» Aşındırıcı veya çözücü temizlik maddeleri kullanmayın. Cihazı korumak ve temizlemek için nemli bir bez yeterli olacaktır.
» Armatürleri düzenli olarak kontrol edin. Armatür çıkışlarındaki kireci piyasada bulunan kireç çözücülerle temizleyebilirsiniz.
» Cihazdaki elektrik güvenliğini yükleniciye düzenli olarak kontrol ettirin.
» Armatürdeki özel püskürtme regulatörünü düzenli olarak kireçten arındırın veya değiştirin (bkz. "Cihaz açıklaması / Aksesuarlar" bölümü).
6. Sorun giderme
| Sorun Nedeni Çözümü | ||
| Sıcak su vanası ta-mamen açık olmasına rağmen cihaz devreye girmiyor. | Cihazda gerilim yok. | Bina tesisatındaki si-gortayı kontrol edin. |
| Armatürdeki püskürt-me regulatörü kireç-lenmiş veya kirlenmiş. | Püskürtme regülatö-rünü temizleyiniz ve / veya kireçten arındırın veya özel püskürtme regulatörünü değiş-tirin. | |
| Su beslemesinde kesinti. | Cihazın ve soğuk su besleme hattının ha-vasını alın (bkz. "Ayar-lar" bölümü). | |
| Istenen sıcaklığa-şilamıyor.Cihaz gücünün sını- | Maksimum sıcaklık cihazda çok düşük ayarlanmış. | Maksimum sıcaklığı yükleniciye tekrar ayarlatın. |
| rında. | Debiyi kısın. | |
Arızanın nedenini gideremezseniz, yükleniciyi çağırın. Daha iyi ve hızlı yardım için yükleniciye tip levhasındaki numarayı bildiriniz (000000 / 0000-00000).

Cihazın kurulumu, işletme alınması, bakımı ve onarımı sadece bir yüklenici tarafından gerçekleştirilmelidir.
7.1 Genel güvenlik bilgileri
Kusursuz bir çalışmayı ve çalışma güvenliğini, sadece, cihaz orijinal aksesuarlarla ve orijinal yedek parçalarla kullanılırsa garanti ediyoruz.

Maddi hasar
İzin verilen maks. giriş sıcaklığına dikkat edin. Yüksek sıcaklıklarda cihaz tahrip olabilir. Merkezi bir termostat armatürüyle giriş sıcaklığını sınırlayabilirsiniz.
7.2 Talimatlar, normlar ve düzenlemeler

Bilgi notu
Tüm ulusal ve bölgesel yönetmeliklere ve kurallara uyun.
Suyun spesifik elektrik direnci, tip levhasında belirtilenden daha küçük olmamalıdır. Karışık bir su şebekesinde suyun en düşük elektrik direncini dikkate almalısınız ("Teknik bilgiler / Veri tablosu" bölümüne bakın). Suyun spesifik elektrik direncini veya elektrik iletkenliğini su tedarik kurumundan öğrenebilirsiniz.
8. Cihaz açıklaması
8.1 Teslimat kapsamı
Cihazla birlikte verilenler:
- Soğuk su beslemesindeki süzgeç
- Özel püskürtme regülatörü "SR"
- Bağlantı hortumu 3/8, 500 mm boyunda, contalarla birlikte*
- T parça 3/8*
• Lavabo üstü montaj için firma logosu
* basınca dayanıklı cihaz olarak bağlantı için
8.2 Aksesuarlar
Özel püskürtme regülatörü "SR"\*
SR 3: Sipariş numarası 289591 MTE 350 ve MTE 440 için
SR 5: Sipariş numarası 270582 MTE 570 ve MTE 650 için
* M22/M24 vida dişiyle kullanmak için.
Basınçsız armatürler
AHS 50 Lavabo için sensörlü armatür
- AHo 40 MTH Lavabo üstü için duvar armatürü
• AHu 40 MTH İki kollu lavabo armatürü
- AHEu 40 MTH Tek kollu lavabo armatürü
Basınca dayanıklı armatür
- ADS 40 Lavabo için sensörlü armatür
Kurulum - yüklenici için
9. Hazırlıklar
» Su hattını iyice yıkayın.
Su tesisati
Emniyet vanasına gerek yoktur.
Armatürler
» Uygun armatürler kullanın ("Cihaz açıklaması / Aksesuar" bölümüne bakın).

Bilgi notu
Bir özel püskürtme regülatörünün armatüre monte edilmesiyle optimum bir su tazyiki elde edebilirsiniz.
10. Montaj
10.1 Montaj yeri
Cihazı, her zaman don olmayan bir mekana ve boşaltma musluğunun yakınına monte edin.
Yan başlık tespit civatalarının erişilebilirliğine dikkat edin. Cihaz, hem lavabo altı montaja (su bağlantıları üstte) hem de lavabo üstü montaja (su bağlantıları altta) uygundur.

TEHLİKE Elektrik çarpması
Debi ayarı için ayar vidasında gerilim vardır ve IP25 koruma türü sadece cihazın arka paneli monte edilmiş durumdayken geçerlidir.
» Cihazın arka panelini daima monte edin.
10.2 Montaj seçenekleri
10.2.1 Lavabo alti montaj
Basınçsız, basınçsız armatürle

Basınca dayanıklı, basınca dayanıklı armatürle

Kurulum - yüklenici için
Cihazın montajı

Bilgi notu
» Cihazi duvara monte edin.
Duvar yeterli taşıyıcılığa sahip olmalıdır.

» Kapak tespit vidalarını iki tur gevşetin.
» Çıtcıtı bir tornavida ile açın.
» Cihaz kapağını ısıtma sistemi ile birlikte öne doğru çıkartın.

» Elektrik güç kablosunun geçiş deliğini cihaz kapağında bir pense kullanarak açın. Gerekli durumda kenarı eğeyle düzeltin.
» Cihazın arka panelini delme şablonu olarak kullanın.
» Cihazın arka panelini, uygun dübellerle ve civatalarla duvara sabitleyin.

» Elektrik bağlantı hattını arka paneldeki geçiş deliğine yerleştirin.
» Cihaz kapağını ısıtma sistemi ile birlikte alta takın.
Kurulum - yüklenici için
» Isıtma sistemini çıtcıta takın.
» Cihaz kapağını başlık sabitleme civatalarıyla sabitleyin.
Armatürün montajı
» Armatürü takın. Bu sırada armatürün kullanım ve kurulum kılavuzuna da dikkat edin.

Maddi hasar
» Tüm bağlantıların montajı sırasında cihazda bir SW 14 anahtarla kontra yapmalısınız.
Basınca dayanıklı armatür

Bilgi notu
» Birlikte verilen 3/8 bağlantı hortumunu ve 3/8 T parçayı monte edin.
10.2.2 Lavabo üstü montaj, basınçsız, basınçsız armatürle

» Armatürü takın. Bu sırada armatürün kullanım ve kurulum kılavuzuna da dikkat edin.

Maddi hasar
» Tüm bağlantıların montajı sırasında, cihazda bir SW 14 anahtarla kontra yapmalısınız ("Montaj seçenekleri /Lavabo altı montaj" bölümüne bakın).
Cihazın montajı
» Cihazı su bağlantıları ile armatüre monte edin.
10.3 Güç bağlantısının kurulması

TEHLİKE Elektrik çarpması
Tüm elektrik bağlantısı ve tesisat çalışmalarını talimatlara uygun şekilde yapın.

TEHLİKE Elektrik çarpması
Cihazın toprak hattına bağlanmış olmasına dikkat edin.
Cihazın tüm kutupları, en az 3 mm'lik bir ayırma mesafesi üzerinden şebeke bağlantısından ayrıla-bilmelidir.

Cihazlar, teslimattaki durumlarında bir elektrik güç kablosu ile donatılmıştır (fişli MTE 350).
Elektrik kablosu, en az cihazın standart bağlantı kablosunun kesitine sahipse sabit döşenmiş bir elektrik kablosuna bağlantı mümkündür. Maksimum kablo kesiti 3 x 6 mm² olabilir.
» Lavabo üstü montaj durumunda, elektrik güç kablosu cihazın arkasından geçmelidir.
Maddi hasar Topraklı bir prize bağlanırken (fişli bir elektrik güç kablosunda), cihaz kurulduktan sonra topraklı prize serbest erişim olmasına dikkat edin.
Maddi hasar Tip levhasına dikkat edin. Belirtilen gerilim, şebeke gerilimiyle aynı olmalıdır.
» Elektrik güç kablosunu devre şemasına uygun olarak bağlayın ("Teknik bilgiler / Elektrik devre şeması" bölümüne bakın).
11. İşletime alma
11.1 İlk işletme alma

on

on
26_02_05_0087
» Hat şebekesi ve cihaz tamamen havasız olana kadar armatürden birkaç kez çekerek cihazı doldurun.
» Bir sızdırmazlık kontrolü yapın.
» Elektrik güç kablosunun soketini, mevcutsa topraklı prize takın veya sigortayı devreye sokun.
» Cihazın çalışma şeklini kontrol edin.
» Lavabo üstü montajda, firma logosunun üzerine ekte verilen firma logosunu yapıştırmalısınız.
11.2 Cihazın devredilmesi
» Kullanıcıya cihazın çalışmasını açıklayın ve cihazın kullanılması hakkında kullanıcıyı bilgilendirin.
» Başta haşlanma tehlikesi olmak üzere olası tehlikeler hakkında kullanıcıyı bilgilendirin.
» Bu kullanım kılavuzunu da verin.
11.3 Yeniden işletme alma
Maddi hasar Su beslemesindeki kesintiden sonra cihaz, çıplak telli ısıtma sisteminin tahrip olmaması için aşağıdaki adımlarla yeniden işletme alınmalıdır.
» Cihazı gerilimsiz duruma getirin. Bunun için varsa elektrik güç kablosunun soketini çıkarın veya sigorta-yı kapatın.
» "İlk işletme alma" bölümüne bakın.
11.4 Ayarlar
Debinin ve sıcaklığın maksimum değerlerini değiştirebilirsiniz.
TEHLIKE Elektrik çarpması Debinin ve sıcaklık ayarının değiştirilmesine, sadece cihaz şebeke bağlantısından ayrıldıktan sonra izin verilir.
» Cihazın tüm kutuplarını şebeke bağlantısından ayırın.
Kurulum - yüklenici için

TEHLİKE Elektrik çarpması
Cihaz şebeke bağlantısından ayrılmamışsa, debinin ayarlanması için kullanılan hassas ayar vidası ve sıcaklık ayar potansiyometresi gerilim taşır.

» Cihazın kapağını açın.
Maksimum sıcaklığıın ayarlanması
Fabrika ayari: 38 °C

text_image
30°C 38°C + 50°C D0000042035» Potansiyometreyi bir tornavidanın yardımı ile istenen maksimum sıcaklığa ayarlayın.
» Cihaz kapağını monte edin.
Debinin sınırlanması
Fabrika ayarı: Maksimum debi

» Ayar vidasının yardımı ile istenen debiyi ayarlayın:
- En düşük debi = vidayı sonuna kadar içeri çevirin.
- En büyük debi = vidayı sonuna kadar dışarı çevirin.
» Cihaz kapağını monte edin.
12. Devre dışı bırakma
» Cihazı, bina tesisatındaki sigorta ile şebekeden ayı- rın veya elektrik bağlantı hattının soketini çekin.
» Cihazı boşaltın (bkz. Bölüm "Bakım").
13. Arızaların giderilmesi
| Sorun Nedeni Çözümü | ||
| Sıcak su vanası ta-mamen açık olmasına rağmen cihaz devreye girmiyor. | Armatürdeki püskürt-me regülatörü kireç-lenmiş veya kirlenmiş. | Püskürtme regulatö-rünü temizleyiniz ve / veya kireçten arındırın veya özel püskürtme regulatörünü değiş-tirin. |
| Debi çok düşük ayar- | lanmış. | Debiyi artırın. |
| Soğuk su hattındaki süzgeç tıkanmış. | Soğuk su tedarik borusunu kapattıktan sonra süzgeci temiz-leyin. | |
| Isıtma sistemi arızalı. | Isıtma sisteminin di-rencini ölçün, gerekli durumda cihazı de-ğiştirin. | |
| Emniyet basıncı sınır-landırıcı devreye girdi. | Arızanın sebebini giderin. Cihazı geri-limsiz duruma getirin ve su hattını boşaltın. Emniyet basıncı sınır-landırıcıyı etkinleştirin. | |
| Istenen sıcaklığa-şilamıyor. | Cihaz gücünün sını-rında. | Debiyi kısın. |
Kurulum - yüklenici için
LED gösterge

1 Arızada gösterge kırmızı
2 Isitma modunda gösterge sari
3 Elektronik ünitenin ana güç kaynağında gösterge yeşil yanıp söner
Emniyet basıncı sınırlandırıcıyı aktifleştirin

text_image
1 2 D00000397691 1 kutuplu emniyet basıncı sınırlandırıcı MTE 440 / MTE 570
2 2 kutuplu emniyet basıncı sınırlandırıcı MTE 350 / MTE 650
14. Bakım

TEHLIKE Elektrik çarpması Tüm çalışmalarda cihazın tüm kutuplarını şebeke bağlantısından ayırın.
Cihazın boşaltılması

TEHLIKE Haşlanma Boşaltma sırasında sıcak su çıkabilir.
Bakım çalışmaları için veya don tehlikesi olduğunda tüm tesisatın korunması için cihazı boşaltmak zorundaysanız aşağıdaki işlemleri yapın:
» Soğuk su besleme hattındaki kapatma vanasını kapatın.
» Alma vanasını açın.
» Su bağlantılarını cihazdan gevşetin.
Süzgeci temizleyin
Monte edilmiş süzgeci soğuk su bağlantısının sökülmesinden sonra temizleyin.

Koruyucu iletken kontrolü
» Elektrik güç kablosunun koruyucu iletken kontağında ve cihazın bağlantı ağzında koruyucu iletkeni (örn. Almanya'da BGV A3) kontrol edin.
Cihazın depolanması
» Cihazda kalan su donmaya ve hasarlara neden olabileceği için, sökülmüş olan cihazı paslanmaz şekilde depolayın.
MTE 570'da elektrik güç kablosunun değiştirilmesi
» MTE 570'da değiştirme durumunda, 4 mm² kesitinde bir güç kablosu kullanmalisınız.
15. Teknik veriler
15.1 Ölçüler ve bağlantılar

text_image
c01 c06 30 143 4.8 28 120 190 95 165 20 b02 b03 82 D0000018336| b02 Elektrik kablolarının bağlanması I | ||
| b03 Elektrik kablolarının bağlanması II | ||
| c01 Soğuk su girişi Dış diş G 3/8 A | ||
| c06 Sıcak su çıkışı Dış diş G 3/8 A |
15.2 Elektrik devre şeması
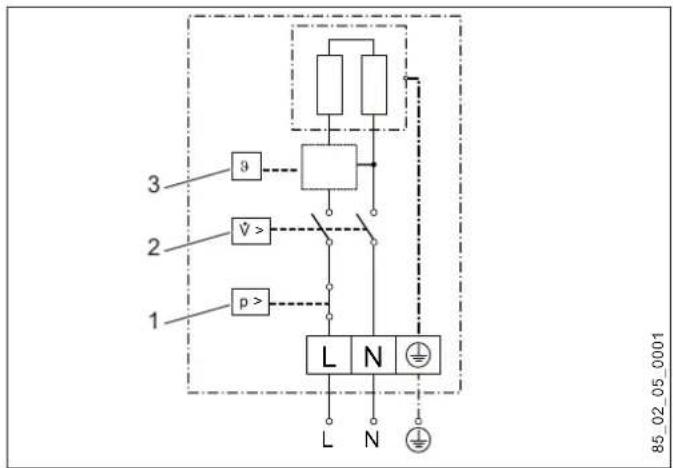
15.2.1 MTE 350
1/N/PE \~ 200-240 V

text_image
3 2 1 p> L N L N D00000353081 Emniyet basıncı sınırlandırıcı
2 Diferansiyel basınç şalteri
3 Çıkış sıcaklık sensörlü elektronik ünite
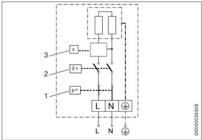
15.2.2 MTE 440 ve MTE 570
1/N/PE \~ 200-240 V

1 Emniyet basıncı sınırlandırıcı
2 Diferansiyel basınç şalteri
3 Çıkış sıcaklık sensörlü elektronik ünite

Maddi hasar
» Sabit bağlantıda elektrik güç kablosunu terminal ucunun terminal tanımına göre bağlayın.
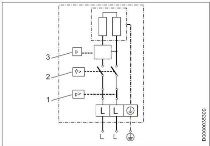
15.2.3 MTE 650
2/PE \~ 380-400 V

text_image
3 2 1 p> V> L L D00000353091 Emniyet basıncı sınırlandırıcı
2 Diferansiyel basınç şalteri
3 Çıkış sıcaklık sensörlü elektronik ünite
15.3 Sıcaklığın artırılması
Suyun aşağıdaki sıcaklık artışları 230 V / 400 V voltajda gerçekleşir:

line
| X | 1 | 2 | 3 | 4 | | ------ | ---- | ---- | ---- | ---- | | 1.41 | 32.5 | 35.0 | 37.5 | 45.0 | | 82 | 27.5 | 30.0 | 32.5 | 40.0 | | 22 | 25.0 | 27.5 | 30.0 | 35.0 | | 63 | 22.5 | 25.0 | 27.5 | 30.0 | | 03 | 20.0 | 22.5 | 25.0 | 27.5 | | 4 | - | - | - | - |X It/dak cinsinden debi
Y Sıcaklığın K cinsinden artırılması
1 3.5 kW - 230 V
2 4,4 kW - 230 V
3 5,7 kW - 230 V
4 6,5 kW - 400 V
| Örnek 3,5 kW'lı MTE 350 | ||
| Debi lt/dk 2,0 | ||
| Sıcaklığın artırılması K 25 | ||
| Soğuk su giriş sıcaklığı °C 12 | ||
| Mümkün olan maksimum çıkış sıcaklığı °C 37 | ||
Bilgi notu 50 °C cikis
50 °C çıkış sıcaklığına en düşük debide ve aşağıdaki soğuk su giriş sıcaklıklarında ulaşabilirsiniz:
- MTE 350 > 17 °C
- MTE 440 > 18 °C
- MTE 570 > 13 °C
- MTE 650 > 8 °C
15.4 Kullanım alanları
Spesifik elektrik direnci ve spesifik elektrik iletkenliği, "Veri tablosuna" bakın.
| Standart bilgi 15°C'de | 20 °C | 25 °C | ||||||
| Spes.direnç ≥ | Spes. lletken-lik ≤ | Spes.direnç ≥ | Spes. lletken-lik ≤ | Spes.direnç ≥ | Spes. lletkenlik ≤ | |||
| Ωcm | mS/m | μS/cm | Ωcm | mS/m | μS/cm | Ωcm | mS/m | μS/cm |
| 1000 | 100 | 1000 | 890 | 112 | 1124 | 815 | 123 | 1227 |
| 1300 | 77 | 769 | 1175 | 85 | 851 | 1072 | 93 | 933 |
15.5 Enerji tüketimiyle ilgili bilgiler
Ürün verileri, enerji tüketen ürünlerin (ErP) çevreye uygun tasarımına ilişkin AB yönetmeliklerine uymaktadır.
| MTE 350 MTE 440 MTE 570 MTE 650 | |||||
| 231003 231004 231216 232770 | |||||
| Uretici | AEG Haustechnik | AEG Haustechnik | AEG Haustechnik | AEG Haustechnik | |
| Yük profili XXS XXS XXS XXS | |||||
| Enerji verimliliği sınıfı | A | A | A | A | |
| Yıllık elektrik tüketimi | kWh | 478 | 478 | 478 | |
| Enerjik etki derecesi | % | 39 | 39 | 39 | 40 |
| Ses çıkışı seviyesi | dB(A) | 15 | 15 | 15 | 15 |
| Verim ölçümü için özel bilgiler | yok | yok | yok | yok |
15.6 Veri tablosu
| MTE 350 | MTE 440 | MTE 570 | MTE 650 | ||||||||||||
| 231003 | 231004 | 231216 | 232770 | ||||||||||||
| Elektrik verileri | |||||||||||||||
| Nominal voltaj | V | 200 | 220 | 230 | 240 | 200 | 220 | 230 | 240 | 200 | 220 | 230 | 240 | 380 | 400 |
| Nominal güç | kW | 2,7 | 3,2 | 3,5 | 3.8 | 3,3 | 4,0 | 4,4 | 4.8 | 4,3 | 5,2 | 5,7 | 6.2 | 5,9 | 6,5 |
| Nominal akım | A | 13,3 | 14,5 | 15,2 | 15.8 | 16,7 | 18,2 | 19,1 | 20 | 21,6 | 23,6 | 24,7 | 25.8 | 15,5 | 16,3 |
| Sigorta | A | 16 | 16 | 16 | 16 | 20 | 20 | 20 | 20 | 25 | 25 | 25 | 32 | 16 | 20 |
| Frekans | Hz | 50/60 | 50/60 | 50/60 | 50/60 | 50/60 | 50/60 | 50/60 | 50/60 | 50/60 | 50/60 | 50/60 | 50/60 | 50 | 50 |
| Fazlar | 1/N/PE | 1/N/PE | 1/N/PE | 2/PE | |||||||||||
| Spesifik direnç _15 ≥ (ğuk ≤ 25^ğinde) | Ω cm | 1000 | 1000 | 1000 | 1000 | ||||||||||
| Spesifik iletkenlik _15 ≤ (ğuk ≤ 25^ğerinde) | μS/cm | 1000 | 1000 | 1000 | 1000 | ||||||||||
| Spesifik direnç _15 ≥ (ğukdeğerinde ≤ 50^) | Ω cm | 1300 | 1300 | 1300 | 1300 | ||||||||||
| Spesifik iletkenlik _15 ≤ (ğukdeğerinde ≤ 50^) | μS/cm | 770 | 770 | 770 | 770 | ||||||||||
| 50Hz'de maks. şebeke empedansı | Ω | 0,091 | 0,083 | 0,079 | 0,076 | 0,072 | 0,065 | 0,063 | 0,06 | 0,056 | 0,051 | 0,049 | 0,047 | ||
Kurulum - yüklenici için
| MTE 350 MTE 440 MTE 570 MTE 650 | |||||
| 380V / 50Hz'de maks. şebeke empedansı Ω | 0,236 | ||||
| 400V / 50Hz'de maks. şebeke empedansı Ω | 0,225 | ||||
| Bağlantılar | |||||
| Su bağlantısı G 3/8 A G 3/8 A G 3/8 A G 3/8 A | A | ||||
| Uygulama sınırları | |||||
| İzin verilen maks. basınç MPa 1 1 1 1 | |||||
| Sonradan ısıtma için maks. giriş sıcaklığı | °C | 50 | 50 | 50 | 50 |
| Değerler | |||||
| İzin verilen maks. giriş sıcaklığı | °C | 60 | 60 | 60 | 60 |
| Sıcak su sıcaklık ayar aralığı | °C | 30-50 | 30-50 | 30-50 | 30-50 |
| Açık | lt/dk | >1,5 | >1,8 | >2,2 | >2,2 |
| Debideki basınç kaybı | MPa | 0,05 | 0,06 | 0,07 | 0,07 |
| Basınç kaybının debisi | lt/dk | 1,5 | 1,8 | 2,2 | 2,2 |
| Debi sınırlama | lt/dk | 2,3 | 2,8 | 3,2 | 3,2 |
| Sıcak su performansı | lt/dk | 2,0 | 2,5 | 3,2 | 3,7 |
| Gösteride Δθ | K | 25 | 25 | 25 | 25 |
| Hidrolik verileri | |||||
| Nominal kapasite | I | 0,1 | 0,1 | 0,1 | 0,1 |
| Modeller | |||||
| Montaj türü lavabo üstü | X | X | X | X | |
| Montaj türü lavabo altı | X | X | X | X | |
| Açık tasarım | X | X | X | X | |
| Kapalı tasarım | X | X | X | X | |
| Koruma türü (IP) | IP25 | IP25 | IP25 | IP25 | |
| Koruma sınıfı | 1 1 1 1 | ||||
| İzolasyon bloğu | Plastik | Plastik | Plastik | Plastik | |
| Isıtma sistemi ısı kaynağı | Çıplak tel | Çıplak tel | Çıplak tel | Çıplak tel | |
| Kapak ve arka panel | Plastik | Plastik | Plastik | Plastik | |
| Renk | beyaz | beyaz | beyaz | beyaz | |
| Boyutlar | |||||
| Yükseklik mm 143 143 143 143 | |||||
| En mm 190 190 190 190 | |||||
| Derinlik mm 82 82 82 82 | |||||
| Ağırlıklar | |||||
| Ağırlık | kg | 1,5 | 1,5 | 1,5 | 1,5 |
Garanti
Almanya dışı için satın alınan cihazlarda Alman şirketlerimizin verdiği garanti koşulları geçerli değildir. Ürünlerimizin dağıtımını bağlı şirketlerimizin yaptığı ülkelerde bir garanti sadece bu bağlı şirketler tarafından verilebilir. Bu türden bir garanti sadece bağlı şirketimiz kendi garanti koşullarını açıklamışsa verilebilir. Bunun ötesinde bir garanti verilmez.
Ürünlerimizi bağlı şirketlerimizin dağıtmadığı ülkelerde satın alınmış olan cihazlar için bir garanti vermemekteyiz. İthalatçı tarafından verilmiş olan garantiler bunun dışındadır.
Çevre ve geri dönüşüm
Lütfen çevremizi korumamıza yardımcı olunuz. Kullandıktan sonra materyalleri ulusal yönetmeliklere göre bertaraf ediniz.
Notlar
Notlar
KolayKılavuz


