MTE 440 - Durchlauferhitzer AEG - Kostenlose Bedienungsanleitung
Finden Sie kostenlos die Bedienungsanleitung des Geräts MTE 440 AEG als PDF.
| Technische Merkmale | Details |
|---|---|
| Gerätetyp | Nicht kategorisiert |
| Abmessungen | Nicht angegeben |
| Gewicht | Nicht angegeben |
| Leistung | Nicht angegeben |
| Kapazität | Nicht angegeben |
| Spezielle Funktionen | Nicht angegeben |
| Verwendung | Bedienungsanleitung nicht bereitgestellt |
| Wartung | Wartungsanweisungen nicht bereitgestellt |
| Sicherheit | Sicherheitsanweisungen nicht bereitgestellt |
| Allgemeine Informationen | Keine weiteren Informationen verfügbar |
Häufig gestellte Fragen - MTE 440 AEG
Laden Sie die Anleitung für Ihr Durchlauferhitzer kostenlos im PDF-Format! Finden Sie Ihr Handbuch MTE 440 - AEG und nehmen Sie Ihr elektronisches Gerät wieder in die Hand. Auf dieser Seite sind alle Dokumente veröffentlicht, die für die Verwendung Ihres Geräts notwendig sind. MTE 440 von der Marke AEG.
BEDIENUNGSANLEITUNG MTE 440 AEG
Elektronisch geregelter Klein-Durchlauferhitzer
Bedienung und Installation 2
- Allgemeine Hinweise....4
1.1 Sicherheitshinweise....4
1.2 Andere Markierungen in dieser Dokumentation......4
1.3 Maßeinheiten 5 - Sicherheit ....5
2.1 Bestimmungsgemäße Verwendung 5
2.2 Allgemeine Sicherheitshinweise....5
2.3 Prüfzeichen....6 - Gerätebeschreibung 6
- Einstellungen....7
- Reinigung, Pflege und Wartung......7
- Problembehebung....7
INSTALLATION
- Sicherheit 8
7.1 Allgemeine Sicherheitshinweise....8
7.2 Vorschriften, Normen und Bestimmungen 8 - Gerätebeschreibung 8
8.1 Lieferumfang....8
8.2 Zubehör....9 - Vorbereitungen 9
-
Montage 9
10.1 Montageort....9
10.2 Montagealternativen 10
10.3 Elektroanschluss herstellen.... 12 -
Inbetriebnahme....13
11.1 Erstinbetriebnahme.... 13
11.2 Übergabe des Gerätes 13
11.3 Wiederinbetriebnahme 14
11.4 Einstellungen 14 - Außerbetriebnahme 15
- Störungsbehebung....16
- Wartung 17
- Technische Daten 18
15.1 Maße und Anschlüsse 18
15.2 Elektroschaltplan 19
15.3 Temperaturerhöhung 20
15.4 Einsatzbereiche 21
15.5 Angaben zum Energieverbrauch 21
15.6 Datentabelle....22
KUNDENDIENST UND GARANTIE
UMWELT UND RECYCLING
BESONDERE HINWEISE
Das Gerät kann von Kindern ab 8 Jahren sowie von Personen mit verringerten physischen, sensorischen oder mentalen Fähigkeiten oder Mangel an Erfahrung und Wissen benutzt werden, wenn sie beaufsichtigt werden oder bezüglich des sicheren Gebrauchs des Geräts unterwiesen wurden und die daraus resultierenden Gefahren verstanden haben. Kinder dürfen nicht mit dem Gerät spielen. Reinigung und Benutzer-Wartung dürfen nicht von Kindern ohne Beaufsichtigung durchgeführt werden.
• Die Armatur kann während des Betriebs eine Temperatur von über 50 °C annehmen. Bei Auslauftemperaturen größer 43 °C besteht Verbrühungsgefahr.
• Das Gerät muss über eine Trennstrecke von mindestens 3 mm allpolig vom Netzanschluss getrennt werden können.
• Die elektrische Anschlussleitung darf bei Beschädigung oder Austausch nur durch einen vom Hersteller berechtigten Fachhandwerker mit dem originalen Ersatzteil ersetzt werden.
- Befestigen Sie das Gerät wie in Kapitel „Installation / Montage“ beschrieben.
- Beachten Sie den maximalen zulässigen Druck (siehe Kapitel „Technische Daten / Datentabelle).
- Entleeren Sie das Gerät wie in Kapitel „Installation / Wartung / Gerät entleeren“ beschrieben.
Bedienung - für den Benutzer und den Fachhandwerker
BEDIENUNG
1. Allgemeine Hinweise
Das Kapitel „Bedienung“ richtet sich an den Gerätebenutzer und den Fachhandwerker.
Das Kapitel „Installation“ richtet sich an den Fachhandwerker.

Hinweis
Lesen Sie diese Anleitung vor dem Gebrauch sorgfältig durch und bewahren Sie sie auf.
Geben Sie die Anleitung gegebenenfalls an einen nachfolgenden Benutzer weiter.
1.1 Sicherheitshinweise
1.1.1 Aufbau von Sicherheitshinweisen

SIGNALWORT Art der Gefahr
Hier stehen mögliche Folgen bei Nichtbeachtung des Sicherheitshinweises.
» Hier stehen Maßnahmen zur Abwehr der Gefahr.
1.1.2 Symbole, Art der Gefahr
| Symbol | Art der | Gefahr |
![]() | Verletzung | |
![]() | Stromschlag | |
![]() | Verbrennung(Verbrennung, Verbrühung) |
1.1.3 Signalworte
| SIGNALWORT | Bedeutung |
| GEFAHR | Hinweise, deren Nichtbeachtung schwere Verletzungen oder Tod zur Folge haben. |
| WARNUNG | Hinweise, deren Nichtbeachtung schwere Verletzungen oder Tod zur Folge haben kann. |
| VORSICHT Hinweise, deren Nichtbeachtung zu mittelschweren oder leichten Verletzungen führen kann. | |
1.2 Andere Markierungen in dieser Dokumentation

Hinweis
Hinweise werden durch horizontale Linien ober- und unterhalb des Textes begrenzt. Allgemeine Hinweise werden mit dem nebenstehenden Symbol gekennzeichnet.
» Lesen Sie die Hinweistexte sorgfältig durch.
Bedienung - für den Benutzer und den Fachhandwerker
| Symbol | |
| Sachschaden(Geräte-, Folgen-, Umweltschaden) | |
| Geräteentsorgung |
» Dieses Symbol zeigt Ihnen, dass Sie etwas tun müssen. Die erforderlichen Handlungen werden Schritt für Schritt beschrieben.
1.3 Maßeinheiten

Hinweis Wenn nicht anders angegeben, ist die verwendete Maßeinheit Millimeter.
2. Sicherheit
2.1 Bestimmungsgemäße Verwendung
Das Gerät ist für den Einsatz im häuslichen Umfeld vorgesehen. Es kann von nicht eingewiesenen Personen sicher bedient werden. In nicht häuslicher Umgebung, z. B. im Kleingewerbe, kann das Gerät ebenfalls verwendet werden, sofern die Benutzung in gleicher Weise erfolgt.
Das Gerät dient zur Erwärmung von Trinkwasser oder zur Nacherwärmung von vorgewärmtem Wasser. Das Gerät ist für ein Handwaschbecken bestimmt.
Eine andere oder darüber hinausgehende Benutzung gilt als nicht bestimmungsgemäß. Zum bestimmungsgemäßen Gebrauch gehört auch das Beachten dieser Anleitung sowie der Anleitungen für eingesetztes Zubehör.
2.2 Allgemeine Sicherheitshinweise

GEFAHR Verbrühung Die Armatur kann während des Betriebs eine Temperatur von über 50 °C annehmen. Bei Auslauftemperaturen größer 43 °C besteht Verbrühungsgefahr.

WARNUNG Verletzung Das Gerät kann von Kindern ab 8 Jahren sowie von Personen mit verringerten physischen, sensorischen oder mentalen Fähigkeiten oder Mangel an Erfahrung und Wissen benutzt werden, wenn sie beaufsichtigt werden oder bezüglich des sicheren Gebrauchs des Geräts unterwiesen wurden und die daraus resultierenden Gefahren verstanden haben. Kinder dürfen nicht mit dem Gerät spielen. Reinigung und Benutzer-Wartung dürfen nicht von Kindern ohne Beaufsichtigung durchgeführt werden.

GEFAHR Stromschlag Eine beschädigte elektrische Anschlussleitung muss durch einen Fachhandwerker ausgetauscht werden. Eine mögliche Gefährdung wird dadurch ausgeschlossen.

Sachschaden Schützen Sie das Gerät und die Armatur vor Frost.

Sachschaden Verwenden Sie nur den mitgelieferten Spezial-Strahlregler. Beugen Sie Verkalkungen an den Armaturenausläufen vor (siehe Kapitel „Reinigung, Pflege und Wartung“).
Bedienung - für den Benutzer und den Fachhandwerker
2.3 Prüfzeichen
Siehe Typenschild am Gerät.
Landesspezifische Zulassungen und Zeugnisse: Deutschland
Für die Geräte ist auf Grund der Landesbauordnungen ein allgemeines bauaufsichtliches Prüfzeugnis zum Nachweis der Verwendbarkeit hinsichtlich des Geräuschverhaltens erteilt.

text_image
AEG HOL DIN 4109 P-IX 7508/I MPA NRW.3. Gerätebeschreibung
Der elektronisch geregelte Klein-Durchlauferhitzer hält die Auslauftemperatur unabhängig von der Zulauftemperatur bis zur Leistungsgrenze konstant.
Das Gerät ist werkseitig auf die zum Händewaschen benötigte Auslauftemperatur eingestellt. Wird die Temperatur erreicht, reduziert die Elektronik automatisch die Leistung. Die Leistung wird der gewünschten Temperatur angepasst, somit wird die Temperatur nicht überschritten.
Das Gerät erwärmt das Wasser direkt an der Entnahmestelle, sobald die Armatur geöffnet wird. Durch kurze Leitungswege entstehen geringe Energie- und Wasserverluste.
Die Warmwasserleistung hängt von der Kaltwassertemperatur, der Heizleistung und der Durchflussmenge ab.
Das Blankdraht-Heizsystem ist für kalkarme und kalkhaltige Wässer geeignet. Das Heizsystem ist gegen Verkalkung weitgehend unempfindlich. Das Heizsystem sorgt für eine schnelle und effiziente Bereitstellung von Warmwasser am Handwaschbecken.
Der Fachhandwerker kann die Maximalwerte für Temperatur und Volumenstrom einstellen (siehe Kapitel „Inbetriebnahme / Einstellungen“).
Mit dem Einbau des beigefügten Spezial-Strahlreglers erhalten Sie einen optimalen Wasserstrahl.
4. Einstellungen
Sobald Sie das Warmwasserventil an der Armatur öffnen oder den Sensor einer Sensor-Armatur betätigen, schaltet automatisch das Heizsystem des Gerätes ein. Das Wasser wird erwärmt. Die Temperatur des Wassers können Sie mit der Armatur verändern:
Einschaltmenge und Volumenstrombegrenzung siehe Kapitel „Technische Daten“.
Temperatur erhöhen
» Drosseln Sie die Durchflussmenge an der Armatur.
Temperatur verringern
» Öffnen Sie die Armatur weiter oder mischen Sie mehr Kaltwasser bei.
Nach Unterbrechung der Wasserversorgung
Siehe Kapitel „Inbetriebnahme / Wiederinbetriebnahme“.
5. Reinigung, Pflege und Wartung
» Verwenden Sie keine scheuernden oder anlösenden Reinigungsmittel. Zur Pflege und Reinigung des Gerätes genügt ein feuchtes Tuch.
» Kontrollieren Sie regelmäßig die Armaturen. Kalk an den Armaturausläufen können Sie mit handelsüblichen Entkalkungsmitteln entfernen.
» Lassen Sie die elektrische Sicherheit am Gerät regelmäßig von einem Fachhandwerker prüfen.
» Entkalken oder erneuern Sie regelmäßig den Spezial-Strahlregler in der Armatur (siehe Kapitel „Gerätebeschreibung / Zubehör“).
6. Problemebehebung
| Problem Ursache Behebung | ||
| Das Gerät schaltet trotz voll geöffnetem Warmwasserventil nicht ein. | Am Gerät liegt keine Spannung an. | Prüfen Sie die Sicherung in der Hausinstallation. |
| Der Strahlregler in der Armatur ist verkalkt oder verschmutzt. | Reinigen und / oder entkalken Sie den Strahlregler oder erneuern Sie den Spezial-Strahlregler. | |
| Die Wasserversorgung ist unterbrochen. | Entlüften Sie das Gerät und die Kaltwasser-Zulaufleitung (siehe Kapitel „Einstellungen“). | |
| Die Wunschtemperatur wird nicht erreicht. Das Gerät ist an der | Die maximale Temperatur ist im Gerät zu gering eingestellt. | Lassen Sie die maximale Temperatur vom Fachhandwerker neu einstellen. |
| Leistungsgrenze. | Reduzieren Sie den Volumenstrom. | |
Können Sie die Ursache nicht beheben, rufen Sie den Fachhandwerker. Zur besseren und schnelleren Hilfe teilen Sie ihm die Nummer vom Typenschild mit (000000 / 0000-00000).

text_image
Model: MTE ... E-Nr: 000000 F-Nr: 0000-00000INSTALLATION
7. Sicherheit
Die Installation, Inbetriebnahme sowie Wartung und Reparatur des Gerätes darf nur von einem Fachhandwerker durchgeführt werden.
7.1 Allgemeine Sicherheitshinweise
Wir gewährleisten eine einwandfreie Funktion und Betriebssicherheit nur, wenn das für das Gerät bestimmte Original-Zubehör und die originalen Ersatzteile verwendet werden.

Sachschaden
Beachten Sie die max. zulässige Zulauftemperatur. Bei höheren Temperaturen kann das Gerät beschädigt werden. Mit einer Zentral-Thermostatarmatur können Sie die Zulauftemperatur begrenzen.
7.2 Vorschriften, Normen und Bestimmungen

Hinweis Beachten Sie alle nationalen und regionalen Vorschriften und Bestimmungen.
Der spezifische elektrische Widerstand des Wassers darf nicht kleiner sein als auf dem Typenschild angegeben. Bei einem Wasser-Verbundnetz müssen Sie den niedrigsten elektrischen Widerstand des Wassers berücksichtigen (siehe Kapitel „Technischen Daten / Datentabelle“). Den spezifischen elektrischen Widerstand oder die elektrische Leitfähigkeit des Wassers erfahren Sie bei Ihrem Wasserversorgungs-Unternehmen.
8. Gerätebeschreibung
8.1 Lieferumfang
Mit dem Gerät werden geliefert:
• Sieb im Kaltwasser-Zulauf
- Spezial-Strahlregler „SR“
- Anschlussschlauch 3/8, 500 mm lang, mit Dichtungen*
- T-Stück 3/8*
- Firmenlogo für die Übertischmontage
- * für den Anschluss als druckfestes Gerät
8.2 Zubehör
Spezial-Strahlregler „SR“\*
• SR 3: Bestellnummer 289591 für MTE 350 und MTE 440
• SR 5: Bestellnummer 270582 für MTE 570 und MTE 650
* Zum Einsatz in Gewinde M22/M24.
Drucklose Armaturen
- AHS 50 Sensor-Armatur für den Waschtisch
• AHo 40 MTH Wandarmatur für Übertisch
• AHu 40 MTH Zweigriff-Waschtischarmatur
• AHEu 40 MTH Eingriff-Waschtischarmatur
Druckfeste Armatur
- ADS 40 Sensor-Armatur für den Waschtisch
9. Vorbereitungen
» Spülen Sie die Wasserleitung gut durch.
Wasserinstallation
Ein Sicherheitsventil ist nicht notwendig.
Armaturen
» Verwenden Sie geeignete Armaturen (siehe Kapitel „Gerätebeschreibung / Zubehör“).

Hinweis
Mit dem Einbau des Spezial-Strahlreglers in der Armatur erhalten Sie einen optimalen Wasserstrahl.
10. Montage
10.1 Montageort
Montieren Sie das Gerät in einem frostfreien Raum in der Nähe der Entnahmearmatur.
Achten Sie auf die Zugänglichkeit der seitlichen Kappenbefestigungsschrauben.
Das Gerät ist für eine Untertischmontage (Wasseranschlüsse oben) und für eine Übertischmontage (Wasseranschlüsse unten) geeignet.

GEFAHR Stromschlag
Die Justierschraube zur Volumenstromverstellung ist spannungsführend und die Schutzart IP25 ist nur bei montierter Geräterückwand gegeben.
» Montieren Sie immer die Geräterückwand.
Installation - für den Fachhandwerker
10.2 Montagealternativen
10.2.1 Untertischmontage
Drucklos, mit druckloser Armatur

Druckfest, mit druckfester Armatur

» Montieren Sie das Gerät an die Wand. Die Wand muss ausreichend tragfähig sein.

» Lösen Sie die Kappenbefestigungsschrauben mit zwei Umdrehungen.
» Entriegeln Sie den Schnappverschluss mit einem Schraubendreher.
» Nehmen Sie die Gerätekappe mit dem Heizsystem nach vorn ab.

» Brechen Sie die Durchführungsöffnung für die elektrische Anschlussleitung in der Gerätekappe mit einer Zange heraus. Korrigieren Sie die Kontur ggf. mit einer Feile.
» Benutzen Sie die Geräterückwand als Bohrschablone.
» Befestigen Sie die Geräterückwand mit geeigneten Dübeln und Schrauben an der Wand.

» Legen Sie die elektrische Anschlussleitung in die Durchführungsöffnung der Rückwand.
Installation - für den Fachhandwerker
» Haken Sie Gerätekappe mit dem Heizsystem unten ein.
» Rasten Sie das Heizsystem im Schnappverschluss ein.
» Befestigen Sie die Gerätekappe mit den Kappenbefestigungsschrauben.
Montage der Armatur
» Montieren Sie die Armatur. Beachten Sie dabei auch die Bedienungs- und Installationsanleitung der Armatur.

Sachschaden
» Beim Montieren aller Anschlüsse müssen Sie am Gerät mit einem Schlüssel SW 14 gegenhalten.
Druckfeste Armatur

Hinweis
» Montieren Sie den mitgelieferten Anschlussschlauch 3/8 und das T-Stück 3/8.
Installation - für den Fachhandwerker
10.2.2 Übertischmontage, drucklos, mit druckloser Armatur

» Montieren Sie die Armatur. Beachten Sie dabei auch die Bedienungs- und Installationsanleitung der Armatur.

Sachschaden
» Beim Montieren aller Anschlüsse müssen Sie am Gerät mit einem Schlüssel SW 14 gegenhalten, siehe Kapitel „Montagealternativen/Untertischmontage“.
Gerätemontage
» Montieren Sie das Gerät mit den Wasseranschlüssen auf die Armatur.
10.3 Elektroanschluss herstellen

GEFAHR Stromschlag
Führen Sie alle elektrischen Anschluss- und Installationsarbeiten nach Vorschrift aus.

GEFAHR Stromschlag
Achten Sie darauf, dass das Gerät an den Schutzleiter angeschlossen ist.
Das Gerät muss über eine Trennstrecke von mindestens 3 mm allpolig vom Netzanschluss getrennt werden können.

GEFAHR Stromschlag
Die Geräte sind im Anlieferungszustand mit einer elektrischen Anschlussleitung ausgestattet (MTE 350 mit Stecker).
Ein Anschluss an eine festverlegte elektrische Leitung ist möglich, wenn diese mindestens den Querschnitt der serienmäßigen Geräteanschlussleitung aufweist. Maximal ist ein Leitungsquerschnitt von 3 x 6 mm² möglich.
» Bei einer Übertischmontage des Gerätes müssen Sie die elektrische Anschlussleitung hinter dem Gerät führen.
Sachschaden
Achten Sie beim Anschluss an eine Schutzkontakt-Steckdose (bei einer elektrischen Anschlussleitung mit Stecker) darauf, dass die Schutzkontakt-Steckdose nach der Installation des Gerätes frei zugänglich ist.
Sachschaden
Beachten Sie das Typenschild. Die angegebene Spannung muss mit der Netzspannung übereinstimmen.
» Schließen Sie die elektrische Anschlussleitung gemäß Elektroschaltplan an (siehe Kapitel „Technische Daten / Elektroschaltplan“).
11. Inbetriebnahme
11.1 Erstinbetriebnahme

» Befüllen Sie das Gerät durch mehrmalige Zapfungen an der Armatur, bis das Leitungsnetz und das Gerät luftfrei sind.
» Führen Sie eine Dichtheitskontrolle durch.
» Stecken Sie den Stecker der elektrischen Anschlussleitung, wenn vorhanden, in die Schutzkontakt-Steckdose oder schalten Sie die Sicherung ein.
» Prüfen Sie die Arbeitsweise des Gerätes.
» Bei einer Übertischmontage müssen Sie das Firmenlogo mit dem beiliegenden Firmenlogo überkleben.
11.2 Übergabe des Gerätes
» Erklären Sie dem Benutzer die Funktion des Gerätes und machen Sie ihn mit dem Gebrauch des Gerätes vertraut.
» Weisen Sie den Benutzer auf mögliche Gefahren hin, speziell die Verbrühungsgefahr.
» Übergeben Sie diese Anleitung.
11.3 Wiederinbetriebnahme

Sachschaden
Nach Unterbrechung der Wasserversorgung müssen Sie das Gerät mit folgenden Schritten wieder in Betrieb nehmen, damit das Blankdraht-Heizsystem nicht zerstört wird.
» Schalten Sie das Gerät spannungsfrei. Ziehen Sie dazu den Stecker der elektrischen Anschlussleitung, wenn vorhanden, oder schalten Sie die Sicherung aus.
» Siehe Kapitel „Erstinbetriebnahme“.
11.4 Einstellungen
Sie können die Maximalwerte des Volumenstromes und der Temperatur verändern.

GEFAHR Stromschlag
Die Verstellung des Volumenstromes und der Temperatureinstellung ist nur zulässig, wenn das Gerät vom Netzanschluss getrennt ist.
» Trennen Sie das Gerät allpolig vom Netzanschluss.

GEFAHR Stromschlag
Die Justierschraube zur Verstellung des Volumenstromes und das Potentiometer für die Temperatureinstellung sind spannungsführend, wenn das Gerät nicht vom Netzanschluss getrennt ist.

» Nehmen Sie die Gerätekappe ab.
Installation - für den Fachhandwerker
Maximale Temperatur einstellen
Werkseinstellung: 38 °C

text_image
30°C 38°C 50°C D0000042035» Stellen Sie das Potentiometer mithilfe eines Schraubendrehers auf die gewünschte maximale Temperatur.
» Montieren Sie die Gerätekappe.
Volumenstrom begrenzen
Werkseinstellung: Maximaler Volumenstrom

» Stellen Sie mithilfe der Justierschraube den gewünschten Volumenstrom ein:
- Kleinster Volumenstrom = Schraube bis zum Anschlag hereindrehen.
- Größter Volumenstrom = Schraube bis zum Anschlag herausdrehen.
» Montieren Sie die Gerätekappe.
12. Außerbetriebnahme
» Trennen Sie das Gerät mit der Sicherung in der Hausinstallation von der Netzspannung oder ziehen Sie den Stecker der elektrischen Anschlussleitung.
» Entleeren Sie das Gerät (siehe Kapitel „Wartung“).
Installation - für den Fachhandwerker
13. Störungsbehebung
| Problem Ursache Behebung | ||
| Das Gerät schaltet trotz voll geöffnetem Warmwasserventil nicht ein.Der Volumenstrom ist | Der Strahlregler in der Armatur ist verkalkt oder verschmutzt. | Reinigen und / oder entkalken Sie den Strahlregler oder erneuern Sie den Spezial-Strahlregler. |
| zu gering eingestellt. | Vergrößern Sie den Volumenstrom. | |
| Das Sieb in der Kaltwasserleitung ist verstopft. | Reinigen Sie das Sieb nach Absperren der Kaltwasserzuleitung. | |
| Das Heizsystem ist defekt. | Messen Sie den Widerstand des Heizsystems, ggf. tauschen Sie das Gerät aus. | |
| Der Sicherheitsdruckbegrenzer hat ausgelöst. | Beheben Sie die Fehlerursache. Machen Sie das Gerät spannungsfrei und entlasten Sie die Wasserleitung. Aktivieren Sie den Sicherheitsdruckbegrenzer. | |
| Die Wunschtemperatur wird nicht erreicht. | Das Gerät ist an der Leistungsgrenze. | Reduzieren Sie den Volumenstrom. |
Leuchtdiodenanzeige

1 Anzeige rot bei Störung
2 Anzeige gelb bei Heizbetrieb
3 Anzeige grün blinkend bei der Spannungsversorgung der Elektronik
Sicherheitsdruckbegrenzer aktivieren

text_image
1 2 D00000397691 1-poliger Sicherheitsdruckbegrenzer MTE 440 / MTE 570
2 2-poliger Sicherheitsdruckbegrenzer MTE 350 / MTE 650
14. Wartung

GEFAHR Stromschlag Trennen Sie bei allen Arbeiten das Gerät allpolig vom Netzanschluss.
Gerät entleeren

GEFAHR Verbrühung Beim Entleeren kann heißes Wasser austreten.
Wenn Sie das Gerät für Wartungsarbeiten oder bei Frostgefahr zum Schutz der gesamten Installation entleeren müssen, gehen Sie folgendermaßen vor:
» Schließen Sie das Absperrventil in der Kaltwasser-Zuleitung.
» Öffnen Sie das Entnahmeventil.
» Lösen Sie die Wasseranschlüsse vom Gerät.
Installation - für den Fachhandwerker
Sieb reinigen
Das eingebaute Sieb können Sie nach der Demontage der Kaltwasseranschlussleitung reinigen.

» Prüfen Sie den Schutzleiter (in Deutschland z. B. BGV A3) am Schutzleiterkontakt der elektrischen Anschlussleitung und am Anschlussstutzen des Gerätes.
Lagerung des Gerätes
» Lagern Sie ein demontiertes Gerät frostfrei, da sich Restwasser im Gerät befindet, das gefrieren und Schäden verursachen kann.
Elektrische Anschlussleitung beim MTE 570 austauschen
» Beim MTE 570 müssen Sie im Austauschfall eine 4 mm² elektrische Anschlussleitung verwenden.
15. Technische Daten
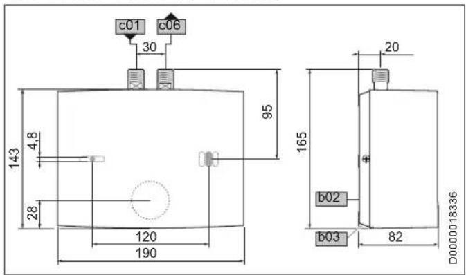
15.1 Maße und Anschlüsse

text_image
c01 c06 30 143 4.8 28 120 190 95 165 20 b02 b03 82 D0000018336| b02 Durchführung elektr. Leitungen I | ||
| b03 Durchführung elektr. Leitungen II | ||
| c01 Kaltwasser Zulauf Außengewinde G 3/8 A | ||
| c06 Warmwasser Auslauf | Außengewinde | G 3/8 A |
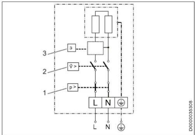
15.2 Elektroschaltplan
15.2.1 MTE 350
1/N/PE \~ 200-240 V

text_image
3 2 1 p> L N L N D00000353081 Sicherheitsdruckbegrenzer
2 Druckdifferenzschalter
3 Elektronik mit Auslauftemperaturfühler
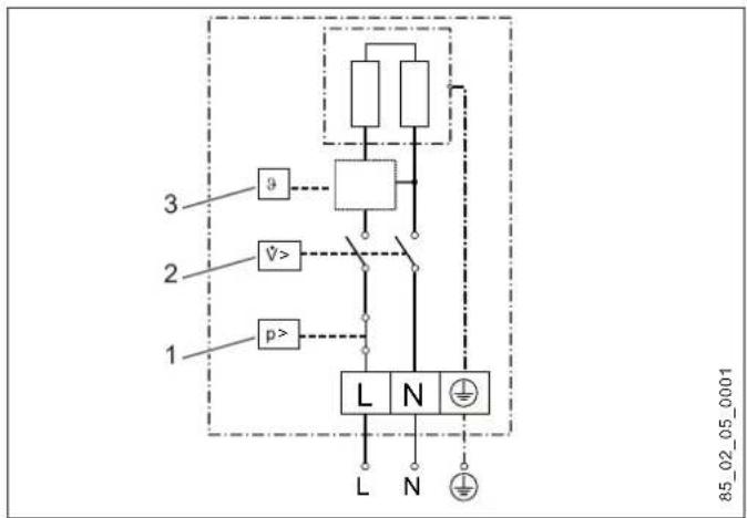
15.2.2 MTE 440 und MTE 570
1/N/PE \~ 200-240 V

1 Sicherheitsdruckbegrenzer
2 Druckdifferenzschalter
3 Elektronik mit Auslauftemperaturfühler
Sachschaden
» Beim Festanschluss schließen Sie die elektrische Anschlussleitung gemäß der Klemmenbezeichnung der Buchsenklemme an.
Installation - für den Fachhandwerker
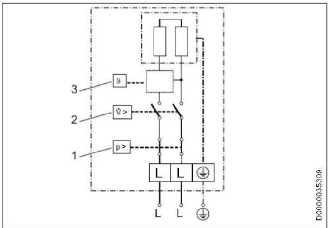
15.2.3 MTE 650
2/PE \~ 380-400 V

text_image
3 2 1 p> L L L L D00000353091 Sicherheitsdruckbegrenzer
2 Druckdifferenzschalter
3 Elektronik mit Auslauftemperaturfühler
15.3 Temperaturerhöhung
Folgende Temperaturerhöhungen des Wassers ergeben sich bei einer Spannung von 230 V / 400 V:

line
| X | 1 | 2 | 3 | 4 | | ------ | ----- | ----- | ----- | ----- | | 1.41 | 32.5 | 35.0 | 37.5 | 45.0 | | 82 | 27.5 | 27.5 | 30.0 | 37.5 | | 22 | 22.5 | 22.5 | 25.0 | 30.0 | | 63 | 20.0 | 20.0 | 22.5 | 25.0 | | 03 | - | - | - | - |X Volumenstrom in l/min
Y Temperaturerhöhung in K
1 3.5 kW - 230 V
2 4,4 kW - 230 V
3 5,7 kW - 230 V
4 6,5 kW - 400 V
| Beispiel MTE 350 mit 3,5 kW | ||
| Volumenstrom l/min 2,0 | ||
| Temperaturerhöhung K 25 | ||
| Kaltwasserzulauftemperatur °C 12 | ||
| Maximale mögliche Auslauftemperatur | °C | 37 |

Hinweis
Eine Auslauftemperatur von 50 °C erreichen Sie beim geringstmöglichen Durchfluss und den folgenden Kaltwasserzulauftemperaturen:
- MTE 350 > 17 °C
- MTE 440 > 18 °C
- MTE 570 > 13 °C
- MTE 650 > 8 °C
15.4 Einsatzbereiche
Spezifischer elektrischer Widerstand und spezifische elektrische Leitfähigkeit, siehe „Datentabelle“.
| Normangabe bei 15 °C | 20 °C | 25 °C | ||||||
| Spez. Widerstand ρ ≥ | Spez. Leitfähigkeit σ ≤ | Spez. Widerstand ρ ≥ | Spez. Leitfähigkeit σ ≤ | Spez. Widerstand ρ ≥ | Spez. Leitfähigkeit σ ≤ | |||
| Ωcm | mS/m | μS/cm | Ωcm | mS/m | μS/cm | Ωcm | mS/m | μS/cm |
| 1000 | 100 | 1000 | 890 | 112 | 1124 | 815 | 123 | 1227 |
| 1300 | 77 | 769 | 1175 | 85 | 851 | 1072 | 93 | 933 |
15.5 Angaben zum Energieverbrauch
Die Produktdaten entsprechen den EU-Verordnungen zur Richtlinie für umweltgerechte Gestaltung energieverbrauchsrelevanter Produkte (ErP).
| MTE 350 | MTE 440 | MTE 570 | MTE 650 | ||
| 231003 | 231004 | 231216 | 232770 | ||
| Hersteller | AEG Haustechnik | AEG Haustechnik | AEG Haustechnik | AEG Haustechnik | |
| Lastprofil | XXS | XXS | XXS | XXS | |
| Energieeffizienzklasse | A | A | A | A | |
| Jährlicher Stromverbrauch | kWh | 478 | 478 | 478 | |
| Energetischer Wirkungsgrad | % | 39 | 39 | 39 | 40 |
| Schallleistungspegel | dB(A) | 15 | 15 | 15 | 15 |
| Besondere Hinweise zur Effizienzmessung | keine | keine | keine | keine |
Installation - für den Fachhandwerker
15.6 Datentabelle
| MTE 350 MTE 440 MTE 570 MTE 650 | |||||||||||||||
| 231003 231004 231216 232770 | |||||||||||||||
| Elektrische Daten | |||||||||||||||
| Nennspannung | V | 200 | 220 | 230 | 240 | 200 | 220 | 230 | 240 | 200 | 220 | 230 | 240 | 380 | 400 |
| Nennleistung | kW | 2,7 | 3,2 | 3,5 | 3.8 | 3,3 | 4,0 | 4,4 | 4.8 | 4,3 | 5,2 | 5,7 | 6.2 | 5,9 | 6,5 |
| Nennstrom | A | 13,3 | 14,5 | 15,2 | 15.8 | 16,7 | 18,2 | 19,1 | 20 | 21,6 | 23,6 | 24,7 | 25.8 | 15,5 | 16,3 |
| Absicherung | A | 16 | 16 | 16 | 16 | 20 | 20 | 20 | 20 | 25 | 25 | 25 | 32 | 16 | 20 |
| Frequenz | Hz | 50/60 | 50/60 | 50/60 | 50/60 | 50/60 | 50/60 | 50/60 | 50/60 | 50/60 | 50/60 | 50/60 | 50/60 | 50 | 50 |
| Phasen | 1/N/PE | 1/N/PE | 1/N/PE | 2/PE | |||||||||||
| Spezifischer Widerstand _15 ≥ (bei ∅kalt ≤25°C) | Ω cm | 1000 | 1000 | 1000 | 1000 | ||||||||||
| Spezifische Leitfähigkeit _15 ≤ (bei ∅kalt ≤25°C) | μS/cm | 1000 | 1000 | 1000 | 1000 | ||||||||||
| Spezifischer Widerstand _15 ≥ (bei ∅kalt ≤50°C) | Ω cm | 1300 | 1300 | 1300 | 1300 | ||||||||||
| Spezifische Leitfähigkeit _15 ≤ (bei ∅kalt ≤50°C) | μS/cm | 770 | 770 | 770 | 770 | ||||||||||
| Max. Netzimpedanz bei 50Hz | Ω | 0,091 | 0,083 | 0,079 | 0,076 | 0,072 | 0,065 | 0,063 | 0,06 | 0,056 | 0,051 | 0,049 | 0,047 | ||
| Max. Netzimpedanz bei 380V / 50Hz | Ω | 0,236 | |||||||||||||
| Max. Netzimpedanz bei 400V / 50Hz | Ω | 0,225 | |||||||||||||
| Anschlüsse | |||||||||||||||
| Wasseranschluss | G 3/8 A | G 3/8 A | G 3/8 A | G 3/8 A | |||||||||||
| Einsatzgrenzen | |||||||||||||||
| Max. zulässiger Druck | MPa | 1 | 1 | 1 | 1 | ||||||||||
| Max. Zulauftemperatur für Nacherwärmung | °C | 50 | 50 | 50 | 50 | ||||||||||
| Werte | |||||||||||||||
| Max. zulässige Zulauftemperatur | °C | 60 | 60 | 60 | 60 | ||||||||||
| Temperatureinstellbereich Warmwasser | °C | 30-50 | 30-50 | 30-50 | 30-50 | ||||||||||
| Ein | l/min | >1,5 | >1,8 | >2,2 | >2,2 | ||||||||||
| Druckverlust bei Volumenstrom | MPa | 0,05 | 0,06 | 0,07 | 0,07 | ||||||||||
Installation - für den Fachhandwerker
| MTE 350 MTE 440 MTE 570 MTE 650 | |||||
| Volumenstrom für Druckverlust | l/min | 1,5 | 1,8 | 2,2 | 2,2 |
| Volumenstrom-Begrenzung bei l/min 2,3 2,8 | 3,2 3,2 | ||||
| Warmwasserdarbietung | l/min | 2,0 | 2,5 | 3,2 | 3,7 |
| Δθ bei Darbietung K 25 25 25 25 | |||||
| Hydraulische Daten | |||||
| Nenninhalt | I | 0,1 | 0,1 | 0,1 | 0,1 |
| Ausführungen | |||||
| Montageart Übertisch | X | X | X | X | |
| Montageart Untertisch | X | X | X | X | |
| Bauart offen | X | X | X | X | |
| Bauart geschlossen | X | X | X | X | |
| Schutzart (IP) | IP25 | IP25 | IP25 | IP25 | |
| Schutzklasse | 1 | 1 | 1 | 1 | |
| Isolierblock | Kunststoff | Kunststoff | Kunststoff | Kunststoff | |
| Heizsystem Wärmeerzeuger | Blankdraht | Blankdraht | Blankdraht | Blankdraht | |
| Kappe und Rückwand | Kunststoff | Kunststoff | Kunststoff | Kunststoff | |
| Farbe | weiß | weiß | weiß | weiß | |
| Dimensionen | |||||
| Höhe | mm | 143 | 143 | 143 | 143 |
| Breite | mm | 190 | 190 | 190 | 190 |
| Tiefe | mm | 82 82 | 82 82 | ||
| Gewichte | |||||
| Gewicht | kg | 1,5 | 1,5 | 1,5 | 1,5 |
Kundendienst und Garantie
Erreichbarkeit
Sollte einmal eine Störung an einem unserer Produkte auftreten, stehen wir Ihnen natürlich mit Rat und Tat zur Seite.
EHT Haustechnik GmbH
Kundendienst
Fürstenberger Straße 77
37603 Holzminden
Tel. 05531 702-111
Fax 05531 702-95890
info@eht-haustechnik.de
Weitere Anschriften sind auf der letzten Seite aufgeführt.
Unseren Kundendienst erreichen Sie telefonisch rund um die Uhr, auch an Samstagen und Sonntagen sowie an Feiertagen. Kundendiensteinsätze erfolgen während unserer Geschäftszeiten (von 7.15 bis 18.00 Uhr, freitags bis 17.00 Uhr). Als Sonderservice bieten wir Kundendiensteinsätze bis 21.30 Uhr. Für diesen Sonderservice sowie Kundendiensteinsätze an Wochenenden und Feiertagen werden höhere Preise berechnet.
Garantiebedingungen
Diese Garantiebedingungen regeln zusätzliche Garantieleistungen von uns gegenüber dem Endkunden. Sie treten neben die gesetzlichen Gewährleistungsansprüche des Kunden. Die gesetzlichen Gewährleistungsansprüche gegenüber den sonstigen Vertragspartnern sind nicht berührt.
Diese Garantiebedingungen gelten nur für solche Geräte, die vom Endkunden in der Bundesrepublik Deutschland als Neuge-
räte erworben werden. Ein Garantievertrag kommt nicht zustande, soweit der Endkunde ein gebrauchtes Gerät oder ein neues Gerät seinerseits von einem anderen Endkunden erwirbt.
Inhalt und Umfang der Garantie
Die Garantieleistung wird erbracht, wenn an unseren Geräten ein Herstellungs- und/oder Materialfehler innerhalb der Garantiedauer auftritt. Die Garantie umfasst jedoch keine Leistungen für solche Geräte, an denen Fehler, Schäden oder Mängel aufgrund von Verkalkung, chemischer oder elektrochemischer Einwirkung, fehlerhafter Aufstellung bzw. Installation sowie unsachgemäßer Einregulierung, Bedienung oder unsachgemäßer Inanspruchnahme bzw. Verwendung auftreten. Ebenso ausgeschlossen sind Leistungen aufgrund mangelhafter oder unterlassener Wartung, Witterungseinflüssen oder sonstigen Naturerscheinungen.
Die Garantie erlischt, wenn am Gerät Reparaturen, Eingriffe oder Abänderungen durch nicht von uns autorisierte Personen vorgenommen wurden.
Die Garantieleistung umfasst die sorgfältige Prüfung des Gerätes, wobei zunächst ermittelt wird, ob ein Garantieanspruch besteht. Im Garantiefall entscheiden allein wir, auf welche Art der Fehler behoben wird. Es steht uns frei, eine Reparatur des Gerätes ausführen zu lassen oder selbst auszuführen. Etwaige ausgewechselte Teile werden unser Eigentum.
Für die Dauer und Reichweite der Garantie übernehmen wir sämtliche Material- und Montagekosten.
Soweit der Kunde wegen des Garantiefalles aufgrund gesetzlicher Gewährleistungsansprüche gegen andere Vertragspartner Leistungen erhalten hat, entfällt eine Leistungspflicht von uns.
Soweit eine Garantieleistung erbracht wird, übernehmen wir keine Haftung für die Beschädigung eines Gerätes durch Diebstahl, Feuer, Aufruhr oder ähnliche Ursachen.
Über die vorstehend zugesagten Garantieleistungen hinausgehend kann der Endkunde nach dieser Garantie keine Ansprüche wegen mittelbarer Schäden oder Folgeschäden, die durch das Gerät verursacht werden, insbesondere auf Ersatz außerhalb des Gerätes entstandener Schäden, geltend machen. Gesetzliche Ansprüche des Kunden uns gegenüber oder gegenüber Dritten bleiben unberührt.
Garantiedauer
Für im privaten Haushalt eingesetzte Geräte beträgt die Garantiedauer 24 Monate; im Übrigen (zum Beispiel bei einem Einsatz der Geräte in Gewerbe-, Handwerks- oder Industriebetrieben) beträgt die Garantiedauer 12 Monate.
Die Garantiedauer beginnt für jedes Gerät mit der Übergabe des Gerätes an den Kunden, der das Gerät zum ersten Mal einsetzt.
Garantieleistungen führen nicht zu einer Verlängerung der Garantiedauer. Durch die erbrachte Garantieleistung wird keine neue Garantiedauer in Gang gesetzt. Dies gilt für alle erbrachten Garantieleistungen, insbesondere für etwaig eingebaute Ersatzteile oder für die Ersatzlieferung eines neuen Gerätes.
Inanspruchnahme der Garantie
Garantieansprüche sind vor Ablauf der Garantiedauer, innerhalb von zwei Wochen, nachdem der Mangel erkannt wurde, bei uns anzumelden. Dabei müssen Angaben zum Fehler, zum Gerät und zum Zeitpunkt der Feststellung gemacht werden. Als Garantienachweis ist die Rechnung oder ein sonstiger datierter Kaufnachweis beizufügen. Fehlen die vorgenannten Angaben oder Unterlagen, besteht kein Garantieanspruch.
Garantie für in Deutschland erworbene, jedoch außerhalb Deutschlands eingesetzte Geräte
Wir sind nicht verpflichtet, Garantieleistungen außerhalb der Bundesrepublik Deutschland zu erbringen. Bei Störungen eines im Ausland eingesetzten Gerätes ist dieses gegebenenfalls auf Gefahr und Kosten des Kunden an den Kundendienst in Deutschland zu senden. Die Rücksendung erfolgt ebenfalls auf Gefahr und Kosten des Kunden. Etwaige gesetzliche Ansprüche des Kunden uns gegenüber oder gegenüber Dritten bleiben auch in diesem Fall unberührt.
Außerhalb Deutschlands erworbene Geräte
Für außerhalb Deutschlands erworbene Geräte gilt diese Garantie nicht. Es gelten die jeweiligen gesetzlichen Vorschriften und gegebenenfalls die Lieferbedingungen der Ländergesellschaft bzw. des Importeurs.
Umwelt und Recycling
Entsorgung von Transport- und Verkaufsverpackungsmaterial
Damit Ihr Gerät unbeschädigt bei Ihnen ankommt, haben wir es sorgfältig verpackt. Bitte helfen Sie, die Umwelt zu schützen, und entsorgen Sie das Verpackungsmaterial des Gerätes sachgerecht. Wir beteiligen uns gemeinsam mit dem Großhandel und dem Fachhandwerk / Fachhandel in Deutschland an einem wirksamen Rücknahme- und Entsorgungskonzept für die umweltschonende Aufarbeitung der Verpackungen.
Überlassen Sie die Transportverpackung dem Fachhandwerker beziehungsweise dem Fachhandel.
Entsorgen Sie Verkaufsverpackungen über eines der Dualen Systeme in Deutschland.
Entsorgung von Altgeräten in Deutschland

Geräteentsorgung
Die mit diesem Symbol gekennzeichneten Geräte dürfen nicht mit dem Hausmüll entsorgt werden.
Als Hersteller sorgen wir im Rahmen der Produktverantwortung für eine umweltgerechte Behandlung und Verwertung der Altgeräte. Weitere Informationen zur Sammlung und Entsorgung erhalten Sie über Ihre Kommune oder Ihren Fachhandwerker / Fachhändler.
Bereits bei der Entwicklung neuer Geräte achten wir auf eine hohe Recyclingfähigkeit der Materialien.
Über das Rücknahmesystem werden hohe Recyclingquoten der Materialien erreicht, um Deponien und die Umwelt zu entlasten. Damit leisten wir gemeinsam einen wichtigen Beitrag zum Umweltschutz.
Entsorgung außerhalb Deutschlands
Entsorgen Sie dieses Gerät fach- und sachgerecht nach den örtlich geltenden Vorschriften und Gesetzen.
Contents
SPECIAL INFORMATION
OPERATION
text_image
Model: MTE ... E-Nr: 000000 F-Nr: 0000-00000INSTALLATION
7. Safety
GEVAAR Elektrische schok
text_image
Model: MTE ... E-Nr: 000000 F-Nr: 0000-00000INSTALLATIE
7. Veiligheid
GEVAAR Elektrische schok
GEVAAR Elektrische schok
GEVAAR Elektrische schok
GEVAAR Elektrische schok
GEVAAR Elektrische schok
GEVAAR Elektrische schok
15. de technische gegevens
text_image
Model: MTE ... E-Nr: 000000 F-Nr: 0000-00000INSTALACE
7. Bezpečnost
text_image
Model: MTE ... E-Nr: 000000 F-Nr: 0000-0000013. Usuwanie usterek
text_image
Model: MTE ... E-Nr: 000000 F-Nr: 0000-00000KURULUM
7. Güvenlik
Adressen und Kontakte
Vertriebszentrale
EHT Haustechnik GmbH
Markenvertrieb AEG
Gutenstetter Straße 10
90449 Nürnberg
info@eht-haustechnik.de
www.aeg-haustechnik.de
Tel. 0911 9656 -250
Fax 0911 9656-444
Kundendienstzentrale
Holzminden
Fürstenberger Str. 77
37603 Holzminden
Briefanschrift
37601 Holzminden
Der Kundendienst und Ersatzteilverkauf
ist in der Zeit von
Montag bis Donnerstag
von 7.15 bis 18.00 Uhr und
Freitag von 7.15 bis 17.00 Uhr,
auch unter den nachfolgenden Telefon- bzw.
Telefaxnummern erreichbar:
Kundendienst
Tel. 0911 9656-56015
Fax 0911 9656-56890
kundendienst@eht-haustechnik.de
Ersatzteilverkauf
Tel. 0911 9656-56030
Fax 0911 9656-56800
ersatzteile@eht-haustechnik.de
International
Australia
STIEBEL ELTRON Australia Pty. Ltd.
6 Prohasky Street
Port Melbourne VIC 3207
Tel. 03 9645-1833
Fax 03 9645-4366
Austria
STIEBEL ELTRON Ges.m.b.H.
Eferdinger Str. 73
4600 Wels
Tel. 07242 47367-0
Fax 07242 47367-42
Belgium
STIEBEL ELTRON bvba/sprl
't Hofveld 6 - D1
info@eht-haustechnik.de
www.aeg-haustechnik.de
© EHT Haustechnik

EinfachAnleitung


