MTD 650 - Durchlauferhitzer AEG - Kostenlose Bedienungsanleitung
Finden Sie kostenlos die Bedienungsanleitung des Geräts MTD 650 AEG als PDF.
Häufig gestellte Fragen - MTD 650 AEG
Laden Sie die Anleitung für Ihr Durchlauferhitzer kostenlos im PDF-Format! Finden Sie Ihr Handbuch MTD 650 - AEG und nehmen Sie Ihr elektronisches Gerät wieder in die Hand. Auf dieser Seite sind alle Dokumente veröffentlicht, die für die Verwendung Ihres Geräts notwendig sind. MTD 650 von der Marke AEG.
BEDIENUNGSANLEITUNG MTD 650 AEG
Hydraulisch gesteuerter Klein-Durchlauferhitzer
Bedienung und Installation 2
Hydraulisch gesturde keine doorstromer
- Allgemeine Hinweise 4
1.1 Sicherheitshinweise 4
1.2 Andere Markierungen in dieser Dokumentation...4
1.3 MaBeinheiten 5 - Sicherheit 5
2.1 Bestimmungsgemäß Verwendung 5
2.2 Allgemeine Sicherheitshinweise 5
2.3 Prüfzeichen 6 - Gerätebeschreibung 6
- Einstellungen 6
- Reinigung, Pflege und Wartung
- Problembehebung 7
INSTALLATION
- Sicherheit 8
7.1 Allgemeine Sicherheitschinweise 8
7.2 Vorschriften, Normen und Bestimmungen 8 - Gerätebeschreibung 8
8.1 Lieferumfang 8
8.2 Zubehor 9 - Vorbereitungen 9
-
Montage 9
10.1 Montageort 9
10.2 Montagealternativen 10
10.3 Elektroanschluss herstellen 12 -
Inbetriebnahme 13
11.1 Erstinbetriebnahme 13
11.2 Übergabe des Gerätes 13
11.3 Wiederinbetriebnahme 13 - Außerbetriebnahme 13
- Störungsbehebung 14
- Wartung 15
- Technische Daten 16
15.1 MaBe 16
15.2 Elektroschaltplan 16
15.3 Temperaturerhöhung 18
15.4 Einsatzbereiche 18
15.5 Angaben zum Energieverbrauch 19
15.6 Datentabelle 19
KUNDENDIENST UND GARANTIE
UMWELT UND RECYCLING
BESONDEREHINWEISE
- Das Gerät kann von Kindern ab 8 Jahren sowie von Personen mit verringerten physischen, sensorischen oder mentalen Fähigkeiten oder Mangel an Erfahrung und Wissen benutzt werden, wenn sie beaufsichtigt werden oder bezüglich des sicheren Gebrauchs des Geräts unterwiesen wurden und die daraus resultierenden Gefahren verstanden haben. Kinder)dürfen nicht mit dem Gerät halten. Reinigung und Benutz-zer-Wartung dürfen nicht von Kindern ohne Beaufsichtigung durchgeführt werden.
Die Armatur kann während des Betriebs eine Temperatur von über 50^ annehmen. Bei Auslauftemperaturen großer 43^ besteht Verbruhungsgefahr. -
Das Gerät muss über eine Trennstrecke von mindestens 3 mm allpolig vom Netzanschluss getrennt werden konnen.
-
Die elektrische Anschlussleitung dar bei Beschädigung oder Austausch nur durch einen vom Hersteller berechtigten Fachhandwerker mit dem originalen Ersatzteil ersetzt werden.
- Befestigen Sie das Gerät wie in Kapitel „Installation / Montage" beschrieben.
- Beachten Sie den maximalen zulässigen Druck (siehe Kapitel „Technische Daten / Datentabelle).
- Entleeren Sie das Gerät wie in Kapitel „Installation / Wartung / Gerät entleeren“ beschrieben.
Bedienung - für den Benutzer und den Fachhandwerker
BEDIENUNG
1. Allgemeine Hinweise
Das Kapitel „Bedienung“ richtet sich an den Gerätebenutzer und den Fachhandwerker.
Das Kapitel „Installation" richtet sich an den Fachhandwerker.

Hinweis
Lesen Sie diese Anleitung vor dem Gebrauch sorgfältig durch und bewahren Sie sie auf.
Geben Sie die Anleitung gegebenenfalls an einen nachfolgenden Benutzer weiter.
1.1 Sicherheitshinweise
1.1.1 Aufbau von Sicherheitshinweisen

SIGNALWORT Art der Gefahr
Hier stehen möglich Folgen bei Nichtbeachtung des Sicherheitschinweises.
» Hier stehen Maßnahmen zur Abwehr der Gefahr.
1.1.2 Symbole, Art der Gefahr
| Symbol Art der | Gefahr |
| ! | Verletzung |
| 4 | Stromschlag |
| 5 | Verbrennung (Verbrennung, Verbrühung) |
1.1.3 Signalworte
| SIGNALWORT | Bedeutung |
| GEFAHR | Hinweise, deren Nichtbeachtung schwere Verletzun-gen oder Tod zur Folge haben. |
| WARNUNG | Hinweise, deren Nichtbeachtung schwere Verletzun-gen oder Tod zur Folge haben kann. |
| VORSICH T Hinweise, deren Nichtbeachtung zu mittelschweren oder leichten Verletzungen führen kann. | |
1.2 Andere Markierungen in dieser Dokumentation

Hinweise werden durch horizontale Linien ober- und unterhalb des Textes begrenzt. Allgemeine Hinweise werden mit dem bereits henden Symbol gekenn-zechnet.
Lesen Sie die Hinweistexte sorgfältig durch.
Bedienung - für den Benutzer und den Fachhandwerker
| Symbol | |
| ! | Sachschaden (Geräte-, Folgen-, Umweltschaden) |
| Geräteentsorgung |
Dieses Symbol gezigt Ichnen, dass Sie etwas tun müssen. Die erforderlichen Handlungen werden Schritt für Schritt beschreiben.
1.3 Maßeinheiten

Hinweis
Wenn nicht anders angegeben, ist die verwendete Maßeinheit Millimeter.
2. Sicherheit
2.1 Bestimmungsgemäß Verwendung
Das Gerät ist für den Einsatz im tatsächlichen Umfeld vorgegeben. Es kann von nicht eingewiesenen Personen sicher bedient werden. In nicht tatsächcher Umgebung, z. B. im Kleingewerbe, kann das Gerät ebenfalls verwendet werden, sofern die Benutzung in gleicher Weise erfolgt.
Das Gerat dient zur Erwärung von Trinkwasser. Das Gerat ist für ein Handwaschbecken bestimmt.
Eine andere oder darüber hinausgehende Benutzung gilt als nicht bestimmungsgemäß. Zum bestimmungsgemäßen Gebrauch gehört auch das Beachten dieser Anleitung sowie der Anleitungen für eingesetztes Zubehor.
2.2 Allgemeine Sicherheitshinweise

GEFAHR Verbrühung
Die Armatur kann während des Betriebs eine Temperatur von über 50^ annehmen. Bei Auslauftemperaturen großer 43^ besteht Verbrührungsgefahr.

WARNING Verletzung
Das Gerät kann von Kindern ab 8 Jahren sowie von Personen mit verringgerten physischen, sensori-schen oder mentalen Fähigkeiten oder Mangel an Erfahrung und Wissen benutzt werden, wenn sie beaufsichtigt werden oder bezüglich des sicheren Gebrauchs des Geräts unterwiesen wurden und die daraus resultierenden Gefahren verstanden haben. Kinder dürfen nicht mit dem Gerät speien. Reinigung und Benutzer-Wartung dürfen nicht von Kindern ohne Beaufsichtigung durchgeführt werden.

GEFAHR Stromschlag
Eine beschädigte elektrische Anschlussleitung muss durch einen Fachhandwerker ausgetaucht werden. Eine mögliche Gefährung wird dadurch ausgeschlossen.

Sachschaden
Schützen Sie das Gerät und die Armatur vor Frost.

Sachschaden
Verwenden Sie nur den mitgelieferten Spezial-Strahlregler. Beugen Sie Verkalkungen an den Armaturenauslaufen vor (siehe Kapitel „Reinigung, Pflege und Wartung").
Bedienung - für den Benutzer und den Fachhandwerker
2.3 Prüfzeichen
Siehe Typenschild am Gerät.
Landesspezifische Zulassungen und Zeugnisse: Deutschland
Für die Geräte ist auf Grund der Landesbauordnungen ein allgemeines bauaufsichtliches Prüfzeugnis zum Nachweis der Verwendbarkeit hinsichtlich des Gerauschverhaltens erteilt.

3. Gerätebeschreibung
Der hydraulisch gesteuerte Klein-Durchlauferhitzer erwartet das Wasser direkt an der Entnahmestelle. Beim Öffnen der Armatur schaltet die Heizleistung automaBeim Öffnen der Armatur schaltet die Heizleistung automatisch ein. Durch kurze Leitungswege entstehen geringe Energie- und Wasserverluste.
Die Warmwasserleistung hängt von der Kaltwassertemperatur, der Heizleistung und der Durchflussmenge ab.
Das Blankdraht-Heizsystem ist für kalkarme und kalkhaltige Wässer geeignet. Das Heizsystem ist gegen Verkaltung weltgehend unempfindlich. Das Heizsystem sorgt für einechnelle und effiziente Bereitsstellung von Warmwasser am Handwaschbecken.
Mit dem Einbau des beigeufigsten Spezial-Strahlreglers erhalten Sie einen optimalen Wasserstrahl.
4. Einstellungen
Sobald Sie das Warmwasserventil an der Armatur öffnen oder den Sensor einer Sensor-Armatur betätigten, schaltet automatisch das Heizsystem des Gerätes ein. Das Wasser wird erwartt. Die Temperatur des Wassers konnen Sie mit der Armatur verändern:
Einschaltmenge siehe Kapitel „Technische Daten / Datentabelle / Ein".
Temperatur erhöhen
» Drosseln Sie die Durchflussmenge an der Armatur.
Temperatur verringern
» Öffnen Sie die Armatur weiter oder mischen Sie mehr Kaltwasser bei.
Nach Unterbrechung der Wasserversorgung
Siehe Kapitel „Inbetriebnahme / Wiederinbetriebnahme".
5. Reinigung, Pflege und Wartung
» Verwenden Sie keine scheuernden oder anlösenden Reinigungsmittel. Zur Pflege und Reinigung des Gerätes genugt ein feuchtes Tuch.
» Kontrollieren Sie regelmäßig die Armaturen. Kalk an den Armaturauslaufen konnen Sie mit handelsüblichen Entkalkungsmitteln entfern.
» Lassen Sie die elektrische Sicherheit am Gerät regelmäßig von einem Fachhandwerker prufen.
》Entkalken oder erneumann Sie regelmäßig den Spezial-Strahlregler in der Armatur (siehe Kapitel „Geräte-beschreibung / Zubehör").
6. Problembehebung
| Problem Ursache Behebung | ||
| Das Gerät schaltet...,otz voll geöffnetemWarmwasserventil...,nicht ein. | Am Gerät liegt keineSpannung an. | Prüfen Sie die Siche-rung in der Hausins-tallation. |
| Der Strahlregler in derArmatur ist verkalktoder verschmutzt. | Reinigen und / oderentkalken Sie denStrahlregler oder er-neuern Sie den Spezi-al-Strahlregler. | |
| Die Wasserversor-gung ist unterbrochen. | Entlüften Sie dasGerät und die Kalt-wasser-Zulaufleitung(siehe Kapitel „Einstel-lungen"). | |
Konnen Sie die Ursache nicht beheben, rufen Sie den Fachhandwerker. Zur betteren und schnellen Hilfe teilen Sie ihm die Nummer vom Typenschild mit (000000 / 0000-00000).

Installation - für den Fachhandwerker
INSTALLATION
7. Sicherheit
Die Installation, Inbetriebnahme sowie Wartung und Reparatur des Gerätesarf nur von einem Fachhandwerker durchgefuhrt werden.
7.1 Allgemeine Sicherheitshinweise
Wir gewährleisten eine einwandfrei Funktion und Betriebsssicherheit nur, wenn das für das Gerät bestimmte Original-Zubehör und die originalen Ersatzteile verwendet werden.
Sachschaden
Beachten Sie die max. zulässige Zulauftemperatur. Bei hohenen Temperatures kann das Gerät beschädigt werden. Mit einer Zentral-Thermostatatur konnen Sie die Zulauftemperatur begrenzen.
7.2 Vorschriften, Normen und Bestimmungen
i Hinweis Beachten Sie alle nationalen und regionalen Vorschriften und Bestimmungen.
Der spezifische elektrische Widerstand des Wassers darf nicht kleiner sein als auf dem Typenschild angegeben. Bei einem Wasser-Verbundnetz mussen Sie den niedrigsten elektrischen Widerstand des Wassers berücksichtigten (siehe Kapitel „Technischen Daten / Datentabelle"). Den spezifischen elektrischen Widerstand oder die elektrische Leitfähigkeit des Wassers erfahren Sie bei ihrem Wasserversorgungs-Unternehmen.
8. Gerätebeschreibung
8.1 Lieferumfang
Mit dem Gerät werden gefleert:
^ Sieb im Kaltwasser-Zulauf
Spezial-Strahlregler „SR"
Anschlussschlauch 3/8, 500 mm lang, mit Dichtungen
T-Stück 3/8
* für den Anschluss als druckfestes Gerät
8.2 Zubehör
Spezial-Strahlregler „SR“*
^a SR 3: Bestellnummer 289591
fur MTD 350 und MTD 440
^a SR 5: Bestellnummer 270582
für MTD 570 und MTD 650
- Zum Einsatz in Gewinde M22/M24.
Druckfeste Armatur
^a ADS 40 Sensor-Armatur für den Waschtisch
Drucklose Armaturen
^a AHS 50 Sensor-Armatur für den Waschtisch
^ AHu 40 MTH Zweigriff-Waschtischarmatur
^a AHEu 40 MTH Eingriff-Waschtischarmatur
9. Vorbereitungen
» Spulen Sie die Wasserleitung gut durch.
Wasserinstallation
Ein Sicherheitsventil ist nicht notwendig.
Armaturen
» Verwenden Sie geeignete Armaturen (siehe Kapitel „Gerätebeschreibung / Zubehör").

Hinweis
Mit dem Einbau des Spezial-Strahlreglers in der Armatur erhalten Sie einen optimalen Wasserstrahl.
10. Montage
10.1 Montageort
Montieren Sie das Gerät in einem frostfrei den Raum in der Nähe der Entnahmearmatur.
Achten Sie auf die Zugänglichkeit der seitlichen Kappenbefestigungsschrauben.
Das Gerät ist nur für die Untertischmontage (Wasseranschlüsse oben) geeignet.

GEFAHR Stromschlag
Die Schutzart IP25 ist nur bei montierter Geräterückwand gegeben.
» Montieren Sie immer die Geräterückwand.
Installation - für den Fachhandwerker
10.2 Montagealternativen
Untertischmontage, druckfest, mit druckfester Armatur

Untertischmontage, drucklos, mit druckloser Armatur

10.2.1 Montage des Gerätes
» Montieren Sie das Gerät an die Wand.
Hinweis Die Wand muss ausreichend tragfähig sein.

Losen Sie die Kappenbefestigungsschrauben mit zwei Umdrehungen.
» Entriebeln Sie den Schnappverschluss mit einem Schraubendreher.
Nehmen Sie die Gerätekappe mit dem Heizsystem nach vorn ab.
Installation - für den Fachhandwerker

000000000000000000000000000000
» Brechen Sie die Durchführungssöffnung für die elektrische Anschlussleitung in der Gerätekappe mit einer Zange hereus. Korrigieren Sie die Kontur ggf. mit einer Feile.
Benutzen Sie die Geräterückwand als Bohrschablone.
Befestigen Sie die Geräterückwand mit geeigneten Dubeln und Schrauben an der Wand.

0000000000000000000000000000000000000
» Legen Sie die elektrische Anschlussleitung in die Durchführungsoffnung der Rückwand.
Haken Sie Gerätekappe mit dem Heizsystem unter ein.
Rasten Sie das Heizsystem im Schnappverschluss ein.
Befestigen Sie die Gerätekappe mit den Kappenbefestigungsschrauben.
10.2.2 Montage der Armatur

Sachschaden
Beim Montieren aller Anschlüsse müssen Sie am Gerät mit einem Schlüssel SW 14 gegenhalten.
Druckfester Anschluss
» Montieren Sie den mitgelieferten Anschlusssschlauch 3/8 und das T-Stück 3/8.
» Montieren Sie die Armatur. Beachten Sie darüber auch die Bedienungs- und Installationsanleitung der Armatur.
Druckloser Anschluss
» Montieren Sie die Armatur. Beachten Sie darüber auch die Bedienungs- und Installationsanleitung der Armatur.
Installation - für den Fachhandwerker
10.3 Elektroanschluss herstellen

GEFAHR Stromschlag
Führer Sie alle elektrischen Anschluss- und Installationsarbeiten nach Vorschrift aus.

GEFAHR Stromschlag
Achten Sie darauf, dass das Gerät an den Schutzleiter angeschlossen ist.
Das Gerät muss über eine Trennstrecke von mindestens 3 mm allpolig vom Netzanschluss getrennt werden können.

GEFAHR Stromschlag
Die Geräte sind im Anlieferungszustand mit einer elektrischen Anschlussleitung ausgestattet (MTD 350 mit Stecker).
Ein Anschluss an eine festverlegte elektrische Leitung ist möglich, wenn diese mindestens den Querschnitt der serialmaßigen Geräteanschlussleitung aufweist. Maximal ist ein Leitungsquerschnitt von 3 × 6 ~mm^2 möglich.

Sachschaden
Achten Sie beim Anschluss an eine Schutzkontakt-Steckdose (bei einer elektrischen Anschluss-leitung mit Stecker) darauf, dass die Schutzkontakt-Steckdose nach der Installation des Gerätes frei zugänglich ist.

Sachschaden
Beachten Sie das Typenschild. Die angegebene Spannung muss mit der Netzspannung übereinstimmen.
» Schlieben Sie die elektrische Anschlussleitung gemäß Elektroschaltplan an (siehe Kapitel „Technische Daten / Elektroschaltplan").
11. Inbetriebnahme
11.1 Erstinbetriebnahme


2008 0008
» Befüllen Sie das Gerät durch mehrmalige Zapfungen an der Armatur, bis das Leitungsnetz und das Gerät luftfrei sind.
Führer Sie eine Dichttheitskontrolle durch.
» Stecken Sie den Stecker der elektrischen Anschlussleitung, wenn vorhanden, in die Schutzkontakt-Steckdose oder schalten Sie die Sicherung ein.
» Prufen Sie die Arbeitsweise des Gerätes.
11.2 Übergabe des Gerätes
» Erklaren Sie dem Benutzer die Funktion des Gerätes und machen Sieihn mit dem Gebrauch des Gerätes vertraut.
» Weisen Sie den Benutzer auf mögliche Gefahren hin, speziell die Verbrühungsgefahr.
Übergeben Sie diese Anleitung.
11.3 Wiederinbetriebnahme

Sachschaden
Nach Unterbrechung der Wasserversorgung mussen Sie das Gerät mit folgenden Schritten wieder in Betriebnehmen, damit das Blankdraht-Heizsystem nicht zerstört wird.
» Schalten Sie das Gerät spannungsfrei. Ziehen Sie dazu den Stecker der elektrischen Anschlussleitung, wenn vorhanden, oder schalten Sie die Sicherung aus.
» Siehe Kapitel „Erstinbetriebnahme".
12. Außerbetriebnahme
» Trennen Sie das Gerät mit der Sicherung in der Hausinstallation von der Netzspannung oderziehen Sie den Stecker der elektrischen Anschlussleitung.
》Entleeren Sie das Gerät (siehe Kapitel „Wartung").
13. Störungsbehebung
| Problem Ursache Behebung | ||
| Das Gerät schaltet...,otive voll geöffnetem Warmwasserventil...,nicht ein. | Der Strahlregler in der Armatur ist verkalkt oder verschmutzt. | Reinigen und / oder entkalken Sie den Strahlregler oder er-neuern Sie den Spezi-al-Strahlregler. |
| Das Sieb in der Kalt- Wasserleitung ist ver-stopft. | Reinigen Sie das Sieb nach Absperren der Kaltwasserzuleitung. | |
| Das Heizsystem ist defekt. | Messen Sie den Wi- derstand des Heizsys- tems, ggf. tatsächchen Sie das Gerät aus. | |
| Der Sicherheitsdruck-begrenzer hat aus- gelöst. | Beheben Sie die Fehlerursache. Ma- chen Sie das Gerät spannungsfrei und entlasten Sie die Wass- serleitung. Aktivieren Sie den Sicherheits- druckbegrenzer. | |

Sicherheitsdruckbegrenzer aktivieren
1 1-poliger Sicherheitsdruckbegrenzer MTD 440/MTD 570
2 2-poliger Sicherheitsdruckbegrenzer MTD 350 / MTD 650
14. Wartung

GEFAHR Stromschlag Trennen Sie bei allen Arbeiten das Gerät allpolig vom Netzanschluss.
Gerat entleeren

GEFAHR Verbruhung Beim Entleeren kann海口 Wasser austreten.
Wenn Sie das Gerät für Wartungsarbeiten oder bei Frostgefahr zum Schutz der gesamten Installation entleeren müssen, gehen Sie folgendermaßen vor:
Schlieben Sie das Absperrventil in der Kaltwasser-Zuleitung.
» Öffnen Sie das Entnahmeventil.
Losen Sie die Wasseranschlüsse vom Gerät.
Sieb reinigen
Das eingebaute Sieb können Sie nach der Demontage der Kaltwasseranschlussleitung reinigen.

26_02_05_0065
Schutzleiter prufen
» Prufen Sie den Schutzleiter (in Deutschland z. B. BGV A3) am Schutzleiterkontakt der elektrischen Anschlussleitung und am Anschlussstutzen des Gerätes.
Lagerung des Gerätes
Lagern Sie ein demontiertes Gerät frostfrei, da sich Restwasser im Gerät befindet, das gefrierten und Schäden verursachen kann.
Elektrische Anschlussleitung beim MTD 570 austauschen
» Beim MTD 570 müssen Sie im Austauschfall eine 4mm^2 elektrische Anschlussleitung verwenden.
Installation - für den Fachhandwerker
15. Technische Daten

15.1 Maße
| b02 Durchführung elektr. Leitungen I | ||
| b03 Durchführung elektr. Leitungen II | ||
| c01 Kaltwasser Zulauf Außengewinde G 3/8 A | ||
| c06 Warmwasser Auslauf Außengewinde G 3/8 A |
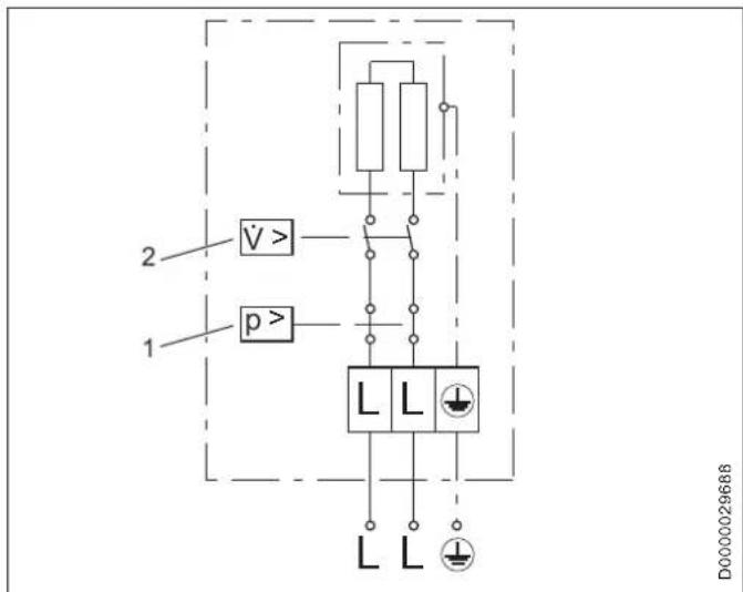
15.2 Elektroschaltplan
15.2.1 MTD 350
1/N/PE 200 - 240V

D0000035307
1 Sicherheitsdruckbegrenzer
2 Druckdifferenzschalter
15.2.2 MTD 440 und MTD 570 1/N/PE 200-240 V

1 Sicherheitsdruckbegrenzer 2 Druckdifferenzschalter

Sachschaden
» Beim Festanschluss schlieben Sie die elektrische Anschlussleitung gemäß der Klemmenbezeichnung der Buchsenklemme an.
15.2.3 MTD 650 2/PE 380-415 V

1 Sicherheitsdruckbegrenzer 2 Druckdifferenzschalter
Installation - für den Fachhandwerker
15.3 Temperaturerhöhung
Folgende Temperaturerhöhungen des Wassers ergebnis bei einer Spannung von 230V / 400V

X Volumenstrom in l/min
Y Temperaturerhöhung in K
1 3.5kW - 230V
24.4kW-230V
35.7kW-230V
46.5kW-400V
| Beispiel MTD 350 mit 3,5 kW | ||
| Volumenstrom l/min 2,0 | ||
| Temperaturerhöhung K 25 | ||
| Kaltwasserzulauftematür °C 12 | ||
| Maximale mögliche Auslauftemperatur °C 37 | ||
·Hinweis
Eine Auslauftemperatur von 50^ erreichen Sie beim gingemöglichen Durchfluss und den folgenden Kaltwasserzulauftemperaturen:
^ MTD 350 > 18°C
^ MTD 440 > 21°C
^ MTD 570 > 22°C
^ MTD 650 > 15°C
15.4 Einsatzbereiche
Spezifischer elektrischer Widerstand und spezifische elektrische Leitfähigkeit, siehe „Datentabelle".
| Normangabe bei 15 °C | 20 °C | 25 °C | ||||||
| Spez. Wider-stand ρ ≥ | Spez. Leitfãhigkeit σ ≤ | Spez. Wider-stand ρ ≥ | Spez. Leitfãhigkeit σ ≤ | Spez. Wider-stand ρ ≥ | Spez. Leitfãhigkeit σ ≤ | |||
| Ωcm | mS/m | μS/cm | Ωcm | mS/m | μS/cm | Ωcm | mS/m | μS/cm |
| 1100 | 91 | 909 | 970 | 103 | 1031 | 895 | 112 | 1117 |
15.5 Angaben zum Energieverbrauch
Die Produktdaten entsprechen den EU-Verordnungen zur Richtlinie für umweltgerechte Gestaltung energieverbrauchsrelevanter Produkte (ErP).
| MTD 350 MTD 440 MTD 570 MTD 650 | |||||
| 222120 222121 222122 232790 | |||||
| Hersteller | AEG Haustechnik | AEG Haustechnik | AEG Haustechnik | AEG Haustechnik | |
| Lastprofil | XXS | XXS | XXS | XXS | |
| Energieeffizienzklasse | A | A | A | A | |
| Jährlicher Stromverbrauch | kWh | 478 | 478 | 478 | 467 |
| Energetischer Wirkungsgrad | % | 39 | 39 | 39 | 40 |
| Schalleistungspiegel | dB(A) | 15 | 15 | 15 | 15 |
| Besondere Hinweise zur Effizienz-messung | keine | keine | keine | keine | |
15.6 Datentabelle
| MTD 350 | MTD 440 | MTD 570 | MTD 650 | ||||||||||
| 222120 | 222121 | 222122 | 232790 | ||||||||||
| Elektrische Daten | |||||||||||||
| Nennspannung | V | 220 | 230 | 240 | 220 | 230 | 240 | 220 | 230 | 240 | 380 | 400 | 415 |
| Nennleistung | kW | 3,2 | 3,5 | 3,8 | 4,0 | 4,4 | 4,8 | 5,2 | 5,7 | 6,2 | 5,9 | 6,5 | 7,0 |
| Nennstrom | A | 14,5 | 15,2 | 15,8 | 18,2 | 19,1 | 20 | 23,6 | 24,7 | 25,8 | 15,5 | 16,3 | 16,9 |
| Absicherung | A | 16 | 16 | 16 | 20 | 20 | 20 | 25 | 25 | 32 | 16 | 20 | 20 |
| Frequenz | Hz | 50/60 | 50/60 | 50/60 | 50/60 | 50/60 | 50/60 | 50/60 | 50/60 | 50/60 | 50/60 | 50/60 | 50 |
| Phasen | 1/N/PE | 1/N/PE | 1/N/PE | 2/PE | |||||||||
| Spezifischer Widerstand ρ15≥ (bei θkalt ≤25°C) | Ω cm | 1100 | 1100 | 1100 | 1100 | ||||||||
| Spezifische Leitfähigkeit σ15≤ (bei θkalt ≤25°C) | μS/cm | 909 | 909 | 909 | 909 | ||||||||
| Spezifischer Widerstand ρ15≥ (bei θkalt >25°C) | Ω cm | 1100 | 1100 | 1100 | 1100 | ||||||||
| Spezifische Leitfähigkeit σ15≤ (bei θkalt >25°C) | μS/cm | 909 | 909 | 909 | 909 | ||||||||
Installation - für den Fachhandwerker
| MTD 350 MTD 440 MTD 570 MTD 650 | |||||||||||||
| Max. Netzimpedanz bei 50Hz | Ω | 0,394 | 0,377 | 0,361 | |||||||||
| Anschlüsse | |||||||||||||
| Wasseranschluss G 3/8 A G 3/8 A G 3/8 A | G 3/8 A | ||||||||||||
| Einsatzgrenzen | |||||||||||||
| Max. zulässiger Druck | MPa | 1 | 1 | 1 | 1 | ||||||||
| Werte | |||||||||||||
| Max. zulässige Zulauftemperatur | °C | 35 | 35 | 35 | 35 | ||||||||
| Ein | l/min | >1,6 | >2,0 | >2,6 | >2,6 | ||||||||
| Druckverlust bei Volumenstrom | MPa | 0,05 | 0,06 | 0,08 | 0,08 | ||||||||
| Volumenstrom für Druckverlust | l/min | 1,6 | 2,0 | 2,6 | 2,6 | ||||||||
| Volumenstrom-Begrenzung bei | l/min | 2,2 | 2,8 | 4,3 | 4,3 | ||||||||
| Warmwasserdarbietung | l/min | 2,0 | 2,5 | 3,2 | 3,7 | ||||||||
| Δθ bei Darbietung | K | 25 | 25 | 25 | 25 | ||||||||
| Hydraulische Daten | |||||||||||||
| Nenninhalt | I | 0,1 | 0,1 | 0,1 | 0,1 | ||||||||
| Ausführungen | |||||||||||||
| Montageart Untertisch | X | X | X | X | |||||||||
| Bauart offen | X | X | X | X | |||||||||
| Bauart geschlossen | X | X | X | X | |||||||||
| Schutzart (IP) | IP25 | IP25 | IP25 | IP25 | |||||||||
| Schutzklasse | 1 | 1 | 1 | 1 | |||||||||
| Isolierblock | Kunststoff | Kunststoff | Kunststoff | Kunststoff | |||||||||
| Heizsystem Wärmeerzeuger | Blankdraht | Blankdraht | Blankdraht | Blankdraht | |||||||||
| Kappe und Rückwand | Kunststoff | Kunststoff | Kunststoff | Kunststoff | |||||||||
| Farbe | weil§ | weil§ | weil§ | weil§ | |||||||||
| Dimensionen | |||||||||||||
| Höhe/Breite/Tiefe | mm | 143 | 190 | 82 | 143 | 190 | 82 | 143 | 190 | 82 | 143 | 190 | 82 |
| Gewichtete | |||||||||||||
| Gewicht | kg | 1,4 | 1,4 | 1,4 | 1,4 | ||||||||
Erreichbarkeit
Sollte einmal eine Störung an einem unserer Produkte auftreten, stehen wir Ihnen natürlich mit Rat und Tat zur Seite.
EHT Haustechnik GmbH
Kundendienst
Fürstenberger Straße 77
37603 Holzminden
Tel.05531702-111
Fax 05531 702-95890
info@eht-haustechnik.de
Weitere Anschriften sind auf der letzten Seite aufgeführnt.
Unseren Kundendienst erreichen Sie Telefonisch rund um die Uhr, auch an Samstagen und Sonntagen sowie an Feiertagen. Kundendiensteinsätze erfolgen während unserer Geschäftszeiten (von 7.15 bis 18.00 Uhr, freiags bis 17.00 Uhr). Als Sondere service bieten wir Kundendiensteinsätze bis 21.30 Uhr. Für diesen Sondere service sowie Kundendiensteinsätze an Wochenenden und Feiertagen werden höhere Preise berechnet.
Garantiebedingungen
These Garantiebedingungen regeln zusätzliche Garantieleistungen von uns gegenüber dem Endkunden. Sie treten neben die gesetzlichen Gewährleistungsansprüche des Kunden. Die gesetzlichen Gewährleistungsansprüche gegenüber den sonstigen Vertragspartnern sind nicht berührt.
These Garantiebedingungen gelten nur für solche Geräte, die vom Endkunden in der Bundesrepublik Deutschland als Neuge
rerte erworben werden. Ein Garantievertrag kommt nicht zustande, soweit der Endkunde ein gebrauchtes Gerät oder ein neues Gerät seinerseits von einem anderen Endkunden erwirbt.
Inhalt und Umfang der Garantie
Die Garantieleistung wird erbracht, wenn an unseren Geräten ein Herstellungs- und/oder Materialfehler innerhalb der Garantiédauer auftritt. Die Garantie umfasst jedoch keine Leistungen für solche Geräte, an denen Fehler, Schäden oder Mängel aufgrund von Verkalkung, chemischer oder elektrochemischer Einwirkung, fehlerhafter Aufstellung bzw. Installation sowie unsachgemäß Einregulierung, Bedienung oder unsachgemäß Inanspruchnahme bzw. Verwendung auftreten. Ebenso ausgeschlossen sind Leistungen aufgrund mangelhafter oder unterlassener Wartung, Witterungseinflüsen oder sonstigen Naturscheinungen.
Die Garantie erlischt, wenn am Gerät Reparaturen, Eingriffe oder Abänderungen durch nicht von uns autorisierte Personen vorgenommen wurden.
Die Garantieleistung umfasst die sorgfällige Prüfung des Gerätes, wobei zunachst ermittelt wird, ob ein Garantieanspruch besteht. Im Garantiefall entscheiden allein wir, auf welche Art der Fehler behoben wird. Es steht uns frei, eine Reparatur des Gerätes ausführten zu halten oder selbst auszufahren. Etwaige ausgewechSELte Teile werden unser Eigentum.
Für die Dauer und Reichweite der Garantie übernehmen wir samtliche Material- und Montagekosten.
Kundendienst und Garantie
Soweit der Kunde wegen des Garantiefalles aufgrund gesetzlicher Gewährleistungsansprüche gegen andere Vertragspartner Leistungen erhalten hat, entfällt eine Leistungspflicht von uns.
Soweit eine Garantieleistung erbracht wird, übernehmen wir keine Haftung für die Beschädigung eines Gerätes durch Diebstahl, Feuer, Aufruhr oder ähnliche Ursachen.
Über die vorstehend zugesagten Garantieleistungen hinausgehend kann der Endkunde nach dieser Garantie keine Ansprüche wegen mittelbarer Schäden oder Folgeschäden, die durch das Gerät verursacht werden, insbesondere auf Ersatz außerhalb des Gerätes entstandener Schäden, geltend machen. Gesetzliche Ansprüche des Kunden uns gegenüber oder gegenüber Dritten bleiben unberührt.
Garantiedauer
Für im privaten Haushalt eingesetzte Geräte beträgt die Garantiedauer 24 Monate; im Übrigen (zum Beispiel bei einem Einsatz der Geräte in Gewerbe-, Handwerks- oder Industriebetrieben) beträgt die Garantiedauer 12 Monate.
Die Garantiedauer beginnt fur jedem Gerät mit der Übergabe des Gerätes an den Kunden, der das Gerät zum ersten Mal einsetzt.
Garantieleistungen führen nicht zu einer Veränderung der Garantiedauer. Durch die erbrachte Garantieleistung wird keine neue Garantiedauer in Gang gesetzt. Dies gilt für alle erbrachten Garantieleistungen, insbesondere für etwaig eingebaute Ersatzteile oder für die Ersatzlieferung eines neuen Gerätes.
Inanspruchnahme der Garantie
Garantieansprüche sind vor Ablauf der Garantiedauer, innerhalb von zwei Wochen, nach dem der Mangel erkannt wurde, bei uns anzumelden. Dabei müssen Angaben zum Fehler, zum Gerät und zum Zeitpunkt der Feststellung gemacht werden. Als Garantienachweis ist die Rechnung oder ein sonstiger datierter Kaufnachweis beizügen. Fehlen die vorgenannten Angaben oder Unterlagen, besteht kein Garantieanspruch.
Garantie für in Deutschland erworbene, jedoch außerhalb Deutschlands eingesetzte Geräte
Wir sind nicht verpflichtet, Garantieleistungen außerhalb der Bundesrepublik Deutschland zu erbringen. Bei Störungen eines im Ausland eingesetzten Gerätes ist das gesebenenfalls auf Gefahr und Kosten des Kunden an den Kundendienst in Deutschland zu senden. Die Rücksendung erfolgt ebenfalls auf Gefahr und Kosten des Kunden. Etwaige gesetzliche Ansprüche des Kunden uns gegenüber oder gegenüber Dritten bleiben auch in thisem Fall unberührt.
Außerhalb Deutschlands erworbene Geräte
Für außerhalb Deutschlands erworbene Geräte gilt diese Garantie nicht. Es gelten die jeweiligen gesetzlichen Vorschriften und gegebenenfalls die Lieferbedingungen der Ländergesellschaft bzw. des Importeurs.
Entsorgung von Transport- und Verkaufsverpackungsmaterial
Damit Ihr Gerät unbeschädigt bei Ohnen ankomm, haben wir es sorgfältig verpackt.itte halten Sie, die Umwelt zu schützen, und entsorgen Sie das Verpackungsmaterial des Gerätes sachgerecht. Wir beteilig den uns gemeinsam mit dem Großhandel und dem Fachhandwerk / Fachhandel in Deutschland an einem wirksamen Rücknahme- und Entsorgungskonzept für die umweltschonende Aufarbeitung der Verpackungen.
Überlassen Sie die Transportverpackung dem Fachhandwerker beziehungsweise dem Fachhandel.
Entsorgen Sie Verkaufsverpackungen über eines der Dualen Systeme in Deutschland.
Entsorgung von Altgeräten in Deutschland

Geräteentsorgung
Die mit thisem Symbol gekennzeichneten Geräte dürfen nicht mit dem Hausmüll entsorgt werden.
Als Hersteller sorgen wir im Rahmen der Produktverantwortung für eine umweltgerechte Behandlung und Verwertung der Altgeräte. Weitere Informationen zur Sammlung und Entsorgung erhalten Sie über ihre Kommune oder ihren Fachhandwerker / Fachhandlör.
Bereits bei der Entwicklung neuer Geräte achten wir auf eine hohe Recyclingfähigkeit der Materialien.
Über das Rücknahmesystem werden hohe Recyclingquoten der Materialien erreicht, um Deponien und die Umwelt zu entlasten. Damit leisten wir gemeinsam einen wichtigen Beitrag zum Umweltschutz.
Entsorgung außerhalb Deutschlands
Entsorgen Sie these Gerät fach- und sachgerecht nach den örtlich geltenden Vorschriften und Gesetzen.
Contents
SPECIAL INFORMATION
OPERATION
3. Description de l'ordinateil
8. Description de l'ordinateil
8.1 Fournitures
GEVAAR Elektrische schok
GEVAAR Elektrische schok
20 20 20 20 20 20 20 20 20 20 20 20 20 20 20 20 20 20 20 20 20 20 20 20 20 20 20 20 20 20
12. Buitendienststellung
15. Technische gegevens
15.1 Afrometingen

Adressen und Kontakte
Vertriebszentrale
EHT Haustechnik GmbH
Markenvertrieb AEG
Gutenstetter StraBe 10
90449 Numberg
info@eht-haustechnik.de
www.aeg-hauslechnik.de
Tel. 0911 9656-250
Fax 0911 9656-444
Kundendienstzentrale
Holzminden
Fürstenberger Str. 77
37603 Holzminden
Briefanschrift
37601 Holzminden
Der Kundendienst und Ersatzteilverkauf
ist in der Zeit von
Montag bis Donnerstag
von 7.15 bis 18.00 Uhr und
Freitag von 7.15 bis 17.00 Uhr,
auch unter den nachfolgenden Telefon-bzw.
Telefaxnummern erreichbar:
info@eht-haustechnik.de
www.aeg-haustechnik.de
EHT Haustechnik

Kundendienst
Tel. 0911 9656-56015
Fax 0911 9656-56890
kundendienst@eht-haustechnik.de
Ersatzteilverkauf
Tel. 0911 9656-56030
Fax 0911 9656-56800
ersatzteile@eht-haustechnik.de
International
Australia
STIEBEL ELTRON Australia Pty. Ltd.
6 Prohasky Street
Port Melbourne VIC 3207
Tel. 03 9645-1833
Fax 039645-4366
Austria
STIEBEL ELTRON Ges.m.b.H.
Eferdinger Str. 73
4600 Wels
Tel. 07242 47367-0
Fax 07242 47367-42
Belgium
STIEBEL ELTRON bvba/sprl
t Hofveld 6 - D1
Irrum und technische Änderungen vorbehalten! | Subject to errors and technical changes! | Sous reserve d'erreurs et de modifications
techniques . Onder voorbehand van vergissingen en technische wijzigijen ! Salvo error o modificacionticaf ! Rattill misstagcoh techniek , vindering firthelb1 Excepo erio au alterpene ticoine Zantrotone zinny technique jowentuiplo blady | Omuly a
oc technikma and inga forbemis . [Exeptio eio oiaiacn tchecic a zasi zzezone zhiyntechnz frenltaie bdy | omlytnechniquez mny isou vhyraenz ! ] A muszaki yalizotataqsk i hveedasek jonat fentarliu! Otctvctrts qunfokh Hapakmwnpct
BozMOxHbI texHcckn kMmENHn. Chbya lechnicz zmeny suVyhradene! 1505
EinfachAnleitung