MTD 650 - Průtokový ohřívač vody AEG - Bezplatný návod k obsluze
Najděte návod k zařízení zdarma MTD 650 AEG ve formátu PDF.
Často kladené otázky - MTD 650 AEG
Stáhněte si návod pro váš Průtokový ohřívač vody ve formátu PDF zdarma! Najděte svůj návod MTD 650 - AEG a vezměte svůj elektronický přístroj zpět do rukou. Na této stránce jsou zveřejněny všechny dokumenty potřebné k používání vašeho zařízení. MTD 650 značky AEG.
NÁVOD K OBSLUZE MTD 650 AEG
Hydraulicky rizene prutokové ohrivace
Obsluha a instalace 81
Inhalt
BESONDERE HINWEISE
BEDIENUNG
- Obecné poukyny 83
1.1 BezpečnostníPokyny. 83
1.2 Jiné symboly pouzité v tétó dokumentaci... 83
1.3 Merné Jednotky 84 - Bezpečnost 84
2.1 Pouziti v souladu sucelem.. 84
2.2 Vseobecne bezpecnostnifokyny.. 84
2.3 Kontrolni symbol 85 - Popis pristroje 85
- Nastaveni 85
- Čistěni, peče a udžržba 86
- Odstranéní problému 86
INSTALLACE
- Bezpečnost 87
7.1 Vseobecné bezpečnostníPokyny. 87
7.2 Predpisy, normy a ustanoveni 87 - Popis pristroje 87
8.1 Rozsah dodávky 87
8.2 Prisluosenstvi 87 - Priprava 88
-
Montáz 88
10.1 Misto montáze 88
10.2 Alternative montáze 88
10.3 Pripojeniprivodu elektrické energia 90 -
Uvedeni do provozu 91
11.1 První uvedeni do provozu 91
11.2 Predanifrstroje 91
11.3 Opetovne uvedeni do provozu 91 - Uvedeni mimo provoz 91
- Odstrańovani poruch 92
- Udrzba. 93
- Technické udaje 94
15.1 Rozmery 94
15.2 Schema elektrického zapojeni 94
15.3 Zvyšeni teploty 96
15.4 Oblasti pouziti 96
15.5 Udaje ke spotbre energy 97
15.6 Tabulka udaju 97
ZARUKA
ZIVOTNI PROSTREDI A RECYKLACE
ZvlástníPokyny
ZVLÁSTNÍ POKYNY
- Prístroj smí používat déti od 8 let a osoby se sniženými fyzickými, senzorickými nebo mentalínimi schopnostmi nebo s nedostatečnými zkušenostmi a znalostmi pouze pod dozorem, nebo poté, co byly poučeny o bezpečném používání pristroje a jsou si vědomy nebezpeci, ktera z jeho používání plynou. Nenechávejte déti, aby si pristrojem hrály. Čistěni a udřžbu, kterou má povádet uživatel, nesmí povádet samotné déti bez dozoru.
- Armatura muze za provozu dosahnout teploty vyssi nez 50^ . Pokud je vystupni teplota vyssi nez 43^ hrozi nebezpeci opareni.
-
Prístroj musí byt możné odpojit od sítové prípojky na všech polech na vzdálenost nejmène 3 mm.
-
Elektrické privodni vedeni smi pri poskozeni nebo pri vymene nahrazovat originnim nahradnim dilem pouze specializovan'y elektrotechnik s opravnenim vyrobce.
- Upevněte prístroj způsobem popsaným v kapitole „Instalace / Montáž".
- Dodržujte maximálni prípustné tlak (viz kapi-tola „Technické udaje/Tabulka s technickymi udaji").
Vypustte pristroj zpusobem podle popusu v kapitole „Instalace / Udrzba / Vypusteni pristroje".
Obsluha - pro uživatele a instalacniho technika
OBSLUHA
1. ObecnéPokyny
Kapitola, "Obsluha" je určena uživotelüm prístroje a instalacnim technikum.
Kapitola,Instalace"je urcena instalachnim technikum.

Upozornéni
DriVe, než zahájite provoz, si pozorne prečte tento námod a pečlíve jej uschovejte.
Připadné predejte námod dalísmu uživateli.
1.1 BezpečnostníPokyny
1.1.1 Struktura bezpečnostnichPokynu

UVOZUJICI SLOVO - Druh nebezpeci
Zde jsou uvedeny mozné nasledky nedodrzeni bezpečnostnichPokynu.
» Zde jsou uvedena opatreni k odvraceni nebezpeci.
1.1.2 Symboly, druh nebezpeci
| Symbol Druh nebezpeči | |
| ! | Uraz |
| Uraz elektrickým proudem | |
| Popáleni (popáleni, opařeni) | |
1.1.3 Uvozujici slova
| UVOZUJfcíSLOVO | Význam |
| NEBEZPECI PoK | kyny, jejichž nedodrženi má za následek váznénebo smrtelné úrazy. |
| VYSTRAHA PoK | kyny, jejichž nedodrženi muze mit za následek vázné nebo smrtelné úrazy. |
| POZOR Pokyny | jejichž nedodrženi muze mit za následekstředné vázné nebo lehkke úrazy. |
1.2 Jiné symboly použité v tétodokumentaci

Upozornéni
Pokyny jsou oddeleny vodorovnymi carami nad a pod textem. Obecné pokyny jsou označeny symbolism zobrażnym vedle.
» Texty upozorněni Čtěte pečlive.
Obsluha - pro uživatele a instalacného technika
| Symbol | |
| ! | Věcné škody (poškození prístroje, následné škody, poškození životniho prostředí) |
| Likvidace prístroje |
Tento symbol vás vyzývá k určitěmu Jednámí. Potřebné úkony jsou popsány po jegnotlivych krocích.
1.3 Mérné Jednotky

Upozorneni
Pokud není stanoveno jinak, jsou rozměry uvedeny v milimetrech.
2. Bezpečnost
2.1 Použití v souladu s učelem
Přistroj je určen k použití v domácnostech. Mohou jej tedy bezpečné obsluhovat neškoléné osoby. Lze jej používat i mimo domácnosti, napr. v drobném prùmyslu,Pokud zpúsob použití v takovych oblastech odpovída určeni přistroje.
Přístroi slouží k ohřevu pitné vody. Přístroi je určen pro umyvädlo k mytí rukou.
Jiné pouziti nebo pouziti nad ramec daného rozsahu je považovano za pouziti v Rozporu s urcenim. K pouziti v souladu s urcenim patr také dodrzovani tohoto navodu a navodu k pouzivanemu prfslusenstvl.
2.2 Vseobecne bezpecnostniPokyny

NEBEZPECI - opareni
Armatura muze za provozu dosahnout teploty vyssi nez 50^ Pokud je vystupni teplota vyssi nez 43^ hrozi nebezpeci opareni.

VYSTRAHA uraz
Pristroj smi pouzivat deti od 8 let a osoby se snizenymi fyzickymi, senzorickymi nebo mentalnimischopnostmi nebo s nedostatecnymi zkuosenostmi a znalostmi pouze pod dozorem, nebo pote, co byly pouceny o bezpeznem pouzivani pristroje a jsou si vedyomynebezpeci, ktera z jeho pouzivani plynou. Nenechavaje tdi, ay bis pristrojem hraly.Cisteni a udrzbu, kterou ma provadet uzivatel, nesmi provadet samotné deti bez dozoru.

NEBEZPECI - uraz elektrickym proudem
Poskozené elektrické privodni vedeni smi vymenit pouze autorizovany servis. Tim je vylouceno mozné ohrozeni.

Vécné skody
Chrante pristroj a armaturu prd mrazem.

Vécné skody
Používejte jen dodany speziálni regulator prútoku.
Zamezte výsktu vodniho kamene na vytocích z armatur (viz kapitola „Cistěné, ošetřováni a udžbra").
0
Obsluha - pro uživatele a instalacného technika
2.3 Kontrolni symbol
Viz typovy stitek na pristroji.
Potvrzeni a osvedceni platná v jegnotlivych zemich: Nemecko
K pristrojum je vydano na základě mistrich stavebnich
predpisu vseobecné osvedčeni stavebniho dozoru jako potvrzení o použitelnosti z hlediska hlucnosti.
AEG
HOL
DIN 4109
P-IX 7510-I
MPANRW.
3. Popis pristroje
Malý hydraulicky rizeny prutokový ohřivač ohřiva vodu primo na odběrném misté. Při otevřeni armatury se automatický zapne ohřev. Vzhledem ke krátým rozvodúm vznikaji malé ztráty energia a vody..
Vykon ohrevu vody zavisi na teploté studente vody, topném vykonu a prutoku.
Topny systém s holou spirálou je urcen pro vodu s nizkym nebo bezným obsahem vodniho kamene. Systém ohrevu je do značné miny odolny vuči usazovani vodniho kamene. Topny systém zajistuje rychlou a efektivni pripravu teplé vody k umyvatko.
Vestavenim dodaného specialniho regulatoru prutoku dosahnete optimánlho prutoku vody.
4. Nastavení
Jakmile otevretete teplovodni ventil na armature nebo aktivujete senzor senzorove armatury, topny system pristroje se automatickzy zapne. Voda se ohrivá. Teplotu vody lze upravovat armaturou.
Množství k zapnutí viz kapitola „Technické udaje/Tabulka s technickymi udaji/Zapnuto".
Obsluha - pro uživatele a instalacného technika
Zvyseni teploty
5. Čišění, peče a udržba
» Nepouzivejte abrazivni cisticic prostredky nebo prostredky obsahujici Rozpoustedla. K osetrovani a udrzbe pristroje stacli vlhka textilie.
» Kontrolujte pravidelné armatury. Vodni kamen na vytocich z armatur odstranite beznymi prostredky k odstraneni vodniho kamene.
» Nechejte odborníka pravidelné provest kontrolu elektrické bezpečnosti pristroje.
» Zbavte spezialn regulator prutoku v armaturé vodního kamene nebo jej pravidelné yměnujte (viz kapitola „Popis prístroje / príslušenstvi").
6. Odstraněni problemů
| Problém Prífcina Odstrānění | ||
| I když je ventil teplé vody zcela otevřen, pristroj se nezapne. | Výpadek napájení prístroje. | Zkontrolujte pojistky vnitří instalace. |
| Regulátor prútoku v armatuře je zanesen vodním kamenem nebo je znečistěn. | Očistěte speciálné regulator prútoku a/nebo zbavte jej vodniho kamene Či vyměnte. | |
| Je prěrušen prívod vody. | Odvzdušněte pristroj a prívod studenté vody (viz kapitola „Nata-vení”). | |
Pokud nelze pricinu odstranit, kontaktujte odborníka. K ziskány lep sé a rychlejsi pomoci sdělte Číslo z typového Štítku (000000 / 0000-00000).

INSTALLACE
7. Bezpečnost
Instalaci, uvedeni do provozu, udrzbu a aprvy pristroje smi provadet pouze odbornik.
7.1 Vseobecné bezpečnostní poukyny
Rădnou funkci a spolehlivý provoz lze zaručit pouze vřpípadě použítí původního príslušenstvá originalních nahradních dlú určenych pro tento prístroj.

Vécnéskody
Dodržujte maximálne teplotu pritoku. Pri vysshich teplotach muze dojit k poskozeni pristroje. Instalaci centránlé termostaticke armatury muzete omezit maximálne teplotu pritoku.
7.2 Predpisy, normy a ustanoveni

Upozornění
Dodržujte všechny národní a mistrí predpisy a ustanovení.
Merny elektricky odpor vody nesmi byt mensi nez hodnota uvedená na typovém stftku. V prypadě propojeni nékolika vodovodnich siti musite vzt v uvahu nejnižsí elektricky odpor vody (viz kapitolu „Technické udaje/Tabulka s technickymi udaji"). Hodnoty merného elektrického odporu vody nebo elektrické vodivosti vody zjisté u vašeho dodavatele vody.
8. Popis pristroje
8.1 Rozsah dodávky
Spolu s pristrojem dodavame:
^ Sitzko v prívodu studné vody
^a Speciálni regulator prútoku „SR“
^a Pripojovací hadici 3/8, délka 500 mm, s těsněníním
Tvarovku T 3/8
- pro připojení jak tlakový prístroj
8.2 Príslušenství
Specialnregulator prutoku ,SR\*\*
^a SR 3: Objecnaci cislo 289591 pro MTD 350 a MTD 440
^a SR 5: Objednaci cislo 270582 pro MTD 570 a MTD 650
- Lze použit se závitem M22/M24.
Tlaková armatura
^ ADS 40 Senzorová armatura pro umyvadlo.
Beztlake armatury
^ AHS 50 Senzorová armatura pro umyvadlo.
^ AHu 40 MTH Dvoukohoutková armatura pro umyvadlo
^ AHEu 40 MTH Páková armatura pro umyvadlo
Instalace - pro instalacniho technika
9. Priprava
» Dukladné vaplachněte vodovodni vedeni.
Vodovodni instalace
Vestavanim dodaného specialniho regulatoru prutoku do armaturity dosáhnete optimálniho prutoku vody.
10. Montáz
10.1 Misto montáze
Přistoj namontujte v prostorách, ve kterych nedochází kPoklesu teploty pod bod mrazu, v blízkosti odběrné armaturity.
Pamatujte na pristupnost bočnich upevnovacich sroubú krytu.
Toto zařizenji je vchodné pouze k montáži pod umyvadlo (vodovodní prípojky nahore).

NEBEZPECI - uraz elektrickym proudem
Kryti IP25 je zaruceno jen tehy,Pokud je namontovana zadni stena pristroje.
Montáž pod umyvadlo, tlaková, s tlakovou armaturou

Montáz pod umyvadlo, beztlaková, s beztlakovou armaturou

Instalace - pro instalacniho technika
Stěna musi mit dostatečnou nosnost.

» Uvolněte upeřovaci šrouby vika o dvě otáčky.
» Odblokujte západku sroubovákem.
» Sejměte viko prístroje s topným systémem směrem dopředu.

» Vylomte klestemi pruchoz otvor ve viku pristroje pro elektrické privodni vedeni. V pripadé potreby upravte okraj pilnikem.
» Jako vrtací šablonu použijte zadní stěnu prístroje.
» Pripevnete zadni stenu pristroje vchodnymi hmozdinkami a srouby ke stene.

» Protáhněte elektrické privodní vedení pruchodkou v zadní stěné.
» Zavěste víko prístroje s topným systémem dole.
Instalace - pro instalacniho technika
»Zatlačte topný systém do západky.
» Upevnete viko pristroje srouby kuchycení vika.
10.2.2 Montáz armatury

Věcné škody
Pri montaži vsech pripojek je nutné na pristroji použit k pridržovani klic SW 14.
Pripojeni odolné proti tlaku
» Namontujte dodanou pripojovaci hadici 3/8 a tvarovku T 3/8.
» Namontujte armaturu. Dodržujte pritom navod k ob-sluze a instalaci armatury.
Pripojeni bez tlaku
» Namontujte armaturu. Dodržujte pritom navod k ob-sluze a instalaci armatury.
10.3 Pripojeni privodu elektrické energia

NEBEZPECI- uraz elektrickym proudem Veskera elektricka zapojeni a instalace provadje podle predpisu.

NEBEZPECI - uraz elektrickym proudem Pamatujte, ze priestroj musi byt priopojen k ochranneu vodici.
Pristroj musi byt mozne odpojit od sit'ovc pripojky na vsech polech na vzdalenost nejmene 3 mm.

NEBEZPECI- uraz elektrickym proudem Pristroje jsou v dodanem stavu vybaveny elektrikym privodnim vedenim (MTD 350 se zastrkou). Pipojeni k pevnemu elektrickemu Rozvodu je mozné,Pokud ma pruz minimalne odpovidajici standardnimu napajecimu kabelu pristroje. Maximali nozny pruze vedeni je 3× 6mm^2

Věcné škody
Při pripojeni do zásvuky s ochranným kontaktem (jde-li o privodni vedeni se zástrčkou) dbeje na to, aby zásvukpa po instalaci pristroje byla volné pristup-na.

Vécné skody
Dodržujte udaje uvedene na typovém stitku. Uvedene napétí se musi shodovat se sitovym napétim.
Elektrické prífvodni vedení zapojte podle schématu elektrického zapojeni (viz kapitola „Technické udaje/ Schéma elektrického zapojeni").
11. Uvedeni do provozu
11.1 První uvedeni do provozu


2008 02-05 0087
» Naplnte pristroj opakovanym odbere m vody na armature, dokud nejsou Rozvodná sit' a pristroj zbaveny vzduchu.
Provedte kontrlu těsnosti.
» Zasunte zastrcku privodniho vedení,Pokud je k dispozici,dozasuvky s ochrannym kontaktem,nebo aktivujte pojistku.
» Zkontrolujte funkci pristroje.
11.2 Predání prístroje
» Vysvětlete uživateli funkci prístroje a seznamte ho se zpúsobem jeho uzivani.
» Upozorněte uživatele na mozná rizika, predevím na nebezpečí opářeni.
» Predejte tento námod.
11.3 Opětovné uvedeni do provozu

Vécné skody
Po preruseni dodavky vody musite pristroj opetovne uvest do provozu pomoci nasledujicich kroku,aby nedoslo k poskozeni topneho systemu s holou spiralou.
» Odpojte pristroj od napeti. Za timto ucelem odpojte zastrku elektrickego privodnho vedeni, je-li k dispozici, nebo vypnete pojistikku.
» Viz kapitola „Privotní uvedeni do provozu".
12. Uvedeni mimo provoz
» Odpjte prístroj pojistkou v domovní instalaci od elektrického proudu nebo odpjte zástrčku privodniho kabelu.
» Vypust'te vodu z priistroje (viz kapitolu „Udrzbá").
13. Odstrańovani poruch
| Problém Príčina Odstránění | ||
| I když je ventil teplé vody zcela otevřen, prístroj se nezapne. | Regulátor prútoku v armatuře je zanesen vodním kamenem nebo je znečišťěn. | Očistěte specialné re-gulátor prútoku a/nebo zbavte jej vodního ka-mene Č vyměťě. |
| Sítko v prívodu stude vody je ucpaně. | Uzavěte prívod stu-dné vody a výčistěte sítko. | |
| Topný systém je vadné. | Změře odpor topného systému, prípadné prístroj vyměťě. | |
| Aktivoval se bez-pečnostní omezovac tlaku. | Odstraťne príčinu zá-vady. Vypněte prístroj a uvolněte tlak ve vodovodním potrubí. Aktivujte bezpečnostní omezovac tlaku. | |

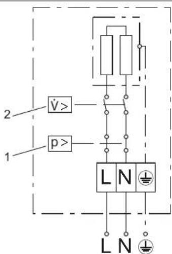
Aktivace bezpečnostniho omezovace tlaku
1 Jednopólovy bezpečnostní omezovac tlaku MTD 440 /MTD 570
2 Dvoupólovy bezpečnostní omezováč tlaku MTD 350 /MTD 650
Instalace - pro instalacniho technika
14. Udržba

NEBEZPECI - uraz elektrickym proudem
Při všech cinnostech odpoje pristroj na všech po-lech od sítě.
Vypusteni pristroje

NEBEZPECI - opareni
Pří vypoustěné může vytek horká voda.
Pokud je nutné pristroj z duvodu udrzby nebo pri nebezpeci zamrznuti z duvodu ochrany kompletní instalace vyprázdnit, postupujte takto:
Otevře t e dbrn y ventil.
» Odpojte od pristroje vodovodni prípoky.
Vycisteni sitka
Vestavěné sitko lze yčistit po demontáži privodu studené vody.

26_02_05_0065
Kontrola ochranného vodice
» Zkontrolujte ochranny vodic (v Nemecku napr. BGV A3) na kontaktu ochranného vodic a na pripojovacich hrdlech pristroje.
Ulození pristroje
» Demontovany pristroj skladujte tak, aby byl chränen préd mrazem. Pripadné zbytky vody v pristroji mohou zmrznout a zpúsobit škody.
Vymena privodniho vedeni u systemu MTD 570
» U systému MTD 570 musité v pripadé vyměny použit elektrické privodní vedení s průžem 4 mm².
Instalace - pro instalacniho technika
15. Technické udaje

15.1 Rozměry
| b02 Pruchodka el. rozvodu I | ||
| b03 Pruchodka el. rozvodu II | ||
| c01 Vstup studené vody Vnějsí závit G 3/8 A | ||
| c06 Vystup teplé vody Vnějsí závit G 3/8 A |
15.2 Schéma elektrického zapojení
15.2.1MTD 350
1/N/PE ~ 200-240 V

208900000
1 Bezpečnostní omezovac tlaku
2 Diferenciánlí tlakový spinač
Instalace - pro instalacniho technika

15.2.2 MTD 440 | MTD 570
1/N/PE ~ 200-240 V
1 Bezpečnostni omezovac tlaku
2 Diferenciánlí tlakový spinač

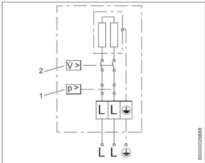
15.2.3MTD650 2/PE\~380-415V
1 Bezpečnostní omezováč tlaku
2 Diferencialni tlakovy spinae

Vecne skody Pripevnem priopojen pripojte elektricke privodni vedeni podle oznaeni na svorce se zdirkami.
Instalace - pro instalacniho technika
15.3 Zvyseni teploty
Pri napeti 230 V / 400 V dochazi k nasledujicmu zvyşeni teploty:

X Prutok v l/min
Y Zvyšeni teploty v K
1 3.5 kW - 230 V
24.4kW-230V
35.7kW-230V
46.5kW-400V
| Příklad pro MTD 350 s výkonem 3,5 kW | ||
| Objemový prútok l/min 2,0 | ||
| Zvysení teploty K 25 | ||
| Teplota priváděné studenté vody °C 12 | ||
| Maximálínůmě na teplota na výtoku °C 37 | ||
Upozorneni
Teploty na vytoku 50^ dosahnete pri minimalmim moznem prutoku a pri nasledujicich teplotach vstupni studene vody:
^ MTD 350 > 18^
MTD 440 > 21°C
°MTD 570 > 22°C
°MTD 650 > 15 °C
15.4 Oblasti použiti
Měrný elektricky odpor a měrná elektrická vodivost viz „Tabulka s technickymi udají".
| Udaj podle normy pMRI 15 °C | 20 °C | 25 °C | ||||||
| Mørný odpor ρ ≥ | Mørný vodi- vost σ ≤ | Mørný odpor ρ ≥ | Mørný vodi- vost σ ≤ | Mørný odpor ρ ≥ | Mørný vodiivost σ ≤ | |||
| ≥ Ωcm | mS/m | μS/cm | ≥ Ωcm | mS/m | μS/cm | ≥ Ωcm | mS/m | μS/cm |
| 1100 | 91 | 909 | 970 | 103 | 1031 | 895 | 112 | 1117 |
15.5 Üdaje ke spotbrenergie
Udaje o vyrobku odpovidaji nafrizenim EU ke smernici o ekodesignu vyrobku v souvislosti se spotrrebou energia (ErP).
| MTD 350 MTD 440 MTD 570 MTD 650 | |||||
| 222120 | 222121 | 222122 | 232790 | ||
| Výrobce | AEG Haustechnik | AEG Haustechnik | AEG Haustechnik | AEG Haustechnik | |
| Zátěžový profil | XXS | XXS | XXS | XXS | |
| Třída energetické Účinnosti | A | A | A | A | |
| Ročné spotřeba el. energia | kWh | 478 | 478 | 478 | 467 |
| Energetická Účinnost | % | 39 | 39 | 39 | 40 |
| Hladina akustického výkonu | dB(A) | 15 | 15 | 15 | 15 |
| Zvělástní pouky k měfení Účinnosti | žádné | žádné | žádné | žádné | |
15.6 Tabulka udaju
| MTD 350 | MTD 440 | MTD 570 | MTD 650 | ||||||||||
| 222120 | 222121 | 222122 | 232790 | ||||||||||
| Elektrotechnické udaje | |||||||||||||
| Jmenovité napěti | V | 220 | 230 | 240 | 220 | 230 | 240 | 220 | 230 | 240 | 380 | 400 | 415 |
| Jmenovity vykon | kW | 3,2 | 3,5 | 3,8 | 4,0 | 4,4 | 4,8 | 5,2 | 5,7 | 6,2 | 5,9 | 6,5 | 7,0 |
| Jmenovity proudly | A | 14,5 | 15,2 | 15,8 | 18,2 | 19,1 | 20 | 23,6 | 24,7 | 25,8 | 15,5 | 16,3 | 16,9 |
| Jištěni | A | 16 | 16 | 16 | 20 | 20 | 20 | 25 | 25 | 32 | 16 | 20 | 20 |
| Frekvence | Hz | 50/60 | 50/60 | 50/60 | 50/60 | 50/60 | 50/60 | 50/60 | 50/60 | 50/60 | 50/60 | 50/60 | 50 |
| Fáze | 1/N/PE | 1/N/PE | 1/N/PE | 2/PE | |||||||||
| Specifiký odpor σ 15 ≥ (pří Østudné ≤25 °C) | Ω cm | 1100 | 1100 | 1100 | 1100 | ||||||||
| Specifiká vodivost σ 15 ≤ (pří Østudné ≤25 °C) | μS/cm | 909 | 909 | 909 | 909 | ||||||||
| Specifiký odpor ρ 15 ≥ (pří Østud >25 °C) | Ω cm | 1100 | 1100 | 1100 | 1100 | ||||||||
| Specifiká vodivost σ 15 ≤ (pří Østud >25 °C) | μS/cm | 909 | 909 | 909 | 909 | ||||||||
| Max. impedance sítě prí 50 Hz | Ω | 0,394 | 0,377 | 0,361 | |||||||||
Instalace - pro instalacniho technika
| MTD 350 MTD 440 MTD 570 MTD 60 | |||||
| Připojure | |||||
| Vodovodní prípojka G 3/8 A G 3/8 A G | 3/8 A G | 3/8 A | |||
| Meze použitelnosti | |||||
| Max. dovolený tlak MPa 1 1 1 1 | |||||
| Hodnoty | |||||
| Max. teplota vstupni vody °C 35 35 355 | |||||
| Zap | l/min | >1,6 | >2,0 | >2,6 | >2,6 |
| Tlakové ztráty při objemovém proudu | 0,05 | 0,06 | 0,08 | 0,08 | |
| Pržtok pro ztráty tlaku | l/min | 1,6 | 2,0 | 2,6 | 2,6 |
| Pržtok - omezení při | l/min | 2,2 | 2,8 | 4,3 | 4,3 |
| Zobrazení teplé vody | l/min | 2,0 | 2,5 | 3,2 | 3,7 |
| Δθ při zobrazení | K | 25 25 25 25 | |||
| Udaje o hydraulickém systému | |||||
| Jmenovitý objem | l | 0,1 | 0,1 | 0,1 | 0,1 |
| Provedení | |||||
| Zpúsob montáze pod umyvädo | X | X | X | X | |
| Beztlaková konstrukce | X | X | X | X | |
| Tlaková konstrukce | XX | XX | |||
| Kryti (IP) | IP25 | IP25 | IP25 | IP25 | |
| Třida ochrany | 1 | 1 1 1 | |||
| Izolační blok | Umělá hmota | Umělá hmota | Umělá hmota | Umělá hmota | |
| Topný systém zdroje tepla | Holá spirála | Holá spirála | Holá spirála | Holá spirála | |
| Víko a zadní stěna | Umělá hmota | Umělá hmota | Umělá hmota | Umělá hmota | |
| Barva | bīlá | bīlá | bīlá | bīlá | |
| Rozměry | |||||
| Vyška | mm | 143 | 143 | 143 | 143 |
| Šīfka | mm | 190 | 190 | 190 | 190 |
| Hloubka | mm | 82 82 82 82 | |||
Instalace - pro instalacniho technika - Záruka -Životné prostředí a recyklace
| MTD 350 MTD 440 MTD 570 MTD 650 | |||||
| Hmotnosti | |||||
| Hmotnost kg 1,4 1,4 1,4 1,4 | |||||
Záruka
Pro pristroje nabyte mimo uzemi Nemecka neplatzi zaručni podminky poskytované našimi firmami v Nemecko. V zemich, ve kterych nikterá z nasich dceirinych spolecnosti distribuujne naše vyrobky, poskytuje zaruku jenom tato dceirina spolecnost. Takovou zaruku lze poskytnout pouze tehdy,Pokud dceirina spolecnost vydala vlastni zaručni podminky. Jinak nelze zaruku poskytnout.
Na pristroje zakoupene v zemich, ve kterych nejsou nase yrobky distribuovany zdnou z dceirinych spolecnosti, neposkytujeme zdnou zaruku. Pripadne zaruky zavazne prislibene dovozcem zustavaji proto nedotcené.
Zivotni prostreia recyklace
Pomozte nám chránit nase zivotné prostředí. Materialy po použiti zlikvidujte v souladu s platnymi narodniimi prédpisy.
SnadnýManuál