MTD 650 - Directe boiler AEG - Gratis gebruiksaanwijzing en handleiding
Vind de handleiding van het apparaat gratis MTD 650 AEG in PDF-formaat.
Veelgestelde vragen - MTD 650 AEG
Download de handleiding voor uw Directe boiler in PDF-formaat gratis! Vind uw handleiding MTD 650 - AEG en neem uw elektronisch apparaat weer in handen. Op deze pagina staan alle documenten die nodig zijn voor het gebruik van uw apparaat. MTD 650 van het merk AEG.
GEBRUIKSAANWIJZING MTD 650 AEG
Bediening en Installatie 62
- Algemene aanwijzingen 64
1.1 Veiligheidsaanwijzingen 64
1.2 Andere aandachtspunten in deze documentatie... 64
1.3 Maateenheden 65 - Veiligheid 65
2.1 Voorgeschreven gebruik 65
2.2 Algemene veiligheidsaanwijzingen 65
2.3 Keurmerk 66
3.Toestelbeschrijving. 66 - Installingen 66
- Reiniging, verzorging en onderhoud 67
- Problemen verhelpen 67
INSTALLATIE
- Veiligheid 68
7.1 Algemene veiligheidsaanwijzingen 68
7.2 Voorschriften, normen en bepalingen 68
8.Toestelbeschrijving. 68
8.1 Leveringsomvang 68
8.2 Toebehoren 69 - Voorbereidingen 69
- Montage 69
10.1 Montageplaats 69
10.2 Montagealternatieven 70
10.3 Elektriciteit aansluiten 72 - Ingebruikname 72
11.1 Eerste ingebruikname 72
11.2 Overdracht van het toestel.. 72
11.3 Opniew in gebruik nemen 73
12. Buitendienststellung 73
13. Storingen verhelpen 73
14. Onderhoud 74
15. Technische gegevens 75
15.1 Afmetingen 75
15.2 Elektriciteitsschema 76
15.3 Temperatuurverhoging 77
15.4 Toepassingsmogelijkheden 78
15.5 Gegevens over het energieverbruik 78
15.6 Gegevenstabel 79
GARANTIE
MILIEU EN RECYCLING
BIJZONDERENE INFO
- Het toestel kan door kinderen vanaf 8aar, alsmede door personen met verminderde fysieke, sensorische of geestelijkke vermogens of met een gebrek aan ervaring en kennis gebruikt worden, wanner er toezicht op hen gehonden worden, of wanner ze met betrekking tot het veilige gebruik van het toestel geinstrueerd+zijn en de bevaren die waaruit ontstaan, begren hebben. Kinderen mogen Niet met het toestel spelen. Kinderen mogen zonder toezicht geen reiniging of gebruikersondoud uitvoeren.
-
De temperatuur van de kraan kan bij gelebruik hoger worden dan 50^ . Bij uitlooptemperaturen van meer dan 43^ besteht gevaar voor brandwonden.
-
Het toestel moet op alle polen met een afstand van minstens 3mm van de aansluiting van het net+kennen worden losgekoppeld.
- De elektriciteitskabel mag bij beschadiging of verranging alleen worden verrangen door het originele onderdeel en door een installateur die daartoe door de fabrikant gemachtigd is.
- Monteer het toestel zoals beschreiben in het hoofdstuk "Installatie/montage".
- Neem de maximaal toegelaten druk in acht (zie het hoofdstuk „Technische gegevens/ gegevenstabel).
- Tap het toestel af zoals beschreiben in het hoofdstuk "Installatie/onderhoud/het toestel aftappen".
Bediening - voor de gebruiker en de installmenteur
BEDIENING
1. Algemene aanwijzingen
Het hoofdstuk "Bediening" is bedoeld voor de gebruiker van het toestel en voor de installmenteur.
Het hoofdstuk "Installatie" is bested voor de installmenter.

Info
Lees deze handleiding voor gebruik zorgvuldig door en bewaar deze op een veilige plaat.
Overhandig de handleiding in voorkomende gevallen aan een volgende gebruiker.
1.1 Veiligheidsaanwijzingen
1.1.1 Structuur verilgheidsaanwijzingen

TREFWOORD Soort gevaar
Hier staan möglichke gevolgen, wanner de veiligheidsaanwijzing worden genegeerd.
Hier staan maatregelen om het gevaar af te wenden.
1.1.2 Symbolen, soort gevaar
| Symbool Soort | gevaar |
| ! | Letsel |
| Elektrische schok | |
| Verbranding (Verbranding, verschroeiing) |
1.1.3 Trefwoorden
| TREFWOORD | Betekenis |
| GEVAAR Aanwij | zingen die leiden tot zwaar letsel of overlijden, wanner deze nicht in acht worden genomen. |
| WAARSCHU-WING | Aanwijzingen die kuren leiden tot zwaar letsel of overlijden, wanner deze nicht in acht worden genomen. |
| VOORZICTHIG | Aanwijzingen die kuren leiden tot middelmatig zwaar oflicht letsel, wanner deze nicht in acht worden genomen. |
1.2 Andere aandachtspunten in deze documentatione

Info
Aanwijzingen worden door horizontale lijnen boven en onder de tekst begrensd. Algemene aanwijzingen worden aangeduid met het symbol dat hiernaast staat.
》Lees de aanwijzingstksten grondig door.
| Symbool | |
| ! | Materièle schade (toestel-, gevolg-, milieuschade) |
| Het toestel afdanken |
Dit symbolism geeft aan dat uiets moet doein. De verieiste handelingen worden stapsgewijs beschreven.
1.3 Maateenheden

Info
Tenzij anders worden vermeld, worden de maateenheid in millimeter aangegeven.
2. Veiligigkeit
2.1 Voorgeschreveu gebruik
Het toestel is bestemd voor gebruik in een huishoudelijkte omgeving. Het kan veilig bediend worden door personen die.daarover Niet geinstruereeerd,zijn. Het toestel kan eveneens buiten een huishouden gebruikt worden, bv. in het Kleinbedrijf, voor zover het opdezelfde wijze gebruikt worden.
Het toestel is bestemd voor het opwarmen van drinkwater.
Het toestel is bedoeld voor een handwastafel.
Elk ander gebruik geldt nicht als gebruik conform de voorschriften. Tot gebruik conform de voorschriften behoort ook het in acht nemen van deze handleiding evenals de handleidingen voor de gebrukke accessoires.
2.2 Algemene veiligheidsaanwijzingen

GEVAAR voor verschroeing
De temperatuur van de kraan kan bij gebruik hoger
worden dan 50^ Bij uitloopectperaturen vaneer dan 43^ bestaat
gevaar voor brandwonden.

WAARSCHUWING letsel
Het toestel kan door kinderen vanaf 8aar, alsmede door personen met verminderde fysieke, sensorische of geestelijkke vermogens of met een gebrek aan ervaring en kennis gebruikt worden, wanneer er toezicht op hen gehonden wordt, of wanner ze met betrekking tot het verilige gebruik van het toestel geinstruerd zijn en deGeVaren die waaruit ontstaan, begrenpelen. Kinderen mogen Niet met het toestel spelen. Kinderen mogen zonder toezicht geen reiniging of gebruikersondoud uitvoeren.

Een beschadigde elektrische aansluitkabel要去 door een vakman worden verrangen. Daardoor worden möglichke risico'suitgesloten.

Materielle schade
Beschem het toestel en de kraan gegen vorst.

Materielle schade
Gebruik alleen de meegeleverde speciale straalregelaar. Voorkom kalkaanslag aan de kraanuitlopen (zie het hoofdstuk "Reiniging, verzorging en onderhoud").
Bediening - voor de gebruiker en de installmenteur
2.3 Keurmerk
Zie hetypeplaatje op hettoestel.
Landspecifieke vergunningen en certificateen: Duitsland
Op basis van de lokale verordenen heeft het toestel een algemeen bouwkundig testcertificaat ontvangen om de geschiktheid op het vlak van het geluidsniveau aan te tonen.

3. Toestelbeschrijving
De hydraulisch gesturde keine doorstromer verwarmt het water direct bij het tappunt. Bij het openen van de kraan worden het verwarmingsvermogen automatisch ingeschakeld. Door het korte leidingtraject ontstaan slechts geringe energie- en waterverliezen.
Het warmwatervermögen is afhankelijk van de koudwaterinlooptemperatuur, het verwarmingsvermögen en het doorstroomvolume.
Het blankdraadelement is geschikt voor kalkarm en kalkhoudend water. Het verwarmingssysteme is in grote mate ongevoelig voor verkalking. Het verwarmingssystem zorgt voor een snelle en efficiente warmwateraanbieding aan de handwastafel.
De inbouw van de meegeleverde speciale straalregelaar resulteert in een optimale waterstraal.
4. Installingen
Zodra u de warmwaterkraan opendraait of de sensor van een sensorkraan activeert, worden automatisch het verwarmingssysteme van het toestel ingeschakeld. Het water wordt verwarmd. U kunt de temperatuur van het water met de kraan instellen:
Zie voor de tapdrempel het hoofdstuk "Technische gegevens/gegevenstabel".
Temperatuur verhogen
Smoor het doorstroomvolume bij de kraan.
Temperatuur verlagen
» Draai de kraan verder open of meng meer koud water bij.
Na onderbreking van de watertoevoer
Zie het hoofdstuk "Ingebruikname/opnieuw in gebruik nemen".
5. Reiniging, verzorging en onderhoud
» Gebruik geen schurende reinigingsmiddelen of reinigingsmiddelen met oplosmiddelen. Een vochtige doek volstaat om het toestel te onderhonden en te reinigen.
» Controller periodiek de kranen. Verwijder kalk op de kraanuitlopen met in de handel verkrijgbare ontkalkingsmiddelen.
» Laat de elektrische veilighheid van het toestel periodiek controeren door een installment.
Ontkalk of cervang de speciale straalregelaar van de kraan regelmatig (zie het hoofdstuk"Toestelbeschrijving/accessoires").
6. Problemen verhelpen
| Problem Oorzaak Oplossing | ||
| Het toestel schakelt Niet in hoewel de warmwaterkraan volledig open staat. | Het toestel heeft geen spanning. | Controleer de zeke- ring van de huisins- tallatie. |
| De straalregelaar in de kraan is vuil of verkalkt. | Reinig en/of ontkalk de straalregelaar of cervang de speciale straalregelaar. | |
| De watervoorzieening is onderbroken. | Ontlucht het toestel en de koudwatertoevoer- leiding (zie het hoofd- stuk "Instellenen"). | |
Waarschuw de installmentar als u de orzaak zich nicht kunt verhelpen. Om u nog sneller en beter te konnen helpen deelt u hem het nummer op het typeplaatje mee (000000 / 0000-00000).

INSTALLATIE
7. Veiligkeit
Installatie, ingebruikname, evenals onderhoud en reparatie van het toestel mogen alleen door een gekwalificeerde installateur uitgevoerd worden.
7.1 Algemene veiligheidsaanwijzingen
Wij waarborgen de goede werkung en de bedrijfszekerheid uitsluitend bij gebruik van originele onderdelen en verwangingsonderdelen voor het toestel.

Materielle schade
Houd rekening met de max. toegelaten aanvoertemperatuur. Bij hogere temperaturen kan het toestel beschadigd raken. Met een centralethermostaatkraan kunt u de aanvoertemperatuur begrenzen.
7.2 Voorschriften, normen en bepalingen

Info
Neem alle nationale en regionale voorschriften en bepalingen in acht.
De specifieke elektrische weltstand van het water mag nicht lager zijn dan de waarde die aangegeven is op het typeplaatje. Bij een water-koppelnet moet rekening worden gezehden met de laagste elektrische weltstand van het water (zie het hoofdstuk "Technische geveens/ geveenstabel"). De specifieke elektrische weltstand of het elektrisch geleidend vermogen van het water kunt u opvragen bij uw watermaatschappij.
8. Toestelbeschrijving
8.1 Leveringsomvang
Bij het toestel worden het volgende geleverd:
^ Zeef in de koudwatertoevoer
Special straalregelaar "SR"
° Aansluitslang 3/8, 500 mm lang, met dichtingen
T-stuk 3 / 8^
- voor de aansluiting als drukvast toestel
8.2 Toebehoren
Speciale straalregelaar "SR"*
^a SR 3: Ordernummer 289591
voor MTD 350 en MTD 440
^a SR 5: Ordemummer 270582
voor MTD 570 en MTD 650
- Voor toepassing bij schroefdraad M22/M24.
Drukvaste kraan
^a ADS 40 Sensorarmatuur voor de wastafel
Drukloze kranen
^a AHS 50 Sensorarmatuur voor de wastafel
^ AHu 40 MTH Tweegreeps wastafelkraan
^ AHEu 40 MTH Eengreeps wastafelkraan
9. Voorbereidingen
» Spoel de waterleiding grondig door.
Waterinstallatie
Een veiligheidsventiel is Niet moodzakelijk.
Kranen
» Gebruik geschichte kranen (zie hoofdstuk
"Toestelbeschrijing/toebehoren").

Info
De inbouw van de meegeleverde speciale straalregelaar in de kraan resulteert in een optimale waterstraal.
10. Montage
10.1 Montageplaats
Monteer het toestel in een vorstvrijne ruimte in de nabijheid van het aftappunt.
Zorg ervoor dat de bevestigingssschroeven aan de zijkant van de=kappen bereikbaar blijven.
Het toestel is alleen geschikt voor onderbouwmontage (wateraansluitingen aan de bovenkant).

De beschemingsgraad IP25 is enkel gewaarborgd als dechterwand van het toestel is gemonteerd.
» Monteer.altijd dechterwand van het toestel.
Installatie - voor de installateur
10.2 Montagealternatieven
Ondermontage, drukvast, met drukvaste kraan

Ondermontage, drukloos, met drukloze kraan

10.2.1 Montage van het toestel
» Monteer het toestel aan de muur.

Info
De muur要去 voldoende draagvermogen haben.

26_02_05_0042
» Draai de bevestigingschroeven van de=kappen twees glagen los.
Ontgrendel de knipsluiting met een schroevendraier.
» Verwijder de toestelkap met het verwarmingssystemeer aan voren.

26 05 0084
» Breek de doorvoeropening in de toestelkap voor de elektrische aansluitkabel UIT met een tang. Werk de rand zo nodig bij met een vrij.
» Gebruik de hinterwand van het toestel als boorsjabloon.
» Monteer de hinterwand met geschichte pluggen en schroeven op de muur.

» Leid de elektrische aansluitkabel door de doorvoeropening in dechterwand.
» Haak de toestelkap met het verwarmingssystemen onder in.
Klik het verwarmingssysteme in de knipsluiting.
Zet de toestelkap vast met de bevestigingssschroeven.
Bij het vastzetten van de aansluitingen dient u deze bij het toestel gegen te honden met een sleutel SW 14.
Drukvaste aansluiting
» Monteer de meegeleverde aansluitslang 3/8 en het T-stuk 3/8.
» Monteer de kraan. Neem de instructies in de Bedienings- en installmentiehandleiding van de kraan in acht.
Drukloze aansluiting
» Monteer de kraan. Neem de instructies in de Bedienings- en installmentehandleiding van de kraan in acht.
10.3 Elektriciteit aansluiten

GEVAAR Elektrische schok
Voer alle werkzaamheden voor elektriciteitsaansluitingen en installmenteuit conform de voorschriften.

GEVAAR Elektrische schok
Zorg ervoor dat het toestel is aangesloten op de aardleiding.
Het toestel要去 op alle polen met een afstand van minstens 3mm van de aansluiting van het net kunnen worden losgekoppeld.

GEVAAR Elektrische schok
De toestellen zich bij levering uitergerust met een elektrische aansluitkabel (MTD 350 met stekker).
Een aansluiting op een vaste elektrische leiding is möglich, als die minstens bezelfde diameter heeft als de standardaansluitkabel. De maximale kabel-doorsnede bedraagt 3 × 6 ~mm^2 .

Materiele schade
Zorg er bij aansluiting op een geaard stopcontact (bij toepassing van een elektrische aansluitkabel met stekker) voor dat het geaarde stopcontact na installmentie van het toestel vrij toegankelijk is.

Materielle schade Neem de gegevens op het typeplaatje in acht. De aangegeven spanning moet overeenkomen met de netspanning.
» Sluit de elektrische aansluitkabel conform het elektriciteitsschakelschema aan (zie het hoofdstuk "Technische gegevens / elektriciteitsschakelschema").
11. Ingebruikname
11.1 Eerste ingebruikname

on

26_02_05_0087
Vul het toestel en tap meerere keren water af via de kraan tot het leidingnet en het toestel luchtvrijহn.
» Voer een dichttheidscontrole UIT.
» Steek de stekker van de elektrische aansluitkabel, als die is toegepast, in het geaarde stopcontact of schakel de zekering in.
Controller de werkmodus van het toestel.
11.2 Overdracht van het toestel
» Leg aan de gebruiker de werkking van het toestel uit en kaak hem vertrouwd met het gebruik ervan.
» Wijs de gebruiker op möglichk gevaar, met name het gevaar van brandwonden.
» Overhandig deze handleiding.
11.3 Opniew in gebruik nemen

Materiele schade
Neem het toestel met de volgende stappen wee in gebruik als de watervoorzieening onderbroken is geweest, zDat het blankdraadelement Niet kapot gaat.
Schakel het toestel spanningsvrij. Trek de stekker van de elektrische aansluitkabel, als die is toegepast, uit het geaarde stopcontact of schakel de zeke-ringuit.
Zie hoofdstuk "Eerste ingebruikname".
Koppel het toestel met de zekering los van de huisinstallatie of trek de stekker van de elektrische aansluitkabel uit het stopcontact.
Tap het toestel af (zie het hoofdstuk "Onderhoud").
13. Storingen verhelpen
| Probleem Oorzaak Oplossing | ||
| Het toestel schakelt Niet in hoewel de warmwaterkraan volledig open staat. | De straalregelaar in de kraan is vuil of verkakt. | Reinig en/of ontkalk de straalregelaar of verwang de speciale straalregelaar. |
| De zeef in de koud-waterleiding is ver-stopt. | Reinig de zeef nadat u de koudwateraan-voerleiding hebt af-gesloten. | |
| Het verwarmingsssy-teem is defect. | Meet de wonderstand van het verwarmings-systemeem en verwang zo nodig het toestel. | |
| De veiligheidstem-peratuurbegrenzer is geactiveerd. | Los de oorzaak van de storing op. Maak het toestel spanningsvrij en ontlast de waterleiding. Activeer de veiligheidsdrukbe-grenzer. | |
Installatie - voor de installateur

De veiligheidsdrukbegrenzer activeren
1 1-polige veiligheidsdrukbegrenzer MTD 440 / MTD 570
2 2-polige veiligheidsdrukbegrenzer MTD 350 / MTD 650
14. Onderhoud

GEVAAR Elektrische schok
Scheid alle polen van het toestel van het elektricieteitsnet voor aanvang van alle werkzaamheden.
Het toestel aftappen

GEVAAR voor verschroeiing Tijdens het aftappen kan er heet water uit het toestel lopen.
Ga als volgt te werk als het toestel voor onderhoudswerkzaamheden of als bescherming gegen vorst van de volledige installmenta afgetapt moet worden:
Sluit de afsluitklep in de koudwateraanvoerleiding.
» Open het aftapventiel.
Maak de wateraansluitingen van het toestel los.
Zeef reinigen
U kurz de ingebouwde zeef reinigen nadat de koudwateransluiting is losgekoppeld.

Aardleiding controlleren
Controller de aardleiding (in Duitsland bijv. BGV A3) op het aardleidingscontact van de elektrische aansluitkabel en bij de aansluitstomp van het toestel.
Opslag van het toestel
Een gedemonteerd toestel moet vorstvrij bewaard worden, want er kan restwater in het toestel zitten dat bevriezen kan en daardoor schadeveroorzaken kan.
De elektrische aansluitkabel bij de MTD 570 verwangen
» Bij de MTD 570 moet bij verranging een elektrische aansluitkabel met een diameter van 4mm^2 worden gezruikt.
| b02 Doorvoer elektr.kabels I | ||
| b03 Doorvoer elektr.kabels II | ||
| c01 Koudwatertoevoer | Buitendraad | G 3/8 A |
| c06 Warmwateruitloop | Buitendraad | G 3/8 A |
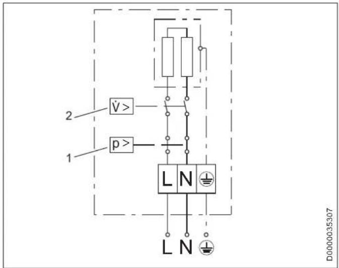
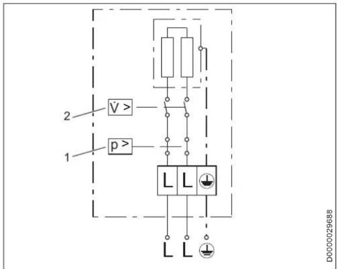
15.2 Elektriciteitsschema
15.2.1 MTD 350
1/N/PE ~ 200-240 V

1 Veiligheidsdrukbegrenzer
2 Drukschakelaan
15.2.2 MTD 440 en MTD 570 1/N/PE ~ 200-240 V

1 Veiligheidsdrukbegrenzer
2 Drukschakelaar
Materiele schade
» Bij een vaste aansluiting sluit u de elektrische aansluitkabel aan conform de beschrijving bij de klemmen.
15.2.3 MTD 650
2/PE 380-415V

1 Veiligheidsdrukbegrenzer
2 Drukschakelaar
15.3 Temperatuurverhoging
De volgende temperatuurverhogingen zijn beschikbaar bij een spanning van 230V / 400V

X Debiet in l/min
Y Temperatuurverhoging in K
1 3.5 kW - 230 V
24.4kW-230V
35.7kW-230V
46,5kW-400V
| Voorbeeld MTD 350 met 3,5 kW | ||
| Debiet l/min 2,0 | ||
| Temperatuurverhoging K 25 | ||
| Koudwater- toevoertemperatuur °C | 12 | |
| Maximaal möglichke uitloopectemperatuur | °C | 37 |

Info
U bereikt een uitloopectemperatuur van 50^ bij hetkleinst möglichke debiet en de volgende koudwaterinloopectemperaturen:
°MTD 350 > 18°C
°MTD 440 > 21°C
°MTD 570 > 22°C
°MTD 650 > 15°C
15.4 Toepassingsmogelijkheden
Zie de "Gegevenstabel" voor de specifieke elektrische waarstand en specifieke elektrische geleidhaarheid.
| Genormeerde waar-de bij 15 °C | 20 °C | 25 °C | ||||||
| Spec. weer-stand ρ ≥ | Spec. geleid-haarheid σ ≤ | Spec. weer-stand ρ ≥ | Spec. geleid-haarheid σ ≤ | Spec. weer-stand ρ ≥ | Spec. geleid-haarheid σ ≤ | |||
| Ωcm | mS/m | μS/cm | Ωcm | mS/m | μS/cm | Ωcm | mS/m | μS/cm |
| 1100 | 91 | 909 | 970 | 103 | 1031 | 895 | 112 | 1117 |
15.5 Gegevens over het energieverbruik
De productgeveens voldoen aan de EU-verordingen betreffende de richtlij voor milieuvriendelijkke vormgeving van energiegerelateerde producten (ErP).
| MTD 350 | MTD 440 | MTD 570 | MTD 650 | ||
| 222120 | 222121 | 222122 | 232790 | ||
| Fabrikant | AEG Haustechnik | AEG Haustechnik | AEG Haustechnik | AEG Haustechnik | |
| Lastprofil | XXS | XXS | XXS | XXS | |
| Energieklasse | A | A | A | A | |
| Jaarliks stroomverbruik | kWh | 478 | 478 | 478 | 467 |
| Energetisch rendement | % | 39 | 39 | 39 | 40 |
| Geluidsniveau | dB(A) | 15 | 15 | 15 | 15 |
| Bijzondere anwijzingen voor efficiën-tiemeting | Geen | Geen | Geen | Geen |
15.6 Gegevenstabel
| MTD 350 MTD 440 MTD 570 MTD 650 | |||||||||||||
| 222120 222121 222122 232790 | |||||||||||||
| Elektrische gegevens | |||||||||||||
| Nominate spanning | V | 220 | 230 | 240 | 220 | 230 | 240 | 220 | 230 | 240 | 380 | 400 | 415 |
| Nominaal vermogen | kW | 3,2 | 3,5 | 3,8 | 4,0 | 4,4 | 4,8 | 5,2 | 5,7 | 6,2 | 5,9 | 6,5 | 7,0 |
| Nominate stroom | A | 14,5 | 15,2 | 15,8 | 18,2 | 19,1 | 20 | 23,6 | 24,7 | 25,8 | 15,5 | 16,3 | 16,9 |
| Beveiliging | A | 16 | 16 | 16 | 20 | 20 | 20 | 25 | 25 | 32 | 16 | 20 | 20 |
| Frequentie | Hz | 50/60 | 50/60 | 50/60 | 50/60 | 50/60 | 50/60 | 50/60 | 50/60 | 50/60 | 50/60 | 50/60 | 50 |
| Fasen | 1/N/PE | 1/N/PE | 1/N/PE | 2/PE | |||||||||
| Specifieke verbessard ρ 15 ≥ (bij Økoud ≤ 25 °C) | Ω cm | 1100 | 1100 | 1100 | 1100 | ||||||||
| Specifieke geleiding σ 15 ≤ (bij Økoud ≤ 25 °C) | μS/cm | 909 | 909 | 909 | 909 | ||||||||
| Specifieke verbessard ρ 15 ≥ (bij Økoud >25°C) | Ω cm | 1100 | 1100 | 1100 | 1100 | ||||||||
| Specifieke geleiding σ 15 ≤ (bij Økoud >25°C) | μS/cm | 909 | 909 | 909 | 909 | ||||||||
| Max. netimpedantie bij 50Hz | Ω | 0,394 | 0,377 | 0,361 | |||||||||
| Aansluitingen | |||||||||||||
| Wateraansluiting | G 3/8 A | G 3/8 A | G 3/8 A | G 3/8 A | |||||||||
| Werkingsgebied | |||||||||||||
| Max. toegelaten druk | 1 | 1 | 1 | 1 | |||||||||
| Waarden | |||||||||||||
| Max. toegelaten toevoertemperatuur | °C | 35 | 35 | 35 | 35 | ||||||||
| Aan | l/min | >1,6 | >2,0 | >2,6 | >2,6 | ||||||||
| Drukkerlies bij volumestroom | 0,05 | 0,06 | 0,08 | 0,08 | |||||||||
| Volumestroom voor drukverlies | l/min | 1,6 | 2,0 | 2,6 | 2,6 | ||||||||
| Volumestroombegrenzing bij | l/min | 2,2 | 2,8 | 4,3 | 4,3 | ||||||||
| Warmwateraanbieding | l/min | 2,0 | 2,5 | 3,2 | 3,7 | ||||||||
| Δδ bij aanbieding | K | 25 | 25 | 25 | 25 | ||||||||
Installatie - voor de installerateur - Garantie - milieu en recycling
| MTD 350 MTD 440 MTD 570 MTD 650 | |||||
| Hydraulische gegevens | |||||
| Nominate inhoud I 0,1 0,1 0,1 0,1 | |||||
| Uitvoeringen | |||||
| Type montage onder het aflappunt X X | X X | ||||
| Uitvoering open XXX X | |||||
| Uitvoering gesloten XXX X | |||||
| Beschermingsgraad (IP) | IP25 | IP25 | IP25 | IP25 | |
| Beschermingsklasse | 1 | 1 | 1 | 1 | |
| Isolatieblok | Kunststof | Kunststof | Kunststof | Kunststof | |
| Verwarmingssystem warmtegenerator | Blanke draad | Blanke draad | Blanke draad | Blanke draad | |
| Kap en weiterwand | Kunststof | Kunststof | Kunststof | Kunststof | |
| Kleur | wit | wit | wit | wit | |
| Afmetingen | |||||
| Hoogte | mm | 143 | 143 | 143 | 143 |
| Breedte | mm | 190 | 190 | 190 | 190 |
| Diepte | mm | 82 | 82 | 82 | 82 |
| Gewichten | |||||
| Gewicht | kg | 1,4 | 1,4 | 1,4 | 1,4 |
Garantie
Voor toestellen die buiten Duitsland zijn gekocht, gelden de garantievoorwaarden van onze Duitse ondernemingen Niet. Bovendien kan in landen waar een van onze dochtermaatschappijen verantwoordelijk is voor de verkoop van onze producten, alleen garantie worden verleend door deze dochtermaatschappij. Een dergelijk garantie worden alleen verstrecht, wanneer de dochtermaatschappij eigengarantievoorwaarden heeft gepubliceerd. In andere situatuies worden er geen garantie verleend.
Voor toestellen die in landen worden gekocht waar wij geen dochtermaatschappijen hebben die once producten verkopen, verlenen wij geen garantie. Een eventuele door de importeur verzekerde garantie blijft onverminderd van kracht.
Milieu en recycling
Wij verzoeken u ons te helpen ons milieu te beschemen. Doe de materialen na het gebruik weg overeenkomstig de nationale voorschriften.
Obsah
ZVLÁSTNIPOKNY
OBSLUHA
1702 Groot-Bijaarden
Tel. 02 42322-22
Fax 0242322-12
Czech Republic
STIEBEL ELTRON spel. s r.o.
KHajum 946
155 00 Praha 5 - Stodulky
Tel. 251116-111
Fax 235512-122
Hungary
STIEBEL ELTRON Kft.
Gyar u.2
2040 Budaörs
Tel. 01 250-6055
Fax 01368-8097
Netherlands
STIEBEL ELTRON Nederland B.V.
Daviottenweg 36
5222 BH's-Hertogenbosch
Tel. 073 623-0000
Fax 073623-1141
Poland
STIEBEL ELTRON Polska Sp. z O.O.
ul. Dzialkowa 2
02-234 Warszawa
Tel. 022 60920-30
Fax 02260920-29
Russia
STIEBEL ELTRON LLC RUSSIA
SimpelGids