MTE 440 - Directe boiler AEG - Gratis gebruiksaanwijzing en handleiding
Vind de handleiding van het apparaat gratis MTE 440 AEG in PDF-formaat.
| Technische Kenmerken | Details |
|---|---|
| Type apparaat | Niet gecategoriseerd |
| Afmetingen | Niet gespecificeerd |
| Gewicht | Niet gespecificeerd |
| Vermogen | Niet gespecificeerd |
| Capaciteit | Niet gespecificeerd |
| Speciale functies | Niet gespecificeerd |
| Gebruik | Gebruiksinstructies niet verstrekt |
| Onderhoud | Onderhoudsinstructies niet verstrekt |
| Veiligheid | Veiligheidsinstructies niet verstrekt |
| Algemene informatie | Geen aanvullende informatie beschikbaar |
Veelgestelde vragen - MTE 440 AEG
Download de handleiding voor uw Directe boiler in PDF-formaat gratis! Vind uw handleiding MTE 440 - AEG en neem uw elektronisch apparaat weer in handen. Op deze pagina staan alle documenten die nodig zijn voor het gebruik van uw apparaat. MTE 440 van het merk AEG.
GEBRUIKSAANWIJZING MTE 440 AEG
Elektronisch geregelde kleine doorstromer
Bediening en Installatie 75
- Algemene aanwijzingen....75
1.1 Veiligheidsaanwijzingen....75
1.2 Andere aandachtspunten in deze documentatie ..... 75
1.3 Maateenheden....76 - Veiligheid....76
2.1 Voorgeschreven gebruik....76
2.2 Algemene veiligheidsaanwijzingen....76
2.3 Keurmerk 77 - Toestelbeschrijving....77
- Instellingen....78
- Reiniging, verzorging en onderhoud ....78
- Problemen verhelpen....78
INSTALLATIE
- Veiligheid....79
7.1 Algemene veiligheidsaanwijzingen....79
7.2 Voorschriften, normen en bepalingen 79 - Toestelbeschrijving....79
8.1 Leveringsomvang....79
8.2 Toebehoren....79 - Voorbereidingen 80
-
Montage 80
10.1 Montageplaats 80
10.2 Montagealternatieven....80
10.3 Elektriciteit aansluiten....83 -
Ingebruikname....83
11.1 Eerste ingebruikname 83
11.2 Overdracht van het toestel....83
11.3 Opnieuw in gebruik nemen 84
11.4 Instellingen....84 - Buitendienststelling 85
- Storingen verhelpen....86
- Onderhoud 87
- de technische gegevens....88
15.1 Afmetingen en aansluitingen 88
15.2 Elektriciteitsschema....89
15.3 Temperatuurverhoging 90
15.4 Toepassingsmogelijkheden 91
15.5 Gegevens over het energieverbruik....91
15.6 Gegevenstabel....92
GARANTIE
MILIEU EN RECYCLING
BIJZONDERE INFO
- Het toestel kan door kinderen vanaf 8 jaar, alsmede door personen met verminderde fysieke, sensorische of geestelijke vermogens of met een gebrek aan ervaring en kennis gebruikt worden, wanneer er toezicht op hen gehouden wordt, of wanneer ze met betrekking tot het veilige gebruik van het toestel geïnstrueerd zijn en de gevaren die daaruit ontstaan, begrepen hebben. Kinderen mogen niet met het toestel spelen. Kinderen mogen zonder toezicht geen reiniging of gebruikersonderhoud uitvoeren.
-
De temperatuur van de kraan kan bij gebruik hoger worden dan 50 °C. Bij uitloop-temperaturen van meer dan 43 °C bestaat gevaar voor brandwonden.
-
Het toestel moet op alle polen met een afstand van minstens 3 mm van de aansluiting van het net kunnen worden losgekoppeld.
De elektriciteitskabel mag bij beschadiging of vervanging alleen worden vervangen door het originele onderdeel en door een installateur die daartoe door de fabrikant gemachtigd is. - Monteer het toestel zoals beschreven in het hoofdstuk „Installatie/montage“.
° Neem de maximaal toegelaten druk in acht (zie het hoofdstuk „Technische gegevens/gegevenstabel). - Tap het toestel af zoals beschreven in het hoofdstuk "Installatie/onderhoud/het toestel aftappen".
BEDIENING
1. Algemene aanwijzingen
Het hoofdstuk "Bediening" is bedoeld voor de gebruiker van het toestel en voor de installateur.
Het hoofdstuk "Installatie" is bestemd voor de installateur.

Info
Lees deze handleiding voor gebruik zorgvuldig door en bewaar deze op een veilige plaats.
Overhandig de handleiding in voorkomende gevallen aan een volgende gebruiker.
1.1 Veiligheidsaanwijzingen
1.1.1 Structuur veiligheidsaanwijzingen

TREFWOORD Soort gevaar
Hier staan mogelijke gevolgen, wanneer de veiligheidsaanwijzing wordt genegeerd.
1.1.2 Symbolen, soort gevaar
| Symbool Soort | gevaar | |
![]() | ||
![]() | Elektrische schok | |
![]() | Verbranding(Verbranding, verschroeiing) | |
1.1.3 Trefwoorden
| TREFWOORD Betekenis | |
| GEVAAR Aanwi | zingen die leiden tot zwaar letsel of overlijden, wanneer deze niet in acht worden genomen. |
| WAARSCHU-WING | Aanwijzingen die kunnen leiden tot zwaar letsel of overlijden, wanneer deze niet in acht worden genomen. |
| VOORZICHTIG | Aanwijzingen die kunnen leiden tot middelmatig zwaar of licht letsel, wanneer deze niet in acht worden genomen. |
1.2 Andere aandachtspunten in deze documentatie

Info
Aanwijzingen worden door horizontale lijnen boven en onder de tekst begrensd. Algemene aanwijzingen worden aangeduid met het symbool dat hiernaast staat.
» Lees de aanwijzingsteksten grondig door.
Bediening - voor de gebruiker en de installateur
| Symbol | |
| Materièle schade(toestel-, gevolg-, milieuschade) | |
| Het toestel afdanken |
» Dit symbool geeft aan dat u iets moet doen. De vereiste handelingen worden stapsgewijs beschreven.
1.3 Maateenheden

Info
Tenzij anders wordt vermeld, wordt de maateenheid in millimeter aangegeven.
2. Veiligheid
2.1 Voorgeschreven gebruik
Het toestel is bestemd voor gebruik in een huishoudelijke omgeving. Het kan veilig bediend worden door personen die daarover niet geïnstrueerd zijn. Het toestel kan eveneens buiten een huishouden gebruikt worden, bv. in het kleinbedrijf, voor zover het op dezelfde wijze gebruikt wordt.
Het toestel is geschikt voor de opwarming van tapwater of voor de bijverwarming van water dat voorverwarmd is. Het toestel is bedoeld voor een handwastafel.
Elk ander gebruik geldt niet als gebruik conform de voorschriften. Tot gebruik conform de voorschriften behoort ook het in acht nemen van deze handleiding evenals de handleidingen voor de gebruikte accessoires.
2.2 Algemene veiligheidsaanwijzingen

GEVAAR voor verschroeiing
De temperatuur van de kraan kan bij gebruik hoger worden dan 50 °C. Bij uitlooptemperaturen van meer dan 43 °C bestaat gevaar voor brandwonden.

WAARSCHUWING letsel
Het toestel kan door kinderen vanaf 8 jaar, alsmede door personen met verminderde fysieke, sensorische of geestelijke vermogens of met een gebrek aan ervaring en kennis gebruikt worden, wanneer er toezicht op hen gehouden wordt, of wanneer ze met betrekking tot het veilige gebruik van het toestel geinstrueerd zijn en de gevaren die daaruit ontstaan, begrepen hebben. Kinderen mogen niet met het toestel spelen. Kinderen mogen zonder toezicht geen reiniging of gebruikersonderhoud uitvoeren.

Een beschadigde elektrische aansluitkabel moet door een vakman worden vervangen. Daardoor worden mogelijke risico's uitgesloten.

Materièle schade
Bescherm het toestel en de kraan tegen vorst.

Materièle schade
Gebruik alleen de meegeleverde speciale straalregelaar. Voorkom kalkaanslag aan de kraanuitlopen (zie het hoofdstuk „Reiniging, verzorging en onderhoud“).
2.3 Keurmerk
Zie het typeplaatje op het toestel.
Landspecifieke vergunningen en certificaten: Duitsland
Op basis van de lokale verordeningen heeft het toestel een algemeen bouwkundig testcertificaat ontvangen om de geschiktheid op het vlak van het geluidsniveau aan te tonen.

text_image
AEG HOL DIN 4109 P-IX 7508/I MPA NRW.3. Toestelbeschrijving
De elektronisch geregelde kleine doorstromer houdt de uitlooptemperatuur tot aan de vermogensgrens constant, onafhankelijk van de aanvoertemperatuur.
Het toestel is in de fabriek ingesteld op de voor het wassen van de handen geschikte temperatuur. Als die temperatuur eenmaal is bereikt, reduceert de elektronica automatisch het vermogen. Het vermogen wordt aangepast aan de gewenste temperatuur, dus wordt de temperatuur niet overschreden.
Het toestel verwarmt het water direct bij het tappunt zodra de kraan opengedraaid wordt. Door het korte leidingtraject ontstaan slechts geringe energie- en waterverliezen.
Het warmwatervermogen is afhankelijk van de koudwaterinlooptemperatuur, het verwarmingsvermogen en het doorstroomvolume.
Het blankdraadelement is geschikt voor kalkarm en kalkhoudend water. Het verwarmingssysteem is in grote mate ongevoelig voor verkalking. Het verwarmingssysteem zorgt voor een snelle en efficiënte warmwateraanbieding aan de handwastafel.
De vakman kan de maximale waarden voor temperatuur en debiet instellen (zie het hoofdstuk „Ingebruikname/instellingen“).
De inbouw van de meegeleverde speciale straalregelaar resulteert in een optimale waterstraal.
Bediening - voor de gebruiker en de installateur
4. Instellingen
Zodra u de warmwaterkraan opendraait of de sensor van een sensorkraan activeert, wordt automatisch het verwarmingssysteem van het toestel ingeschakeld. Het water wordt verwarmd. U kunt de temperatuur van het water met de kraan instellen:
Zie het hoofdstuk „Technische gegevens“ voor meer informatie over de tapdrempel en debietbegrenzing.
Temperatuur verhogen
» Smoor het doorstroomvolume bij de kraan.
Temperatuur verlagen
» Draai de kraan verder open of meng meer koud water bij.
Na onderbreking van de watertoevoer
Zie het hoofdstuk „Ingebruikname/opnieuw in gebruik nemen“.
5. Reiniging, verzorging en onderhoud
» Gebruik geen schurende reinigingsmiddelen of reinigingsmiddelen met oplosmiddelen. Een vochtige doek volstaat om het toestel te onderhouden en te reinigen.
» Controleer periodiek de kranen. Verwijder kalk op de kraanuitlopen met in de handel verkrijgbare ontkalkingsmiddelen.
» Laat de elektrische veiligheid van het toestel periodiek controleren door een installateur.
» Ontkalk of vervang de speciale straalregelaar van de kraan regelmatig (zie het hoofdstuk „Toestelbeschrijving/accessoires“).
6. Problemen verhelpen
| Probleem Oorzaak Oplossing | ||
| Het toestel schakelt niet in hoewel de warmwaterkraan volledig open staat. | Het toestel heeft geen spanning. | Controleer de zeker-ing van de huisinstal-latie. |
| De straalregelaar in de kraan is vuil of verkalkt. | Reinig en/of ontkalk de straalregelaar of vervang de speciale straalregelaar. | |
| De watervoorziening is onderbroken. | Ontlucht het toestel en de koudwatertoevoer-leiding (zie het hoofd-stuk „Instellingen“). | |
| De gewenste temperatuur wordt niet bereikt. | De maximumtemperatuur is in het toestel te laag ingesteld. | Laat de maximum-temperatuur opnieuw instellen door de vakman. |
| Het toestel heeft de grens van zijn vermogen bereikt. | Reduceer het debiet. | |
Waarschuw de installateur als u de oorzaak zelf niet kunt verhelpen. Hij kan u sneller en beter helpen als u hem het nummer op het typeplaatje doorgeeft (000000-0000-000000).

Installatie, ingebruikname, evenals onderhoud en reparatie van het toestel mogen alleen door een gekwalificeerde installateur uitgevoerd worden.
7.1 Algemene veiligheidsaanwijzingen
Wij waarborgen de goede werking en de bedrijfszekerheid uitsluitend bij gebruik van originele onderdelen en vervangingsonderdelen voor het toestel.

Materiële schade
Houd rekening met de max. toegelaten aanvoertemperatuur. Bij hogere temperaturen kan het toestel beschadigd raken. Met een centrale thermostaatkraan kunt u de aanvoertemperatuur begrenzen.
7.2 Voorschriften, normen en bepalingen

Info
Neem alle nationale en regionale voorschriften en bepalingen in acht.
De specifieke elektrische weerstand van het water mag niet lager zijn dan de waarde die aangegeven is op het typeplaatje. Bij een water-koppelnet moet rekening worden gehouden met de laagste elektrische weerstand van het water (zie het hoofdstuk "Technische gegevens/gegevenstabel"). De specifieke elektrische weerstand of
het elektrisch geleidend vermogen van het water kunt u opvragen bij uw watermaatschappij.
8. Toestelbeschrijving
8.1 Leveringsomvang
Bij het toestel wordt het volgende geleverd:
- Zeef in de koudwatertoevoer
- Speciale straalregelaar „SR“
- Aansluitslang 3/8, 500 mm lang, met dichtingen*
T-stuk 3/8*
Bedrijfslogo voor bovenbouwmontage
* voor de aansluiting als drukvast toestel
8.2 Toebehoren
Speciale straalregelaar „SR“\*
SR 3: Ordernummer 289591 voor MTE 350 en MTE 440
SR 5: Ordernummer 270582 voor MTE 570 en MTE 650
* Voor toepassing bij schroefdraad M22/M24.
Drukloze kranen
- AHS 50 Sensorarmatuur voor de wastafel
- AHo 40 MTH Wandkraan voor bovenbouw
• AHu 40 MTH Tweegreeps wastafelkraan - AHEu 40 MTH Eengreeps wastafelkraan
Drukvaste kraan
- ADS 40 Sensorarmatuur voor de wastafel
Installatie - voor de installateur
9. Voorbereidingen
» Spoel de waterleiding grondig door.
Waterinstallatie
Een veiligheidsventiel is niet noodzakelijk.
Kranen
» Gebruik geschikte kranen (zie hoofdstuk "Toestelbeschrijving/toebehoren").

Info
De inbouw van de meegeleverde speciale straalregelaar in de kraan resulteert in een optimale waterstraal.
10. Montage
10.1 Montageplaats
Monteer het toestel in een vorstvrije ruimte in de nabijheid van het aftappunt.
Zorg ervoor dat de bevestigingsschroeven aan de zijkant van de kappen bereikbaar blijven.
Het toestel is geschikt voor onderbouw (wateraansluitingen aan de bovenkant) en bovenbouw (wateraansluitingen aan de onderkant).

De stelschroef voor het debiet is spanninggeleidend en de beschermingsgraad IP 25 is enkel gewaarborgd als de achterwand van het toestel is gemonteerd.
» Monteer altijd de achterwand van het toestel.
10.2 Montagealternatieven
10.2.1 Montage onder de wastafel
Drukloos, met drukloze kraan

Drukvast, met drukvaste kraan

Montage van het toestel

Info
» Monteer het toestel aan de muur. De muur voldoende draagvermogen hebben.

» Draai de bevestigingsschroeven van de kappen twee slagen los.
» Ontgrendel de knipsluiting met een schroevendraaier.
» Verwijder de toestelkap met het verwarmingssysteem naar voren.

» Breek de doorvoeropening in de toestelkap voor de elektrische aansluitkabel uit met een tang. Werk de rand zo nodig bij met een vijl.
» Gebruik de achterwand van het toestel als boorsjabloon.
» Monteer de achterwand met geschikte pluggen en schroeven op de muur.
Installatie - voor de installateur

» Leid de elektrische aansluitkabel door de doorvoeropening in de achterwand.
» Haak de toestelkap met het verwarmingssysteem onder in.
» Klik het verwarmingssysteem in de knipsluiting.
» Zet de toestelkap vast met de bevestigingsschroeven.
Montage van de kraan
»Monteer de kraan. Neem de instructies in de Bedienings- en installatiehandleiding van de kraan in acht.

Materièle schade
» Bij het vastzetten van de aansluitingen dient u bij het toestel tegen te houden met een sleutel SW 14.
Drukvaste kraan

Info
» Monteer de meegeleverde aansluitslang 3/8 en het T-stuk 3/8.
10.2.2 Bovenmontage, drukloos, met drukloze kraan

Montage van de kraan
» Monteer de kraan. Neem de instructies in de Bedienings- en installatiehandleiding van de kraan in acht.

Materièle schade
» Bij het vastzetten van de aansluitingen dient u bij het toestel tegen te houden met een sleutel SW 14, zie het hoofdstuk "Montagealternatieven/onderbouwmontage".
Montage van het toestel
» Monteer het toestel met de wateraansluitingen op de kraan.
10.3 Elektriciteit aansluiten

Voer alle werkzaamheden voor elektriciteitsaansluitingen en installatie uit conform de voorschriften.

Zorg ervoor dat het toestel is aangesloten op de aardleiding.
Het toestel moet op alle polen met een afstand van minstens 3 mm van de aansluiting van het net kunnen worden losgekoppeld.

De toestellen zijn bij levering uitgerust met een elektrische aansluitkabel (MTE 350 met stekker).
Een aansluiting op een vaste elektrische leiding is mogelijk, als die minstens dezelfde diameter heeft als de standaardaansluitkabel. De maximale leidingsdiameter bedraagt 3 x 6 mm ^2 .
» Bij een bovenbouwmontage van het toestel moet de elektrische aansluitkabel achter het toestel geleid worden.

Materièle schade
Zorg er bij aansluiting op een geaard stopcontact (bij toepassing van een elektrische aansluitkabel met stekker) voor dat het geaarde stopcontact na installatie van het toestel vrij toegankelijk is.

Materièle schade
Neem de gegevens op het typeplaatje in acht. De aangegeven spanning moet overeenkomen met de netspanning.
» Sluit de elektrische aansluitkabel conform het elektriciteitsschakelschema aan (zie het hoofdstuk „Technische gegevens / elektriciteitsschakelschema“).
11. Ingebruikname
11.1 Eerste ingebruikname

on

26_02_05_0087
» Vul het toestel en tap meerdere keren water af via de kraan tot het leidingnet en het toestel luchtvrij zijn.
» Voer een dichtheidscontrole uit.
» Steek de stekker van de elektrische aansluitkabel, als die is toegepast, in het geaarde stopcontact of schakel de zekering in.
» Controleer de werkmodus van het toestel.
» Bij een bovenbouwmontage moet u het meegeleverde bedrijfslogo over het bedrijfslogo plakken.
11.2 Overdracht van het toestel
» Leg aan de gebruiker de werking van het toestel uit en maak hem vertrouwd met het gebruik ervan.
» Wijs de gebruiker op mogelijk gevaar, met name het gevaar van brandwonden.
» Overhandig deze handleiding.
11.3 Opnieuw in gebruik nemen

Materièle schade
Neem het toestel met de volgende stappen weer in gebruik als de watervoorziening onderbroken is geweest, zodat het blankdraadelement niet kapot gaat.
» Schakel het toestel spanningsvrij. Trek de stekker van de elektrische aansluitkabel, als die is toegepast, uit het geaarde stopcontact of schakel de zeker-ing uit.
» Zie hoofdstuk "Eerste ingebruikname".
11.4 Instellingen
U kunt de maximale waarden voor temperatuur en debiet wijzigen.

Instellen van andere waarden voor debiet en temperatuur is alleen toegestaan als het toestel is losgekoppeld van het lichtnet.
» Koppel het toestel op alle polen los van het elektriciteitsnet.

De stelschroef voor het debiet en de potentiometer voor temperatuurinstelling zijn spanninggeleidend als het toestel niet is losgekoppeld van het lichtnet.

Maximale temperatuur instellen
Fabrieksinstelling: 38 °C

text_image
30°C 38°C + 50°C D0000042035» Zet de potentiometer met behulp van een schroevendraaier op de gewenste maximumtemperatuur.
» Monteer de toestelkap.
Debiet begrenzen
Fabrieksinstelling: Maximaal debiet

» Stel met behulp van de stelschroef het gewenste debiet in:
- Kleinste debiet = draai de schroef aan tot aan de aanslag.
- Grootste debiet = draai de schroef uit tot aan de aanslag.
» Monteer de toestelkap.
12. Buitendienststelling
» Koppel het toestel met de zekering los van de huisinstallatie of trek de stekker van de elektrische aansluitkabel uit het stopcontact.
» Tap het toestel af (zie het hoofdstuk "Onderhoud").
Installatie - voor de installateur
13. Storingen verhelpen
| Probleem Oorzaak Oplossing | ||
| Het toestel schakelt niet in hoewel de warmwaterkraan volledig open staat. Het debiet is te laag | De straalregelaar in de kraan is vuil of verkalkt. | Reinig en/of ontkalk de straalregelaar of vervang de speciale straalregelaar. |
| ingesteld. | Vergroot het debiet. | |
| De zeef in de koudwaterleiding is verstopt. | Reinig de zeef nadat u de koudwateraanvoerleiding hebt afgesloten. | |
| Het verwarmingssysteem is defect. | Meet de weerstand van het verwarmingssysteem en vervang zo nodig het toestel. | |
| De veiligheidstemperatuurbegrenzer is geactiveerd. | Los de oorzaak van de storing op. Maak het toestel spanningsvrij en ontlast de waterleiding. Activeer de veiligheidsdrukbegrenzer. | |
| De gewenste temperatuur wordt niet bereikt. | Het toestel heeft de grens van zijn vermogen bereikt. | Reduceer het debiet. |
Weergave lichtdiode

1 Rood bij storing
2 Geel bij verwarmingsfunctie
3 Groen knipperend bij voeding van de elektronica
De veiligheidsdrukbegrenzer activeren

text_image
1 2 D00000397691 1-polige veiligheidsdrukbegrenzer MTE 440 / MTE 570
2 2-polige veiligheidsdrukbegrenzer MTE 350 / MTE 650
14. Onderhoud

GEVAAR Elektrische schok Scheid alle polen van het toestel van het elektriciteitsnet voor aanvang van alle werkzaamheden.
Het toestel aftappen

GEVAAR voor verschroeiing Tijdens het aftappen kan er heet water uit het toestel lopen.
Ga als volgt te werk als het toestel voor onderhoudswerkzaamheden of als bescherming tegen vorst van de volledige installatie afgetapt moet worden:
» Sluit de afsluitklep in de koudwateraanvoerleiding.
» Open het aftapventiel.
» Maak de wateraansluitingen van het toestel los.
Installatie - voor de installateur
Zeef reinigen
U kunt de ingebouwde zeef reinigen nadat de koudwataansluiting is losgekoppeld.

Aardleiding controleren
» Controleer de aardleiding (in Duitsland bijv. BGV A3) op het aardleidingscontact van de elektrische aansluitkabel en bij de aansluitstomp van het toestel.
Opslag van het toestel
» Een gedemonteerd toestel moet vorstvrij bewaard worden, want er kan restwater in het toestel zitten dat bevriezen kan en daardoor schade veroorzaken kan.
De elektrische aansluitkabel bij de MTE 570 vervangen
» Bij de MTE 570 moet bij vervanging een elektrische aansluitkabel met een diameter van 4 mm² worden gebruikt.
15.1 Afmetingen en aansluitingen

text_image
c01 c06 30 143 4.8 28 120 190 95 165 20 b02 b03 82 D0000018336| b02 Doorvoer elektr.kabels I | ||
| b03 Doorvoer elektr.kabels II | ||
| c01 Koudwatertoevoer | Buitendraad | G 3/8 A |
| c06 Warmwateruitloop Buitendraad G 3/8 A |
15.2 Elektriciteitsschema
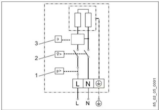
15.2.1 MTE 350
1/N/PE \~ 200-240 V

text_image
3 2 1 p> L N L N D00000353081 Veiligheidsdrukbegrenzer
2 Drukschakelaar
3 Elektronica met uitlooptemperatuursensor
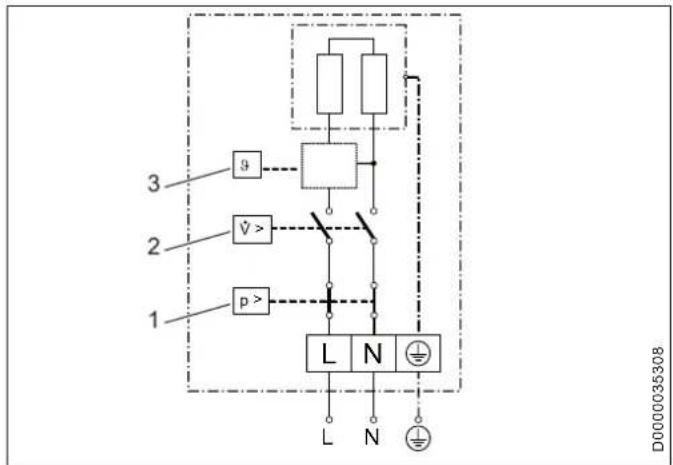
15.2.2 MTE 440 en MTE 570
1/N/PE \~ 200-240 V

1 Veiligheidsdrukbegrenzer
2 Drukschakelaar
3 Elektronica met uitlooptemperatuursensor
Materièle schade
» Bij een vaste aansluiting sluit u de elektrische aansluitkabel aan conform de beschrijving bij de klemmen.
Installatie - voor de installateur
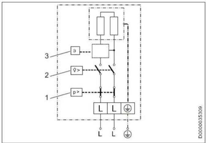
15.2.3 MTE 650
2/PE \~ 380-400 V

text_image
3 2 1 θ V̇> p> L L L L D00000353091 Veiligheidsdrukbegrenzer
2 Drukschakelaar
3 Elektronica met uitlooptemperatuursensor
15.3 Temperatuurverhoging
De volgende temperatuurverhogingen zijn beschikbaar bij een spanning van 230 V / 400 V:

line
| X | 1 | 2 | 3 | 4 | | ------ | ---- | ---- | ---- | ---- | | 1.41 | 32.5 | 35.0 | 37.5 | 45.0 | | 82 | 27.5 | 30.0 | 32.5 | 40.0 | | 22 | 25.0 | 27.5 | 30.0 | 35.0 | | 63 | 22.5 | 25.0 | 27.5 | 30.0 | | 03 | 20.0 | 22.5 | 25.0 | 27.5 | | 4 | - | - | - | - |X Debiet in l/min
Y Temperatuurverhoging in K
1 3.5 kW - 230 V
2 4,4 kW - 230 V
3 5,7 kW - 230 V
4 6,5 kW - 400 V
| Voorbeeld MTE 350 met 3,5 kW | ||
| Debiet l/min 2,0 | ||
| Temperatuurverhoging K 25 | ||
| Koudwater-toevoertemperatuur | °C | 12 |
| Maximaal mogelijke uitlooptemperatuur | °C | 37 |

Info
U bereikt een uitlooptemperatuur van 50 °C bij het kleinst mogelijke debiet en de volgende koudwaterinlooptemperaturen:
- MTE 350 > 17 °C
- MTE 440 > 18 °C
- MTE 570 > 13 °C
- MTE 650 > 8 °C
15.4 Toepassingsmogelijkheden
Zie de "Gegevenstabel" voor de specifieke elektrische weerstand en specifieke elektrische geleidbaarheid.
| Genormeerde waar-de bij 15 °C | 20 °C | 25 °C | ||||||
| Spec. weer-stand ≥ | Spec. geleid-baarheid ≤ | Spec. weer-stand ≥ | Spec. geleid-baarheid ≤ | Spec. weer-stand ≥ | Spec. geleid-baarheid ≤ | |||
| cm | mS/m | S/cm | cm | mS/m | S/cm | cm | mS/m | S/cm |
| 1000 | 100 | 1000 | 890 | 112 | 1124 | 815 | 123 | 1227 |
| 1300 | 77 | 769 | 1175 | 85 | 851 | 1072 | 93 | 933 |
15.5 Gegevens over het energieverbruik
De productgegevens voldoen aan de EU-verordeningen betreffende de richtlijn voor milieuvriendelijke vormgeving van energiegerelateerde producten (ErP).
| MTE 350 | MTE 440 | MTE 570 | MTE 650 | ||
| 231003 | 231004 | 231216 | 232770 | ||
| Fabrikant | AEG Haustechnik | AEG Haustechnik | AEG Haustechnik | AEG Haustechnik | |
| Lastprofil | XXS | XXS | XXS | XXS | |
| Energieklasse | A | A | A | A | |
| Jaarlijks stroomverbruik | kWh | 478 | 478 | 478 | |
| Energetisch rendement | % | 39 | 39 | 39 | 40 |
| Geluidsniveau | dB(A) | 15 | 15 | 15 | 15 |
| Bijzondere aanwijzingen voor efficiëntiemeting | Geen | Geen | Geen | Geen |
Installatie - voor de installateur
15.6 Gegevenstabel
| MTE 350 MTE 440 MTE 570 MTE 650 | |||||||||||||||
| 231003 231004 231216 232770 | |||||||||||||||
| Elektrische gegevens | |||||||||||||||
| Nominale spanning | V | 200 | 220 | 230 | 240 | 200 | 220 | 230 | 240 | 200 | 220 | 230 | 240 | 380 | 400 |
| Nominaal vermogen | kW | 2,7 | 3,2 | 3,5 | 3.8 | 3,3 | 4,0 | 4,4 | 4.8 | 4,3 | 5,2 | 5,7 | 6.2 | 5,9 | 6,5 |
| Nominale stroom | A | 13,3 | 14,5 | 15,2 | 15.8 | 16,7 | 18,2 | 19,1 | 20 | 21,6 | 23,6 | 24,7 | 25.8 | 15,5 | 16,3 |
| Beveiliging | A | 16 | 16 | 16 | 16 | 20 | 20 | 20 | 20 | 25 | 25 | 25 | 32 | 16 | 20 |
| Frequentie | Hz | 50/60 | 50/60 | 50/60 | 50/60 | 50/60 | 50/60 | 50/60 | 50/60 | 50/60 | 50/60 | 50/60 | 50/60 | 50 | 50 |
| Fasen | 1/N/PE | 1/N/PE | 1/N/PE | 2/PE | |||||||||||
| Specifieke weerstand _15 ≥ (bij koud ≤ 25^) | Ω cm | 1000 | 1000 | 1000 | 1000 | ||||||||||
| Specifieke geleiding _15 ≤ (bij koud ≤ 25^) | μS/cm | 1000 | 1000 | 1000 | 1000 | ||||||||||
| Specifieke weerstand _15 ≥ (bij koud ≤ 50^) | Ω cm | 1300 | 1300 | 1300 | 1300 | ||||||||||
| Specifieke geleiding _15 ≤ (bij koud ≤ 50^) | μS/cm | 770 | 770 | 770 | 770 | ||||||||||
| Max. netimpedantie bij 50Hz | Ω | 0,091 | 0,083 | 0,079 | 0,076 | 0,072 | 0,065 | 0,063 | 0,06 | 0,056 | 0,051 | 0,049 | 0,047 | ||
| Max. netimpedantie bij 380 V/50 Hz | Ω | 0,236 | |||||||||||||
| Max. netimpedantie bij 400 V/50Hz | Ω | 0,225 | |||||||||||||
| Aansluitingen | |||||||||||||||
| Wateraansluiting | G 3/8 A | G 3/8 A | G 3/8 A | G 3/8 A | |||||||||||
| Werkingsgebied | |||||||||||||||
| Max. toegelaten druk | MPa | 1 | 1 | 1 | 1 | ||||||||||
| Max. aanvoertemperatuur voor bijverwarming | °C | 50 | 50 | 50 | 50 | ||||||||||
| Waarden | |||||||||||||||
| Max. toegelaten toevoertemperatuur | °C | 60 | 60 | 60 | 60 | ||||||||||
Installatie - voor de installateur
| MTE 350 MTE 440 MTE 570 MTE 650 | |||||
| Instelbereik warmwatertemperatuur °C 30-50 | 30-50 | 30-50 30-50 | |||
| Aan l/min >1,5 >1,8 >2,2 >2,2 | |||||
| Drukverlies bij volumestroom | MPa | 0,05 | 0,06 | 0,07 | 0,07 |
| Volumestroom voor drukverlies | l/min | 1,5 | 1,8 | 2,2 | 2,2 |
| Volumestroombegrenzing bij | l/min | 2,3 | 2,8 | 3,2 | 3,2 |
| Warmwateraanbieding | l/min | 2,0 | 2,5 | 3,2 | 3,7 |
| Δθ bij aanbieding | K | 25 | 25 | 25 | 25 |
| Hydraulische gegevens | |||||
| Nominale inhoud | I | 0,1 | 0,1 | 0,1 | 0,1 |
| Uitvoeringen | |||||
| Type montage boven het aftappunt | X | X | X | X | |
| Type montage onder het aftappunt | X | X | X | X | |
| Uitvoering open | X | X | X | X | |
| Uitvoering gesloten | X | X | X | X | |
| Beschermingsgraad (IP) | IP25 | IP25 | IP25 | IP25 | |
| Beschermingsklasse | 1 | 1 | 1 | 1 | |
| Isolatieblok | Kunststof | Kunststof | Kunststof | Kunststof | |
| Verwarmingssysteem warmtegenerator | Blanke draad | Blanke draad | Blanke draad | Blanke draad | |
| Kap en achterwand | Kunststof | Kunststof | Kunststof | Kunststof | |
| Kleur | wit | wit | wit | wit | |
| Afmetingen | |||||
| Hoogte | mm | 143 | 143 | 143 | 143 |
| Breedte | mm | 190 | 190 | 190 | 190 |
| Diepte | mm | 82 | 82 | 82 | 82 |
| Gewichten | |||||
| Gewicht | kg | 1,5 | 1,5 | 1,5 | 1,5 |
Garantie - milieu en recycling
Garantie
Voor toestellen die buiten Duitsland zijn gekocht, gelden de garantievoorwaarden van onze Duitse ondernemingen niet. Bovendien kan in landen waar één van onze dochtermaatschappijen verantwoordelijk is voor de verkoop van onze producten, alleen garantie worden verleend door deze dochtermaatschappij. Een dergelijk garantie wordt alleen verstrekt, wanneer de dochtermaatschappij eigen garantievoorwaarden heeft gepubliceerd. In andere situaties wordt er geen garantie verleend.
Voor toestellen die in landen worden gekocht waar wij geen dochtermaatschappijen hebben die onze producten verkopen, verlenen wij geen garantie. Een eventueel door de importeur verzekerde garantie blijft onverminderd van kracht.
Milieu en recycling
Wij verzoeken u ons te helpen ons milieu te beschermen. Doe de materialen na het gebruik weg overeenkomstig de nationale voorschriften.
Obsah
ZVLÁŠTNÍ POKYNY
OBSLUHA
1702 Groot-Bijgaarden
Tel. 02 42322-22
Fax 02 42322-12
Czech Republic
STIEBEL ELTRON spol. s r.o.
K Hájûm 946
155 00 Praha 5 - Stodúlky
Tel. 251116-111
Fax 235512-122
Hungary
STIEBEL ELTRON Kft.
Gyár u. 2
2040 Budaörs
Tel. 01 250-6055
Fax 01 368-8097
Netherlands
STIEBEL ELTRON Nederland B.V.
Daviottenweg 36
5222 BH 's-Hertogenbosch
Tel. 073 623-0000
Fax 073 623-1141
Poland
STIEBEL ELTRON Polska Sp. z O.O.
ul. Działkowa 2
02-234 Warszawa
Tel. 022 60920-30
Fax 022 60920-29
Russia
STIEBEL ELTRON LLC RUSSIA
SimpelGids


