MTE 440 - Podgrzewacz wody natychmiastowy AEG - Bezpłatna instrukcja obsługi
Znajdź bezpłatnie instrukcję urządzenia MTE 440 AEG w formacie PDF.
| Specyfikacje techniczne | Szczegóły |
|---|---|
| Typ urządzenia | Nie sklasyfikowano |
| Wymiary | Nie określono |
| Waga | Nie określono |
| Moc | Nie określono |
| Pojemność | Nie określono |
| Specjalne funkcje | Nie określono |
| Użytkowanie | Instrukcje użytkowania nie zostały dostarczone |
| Konserwacja | Instrukcje konserwacji nie zostały dostarczone |
| Bezpieczeństwo | Instrukcje bezpieczeństwa nie zostały dostarczone |
| Informacje ogólne | Brak dodatkowych informacji |
Często zadawane pytania - MTE 440 AEG
Pobierz instrukcję dla swojego Podgrzewacz wody natychmiastowy w formacie PDF za darmo! Znajdź swoją instrukcję MTE 440 - AEG i weź swoje urządzenie elektroniczne z powrotem w ręce. Na tej stronie opublikowane są wszystkie dokumenty niezbędne do korzystania z urządzenia. MTE 440 marki AEG.
INSTRUKCJA OBSŁUGI MTE 440 AEG
Elektronicznie regulowany mały przepływowy ogrzewacz wody
Obsługa i instalacja 119
- Wskazówki ogólne.... 119
1.1 Wskazówki dotyczące bezpieczeństwa ..... 119
1.2 Inne oznaczenia stosowane w niniejszej dokumentacji....120
1.3 Jednostki miar.... 120 - Bezpieczeństwo....120
2.1 Użytkowanie zgodne z przeznaczeniem ...... 120
2.2 Ogólne wskazówki dotyczące bezpieczeństwa ..... 120
2.3 Znak kontroli 121 - Opis urządzenia.... 122
- Nastawy 122
- Czyszczenie, pielęgnacja i konserwacja ..... 123
- Usuwanie problemów.... 123
INSTALACJA
- Bezpieczeństwo....124
7.1 Ogólne wskazówki dotyczące bezpieczeństwa ..... 124
7.2 Przepisy, normy i regulacje prawne.... 124 - Opis urządzenia....124
8.1 Zakres dostawy.... 124
8.2 Wyposażenie dodatkowe....124 - Montaż 125
-
Montaż 125
10.1 Miejsce montażu.... 125
10.2 Inne sposoby montażu.... 126
10.3 Wykonanie przyłącza elektrycznego.... 128 -
Uruchomienie....129
11.1 Pierwsze uruchomienie 129
11.2 Przekazanie urządzenia 129
11.3 Ponowne uruchomienie 130
11.4 Nastawy 130 - Wyłączenie z eksploatacji 131
- Usuwanie usterek....132
- Konserwacja.... 133
- Dane techniczne 134
15.1 Wymiary i przyłącza 134
15.2 Schemat połączeń elektrycznych.... 135
15.3 Podwyższenie temperatury 136
15.4 Zakresy pracy 137
15.5 Dane dotyczące zużycia energii.... 137
15.6 Tabela danych....138
GWARANCJA
OCHRONA ŚRODOWISKA I RECYCLING
WSKAZÓWKI SPECJALNE
• Urządzenie może być obsługiwane przez dzieci od 8 lat, a także osoby z ograniczo-nymi zdolnościami ruchowymi, sensorycz-nymi lub z ograniczoną poczytalnością albo przez osoby bez doświadczenia i wiedzy, jeśli obsługa odbywać się będzie pod nad-zorem lub jeśli użytkownicy zostali pouczeni odnośnie bezpiecznego korzystania z urządzenia i zapoznali się z ewentualnymi grożącymi niebezpieczeństwami. Urządzenie nie może być używane przez dzieci do zabawy. Czyszczenia oraz konserwacji ze strony użytkownika nie wolno powierzać dzieciom bez nadzoru.
- Podczas pracy temperatura armatury może osiągnąć wartość powyżej 50 °C. W przypadku temperatur na wylocie wyższych niż 43 °C istnieje ryzyko poparzenia.
• Urządzenie musi być oddzielone od sieci elektrycznej za pomocą wielobiegunowego wyłącznika z rozwarciem styków wynoszącym min. 3 mm.
• Czynności związane z koniecznością wymiany uszkodzonego elektrycznego przewodu przyłączeniowego mogą być wykonywane wyłącznie przez specjalistę posiadającego uprawnienia wydane przez producenta, przy użyciu oryginalnej części zamiennej.
• Zamocować urządzenie w sposób opisany w rozdziale „Instalacja / Montaż”.
Należy przestrzegać maksymalnego dopuszczalnego ciśnienia (patrz rozdział „Dane techniczne / Tabela danych”).
- Opróżnić urządzenie w sposób opisany w rozdziale „Instalacja/Konserwacja/Opróżnia-nie urządzenia”.
Obsługa – przeznaczone dla użytkownika i specjalisty
OBSŁUGA
1. Wskazówki ogólne
Rozdział „Obsługa” przeznaczony jest dla użytkownika urządzenia i specjalisty.
Rozdział „Instalacja” przeznaczony jest dla specjalisty.

Wskazówka
Przed przystąpieniem do obsługi urządzenia należy dokładnie zapoznać się z niniejszą instrukcją i zachować ją do późniejszego wykorzystania.
W przypadku przekazania produktu osobom trzecim niniejszą instrukcję należy również dołączyć.
1.1 Wskazówki dotyczące bezpieczeństwa
1.1.1 Struktura wskazówek dotyczących bezpieczeństwa

HASŁO OSTRZEGAWCZE – rodzaj zagrożenia W tym miejscu są określone potencjalne skutki nieprzestrzegania wskazówki dotyczącej bezpie- czeństwa.
» W tym miejscu są określone środki zapobiegające zagrożeniu.
1.1.2 Symbole i rodzaje zagrożenia
| Symbol Rodzaj | zagrożenia |
![]() | Obrażenia ciała |
![]() | Porażenie prądem elektrycznym |
![]() | Poparzenie(Poparzenie) |
1.1.3 Hasła ostrzegawcze
| HASŁO OSTRZEGAW-CZE | Znaczenie |
| ZAGROŻENIE | Wskazówki, których nieprzestrzeganie prowadzi do ciężkich obrażeń ciała lub śmierci. |
| OSTRZEŻE-NIE | Wskazówki, których nieprzestrzeganie może prowadzić do ciężkich obrażeń ciała lub śmierci. |
| OSTROŻNIE | Wskazówki, których nieprzestrzeganie może prowadzić do średnich lub lekkich obrażeń ciała. |
Obsługa – przeznaczone dla użytkownika i specjalisty
1.2 Inne oznaczenia stosowane w niniejszej dokumentacji

Wskazówka
Wskazówki są ograniczone poziomymi liniami powyżej i poniżej tekstu. Ogólne wskazówki są oznaczone symbolem umieszczonym obok.
» Należy dokładnie zapoznać się z treścią wska- zówek.
| Symbol | |
| Szkody materialne (uszkodzenie urządzenia, szkody następcze, zanie- czyszczenie środowiska) | |
| Utylizacja urządzenia |
» Ten symbol informuje o konieczności wykonania jakiejś czynności. Wymagane czynności opisane są krok po kroku.
1.3 Jednostki miar

Wskazówka
Jeśli nie określono innych jednostek, wymiary podane są w milimetrach.
2. Bezpieczeństwo
2.1 Użytkowanie zgodne z przeznaczeniem
Urządzenie przeznaczone jest do użytku domowego. Nie-przeszkolone osoby mogą bezpiecznie z niego korzystać. Urządzenie można stosować również poza domem, np. w małych przedsiębiorstwach, pod warunkiem takiego samego użytkowania.
Urządzenie jest przeznaczone do podgrzewania wody użytkowej lub wstępnie podgrzanej. Urządzenie jest przeznaczone wyłącznie umywałka do rąk.
Inne lub wykraczające poza obowiązujące ustalenia zastosowanie traktowane jest jako niezgodne z przeznaczeniem. Do użytkowania zgodnego z przeznaczeniem należy również przestrzeganie niniejszej instrukcji obsługi oraz instrukcji obsługi użytego wyposażenia dodatkowego.
2.2 Ogólne wskazówki dotyczące bezpieczeństwa

ZAGROŻENIE poparzeniem
Podczas pracy temperatura armatury może osiągnąć wartość powyżej 50 °C.
W przypadku temperatur na wylocie wyższych niż 43 °C istnieje ryzyko poparzenia.
Obsługa – przeznaczone dla użytkownika i specjalisty

OSTRZEŻENIE obrażenia ciała
Urządzenie może być obsługiwane przez dzieci od 8 lat, a także osoby z ograniczonymi zdolnościami ruchowymi, sensorycznymi lub z ograniczoną poczytalnością albo przez osoby bez doświadczenia i wiedzy, jeśli obsługa odbywać się będzie pod nadzorem lub jeśli użytkownicy zostali pouczeni odnośnie bezpiecznego korzystania z urządzenia i zapoznali się z ewentualnymi grożącymi niebezpieczeństwa mi. Urządzenie nie może być używane przez dzieci do zabawy. Czyszczenia oraz konserwacji ze strony użytkownika nie wolno powierzać dzieciom bez nadzoru.

ZAGROŻENIE porażenia prądem elektrycznym Uszkodzony elektryczny przewód przyłączeniowy może zostać wymieniony tylko przez specjalistę. Dzięki temu można uniknąć ewentualnych zagrożeń.

Szkody materialne
Chronić urządzenie i armature przed mrozem.

Szkody materialne
Stosować wyłącznie dołączony specjalny regulator strumienia. Zapobiegać osadzaniu się kamienia na wylotach armatury (patrz rozdział „Czyszczenie, pielegnacja i konserwacja”).
2.3 Znak kontroli
Patrz tabliczka znamionowa na urządzeniu.
Krajowe dopuszczenia i certyfikaty: Niemcy
Zgodnie z niemiecką ustawą budowlaną dla urządzeń zostało wystawione ogólne świadectwo budowlane stwierdzające spełnianie przez nie wymogów dotyczących emisji hałasu.

text_image
AEG HOL DIN 4109 P-IX 7508/I MPA NRW.Obsługa – przeznaczone dla użytkownika i specjalisty
3. Opis urządzenia
Elektronicznie regulowany mini przepływowy ogrzewacz wody utrzymuje stałą temperaturę na wylocie niezależnie od temperatury na zasilaniu aż do granicy mocy.
Urządzenie zostało fabrycznie ustawione na temperaturę na wylocie konieczną-do mycia rąk. W momencie osiągnięcia tej temperatury elektronika automatycznie redukuje moc urządzenia. Moc jest dopasowywana do żądanej temperatury, dlatego temperatura nie jest przekraczana.
Urządzenie podgrzewa wodę bezpośrednio w punkcie poboru po otwarciu armatury. Dzięki krótkim przewodom powstają niewielkie straty energii i wody.
Wydajność ciepłej wody urządzenia zależy od temperatury zimnej wody, mocy grzewczej oraz ilości przepływu System grzewczy z odkrytą grzałką jest przeznaczony do wody o niskiej i wysokiej zawartości kamienia. System grzewczy jest w dużym stopniu odporny na powstawanie osadów wapiennych. System grzewczy zapewnia szybkie i wydajne przygotowanie ciepłej wody umywalka do rąk.
Specjalista może dokonać nastaw wartości maksymalnych temperatury i strumienia przepływu (patrz rozdział „Uruchomienie / Nastawy").
Dzięki zamontowaniu dołączonego, specjalnego regulatora strumienia można uzyskać optymalny strumień wody.
4. Nastawy
Po otwarciu zaworu ciepłej wody na armaturze lub uruchomieniu czujnika armatury czujnikowej system grzewczy urządzenia załącza się automatycznie. Woda jest podgrzewana. Temperaturę wody można zmieniać za pomocą armatury.
Ilości włączeniowe i ograniczenie strumienia objętości patrz rozdział „Dane techniczne”.
Podwyższenie temperatury
» Zdławić przepływ wody za pomocą baterii.
Obniżenie temperatury
» Odkręcić mocniej baterię lub domieszać więcej zimnej wody.
W przypadku przerwania dopływu wody:
Patrz rozdział „Uruchomienie / Ponowne uruchomienie”.
Obsługa – przeznaczone dla użytkownika i specjalisty
5. Czyszczenie, pielęgnacja i konserwacja
» Nie wolno używać środków czyszczących o właściwościach ściernych lub zawierających rozpuszczalnik. Do konserwacji i czyszczenia urządzenia wystarczy wilgotna szmatka.
» Regularnie należy sprawdzać stan armatury. Kamień z wylotu armatury należy usuwać przy użyciu standardowych środków do usuwania osadów wapiennych.
» W regularnych odstępach czasu zlecać specjaliście kontrolę bezpieczeństwa elektrycznego urządzenia.
» Należy regularnie odwapniać lub wymieniać specjalny regulator strumienia w baterii (patrz rozdział „Opis urządzenia/ wyposażenie dodatkowe”).
6. Usuwanie problemów
| Problem Przyczyna Rozwiązanie | ||
| Urządzenie nie włącza się mimo całkowicie otwartego zaworu ciepłej wody. | Do urządzenia nie jest doprowadzane napięcie. | Sprawdzić bezpiecznik w instalacji domowej. |
| Regulator strumienia w armaturze jest pokryty kamieniem lub zabrudzony. | Oczyścić i/lub odwapnić regulator strumienia lub specjalny regulator strumienia. | |
| Zasilanie w wodę jest przerwane. | Odpowietrzyć urządzenie i dopływ zimnej wody (patrz rozdział „Ustawienia”). | |
| Ządana temperatura nie jest osiągana.Urzadzenie osiągnęło | W urządzeniu została ustawiona zbyt niska temperatura maksymalna. | Należy zlecić ustawienie temperatury maksymalnej specjaliście. |
| maksymalną moc. | Zmniejszyć strumień przepływu. | |
Jeśli nie można usunąć przyczyny usterki, należy wezwać specjalistę. W celu usprawnienia i przyspieszenia pomocy należy podać numer z tabliczki znamionowej (000000 / 0000-00000).

Instalacja – przeznaczone dla specjalisty
INSTALACJA
7. Bezpieczeństwo
Instalacja, uruchomienie, jak również konserwacja i naprawa urządzenia mogą być wykonane wyłącznie przez specjalistę.
7.1 Ogólne wskazówki dotyczące bezpieczeństwa
Producent zapewnia prawidłowe działanie i bezpieczeństwo eksploatacji tylko w przypadku stosowania oryginalnego wyposażenia dodatkowego przeznaczonego do tego urządzenia oraz oryginalnych części zamiennych.

Szkody materialne
Przestrzegać maks. dopuszczalnej temperatury na wlocie. Przy wyższych temperaturach może nastąpić uszkodzenie urządzenia. Centralna armatura termostatyczna pozwala ograniczyć temperaturę na wlocie.
7.2 Przepisy, normy i regulacje prawne

Wskazówka
Należy przestrzegać wszystkich krajowych i miejscowych przepisów oraz regulacji prawnych.
Właściwa oporność elektryczna wody nie może być mniejsza niż podana na tabliczce znamionowej. W przypadku sieci wodociągowej należy uwzględnić najniższą oporność elektryczną wody (patrz rozdział „Dane techniczne / Tabela danych”). Informacje o właściwej oporności elektrycznej lub elektrycznej przewodności wody można uzyskać w miejscowym zakładzie wodociągów.
8. Opis urządzenia
8.1 Zakres dostawy
Do urządzenia dołączone są następujące elementy:
- Sito w dopływie zimnej wody
- Specjalny regulator strumienia „SR“
- wąż przyłączeniowy 3/8, dł. 500 mm, z uszczelkami*
Trójnik 3/8* - Logo firmy do montażu powyżej punktu poboru
- * do podłączenia jako urządzenie ciśnieniowe
8.2 Wyposażenie dodatkowe
specjalny regulator strumienia „SR”*
• SR 3: nr kat. 289591
do MTE 350 i MTE 440
- SR 5: nr kat. 270582
do MTE 570 i MTE 650
* Do montażu w gwincie M22/M24.
Armatury bezciśnieniowe
AHS 50 Armatura czujnikowa do umywalki
• AHo 40 MTH Armatura ścienna do montażu powyżej punktu poboru
- AHu 40 MTH Armatura umywalki dwuuchwytowa
• AHEu 40 MTH Armatura umywalki jednouchwytowa
Armatura ciśnieniowa
- ADS 40 Armatura czujnikowa do umywalki
9. Montaż
» Przepłukać dokładnie instalację wodną.
Instalacja wodna
Zawór bezpieczeństwa nie jest potrzebny.
Armatury
» Stosować odpowiednie armatury (patrz rozdział „Opis urządzenia / Wyposażenie dodatkowe”).

Wskazówka
Dzięki zamontowaniu specjalnego regulatora strumienia w armaturze można uzyskać optymalny strumień wody.
10. Montaż
10.1 Miejsce montażu
Urządzenie należy zamontować w pomieszczeniu zabezpieczonym przed mrozem w pobliżu armatury czerpalnej. Zwrócić uwagę na dostępność bocznych śrub mocujących osłonę. Urządzenie przeznaczone jest do montażu poniżej punktu poboru wody (przyłącza wody na górze) i powyżej punktu poboru wody (przyłącza wody na dole).

ZAGROŻENIE porażenia prądem elektrycznym Śruba regulacyjna do regulacji strumienia przepływu jest pod napięciem. Stopień ochrony IP25 jest zapewniony tylko przy zamontowanej ściance tylnej urządzenia.
» Zawsze montować ściankę tylną urządzenia.
Instalacja – przeznaczone dla specjalisty
10.2 Inne sposoby montażu
10.2.1 Montaż poniżej punktu poboru wody
Bezciśnieniowy, z armaturą bezciśnieniową

Ciśnieniowy, z armaturą ciśnieniową

» Zamontować urządzenie na ścianie.
Ściana musi posiadać odpowiednią nośność.

» Śruby mocujące osłone odkręcić o dwa obroty.
» Odblokować zamknięcie zapadkowe za pomocą śrubokręta.
» Zdjąć pokrywę urządzenia z systemem grzewczym do przodu.
Instalacja – przeznaczone dla specjalisty

» Wyłamać otwór przepustowy na elektryczny przewód przyłączeniowy w pokrywie urządzenia przy użyciu obcegów. Ewentualne nierówności usunąć pilnikiem.
» Tylną ścianę urządzenia użyć jako szablonu do nawiercania otworów.
» Zamocować ściankę tylną urządzenia odpowiednimi kołkami i wkrętami na ścianie.

» Przełożyć elektryczny przewód przyłączeniowy przez otwór przepustowy tylnej ściany.
» Zaczepić pokrywę urządzenia z systemem grzewczym na dole.
» Zablokować system grzewczy w zamknięciu zapadkowym.
» Zamocować pokrywę urządzenia śrubami mocującymi pokrywę.
Montaż armatury
» Zamontować armaturę. Należy przestrzegać przy tym instrukcji obsługi i instalacji armatury.

Szkody materialne
» Podczas montażu wszystkich przyłączy należy kontrować króćce przyłączeniowe urządzenia za pomocą klucza o rozmiarze 14.
Armatura ciśnieniowa

Wskazówka
» Zamontować dołączony wąż przyłączeniowy 3/8 oraz trójnik 3/8.
Instalacja – przeznaczone dla specjalisty
10.2.2 Montaż powyżej punktu poboru wody, bezciśnieniowy, z armaturą bezciśnieniową

» Zamontować armaturę. Należy przestrzegać przy tym instrukcji obsługi i instalacji armatury.

Szkody materialne
» Podczas montażu wszystkich przyłączy należy kontrować króćce przyłączeniowe urządzenia kluczem o rozmiarze 14 na urządzeniu, patrz rozdział „Inne sposoby montażu / Montaż poniżej punktu poboru wody”.
Montaż urządzenia
» Zamontować urządzenie razem z przyłączami wody na armaturze.
10.3 Wykonanie przyłącza elektrycznego

ZAGROŻENIE porażenia prądem elektrycznym Wszystkie elektryczne prace przyłączeniowe i instalacyjne należy wykonywać zgodnie z przepisami.

ZAGROŻENIE porażenia prądem elektrycznym Urządzenie należy koniecznie podłączyć do przewodu ochronnego. Urządzenie musi być oddzielone od sieci elektrycznej za pomocą wielobiegunowego wyłącznika z roz-warciem styków wynoszącym min. 3 mm.

ZAGROŻENIE porażenia prądem elektrycznym Urządzenia w momencie dostawy są wyposażone w elektryczny przewód przyłączeniowy (MTE 350 z wtyczką).
Urządzenie można podłączyć do poprowadzonego na stałe przewodu elektrycznego, jeśli jego pole przekroju poprzecznego jest przynajmniej równe polu przekroju poprzecznego seryjnego przewodu przyłączeniowego urządzenia. Maksymalne pole przekroju poprzecznego przewodu może wynosić 3 x 6 mm².
» W przypadku montażu urządzenia powyżej punktu poboru wody elektryczne przewody przyłączeniowe muszą być poprowadzone za urządzeniem.
Szkody materialne Przy podłączaniu do gniazda wtykowego z zesty- kiem ochronnym (dotyczy elektrycznego przewodu przyłączeniowego z wtyczką) należy zwrócić uwagę, aby po instalacji urządzenia do gniazda wtykowego był swobodny dostęp.
Szkody materialne Zwrócić uwagę na treść tabliczki znamionowej. Podane napięcie musi być zgodne z napięciem sieciowym.
» Podłączyć elektryczny przewód przyłączeniowy według schematu połączeń elektrycznych (patrz rozdział „Dane techniczne / Schemat połączeń elektrycznych").
11. Uruchomienie
11.1 Pierwsze uruchomienie

on

26_02_05_0087
» Napełnić urządzenie, pobierając kilkakrotnie wodę z armatury, aby usunąć powietrze z przewodów i urządzenia.
» Przeprowadzić kontrolę szczelności.
» Podłączyć wtyczkę elektrycznego przewodu przyłączeniowego (jeśli jest) do gniazda wtykowego z zestykiem ochronnym lub załączyć bezpiecznik.
» Sprawdzić sposób pracy urządzenia.
» W przypadku montażu powyżej punktu poboru należy zakleić logo firmy nalepką dołączoną do zestawu, we właściwej pozycji.
11.2 Przekazanie urządzenia
» Objąśnić użytkownikowi sposób działania urządzenia i zapoznać go ze sposobem użytkowania.
» Poinformować użytkownika o potencjalnych zagroże-
niach, zwłaszcza o ryzyku poparzenia.
» Przekazać niniejszą instrukcję.
Instalacja – przeznaczone dla specjalisty
11.3 Ponowne uruchomienie

Szkody materialne
Po przerwie w zasilaniu wodą należy ponownie uruchomić urządzenie, wykonując poniższe czynności, aby nie uszkodzić systemu grzewczego z odkrytą grzałką.
» Odłączyć urządzenie od zasilania. W tym celu odłączyć wtyczkę elektrycznego przewodu przyłączeniowego (jeśli jest) lub wyłączyć bezpiecznik.
» Patrz rozdział „Pierwsze uruchomienie”.
11.4 Nastawy
Możliwa jest zmiana wartości maksymalnych strumienia przepływu i temperatury.

ZAGROŻENIE porażenia prądem elektrycznym Zmiana strumienia przepływu i nastawianie temperatury są dopuszczalne wyłącznie po odłączeniu urządzenia z sieci elektrycznej.
» Odłączyć wszystkie żyły zasilania urządzenia od przyłącza sieciowego.

ZAGROŻENIE porażenia prądem elektrycznym Śruba regulacyjna do zmiany strumienia przepływu i potencjometr do nastawiania temperatury będą pod napięciem, jeśli urządzenie nie zostanie odłączone od sieci elektrycznej.

» Zdjąć pokrywę urządzenia.
Instalacja – przeznaczone dla specjalisty
Ustawianie temperatury maksymalnej
Nastawienie fabryczne: 38 °C

text_image
30°C 38°C 50°C D0000042035» Nastawić żądaną temperaturę maksymalną na potencjometrze przy użyciu wkrętaka.
» Zamontować osłone urządzenia.
Ograniczenie strumienia przepływu
Nastawienie fabryczne: Maksymalny strumień przepływu

» Za pomocą śruby regulacyjnej nastawić żądany strumień przepływu.
• Najmniejszy strumień przepływu = wkręcić śrubę do oporu.
• Największy strumień przepływu = odkręcić śrubę do oporu.
» Zamontować osłone urządzenia.
12. Wyłączenie z eksploatacji
» Urządzenie odciąć od napięcia sieciowego za pomocą bezpiecznika w sieci instalacji domowej lub wyciągnąć wtyczkę elektrycznego przewodu przyłączeniowego.
» Opróżnić urządzenie (patrz rozdział „Konserwacja”).
Instalacja – przeznaczone dla specjalisty
| Problem Przyczyna Rozwiązanie | ||
| Urządzenie nie włącza się mimo całkowicie otwartego zaworu ciepłej wody.Strumień przepływu | Regulator strumienia w armaturze jest po-kryty kamieniem lub zabrudzony. | Oczyścić i/lub odwapnić regulator strumienia lub specjalny regulator strumienia. |
| jest za słaby. | Zwiększyć strumień przepływu. | |
| Sitko w przewodzie zimnej wody jest za-tkane. | Wyczyścić sitko po zamknięciu zaworu odcinającego. | |
| System grzewczy jest uszkodzony. | Zmierzyć rezystancję systemu grzewczego, ew. wymienić urządzenie. | |
| Ochronny ogranicznik ciśnienia spowodował wyłączenie. | Usunąć przyczynę usterki. Odłączyć urządzenie do sieci elektrycznej i odciążyć przewód wody. Aktywować ogranicznik ciśnienia bezpieczeństwa. | |
| Żądana temperatura nie jest osiągana. | Urządzenie osiągnęło maksymalną moc. | Zmniejszyć strumień przepływu. |
Wyświetlacz diodowy LED

text_image
1 2 3 IP-A IP-A IP-A 26_02_05_0082_1 Kolor czerwony w przypadku zakłócenia
2 Kolor żółty w przypadku trybu ogrzewania
3 Kolor zielony migający w przypadku zasilania napięciem elektroniki
Instalacja – przeznaczone dla specjalisty
Aktywacja ochronnego ogranicznika ciśnienia

text_image
1 2 D00000397691 1-stykowy ogranicznik ciśnienia bezpieczeństwa MTE 440 / MTE 570
2 2-stykowy ogranicznik ciśnienia bezpieczeństwa MTE 350 / MTE 650
14. Konserwacja

ZAGROŻENIE porażenia prądem elektrycznym Przed przystąpieniem do wszelkich prac należy odłączyć wszystkie żyły zasilania urządzenia od przyłącza sieciowego.
Opróżnianie urządzenia

ZAGROŻENIE poparzeniem Podczas opróżniania urządzenia może wypłynąć gorąca woda.
Jeśli konieczne jest opróżnienie urządzenia przed przystąpieniem do prac konserwacyjnych lub w razie wystąpienia ryzyka zamarznięcia całej instalacji, należy postępować w następujący sposób:
» Zamknąć zawór odcinający w przewodzie doprowadzającym zimnej wody.
» Otworzyć zawór poboru.
» Odkręcić wszystkie przyłącza wody z urządzenia.
Instalacja – przeznaczone dla specjalisty
Czyszczenie sitka
Zamontowane sitko można oczyścić po demontażu przewodu przyłączeniowego zimnej wody.

Kontrola przewodu ochronnego
» Skontrolować przewód ochronny (w Niemczech np. zgodnie z BGV A3) na styku przewodu ochronnego elektrycznego przewodu przyłączeniowego oraz na króćcu przyłączeniowym urządzenia.
Przechowywanie urządzenia
» Zdemontowane urządzenie przechowywać w miejscu zabezpieczonym przed mrozem, ponieważ resztki wody pozostałe w urządzeniu mogą doprowadzić do jego zamarznięcia i uszkodzenia.
Wymiana elektrycznego przewodu przyłączeniowego przy urządzeniu MTE 570
» W razie wymiany w urządzeniu MTE 570należy zastosować elektryczny przewód przyłączeniowy o przekroju 4 mm².
15. Dane techniczne
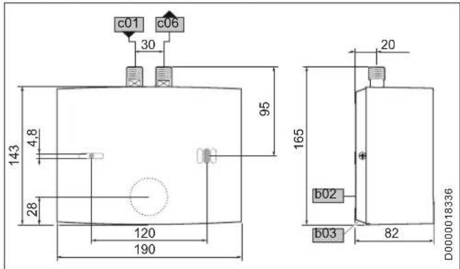
15.1 Wymiary i przyłącza

text_image
c01 c06 30 143 4.8 28 120 190 95 165 20 b02 b03 82 D0000018336| b02 Przepust na przewody elektr. I | ||
| b03 Przepust na przewody elektr. II | ||
| c01 Dopływ zimnej wody | Gwint ze-wnętrzny | G 3/8 A |
| c06 Wylot ciepłej wody | Gwint ze-wnętrzny | G 3/8 A |
Instalacja – przeznaczone dla specjalisty
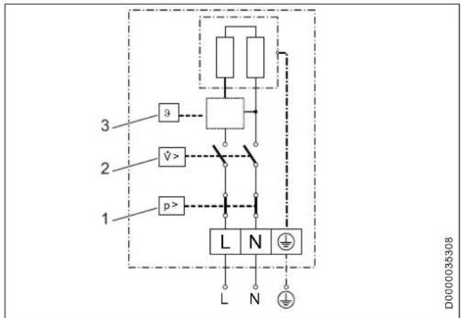
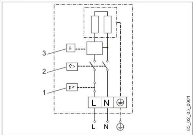
15.2 Schemat połączeń elektrycznych
15.2.1 MTE 350
1/N/PE \~ 200-240 V

text_image
3 2 1 p> L N L N D00000353081 Ogranicznik ciśnienia bezpieczeństwa
2 Różnicowy przełącznik ciśnieniowy
3 Elektronika z czujnikiem temperatury na wylocie
15.2.2 MTE 440 i MTE 570
1/N/PE \~ 200-240 V

1 Ogranicznik ciśnienia bezpieczeństwa
2 Różnicowy przełącznik ciśnieniowy
3 Elektronika z czujnikiem temperatury na wylocie
Szkody materialne
» W przypadku podłączenia na stałe elektryczny przewód przyłączeniowy należy podłączyć do zacisku tulejkowego zgodnie z oznaczeniem zacisków.
Instalacja – przeznaczone dla specjalisty
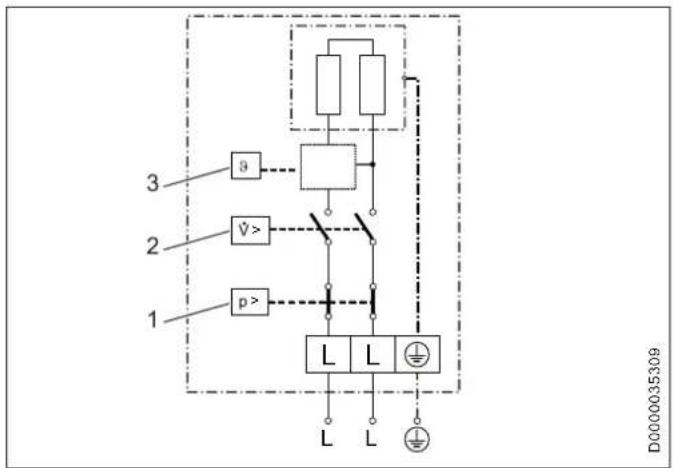
15.2.3 MTE 650
2/PE \~ 380-400 V

text_image
3 2 1 p> θ V> L L L L D00000353091 Ogranicznik ciśnienia bezpieczeństwa
2 Różnicowy przełącznik ciśnieniowy
3 Elektronika z czujnikiem temperatury na wylocie
15.3 Podwyższenie temperatury
Przy napięciu 230 V / 400 V uzyskuje się następujące podwyższenia temperatury wody:

X Strumień przepływu w l/min
Y Podwyższenie temperatury w K
1 3.5 kW - 230 V
2 4.4 kW - 230 V
3 5,7 kW - 230 V
4 6,5 kW - 400 V
| Przykład urządzenia MTE 350 o mocy 3,5 kW | ||
| Strumień objętości l./min 2,0 | ||
| Podwyższenie temperatury K 25 | ||
| Temperatura dopływu zimnej wody °C 12 | ||
| Maksymalna możliwa temperatura na wylocie | °C | 37 |

Wskazówka
Temperaturę na wylocie wynoszącą 50 °C uzyskuje się przy możliwe najmniejszym przepływie oraz następujących temperaturach dopływu zimnej wody:
- MTE 350 > 17 °C
- MTE 440 > 18 °C
- MTE 570 > 13 °C
- MTE 650 > 8 °C
15.4 Zakresy pracy
Opór elektryczny właściwy i przewodność elektryczna właściwa, patrz „Tabela danych”.
| Wartość znamionowa przy 15 °C | 20 °C | 25 °C | ||||||
| Opór wąśc. ρ ≥ | Opór Przewodność σ ≤ | Opór wąśc. ρ ≥ | Opór Przewodność σ ≤ | Opór wąśc. ρ ≥ | Opór Przewodność σ ≤ | |||
| Ωcm | mS/m | μS/cm | Ωcm | mS/m | μS/cm | Ωcm | mS/m | μS/cm |
| 1000 | 100 | 1000 | 890 | 112 | 1124 | 815 | 123 | 1227 |
| 1300 | 77 | 769 | 1175 | 85 | 851 | 1072 | 93 | 933 |
15.5 Dane dotyczące zużycia energii
Dane produktu odpowiadają rozporządzeniom UE dotyczącym dyrektywy do ekologicznego kształtowania produktów istotnych dla zużycia energii.
| MTE 350 | MTE 440 | MTE 570 | MTE 650 | ||
| 231003 | 231004 | 231216 | 232770 | ||
| Producent | AEG Haustechnik | AEG Haustechnik | AEG Haustechnik | AEG Haustechnik | |
| Profil obciążen | XXS | XXS | XXS | XXS | |
| Klasa efektywności energetycznej | A | A | A | A | |
| Roczne zużycie prądu | kWh | 478 | 478 | 478 | |
| Sprawność energetyczna | % | 39 | 39 | 39 | 40 |
| Poziom mocy akustycznej | dB(A) | 15 | 15 | 15 | 15 |
| Szczególne uwagi dotyczące pomiaru efektywności | Brak | Brak | Brak | Brak |
Instalacja – przeznaczone dla specjalisty
15.6 Tabela danych
| MTE 350 MTE 440 MTE 570 MTE 650 | |||||||||||||||
| 231003 231004 231216 232770 | |||||||||||||||
| Dane elektryczne | |||||||||||||||
| napięcie znamionowe | V | 200 | 220 | 230 | 240 | 200 | 220 | 230 | 240 | 200 | 220 | 230 | 240 | 380 | 400 |
| Moc znamionowa | kW | 2,7 | 3,2 | 3,5 | 3.8 | 3,3 | 4,0 | 4,4 | 4.8 | 4,3 | 5,2 | 5,7 | 6.2 | 5,9 | 6,5 |
| prąd znamionowy | A | 13,3 | 14,5 | 15,2 | 15.8 | 16,7 | 18,2 | 19,1 | 20 | 21,6 | 23,6 | 24,7 | 25.8 | 15,5 | 16,3 |
| zabezpieczenie | A | 16 | 16 | 16 | 16 | 20 | 20 | 20 | 20 | 25 | 25 | 25 | 32 | 16 | 20 |
| Częstotliwość | Hz | 50/60 | 50/60 | 50/60 | 50/60 | 50/60 | 50/60 | 50/60 | 50/60 | 50/60 | 50/60 | 50/60 | 50/60 | 50 | 50 |
| Fazy | 1/N/PE | 1/N/PE | 1/N/PE | 2/PE | |||||||||||
| Oporność właściwa _15 ≥ (przy zimna ≤ 25^) | cm | 1000 | 1000 | 1000 | 1000 | ||||||||||
| Przewodność właściwa _15 ≤ (przy zimna ≤ 25^) | S/cm | 1000 | 1000 | 1000 | 1000 | ||||||||||
| Oporność właściwa _15 ≥ (przy zimna ≤ 50^) | cm | 1300 | 1300 | 1300 | 1300 | ||||||||||
| Przewodność właściwa _15 ≤ (przy zimna ≤ 50^) | S/cm | 770 | 770 | 770 | 770 | ||||||||||
| Maks. impedancja sieci przy 50 Hz | 0,091 | 0,083 | 0,079 | 0,076 | 0,072 | 0,065 | 0,063 | 0,06 | 0,056 | 0,051 | 0,049 | 0,047 | |||
| Maks. impedancja sieci przy 380 V / 50 Hz | 0,236 | ||||||||||||||
| Maks. impedancja sieci przy 400 V / 50 Hz | 0,225 | ||||||||||||||
| Przyłącza | |||||||||||||||
| podłączenie wody | G 3/8 A | G 3/8 A | G 3/8 A | G 3/8 A | |||||||||||
| Temperatury, granice stosowania | |||||||||||||||
| Maks. dopuszczalne ciśnienie | MPa | 1 | 1 | 1 | 1 | ||||||||||
| Maks. temperatura na zasilaniu wody wstępnie podgrzanej | ^ | 50 | 50 | 50 | 50 | ||||||||||
| Wartości | |||||||||||||||
| Maks. dopuszczalna temperatura dopływu | ^ | 60 | 60 | 60 | 60 | ||||||||||
| Zakres nastawy temperatury ciepłej wody | ^ | 30-50 | 30-50 | 30-50 | 30-50 | ||||||||||
| wt. | l/min | >1,5 | >1,8 | >2,2 | >2,2 | ||||||||||
Instalacja – przeznaczone dla specjalisty
| MTE 350 MTE 440 MTE 570 MTE 650 | |||||
| Strata ciśnienia przy strumieniu przepływu | MPa | 0,05 | 0,06 | 0,07 | 0,07 |
| Strumień przepływu dla straty ciśnienia | l/min | 1,5 | 1,8 | 2,2 | 2,2 |
| Ograniczenie strumienia przepływu przy | l/min | 2,3 | 2,8 | 3,2 | 3,2 |
| Dystrybucja ciepłej wody | l/min | 2,0 | 2,5 | 3,2 | 3,7 |
| Δθ przy dystrybucji | K | 25 | 25 | 25 | 25 |
| Dane hydrauliczne | |||||
| pojemność nominalna | I | 0,1 | 0,1 | 0,1 | 0,1 |
| Wykonanie | |||||
| Montaż powyżej punktu poboru | X | X | X | X | |
| Montaż poniżej punktu poboru | X | X | X | X | |
| Konstrukcja otwarta | X | X | X | X | |
| Konstrukcja zamknięta | X | X | X | X | |
| Rodzaj ochrony (IP) | IP25 | IP25 | IP25 | IP25 | |
| klasa ochrony | 1 | 1 | 1 | 1 | |
| Blok izolacyjny | Tworzywo sztuczne | Tworzywo sztuczne | Tworzywo sztuczne | Tworzywo sztuczne | |
| Wytwornica ciepła systemu grzewczego | drut nieizolowany | drut nieizolowany | drut nieizolowany | drut nieizolowany | |
| Pokrywa i ściana tylna | Tworzywo sztuczne | Tworzywo sztuczne | Tworzywo sztuczne | Tworzywo sztuczne | |
| kolor | Biały | Biały | Biały | Biały | |
| Wymiary | |||||
| Wysokość | mm | 143 | 143 | 143 | 143 |
| Szerokość | mm | 190 | 190 | 190 | 190 |
| Głębokość | mm | 82 | 82 | 82 | 82 |
| Masy | |||||
| Cieżar | kg | 1,5 | 1,5 | 1,5 | 1,5 |
Gwarancja, ochrona środowiska naturalnego i recycling
Gwarancja
Urządzeń zakupionych poza granicami Niemiec nie obejmu- ją warunki gwarancji naszych niemieckich spółek. Ponadto w krajach, w których jedna z naszych spółek córek jest dystrybu- torem naszych produktów, gwarancji może udzielić wyłącznie ta spółka. Taka gwarancja obowiązuje tylko wówczas, gdy spół- ka-córka sformułowała własne warunki gwarancji. W innych przypadkach gwarancja nie jest udzielana.
Nie udzielamy gwarancji na urządzenia zakupione w krajach, w których żadna z naszych spółek córek nie jest dystrybutorem naszych produktów. Ewentualne gwarancje udzielone przez importera zachowują ważność.
Ochrona środowiska i recycling
Pomóż chronić środowisko naturalne. Materiały po wykorzystaniu należy utylizować zgodnie z krajowymi przepisami.
ProstaInstrukcja


