MTE 440 - Chauffe-eau instantané AEG - Notice d'utilisation et mode d'emploi gratuit
Retrouvez gratuitement la notice de l'appareil MTE 440 AEG au format PDF.
| Caractéristiques Techniques | Détails |
|---|---|
| Type d'appareil | Non catégorisé |
| Dimensions | Non spécifiées |
| Poids | Non spécifié |
| Puissance | Non spécifiée |
| Capacité | Non spécifiée |
| Fonctionnalités spéciales | Non spécifiées |
| Utilisation | Instructions d'utilisation non fournies |
| Maintenance | Consignes de maintenance non fournies |
| Sécurité | Consignes de sécurité non fournies |
| Informations générales | Aucune information supplémentaire disponible |
FOIRE AUX QUESTIONS - MTE 440 AEG
Téléchargez la notice de votre Chauffe-eau instantané au format PDF gratuitement ! Retrouvez votre notice MTE 440 - AEG et reprennez votre appareil électronique en main. Sur cette page sont publiés tous les documents nécessaires à l'utilisation de votre appareil MTE 440 de la marque AEG.
MODE D'EMPLOI MTE 440 AEG
Petit chauffe-eau instantané à régulation électronique
Utilisation et installation 51
- Remarques générales....51
1.1 Consignes de sécurité 51
1.2 Autres repérages utilisés dans cette documentation .. 52
1.3 Unités de mesure....52 - Sécurité....52
2.1 Utilisation conforme 52
2.2 Consignes de sécurité générales 52
2.3 Label de conformité 53 - Description de l'appareil....54
- Réglages....54
- Nettoyage, entretien et maintenance ..... 55
- Aide au dépannage....55
INSTALLATION
- Sécurité....56
7.1 Consignes de sécurité générales 56
7.2 Prescriptions, normes et directives ....56 - Description de l'appareil....56
8.1 Fournitures....56
8.2 Accessoires 57 - Travaux préparatoires....57
-
Pose....57
10.1 Lieu d'implantation....57
10.2 Variantes de pose....58
10.3 Réalisation du raccordement électrique....60 -
Mise en service....61
11.1 Première mise en service....61
11.2 Remise de l'appareil au client....61
11.3 Remise en service 62
11.4 Réglages....62 - Mise hors service 63
- Aide au dépannage....64
- Maintenance....65
- Données techniques .....66
15.1 Cotes et raccordements....66
15.2 Schéma électrique....67
15.3 Augmentation de la température 68
15.4 Plages d'utilisation 69
15.5 Indications relatives à la consommation énergétique . 70
15.6 Tableau de données 70
GARANTIE
ENVIRONNEMENT ET RECYCLAGE
REMARQUES PARTICULIÈRES
• L'appareil peut être utilisé par des enfants de 8 ans et plus ainsi que par des personnes aux facultés physiques, sensorielles ou mentales réduites ou par des personnes sans expérience sous surveillance ou après formation à l'utilisation en toute sécurité de l'appareil si les dangers encourus ont été compris. Ne laissez pas des enfants jouer avec l'appareil. Ni le nettoyage ni la maintenance relevant de l'utilisateur ne peuvent être effectués par des enfants sans surveillance.
- La température de la robinetterie peut dépasser 50 °C en service. Danger de brû-lures à des températures de sortie supérieures à 43 °C.
• L'appareil doit pouvoir être déconnecté du secteur par un dispositif de coupure omnipolaire ayant une ouverture minimale des contacts de 3 mm.
En cas d'endommagement ou de remplacement, le cordon d'alimentation électrique ne doit être remplacé que par un installateur habilité par le fabricant et avec une pièce de rechange d'origine.
- Fixez l'appareil comme indiqué au chapitre « Installation / pose ».
- Tenez compte de la pression maximale admissible (voir chapitre Données techniques / Tableau de données).
- Vidangez l'appareil comme indiqué au chapitre « Installation / Maintenance / Vidange de l'appareil ».
UTILISATION
1. Remarques générales
Le chapitre « Utilisation » s'adresse aux utilisateurs de l'appareil et aux installateurs.
Le chapitre « Installation » s'adresse aux installateurs.

Remarque
Lisez attentivement cette notice avant utilisation et conservez-la soigneusement.
Remettez cette notice à tout nouvel utilisateur le cas échéant.
1.1 Consignes de sécurité
1.1.1 Structure des consignes de sécurité

MENTION D'AVERTISSEMENT Nature du danger Sont indiqués ici les risques éventuellement en- courus en cas de non-respect de la consigne de sécurité.
» Sont indiquées ici les mesures permettant de pallier le danger.
Utilisation - pour l'utilisateur et l'installateur
1.1.2 Symboles, nature du danger
| Symbole Nature du danger | |
![]() | Blessure |
![]() | Électrocution |
![]() | Brûlure(brûlure, ébouillantement) |
1.1.3 Mentions d'avertissement
| MENTION D'AVERTISSE-MENT | Signification |
| DANGER Caractérise des remarques dont le non-respect entraîne irrémédiablement de graves lésions, voire la mort. | |
| AVERTISSE-MENT | Caractérise des remarques dont le non-respect peut entraîner de graves lésions, voire la mort. |
| ATTENTION Caractérise des remarques dont le non-respect peut entraîner des lésions légères ou moyennement graves. | |
1.2 Autres repérages utilisés dans cette documentation

Remarque
Les remarques sont délimitées par des lignes horizontales au-dessus et en dessous du texte. Le symbole ci-contre caractérise des remarques générales. » Lisez attentivement les remarques.
| Symbole | |
| Dommages matériels(endommagement de l'appareil, dommages consécutifs, pollution de l'environnement) | |
| Recyclage de l'appareil |
» Ce symbole signale que vous devez intervenir. Les actions nécessaires sont décrites étape par étape.
1.3 Unités de mesure

Remarque
Sauf indication contraire, l'unité de mesure utilisée est le millimètre.
2. Sécurité
2.1 Utilisation conforme
L'appareil est destiné à une utilisation domestique. Il peut être utilisé sans risque par des personnes qui ne disposent pas de connaissances techniques particulières. L'appareil peut également être utilisé dans un environnement non domestique, par exemple dans de petites entreprises, à condition que son utilisation soit du même ordre. L'appareil sert au chauffage de l'eau sanitaire ou au chauffage d'appoint de l'eau préchauffée. Il convient pour un lave-mains.
Tout autre emploi est considéré comme non conforme. Une utilisation conforme de l'appareil implique le respect de cette notice et de celles relatives aux accessoires utilisés.
2.2 Consignes de sécurité générales

DANGER Brûlure
La température de la robinetterie peut dépasser 50 °C en service.
Danger de brûlures à des températures de sortie supérieures à 43 °C.

AVERTISSEMENT Blessure
L'appareil peut être utilisé par des enfants de 8 ans et plus ainsi que par des personnes aux facultés physiques, sensorielles ou mentales réduites ou par des personnes sans expérience sous surveillance ou après formation à l'utilisation en toute sécurité de l'appareil si les dangers encourus ont été compris. Ne laissez pas des enfants jouer avec l'appareil. Ni le nettoyage ni la maintenance relevant de l'utilisateur ne peuvent être effectués par des enfants sans surveillance.

DANGER Risque d'électrocution
Faites remplacer immédiatement tout câble de raccordement électrique endommagé ou défectueux par un installateur. Cette précaution écarte tout risque potentiel.

Dommages matériels
Protégez l'appareil et la robinetterie du gel.

Dommages matériels
Utilisez uniquement le régulateur de jet spécial fourni. Évitez l'entartrage des becs de robinetterie (voir le chapitre « Nettoyage, entretien et maintenance »).
2.3 Label de conformité
Voir la plaque signalétique sur l'appareil.
Homologations et certificats spécifiques au pays : Allemagne
Un agrément d'essai général administratif justifiant de l'utilisation autorisée relative au comportement sonore est requis pour ces appareils en raison des prescriptions urbanistiques régionales.

text_image
AEG HOL DIN 4109 P-IX 7508/I MPA NRW.Utilisation - pour l'utilisateur et l'installateur
3. Description de l'appareil
Ce petit chauffe-eau instantané à régulation électronique maintient une température de sortie constante dans les limites de sa puissance nominale, quelle que soit la température d'arrivée d'eau.
L'appareil est réglé en usine sur la température de sortie nécessaire au lavage des mains. Lorsque la température est atteinte, le système électronique réduit automatiquement la puissance. La puissance est adaptée à la température souhaitée, ce qui fait qu'elle n'est pas dépassée.
L'appareil chauffe l'eau directement au point de soutirage dès que la robinetterie est ouverte. Grâce aux faibles longueurs des conduites, les pertes d'énergie et d'eau sont réduites.
La capacité de production d'eau chaude dépend de la température de l'eau froide, de la puissance de chauffe et du débit.
Le système de chauffe à fil nu convient à l'eau peu calcaire à calcaire. Le système de chauffe est largement résistant au tartre. Il garantit une mise à disposition rapide et efficace de l'eau chaude au lave-mains.
L'installateur peut régler les valeurs maximales de la température et du débit de soutirage (voir le chapitre « Mise en service / Réglages »).
En installant le régulateur de jet spécial fourni, vous obtenez un jet optimal.
4. Réglages
Dès que vous ouvrez le robinet d'eau chaude de la robinetterie ou que la sonde d'une robinetterie à sonde est activée, le système de chauffe de l'appareil est automatiquement activé. L'eau est chauffée. Vous pouvez modifier la température de l'eau à l'aide de la robinetterie :
pour le débit d'enclenchement et la limitation du débit de soutirage, voir le chapitre « Données techniques ».
Augmentation de la température
» Réduisez le débit de soutirage à l'aide de la robinetterie.
Diminution de la température
» Ouvrez plus la robinetterie ou ajoutez plus d'eau froide au mélangeur.
Après coupure d'eau
Voir chapitre « Mise en service / Remise en marche ».
Utilisation - pour l'utilisateur et l'installateur
5. Nettoyage, entretien et maintenance
» N'utilisez aucun produit de nettoyage abrasif ou corrosif. Un chiffon humide suffit pour le nettoyage et l'entretien de l'appareil.
» Contrôlez régulièrement les robinetteries. Vous pouvez éliminer le tartre au niveau des becs de robinetterie avec les produits de détartrage du commerce.
» Faites contrôler régulièrement la sécurité électrique de l'appareil par un installateur.
» Détartrez ou remplacez régulièrement le régulateur de jet spécial dans la robinetterie (voir le chapitre « Description de l'appareil / Accessoires »).
6. Aide au dépannage
| Problème Cause Remède | ||
| L'appareil ne démarre pas, bien que le robinet d'eau chaude soit entièrement ouvert. | L'appareil n'est pas sous tension. | Contrôlez la protection dans votre armoire électrique. |
| Le régulateur de jet de la robinetterie est entartré ou encrassé. | Procédez au nettoyage et/ou au détartrage du régulateur de jet, ou bien remplacez-le par un modèle spécial. | |
| L'alimentation en eau est coupée. | Purgez l'appareil et la conduite d'arrivée d'eau froide (voir le chapitre « Réglages »). | |
| La température souhaitée n'est pas atteinte.L'appareil a atteint la | La température maximale est réglée trop bas dans l'appareil. | Faites régler la température maximale par un installateur. |
| limite de puissance. | Réduisez le débit de soutirage. | |
Appelez un installateur si vous ne réussissez pas à éliminer la cause du problème. Pour obtenir une aide efficace et rapide, communiquez-lui le numéro indiqué sur la plaque signalétique (000000 / 0000-00000).

text_image
Modèle : MTE ... N° E : 000000 N° F : 0000-00000INSTALLATION
7. Sécurité
L'installation, la mise en service, la maintenance et les réparations de cet appareil ne peuvent être effectuées que par un installateur qualifié.
7.1 Consignes de sécurité générales
Nous ne garantissons le bon fonctionnement et la sécurité de l'appareil que si des accessoires et pièces de rechange d'origine sont utilisés.

Dommages matériels
Tenez compte de la température d'arrivée d'eau maximale admissible. L'appareil peut subir des dé- tériorations par des températures trop élevées. Vous pouvez limiter la température d'arrivée d'eau à l'aide d'une robinetterie thermostatique centralisée.
7.2 Prescriptions, normes et directives

Remarque
Respectez la législation et les réglementations nationales et locales en vigueur.
La résistance électrique spécifique de l'eau ne doit pas être inférieure à celle indiquée sur la plaque signalétique. Pour un réseau mixte, vous devez prendre en compte la plus faible résistance électrique de l'eau (voir chapitre « Données techniques / Tableau de données »). Votre société de distribution d'eau est en mesure de délivrer les informations relatives à la résistance électrique spécifique ou à la conductivité électrique de l'eau.
8. Description de l'appareil
8.1 Fournitures
Sont fournis avec l'appareil :
- Filtre dans l'arrivée d'eau froide
• Régulateur de jet spécial SR - Flexible de raccordement 3/8, 500 mm de longueur, avec joints d'étanchéité*
• Raccord en T 3/8* - Logo de la société pour le montage sur évier
* pour le raccordement en tant qu'appareil sous pression
8.2 Accessoires
Régulateur de jet spécial SR\*
• SR 3 : Code article 289591 pour MTE 350 et MTE 440
• SR 5 : Code article 270582 pour MTE 570 et MTE 650
* pour utilisation dans un filetage M22/M24.
Robinetteries à écoulement libre
• AHS 50 Robinetterie à sonde pour lavabo
° AHo 40 MTH Robinetterie murale pour montage sur évier
° AHu 40 MTH Robinetterie de lavabo à deux manettes
• AHEu 40 MTH Robinetterie de lavabo à une manette
Robinetterie sous pression
• ADS 40 Robinetterie à sonde pour lavabo
9. Travaux préparatoires
» Rincez soigneusement la conduite d'eau.
Installation hydraulique
Aucune soupape de sécurité n'est nécessaire.
Robinetterie
» Utilisez des robinetteries appropriées (voir le chapitre « Description de l'appareil / Accessoires »).

Remarque
Lorsque le régulateur de jet spécial est installé dans la robinetterie, vous obtenez un jet d'eau optimal.
10. Pose
10.1 Lieu d'implantation
Installez l'appareil dans un local hors gel à proximité du robinet du point de soutirage.
Veillez à ce que les vis de fixation latérales du capot soient accessibles.
L'appareil est conçu pour un montage sous évier (raccordement hydraulique par le haut) et pour un montage sur évier (raccordement hydraulique par le bas).

DANGER Risque d'électrocution
La vis de réglage du débit de soutirage est sous tension et le degré de protection IP25 n'est assuré que si la paroi arrière de l'appareil est en place.
» Montez toujours la paroi arrière de l'appareil.
Installation - pour le professionnel
10.2 Variantes de pose
10.2.1 Montage sous évier
Écoulement libre, avec robinetterie à écoulement libre

Sous pression, avec robinetterie sous pression

» Fixez l'appareil au mur. Le mur doit être suffisamment porteur.

» Desserrez sur deux tours les vis de fixation du capot.
» Déverrouillez le bouchon à déclic à l'aide d'un tournevis.
» Retirez le capot de l'appareil avec le système de chauffe par l'avant.
Installation - pour le professionnel

» Rompez l'ouverture de passage du câble de raccordement électrique dans le capot de l'appareil à l'aide d'une pince. Ébavurez les contours avec une lime au besoin.
» Utilisez la paroi arrière de l'appareil comme gabarit de perçage.
» Fixez la paroi arrière de l'appareil au mur à l'aide des vis et des chevilles.

» Passez le câble de raccordement électrique par le capot de l'appareil.
» Accrochez le bas du capot avec le système de chauffe.
» Encliquetez le système de chauffe dans le bouchon à déclic.
» Fixez le capot à l'aide de ses vis de fixation.
Pose de la robinetterie
» Posez la robinetterie. Tenez compte des instructions d'utilisation et d'installation de la robinetterie.

Dommages matériels
» Lors du montage des raccords, la partie côté appareil doit impérativement être maintenue à l'aide d'une clé d'ouverture 14.
Robinetterie sous pression

Remarque
» Installez le flexible de raccordement 3/8 et le raccord en T 3/8 fournis.
Installation - pour le professionnel
10.2.2 Montage sur évier à écoulement libre, avec robinetterie à écoulement libre

Pose de la robinetterie
» Posez la robinetterie. Tenez compte des instructions d'utilisation et d'installation de la robinetterie.

Dommages matériels
» Lors du montage des raccords, la partie côté appareil doit impérativement être maintenue à l'aide d'une clé d'ouverture 14, voir le chapitre « Autres formes de montage / Montage sous évier ».
Pose de l'appareil
» Posez l'appareil avec les raccords hydrauliques montés sur la robinetterie.
10.3 Réalisation du raccordement électrique

DANGER Risque d'électrocution Exécutez tous les travaux de branchement et d'installation électriques conformément aux prescriptions.

DANGER Risque d'électrocution Veillez à ce que l'appareil soit raccordé au conducteur de mise à la terre. L'appareil doit pouvoir être déconnecté du secteur par un dispositif de coupure omnipolaire ayant une ouverture minimale des contacts de 3 mm.

DANGER Risque d'électrocution Les appareils sont équipés d'origine d'un cordon de raccordement (MTE 350 avec fiche). Il est possible de brancher l'appareil sur une ligne électrique fixe à condition que celle-ci présente des conducteurs d'une section au moins égale à celle du cordon de l'appareil. Ces conducteurs doivent avoir une section de 3 x 6 mm² au maximum. » Si l'appareil est monté sur l'évier, vous devez faire passer le câble d'alimentation électrique derrière l'appareil.
! Dommages matériels Si vous branchez l'appareil sur une prise secteur 2P+T (dans le cas d'un cordon d'alimentation avec fiche), veillez à ce que celle-ci reste accessible une fois l'appareil installé.
! Dommages matériels Respectez les indications de la plaque signalétique. La tension indiquée doit correspondre à la tension du secteur.
» Raccordez le câble d'alimentation électrique selon le schéma électrique (voir le chapitre « Données techniques / Schéma électrique »).
11. Mise en service
11.1 Première mise en service

on

26_02_05_0087
» Remplissez l'appareil par plusieurs soutirages en ouvrant la robinetterie jusqu'à ce que la conduite d'arrivée d'eau et l'appareil soient totalement purgés.
» Effectuez un contrôle d'étanchéité.
» Branchez la fiche du cordon dans la prise secteur 2P+T ou enclenchez le disjoncteur.
» Contrôlez le fonctionnement de l'appareil.
» Si l'appareil est posé au-dessus de l'évier, vous devez coller le logo de la société fourni sur le logo existant.
11.2 Remise de l'appareil au client
» Expliquez les différentes fonctions à l'utilisateur, puis familiarisez-le avec l'emploi de l'appareil.
» Indiquez à l'utilisateur les risques encourus, notamment les risques de brûlure.
» Remettez-lui cette notice.
Installation - pour le professionnel
11.3 Remise en service

Dommages matériels Après une coupure d'eau, l'appareil doit être remis en fonctionnement en procédant comme suit pour ne pas détruire le système de chauffe à fil nu.
» Mettez l'appareil hors tension. Débranchez la fiche du cordon de la prise secteur ou déclenchez le disjoncteur.
» Voir le chapitre « Première mise en service ».
11.4 Réglages
Vous pouvez modifier les valeurs maximales du débit de soutirage et de la température.

DANGER Risque d'électrocution Le changement du réglage du débit de soutirage et de la température n'est autorisé que si l'appareil est coupé du secteur.
» Débranchez tous les pôles de l'appareil raccordés au secteur.

DANGER Risque d'électrocution La vis de réglage du débit de soutirage et le potentiomètre de réglage de la température sont sous tension si l'appareil n'est pas coupé du secteur.

Réglage de la température maximale
Réglage d'usine : 38 °C

text_image
30°C 38°C + 50°C D0000042035» Réglez le potentiomètre sur la température maximale souhaitée à l'aide d'un tournevis.
» Reposez le capot.
Limitation du débit de soutirage
Réglage d'usine : Débit de soutirage maximal

» Réglez le débit de soutirage maximal souhaité à l'aide de la vis de réglage :
• Le plus petit débit = visser la vis jusqu'en butée.
• Le plus grand débit = dévisser la vis jusqu'en butée.
» Reposez le capot.
12. Mise hors service
» Séparez l'appareil du secteur à l'aide du disjoncteur de l'installation domestique ou débranchez la fiche du cordon d'alimentation.
» Vidangez l'appareil (voir le chapitre « Maintenance »).
Installation - pour le professionnel
13. Aide au dépannage
| Problème Cause Remède | ||
| L'appareil ne démarre pas, bien que le robinet d'eau chaude soit entièrement ouvert.Le débit est réglé trop | Le régulateur de jet de la robinetterie est entartré ou encrassé. | Procédez au nettoyage et/ou au détartrage du régulateur de jet, ou bien remplacez-le par un modèle spécial. |
| bas. | Augmentez le débit. | |
| Le filtre de l'arrivée d'eau froide est colmaté. | Nettoyez le filtre après avoir coupé l'arrivée d'eau froide. | |
| Le système de chauffe est défectueux. | Mesurez la résistance du système de chauffe et, le cas échéant, remplacez l'appareil. | |
| Le pressostat de sécurité s'est déclenché. | Supprimez l'origine du défaut. Mettez l'appareil hors tension, puis faites chuter totalement la pression dans la conduite d'eau. Activez le pressostat de sécurité. | |
| La température souhaitée n'est pas atteinte. | L'appareil a atteint la limite de puissance. | Réduisez le débit de soutirage. |
Voyants à diodes électroluminescentes

1 Voyant rouge allumé, perturbation
2 Voyant jaune allumé, chauffage activé
3 Voyant vert clignotant, alimentation électrique de l'électronique
Activation du pressostat de sécurité

text_image
1 2 D00000397691 Pressostat de sécurité à 1 pôle MTE 440 / MTE 570
2 Pressostat de sécurité à 2 pôles MTE 350 / MTE 650
14. Maintenance

DANGER Risque d'électrocution Avant toute intervention, débranchez l'appareil sur tous les pôles.
Vidange de l'appareil

DANGER Brûlure L'eau vidangée peut être très chaude.
Si l'appareil doit être vidangé pour les travaux de maintenance ou en vue de protéger l'ensemble de l'installation en cas de risque de gel, veuillez procéder comme suit :
» Fermez le robinet d'arrêt de l'arrivée d'eau froide.
» Ouvrez le robinet de soutirage.
» Desserrez les raccords hydrauliques de l'appareil.
Installation - pour le professionnel
Nettoyage du filtre
Vous pouvez nettoyer le filtre intégré une fois que la conduite de raccordement d'eau froide a été démontée.

Vérification du conducteur de mise à la terre
» Contrôlez le conducteur de terre (en Allemagne p. ex. BGV A3) au contact du conducteur de terre sur la ligne électrique et au manchon de raccordement de l'appareil.
Stockage de l'appareil
» Veillez à protéger du gel tout appareil déposé, car celui-ci contient encore de l'eau pouvant geler et provoquer des dommages.
Remplacement du câble d'alimentation électrique sur le MTE 570
» Sur le MTE 570, en cas de remplacement, vous devez utiliser un câble électrique de 4 mm².
15. Données techniques
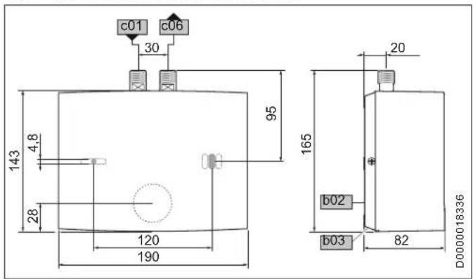
15.1 Cotes et raccordements

text_image
c01 c06 30 143 4.8 28 120 190 95 165 20 b02 b03 82 D0000018336| MTE | ||
| b02 Passage des câbles électriques I | ||
| b03 Passage des câbles électriques II | ||
| c01 Arrivée eau froide | Filetage mâle | G 1/2 A |
| c06 Sortie eau chaude | Filetage mâle | G 1/2 A |
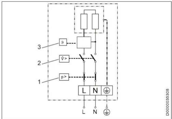
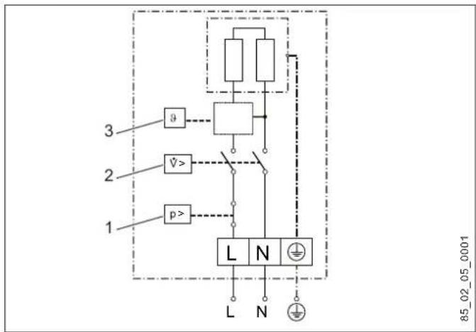
15.2 Schéma électrique
15.2.1 MTE 350
1/N/PE \~ 200-240 V

text_image
3 2 1 p> L N L N D00000353081 Pressostat de sécurité
2 Pressostat différentiel
3 Électronique avec sonde de température de sortie
15.2.2 MTE 440 et MTE 570
1/N/PE \~ 200-240 V

1 Pressostat de sécurité
2 Pressostat différentiel
3 Électronique avec sonde de température de sortie
Dommages matériels
» Dans le cas d'une alimentation électrique par installation fixe, branchez le câble de raccordement électrique selon l'affectation des bornes indiquée sur le schéma.
Installation - pour le professionnel
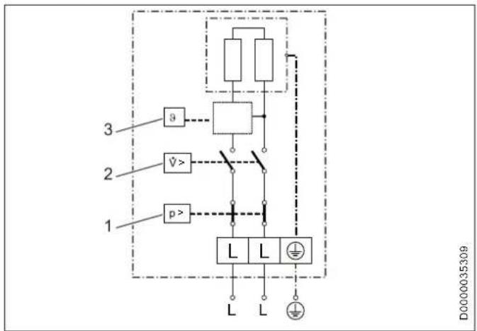
15.2.3 MTE 650
2/PE \~ 380-400 V

text_image
3 2 1 θ V> p> L L L L D00000353091 Pressostat de sécurité
2 Pressostat différentiel
3 Électronique avec sonde de température de sortie
15.3 Augmentation de la température
Avec une tension secteur de 230 V / 400 V, on obtient les hausses de température suivantes de l'eau :

X Débit de soutirage en l/min
Y Hausse de température en K
1 3.5 kW - 230 V
2 4.4 kW - 230 V
3 5,7 kW - 230 V
4 6,5 kW - 400 V
| Exemple MTE 350 à 3,5 kW | ||
| Débit l/min 2,0 | ||
| Augmentation de la température K 25 | ||
| Température d'arrivée eau froide °C 12 | ||
| Température maximale de sortie possible eau chaude | °C | 37 |

Remarque
Vous obtenez une température de sortie de 50 °C avec le débit le plus faible possible et les températures d'arrivée eau froide ci-après :
- MTE 350 > 17 °C
- MTE 440 > 18 °C
- MTE 570 > 13 °C
- MTE 650 > 8 °C
15.4 Plages d'utilisation
Résistance électrique spécifique et conductivité électrique spécifique, voir « Tableau de données ».
| Indication normalis- sée à 15 °C | 20 °C | 25 °C | ||||||
| Résistance spéci-fiqueρ ≥ | Résistance Conductivité σ ≤ | Résistance spéci-fiqueρ ≥ | Résistance Conductivité σ ≤ | Résistance spéci-fiqueρ ≥ | Résistance Conductivité σ ≤ | |||
| Ωcm | mS/m | μS/cm | Ωcm | mS/m | μS/cm | Ωcm | mS/m | μS/cm |
| 1000 | 100 | 1000 | 890 | 112 | 1124 | 815 | 123 | 1227 |
| 1300 | 77 | 769 | 1175 | 85 | 851 | 1072 | 93 | 933 |
Installation - pour le professionnel
15.5 Indications relatives à la consommation énergétique
Les caractéristiques produit correspondent aux prescriptions de la directive UE sur l'écoconception applicable aux produits liés à l'énergie (ErP).
| MTE 350 MTE 440 MTE 570 MTE 650 | |||||
| 231003 231004 231216 232770 | |||||
| Fabricant | AEG Haustechnik | AEG Haustechnik | AEG Haustechnik | AEG Haustechnik | |
| Profil de soutirage | XXS | XXS | XXS | XXS | |
| Classe d'efficacité énergétique | A | A | A | A | |
| Consommation annuelle d'électricité | kWh | 478 | 478 | 478 | |
| Efficacité énergétique | % | 39 | 39 | 39 | 40 |
| Niveau de puissance acoustique | dB(A) | 15 | 15 | 15 | 15 |
| Indication spécifique concernant la mesure d'efficacité | aucune aucune aucune aucune aucune | ||||
15.6 Tableau de données
| MTE 350 | MTE 440 | MTE 570 | MTE 650 | ||||||||||||
| 231003 | 231004 | 231216 | 232770 | ||||||||||||
| Caractéristiques électriques | |||||||||||||||
| Tension nominale | V | 200 | 220 | 230 | 240 | 200 | 220 | 230 | 240 | 200 | 220 | 230 | 240 | 380 | 400 |
| Puissance nominale | kW | 2,7 | 3,2 | 3,5 | 3.8 | 3,3 | 4,0 | 4,4 | 4.8 | 4,3 | 5,2 | 5,7 | 6.2 | 5,9 | 6,5 |
| Intensité nominale | A | 13,3 | 14,5 | 15,2 | 15.8 | 16,7 | 18,2 | 19,1 | 20 | 21,6 | 23,6 | 24,7 | 25.8 | 15,5 | 16,3 |
| Protection | A | 16 | 16 | 16 | 16 | 20 | 20 | 20 | 20 | 25 | 25 | 25 | 32 | 16 | 20 |
| Fréquence | Hz | 50/60 | 50/60 | 50/60 | 50/60 | 50/60 | 50/60 | 50/60 | 50/60 | 50/60 | 50/60 | 50/60 | 50/60 | 50 | 50 |
| Phases | 1/N/PE | 1/N/PE | 1/N/PE | 2/PE | |||||||||||
| Résistance spécifique _15 ≥ (pour ∅froid ≤25 °C) | Ω cm | 1000 | 1000 | 1000 | 1000 | ||||||||||
| Conductivité spécifique _15 ≤ (pour ∅froid ≤25 °C) | μS/cm | 1000 | 1000 | 1000 | 1000 | ||||||||||
| Résistance spécifique _15 ≥ (pour ∅froid ≤50°C) | Ω cm | 1300 | 1300 | 1300 | 1300 | ||||||||||
| Conductivité spécifique _15 ≤ (pour ∅froid ≤50°C) | μS/cm | 770 | 770 | 770 | 770 | ||||||||||
Installation - pour le professionnel
| MTE 350 MTE 440 MTE 570 MTE 650 | |||||||||||||||
| Impédance de réseau maximale à 50 Hz | Ω | 0,091 | 0,083 | 0,079 | 0,076 | 0,072 | 0,065 | 0,063 | 0,06 | 0,056 | 0,051 | 0,049 | 0,047 | ||
| Impédance de réseau maximale à 50 Hz | Ω | 0,236 | |||||||||||||
| Impédance de réseau maximale à 50 Hz | Ω | 0,225 | |||||||||||||
| Raccordements | |||||||||||||||
| Raccordement hydraulique | G 3/8 A | G 3/8 A | G 3/8 A | G 3/8 A | |||||||||||
| Limites d'utilisation | |||||||||||||||
| Pression maxi admissible | MPa | 1 1 1 | 1 | ||||||||||||
| Température maximale d'arrivée d'eau en relève | °C | 50 | 50 | 50 | 50 | ||||||||||
| Caractéristiques générales | |||||||||||||||
| Température maximale admissible arrivée d'eau | °C | 60 | 60 | 60 | 60 | ||||||||||
| Plage de réglage de température de l'eau chaude | °C | 30-50 | 30-50 | 30-50 | 30-50 | ||||||||||
| Débit entrée | l/min | >1,5 | >1,8 | >2,2 | >2,2 | ||||||||||
| Perte de charge par débit | MPa | 0,05 | 0,06 | 0,07 | 0,07 | ||||||||||
| Débit pour perte de charge | l/min | 1,5 | 1,8 | 2,2 | 2,2 | ||||||||||
| Limitation de débit à | l/min | 2,3 | 2,8 | 3,2 | 3,2 | ||||||||||
| Production d'eau chaude sanitaire | l/min | 2,0 | 2,5 | 3,2 | 3,7 | ||||||||||
| Δθ produite | K | 25 | 25 | 25 | 25 | ||||||||||
| Caractéristiques hydrauliques | |||||||||||||||
| Capacité nominale | I | 0,1 | 0,1 | 0,1 | 0,1 | ||||||||||
| Versions | |||||||||||||||
| Pose sur évier | X | X | X | X | |||||||||||
| Pose sous évier | X | X | X | X | |||||||||||
| Conception à écoulement libre | X | X | X | X | |||||||||||
| Conception sous pression | X | X | X | X | |||||||||||
| Indice de protection (IP) | IP25 | IP25 | IP25 | IP25 | |||||||||||
Garantie - environnement et recyclage
| MTE 350 MTE 440 MTE 570 MTE 650 | |||||
| Classe de protection 1 1 1 1 | |||||
| Bloc isolant | Matière synthétique | Matière synthétique | Matière synthétique | Matière synthétique | |
| Type de système de chauffe | Fil nu | Fil nu | Fil nu | Fil nu | |
| Capot et paroi arrière | Matière synthétique | Matière synthétique | Matière synthétique | Matière synthétique | |
| Couleur | blanc | blanc | blanc | blanc | |
| Dimensions | |||||
| Hauteur | mm | 143 | 143 | 143 | 143 |
| Largeur | mm | 190 | 190 | 190 | 190 |
| Profondeur | mm | 82 | 82 | 82 | 82 |
| Poids | |||||
| Poids | kg | 1,5 | 1,5 | 1,5 | 1,5 |
Garantie
Les conditions de garantie de nos sociétés allemandes ne s'appliquent pas aux appareils achetés hors d'Allemagne. Au contraire, c'est la filiale chargée de la distribution de nos produits dans le pays qui est seule habilitée à accorder une garantie. Une telle garantie ne pourra cependant être accordée que si la filiale a publié ses propres conditions de garantie. Il ne sera accordé aucune garantie par ailleurs.
Nous n'accordons aucune garantie pour les appareils achetés dans des pays où aucune filiale de notre société ne distribue nos produits. D'éventuelles garanties accordées par l'importateur restent inchangées.
Environnement et recyclage
Merci de contribuer à la préservation de notre environnement. Après usage, procédez à l'élimination des matériaux conformément à la réglementation nationale.
BIJZONDERE INFO
BEDIENING
» Neem de bovenkap af.
Notice Facile


