MTE 570 - Chauffe-eau instantané AEG - Notice d'utilisation et mode d'emploi gratuit
Retrouvez gratuitement la notice de l'appareil MTE 570 AEG au format PDF.
| Intitulé | Description |
|---|---|
| Type d'appareil | Non catégorisé |
| Alimentation | Non spécifié |
| Dimensions | Non spécifié |
| Poids | Non spécifié |
| Capacité | Non spécifié |
| Utilisation | Non spécifié |
| Maintenance | Non spécifié |
| Réparation | Non spécifié |
| Sécurité | Non spécifié |
| Informations générales | Non spécifié |
FOIRE AUX QUESTIONS - MTE 570 AEG
Questions des utilisateurs sur MTE 570 AEG
0 question sur cet appareil. Repondez a celles que vous connaissez ou posez la votre.
Poser une nouvelle question sur cet appareil
Téléchargez la notice de votre Chauffe-eau instantané au format PDF gratuitement ! Retrouvez votre notice MTE 570 - AEG et reprennez votre appareil électronique en main. Sur cette page sont publiés tous les documents nécessaires à l'utilisation de votre appareil MTE 570 de la marque AEG.
MODE D'EMPLOI MTE 570 AEG
Petit chauffe-eau instantané à régulation électronique
Utilisation et installation 51
Elektronisch geregeldekleine doorstromer
- Remarques generales 51
1.1 Consignes de sécurité 51
1.2 Autres repérages utilisés dans cette documentation..52
1.3 Unités de mesure 52 - Sécurité 52
2.1 Utilisation conforme 52
2.2 Consignes de sécurité generales 52
2.3 Label de conformité 53 - Description de l'appareil.. 54
- Reglages 54
- Nettoyage, entretien et maintenance 55
- Aide au dépannage 55
INSTALLATION
- Sécurité 56
7.1 Consignes de sécurité generales 56
7.2 Prescriptions, normes et directives 56 - Description de l'appareil 56
8.1 Fournitures 56
8.2 Accessoires 57 - Travaux préparatoires 57
-
Pose 57
10.1 Lieu d'implantation 57
10.2 Variantes de pose 58
10.3 RÉalisation du raccordement électrique 60 -
Mise en service 61
11.1 Première mise en service 61
11.2 Remise de I'appareil au client 61
11.3 Remise en service 62
11.4 Reglages 62 - Mise hors service 63
- Aide au dépannage 64
- Maintenance 65
- Données techniques 66
15.1 Cotes et raccordements 66
15.2 Schema electrique 67
15.3 Augmentation de la tempéature 68
15.4 Plages d'utilisation 69
15.5 Indications relatives à la consommation énergétique. 70
15.6 Tableau de données 70
GARANTIE
ENVIRONNEMENT ET RECYCLAGE
Remarques particulieres
REMARQUESPARTICULIÈRES
L'appareil peut être utilisé par des enfants de 8 ans et plus ainsi que par des personnes aux facultés physiques, sensorielles ou mentales réduites ou par des personnes sans expérience sous surveillance ou après formation à l'utilisation en toute sécurité de l'appareil si les dangers encourus ont été compris. Ne laissez pas des enfants jouer avec l'appareil. Ni le nettoyage ni la maintenance relevant de l'utilisateur ne pouvant être effectuels par des enfants sans surveillance.
La température de la robinetterie peut dé-passer 50^ en service. Danger de brû-lures à des températures de sortie supérieures à 43^ .
L'appareil doit pouvoir être déconnecté du secteur par un dispositif de coupure omnipolaire ayant une ouverture minimale des contacts de 3mm
En cas d'endommagement ou de remplacement, le cordon d'alimentation électrique ne doit être remplaced que par un installateur habilité par le fabricant et avec une piece de rechange d'origine.
Fixez l'appareil comme indiqué au chapitre « Installation / pose »
Tenez compte de la pression maximale admissible (voir chapitre Données techniques / Tableau de données).
Vidangez l'appareil comme indiqué au chapitre « Installation / Maintenance / Vidange de l'appareil »
Utilisation - pour l'utilisateur et l'instantiateur
UTILISATION
1. Remarques générales
Le chapitre « Utilisation » s'adresse aux utilisateurs de l'appareil et aux installateurs.
Le chapitre « Installation » s'adresse aux installateurs.

Remarque
Lisez attentivement cette notice avant utilisation et conservez-la soigneusement.
Remettez cette notice à tout nouvel utiliseur le cas échéant.
1.1 Consignes de sécurité
1.1.1 Structure des consignes de sécurité

MENTION D'AVERTISSEMENT Nature du danger Sont indiqués ici les risques eventuellement encourus en cas de non-respect de la consigne de sécurité.
Sont indiquées ici les mesures permettant de pallier le danger.
1.1.2 Symboles, nature du danger
| Symbole Nature du danger | |
| ! | Blessure |
| Électrocution | |
| Brûlure (brûlure, ébouillantement) | |
1.1.3 Mentions d'advertissement
| MENTION D'AVERTISSE-MENT | Signification |
| DANGER Caracterise des remarques dont le non-respect entraîne irrémédiablement de graves lésions, voir la mort. | |
| AVERTISSE-MENT | Caracterise des remarques dont le non-respect peut entraîner de graves lésions, voir la mort. |
| ATTENTION Caracterise des remarques dont le non-respect peut entraîner des lésions légères ou moyenne graves. |
Utilisation - pour l'utilisateur et I'installateur
1.2 Autres repérages utilisés dans cette documentation

Remarque
Les remarques sont déliminées par des lignes horizontales au-dessus et en dessous du texte. Le symbole ci-contre caractérisé des remarques générées. » Lisez attentivement les remarques.
| Symbole | |
| ! | Dommages matériels (endommagement de l'appareil, dommages consé-cutifs, pollution de l'environnement) |
| Recyclage de l'appareil |
» Ce symbole signale que vous doivent intervenir. Les actions nécessaires sont décrites étape par étape.
1.3 Unités de mesure

Remarque
Sauf indication contraire, l'unité de mesure utilisée est le millimètre.
2. Sécurité
2.1 Utilisation conforme
L'appareil est destiné à une utilisation domestique. Il peut être utilisé sans risque par des personnes qui ne disposent pas de connaissances techniques particulières. L'appareil peut également être utilisé dans un environnement non domestique, par exemple dans de petites entreprises, à condition que son utilisation soit du même ordre. L'appareil sert au chauffage de l'eau sanitaire ou au chauffage d'appoint de l'eau préchauffée. Il convient pour un lave-mains.
Tout autre employe est considéré comme non conforme. Une utilisation conforme de l'appareil implique le respect de cette notice et de celles relatives aux accessoires utilisés.
2.2 Consignes de sécurité generales

DANGER Brulure
La température de la robinetterie peut dépasser 50^ en service.
Danger de brûlures à des températures de sortie supérieures à 43 °C.

AVERTISSEMENT Blessure
L'appareil peut être utilisé par des enfants de 8 ans et plus ainsi que par des personnes aux facultés physiques, sensorielles ou mentales réduites ou par des personnes sans experience sous surveillance ou après formation à l'utilisation en toute sécurité de l'appareil si les dangers encourus ont été compris. Ne laissez pas des enfants jouer avec l'appareil. Ni le nettoyage ni la maintenance relevant de l'utilitaire ne pouvant être effectuels par des enfants sans surveillance.

DANGER Risque d'electrocution
Faites remplacer immidiatement tout cable de raccordement electrique endommagé ou défectueux par un installerur. Cette précaution écarte tout risque potentiel.

Dommages matériels
Protégez l'appareil et la robinetterie du gel.

Dommages matériels
Utilisez uniquement le régulateur de jet spécial fourni. Évitez l'entartrage des becs de robinetterie (voir le chapitre « Nettoyage, entretien et maintenance »).
2.3 Label de conformité
Voir la plaque signalétique sur l'appareil.
Homologations et certificats spécifiques au pays : Allemagne
Un agrément d'essay général administratif justifiant de l'utilisation autorisée relative au comportement sonore est requis pour ces-appareils en raison des prescriptions urbanistiques régionales.

3. Description de l'appareil
Ce petit chauffe-eau instantané à régulation électronique maintient une température de sortie constante dans les limites de sa puissance nominale,quelle que soit la température d'arrivée d'eau.
L'appareil est reglé en Usine sur la température de sortie nécessaire au lavage des mains. Lorsque la température est atteinte, le système électronique réduit automatiquement la puissance. La puissance est adaptée à la température souhaïée, ce qui fait qu'elle n'est pas dépassée.
L'appareil chauffe l'eau directement au point de soutirage des que la robinetterie est ouverte. Grace aux faibles longueurs des conduites, les pertes d'énergie et d'eau sont réduites.
La capacité de production d'eau chaude dépend de la température de l'eau froide, de la puissance de chauffe et du débit.
Le système de chauffe à fil nu convient à l'eau peu calcaire à calcaire. Le système de chauffe est largement résistant au tartre. Il garantit une mise à disposition rapide et efficace de l'eau chaude au lave-mains.
L'installateur peut régler les valeurs maximales de la température et du débit de soutirage (voir le chapitre « Mise en service / Réglages »).
En installant le régulateur de jet spécial fourni, vous obtenez un jet optimal.
4. Reglages
Dés que vous ouvrez le robinet d'eau chaude de la robinetterie ou que la sonde d'une robinetterie à sonde est activée, le système de chauffe de l'appareil est automatiquement activé. L'eau est chauffée. Vous pouvez modifier la température de l'eau à l'aide de la robinetterie :
pour le débit d'enclenchement et la limitation du débit de soutirage, voir le chapitre « Données techniques »
Augmentation de la température
Réduisez le débit de soutirage à l'aide de la robinetterie.
Diminution de la température
» Ouvrez plus la robinetterie ou ajoutez plus d'eau froide au melangeur.
Après coupure d'eau
Voir chapitre « Mise en service / Remise en marche »
Utilisation - pour l'utilisateur et l'installateur
5. Nettoyage, entretien et maintenance
» N'utilise aucun produit de nettoyage abrasif ou corrosif. Un chiffon humide suffit pour le nettoyage et l'entretien de l'appareil.
» Contrôlez régulierement les robinetteries. Vous pouvez éliminer le tartre au niveau des becs de robinetterie avec les produits de détartrage du commerce.
» Faites contrôle régulierement la sécurité électrique de l'appareil par un installerateur.
» Détartréz ou remplacez régulièrement le régulateur de jet spécial dans la robinetterie (voir le chapitre « Description de l'appareil / Accessoires »).
6. Aide au dépannage
| Problème Cause Remède | ||
| L'appareil ne démarre pas, bien que le robi-net d'eau chaude soit entièrement ouvert. | L'appareil n'est pas sous tension. | Contrôlez la protection dans votre ar-moire électrique. |
| Le régulateur de jet de la robinetterie est en- tartré ou encrassé. | Procédez au net- toyage et/ou au dé- tartrage du régulateur de jet, ou bien rempla- cez-le par un modele spécifique. | |
| L'alimentation en eau est coupée. | Purgez l'appareil et la conduite d'acciviée d'eau froide (voir le chapitre « Ré- glages »). | |
| La température souhaitée n'est pas atteinte. | La température maxi- malé est réglée trop bas dans l'appareil. | Faites régler la tempé- rature maximale par un installerateur. |
| L'appareil a atteint la | limite de puissance. | Réduisez le débit de soutirage. |
Appelez un installer si vous ne réussisse pas à éliminer la cause du problème. Pour obtenir une aide efficace et rapide, communiquez-lui le nombre indiqué sur la plaque signalétique (000000 / 0000-00000).

INSTALLATION
7. Sécurité
L'installation, la mise en service, la maintenance et les réparations de cet apparéil ne peuvent être effectuees que par un installateur qualifié.
7.1 Consignes de sécurité générales
Nous ne garantissons le bon fonctionnement et la sécurité de l'appareil que si des accessoires et pieces de rechange d'origine sont utilisés.

Dommages matériels
Tenez compte de la température d'arrivée d'eau maximale admissible. L'appareil peut subir des déterriorations par des températures trop élevées. Vous pouvez limiter la température d'arrivée d'eau à l'aide d'une robinetterie thermostatique centralisée.
7.2 Prescriptions, normes et directives

Remarque
Respectez la législation et les réglementations nationales et locales en vigueur.
La résistance électrique spécifique de l'eau ne doit pas être inférieure à celle indiquée sur la plaque signalétique. Pour un réseau mixte, vous doivent prendre en compte la plus faible résistance électrique de l'eau (voir chapitre « Données techniques / Tableau de données »). Voit société de distribution d'eau est en mesure de délivrer les informations relatives à la résistance électrique spécifique ou à la conductivité électrique de l'eau.
Sont fournis avec l'appareil :
- Filtre dans l'arrivée d'eau froide
© Régulateur de jet spécial SR - Flexible de raccordement 3/8, 500 mm de longueur, avec joints d'étanchéité*
Raccord en T 3/8* - Logo de la société pour le montage sur évier
- pour le raccordement en tant qu'appareil sous pression
8.2 Accessoires
Régulateur de jet spécial SR\*
SR 3:Code article 289591 pour MTE 350 et MTE 440
SR 5:Code article 270582 pour MTE 570 et MTE 650
- pour utilisation dans un filetag M22/M24.
Robinetteries à écoulement libre
AHS 50 Robinetterie à sonde pour lavabo
A Ho 40 MTH Robinetterie murale pour montagesur evier
AHu 40 MTH Robinetterie de lavabo a deux manettes
AHEu 40 MTH Robinetterie de lavabo a une manette
Robinetterie sous pression
ADS 40 Robinetterie à sonde pour lavabo
9. Travaux préparatoires
» Rincez soigneusement la conduite d'eau.
Installation hydraulique
Aucune soupape de sécurité n'est nécessaire.
Robinetterie
Utilisez des robinetteries appropriées (voir le chap-
pitre « Description de l'appareil / Accessoires »).

Lorsque le régulateur de jet spécial est installé dans la robinetterie, vous obtenez un jet d'eau optimal.
10. Pose
10.1 Lieu d'implantation
Installez l'appareil dans un local hors gel à proximé du robinet du point de soutirage.
Veillez à ce que les vis de fixation latérales du capot soient accessibles.
L'appareil est concu pour un montage sous évier (raccordement hydraulique par le haut) et pour un montage sur évier (raccordement hydraulique par le bas).

DANGER Risque d'electrocution La vis de réglage du début de soutirage est sous tension et le degré de protection IP25 n'est assure que si la paroi arrête de l'appareil est en place.
» Montez toujours la paroi arrêté de l'appareil.
Installation - pour le professionnel
10.2 Variantes de pose
10.2.1 Montage sous évier
Écoulement libre, avec robinetterie à écoulement libre


Sous pression, avec robinetterie sous pression
Pose de l'appareil

Remarque
» Fixez l'appareil au mur.
Leurdoit etre suffisamment porteur.

» Desserrez sur deux tours les vis de fixation du capot.
» Déverrouillez le bouchon à déclic à l'aide d'un tournevis.
Retirez le capot de l'appareil avec le système de chauffe par l'avant.
Installation - pour le professionnel

000000000000000000000000000000
» Rompez l'ouverture de passage du cable de raccordement electrique dans le capot de l'appareil à l'aide d'une pince. Ébavurez les contours avec une lime au besoin.
» Utilisez la paroi arrêté de l'appareil comme gabarit de perçage.
Fixez la paroi arriere de l'appareil au mur à l'aide des vis et des chevilles.

20 20 20 20
» Passez le cable de raccordement électrique par le capot de l'appareil.
» Accrochez le bas du capot avec le système de chauffe.
» Encliquetez le système de chauffe dans le bouchon à déclic.
Fixez le capot à l'aide de ses vis de fixation.
Pose de la robinetterie
» Posez la robinetterie. Tenez compte des instructions d'utilisation et d'installation de la robinetterie.
!
Dommages matériels
» Lors du montage des raccords, la partie cote appeareil doit imperativement etre maintainue a I'aide d'une cle d'ouverture 14.
Robinetterie sous pression
i
Remarque
» Installez le flexible de raccordement 3/8 et le raccord en T 3/8 fournis.
Installation - pour le professionnel
10.2.2 Montage sur évier à écoulement libre, avec robinetterie à écoulement libre

Pose de la robinetterie
» Posez la robinetterie. Tenez compte des instructions d'utilisation et d'installation de la robinetterie.

Dommages matériels
» Lors du montage des raccords, la partie cote apparieil doit impérativement être maintainue à l'aide d'une clé d'ouverture 14, voir le chapitre « Autres formes de montage / Montage sous évier »
Pose de l'appareil
» Posez l'appareil avec les raccords hydrauliques montés sur la robinetterie.
10.3 RÉalisation du raccordement électrique

DANGER Risque d'electrocution
Exécutez tous les travaux de branchement et d'installation electriques conformément aux prescriptions.

DANGER Risque d'electrocution
Veillez à ce que l'appareil soit raccordé au conducteur de mise à la terre.
L'appareil doit pouvoir être déconnecté du secteur par un dispositif de coupure omnipolaire ayant une ouverture minimale des contacts de 3 mm.

DANGER Risque d'electrocution Les appeareils sont equipments d'origine d'un cordon de raccordement (MTE 350 avec fiche). Il est possible de brancher l'appareil sur une ligne electrique fixe a condition que celle-ci presente des conducteurs d'une section au moins égale à celle du cordon de l'appareil. Ces conducteurs doivent avoir une section de 3× 6mm^2 au maximum. Si I'appareil est monté sur I'évier, vous devez faire passer le cable d'alimentation electrique derrière I'appareil.
Dommages matériels
Si vous branchez l'appareil sur une prise secteur 2 + (dans le cas d'un cordon d'alimentation avec fiche), veillez a ce que celle-ci reste accessible une fois l'appareil installé.
Dommages matériels
Respectez les indications de la plaque signaletique. La tension indiquée doit correspondre à la tension du secteur.
» Raccordez le cable d'alimentation électrique selon le schéma électrique (voir le chapitre « Données techniques / Schéma électrique »).
11. Mise en service
11.1 Première mise en service

Remplissez l'appareil par plusieurs soutirages en ouvrant la robinetterie jusqu'à ce que la conduite d'arrivee d'eau et I'appareil soient totalement purges.
» Effectuez un contrôle d'étanchéité.
» Branchez la fiche du cordon dans la prise secteur 2P+T ou enclenchez le disjoncteur.
» Contrôlez le fonctionnement de l'appareil.
» Si l'appareil est posé au-dessus de l'évier, vous
devez coller le logo de la société fourni sur le logo existant.
11.2 Remise de l'appareil au client
Expliquez les différentes fonctions à l'utilisateur, puis familiarisez-le avec l'emploi de l'ordinateil.
Indiquez à l'utilisateur les risques encourus, notament les risques de brûture.
Remettez-lui cette notice.
Installation - pour le professionnel
11.3 Remise en service

Dommages matériels
Après une coupure d'eau, l'appareil doit être remis en fonctionnement en procédant comme suit pour ne pas détruire le système de chauffe à fil nu.
» Mettez l'appareil hors tension. Débranche la fiche du cordon de la prise secteur ou déclenchez le disjoncteur.
» Voir le chapitre « Première mise en service »
11.4 Reglages
Vouspouvez modifier les valeurs maximales du débit desoutirage et de la température.

DANGER Risque d'electrocution
Le changement du réglage du début de soutirage et de la température n'est autorisé que si l'appareil est coupé du secteur.
» Debranchez tous les pôles de l'appareil raccordés au secteur.

DANGER Risque d'electrocution La vis de réglage du débit de soutirage et le potentiellement de réglage de la température sont sous tension si l'appareil n'est pas coupé du secteur.

» Retirez le capot.
Réglage de la température maximale
Réglagedusine:38°C

Reglez le potentiemetre sur la temperature maximale souhaitee a I'aide d'un tournevis.
» Reposez le capot.
Limitation du débit de soutirage
Réglage d'usine: Débit de soutirage maximal

» Réglez le débit de soutirage maximal souhaité à l'aide de la vis de réglage :
Le plus petit début = visser la vis jusqu'en butée.
Le plus grand début = dévisser la vis jusqu'en butée.
» Reposez le capot.
12. Mise hors service
» Séparez l'appareil du secteur à l'aide du disjoncteur de l'installation domestique ou débranchez la fiche du cordon d'alimentation.
Vidangez l'appareil (voir le chapitre « Maintenance »).
13. Aide au dépannage
| Problème Cause Remède | ||
| L'appareil ne démarre pas, bien que le robi-net d'eau chaude soit entièrement ouvert. | Le régulateur de jet de la robinetterie est en- tartré ou encrassé. | Procédez au net- toyage et/ou au dé- tartrage du régulateur de jet, ou bien rempla- cez-le par un modele spécifique. |
| Le début est réglé trop | bas. | Augmentez le débit. |
| Le filtré de l'acciviée d'eau froide est col- maté. | Nettoyez le filtré après avoir coupé l'acciviée d'eau froide. | |
| Le système de chauffe est défectueux. | Mesurez la résistance du système de chauffe et, le cas échéant, replacez l'appareil. | |
| Le pressostat de sécurité s'est déclenché. | Suprimez l'origine du défaut. Mettez l'appa- reil hors tension, puis faites chuter totale- ment la pression dans la conduite d'eau. Ac- tivez le pressostat de sécurité. | |
| La température souhaitée n'est pas atteinte. | L'appareil a atteint la limite de puissance. | Réduisez le débit de soutirage. |

Voyants à diodes electroluminescentes
1Voyant rouge allumé, perturbation
2Voyant jaune allumé,chauffage activé
3 Voyant vert clignotant, alimentation électrique de l'électronique

Activation du pressostat de sécurité
1 Pressostat de sécurité à 1 pôle MTE 440 / MTE 570
2 Pressostat de sécurité à 2 pôles MTE 350 / MTE 650
14. Maintenance

DANGER Risque d'electrocution
Avant toute intervention, débranchez l'appareil sur tous les pôles.
Vidange de l'appareil

DANGER Brûlure
L'eau vidangée peut être très chaude.
Si l'appareil doit être vidange pour les travaux de maintenance ou en vue de protégér l'ensemble de l'installation en cas de risque de gel, veuillez procédéer comme suit :
Fermez le robinet d'arrêt de l'arrivée d'eau froide.
Ouvrez le robinet de soutirage.
» Desserrez les raccords hydrauliques de l'appareil.
Installation - pour le professionnel
Nettoyage du filtré
Vou puevez nettoyer le filtretre integre une fois que la conduite de raccordement d'eau froide a ete demontee.

Vérification du conducteur de mise à la terre
» Contrôlez le conducteur de terre (en Allemagne p. ex. BGV A3) au contact du conducteur de terre sur la ligne électrique et au manchon de raccordement de l'appareil.
Stockage de l'appareil
» Veillez à protégéur du gel tout apparéil déposé, car celui-ci contient encore de l'eau pouvant geler et provoquer des dommages.
Remplacement du cable d'alimentation électrique sur le MTE 570
» Sur le MTE 570, en cas de remplacement, vous nevez utiliser un cable electrique de 4mm^2
15. Données techniques
15.1 Cotes et raccordements

| MTE | ||
| b02 Passage des cables électriques I | ||
| b03 Passage des cables électriques II | ||
| c01 Arrivée eau froide | Filetage mâle | G 1/2 A |
| c06 Sortie eau chaude | Filetage mâle | G 1/2 A |
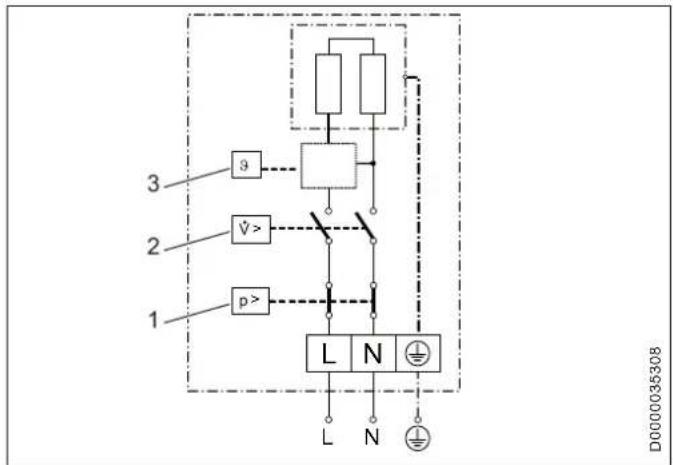
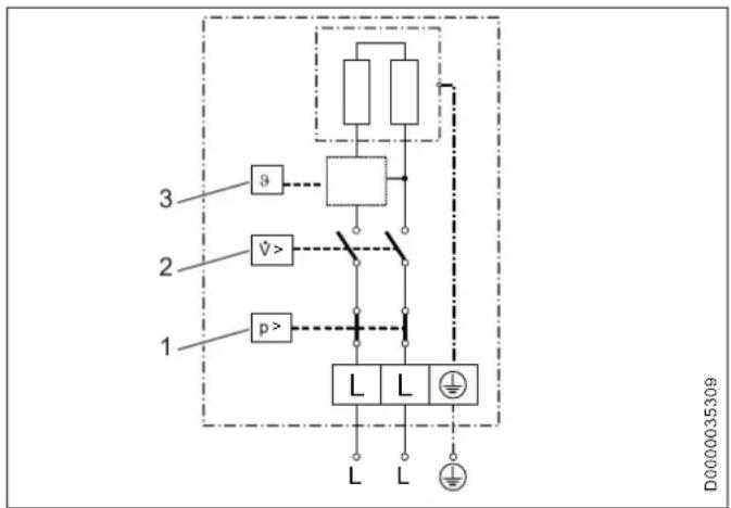
15.2 Schémaelectrique
15.2.1 MTE 350
1/N/PE ~ 200-240 V

1 Pressostat de sécurité
2 Pressostat différentiel
3 Électronique avec sonde de température de sortie
15.2.2 MTE 440 et MTE 570 1/N/PE ~ 200-240 V

1 Pressostat de sécurité
2 Pressostat différentiel
3 Électronique avec sonde de température de sortie
Dommages matériels
Dans le cas d'une alimentation electrique par installation fixe, branche le cable de raccordement electrique selon l'affection des bornes indiquée sur le schema.
Installation - pour le professionnel
15.2.3 MTE 650
2/PE 380 - 400V

1 Pressostat de sécurité
2 Pressostat différentiel
3 Électronique avec sonde de température de sortie
15.3 Augmentation de la températe
Avec une tension secteur de 230V / 400V on obtient les hausses de température suivantes de I'eau :

X Débit de soutirage en l/min
Y Hausse de température en K
1 3.5kW - 230V
24.4kW-230V
35,7kW-230V
46,5kW-400V
| Exemple MTE 350 à 3,5 kW | ||
| Débit l/min 2,0 | ||
| Augmentation de la température K 25 | ||
| Température d'acciviée eau froide °C 12 | ||
| Température maximale de sortie possible eau chaude | °C | 37 |

Remarque
Vous obtenez une température de sortie de 50^ avec le débit le plus faible possible et les températures d'arrivée eau froide ci-après :
MTE 350 > 17^
MTE 440 > 18^
MTE 570 > 13^
MTE 650 > 8^
15.4 Plages d'utilisation
Résistance électrique spécifique et conductivité électrique spécifique, voir « Tableau de données »
| Indication normali-sée à 15 °C | 20 °C | 25 °C | ||||||
| Résis-tance spéci-fique ρ ≥ | Résistance Conductivité σ ≤ | Résis-tance spéci-fique ρ ≥ | Résistance Conductivité σ ≤ | Résis-tance spéci-fique ρ ≥ | Résistance Conductivité σ ≤ | |||
| Ωcm | mS/m | μS/cm | Ωcm | mS/m | μS/cm | Ωcm | mS/m | μS/cm |
| 1000 | 100 | 1000 | 890 | 112 | 1124 | 815 | 123 | 1227 |
| 1300 | 77 | 769 | 1175 | 85 | 851 | 1072 | 93 | 933 |
15.5 Indications relatives à la consommation énergétique
Les caractéristiques produit correspondant aux prescriptions de la directive UE sur l'écoconception applicable aux produits liés à l'énergie (ErP).
| MTE 350 MTE 440 MTE 570 MTE 650 | |||||
| 231003 231004 231216 232770 | |||||
| Fabricant | AEG Haustechnik | AEG Haustechnik | AEG Haustechnik | AEG Haustechnik | |
| Profil de soutirage | XXS | XXS | XXS | XXS | |
| Classe d'efficacité énergétique | A | A | A | A | |
| Consommation annuelle d'électricité | kWh | 478 | 478 | 478 | |
| Efficacité énergétique | % | 39 | 39 | 39 | 40 |
| Niveau de puissance acoustique | dB(A) | 15 | 15 | 15 | 15 |
| Indication spécifique concernant la mesure d'eficacité | aucune aucune aucune aucune | ||||
15.6 Tableau de données
| MTE 350 | MTE 440 | MTE 570 | MTE 650 | ||||||||||||
| 231003 | 231004 | 231216 | 232770 | ||||||||||||
| Caracteristique électriques | |||||||||||||||
| Tension nominale | V | 200 | 220 | 230 | 240 | 200 | 220 | 230 | 240 | 200 | 220 | 230 | 240 | 380 | 400 |
| Puisance nominale | kW | 2,7 | 3,2 | 3,5 | 3.8 | 3,3 | 4,0 | 4,4 | 4.8 | 4,3 | 5,2 | 5,7 | 6.2 | 5,9 | 6,5 |
| Intensité nominale | A | 13,3 | 14,5 | 15,2 | 15.8 | 16,7 | 18,2 | 19,1 | 20 | 21,6 | 23,6 | 24,7 | 25.8 | 15,5 | 16,3 |
| Protection | A | 16 | 16 | 16 | 16 | 20 | 20 | 20 | 20 | 25 | 25 | 25 | 32 | 16 | 20 |
| Fréquence | Hz | 50/60 | 50/60 | 50/60 | 50/60 | 50/60 | 50/60 | 50/60 | 50/60 | 50/60 | 50/60 | 50/60 | 50/60 | 50 | 50 |
| Phases | 1/N/PE | 1/N/PE | 1/N/PE | 2/PE | |||||||||||
| Résistance spécifique ρ15≥(pour Φfroid ≤25 °C) | Ω cm | 1000 | 1000 | 1000 | 1000 | ||||||||||
| Conductivité spécifique σ15≤(pour Φfroid ≤25 °C) | μS/cm | 1000 | 1000 | 1000 | 1000 | ||||||||||
| Résistance spécifique ρ15≥(pour Φfroid ≤50°C) | Ω cm | 1300 | 1300 | 1300 | 1300 | ||||||||||
| Conductivité spécifique σ15≤(pour Φfroid ≤50°C) | μS/cm | 770 | 770 | 770 | 770 | ||||||||||
Installation - pour le professionnel
| MTE 350 MTE 440 MTE 570 MTE 650 | |||||||||||||
| Impédance de réseau maximal à50 Hz | Ω | 0,091 | 0,083 | 0,079 | 0,076 | 0,072 | 0,065 | 0,063 | 0,06 | 0,056 | 0,051 | 0,049 | 0,047 |
| Impédance de réseau maximal à50 Hz | Ω | 0,236 | |||||||||||
| Impédance de réseau maximal à50 Hz | Ω | 0,225 | |||||||||||
| Raccordements | |||||||||||||
| Raccordement hydraulique | G 3/8 A | G 3/8 A | G 3/8 A | G 3/8 A | |||||||||
| Limites d'utilisation | |||||||||||||
| Pression maxi admissible | MPa | 1 1 1 | 1 | ||||||||||
| Température maximale d'arrivée d'eauen relève | °C | 50 | 50 | 50 | |||||||||
| Caracteristiques générales | |||||||||||||
| Température maximal admissiblearrivée d'eau | °C | 60 | 60 | 60 | |||||||||
| Plage de réglage de température del'eau chaude | °C | 30-50 | 30-50 | 30-50 | |||||||||
| Débit entree | l/min | >1,5 | >1,8 | >2,2 | |||||||||
| Perte de charge par débit | MPa | 0,05 | 0,06 | 0,07 | |||||||||
| Débit pour perte de charge | l/min | 1,5 | 1,8 | 2,2 | |||||||||
| Limitation de débit à | l/min | 2,3 | 2,8 | 3,2 | |||||||||
| Production d'eau chaude sanitaire | l/min | 2,0 | 2,5 | 3,2 | |||||||||
| Δθ produite | K | 25 | 25 | 25 | |||||||||
| Caracteristicques hydrauliques | |||||||||||||
| Capacité nominale | I | 0,1 | 0,1 | 0,1 | |||||||||
| Versions | |||||||||||||
| Pose sur évier | X | X | X | ||||||||||
| Pose sous évier | X | X | X | ||||||||||
| Conception à écoulement libre | X | X | X | ||||||||||
| Conception sous pression | X | X | X | ||||||||||
| Indice de protection (IP) | IP25 | IP25 | IP25 | ||||||||||
Garantie - environment et recyclage
| MTE 350 MTE 440 MTE 570 MTE 650 | |||||
| Classe de protection 1 1 1 1 | |||||
| Bloc isolant | Matière synthétique | Matière synthétique | Matière synthétique | Matière synthétique | |
| Type de système de chauffe | Fil nu | Fil nu | Fil nu | Fil nu | |
| Capot et paroi arrêté | Matière synthétique | Matière synthétique | Matière synthétique | Matière synthétique | |
| Couleur | blanc | blanc | blanc | blanc | |
| Dimensions | |||||
| Hauteur | mm | 143 | 143 | 143 | 143 |
| Largeur | mm | 190 | 190 | 190 | 190 |
| Profondeur | mm | 82 | 82 | 82 | 82 |
| Poids | |||||
| Poids | kg | 1,5 | 1,5 | 1,5 | 1,5 |
Garantie
Les conditions de garantie de nos sociétés allemandes ne s'appliquent pas aux apparéils achetés hors d'Allemagne. Au contraire, c'est la filiale chargeée de la distribution de nos produits dans le pays qui est seule habilitée à accorder une garantie. Une telle garantie ne pourrait cependant être accordée que si la filiale a publié ses propres conditions de garantie. Il ne sera accordé aucune garantie par ailleurs.
Nous n'accordons aucune garantie pour les apparciels achetés dans des pays ou aucune filiale de notre société ne distribue nos produits. D'eventuelles garanties accordées par l'importateur restentinchangées.
Environnement et recyclage
Merci de contribuer à la preservation de notre environnement.
Après usage, procédez à l'élimination des matériaux conformément à la reglementation nationale.
Notice Facile