MTD 650 - Chauffe-eau instantané AEG - Notice d'utilisation et mode d'emploi gratuit
Retrouvez gratuitement la notice de l'appareil MTD 650 AEG au format PDF.
| Caractéristique | Détails |
|---|---|
| Type d'appareil | Non catégorisé |
| Utilisation | Conçu pour un usage domestique, idéal pour les petits travaux. |
| Maintenance | Vérifier régulièrement les pièces mobiles et nettoyer les filtres. |
| Sécurité | Utiliser des équipements de protection individuelle lors de l'utilisation. |
| Informations générales | Consulter le manuel d'utilisation pour des instructions détaillées. |
FOIRE AUX QUESTIONS - MTD 650 AEG
Téléchargez la notice de votre Chauffe-eau instantané au format PDF gratuitement ! Retrouvez votre notice MTD 650 - AEG et reprennez votre appareil électronique en main. Sur cette page sont publiés tous les documents nécessaires à l'utilisation de votre appareil MTD 650 de la marque AEG.
MODE D'EMPLOI MTD 650 AEG
Petit chauffe-eau instantané à commande hydraulique
Utilisation et installation 43
- Remarques generales 45
1.1 Consignes de sécurité 45
1.2 Autres repérages utilisés dans cette documentation..46
1.3 Unités de mesure 46 - Sécurité 46
2.1 Utilisation conforme 46
2.2 Consignes de sécurité generales 46
2.3 Label de conformité 47 - Description de l'appareil 47
- Reglages 48
- Nettoyage, entretien et maintenance 48
- Aide au dépannage 48
INSTALLATION
- Sécurité 49
7.1 Consignes de sécurité generales 49
7.2 Prescriptions, normes et directives 49 - Description de l'appareil 49
8.1 Fournitures 49
8.2 Accessoires 50 - Travaux préparatoires 50
-
Pose 50
10.1 Lieu d'implantation 50
10.2 Variantes de pose 51
10.3 RÉalisation du raccordement électrique 53 -
Mise en service 53
11.1 Première mise en service 53
11.2 Remise de I'appareil au client 53
11.3 Remise en service 54 - Mise hors service 54
- Aide au dépannage 54
- Maintenance 55
- Données techniques 56
15.1 Cotes. 56
15.2 Schema electrique 56
15.3 Augmentation de la tempéature 58
15.4 Plages d'utilisation 58
15.5 Indications relatives à la consommation énergétique . 59
15.6 Tableau de données 59
GARANTIE
ENVIRONMENTETRECYCLAGE
Remarques particulieres
REMARQUESPARTICULIÈRES
-L'appareil peut être utilisé par des enfants de 8 ans et plus ainsi que par des personnes aux facultés physiques, sensorielles ou mentales réduites ou par des personnes sans expérience sous surveillance ou après formation à l'utilisation en toute sécurité de l'appareil si les dangers encourus ont été compris. Ne laisser pas des enfants jouer avec l'appareil. Ni le nettoyage ni la maintenance relevant de l'utilisateur ne peuvent être effectuels par des enfants sans surveillance.
-La température de la robinetterie peut dé-passer 50^ en service. Danger de brû-lures à des températures de sortie supérieures à 43^ .
-L'appareil doit pouvoir etre déconnecté du secteur par un dispositif de coupure omnipolaire ayant une ouverture minimale des contacts de 3mm
- En cas d'endommagement ou de remplacement, le cordon d'alimentation électrique ne doit être remplaced que par un installateur habilité par le fabricant et avec une piece de rechange d'origine.
-Fixez l'appareil comme indiqué au chapitre « Installation / pose »
-Tenez compte de la pression maximale admissible (voir chapitre Données techniques / Tableau de données). - Vidangez l'appareil comme indiqué au chapitre « Installation / Maintenance / Vidange de l'appareil ».
Utilisation - pour l'utilisateur et l'installateur
UTILISATION
1. Remarques générales
Le chapitre « Utilisation » s'adresse aux utilisateurs de l'appareil et aux installateurs.
Le chapitre « Installation » s'adresse aux installateurs.

Remarque
Lisez attentivement cette notice avant utilisation et conservez-la soigneusement.
Remettez cette notice à tout nouvel utiliseur le cas échéant.
1.1 Consignes de sécurité
1.1.1 Structure des consignes de sécurité

MENTION D'AVERTISSEMENT Nature du danger Sont indiqués ici les risques eventuellement encourus en cas de non-respect de la consigne de sécurité.
» Sont indiquées ici les mesures permettant de pallier le danger.
1.1.2 Symboles, nature du danger
| Symbole Nature du danger | |
| ! | Blessure |
| Électrocution | |
| Brûlure (brûlure, ébouillantement) | |
1.1.3 Mentions d'ajretissement
| MENTION D'AVERTISSE-MENT | Signification |
| DANGER Caractérisde des remarques dont le non-respect entraîne irremédiablement de graves lésions, voir la mort. | |
| AVERTISSE-MENT | Caractérisde des remarques dont le non-respect peut entraîner de graves lésions, voir la mort. |
| ATTENTION Caractérisde des remarques dont le non-respect peut entraîner des lésions légères ou moyennenement graves. | |
Utilisation - pour l'utilisateur et I'installateur
1.2 Autres repérages utilisés dans cette documentation

Remarque
Les remarques sont déliminées par des lignes horizontales au-dessus et en dessous du texte. Le symbole ci-contre caractérisé des remarques générées. » Lisez attentivement les remarques.
| Symbole | |
| ! | Dommages matériels (endommagement de l'appareil, dommages consé-cutifs, pollution de l'environnement) |
| Recyclage de l'appareil |
» Ce symbole signale que vous doivent intervenir. Les actions nécessaires sont décrites étape par étape.
1.3 Unités de mesure

Remarque
Sauf indication contraire, l'unité de mesure utilisée est le millimètre.
2. Sécurité
2.1 Utilisation conforme
L'appareil est destiné à une utilisation domestique. Il peut être utilisé sans risque par des personnes qui ne disposent pas de connaissances techniques particulières.
L'appareil peut également être utilisé dans un environnement non domestique, par exemple dans de petites entreprises, à condition que son utilisation soit du même ordre.
Cet apparéil est concu pour la production d'eau chaude sanitaire. Il convient pour un lave-mains.
Tout autre employe est considéré comme non conforme. Une utilisation conforme de l'appareil implique le respect de cette notice et de celles relatives aux accessoires utilisés.
2.2 Consignes de sécurité generales

DANGER Brulure
La température de la robinetterie peut dépasser 50^ en service.
Danger de brûlures à des températures de sortie supérieures à 43 °C.

AVERTISSEMENT BLESSURE
L'appareil peut être utilisé par des enfants de 8 ans et plus ainsi que par des personnes aux facultés physiques, sensorielles ou mentales réduites ou par des personnes sans experience sous surveillance ou après formation à l'utilisation en toute sécurité de l'appareil si les dangers encourus ont été compris. Ne laissez pas des enfants jouer avec l'appareil. Ni le nettoyage ni la maintenance relevant de l'utiliseur ne peuvent être effectuels par des enfants sans surveillance.
Utilisation - pour l'utilisateur et l'installateur

DANGER Risque d'electrocution
Faites remplacer immidiatement tout cable de raccordement electrique endommagé ou défectueux par un installerur. Cette précaution écarte tout risque potentiel.

Dommages matériels
Protégez l'appareil et la robinetterie du gel.

Dommages matériels
Utilisez uniquement le régulateur de jet spécial fourni. Evitez l'entartrage des becs de robinetterie (voir
le chapitre « Nettoyage, entretien et maintenance »).
2.3 Label de conformité
Voir la plaque signalétique sur l'appareil.
Homologations et certificats spécifiques au pays : Allemagne
Un agrément d'essai général administratif justifiant de l'utilisation autorisée relative au comportement sonore est requis pour ces apparciels en raison des prescriptions urbanistiques régionales.

Ce petit chauffe-eau instantané à commande hydraulique chauffe l'eau directement au point de soutirage. Lorsque la robinetterie est ouverte, la puissance de chauffe est automatiquement activée. Grace aux faibles longueurs des conduites, les pertes d'énergie et d'eau sont réduites. La capacité de production d'eau chaude dépend de la température de l'eau froide, de la puissance de chauffe et du débit.
Le système de chauffe à fil nu convient à l'eau peu calcaire à calcaire. Le système de chauffe est largement résistant au tartre. Il garantit une mise à disposition rapide et efficace de l'eau chaude au lave-mains.
En installant le régulateur de jet spécial fourni, vous obtenez un jet optimal.
4. Reglages
Dés que vous ouvrez le robinet d'eau chaude de la robinetterie ou que la sonde d'une robinetterie à sonde est activée, le système de chauffe de l'appareil est automatiquement activé. L'eau est chauffée. Vous pouvez modifier la température de l'eau à l'aide de la robinetterie :
Pour le débit d'enclenchement, voir le chapitre « Données techniques / Tableau de données, Marche »
Augmentation de la température
Réduisez le débit de soutirage à l'aide de la robinetterie.
Diminution de la température
» Ouvrez plus la robinetterie ou ajoutez plus d'eau froide au mélangeur.
Après coupure d'eau
Voir chapitre « Mise en service / Remise en marche »
5. Nettoyage, entretien et maintenance
» N'utilise aucun produit de nettoyage abrasif ou corrosif. Un chiffon humide suffit pour le nettoyage et l'entretien de l'appareil.
» Contrôlez régulierement les robinetteries. Vous pouvez eliminer le tartre au niveau des becs de robinetterie avec les produits de détartrage du commerce.
» Faites contrôle régulierement la sécurité électrique de l'appareil par un installateur.
» Détartréz ou remplacez régulièrement le régulateur de jet spécial dans la robinetterie (voir le chapitre « Description de l'appareil / Accessoires »).
6. Aide au dépannage
| Problème Cause Remède | |
| L'appareil ne démarre pas, bien que le robi-net d'eau chaude soit entiennent ouvert. | L'appareil n'est pas sous tension. |
| Le régulateur de jet de la robinetterie est en- trartré ou encrassé. | |
| L'alimentation en eau est coupée. |
Appelez un installer si vous ne réussissez pas à éliminer la cause du problème. Pour Obtir une aide efficace et rapide, communiquez-lui le nombre indiqué sur la plaque signalétique (000000 / 0000-00000).

INSTALLATION
7. Sécurité
L'installation, la mise en service, la maintenance et les réparations de cet apparéil ne peuvent être effectuees que par un installerur qualifié.
7.1 Consignes de sécurité générales
Nous ne garantissons le bon fonctionnement et la sécurité de l'appareil que si des accessoires et pieces de rechange d'origine sont utilisés.
Dommages matériels
Tenez compte de la température d'arrivée d'eau maximale admissible. L'appareil peut subir des déterriorations par des températures tropées. Vous pouvez limiter la température d'arrivée d'eau à l'aide d'une robinetterie thermostatique centralisée.
7.2 Prescriptions, normes et directives
Remarque
Respectez la législation et les réglementations nationales et locales en vigueur.
La résistance électrique spécifique de l'eau ne doit pas etre inférieure a cette indiquee sur la plaque signaletique. Pour un réseau mixte, vous devez prendre en compte la plus faible résistance电量que de I'eau (voir chapitre
« Données techniques / Tableau de données »). Votre société de distribution d'eau est en mesure de délivrer les informations relatives à la résistance électrique spécifique ou à la conductivité électrique de l'eau.
Sont fournis avec l'appareil :
oFiltredans l'arriveed'eau froide
^© Regulateur de jet spécial SR
°Flexible de raccordement 3/8, 500 mm de longueur, avec joints d'étanchéité*
Raccord en T 3/8*
- pour le raccordement en tant qu'appareil sous pression
8.2 Accessoires
Régulateur de jet spécial SR\*
^3 :code article 289591
pour MTD 350 et MTD 440
SR5:code article 270582
pour MTD 570 et MTD 650
- pour utilisation dans un filetag M22/M24.
Robinetterie sous pression
ADS 40 Robinetterie à sonde pour lavabo
Robinetteries à écoulement libre
°AHS 50 Robinetterie à sonde pour lavabo
^a AHu 40 MTH Robinetterie de lavabo à deux manettes
AHEu 40 MTH Robinetterie de lavabo à une manette
9. Travaux préparatoires
» Rincez soigneusement la conduite d'eau.
Installation hydraulique
Aucune soupape de sécurité n'est nécessaire.
Robinetterie
» Utilisez des robinetteries appropriées (voir le chap-itre « Description de l'appareil / Accessoires »).

Remarque
Lorsque le régulateur de jet spécial est installé dans la robinetterie, vous obtenez un jet d'eau optimal.
10. Pose
10.1 Lieu d'implantation
Installez l'appareil dans un local hors gel à proximé du robinet du point de soutirage.
Veillez à ce que les vis de fixation latérales du capot soient accessibles.
L'appareil est exclusivement concu pour une pose sous évier (raccordement hydraulique par le haut).

DANGER Risque d'électrocution
Le degré de protection IP25 n'est assure que si la paroi arrirée de l'appareil est montée.
» Montez toujours la paroi arrêté de l'appareil.
10.2 Variantes de pose
Pose sous évier, sous pression, avec robinetterie sous pression

Pose sous évier, écoulement libre, avec robinetterie à écoulement libre

10.2.1 Pose de l'appareil
Fixez l'appareil au mur.
Remarque Le mur doit etre suffisamment porteur.

» Desserrez sur deux tours les vis de fixation du capot.
Deverrouillez le bouchon a declic a l'aide d'un tournevis.
Retirez le capot de l'appareil avec le système de chauffe par l'avant.
Installation - pour le professionnel

» Rompez l'ouverture de passage du cable de raccordement électrique dans le capot de l'appareil à l'aide d'une pince. Ébavurez les contours avec une lime au besoin.
» Utilisez la paroi arriere de l'appareil comme gabarit de perçage.
Fixez la paroi arrriere de l'appareil au mur à l'aide des vis et des chevilles.

» Passez le cable de raccordement électrique par le capot de l'appareil.
» Accrochez le bas du capot avec le système de chauffe.
» Encliquetez le système de chauffe dans le bouchon à déclic.
Fixez le capot à l'aide de ses vis de fixation.
10.2.2 Pose de la robinetterie

Dommages matériels
Lors du montage des raccords, la partie cote apparaire doit impérativement être maintainue à l'aide d'une clé d'ouverture 14.
Raccordement sous pression
» Installez le flexible de raccordement 3/8 et le raccord en T 3/8 fournis.
» Posez la robinetterie. Tenez compte des instructions d'utilisation et d'installation de la robinetterie.
Raccordement à écoulement libre
» Posez la robinetterie. Tenez compte des instructions d'utilisation et d'installation de la robinetterie.
10.3 RÉalisation du raccordement électrique

DANGER Risque d'electrocution
Exécutez tous les travaux de branchement et d'installation electriques conformément aux prescriptions.

DANGER Risque d'electrocution
Veillez à ce que l'appareil soit raccordé au conducteur de mise à la terre.
L'appareil doit pouvoir être déconnecté du secteur par un dispositif de coupure omnipolaire ayant une ouverture minimale des contacts de 3 mm.

DANGER Risque d'electrocution Les apparèils sont équipés d'origine d'un cordon de raccordement (MTD 350 avec fiche). Il est possible de brancher l'appareil sur une ligne électrique fixe à condition que celle-ci présente des conducteurs d'une section au moins égale à celle du cordon de l'appareil. Ces conducteurs doivent avoir une section de 3 × 6 mm^2 au maximum.

Dommages matériels Si vous branchez I'appareil sur une prise secteur 2 + (dans le cas d'un cordon d'alimentation avec fiche), veillez a ce que celle-ci reste accessible une fois I'appareil installé.

Dommages matériels
Respectez les indications de la plaque signalétique. La tension indiquée doit correspondre à la tension du secteur.
» Raccordez le cable d'alimentation électrique selon le schéma électrique (voir le chapitre « Données techniques / Schéma électrique »).
11. Mise en service
11.1 Première mise en service

on

26_02_05_0087
» Remplissez l'appareil par plusieurs soutirages en ouvrant la robinetterie jusqu'à ce que la conduite d'arrivee d'eau et I'appareil soient totalement purges.
» Effectuez un contrôle d'étanchéité.
Branchez la fiche du cordon dans la prise secteur 2P + T ou enclenchez le disjoncteur.
» Contrôlez le fonctionnement de l'appareil.
11.2 Remise de l'appareil au client
» Expliquez les différentes fonctions à l'utilisateur, puis familiarisez-le avec l'emploi de l'ordinateil.
Indiquez à l'utilisateur les risques encourus, notamment les risques de brûlle.
» Remettez-lui cette notice.
11.3 Remise en service

Dommages matériels
Après une coupure d'eau, l'appareil doit être remis en fonctionnement en procédant comme suit pour ne pas détruire le système de chauffe à fil nu.
» Mettez l'appareil hors tension. Débranche la fiche du cordon de la prise secteur ou déclenchez le disjoncteur.
Voir le chapitre « Première mise en service »
12. Mise hors service
» Séparez l'appareil du secteur à l'aide du disjoncteur de l'installation domestique ou débranche la fiche du cordon d'alimentation.
» Vidangez l'appareil (voir le chapitre « Maintenance »).
13. Aide au dépannage
| Problème Cause Remède | ||
| L'appareil ne démarre pas, bien que le robi-net d'eau chaude soit entièrement ouvert. | Le régulateur de jet de la robinetterie est en- tartré ou encrassé. | Procedez au net- toyage et/ou au dé- tartrage du régulateur de jet, ou bien rempla- cez-le par un modele spécifique. |
| Le filtrte de l'acciviée d'eau froide est col- maté. | Nettoyez le filtrte après avoir coupé l'acciviée d'eau froide. | |
| Le système de chauffe est défectueux. | Mesurez la résistance du système de chauffe et, le cas échéant, remplacez l'appareil. | |
| Le pressostat de sécurité s'est déclenché. | Supprimez l'origine du défaut. Mettez l'appa- reil hors tension, puis faites chuter totale- ment la pression dans la conduite d'eau. Ac- tivez le pressostat de sécurité. | |

Activation du pressostat de sécurité
1 Pressostat de sécurité à 1 pole MTD 440 / MTD 570
2 Pressostat de sécurité à 2 pôles MTD 350 / MTD 650
14. Maintenance

DANGER Risque d'electrocution
Avant toute intervention, débranche l'appareil sur tous les pôles.
Vidange de l'appareil

DANGER Brûlure
L'eau vidangée peut être très chaude.
Si l'appareil doit être vidange pour les travaux de maintenance ou en vue de protéger l'ensemble de l'installation en cas de risque de gel, veuillez procédéer comme suit :
Fermez le robinet d'arrêt de l'arrivée d'eau froide.
Ouvrez le robinet de soutirage.
» Desserrez les raccords hydrauliques de l'appareil.
Nettoyage du filtré
Voussoupieznettoyerelfiltrintegreeunefoisque la conduite de raccordement d'eau froide a etedemontee.

26_02_05_0065
Vérification du conducteur de mise à la terre
» Contrôlez le conducteur de terre (en Allemagne p. ex. BGV A3) au contact du conducteur de terre sur la ligne électrique et au manchon de raccordement de l'appareil.
Stockage de l'appareil
» Veillez à protégéur du gel tout apparéil déposé, car celui-ci contient encore de l'eau pouvant geler et provoquer des dommages.
Installation - pour le professionnel
Remplacement du cable d'alimentation electrique sur le MTD 570
» Sur le MTD 570, en cas de remplacement, vous ne devez utiliser un cable électrique de 4mm^2
15. Données techniques

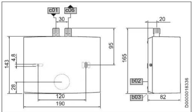
15.1 Cotes
| b02 Passage des cables electriques I | ||
| b03 Passage des cables electriques II | ||
| c01 Arrivée eau froide | Filetage maje | G 3/8 A |
| c06 Sortie eau chaude Filtage maje G | 3/8 A |
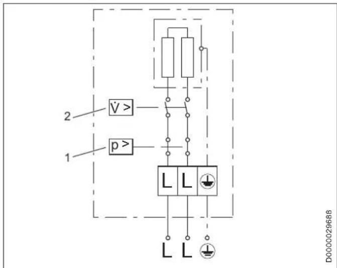
15.2 Schéma électrique
15.2.1MTD 350
1/N/PE 220 - 240V

D0000035307
1 Pressostat de sécurité
2 Pressostat différentiel
15.2.2 MTD 440 et MTD 570 1/N/PE ~ 220-240 V

1 Pressostat de sécurité 2 Pressostat différentiel

Dommages matériels
» Dans le cas d'une alimentation électrique par installation fixe, branchez le cable de raccordement électrique selon l'affection des bornes indiquée sur le schéma.
15.2.3 MTD 650 2/PE 380-415 V

1 Pressostat de sécurité 2 Pressostat différentiel
Installation - pour le professionnel
15.3 Augmentation de la température
Avec une tension secteur de 230V / 400V on obtient les hausses de température suivantes de I'eau :

X Débit de soutirage en l/min
Y Hausse de température en K
1 3.5kW - 230V
24.4kW-230V
35.7kW-230V
46.5kW-400V
| Exemple MTD 350 avec 3,5 kW | ||
| Débit l/min 2,0 | ||
| Augmentation de la température K 25 | ||
| Température d'arrivée eau froide °C 12 | ||
| Température maximale de sortie possible eau chaude | °C | 37 |
i Remarque. i Voues obte
Vous obtenez une température de sortie de 50^ avec le débit le plus faible possible et les températures d'arrivée eau froide ci-après :
°MTD 350>18°C
MTD 440 > 21°C
^ MTD570 > 22^
°MTD 650 > 15 °C
15.4 Plages d'utilisation
Résistance électrique spécifique et conductivité électrique spécifique, voir « Tableau de données »
| Indication normali-sée à 15 °C | 20 °C | 25 °C | ||||||
| Résis-tance spéci-fique ρ ≥ | RésistanceConductivitéσ ≤ | Résis-tance spéci-fique ρ ≥ | RésistanceConductivitéσ ≤ | Résis-tance spéci-fique ρ ≥ | RésistanceConductivitéσ ≤ | |||
| Ωcm | mS/m | μS/cm | Ωcm | mS/m | μS/cm | Ωcm | mS/m | μS/cm |
| 1100 | 91 | 909 | 970 | 103 | 1031 | 895 | 112 | 1117 |
15.5 Indications relatives à la consommation énergétique
Les caractéristiques produit correspondant aux prescriptions de la directive UE sur l'écoconception applicable aux produits liés à l'énergie (ErP).
| MTD 350 MTD 440 MTD 570 MTD 650 | |||||
| 222120 222121 222122 232790 | |||||
| Fabricant | AEG Haustechnik | AEG Haustechnik | AEG Haustechnik | AEG Haustechnik | |
| Profil de soutirage XXS XXS XXS XXS | |||||
| Classe d'efficacité énergétique | A | A | A | A | |
| Consommation annuelle d'électricité | kWh | 478 | 478 | 478 | 467 |
| Efficacité énergétique | % | 39 | 39 | 39 | 40 |
| Niveau de puissance acoustique | dB(A) | 15 | 15 | 15 | 15 |
| Indication spécifique concernant la mesure d'efficacité | aucune aucune aucune aucune | ||||
15.6 Tableau de données
| MTD 350 MTD 440 MTD 570 MTD 650 | |||||||||||||
| 222120 222121 222122 232790 | |||||||||||||
| Données électriques | |||||||||||||
| Tension nominale | V | 220 | 230 | 240 | 220 | 230 | 240 | 220 | 230 | 240 | 380 | 400 | 415 |
| Puisance nominale | kW | 3,2 | 3,5 | 3,8 | 4,0 | 4,4 | 4,8 | 5,2 | 5,7 | 6,2 | 5,9 | 6,5 | 7,0 |
| Courant nominal | A | 14,5 | 15,2 | 15,8 | 18,2 | 19,1 | 20 | 23,6 | 24,7 | 25,8 | 15,5 | 16,3 | 16,9 |
| Protection | A | 16 | 16 | 16 | 20 | 20 | 20 | 25 | 25 | 32 | 16 | 20 | 20 |
| Fréquence | Hz | 50/60 | 50/60 | 50/60 | 50/60 | 50/60 | 50/60 | 50/60 | 50/60 | 50/60 | 50/60 | 50/60 | 50 |
| Phases | 1/N/PE | 1/N/PE | 1/N/PE | 2/PE | |||||||||
| Résistance spécifique ρ15≥(pour Φfroid ≤25 °C) | Ω cm | 1100 | 1100 | 1100 | 1100 | ||||||||
| Conductivité spécifique σ15≤(pour Φfroid ≤25 °C) | μS/cm | 909 | 909 | 909 | 909 | ||||||||
Installation - pour le professionnel
| MTD 350 MTD 440 MTD 570 MTD 650 | ||||||||||||
| Résistance spécifique \(p_{15}\) ≥ (pour\(\vartheta\)froid >25 °C) | Ω cm | 1100 | 1100 | 1100 | 1100 | |||||||
| Conductivité spécifique \(σ_{15}\) ≤ (pour\(\vartheta\)froid >25 °C) | μS/cm | 909 | 909 | 909 | 909 | |||||||
| Impédance de réseau maximale à50 Hz | Ω | 0,394 | 0,377 | 0,361 | ||||||||
| Raccordements | ||||||||||||
| Raccordement hydraulique | G 3/8 A | G 3/8 A | G 3/8 A | G 3/8 A | ||||||||
| Limits d'utilisation | ||||||||||||
| Pression maxi. admissible | MPa | 1 | 1 | 1 | 1 | |||||||
| Données | ||||||||||||
| Température d'acciviée d'eau maxi-male admissible | °C | 35 | 35 | 35 | 35 | |||||||
| Débit mini | l/min | >1,6 | >2,0 | >2,6 | >2,6 | |||||||
| Perte de charge par débit | MPa | 0,05 | 0,06 | 0,08 | 0,08 | |||||||
| Débit pour perte de charge | l/min | 1,6 | 2,0 | 2,6 | 2,6 | |||||||
| Limite de débit par | l/min | 2,2 | 2,8 | 4,3 | 4,3 | |||||||
| Mise à disposition d'eau chaudesanitaire | l/min | 2,0 | 2,5 | 3,2 | 3,7 | |||||||
| Δθ à la mise à disposition | K | 25 | 25 | 25 | 25 | |||||||
| Données hydrauliques | ||||||||||||
| Capacité nominale | l | 0,1 | 0,1 | 0,1 | 0,1 | |||||||
| Versions | ||||||||||||
| Type de montage sous évier | X | X | X | X | ||||||||
| Type de construction à écoulementlibre | X | X | X | X | ||||||||
| Modèle sous pression | X | X | X | X | ||||||||
| Indice de protection (IP) | IP25 | IP25 | IP25 | IP25 | ||||||||
| Classe de protection | 1 | 1 | 1 | 1 | ||||||||
| Bloc isolant | Matière synthétique | Matière synthétique | Matière synthétique | Matière synthétique | ||||||||
| Type de système de chauffe | Fil nu | Fil nu | Fil nu | Fil nu | ||||||||
Garantie - environnement et recyclage
| MTD 350 MTD 440 MTD 570 MTD 650 | |||||
| Capot et paroi arrière | Matière synthétique | Matière synthétique | Matière synthétique | Matière synthétique | |
| Couleur blanc blanc blanc blanc | |||||
| Dimensions | |||||
| Hauteur | mm | 143 | 143 | 143 | 143 |
| Largeur | mm | 190 | 190 | 190 | 190 |
| Profondeur | mm | 82 | 82 | 82 | 82 |
| Poids | |||||
| Poids | kg | 1,4 | 1,4 | 1,4 | 1,4 |
Garantie
Les conditions de garantie de nos sociétés allemandes ne s'appliquent pas aux apparciels achetés hors d'Allemagne. Au contraire, c'est la filiale chargeée de la distribution de nos produits dans le pays qui est seule habilité à accorder une garantie. Une telle garantie ne pourra cependant être accordée que si la filiale a publié ses propres conditions de garantie. Il ne sera accordé aucune garantie par ailleurs.
Nous n'accordons aucune garantie pour les appareils achetés dans des pays où aucune filiale de notre société ne distribue nos produits. D'eventuelles garanties accordées par l'importateur restentinchangées.
Environnement et recyclage
Merci de contribuer à la preservation de notre environnement.
Après usage, procédez à l'élimination des matériaux conformément à la réglementation nationale.
Inhoud
BIJZONDERE INFO
BEDIENING
10.2.2 Montage van de kraan

Notice Facile