MTE 440 - Průtokový ohřívač vody AEG - Bezplatný návod k obsluze
Najděte návod k zařízení zdarma MTE 440 AEG ve formátu PDF.
| Technické vlastnosti | Detaily |
|---|---|
| Typ zařízení | Nekategorizováno |
| Rozměry | Nespecifikováno |
| Hmotnost | Nespecifikováno |
| Výkon | Nespecifikováno |
| Kapacita | Nespecifikováno |
| Speciální funkce | Nespecifikováno |
| Použití | Návod k použití nebyl poskytnut |
| Údržba | Pokyny k údržbě nebyly poskytnuty |
| Bezpečnost | Bezpečnostní pokyny nebyly poskytnuty |
| Obecné informace | Žádné další informace nejsou k dispozici |
Často kladené otázky - MTE 440 AEG
Stáhněte si návod pro váš Průtokový ohřívač vody ve formátu PDF zdarma! Najděte svůj návod MTE 440 - AEG a vezměte svůj elektronický přístroj zpět do rukou. Na této stránce jsou zveřejněny všechny dokumenty potřebné k používání vašeho zařízení. MTE 440 značky AEG.
NÁVOD K OBSLUZE MTE 440 AEG
Malý elektronicky regulovaný průtokový ohřívač
Obsluha a instalace 97
- Obecné pokyny....97
1.1 Bezpečnostní pokyny....97
1.2 Jiné symboly použité v této dokumentaci....97
1.3 Měrné jednotky 98 - Bezpečnost....98
2.1 Použití v souladu s účelem....98
2.2 Všeobecné bezpečnostní pokyny....98
2.3 Kontrolní symbol 99 - Popis přístroje .....99
- Nastavení....100
- Čištění, péče a údržba 100
- Odstranění problémů 100
INSTALACE
- Bezpečnost....101
7.1 Všeobecné bezpečnostní pokyny.... 101
7.2 Předpisy, normy a ustanovení 101 - Popis prístroje 101
8.1 Rozsah dodávky 101
8.2 Příslušenství 101 - Příprava....102
-
Montáž 102
10.1 Místo montáže 102
10.2 Alternativy montáže....102
10.3 Připojení přívodu elektrické energie 105 -
Uvedení do provozu .... 105
11.1 První uvedení do provozu.... 105
11.2 Předání přístroje 105
11.3 Opětovné uvedení do provozu.... 106
11.4 Nastavení....106 - Uvedení mimo provoz 107
- Odstraňování poruch 108
- Údržba....109
- Technické údaje.... 110
15.1 Rozměry a přípojky.... 110
15.2 Schéma elektrického zapojení....111
15.3 Zvýšení teploty.... 112
15.4 Oblasti použití 113
15.5 Údaje ke spotřebě energie.... 113
15.6 Tabulka údajů 114
ZÁRUKA
ŽIVOTNÍ PROSTŘEDÍ A RECYKLACE
Zvláštní pokyny
ZVLÁŠTNÍ POKYNY
• Přístroj smí používat děti od 8 let a osoby se sníženými fyzickými, senzorickými nebo mentálními schopnostmi nebo s nedostatečnými zkušenostmi a znalostmi pouze pod dozorem, nebo poté, co byly poučeny o bezpečném používání přístroje a jsou si vědomy nebezpečí, která z jeho používání plynou. Nenechávejte děti, aby si s přístrojem hrály. Čištění a údržbu, kterou má provádět uživatel, nesmí provádět samotné děti bez dozoru.
- Armatura může za provozu dosáhnout teploty vyšší než 50 °C. Pokud je výstupní teplota vyšší než 43 °C hrozí nebezpečí opaření.
- Přístroj musí být možné odpojit od síťové přípojky na všech pólech na vzdálenost nejméně 3 mm.
• Elektrické přívodní vedení smí při poškození nebo při výměně nahrazovat originálním náhradním dílem pouze specializovaný elektrotechnik s oprávněním výrobce.
° Upevněte přístroj způsobem popsaným v kapitole „Instalace / Montáž“.
- Dodržujte maximální přípustný tlak (viz kapi-tola „Technické údaje/Tabulka s technickými údaji“).
• Vypust'te přístroj způsobem podle popisu v kapitole „Instalace / Údržba / Vypuštění přístroje“.
Obsluha - pro uživatele a instalačního technika
OBSLUHA
1. Obecné pokyny
Kapitola „Obsluha“ je určena uživatelům přístroje a instalačním technikům.
Kapitola „Instalace“ je určena instalačním technikům.

Upozornění
Dříve, než zahájíte provoz, si pozorně přečtěte tento návod a pečlivě jej uschovejte.
Případně předejte návod dalšímu uživateli.
1.1 Bezpečnostní pokyny
1.1.1 Struktura bezpečnostních pokynů

Zde jsou uvedeny možné následky nedodržení bezpečnostních pokynů.
» Zde jsou uvedena opatření k odvrácení nebezpečí.
1.1.2 Symboly, druh nebezpečí
| Symbol Druh nebezpečí | |
![]() | Úraz |
![]() | Úraz elektrickým proudem |
![]() | Popálení(popálení, opaření) |
1.1.3 Uvozující slova
| UVOZUJÍCÍ SLOVO | Význam |
| NEBEZPEČÍ Pokyny, jejichž nedodržení má za následek vážné nebo smrtelné úrazy. | |
| VÝSTRAHA Pokyny, jejichž nedodržení může mít za následek vážné nebo smrtelné úrazy. | |
| POZOR Pokyny, jejichž nedodržení může mít za následek středně vážné nebo lehké úrazy. | |
1.2 Jiné symboly použité v této dokumentaci

Upozornění
Pokyny jsou odděleny vodorovnými čarami nad a pod textem. Obecné pokyny jsou označeny symbolem zobrazeným vedle.
» Texty upozornění čtěte pečlivě.
Obsluha - pro uživatele a instalačního technika
| Symbol | |
| Věcné škody (poškození přístroje, následné škody, poškození životního prostředí) | |
| Likvidace přístroje |
» Tento symbol vás vyzývá k určitému jednání. Potřebné úkony jsou popsány po jednotlivých krocích.
1.3 Měrné jednotky

Upozornění
Pokud není stanoveno jinak, jsou rozměry uvedeny v milimetrech.
2. Bezpečnost
2.1 Použití v souladu s účelem
Přístroj je určen k použití v domácnostech. Mohou jej tedy bezpečně obsluhovat neškolené osoby. Lze jej používat i mimo domácnosti, např. v drobném průmyslu, pokud způsob použití v takových oblastech odpovídá určení přístroje.
Přístroj slouží k ohřevu pitné vody nebo k dodatečnému ohřevu předehřáté vody. Přístroj je určen pro umyvadlo k mytí rukou.
Jiné použití nebo použití nad rámec daného rozsahu je považováno za použití v rozporu s určením. K použití v souladu s určením patří také dodržování tohoto návodu a návodů k používanému příslušenství.
2.2 Všeobecné bezpečnostní pokyny

NEBEZPEČÍ - opaření
Armatura může za provozu dosáhnout teploty vyšší než 50 °C. Pokud je výstupní teplota vyšší než 43 °C hrozí nebezpečí opaření.

VÝSTRAHA úraz
Přístroj smí používat děti od 8 let a osoby se sníženými fyzickými, senzorickými nebo mentálními schopnostmi nebo s nedostatečnými zkušenostmi a znalostmi pouze pod dozorem, nebo poté, co byly poučeny o bezpečném používání přístroje a jsou si vědomy nebezpečí, která z jeho používání plynou. Nenechávejte děti, aby si s přístrojem hrály. Čištěni a údržbu, kterou má provádět uživatel, nesmí provádět samotné děti bez dozoru.

NEBEZPEČÍ - úraz elektrickým proudem Poškozené elektrické přívodní vedení smí vyměnit pouze autorizovaný servis. Tím je vyloučeno možné ohrožení.

Věcné škody
Chraňte přístroj a armaturu před mrazem.

Věcné škody
Používejte jen dodaný speciální regulátor průtoku. Zamezte výskytu vodního kamene na výtocích z armatur (viz kapitola „Čištění, ošetřování a údržba“).
2.3 Kontrolní symbol
Viz typový štítek na přístroji.
Potvrzení a osvědčení platná v jednotlivých zemích: Německo
K přístrojům je vydáno na základě místních stavebních předpisů všeobecné osvědčení stavebního dozoru jako potvrzení o použitelnosti z hlediska hlučnosti.

text_image
AEG HOL DIN 4109 P-IX 7508/I MPA NRW.3. Popis přístroje
Malý elektronicky regulovaný průtokový ohřívač udržuje stálou výstupní teplotu nezávisle na teplotě přítoku až na hranici výkonu.
Přístroj je od výrobce nastaven na teplotu potřebnou k mytí rukou. Jakmile je dosaženo této teploty, elektronika automaticky omezí výkon. Výkon se přizpůsobí požadované teplotě a zamezí se tak překročení teploty.
Přístroj ohřívá vodu přímo na odběrném místě při otevření armatury. Vzhledem ke krátkým rozvodům vznikají malé ztráty energie a vody.
Výkon ohřevu vody závisí na teplotě studené vody, topném výkonu a průtoku.
Topný systém s holou spirálou je určen pro vodu s nízkým nebo běžným obsahem vodního kamene. Systém ohřevu je do značné míry odolný vůči usazování vodního kamene. Topný systém zajišťuje rychlou a efektivní přípravu teplé vody k umývátko.
Autorizovaný servis může nastavit maximální hodnoty teploty a objemového průtoku (viz kapitola „Uvedení do provozu/Nastavení“).
Vestavěním dodaného speciálního regulátoru průtoku dosáhnete optimálního průtoku vody.
Obsluha - pro uživatele a instalačního technika
4. Nastavení
Jakmile otevřete teplovodní ventil na armatuře nebo aktivujete senzor senzorové armatury, topný systém přístroje se automaticky zapne. Voda se ohřívá. Teplotu vody lze upravovat armaturou.
Aktivační množství a omezení objemového proudu viz kapitola „Technické údaje“.
Zvýšení teploty
» Otevřete více armaturu nebo přimíchejte více studené vody.
Po přerušení přívodu vody
Viz kapitola „Uvedení do provozu/Opětovné uvedení do provozu“.
5. Čištění, péče a údržba
» Nepoužívejte abrazivní čisticí prostředky nebo prostředky obsahující rozpouštědla. K ošetřování a údržbě přístroje stačí vlhká textilie.
» Kontrolujte pravidelně armatury. Vodní kámen na výtocích z armatur odstraníte běžnými prostředky k odstranění vodního kamene.
» Nechejte odborníka pravidelně provést kontrolu elektrické bezpečnosti přístroje.
» Zbavte speciální regulátor průtoku v armatuře vodního kamene nebo jej pravidelně vyměňujte (viz kapitola „Popis přístroje / příslušenství“).
6. Odstranění problémů
| Problém Příčina Odstranění | ||
| I když je ventil teplé vody zcela otevřen, přístroj se nezapne. | Výpadek napájení přístroje. | Zkontrolujte pojistky vnitřní instalace. |
| Regulátor průtoku v armatuře je zanesen vodním kamenem nebo je znečištěn. | Očistěte speciální regulátor průtoku a/nebo zbavte jej vodního kamene či vyměňte. | |
| Je přerušen přívod vody. | Odvzdušněte přístroj a přívod studené vody (viz kapitola „Nasta-vení“). | |
| Není dosaženo poža-dované teploty. | Maximální teplota je v přístroji nastavena příliš nízko. | Nechejte kvalifikova-ného instalatéra pro-vést nové nastavení maximální teploty. |
| Přístroj dosahuje hra- | nici výkonu. | Zmenšete průtok. |
Pokud nelze příčinu odstranit, kontaktujte odborníka. K získání lepší a rychlejší pomoci sdělte číslo z typového štítku (000000 / 0000-00000).

Instalaci, uvedení do provozu, údržbu a opravy přístroje smí provádět pouze odborník.
7.1 Všeobecné bezpečnostní pokyny
Rádnou funkci a spolehlivý provoz lze zaručit pouze v případě použití původního příslušenství a originálních náhradních dílů určených pro tento přístroj.

Věcné škody
Dodržujte maximální teplotu přítoku. Při vyšších teplotách může dojít k poškození přístroje. Instalací centrální termostatické armatury můžete omezit maximální teplotu přítoku.
7.2 Předpisy, normy a ustanovení

Upozornění
Dodržujte všechny národní a místní předpisy a ustanovení.
Měrný elektrický odpor vody nesmí být menší než hodnota uvedená na typovém štítku. V případě propojení několika vodovodních sítí musíte vzít v úvahu nejnižší elektrický odpor vody (viz kapitolu „Technické údaje/Ta-bulka s technickými údaji“). Hodnoty měrného elektrické-ho odporu vody nebo elektrické vodivosti vody zjistíte u vašeho dodavatele vody.
8. Popis prístroje
8.1 Rozsah dodávky
Spolu s přístrojem dodáváme:
- Sítko v přívodu studené vody
- Speciální regulátor průtoku „SR“
- Připojovací hadici 3/8, délka 500 mm, s těsněními*
• Tvarovku T 3/8* - Firemní logo pro montáž nad umyvadlo
* pro připojení jako tlakový přístroj
8.2 Příslušenství
Speciální regulátor průtoku „SR“\*
SR 3: Objednací číslo 289591 pro MTE 350 a MTE 440
SR 5: Objednací číslo 270582 pro MTE 570 a MTE 650
* Lze použít se závitem M22/M24.
Beztlaké armatury
AHS 50 Senzorová armatura pro umyvadlo.
• AHo 40 MTH Nástěnná armatura pro montáz nad umyvadlo
° AHu 40 MTH Dvoukohoutková armatura pro umyvadlo
• AHEu 40 MTH Páková armatura pro umyvadlo
Tlaková armatura
- ADS 40 Senzorová armatura pro umyvadlo.
Instalace - pro instalačního technika
9. Příprava
» Důkladně vypláchněte vodovodní vedení.
Vodovodní instalace
Pojistný ventil není nutný.
Armatury
» Použijte vhodné armatury (viz kapitolu „Popis přístroje / Příslušenství“).

Upozornění
Vestavěním dodaného speciálního regulátoru průtoku do armatury dosáhnete optimálního průtoku vody.
10. Montáž
10.1 Místo montáže
Přístroj namontujte v prostorách, ve kterých nedochází k poklesu teploty pod bod mrazu, v blízkosti odběrné armatury.
Pamatujte na přístupnost bočních upevňovacích šroubů krytů.
Přístroj je vhodný pro montáž pod umyvadlem (vodovodní přípojky nahoře) a pro montáž nad umyvadlem (vodovodní přípojky dole).

NEBEZPEČÍ - úraz elektrickým proudem Seřizovací šroub k nastavení objemového proudu je vodivý a krytí IP25 je zajištěno pouze při namontované zadní stěně přístroje.
» Vždy namontujte zadní stěnu přístroje.
10.2 Alternativy montáže
10.2.1 Montáž pod umyvadlo
Beztlaký, s beztlakovou armaturou

Tlakový, s tlakovou armaturou

Instalace - pro instalačního technika
Montáž prístroje

Upozornění
» Namontujte prístroj na stěnu. Stěna musí mít dostatečnou nosnost.

» Uvolněte upevňovací šrouby víka o dvě otáčky.
» Odblokujte západku šroubovákem.
» Sejměte víko přístroje s topným systémem směrem dopředu.

» Vylomte kleštěmi průchozí otvor ve víku přístroje pro elektrické přívodní vedení. V případě potřeby upravte okraj pilníkem.
» Jako vrtací šablonu použijte zadní stěnu přístroje.
» Připevněte zadní stěnu přístroje vhodnými hmoždinkami a šrouby ke stěně.
Instalace - pro instalačního technika

» Protáhněte elektrické přívodní vedení průchodkou v zadní stěně.
» Zavěste víko přístroje s topným systémem dole.
» Zatlačte topný systém do západky.
» Upevněte víko přístroje šrouby k uchycení víka.
Montáž armatury
» Namontujte armaturu. Dodržujte prítom návod k obsluze a instalaci armatury.

Věcné škody
» Při montáži všech přípojek je nutné na přístroji použít k přidržování klíč SW 14.
Tlaková armatura

Upozornění
» Namontujte dodanou připojovací hadici 3/8 a tvarovku T 3/8.
10.2.2 Montáž pod umyvadlem, beztlaková, s beztlakovou armaturou

» Při montáži všech přípojek musíte na přístroji použít k přidržování klič SW 14, viz kapitola „Alternativy montáže/Montáž pod umyvadlo“.
Montáž prístroje
» Namontujte přístroj s vodovodními přípojkami k armatuře.
10.3 Připojení přívodu elektrické energie

NEBEZPEČÍ - úraz elektrickým proudem Veškerá elektrická zapojení a instalace provádějte podle předpisů.

NEBEZPEČÍ - úraz elektrickým proudem Pamatujte, že přístroj musí být připojen k ochrannému vodiči. Přístroj musí být možné odpojit od síťové přípojky na všech pólech na vzdálenost nejméně 3 mm.

NEBEZPEČÍ - úraz elektrickým proudem Přístroje jsou v dodaném stavu vybaveny elektrickým přívodním vedením (MTE 350 se zástrčkou). Připojení k pevnému elektrickému rozvodu je možné, pokud má průřez minimálně odpovídající standardnímu napájecímu kabelu přístroje. Maximální možný průřez vedení je 3 x 6 mm². » Při montáži přístroje nad umyvadlo musíte vést elektrické přívodní vedení za přístrojem.

Věcné škody Při připojení do zásuvky s ochranným kontaktem (jde-li o přívodní vedení se zástrčkou) dbejte na to, aby zásuvka po instalaci přístroje byla volně přístupná.

Věcné škody Dodržujte údaje uvedené na typovém štítku. Uvedené napětí se musí shodovat se síťovým napětím.
» Elektrické přívodní vedení zapojte podle schématu elektrického zapojení (viz kapitola „Technické údaje/Schéma elektrického zapojení“).
11. Uvedení do provozu
11.1 První uvedení do provozu

on

26_02_05_0087
» Naplňte přístroj opakovaným odběrem vody na armatuře, dokud nejsou rozvodná sít' a přístroj zbaveny vzduchu.
» Proved'te kontrolu těsnosti.
» Zasuňte zástrčku přívodního vedení, pokud je k dispozici, do zásuvky s ochranným kontaktem, nebo aktivujte pojistku.
» Zkontrolujte funkci prístroje.
» Při montáži nad umyvadlem musíte firemní logo pře-
lepit přiloženým firemním logem.
11.2 Předání přístroje
» Vysvětlete uživateli funkci přístroje a seznamte ho se způsobem jeho užívání.
» Upozorněte uživatele na možná rizika, především na nebezpečí opaření.
» Předejte tento návod.
Instalace - pro instalačního technika
11.3 Opětovné uvedení do provozu

Věcné škody
Po přerušení dodávky vody musíte přístroj opětovně uvést do provozu pomocí následujících kroků, aby nedošlo k poškození topného systému s holou spirálou.
» Odpojte přístroj od napětí. Za tímto účelem odpojte zástrčku elektrického přívodního vedení, je-li k dispozici, nebo vypněte pojistku.
» Viz kapitola „Prvotní uvedení do provozu“.
11.4 Nastavení
Maximální hodnoty průtoku a teploty lze změnit.

NEBEZPEČÍ - úraz elektrickým proudem Nastavení průtoku a teploty jsou přípustná pouze tehdy, jestliže je přístroj odpojen od sítě.
» Odpojte prístroj na všech pólech od sítě.

NEBEZPEČÍ - úraz elektrickým proudem Seřizovací šroub ke změně nastavení průtoku a potenciometr k nastavení teploty jsou pod napětím, pokud není přístroj odpojen od sítě.

» Sejměte kryt přístroje.
Instalace - pro instalačního technika
Nastavte maximální teplotu.
Nastavení z výroby: 38 °C

text_image
30°C 38°C + 50°C D0000042035» Nastavte potenciometr šroubovákem na požadovanou maximální teplotu.
» Namontujte kryt prístroje.
Omezení průtoku
Nastavení z výroby: Maximální průtok

» Seřizovacím šroubem nastavte požadovaný objemo-vý průtok:
- Nejmenší objemový průtok = šroub je zašroubován až na doraz.
- Největší objemový průtok = šroub je vyšroubován až k dorazu.
» Namontujte kryt prístroje.
12. Uvedení mimo provoz
» Odpojte přístroj pojistkou v domovní instalaci od elektrického proudu nebo odpojte zástrčku přívodního kabelu.
» Vypust'te vodu z přístroje (viz kapitolu „Údržba“).
Instalace - pro instalačního technika
13. Odstraňování poruch
| Problém Příčina Odstranění | ||
| I když je ventil teplévody zcela otevřen,přístroj se nezapne. | Regulátor průtoku v armatuře je zanesenvodním kamenem nebo je znečištěn. | Očistěte speciální regulátor průtoku a/nebo zbavte jej vodního kamene či vyměňte. |
| Průtok je nastaven na | příliš nízkou hodnotu. | Zvětšete průtok. |
| Sítko v přívodu studené vody je ucpané. | Uzavřete přívod studené vody a vyčistětesítko. | |
| Topný systém je vadný. | Změřte odpor topnéhosystému, případněpřístroj vyměňte. | |
| Aktivoval se bezpečnostní omezovač tlaku. | Odstraňte příčinu závady. Vypněte přístroja uvolněte tlak vevodovodním potrubí.Aktivujte bezpečnostní omezovač tlaku. | |
| Není dosaženo požadované teploty. | Přístroj dosahuje hranici výkonu. | Zmenšete průtok. |
Indikace světelné diody

1 Červená indikace při poruše
2 Žlutá indikace v topném režimu
3 Zelená indikace při napájení elektroniky
Aktivace bezpečnostního omezovače tlaku

text_image
1 2 D00000397691 Jednopólový bezpečnostní omezovač tlaku
MTE 440 / MTE 570
2 Dvoupólový bezpečnostní omezovač tlaku MTE 350 / MTE 650
14. Údržba

NEBEZPEČÍ - úraz elektrickým proudem Při všech činnostech odpojte přístroj na všech pó- lech od sítě.
Vypuštění prístroje

NEBEZPEČÍ - opaření Při vypouštění může vytékat horká voda.
Pokud je nutné prístroj z důvodu údržby nebo při nebezpečí zamrznutí z důvodu ochrany kompletní instalace vyprázdnit, postupujte takto:
» Uzavřete ventil na přívodu studené vody.
» Otevřete odběrný ventil.
» Odpojte od přístroje vodovodní přípojky.
Instalace - pro instalačního technika
Vyčistění sítka
Vestavěné sitko lze vyčistit po demonzáži přívodu studené vody.

Kontrola ochranného vodiče
» Zkontrolujte ochranný vodič (v Německu např. BGV A3) na kontaktu ochranného vodiče a na připojovacích hrdlech přístroje.
Uložení prístroje
» Demontovaný přístroj skladujte tak, aby byl chráněn před mrazem. Případné zbytky vody v přístroji mohou zmrznout a způsobit škody.
Výměna přívodního vedení u systému MTE 570
» U systému MTE 570 musíte v případě výměny použít elektrické přívodní vedení s průřezem 4 mm².
15. Technické údaje
15.1 Rozměry a přípojky

text_image
c01 c06 30 143 4,8 28 120 190 95 165 20 b02 b03 82 D0000018336| b02 Průchodka el. rozvodu I | ||
| b03 Průchodka el. rozvodu II | ||
| c01 Vstup studené vody | Vnější závit | G 3/8 A |
| c06 Výstup teplé vody | Vnější závit | G 3/8 A |
15.2 Schéma elektrického zapojení
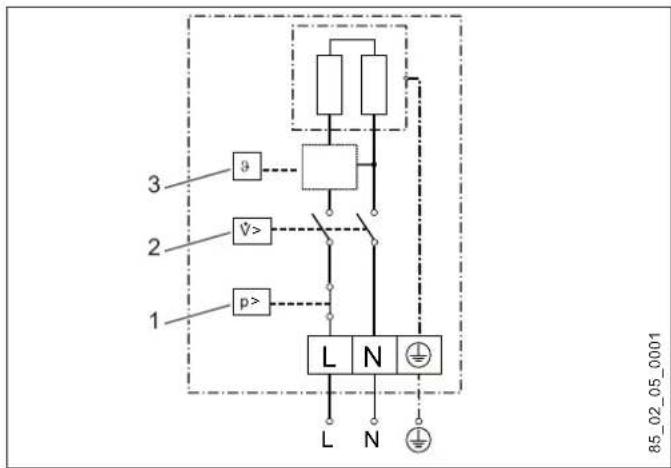
15.2.1 MTE 350
1/N/PE \~ 200-240 V

text_image
3 2 1 p> L N L N D00000353081 Bezpečnostní omezovač tlaku
2 Diferenciální tlakový spínač
3 Elektronika s čidlem výstupní teploty
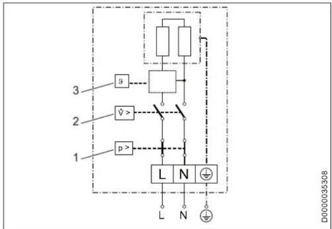
15.2.2 MTE 440 a MTE 570
1/N/PE \~ 200-240 V

1 Bezpečnostní omezovač tlaku
2 Diferenciální tlakový spínač
3 Elektronika s čidlem výstupní teploty
Věcné škody
» Při pevném připojení připojte elektrické přívodní vedení podle označení na svorce se zdířkami.
Instalace - pro instalačního technika
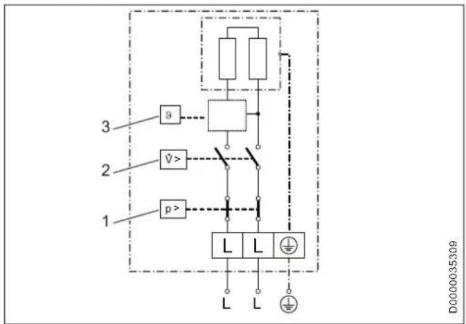
15.2.3 MTE 650
2/PE \~ 380-400 V

text_image
3 2 1 θ V̇> p> L L L L D00000353091 Bezpečnostní omezovač tlaku
2 Diferenciální tlakový spínač
3 Elektronika s čidlem výstupní teploty
15.3 Zvýšení teploty
Při napětí 230 V / 400 V dochází k následujícímu zvýšení teploty:

line
| X | 1 | 2 | 3 | 4 | | ------ | ---- | ---- | ---- | ---- | | 1.41 | 32.5 | 35.0 | 37.5 | 45.0 | | 82 | 27.5 | 30.0 | 32.5 | 40.0 | | 22 | 25.0 | 27.5 | 30.0 | 35.0 | | 63 | 22.5 | 25.0 | 27.5 | 30.0 | | 03 | 20.0 | 22.5 | 25.0 | 27.5 | | 4 | - | - | - | - |X Průtok v l/min
Y Zvýšení teploty v K
1 3.5 kW - 230 V
2 4.4 kW - 230 V
3 5,7 kW - 230 V
4 6,5 kW - 400 V
| Příklad pro MTE 350 s výkonem 3,5 kW | ||
| Objemový průtok l/min 2,0 | ||
| Zvýšení teploty K 25 | ||
| Teplota přiváděné studené vody °C 12 | ||
| Maximální možná teplota na výtoku °C 37 | ||

Upozornění
Teploty na výtoku 50 °C dosáhnete při minimálním možném průtoku a při následujících teplotách vstupní studené vody:
- MTE 350 > 17 °C
- MTE 440 > 18 °C
- MTE 570 > 13 °C
- MTE 650 > 8 °C
15.4 Oblasti použití
Měrný elektrický odpor a měrná elektrická vodivost viz „Tabulka s technickými údaji“.
| Údaj podle normy při 15 °C | 20 °C | 25 °C | ||||||
| Měrný odpor ≥ | Měrný vodi-vost ≤ | Měrný odpor ≥ | Měrný vodi-vost ≤ | Měrný odpor ≥ | Měrný vodivost ≤ | |||
| ≥ cm | mS/m | S/cm | ≥ cm | mS/m | S/cm | ≥ cm | mS/m | S/cm |
| 1000 | 100 | 1000 | 890 | 112 | 1124 | 815 | 123 | 1227 |
| 1300 | 77 | 769 | 1175 | 85 | 851 | 1072 | 93 | 933 |
15.5 Údaje ke spotřebě energie
Údaje o výrobku odpovídají nařízením EU ke směrnici o ekodesignu výrobků v souvislosti se spotřebou energie (ErP).
| MTE 350 | MTE 440 | MTE 570 | MTE 650 | ||
| 231003 | 231004 | 231216 | 232770 | ||
| Výrobce | AEG Haustechnik | AEG Haustechnik | AEG Haustechnik | AEG Haustechnik | |
| Zátěžový profil | XXS | XXS | XXS | XXS | |
| Třída energetické účinnosti | A | A | A | A | |
| Roční spotřeba el. energie | kWh | 478 | 478 | 478 | |
| Energetická účinnost | % | 39 | 39 | 39 | 40 |
| Hladina akustického výkonu | dB(A) | 15 | 15 | 15 | 15 |
| Zvláštní pokyny k měření účinnosti | žádné | žádné | žádné | žádné |
Instalace - pro instalačního technika
15.6 Tabulka údajů
| MTE 350 MTE 440 MTE 570 MTE 650 | |||||||||||||||
| 231003 231004 231216 232770 | |||||||||||||||
| Elektrotechnické údaje | |||||||||||||||
| Jmenovité napětí | V | 200 | 220 | 230 | 240 | 200 | 220 | 230 | 240 | 200 | 220 | 230 | 240 | 380 | 400 |
| Jmenovitý výkon | kW | 2,7 | 3,2 | 3,5 | 3.8 | 3,3 | 4,0 | 4,4 | 4.8 | 4,3 | 5,2 | 5,7 | 6.2 | 5,9 | 6,5 |
| Jmenovitý proud | A | 13,3 | 14,5 | 15,2 | 15.8 | 16,7 | 18,2 | 19,1 | 20 | 21,6 | 23,6 | 24,7 | 25.8 | 15,5 | 16,3 |
| Jištění | A | 16 | 16 | 16 | 16 | 20 | 20 | 20 | 20 | 25 | 25 | 25 | 32 | 16 | 20 |
| Frekvence | Hz | 50/60 | 50/60 | 50/60 | 50/60 | 50/60 | 50/60 | 50/60 | 50/60 | 50/60 | 50/60 | 50/60 | 50/60 | 50 | 50 |
| Fáze | 1/N/PE | 1/N/PE | 1/N/PE | 2/PE | |||||||||||
| Specifický odpor σ _15 ≥ (pří ∅studené ≤25 °C) | Ω cm | 1000 | 1000 | 1000 | 1000 | ||||||||||
| Specifická vodivost σ _15 ≤ (pří ∅studené ≤25 °C) | μS/cm | 1000 | 1000 | 1000 | 1000 | ||||||||||
| Specifický odpor p _15 ≥ (pří ∅studené ≤50 °C) | Ω cm | 1300 | 1300 | 1300 | 1300 | ||||||||||
| Specifická vodivost σ _15 ≤ (pří ∅studené ≤50 °C) | μS/cm | 770 | 770 | 770 | 770 | ||||||||||
| Max. impedance sitě při 50 Hz | Ω | 0,091 | 0,083 | 0,079 | 0,076 | 0,072 | 0,065 | 0,063 | 0,06 | 0,056 | 0,051 | 0,049 | 0,047 | ||
| Max. impedance sitě při 380 V / 50 Hz | Ω | 0,236 | |||||||||||||
| Max. impedance při 400 V / 50 Hz | Ω | 0,225 | |||||||||||||
| Přípojky | |||||||||||||||
| Vodovodní přípojka | G 3/8 A | G 3/8 A | G 3/8 A | G 3/8 A | |||||||||||
| Meze použitelnosti | |||||||||||||||
| Max. dovolený tlak | 1 | 1 | 1 | 1 | |||||||||||
| Max. teplota přítoku pro dodatečný ohřev | °C | 50 | 50 | 50 | 50 | ||||||||||
| Hodnoty | |||||||||||||||
| Max. teplota vstupní vody | °C | 60 | 60 | 60 | 60 | ||||||||||
| Rozsah nastavení teploty teplé vody | °C | 30-50 | 30-50 | 30-50 | 30-50 | ||||||||||
| Zap | l/min | >1,5 | >1,8 | >2,2 | >2,2 | ||||||||||
| Tlakové ztráty při objemovém proudu | 0,05 | 0,06 | 0,07 | 0,07 | |||||||||||
Instalace - pro instalačního technika
| MTE 350 MTE 440 MTE 570 MTE 650 | |||||
| Průtok pro ztráty tlaku | l/min | 1,5 | 1,8 | 2,2 | 2,2 |
| Průtok - omezení při | l/min | 2,3 | 2,8 | 3,2 | 3,2 |
| Zobrazení teplé vody | l/min | 2,0 | 2,5 | 3,2 | 3,7 |
| Δθ při zobrazení | K | 25 | 25 | 25 | 25 |
| Údaje o hydraulickém systému | |||||
| Jmenovitý objem | I | 0,1 | 0,1 | 0,1 | 0,1 |
| Provedení | |||||
| Způsob montáže nad umyvadlo | X | X | X | X | |
| Způsob montáže pod umyvadlo | X | X | X | X | |
| Beztlaková konstrukce | X | X | X | X | |
| Tlaková konstrukce | X | X | X | X | |
| Kryti (IP) | IP25 | IP25 | IP25 | IP25 | |
| Třída ochrany | 1 | 1 | 1 | 1 | |
| Izolační blok | Umělá hmota | Umělá hmota | Umělá hmota | Umělá hmota | |
| Topný systém zdroje tepla | Holá spirála | Holá spirála | Holá spirála | Holá spirála | |
| Víko a zadní stěna | Umělá hmota | Umělá hmota | Umělá hmota | Umělá hmota | |
| Barva | bílá | bílá | bílá | bílá | |
| Rozměry | |||||
| Výška | mm | 143 | 143 | 143 | 143 |
| Šířka | mm | 190 | 190 | 190 | 190 |
| Hloubka | mm | 82 | 82 | 82 | 82 |
| Hmotnosti | |||||
| Hmotnost | kg | 1,5 1,5 1,5 1,5 | |||
Záruka - životní prostředí a recyklace
Záruka
Pro přístroje nabyté mimo území Německa neplatí záruční podmínky poskytované našimi firmami v Německu. V zemích, ve kterých některá z našich dceřiných společností distribuuje naše výrobky, poskytuje záruku jenom tato dceřiná společnost. Takovou záruku lze poskytnout pouze tehdy, pokud dceřiná společnost vydala vlastní záruční podmínky. Jinak nelze záruku poskytnout.
Na přístroje zakoupené v zemích, ve kterých nejsou naše výrobky distribuovány žádnou z dceřiných společností, neposkytujeme žádnou záruku. Případné záruky závazně přislíbené dovozcem zůstávají proto nedotčené.
Životní prostředí a recyklace
Pomozte nám chránit naše životní prostředí. Materiály po použití zlikvidujte v souladu s platnými národními předpisy.
SnadnýManuál


