RTI 600 M HF - Thermostat AEG - Free user manual and instructions
Find the device manual for free RTI 600 M HF AEG in PDF.
User questions about RTI 600 M HF AEG
0 question about this device. Answer the ones you know or ask your own.
Ask a new question about this device
Download the instructions for your Thermostat in PDF format for free! Find your manual RTI 600 M HF - AEG and take your electronic device back in hand. On this page are published all the documents necessary for the use of your device. RTI 600 M HF by AEG.
USER MANUAL RTI 600 M HF AEG
Integrated Room Temperature Regulator for High Line Storage Heaters WSP 600 HF
Operating and Installation Instructions
RTi 600 M HF
Français
1. Operating Instructions For the User
1.1 Functional Principle 10
2. Installation Instructions For the Fitter
2.1 Technical Data 11
2.2 Components 11
2.3 Installation and Electrical Connection ____ 12
2.4 Circuit Diagram 13
2.5 Test of function 14
2.6 Operation 14
2.7 Transfer 14
3. Environment and recycling 14
Français
Contenu
natural_image
Close-up of hands using a screwdriver to apply plastic components to a white plastic housing (no text or symbols visible)natural_image
Hand holding a small electronic device with a light bulb inside, no visible text or symbolsnatural_image
Hand inserting a cylindrical component into a white cabinet (no text or symbols visible)natural_image
Interior view of an electrical enclosure with visible wiring and components (no text or symbols)1. Operating Instructions
RTi 600 M HF
The RTi 600 M HF room temperature regulator is a mechanical two-position controller. When the room temperature is too low, the fans of the storage heater in the RTi 600 M HF are switched on automatically and operated at constant speed.
On reaching the room temperature set on the room temperature regulator, the fans are switched off automatically by the RTi 600 M HF.
1.1 Functional Principle
The capillary tube thermostat measures the room temperature and switches the fan ON or OFF accordingly. The desired room temperature can be set continuously with the selector knob on the control panel.
If the selector knob is in the middle position, the room temperature is controlled constantly to approx. 20 °C. By turning the selector knob to the left or right, the room temperature can be set between about 7 °C and 30 °C.
When the room temperature drops below the set value, the room temperature regulator automatically switches on the storage heater fan motors so that the stored heat is blown into the room.
On very cold days it is advisable to leave the room temperature regulator switched on during long periods of absence (several days) to keep the temperature at about 10 °C for example so that the building or room does not go cold (protection against frost).
A day-acting element (supplied as an accessory) in the storage heater can be switched by means of the illuminated rocker switch. The switch lights up when the DAE is in operation.
A night-time set back of ca. 3K can be achieved by a control current on terminal TA, for instance by a manual switch, time-clock or central control
2. Installation Instructions

The room temperature regulator must be fitted by an authorised specialist under consideration of the these operation and installation instructions and the operating and installation instructions of the storage heater.
All electrical connection and installation work must be performed in accordance with the VDE regulations 0100, the regulations of the electricity supply company responsible and the pertinent national and regional regulations.
2.1 Technical Data
Temperature setting range ca. 7 °C to 30 °C
Switching range ca. 1.5K
Nominal voltage 230V \~ 50/60Hz
Max. Power draw 10 (4) A
Power draw day-acting element 230V 10A (resistive load)
Noise suppression Suppression grade N
2.2 Components
The room thermostat consists essentially of the following components:
- Setting adjuster with capillary tube thermostat and rocker switch for day-acting element
- Sensor unit with capillary sensor, plastic housing and heat-protection plate

text_image
Plastic fascia plate Adjuster knob Sensor unit Capillary tube - sensor Plastic housing Heat-protecting plate Strain relief Setting adjuster Capillary-tube thermostat Illuminated rocker switch Adapter for rocker switch2.3 Installation and Electrical Connection
- The installation and Electrical Connection may only be carried out by a competent electrician.
- Turn off all electricity supplies to the heater. To do this, interrupt the electricity supply to both the charge and the discharge circuits.

Caution: Even if the main circuit breakers are switched off, some terminals carrying on-peak current, especially terminals A1/Z1 and A2/Z2 can still be live.
- Also read the Instruction Leaflet supplied with the storage heater.
- Unscrew and remove the top screw from the left-hand side panel.
- Remove the right-hand side panel and cover panel of the storage heater. Break out the knock-outs in the side panel.
- Carefully remove the plastic fascia plate from the inside of the heater front panel using a screwdriver to gently push out the holding tabs (Fig. 1).
Attention: The angle of the screwdriver should be set as close as possible to the inside of the front panel (oblique angle prevents breakage of the fascia plate and/or chipping of the paint-work).
- Fix the capillary-tube thermostat to the fixing plate through the opening in the front panel using the M4x6 fixing screws supplied (Fig. 2).
- Push the adjuster knob on to the spindle of the capillary thermostat (Fig. 3).

Make sure that the wires are not touching any hot surfaces, that they are neither damaged nor squeezed when replacing the side panel and that no internal wiring is touchable from the outside through the air-slits.

natural_image
Close-up of hands using a screwdriver to apply material to a plastic component (no text or symbols visible)Fig. 1 Plastic fascia plate with holding tab

natural_image
Hand holding a small electronic device with a light bulb mounted on top (no visible text or symbols)Fig. 2 Fixing the capillary-tube thermostat

natural_image
Hand inserting a cylindrical device into a white cabinet (no text or symbols visible)Fig. 3 Push on adjuster knob
- Fix the sensor unit to the right hand side panel. The capillary sensor should be threaded through the heat protection plate and front the inside through the side panel (Fig. 4). Push the capillary sensor bulb into the bracket in the plastic housing.
Screw the plastic housing (outer side panel), heat protection plate and strain relief together. Use the 2.9x9.5 screws provided for this purpose (Fig. 4).
Fix the strain relief to the heater using the fixing screw of the strain relief on the fan drawer (Fig. 4).

natural_image
Interior view of an electrical enclosure with visible wiring and connections (no text or symbols)Fig. 4 Heat protection plate and strain relief
- Connect the cables of the adapter for the rocker switch to the capillary tube sensor and the panel board terminals according to circuit diagram.
- Push on the adapter for the rock switch with 3 connecting cables from interior through the opening in the front panel to the rocker switch (wide connections on top, narrow connections on the bottom). Push against the rocker switch to avoid that it snaps out of the plastic fascia plate. Connect the insulated flat connector to the free plug connection of the Rti M HF controller.
- Connect the cables from capillary-tube thermostat to the terminal strip according to the circuit diagram.
- Set in plastic fascia plate with illuminated rocker switch from the front into the opening on the front panel.
- Close the heater back up.
Attention: A minimum clearance of 10cm between the right-hand side panel and the wall of the room to be heated must be kept. The air slits in the side panel must not be covered by any objects.
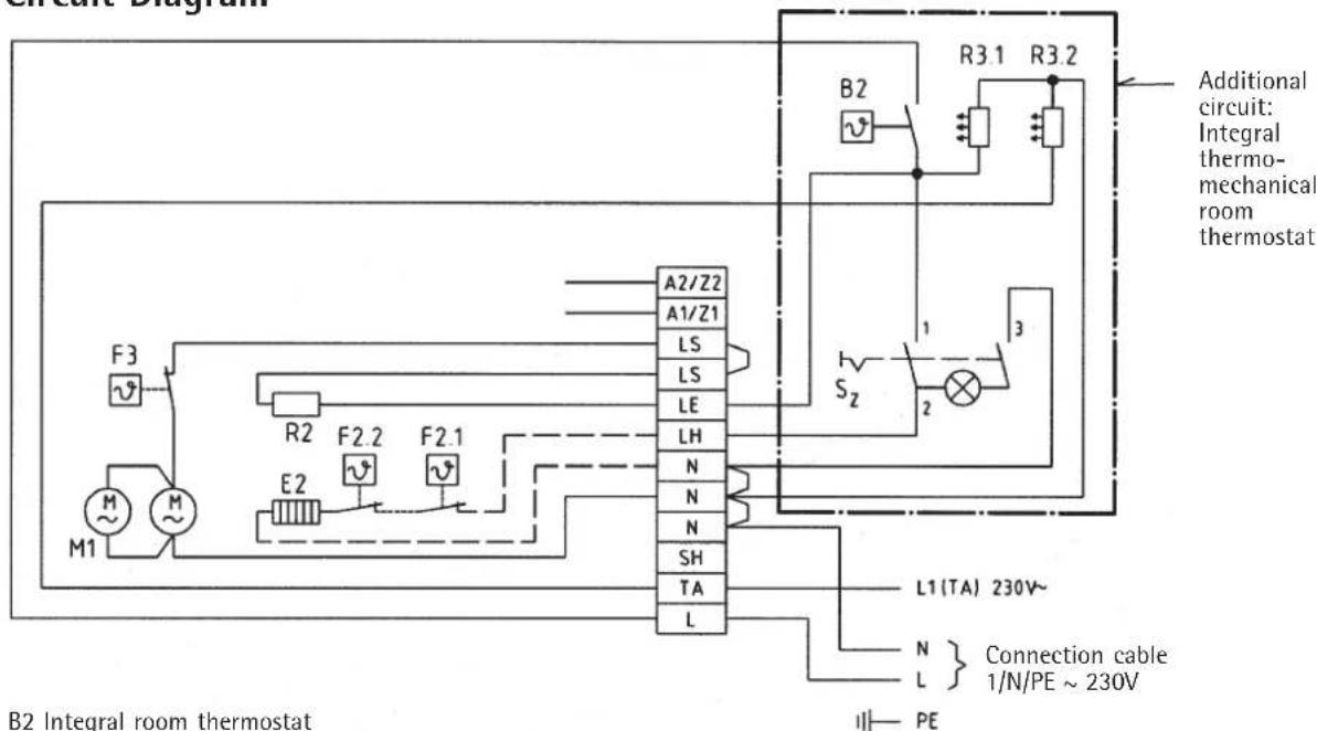
2.4 Circuit Diagram

text_image
B2 Integral room thermostat A2/Z2 A1/Z1 LS LS LE LH N N N SH TA L R2 F2.2 E2 F2.1 M1 M B2 R3.1 R3.2 Additional circuit: Integral thermo- mechanical room thermostat S₂ 1 3 2 L1(TA) 230V~ N } Connection cable L } 1/N/PE ~ 230V || PE B2 Integral room thermostatB2 Integral room thermostat
E2 Day-acting element
F2.1 Thermal release thermostat
F2.2 Safety thermostat
F3 Fan safety cut-out
M1 Fans
R2 Fan compensatory resistance
R3.1 Accelerator resistance for room thermostat
R3.2 Night set-back resistance
S_Z Illuminated rocker switch for day-acting element
TA Reducing the room temperature by 3 K
We reserve the right to make any technical changes.
The AEG Conditions of Guarantee apply.
These are to be found in the instructions supplied with the heater.
2.5 Test of function
The function of the integral room thermostat is to be tested as follows:
- Push out the adjuster knob and turn it to setting "6". The fan runs.
- Turn the adjuster knob to setting "OUT". The fan must not run.
- Only with a day-acting element: Turn the adjuster knob to setting "6" and switch the rocker switch to on. The rocker switch must light up and the day-acting element must be energised.
2.6 Operation
The adjustment range for the room temperature lies between 7 °C (Setting "1") and ca. 30 °C (Setting "6") and can be infinitely varied between these settings.
By using the rocker switch the day-acting element can be turned ON and OFF. If the rocker switch is illuminated, it shows that the DAE is switched on and that the thermostat is functioning.
Caution! The room thermostat alone is no guarantee of frost protection. The basic requirement for this is a sufficient charge in the storage heater.
2.7 Transfer
These operating and installation instructions are part of the unit and must be kept in a safe place by the user. In the case of a change of ownership they must be handed over to the new owner. The specialist must be given access to the operating and installation instructions for any repair work.
3. Environment and recycling
Please help us to protect the environment by disposing of the packaging in accordance with the national regulations for waste processing.
Guarantee
For guarantee please refer to the respective terms and conditions of supply for your country.
The installation, electrical connection and first operation of this appliance should be carried out by a qualified installer.
The company does not accept liability for failure of any goods supplied which are not installed in accordance with the manufacturer's instructions.
EasyManual