HeavyCoat 950 G SSP - Jet de peinture WAGNER - Notice d'utilisation et mode d'emploi gratuit
Retrouvez gratuitement la notice de l'appareil HeavyCoat 950 G SSP WAGNER au format PDF.
| Caractéristiques techniques | Pression maximale : 120 bars, Débit : 1,5 L/min, Poids : 5,5 kg, Capacité du réservoir : 1,5 L |
|---|---|
| Utilisation | Idéal pour les projets de peinture intérieure et extérieure, Compatible avec les peintures à base d'eau et de solvant |
| Maintenance et réparation | Nettoyage après chaque utilisation recommandé, Vérification régulière des joints et filtres |
| Sécurité | Utiliser des gants et un masque de protection, Éviter de diriger le jet vers soi ou d'autres personnes |
| Informations générales | Garantie de 2 ans, Accessoires inclus : tuyau, pistolet, filtre |
FOIRE AUX QUESTIONS - HeavyCoat 950 G SSP WAGNER
Téléchargez la notice de votre Jet de peinture au format PDF gratuitement ! Retrouvez votre notice HeavyCoat 950 G SSP - WAGNER et reprennez votre appareil électronique en main. Sur cette page sont publiés tous les documents nécessaires à l'utilisation de votre appareil HeavyCoat 950 G SSP de la marque WAGNER.
MODE D'EMPLOI HeavyCoat 950 G SSP WAGNER
conseil.paris@euromair.com
conseil@euromair.com
S Wagner Spraytech
Scandinavia A/S
Helgeshøj Alle 28
2630 Taastrup
Denmark
Tel. +45 43 27 18 18
Téléfax +45 43 43 05 28
wagner@wagner-group.dk
CZ E-Coreco s. r. o.
Na Roudne 102
301 00 Plzen
Czechia
Tel. +420 734 792 823
Téléfax 420 227 077 364
Danger de blessure par injection de produit!
Les groupes "Airless" produisent des pressions de projection extrêmement élevées.

Ne jamais exposer les doigts, les mains ou d'autres parties du corps au jet!
Ne jamais diriger le pistolet vers soi, vers d'autres personnes ou vers des animaux.
Utiliser toujours le pistolet muni de sa protection.
Ne traitez pas une blessure par injection comme simple coupure. En cas de blessure de la peau par l'injection de peintures ou de solvants, consultez sans retard un médecin. Renseignez le médecin sur la nature de la peinture ou du solvant utilisés.
Avant toute mise en service, respecter les points suivants conformément aux instructions de service:
- Ne jamais utiliser un équipement défectueux.
- Verrouiller le pistolet WAGNER par le levier de sécurité à la gachette.
- Assurer la mise à la terre correcte.
- Vérifier et respecter les pressions admissibles pour le flexible et le pistonnet.
- Contrôler l'étanchéité de tous les raccords.
Respecter sans faute les instructions relatives au nettoyage et à l'entretien réguliers du matériel.
Avant toute intervention sur le matériel et pendant chaque interruption de travail, observer les règles suivantes:
- Évacuer la pression du pistolet et du flexible.
- Verrouiller le pistolet WAGNER par le levier de sécurité à la gachette.
- Arrête le groupe.
1. Prescriptions de sécurité pour la projection airless 50
1.1 Explication des symboles utilisés 50 1.2 Sécurité en électricité 51 1.3 Sécurité du moteur à essence 52 1.4 Utilisation sur un terrain incliné 52
2. Généralités d'utilisation 53
2.1 Domaines d'utilisation 53 2.2Produits de revetement 53
3. Description du matériel 53
3.1 Le proceed Airless 53 3.2 Functionnement du matériel 53
3.3 Légende de l'illustration groupes HC avec moteur à essence 54 3.4 Illustration groupes HC avec moteur à essence 54 3.5 Légende de l'illustration groupes HC avec moteur électrique 55 3.6 Illustration groupes HC avec moteur électrique 55 3.7 Caractéristiques techniques avec moteur à essence 56 3.8 Caractéristiques techniques avec moteur électrique 57 3.9 Transport 58 3.10 Transport dans un véhicule 58 3.11 Transport par palan 58
4. Mise en service 59
4.1 Changement de position de la pompe de produit 59 4.2 Flexible à haute pression, pistonnet de projection et huile de balayage 60 4.3 Moteur à essence 60 4.4 Branchement au réseau électrique (groupes avec moteur électrique) 60 4.5 Nettoyage du produit de conversation à la première mise en service 60 4.6 Mise en service du groupe avec le produit 61
8. Nettoyage du groupe (mise hors service) 62
8.1 Nettoyage extérieur du groupe 62 8.2 Nettoyage du filtre à haute pression 62 8.3 Nettoyage du pistonet Airless 63
9. Dépannage 64
9.1 Moteur à essence 64 9.2 Moteur électrique 64 9.3 Moteur hydraulique 64 9.4 Pompe de produit 65
10. Entretien 66
10.1 Entretien général 66 10.2 Contrôle du niveau d'huile hydraulique dans le réservoir....66 10.3 Vidange d'huile et changement du filtre de la pompe hydraulique 66 10.4 Flexible à haute pression 66
11. Annexe 67
11.1 Choix des buses 67 11.2 Entretien et nettoyage de buses Airless en carbure 67 11.3 Accessoires de pistolets 67 11.4 Tableau des buses Airless.. 68/69 11.5 Tableau des buses 2Speed Tip. 70
Accessoires et pièces de rechange 96
Accessoires pour groupes HC I 96/97 Accessoires pour groupes HC II 98/99 Listedespiecesde rechangeensemble principal 100/101 Listedespiecesde rechangeensemble de chariot 102/103 Listedespieces de rechange du systeme hydraulique 104/105 Listedespieces de rechange du moteur hydraulique 106/107 List des pieces de rechange de section des liquides 108/109 Listedespieces de rechange piston àauget HC 950-SSP·HC 970-SSP. 110/111 Listedespiecesde rechange filtrehaute pression 112/113 Listedespieces de rechange convertokit electrique (230V/400V) 114 116 Listedespiecesde rechange protège-courroie 117 Listedespieces de rechangeassemblage de la soupape de décharge 118
1.1 Explication des symboles utilisés
Veuillez lire et être sûr de comprendre toutes les informations contenues dans ce manuel avant d'utiliser l'appareil. Lorsque vous pénétrez dans une zone qui contient les symboles suivants, soyez particulièrement vigilant et vérifiez que les systèmes de sécurité sont bien installés.
| ! | Ce symbole indique un risque potentiel pouvant entrainer des blessures graves ou même mortelles. Vous trouverez ci-après d'importantes consignes de sécurité. |
| ! Attention | Ce symbole indique un risque potentiel pour vous ou pour l'appareil. D'importantes informations sur la manière d'éviter tout dommage de l'équipement ou d'éviter des blessures légères sont indiquées ci-après. |
| Danger de blessure par injection de produit | |
| Danger d'incendie | |
| Risque d'explosion | |
| Vapeurs toxiques et/ou inflammables. Danger d'intoxication et de brûlure | |
| i | Les notes contiennent des informations qui doivent être conscienceusement respectées. |

RISQUE: blessure par projection
Un courant de liquide à haute pression produit par cet équipement peut encer la peau et les tissus sous-cutanés, et entraîner des blessures graves ou une amputation.
Ne traitez pas une blessure par injection comme simple coupure. En cas de blessure de la peau par l'injection de peintures ou de solvants, consultez sans retard un médecin. Renseignez le médecin sur la nature de la peinture ou du solvant utilisés.
Prevention:
- NE dirigez JAMAIS le pistolet vers une partie du corps, quelle qu'elle soit.
- NE laissez JAMAIS une partie du corps entrer en contact avec le flux de liquide. NE laissez JAMAIS votre corps au contact d'uneuite dans le tuyau de liquide.
- NE placez JAMAIS vos mains devant le pistolet. Les gants ne constituent pas un rempart suffisant contre les blessures par projection.
- Bloquez TOUJOURS la gachette du pistonlet, éteignez la pompe et vidangez toute la pression avant toute opération d'entretien, avant de nettoyer une buse ou une protection, avant de changer une buse ou si vous laissez l'appareil sans surveillance. La pression ne s'évacue pas simplement en éteignant le moteur. La vanne prime/SPRaY ou la vanne de décharge de la pression doivent être placées dans les positions souhaitées pour vidanger la pression.
- Conserve TOUJOURS la protection de la buse en place lorsque vous pulvé
- Enlevez TOUJOURS la buse de pulvérisation avant de rincer ou de nettoyer le système.
- N'utilisez JAMAIS un pistolet pulvérisateur sans blocage de gâchette et sans protection de gâchette.
- Tous les accessoires doivent pouvoir travailler à la pression de travail maximal du pulvérisateur ou au-dessus. Ceci concerne les buses de pulvérisation, les pistolets, les rallonges et le tuyau.

RISQUE: flexible à haute pression
Le tuyau de peinture peut présenter des fuites dues à l'usure, aux pincements et aux mauvaises utilisations. Toute fuite peut entraîner une projection de matériel dans la peau. Vérifie soigneusement le tuyau avant chaque utilisation.
Prevention:
- Examiner soigneusement le flexible à haute pression avant chaque utilisation.
- Remplacer immédiatement un tuyau flexible haute pression endommagé.
- Ne jamais essayer de réparer un tuyau flexible haute pression endommagé!
- Éviter de le plier ou courber de manière trop prononcée, rayon de courbure minimum d'env. 20 cm.
- Protégier le flexible contre le passage de véhicules et éviter le frottement sur des arêtes vives.
- Ne jamais tirer sur le flexible à haute pression pour déplacer l'appareil.
- Ne pas tordre le flexible à haute pression.
- Ne pas placer le flexible à haute pression dans du solvant. Essuyer l'extérieur uniquement avec un chiffon imbibé.
- Poser le flexible à haute pression de façon à éviter les risques de trébuchement.

Pour des raisons de fonctionnement, de sécurité et de durée de vie, utiliser exclusivement des tuyaux flexibles à haute pression d'origine de WAGNER.

RISQUE: explosion et incendie

Les vapeurs inflammables, telles que les vapeurs de solvant et de peinture, dans une zone de travail peuvent s'enflammer ou exploser.
Prevention:
- Servez-vous de l'équipement dans un endroit bien aéré. Faites circuler beaucoup d'air frais dans l'endroit afin d'éviter l'accumulation de vapeurs inflammables dans la zone de pulvérisation. Entrepousez l'ensemble de la pompe dans un endroit bien aéré. Ne pulvérisez pas l'ensemble de la pompe.
- Modèles électriques uniquement - N'utilise pas de peintures ayant un point d'éclair sous 38°C (100^). Le point d'éclair est la température à laquelle un liquide peut produire suffisamment de vapeurs pour s'enflammer.
- Modèles à essence uniquement - Ne faites jamais le plein lorsque le moteur est en marche ou chaud. Éteignez le moteur et laissez-le refroidir. L'essence est inflammable. Elle peut s'enflammer ou s'exposer si on en renverse sur une surface chaude.
- Éliminez toutes les sources d'inflammation, comme les veillées, les cigarettes, les lampes électriques portatives et les toiles de protection en plastique (risque d'arc statique).
- Gardez la zone de travail exempte de débris, y compris des solvants, des chiffons et d’essence.
- Ne branchez ou ne débranchez pas les cordons d'alimentation, ne mettez pas l'appareil en marche, n'allumez ou n'éteignez pas les lumières lorsque des vapeurs inflammables sont présentes.
- Mettez à terre l’équipement et les objets conducteurs dans la zone de travail. Assurez-vous que le câble de mise à la terre (non inclus) relié la patte de mise à la terre à une prise de terre réelle. Utilisez uniquement des tuyaux mis à la terre. Tenez le pistolet de pulvérisation fermement contre le côté d’unseau mis à la terre lorsqu’vous pulvériser dans leseau.
- S'il y a production d'étincelles statiques ou si vous ressentez un choc, arrêtez le fonctionnement immédiatement.
- Soyez au courant du contenu de la peinture et des solvants à pulvériser. Lisez toutes les fiches signalétiques (FS) et les étiquettes des récipients de peinture et de solvant. Suivez les consignes de sécurité du fabricant de peinture et du solvant.
- N'utilise pas de peinture ou de solvant contenant des hydrocarbures hydrogènes, comme du chlore, de l'eau de Javel, un agent anti-moisissure, du chlorure de méthylène et du trichloroethane. Ils ne sont pas compatibles avec l'aluminium. Communique avec le fournisseur de revêtement au sujet de la compatibilité du produit avec l'aluminium.
- Gardez un extincteur dans la zone de travail.

RISQUE: vapeurs dangereuses
Les peintures, solvants, et autres matériaux peuvent être nocifs en cas d'inhalation ou de contact avec la peau. Les vapeurs peuvent entraîner de sérieuses nausées, des syncope ou des empoisonnements.
Prevention:
- Pendant le travail de protection, porter un masque respiratoire. Lisez attentivement toutes les instructions fournies avec le masque pour vous assurer qu'il fournit bien la protection nécessaire.
- Tous les règlements locaux en matière de protection contre les vapeurs toxiques doivent être respectés.
- Portez des protections oculaires.
- Pour protéger la peau, il est nécessaire de porter des vêtements de protection, des gants et d'utiliser éventuellement une crème de protection de la peau. Observer les prescriptions des fabricants au sujet des produits de peinture, de nettoyage et des solvants pendant la préparation, la mise en œuvre et le nettoyage du matériel.

RISQUE: généralités -
peut entraîner des blessures sévères ou des dégâts matériels.
Prevention:
- Respectez toutes les règlementations locales et nationales concernant la ventilation, la prévention des incendies et le fonctionnement.
- Lorsque vous appuyez sur la détente, il se produit un mouvement de recul de la main qui tient le pistolet pulvérisateur. Le recul du pistolet pulvérisateur est particulièrement puissant lorsque la buse a été démontée et lorsque la pompe sans air a été réglée sur une pression élevée. Lors du nettoyage sans buse, régalez donc le bouton de contrôle de la pression sur la pression minimale.
- N'utilise que des piè èces qui ne correspondent pas aux spécifications minimales et aux dispositifs de sécurité du fabricant de la pompe.
- Respectez TOUJOURS les consignes du fabricant du matériel pour manipuler la peinture et les solvants en toute sécurité.
- Nettoyez immédiatement les matériaux tombés et le solvant déversé accidentellement, afin d'éviter les risques de glissade.
- Munissez-vous d'une protection auditive. Le bruit émis par cet appareil peut dépasser les 85 dB(A).
- Ne laissez jamais cet outil sans surveillance. Tenez-le hors de portée des enfants ou des personnes non familières avec le fonctionnement des équipements sans air.
- Ne vaporisez pas à l'extérieur en cas de vent.
- L'appareil et tous ses liquides (p. ex., huile hydraulique) doivent être détruits sans danger pour l'environnement.
1.2 Sécurité en électricité
Les modèles électriques doivent être reliés à la terre. En cas de court-circuit électrique, la mise à la terre réduit les risques de choc électrique en fournissant un fil d'échappement pour le courant électrique. Ce produit est équipé d'un câble avec un fil de mise à la terre et une fiche de mise à la terre adaptée. Branchement au réseau seulement par un point d'alimentation special, par exemple par un disjoncteur à courant de défaut de INF<30 mA.

DANGER — Les travaux ou réparations sur l'équipement électrique doivent être confiés uniquement à un electricien qualifié. Nous déclinons toute responsabilité en cas d'installation inappropriée. Arrête l'appareil. Avant toutes réparations, tire la fiche de la prise de courant.
DANGER — Court-circuit par la pénétration d'eau dans l'équipement électrique. Ne jamais nettoyer le matériel avec un jet d'eau ou de vapeur sous haute pression.
Travaux et réparations sur l'équipement électrique:
Faire effectuer ces interventions uniquement par un electricien. Nous déclinons toute responsabilité dans le cas d'une installation incorrecte.
1.3 Sécurité du moteur à essence

Placez toujours le vaporisateur hors de la structure, à l'air libre. Conservez tous les solvants à l'écart de l'échappement du moteur. Ne replissez jamais le réservoir à essence lorsque le moteur est chaud ou en marche. Les surfaces chaudes peuvent enflammer l'essence déversée. Reliez always the fil de mise à la masse de la pompe à un objet relié à la masse. Consultez le manuel d'utilisateur du moteur pour plus d'informations concernant la sécurité.
- Les moteurs à essence sont conçus pour offrir un service sûr et stable à condition d'être utilisés conformément aux instructions. Lisez attentivement et assurez-vous de bien comprendre le Manuel d'utilisation du fabricant du moteur avant d'utiliser le moteur. Dans le cas contraire, vous pourriez vous blesser ou endommager l'équipement.
- En vue d'éviter tout risque d'incendie et de fournir une ventilation ajustée, conservez le moteur à 1 mètre (3 pieds) minimum de tout bâtiment et de tout autre équipement pendant son fonctionnement. Ne placez pas d'objets inflammables à proximité du moteur.
- Les personnes qui n'utilisent pas l'appareil doivent s'en éloigner afin d'éviter le risque de brûlures des composants chauds du moteur ou le danger de blessures provenant de l'équipement utilisé pour faire fonctionner l'appareil.
- Sachez comment arrêter rapidement le moteur, et veillez à bien comprendre le fonctionnement de toutes les commandes. N'autorisez jamais personne à utiliser le moteur sans prendre connaissance des instructions établies.
- L'essence est un produit extrêmement inflammable pouvant exposer sous certaines conditions.
- Faites le plein d'essence dans une zone suffisamment ventilée, le moteur à l'arrêt. Ne fumez pas et évitez tout flamme ou étincelle dans la zone d'alimentation en essence ou dans le lieu où est stockée l'essence.
- Ne remplissez pas trop le réservoir d'essence. Après avoir fait le plein d'essence, assurez-vous que le couvercle du réservoir est correctement et solidement refermé.
- Faites attention à ne pas répandre de l'essence lors du remplissage du réservoir. Les vapeurs d'essence ou l'essence répandue sont susceptibles de s'enflammer. Si vous venez à déverser de l'essence, assurez-vous que la zone est bien sèche avant de mettre le moteur en marche.
- Ne faites jamais fonctionner le moteur dans un espace clos ou confiné. L'échappement contient du monoxyde de carbone toxique; toute exposition pourrait occasionner une perte de connaissance, voir entraîner la mort.
- Le pot d'échappement devient extrêmement chaud pendant le fonctionnement et reste chaud pendant un certain moment même après l'arrêt du moteur. Veillez à ne pas toucher le pot d'échappement lorsqu'il est chaud. En vue d'éviter de sérieuses brûlures ou des risques d'incendie, laissez refroidir le moteur avant de le transporter ou de le ranger à l'intérieur.
- Ne déplacez/transportez jamais le pulvérisateur lorsqu'il y a de l'essence dans le réservoir.

N'UTILISEZ PAS cet appareil pour pulvériser de l'eau ou de l'acide.
1.4 Utilisation sur un terrain incliné
La partie avant du groupe doit être montrée vers le bas afin d'éviter un déplacement involontaire.

2.1 Domaines d'utilisation
Couches de fond et de finition de surfaces importantes, scellement, imprégnation, assainissement de bâtiments, protection et rénovation de façades, protection antirouille et de bâtiments, revêtement de toits, assainissement de béton, protection anticorrosion lourde.
Exemples de travaux
Génie civil, tours de refroidissement, ponts, stations d'épuration et toits plats.

Veiller à la qualité airless des produits utilisés.
Peintures latex, peintures pour façades, revêtements de toits et de sols, produits de protection ignifuge et anticorrosion, peintures à base de mica et de zinc, enduits à projeter de qualité Airless, colles à projeter, produits anticorrosion, revêtements écaillés et produits de revêtement bitumineux.
Mise en œuvre d'autres produits seulement avec l'accord de WAGNER.
HC 950-SSP
Avec les accessoires appropriés spécialement prévus pour la mise en œuvre d'enduits à projeter de qualité Airless (Taille de l'objet : 200-800 m²).
HC 970-SSP
Spécialement prévu pour la mise en œuvre d'enduits à projeter de qualité Airless (Taille de l'objet : plus de 800 m²).
Malgré l'utilisation d'un filtre de haute pression, le filtrage du produit est généralement recommandé (Sauf au moment de manipuler le produit de jointoiement sans air).
Bien remuer le produit, avant l'utilisation.

Viscosité
Le matériel permet la mise en œuvre de produits de haute viscosité. Si les produits à haute viscosité ne sont pas aspirés, diluer conformément aux prescriptions du fournisseur.
Produits à deux composants
Respecter scrupuleusement le temps d'utilisation correspondant (vie en pot). Rincer et nettoyer le matériel à l'intérieur de ce temps avec le produit de nettoyage ajustat.
Produits à charges abrasives
Ces produits entraînent une forte usure des vannes, flexible, pistonet et buse. La durée utile de ces éléments peut ainsi être fortement réduite.
3. Description du matériel
Le domaine principal d'utilisation est l'application de couches épaisses de produits visqueux sur grandes surfaces avec débit élevé.
La pompe à piston aspire le produit et le refoule sous pression vers la buse.
En passant par l'orifice de la buse avec une pression de maximum 25 MPa (250 bar), le produit est éclaté en très fines particules.
Etant donné l'absence d'air dans ce système, il est connu sous le nom "AIRLESS" (sans air).
Ce procédé de projection comporte les avantages tels que pulvérisation très fine, peu de brouillard, surfaces lisses sans bulles. À part ces avantages, il y a lieu de mentionner la vitesse de travail et la maniabilité.
3.2 Fonctionnement du matériel
Pour mieux comprendre le fonctionnement, voici une brève description de la conception technique:
Wagner HC 950·970 sont des groupes de projection à haute pression entraînés par moteur à essence ou moteur électrique.
Le moteur à essence ou moteur électrique (fig. 2, pos. 1) entraîne la pompe hydraulique (3) par l'intermédiaire de la courroie trapézoidale sous sa protection (2). L'huile hydraulique arrive au moteur hydraulique (4) et imprime au piston de la pompe de produit (5) un mouvement de montée et de descente.
En ce qui concerne le matériel HC 950-SSP et HC 970-SSP, le piston de la pompe de produit agit sur un piston à auget (6) qui refoule les produits de revêtement les plus visqueux.
À la montée du piston, la vanne d'aspiration s'ouvre automatiquement. À la descente du piston, le clapet de refoulement s'ouvre.
Le produit est refoulé sous haute pression par le flexible au pistolet où il est éclaté en passant par la buse.
La vanne de réglage de pression (7) règle le débit ainsi que la pression de fonctionnement.

3.3 Légende de l'illustration groupes HC avec moteur à essence
1 Pistolet de projection 2 Flexible à haute pression 3 Moteur à essence 4 Timon extensible 5 Courroie trapézoidale sous sa protection 6 Tuyau de retour 7 Tube d'aspiration 8 Filtre à haute pression 9 Pompe de produit - HC 950, HC 970 10 Pompe de produit — HC 950-SSP, HC 970-SSP 11 Manomètre 12 Ouverture de remplissage pour l'huile de bain (l'huile de bain empêche usure rapide des garnitures)
13 Vanne à bille levier horizontal - moteur hydraulique arrêté levier vertical - moteur hydraulique marche 14 Poignée de pivotement de la pompe de produit 15 Moteur hydraulique 16 Poignée de la vanne de décharge tourner à gauche circulation tourner à droite projection 17 Pompe hydraulique 18 Bouton de réglage de pression 19 Jauge de niveau d'huile

3.5 Légende de l'illustration groupes HC avec moteur électrique
1 Pistol de projection 2 Flexible à haute pression 3 Moteur electrique 4 Interrupteur MARCHE/ARRET 5 Des que la fiche de réseau est branchée, le voyant vert s'allume 6 Cordon d'alimentation 7 Timon extensible 8 Courroie trapezoidale sous sa protection 9 Tuya de retour 10 Tube d'aspiration 11 Filtre à haute pression 12 Pompe a produit - HC 950, HC 970 13 Pompe à produit — HC 950-SSP, HC 970-SSP
14 Manomètre 15 Ouverture de remplissage pour l'huile de balayage (l'huile de balayage empêche usure rapide des garnitures) 16 Vanne à bille levier horizontal - moteur hydraulique arrêté levier vertical - moteur hydraulique marche 17 Poignée de pivotement de la pompe de produit 18 Moteur hydraulique 19 Poignée de la vanne de décharge tourner à gauche circulation tourner à droite projection 20 Pompe hydraulique 21 Bouton de réglage de pression 22 Jauge de niveau d'huile
3.6 Illustration groupes HC avec moteur électrique

3.7 Caractéristiques techniques avec moteur à essence
| Mateur à essence, puissance | ||||
| 4,1 kW: * * | ||||
| 6 kW: * * | ||||
| Pression de service maximale | ||||
| 25 MPa (250 bar): * * * * | ||||
| Débit maximum | ||||
| 8 l/min: * * | ||||
| 12 l/min: * * | ||||
| Débit à 120 bar (12 MPa) mesure avec de l'eau | ||||
| 7,6 l/min: * * | ||||
| 11 l/min: * * | ||||
| Orifice de buse maximum avec un pistonlet | ||||
| 0,052 inch - 1,30 mm: * * | ||||
| 0,056 inch - 1,42 mm: * * | ||||
| Raccord de la sortie du fluide | ||||
| 3/8 inch - 9,5 mm: * | ||||
| 1/2 inch - 12,7 mm: * * * | ||||
| Température maximal du produit | ||||
| 43°C: * * * * | ||||
| Viscosité maximal | ||||
| 50.000 mPa·s: * * | ||||
| 65.000 mPa·s: | * * | |||
| Cartouche filtrante (équipement standard) | ||||
| 0 Maschen: | * * * * | |||
| Poids | ||||
| 76 kg | * * | |||
| 88 kg * * | ||||
| Capacité d'huile hydraulique | ||||
| 4,7 I ISO 32: | * * * * | |||
| Pression maximale de gonflage des pneus | ||||
| 0,2 MPa (2 bar): | * * * * | |||
| Flexible spécifique à haute pression | ||||
| DN 10 mm, 15 m, raccord NPSM 3/8: | * | |||
| DN 13 mm, 15 m, raccord NPSM 1/2: * * * | ||||
| Fouet du flexible | ||||
| DN 10 mm, 2.5 m, raccord NPSM 3/8: | * * * | |||
| Encombrement longueur-largeur-hauteur | ||||
| 1185 x 955 x 655 mm: | * * | |||
| 1200 x 955 x 655 mm: | * * | |||
| Niveau sonore maximum | ||||
| 92 dB (A)* | * * | |||
| 98 dB (A)* | * * | |||
- lieu de mesure: distance latérale au matériel 1 m, à 1,60 m du sol, pression de fonctionnement 120 bar (12 MPa), sol réverberant.
3.8 Caractéristiques techniques avec moteur électrique
| Tension | ||||
| 230 V~, 50 Hz: ** | ||||
| 400 V, 50 Hz, V3~: ** | ||||
| Fusible | ||||
| 16 A: ** ** | ||||
| Cordon d'alimentation | ||||
| 3 x 2.5 mm² - 6 m: ** | ||||
| 5 x 2.5 mm² - 6 m: ** | ||||
| Puisance absorbée | ||||
| 3,6 kW: ** | ||||
| 5,5 kW: ** | ||||
| Pression de service maximale | ||||
| 25 MPa (250 bar): ** ** | ||||
| Débit maximum | ||||
| 6,6 l/min: ** | ||||
| 10 l/min: ** | ||||
| Débit à 120 bar (12 MPa) mesure avec de l'eau | ||||
| 5,2 l/min: ** | ||||
| 10 l/min: ** | ||||
| Orifice de buse maximum avec un pistolet | ||||
| 0,052 inch - 1,30 mm: ** | ||||
| 0,056 inch - 1,42 mm: | ** | |||
| Raccord de la sortie du fluide | ||||
| 3/8 inch - 9,5 mm: | * | |||
| 1/2 inch - 12,7 mm: | *** | |||
| Température maximale du produit | ||||
| 43°C: | *** | |||
| Viscosité maximal | ||||
| 50.000 mPa·s: | ** | |||
| 65.000 mPa·s: | ** | |||
| Cartouche filtrante (équipement standard) | ||||
| 0 Maschen: | *** | |||
| Poids | ||||
| 83 kg | * | |||
| 84,5 kg | * | |||
| 100 kg | * | |||
| 103 kg | * | |||
| Capacité d'huile hydraulique | ||||
| 4,7 l ISO 32: | *** | |||
| Pression maximaile de gonflage des pneus | ||||
| 0,2 MPa (2 bar): | *** | |||
| Flexible spéciale à haute pression | ||||
| DN 10 mm, 15 m, raccord NPSM 3/8: | * | |||
| DN 13 mm, 15 m, raccord NPSM 1/2: *** | ||||
| Fouet du flexible | ||||
| DN 10 mm, 2.5 m, raccord NPSM 3/8: | *** | |||
| Encombrement longueur-largeur-hauteur | ||||
| 1185 x 955 x 655 mm: | ** | |||
| 1200 x 955 x 655 mm: | ** | |||
| Niveau sonore maximum | ||||
| 80 dB (A)* | ** | |||
| 88 dB (A)* | ** | |||
- lieu de mesure: distance latérale au matériel 1 m, à 1,60 m du sol, pression de fonctionnement 120 bar (12 MPa), sol réverberant.
Température de fonctionnement
Cet équipement fonctionnera correctement à sa température ambianté visée, entre +10°C et +40°C au moins.
Humidité relative
Cet équipement fonctionnera correctement dans un milieu ayant une humidité relative de 50%, à +40°C. Une humidité relative plus élevée peut être permise à des températures plus basses.
L'acheteur doit prendre des mesures afin d'éviter les effets destructeurs de la condensation accidentelle.
Altitude
Cet équipement fonctionnera correctement jusqu'à 2 100 m au-dessus du niveau moyen de la mer.
Transport et entreposage
Cet équipement résistera aux températures de transport et d'entreposage entre -25°C et +55°C et jusqu'à +70°C pour des périodes courtes, ou il est protégé pour résister à ces températures.
Son emballage prévient les dommages des effets de l'humidité, de la vibration et des coups normaux.
3.9 Transport

Ne vous servez pas de la poignée du chariot pour soulever lors du chargement ou du déchargement. L'appareil est très lourd. Trois personnes sont nécessaires pour les soulever.
Pour pousser le groupe
Tirer la poignée (fig. 5, pos. 1) en butée. Pour la rentrer, appuyer sur les boutons (2), puis rentrer la poignée.

3.10 Transport dans un véhicule
Pousser le gouchoir d'arrêt (fig. 6, pos. 1) dans le dispositif de pivotement (2) de la pompe de produit (3) et pivoter cette dernière en position horizontale. Veiller à ce que le goujon d'arrêt s'engage.
Enrouler le flexible à haute pression autour de la fixation de la poignée de transport.
Fixer et assurer le groupe par des moyens appropriés.

3.11 Transport par palan
Points d'accrochage des élingues ou cordes. Voir fig. 7.

4.1 Changement de position de la pompe de produit

Danger de contusions pour les doigts et les pieds par les parties mobiles du dispositif de pivotement.
- Saisir la poignée (fig. 8, pos. 1) avec une main.
- Poussez la goupille d'arrêt (2) avec l'autre main.
- Pivoter la pompe de produit à la position désirée en haut ou en bas jusqu'à ce que la goupille d'arrêt (2) s'engage à la nouvelle position.

1. Position de transport (fig. 9)
Pendant le transport du groupe, la pompe de produit doit être tournée en position horizontale.
Pivoter la pompe de produit en position horizontale pour la sortir du réservoir de produit.
Veiller à ce que le goujon d'arrêt s'engage.

2. Position de travail i (fig. 10)
Pivoter la pompe de produit en position verticale pour la plonger dans le réservoir de produit.

3. Position de travail II (fig. 11)
En utilisant le système d'aspiration pour conteneur (accessoire), incliner la pompe de produit à. Dans cette position, il y a de l'espace libre sous la pompe de produit.

4.2 Flexible à haute pression, pistonnet de projection et huile de balayage
- Visser le flexible à haute pression (fig. 12, pos. 1) sur le raccord (2).
- HC 950-SSP • HC 970 et HC 970-SSP : visser le raccord double (3) dans le flexible de haute pression.
Visser la jonction flexible (4).
- Visser le raccord (5) sur le pistolet (6).
- Visser le pistolet avec la buse sélectionnée soit sur le flexible de haute pression, soit sur la jonction flexible (4).
- Serrer fermement les écrous de fixation du flexible de haute pression et, le cas échéant, de la jonction flexible pour éviter des fuites de produit.
6. Remplir EasyGlide (fig. 13). Éviter le trop-plein qui pourrait s'écouler dans le réservoir de produit.

EasyGlide empêche l'usure prématurée des garnitures.

4.3 Moteur à essence (groupes avec moteur à essence)
- Remplir l'huile de moteur fournie.
Le moteur à essence est transporté sans huile.
L'indicateur du niveau d'huile empêche un démar rage sans niveau d'huile suffisant.
Qualité et quantité d'huile, voir notice d'utilisation du moteur.
- Remplir le réservoir d'essence.
Voir à ce sujet la notice d'utilisation du moteur.
4.4 Branchement au réseau électrique (groupes avec moteur électrique)
Attention
Le branchement doit être fait sur une prise mise à la terre selon les prescriptions.
Avant le branchement, contrôle si la tension du réseau correspond à la valeur indiquée sur la plaque signalétique du groupe.
Dès que la fiche de réseau est branchée, le voyant vert s'allume.
4.5 Nettoyage du produit de conservation à la première mise en service
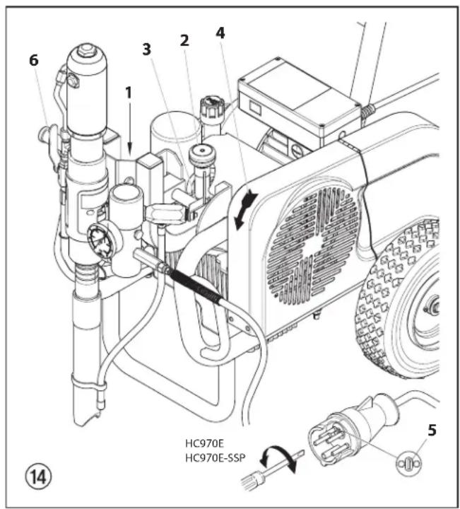
- Pousser la goupille d'arrêt (fig. 14, pos. 1) et pivoter la pompe de produit dans un réservoir contenant un produit de nettoyage approprié.
- Tourner le bouton de réglage de la pression (2) à la pompe hydraulique à gauche en butée (réduction de la pression).
- Tourner le poignée de la vanne de décharge (3) entièrement vers la gauche (circulation).
- Démarrer le moteur à essence ou moteur électrique. a. Démarrer le moteur à essence, voir notice d'utilisation. b. Démarrer le moteur électrique: HC 950 - Tourner l'interrupteur sur 1 (MARCHE). HC 970 - Tourner le bouton d'interrupteur d'abord sur Y, ensuite sur (MARCHE).

Le sens de rotation de la poulie doit correspondre au sens de la flèche (4) sur la protection de courroie. Si la poulie tourne contraire au sens de la flèche : Arrête le groupe O (ARRET). Tire la fiche de secteur, et avec un tournevis, tourne de l'inverseur de polarité (5) dans la fiche de secteur. Remette la fiche dans la prise.
- Placer le levier de la vanne à bille (6) sur la pompe de produit en position verticale pour permettre le démarrage du moteur hydraulique. L'huile hydraulique arrive au moteur hydraulique de la pompe de produit.
- Tourner le bouton de réglage de la pression (2) à droite (pour augmenter la pression) jusqu'à ce que le produit de nettoyage s'écoule du tuyau de retour.
- Tourner le poignée de la vanne de décharge (3) entièrement vers la droite (projection).
- Tirer la gachette du pistolet.
- Projeter le produit de nettoyage contenu dans le groupe dans un réseau ouvert.

4.6 Mise en service du groupe avec le produit

Si le groupe est placé sur un sol non conducteur, par exemple un sol en bois, il y a lieu de le mettre à la terre avec un câble de mise à la masse.
- Poussez la goupille d'arrêt (fig. 14, pos. 1) et pivotez la pompe de produit dans le réservoir de produit.
- Tourner le bouton de réglage de la pression (2) à la pompe hydraulique à gauche en butée (réduction de la pression).
- Tourner le poignée de la vanne de décharge (3) entièrement vers la gauche (circulation).
- Démarrer le moteur à essence ou moteur électrique.
a. Démarrer le moteur à essence, voir notice d'utilisation. b. Démarrer le moteur électrique: HC 950 - Tourner l'interrupteur sur 1 (MARCHE). HC 970 - Tourner le bouton d'interrupteur d'abord sur Y, ensuite sur (MARCHE).

Le sens de rotation de la poulie doit correspondre au sens de la flèche (4) sur la protection de courroie. Si la poulie tourne contrairement au sens de la flèche : Arrête le groupe O (ARRET). Tire la fiche de secteur, et avec un tournevis, tourne de l'inverseur de polarité (5) dans la fiche de secteur. Remette la fiche dans la prise.
- Placer le levier de la vanne à bille (6) sur la pompe de produit en position verticale pour permettre le démarrage du moteur hydraulique. L'huile hydraulique arrive au moteur hydraulique de la pompe de produit.
- Tourner le bouton de réglage de la pression (2) à droite (pour augmenter la pression) jusqu'à ce que le produit s'écoule du tuyau de retour.
- Tourner le poignée de la vanne de décharge (3) entièrement vers la droite (projection).
- Tirer la gachette du piston et régler la pression de service désirée avec le bouton de réglage (2).
- Le groupe est prêt à projeter.
5. Technique de projection
Pendant la projection, déplacer le pistolet régulièrement afin que la surface traitée devienne aussi régulière que possible. Le mouvement doit venir du bras et non pas du poignet, afin de respecter une distance parallèle entre le pistolet et le support à traiter de 30 cm environ. Les bords de projection ne doivent pas être trop nets, la distance entre le pistolet et le support sera donc choisie en conséquence. La passe suivante permettra de recouvrir les bords restés assez flous de la passe précédente. Si le pistolet est toujours déplacé parallèlement au support et dans un angle de, la formation de brouillard sera minimale.

Si les bords de projection sont trop nets ou s'il y a des bandes dans le jet, il faut soit augmenter la pression de projection, soit diluer davantage le produit.
6. Manipulation du flexible à haute pression
Le groupe est équipé d'un flexible spécifique adapté aux pompes à piston.

Ne jamais utiliser un flexible défectueux. DANGER de blessure! Ne jamais essayer de réparer un flexible endommagé.
Le tuyau flexible haute pression doit être traité avec soin. Il faut éviter de trop plier le flexible; le plus petit rayon ne doit pas être inférieur à 20 cm.
Protégez le flexible contre le passage de véhicules et évitez le frottement sur des arêtes vives.
Ne jamais tirer sur le flexible à haute pression pour déplacer l'appareil.
Faire attention à ne pas tordre le flexible à haute pression. Cela peut être évité en utilisant un pistolet pulvérisateur de Wagner avec une articulation pivotante et un dévidoir de tuyau.

Pour la manipulation du tuyau flexible à haute pression lors de travaux sur un échafaudage, il s'est avéré comme le plus avantageux de toutes laisser le tuyau flexible du côté extérieur de l'échafaudage. Le risque d'endommagements s'accroît dans le cas des derniers flexibles à haute pression. Wagner recommande de remplacer le flexible à haute pression au bout de 6 ans.
Pour des raisons de fonctionnement, de sécurité et de durée de vie, utiliser exclusivement des tuyaux flexibles à haute pression d'origine de WAGNER.
7. Interruptions de travail
- Fermer la vanne à bille sur la pompe de produit - position horizontale du levier. La circulation d'huile hydraulique vers le moteur hydraulique de la pompe de produit est interrompue.
- Tourner le poignée de la vanne de décharge entièrement vers la gauche (circulation).
- Arrête le moteur à essence ou moteur électrique.
- Tirer la gachette du pistolet pour décharger la pression dans le flexible à haute pression et le pistolet.
- Verrouiller le pistolet, voir notice du pistolet.
- Pour le nettoyage d'une buse standard, voir page 67, point 11.2. Si une buse d'un autre type est montée, voir la notice y relative.
- Laisser le tube d'aspiration dans le produit ou le plonger dans un produit de nettoyage adéquat.
Attention
Lors de la mise en œuvre de peintures à séchage rapide ou d’un produit à deux composants, rincer sans faute le groupe à l’intérieur du temps d’utilisation avec le produit de nettoyage ajustat.
8. Nettoyage du groupe (mise hors service)
La propriété est le garantie la plus sûre pour un fonctionnement sans incidents. Après avoir terminé le travail, nettoyer le matériel. Il faut éviter absolument que des restes du produit sèchent dans le groupe. Le produit utilisé pour le nettoyage (point éclair supérieur à 21°C) doit correspondre au produit de revêtement employé.
- Verrouiller le pistolet, voir mode d'emploi du pistolet
Démonter et nettoyer la buse.
Buse standard, voir page 67, point 11.2. Si une buse d'un autre type est montée, voir la notice y relative.
- Pousser la goupille d'arrêt et pivoter la pompe de produit pour la sortir du produit.
- Tirer la gachette du pistolet pour pomper le reste de produit contenu dans le tube d'aspiration, le flexible et le pistolet dans un récipient ouvert.

En cas de produits à base de solvant, le récipient doit être mis à la terre.

Prudence! Ne pas pomper ou projeter dans un récipient à petite ouverture! Voir prescriptions de sécurité.
- Pousser la goupille d'arrêt et pivoter la pompe de produit dans un recipient contenant le produit de nettoyage approprié.
- Tourner la poignée de la vanne de décharge entièrement vers la gauche (circulation).
- Faire circuler le produit de nettoyage pendant quelques minutes en circuit fermé.
- Tourner la poignée de la vanne de décharge entièrement vers la droite (projection).
- Pomper le reste du produit de nettoyage dans un récipient ouvert pour vider le groupe.
- Tourner le poignée de la vanne de décharge entièrement vers la gauche (circulation).
- Fermer la vanne à bille de la pompe de produit – levier en position horizontale.
- Arrêter le moteur à essence ou moteur électrique.
8.1 Nettoyage extérieur du groupe

Groupes avec moteur à essence — Arrêtez le moteur à essence et laissez-le refroidir.
Groupes avec moteur électrique — Tirer d'abord la fiche de la prise de secteur.
DANGER de court-circuit par la pénétration d'eau dans l'équipement électrique du moteur à essence! Ne jamais utiliser un jet ou de la vapeur sous pression pour le nettoyage.

Ne pas placer le flexible à haute pression dans du solvant. Essuyer l'extérieur uniquement avec un chiffon imbibé.
Nettoyer l'extérieur du groupe à l'aide d'un chiffon imbibé du produit de nettoyage ajustat.
8.2 Nettoyage du filtre à haute pression
Nettoyer régulièrement la cartouche filtrante.
Un filtre à haute pression sale ou bouché occasionne une projection irrégulière ou le bouchage de la buse.
Démontage
- Fermer la vanne à bille de la pompe de produit - levier en position horizontale. La circulation d'huile hydraulique vers le moteur hydraulique de la pompe de produit est interrompue.
- Tourner le poignée de la vanne de décharge entièrement vers la gauche (circulation).
- Arrêter le moteur à essence ou moteur électrique.
- Déserrer le couvercle (fig. 15, pos. 1).
- Sortir la cartouche (3) du corps (8).
- Avec un produit adoucissant, nettoyer le ressort (2), et la cartouche (3) avec la bille, nettoyer le corps (8) et le couvercle (1) à l'intérieur.
- Contrôler si la bille dans la cartouche (3) accuse des traces d'usure, si nécessaire changer la cartouche.
- Si la bille dans la cartouche (3) est très usée, démonter le joint torique (6) et le siège de soupape (7). Remplacer eventuellement le siège usé.
- Après un démontage, il faut toujours replacer le joint torique (6).
- Retire le ressort (2) du couvercle (1), mesure la longueur du ressort. S'il a moins de 19mm, le remplacer.
Montage
- Monter le siège de soupape (7) dans le corps (8), le siège de bille vers le haut.
- Monter le joint torique (6) dans le corps (8).
- Monter la cartouche (3).
- Poser le joint mince (5) sur la partie étage filetée du corps (8).
- Placer le joint épais (4) sur le joint mince (5).
- Mettre le ressort (2) sur la goupille du couvercle (1).
- Visser le couvercle (1) et le serrer à la main.

8.3 Nettoyage du pistolet airless
- Rincer le pistolet Airless à faible pression de service avec le produit de nettoyage ajustat.
- Nettoyer soigneusement la buse avec le produit ajusté de manière à éliminer les restes de produit.
- Nettoyer soigneusement l'extérieur du pistolet.
Démontage
- Tirer la garde de protection (1) fortement vers l'avant.
- Déserrer la crosse (2) du corps du pistolet. Sortir le tamis (3).
- Le remplacer s'il est bouché ou défectueux.
Montage
- Monter le cône plus long du tamis (3) dans le corps de pistolet.
- Visser la crosse (2) dans le corps et serrer.
- Emboîter la garde de protection (1).

9.1 Moteur à essence
| Panne | Cause possible | Remède |
| A. Le moteur à essence ne démarre pas | 1. Pas d'essence2. Interrupteur MARCHE/ARRET sur ARRET3. Robinet d'essence fermé4. Problème avec le moteur5. Moteur défectueux6. Niveau d'huile insuffisant | 1. Remplir le réservoir2. Tourner l'interrupteur sur MARCHE3. Ouvrir le robinet4. Voir notice du moteur5. Consulter le S.A.V. Honda6. Ajouter de l'huile |
| 9.2 Moteur électrique | ||
| Panne | Cause possible | Remède |
| A. Le groupe ne démarre pas | 1. La lampe de contrôle reste éteinte.Pas de courant2. En cas de surcharge le groupe s'arrête auto -mati quement. | 1. Contrôler l'alimentation.2.在此之前 2 à 3 minutes,mettre le groupe en marche. |
| B. HC 970 et HC 970-SSP: La tige de piston de la pompe de produit ne rouge pas. | 1. Mauvais sens de rotation du moteur électrique. | 1. Tourner l'inverseur de polarité dans la fiche de 180°. |
9.3 Moteur hydraulique
| Panne | Cause possible | Remède |
| A. Le moteur hydraulique s'arrête en position inférieure | 1. Siège du clapet de refoulement dans la pompe de produit desserré. | 1. Vanne à bille sur la pompe de produit – levier en position verticale. Desserrer la vis bouchon en haut du moteur hydraulique. Pousser la soupape de renversement dans e moteur vers le bas. Remonter la vis bouchon et démarrer le groupe. La tige de piston monte et s'arrête en position basse. Dans ce cas, le siège du clapet est desserré. |
| 2. Soupape de renversement dans le moteur hydraulique collée ou écrou hexagonal supérieur/inferieur sur la tige de piston desserré. | 2. Faire réparer par le S.A.V. Wagner. | |
| B. Le moteur hydraulique s'arrête en position supérieure | 1. La soupape de renversement est collée. | 1. Faire réparer par le S.A.V. Wagner. |
| 2. Le ressort sur la tige depiston est cassé. | 2. Faire réparer par le S.A.V. Wagner. | |
| 3. La butée du ressort sur la tige de piston est cassée. | 3. Faire réparer par le S.A.V. Wagner. | |
| 4. De l'air dans le moteur hydraulique. | 4. Tourner le bouton de réglage de la pression en arrêté. Faire une purge d'air à faible pression en fonctionnement continu pendant 5 à 10 minutes. Ne laisser pas fonctionner la pompe de produit à sec. Contrôle s'il y a des fuites: · raccords desserrés au réservoir hydraulique · raccords desserrés à la pompe hydraulique · raccords desserrés aux tuyaux hydrauliques · niveau d'huile dans le réservoir hydraulique trop bas | |
| 5. De l'air dans la pompe de produit | 5. Vanne à bille sur la pompe de produit – levier en position produit verticale. Desserrer la vis bouchon en haut du moteur hydraulique. Pousser la soupape de renversement dans le moteur vers le bas. Remonter la vis bouchon et démarrer le groupe. La tige de piston monte et s'arrête en position basse. Éviter que la pompe de produit aspiré de l'air. | |
| C. Pression faible. La tige de piston descend normalement mais remonte péniblement. L'extérieur du moteur hydraulique est très chaud. | 1. Garniture de piston du moteur hydraulique défectueuse | 1. Faire réparer par le S.A.V. Wagner. |
| 2. Tige de piston cassée. | 2. Faire réparer par le S.A.V. Wagner. | |
| D. Pression faible. Pendant le fonctionnement l'extérieur du moteur hydraulique est très chaud. | 1. Joint torque du milieu sur la soupape de renversement défectueux. | 1. Faire réparer par le S.A.V. Wagner. |
| 2. Garnitures de la pompe de produits usées. | 2. Remplacer |
9.4 Pompe de produit
Panne Cause possible Remède
| A. Débit de produit seulement à la montée ou la tige de piston monte lentement et descend rapidement. | 1. Soupape d'aspiration fuie en raison de saletés ou d'usure | 1. Contrôler et nettoyer le corps de la soupape d'aspiration. Mettre la bille et replir de l'eau. Remplacer en cas de fuite. |
| 2. Produit trop visqueux. Aspiration difficile. | 2. Diluer le produit conformément aux prescriptions du fournisseur. | |
| B. Débit de produit仅仅 à la descente ou la tige de piston descend lentement et monte rapidement. | 1. Clapet de refoulement fuie. | 1. Démoner et contrôler le siège du clapet de refoulement. Mettre la bille et replir d'eau. Remplacer en cas de fuite. |
| 2. Garniture inférieure usée. | 2. Remplacer | |
| C. La tige de piston monte et descend rapidement. | 1. Le tube d'aspiration se trouve au-dessus du niveau de produit et aspire de l'air. | 1. Remplir. |
| 2. Le produit est trop visqueux pour être aspiré. | 2. Diluer le pro duit conformément aux prescriptions du fournisseur. Purger la pompe de produit. Tourner le bouton de la vanne de décharge à gauche (○ circulation). | |
| 3. Bille dans le corps de la soupape d'aspiration collée. | 3. Démoner le corps de la soupape d'aspiration. Nettoyer les billes et le siège de soupape. | |
| D. La tige de piston monte et descend lentement alors que le pistolet est fermé. | 1. Raccords desserrés. | 1. Contrôler tous les raccords entre la pompe de produit et le pistolet. |
| 2. La vanne de décharge n'est complètement fermée. | 2. Tourner le poignée de la vanne de décharge entièrement vers la droite (▼ projection). | |
| 3. Vanne de décharge usée. | 3. Remplacer | |
| 4. Garniture inférieure usée. | 4. Si les mesures ci-dessus n'apportent pas de remède, remplaner la garniture inférieure. | |
| 5. Fuite au niveau des billes dans le corps de la soupape d'aspiration et au siège du clapet de refoulement. | 5. Démoner le corps de la soupape d'aspiration et le siège du clapet de refoulement. Nettoyer les billes et les sièges. | |
| E. Pression au pistolet trop faible. | 1. Buse usée. | 1. Remplacer |
| 2. Cartouché dans le filtre à haute pression bouchée. | 2. Nettoyer ou remplaner la cartouché. | |
| 3. Flexible à haute pression trop long. | 3. Réduire la longueur. | |
| F. La tige de piston brute en montant ou en descendant. | 1. Garniture supérieure gonflée par le solvant. | 1. Remplaner la garniture supérieure. |
10.1 Entretien général
L'entretien du matériel doit être assuré une fois par an par le S. A. V. WAGNER.
- Entretien du moteur à essence. Voir la notice du moteur.
- Contrôler l'état des flexibles à haute pression.
- Contrôler l'état des soupapes d'aspiration et de refoulement.
- Contrôle le niveau d'huile hydraulique dans le réservoir.
- Le cas échéant, effectuer une vidange.
10.2 Contrôle du niveau d'huile hydraulique dans le réservoir

Contrôler le niveau d'huile chaque jour.

Groupes avec moteur électrique - Arrêter le groupe (ARRET).
Tirer la fiche de la prise de secteur.
- Tourner la jauge de niveau (fig. 17, pos. 1) à gauche et retirer la jauge.
- Le niveau d'huile doit être visible entre les repères (flèches) de la jauge.
- Le cas échéant, ajouter de l'huile, pour la qualité voir sous vidange, chapitre 10.3.

10.3 Vidange d'huile et changement du filtre de la pompe hydraulique
Effectuer la vidange et le changement du filtre tous les 12 mois.

DANGER de pollution de l'environnement. Ne jamais évacuer l'huile usée dans la canalisation ou le sol. La pollution de la nappe souterraine est passible d'une peine. L'huile usée est reprise à l'achat d'huile hydraulique.

Effectuer la vidange alors que le groupe est à la température de fonctionnement.

Groupes avec moteur électrique—Arrêter le groupe (ARRET).
Tirer la fiche de la prise de secteur.
- Arrêter le moteur à essence ou moteur électrique.
- Vanne à bille (fig. 18, pos. 1) sur la pompe de produit - levier en position verticale.
- Déserrer les vis du couvercle (2) de la pompe hydraulique et enlever le couvercle.
- Tourner la jauge de niveau d'huile (3) à gauche pour la retirer.
- Dévisser le filtre d'huile (4) à l'aide d'une clé à bande pour le remplacer.
- Ouvrir la vis bouchon (5) sous le réservoir d'huile hydraulique et laisser s'écouler l'huile usée.
- Revisser la vis bouchon.
- Remplir 4,7 litres d'huile hydraulique ESSO ISO 32.

Pendant le remplissage, de l'air peut entrer dans le système hydraulique. Pour cette raison, une purge d'air du système est nécessaire.
- À cet effet, faire marcher le groupe pendant au moins cinq minutes à faible pression. La purge d'air s'effectue ainsi automatiquement.

10.4 Flexible à haute pression
Contrôle visuel du flexible à haute pression quant à des coupures ou gonflements eventuels, spécialement aux environs des raccords. Les écrous de fixation doivent tourner librement.

Le risque d'endommagements s'accroît dans le cas desieux flexibles à haute pression. Wagner recommande de remplacer le flexible à haute pression au bout de 6 ans.
11.1 Choix des buses
Pour réaliser un travail correct et rationnel, le besoin de la buse est de grande importance. Dans beaucoup de cas, la buse correcte ne peut être trouvée que par un essai de projection.
Quelques règles à ce sujet:
Le jet de projection doit être régulier.
Si le jet comporte des bandes, la pression de projection est trop faible ou la viscosité du produit est trop élevée.
Remède: Augmenter la pression ou diluer le produit. Chaque pompe a un débit déterminé par rapport à la grandeur de l'orifice de buse.
Règle générale: grande buse = faible pression
petite buse = haute pression
Il existe un grand choix de buses avec angles de projection différents.
Buses standard
En cas d'utilisation d'une buse différente, la nettoyer en suivant les indications du fabricant.
La buse comporte un orifice usiné avec grande précision. Afin d'obtenir une longue durée de vie, il est indispensable de traiter les buses avec grand soin. Il faut savoir que l'insert en carbure est fragile. Pour cette raison, il ne faut jamais laisser tomber la buse ni la traiter avec des objets métalliques.
Tenir compte des points suivants afin de conserver la propriété et la disponibilité de la buse:
- Tourner le poignée de la vanne de décharge entièrement vers la gauche (circulation).
- Arrêter le moteur à essence.
- Démonter la buse du pistonnet.
- Mettre la buse dans le diluant approprié jusqu'à dilution complète de restes de produit.
- Souffler la buse si l'air comprimé est à disposition.
- Avec un objet pointu en bois (cure-dents) enlever les restes eventuels.
- Contrôler la buse à l'aide d'une loupe et répéter les pas de 4 à 6 si nécessaire.

Buse réglée à jet plat
jusqu'à 250 bar (25 MPa)
| Marquage Orifice mm | Largeur du jet à une distance de 30 cm environ de l'objet et une pression de 10 MPa (100 bar) | Utilisation | Réf. No buse réglable | |
| 15 0,13 - 0 | 46 5 - 35 cm Laques | 0999 057 | ||
| 20 0,18 - 0 | 48 5 - 50 cm Laques, bouche-p | 0999 053 | ||
| 28 0,28 - 0 | 66 8 - 55 cm Laques, vinyles | 0999 054 | ||
| 41 | 0,43 - 0,88 | 10 - 60 cm | Anti-rouille - vinyles | 0999 055 |
| 49 0,53 - 1 | 37 | 10 - 40 cm | Revêtement de surfaces importantes | 0999 056 |
Protection
pour buse réglable à jet plat

Ref. No. 0097 294
Rallonge de buse avec articulation pivotante (sans buse)
longeur:100cmRef. No.0096015
longueur: 200 cm Réf. No. 0096 016
longeur:300cmRef. No.0096017

Rallonge buse
UN) pour pistolets Wagner
Ref. No. 0289391
sans buse filetée (7/8-14 UNF)
pour pistolets Graco/Titan
Ref. No. 0289390

Toutes les buses indiquées dans le tableau ci-dessous sont fournies avec le filtre à pistonnet ajustable.
| Utilisation Marquage Angle de | projection | Orificeinch / mm | Largeur du jet mm1) | Tamis de crosse | Réf. No. | |
| Laques et peintures diluables à l'eauet à base de solvant, huiles, agentsde démoulage | 107 | 10° | 0.007 / 0.18 | 100 | rouge | 0553107 |
| 207 | 20° | 0.007 / 0.18 | 120 | rouge | 0553207 | |
| 307 | 30° | 0.007 / 0.18 | 150 | rouge | 0553307 | |
| 407 | 40° | 0.007 / 0.18 | 190 | rouge | 0553407 | |
| 109 | 10° | 0.009 / 0.23 | 100 | rouge | 0553109 | |
| 209 | 20° | 0.009 / 0.23 | 120 | rouge | 0553209 | |
| 309 | 30° | 0.009 / 0.23 | 150 | rouge | 0553309 | |
| 409 | 40° | 0.009 / 0.23 | 190 | rouge | 0553409 | |
| 509 | 50° | 0.009 / 0.23 | 225 | rouge | 0553509 | |
| 609 | 60° | 0.009 / 0.23 | 270 | rouge | 0553609 | |
| Laques synthétiques 111 | 10° | 0.011 / 0.28 | 100 | rouge | 0553111 | |
| 211 | 20° | 0.011 / 0.28 | 120 | rouge | 0553211 | |
| 311 | 30° | 0.011 / 0.28 | 150 | rouge | 0553311 | |
| 411 | 40° | 0.011 / 0.28 | 190 | rouge | 0553411 | |
| 511 | 50° | 0.011 / 0.28 | 225 | rouge | 0553511 | |
| 611 | 60° | 0.011 / 0.28 | 270 | rouge | 0553611 | |
| Laques, apprêts,couches de fond,bouche-pores | 113 | 10° | 0.013 / 0.33 | 100 | rouge | 0553113 |
| 213 | 20° | 0.013 / 0.33 | 120 | rouge | 0553213 | |
| 313 | 30° | 0.013 / 0.33 | 150 | rouge | 0553313 | |
| 413 | 40° | 0.013 / 0.33 | 190 | rouge | 0553413 | |
| 513 | 50° | 0.013 / 0.33 | 225 | rouge | 0553513 | |
| 613 | 60° | 0.013 / 0.33 | 270 | rouge | 0553613 | |
| 813 | 80° | 0.013 / 0.33 | 330 | rouge | 0553813 | |
| Bouche-pores,anti-rouilles | 115 | 10° | 0.015 / 0.38 | 100 | jaune | 0553115 |
| 215 | 20° | 0.015 / 0.38 | 120 | jaune | 0553215 | |
| 315 | 30° | 0.015 / 0.38 | 150 | jaune | 0553315 | |
| 415 | 40° | 0.015 / 0.38 | 190 | jaune | 0553415 | |
| 515 | 50° | 0.015 / 0.38 | 225 | jaune | 0553515 | |
| 615 | 60° | 0.015 / 0.38 | 270 | jaune | 0553615 | |
| 715 | 70° | 0.015 / 0.38 | 300 | jaune | 0553715 | |
| 815 | 80° | 0.015 / 0.38 | 330 | jaune | 0553815 | |
| anti-rouilles,peintures latexpeintures à dispersion | 117 | 10° | 0.017 / 0.43 | 100 | blanc | 0553117 |
| 217 | 20° | 0.017 / 0.43 | 120 | blanc | 0553217 | |
| 317 | 30° | 0.017 / 0.43 | 150 | blanc | 0553317 | |
| 417 | 40° | 0.017 / 0.43 | 190 | blanc | 0553417 | |
| 517 | 50° | 0.017 / 0.43 | 225 | blanc | 0553517 | |
| 617 | 60° | 0.017 / 0.43 | 270 | blanc | 0553617 | |
| 717 | 70° | 0.017 / 0.43 | 300 | blanc | 0553717 | |
| 817 | 80° | 0.017 / 0.43 | 330 | blanc | 0553817 | |
| anti-rouilles,peintures latexpeintures à dispersion | 219 | 20° | 0.019 / 0.48 | 120 | blanc | 0553219 |
| 319 | 30° | 0.019 / 0.48 | 150 | blanc | 0553319 | |
| 419 | 40° | 0.019 / 0.48 | 190 | blanc | 0553419 | |
| 519 | 50° | 0.019 / 0.48 | 225 | blanc | 0553519 | |
| 619 | 60° | 0.019 / 0.48 | 270 | blanc | 0553619 | |
| 719 | 70° | 0.019 / 0.48 | 300 | blanc | 0553719 | |
| 819 | 80° | 0.019 / 0.48 | 330 | blanc | 0553819 | |
| 919 | 90° | 0.019 / 0.48 | 385 | blanc | 0553919 | |
| Pare-flammes 221 | 20° | 0.021 / 0.53 | 120 | blanc | 0553221 | |
| 321 | 30° | 0.021 / 0.53 | 150 | blanc | 0553321 | |
| 421 | 40° | 0.021 / 0.53 | 190 | blanc | 0553421 | |
| 521 | 50° | 0.021 / 0.53 | 225 | blanc | 0553521 | |
| 621 | 60° | 0.021 / 0.53 | 270 | blanc | 0553621 | |
| 721 | 70° | 0.021 / 0.53 | 300 | blanc | 0553721 | |
| 821 | 80° | 0.021 / 0.53 | 330 | blanc | 0553821 |
1)Largeur du jet à une distance de 30 cm environ du support, pression de projection 100 bar (10 MPa), laque synthetique de 20 secondes-DIN.
| Utilisation Marquage Angle de | projection | Orificeinch / mm | Largeur du jet mm1) | Tamis de crosse | Réf. No. | |
| Revêtements pour toitures 223 | 20° | 0.023 / 0.58 | 120 | blanc | 0553223 | |
| 323 | 30° | 0.023 / 0.58 | 150 | blanc | 0553323 | |
| 423 | 40° | 0.023 / 0.58 | 190 | blanc | 0553423 | |
| 523 | 50° | 0.023 / 0.58 | 225 | blanc | 0553523 | |
| 623 | 60° | 0.023 / 0.58 | 270 | blanc | 0553623 | |
| 723 | 70° | 0.023 / 0.58 | 300 | blanc | 0553723 | |
| 823 | 80° | 0.023 / 0.58 | 330 | blanc | 0553823 | |
| Matériaux en couche épaisséProtection contre la corrosionMastic pulvérable | 225 | 20° | 0.025 / 0.64 | 120 | blanc | 0553225 |
| 325 | 30° | 0.025 / 0.64 | 150 | blanc | 0553325 | |
| 425 | 40° | 0.025 / 0.64 | 190 | blanc | 0553425 | |
| 525 | 50° | 0.025 / 0.64 | 225 | blanc | 0553525 | |
| 625 | 60° | 0.025 / 0.64 | 270 | blanc | 0553625 | |
| 725 | 70° | 0.025 / 0.64 | 300 | blanc | 0553725 | |
| 825 | 80° | 0.025 / 0.64 | 330 | blanc | 0553825 | |
| 227 | 20° | 0.027 / 0.69 | 120 | blanc | 0553227 | |
| 327 | 30° | 0.027 / 0.69 | 150 | blanc | 0553327 | |
| 427 | 40° | 0.027 / 0.69 | 190 | blanc | 0553427 | |
| 527 | 50° | 0.027 / 0.69 | 225 | blanc | 0553527 | |
| 627 | 60° | 0.027 / 0.69 | 270 | blanc | 0553627 | |
| 827 | 80° | 0.027 / 0.69 | 330 | blanc | 0553827 | |
| 229 | 20° | 0.029 / 0.75 | 120 | blanc | 0553229 | |
| 329 | 30° | 0.029 / 0.75 | 150 | blanc | 0553329 | |
| 429 | 40° | 0.029 / 0.75 | 190 | blanc | 0553429 | |
| 529 | 50° | 0.029 / 0.75 | 225 | blanc | 0553529 | |
| 629 | 60° | 0.029 / 0.75 | 270 | blanc | 0553629 | |
| 231 | 20° | 0.031 / 0.79 | 120 | blanc | 0553231 | |
| 331 | 30° | 0.031 / 0.79 | 150 | blanc | 0553331 | |
| 431 | 40° | 0.031 / 0.79 | 190 | blanc | 0553431 | |
| 531 | 50° | 0.031 / 0.79 | 225 | blanc | 0553531 | |
| 631 | 60° | 0.031 / 0.79 | 270 | blanc | 0553631 | |
| 731 | 70° | 0.031 / 0.79 | 300 | blanc | 0553731 | |
| 831 | 80° | 0.031 / 0.79 | 330 | blanc | 0553831 | |
| 233 | 20° | 0.033 / 0.83 | 120 | blanc | 0553233 | |
| 333 | 30° | 0.033 / 0.83 | 150 | blanc | 0553333 | |
| 433 | 40° | 0.033 / 0.83 | 190 | blanc | 0553433 | |
| 533 | 50° | 0.033 / 0.83 | 225 | blanc | 0553533 | |
| 633 | 60° | 0.033 / 0.83 | 270 | blanc | 0553633 | |
| 235 | 20° | 0.035 / 0.90 | 120 | blanc | 0553235 | |
| 335 | 30° | 0.035 / 0.90 | 150 | blanc | 0553335 | |
| 435 | 40° | 0.035 / 0.90 | 190 | blanc | 0553435 | |
| 535 | 50° | 0.035 / 0.90 | 225 | blanc | 0553535 | |
| 635 | 60° | 0.035 / 0.90 | 270 | blanc | 0553635 | |
| 735 | 70° | 0.035 / 0.90 | 300 | blanc | 0553735 | |
| 439 | 40° | 0.039 / 0.99 | 190 | blanc | 0553439 | |
| 539 | 50° | 0.039 / 0.99 | 225 | blanc | 0553539 | |
| 639 | 60° | 0.039 / 0.99 | 270 | blanc | 0553639 | |
| Applications Heavy Duty 243 | 20° | 0.043 / 1.10 | 120 | vert | 0553243 | |
| 443 | 40° | 0.043 / 1.10 | 190 | vert | 0553443 | |
| 543 | 50° | 0.043 / 1.10 | 225 | vert | 0553543 | |
| 643 | 60° | 0.043 / 1.10 | 270 | vert | 0553643 | |
| 445 | 40° | 0.045 / 1.14 | 190 | vert | 0553445 | |
| 545 | 50° | 0.045 / 1.14 | 225 | vert | 0553545 | |
| 645 | 60° | 0.045 / 1.14 | 270 | vert | 0553645 | |
| 451 | 40° | 0.051 / 1.30 | 190 | vert | 0553451 | |
| 551 | 50° | 0.051 / 1.30 | 225 | vert | 0553551 | |
| 651 | 60° | 0.051 / 1.30 | 270 | vert | 0553651 | |
| 252 | 20° | 0.052 / 1.32 | 120 | vert | 0553252 | |
| 455 | 40° | 0.055 / 1.40 | 190 | vert | 0553455 | |
| 555 | 50° | 0.055 / 1.40 | 225 | vert | 0553555 | |
| 655 | 60° | 0.055 / 1.40 | 270 | vert | 0553655 | |
| 261 | 20° | 0.061 / 1.55 | 120 | vert | 0553261 | |
| 461 | 40° | 0.061 / 1.55 | 190 | vert | 0553461 | |
| 561 | 50° | 0.061 / 1.55 | 225 | vert | 0553561 | |
| 661 | 60° | 0.061 / 1.55 | 270 | vert | 0553661 | |
| 263 | 20° | 0.063 / 1.60 | 120 | vert | 0553263 | |
| 463 | 40° | 0.063 / 1.60 | 190 | vert | 0553463 | |
| 565 | 50° | 0.065 / 1.65 | 225 | vert | 0553565 | |
| 665 | 60° | 0.065 / 1.65 | 270 | vert | 0553665 | |
| 267 | 20° | 0.067 / 1.70 | 120 | vert | 0553267 | |
| 467 | 40° | 0.067 / 1.70 | 190 | vert | 0553467 |
1)Largeur du jet à une distance de 30 cm environ du support, pression de projection 100 bar (10 MPa), laque synthetique de 20 secondes-DIN.
11.5 Tableau des buses 2SPEED tip

Cette buse airless innovante est composée de 2 noyaux de buse distincts.

conseil.paris@euromair.com
conseil@euromair.com
S Wagner Spraytech
Scandinavia A/S
Helgeshøj Alle 28
2630 Taastrup
Denmark
Tel. +45 43 27 18 18
Téléfax +45 43 43 05 28
wagner@wagner-group.dk
CZ E-Coreco s. r. o.
Na Roudne 102
301 00 Plzen
Czechia
Tel. +420 734 792 823
Téléfax 420 227 077 364
conseil.paris@euromair.com
conseil@euromair.com
S Wagner Spraytech
Scandinavia A/S
Helgeshøj Alle 28
2630 Tastrup
Denmark
Tel. +45 43 27 18 18
Téléfax +45 43 43 05 28
wagner@wagner-group.dk
CZ E-Coreco s. r. o.
Na Roudne 102
301 00 Plzen
Czechia
Tel. +420 734 792 823
Téléfax 420 227 077 364

| Pos. | HC 950 HC 950-SSP HC 970 HC 970-SSP | F Désignation | 1 Denominazione |
| 1 050 | 02 166 Pistolet AG | 14, TradeTip 2-F Aerografo AG 14, attacco F | |
| 0502 119 Pistolet AG 14, TradeTip 2-G Aerografo AG 14, attacco G | |||
| 2 028 | 89 391 Porte buse F TradeTip 3 Supporto Tip TradeTip 2, Filettatura F | ||
| 0289 390 Porte buse G TradeTip 3 Supporto Tip TradeTip 2, Filettatura G | |||
| 3 055 | 53 xxx Wagner TradeTip 3 Wagner TradeTip 2 | ||
| 4 027 | 71 065 Porte buse 2Speed Tip Supporto 2Speed Tip | ||
| 5 027 | 71 xxx Wagner 29 speed Tip buse Wagner 29 Speed Tip | ||
| 6 017 | 79 732 Raccord 1/4" x 3/8" Bocchettone di transizione 1/4" x 3/8" | ||
| 7 | 2336 582 | Fouet du flexible DN 10 mm, 2,5 m, NPSM 3/8 | Tubo flessibile a sferza DN 10 mm, 2,5 m, NPSM 3/8 |
| 8 320 | 03 026 Raccord double 3/8 - 1/2 Bocchettone doppio 3/8 - 1/2 | ||
| 9985 783 Raccord double 3/8 - 3/4 Bocchettone doppio 3/8 - 3/4 | |||
| 9985 782 Raccord double 1/2 - 3/4 Bocchettone doppio 1/2 - 3/4 | |||
| 9 236 | 86 583 Flexible à haute pression spécifique DN 10 mm, 15 m, NPSM 3/8 | Tubo flessibile ad alta pressione speciale DN 10 mm, 15 m, NPSM 3/8 | |
| 2336584 | Flexible à haute pression spécifique DN 10 mm, 30 m, NPSM 3/8 | Tubo flessibile ad alta pressione speciale DN 10 mm, 30 m, NPSM 3/8 | |
| 2336 585 Flexible à haute pression spécifique DN 13 mm, 15 m, NPSM 1/2 | Tubo flessibile ad alta pressione speciale DN 13 mm, 15 m, NPSM 1/2 | ||
| 2336 586 Flexible à haute pression spécifique DN 19 mm, 15 m, NPSM 3/4 | Tubo flessibile ad alta pressione speciale DN 19 mm, 15 m, NPSM 3/4 | ||
| 10 | 808-550 | Raccord hexagonal, 0,9 cm (filtre à haute pression) | Alloggiamento esagonale, 3/8" (filtrto ad alta pressione) |
| 0349610 | Raccord hexagonal, 1,3 cm (filtre à haute pression) | Alloggiamento esagonale, 1/2" (filtrto ad alta pressione) | |
Zubehör für HC-Geräte II F Accessoires pour groupes HC II
Accessoires pour groupes HC II
(20)





| Pos. | HC 950 | HC 950-SSP HC | 970 | HC 970-SSP | D Benennung | GB Description |
| 1 | 0296 441 | 0296 441 | 0296 441 | 0296 441 | Auslegerpistole 120 cm, G-Gewinde | Pole gun 120 cm, G-Thread |
| 0296 442 | 0296 442 029 | 0296 442 0296 | 0296 442 | pisteole 200 cm G-Gewinde Pole gun 200 cm, | G-Thread | |
| 0296 443 | 0296 443 029 | 0296 443 0296 | 0296 443 | pisteole 120 cm F-Gewinde Pole gun 120 cm, | F-Thread, | |
| 0296 444 | 0296 444 029 | 0296 444 0296 | 0296 444 | pisteole 200 cm F-Gewinde Pole gun 200 cm, | F-Thread | |
| 2 99 | 84 567 9984 | 567 9984 567 | 7 9984 567 | Doppelstutzen NPSM 3/8 DN10 (für Schlauchverlängerung) | Double socket NPSM 3/8 inch DN10 (for hose extension) | |
| 0256 343 | 0256 343 025 | 0256 343 0256 | 343 Doppelstutzen 3/8 (für Schlauchverlängerung) | Double socket 3/8 inch (for hose extension) | ||
| 3202 901 | 3202 901 3202 | 2 901 3202 | 901 Doppelstutzen 1/2 (für Schlauchverlängerung) | Double socket 1/2 inch (for hose extension) | ||
| 9985 781 | 9985 781 9985 | 781 9985 | 781 Doppelstutzen 3/4 (für Schlauchverlängerung) | Double socket 3/4 inch (for hose extension) | ||
| 3 | 0268 905 | 0268 905 | 0268 905 | 0268 905 | Strukturdusensatz 4, 6, 8, 10 mm | Texture tip set 4, 6, 8, 10 mm |
| 4 02 | 58 202 0258 | 202 0258 202 | 02 0258 202 | Spritzkopf zur Verarbeitung von Airless-Sprachelmassen (Sprenkelstruktur) mit Luftunterstützung | Spray head for working with Airless filler (sprinkle texture) with air support | |
| 0258 720 | 0258 720 025 | 8 720 0258 | 720 Spronkelstruktur-Set: Spritzkopf, Strukturdusensatz, Düsenreinigungsnadel und Luftschlauch DN 9 mm, 15 m mit Schnellkupplung (ohne Abbildung) | Sprinkle texture set: Spray head, texture tip set, tip-cleaning needle and air hose DN 9 mm, 15 m with rapid action coupling (no. fig.) | ||
| 5 03 | 45 010 0345 | 010 0345 010 | 10 0345 010 | Inline Rollet | IR-100 In-line roller IR-100 | |
| 6 | 2312 160 | 2312 160 | 2312 160 | 2312 160 | Anschluss-Set für Großmengenbehälter | Connection kit for large volume container |
| 7 23 | 09 956 2309 | 956 2309 956 | 6 2309 956 | Großmengenbehälter Large volume container | ||
| Pos. | HC 950 | HC 950-SSP HC | 970 | HC 970-SSP | F Désignation | I Denominazione |
| 1 02 | 96 441 0296 | 441 0296 441 | 0296 441 | Pistolet à ra longe 120 cm-G | Aerografo con prolunga da 120 cm, attacco G | |
| 0296 442 | 0296 442 0296 | 6 442 0296 | 442 Pistolet à ra longe 200 cm-G | Aerografo con prolunga da 200 cm, attacco G | ||
| 0296 443 | 0296 443 0296 | 6 443 0296 | 443 Pistolet à ra longe 120 cm-F | Aerografo con prolunga da 120 cm, attacco F | ||
| 0296 444 | 0296 444 0296 | 6 444 0296 | 444 Pistolet à ra longe 200 cm-F | Aerografo con prolunga da 200 cm, attacco F | ||
| 2 99 | 84 567 | Raccord d'ouble NPSM 3/8 DN10 (pour rallonger le flexible) | Bocchettone doppio NPSM 3/8 DN10 (per la prolunga del tubo flessibile) | |||
| ----- | ----- | ----- | ----- double 3/8 (pour rallonger le flexible) | Bocchettone doppio 3/8 (per la prolunga del tubo flessibile) | ||
| ----- | ----- | ----- | ----- double 1/2 (pour rallonger le flexible) | Bocchettone doppio 1/2 (per la prolunga del tubo flessibile) | ||
| ----- | ----- | ----- | ----- double 3/4 (pour rallonger le flexible) | Bocchettone doppio 3/4 (per la prolunga del tubo flessibile) | ||
| 3 | 0268 905 | 0268 905 | 0268 905 | 0268 905 | Jeu de buses de structure 4, 6, 8, 10 mm | Set di uglielli strutturati 4, 6, 8, 10 mm |
| 4 02 | 58 202 0258 | 202 0258 202 | 02 0258 202 | Tête de projection pour la mise en œuvre d'endetuts à projeter Airless (structure tachetée sous addition d'air) | Testa di spruzzatura per stucchi Airless (struttura a chiazze) con favorimento ad aria | |
| 0258 720 | 0258 720 0258 | 8 720 0258 | 720 Jeu de projection à structure tachetée: tête de projection, jeu de buses de structure, aiguille de nettoyage de buse, tuyau d'air DN 9 mm, 15 m avec raccord rapide (sans illustration) | Set per struttura a chiazze: testa di spruzzatura, set di uglielli strutturati, ago per la pulizia degli uglielli e tubo flessibile dell'aria DN 9 mm, 15 m con attacco rapido (non in figura) | ||
| 5 | 0345 010 | 0345 010 | 0345 010 | 0345 010 | Rouleau à alimentation interne IR-100 | Rullo Inline IR-100 |
| 6 23 | 12 160 2312 | 160 2312 160 | 160 2312 160 | Kit de raccordement pour le bac grands volumes | Set di raccordi per recipiente capiente | |
| 7 | 2309 956 | 2309 956 | Bac grands volumes | Recipiente capiente | ||
Moteur hydraulique
Moteur hydraulique
F Filtre à haute pression
F Convertokit, moteur électrique
F Assemblage de la soupape de décharge
Note importante sur la responsabilité de produit
Suite aux nouvelles directives européennes entrées en vigueur au 01.01.1990, le fabricant n'engage sa responsabilité produit que lorsque l'ensemble des pièces constitutives proviennent bien du fabricant, ou ont été homologuées par ce dernier, et que les dispositifs ou appareils ont été assemblés et utilisés selon les règles de l'art.
En cas d'utilisation d'accessoires et de pièces de rechange de provenance différente, cette responsabilité, ainsi que les recours en garantie risquent d'être annulés entièrement ou en partie ; dans les cas extrêmes, les organismes de contrôle officiels concernés (syndicats corporatifs et inspection du travail) sont susceptibles d'interdire purement et simplement l'utilisation de l'appareil ou de l'installation entière.
Avec les accessoires et les pièces de rechange d'origine WAGNER, vous avez la garantie que toutes les réglementations de sécurité sont bien respectées.
Garantie professional finishing de 3+2 ans
Garantie professionnelle de Wagner
Version du 01.02.2009
1. Étendue de la garantie
Tous les applicateurs professionnels de peinture de Wagner (appelés ci-après « Produits ») sont soigneusement vérifiés, testés et soumis aux contrôles rigoureux de l'assurance de la qualité de Wagner. Wagner fournit donc exclusivement à l'utilisateur industriel ou professionnel qui a acheté le produit dans un commerce spécialisé/agréé (appelé ci-après « Client »), une garantie étendue aux produits énumérés sur Internet à l'adresse www.wagner-group.com/profi-guarantee.
Les droits de l'acheteur résultant de la garantie des défauts et tirés du contrat de vente avec le vendeur, ainsi que les droits légaux ne sont pas limités par cette garantie.
Nous fournissons une garantie dans la mesure où nous decidons si le produit ou ses pièces détachées sont remplacés ou réparés ou bien si l'appareil est repris contre remboursement du prix d'achat. Nous prenons en charge les coûts du matériel et du temps de travail. Les produits ou les pièces remplacés deviennent notre propriété.
2. Période de garantie et enregistrement
La période de garantie est de 36 mois, en cas d'utilisation industrielle ou de sollicitation équivalente, telle que notamment un travail posté, ou en cas de location de 12 mois.
Nous accordons également 12 mois pour les entraînements fonctionnant avec de l'essence et de l'air.
La période de garantie commence le jour de la livraison par le commerce spécialisé/agréé. La date indiquée sur l'original du justificatif d'achat fait foi.
Pour tous les produits achetés auprès d'un commerce spécialisé/agréé à partir du 01.02.2009, la période de garantie est prolongée de 24 mois, lorsque l'acheteur enregistre ces appareils dans les 4 semaines suivant le jour de la livraison par le commerce spécialisé/agréé conformément aux dispositions suivantes.
L'enregistrement s'effectue sur Internet à l'adresse www.wagner-group.com/profi-guarantee. Le certificat de garantie, ainsi que l'original du justificatif d'achat prouvant la date de l'achat servent de confirmation. Un enregistrement est ensuite uniquement possible, lorsque l'acheteur donne son accord à la sauvegarde des données qu'il faut saisir.
La période de garantie du produit n'est ni prolongée ni reconduite par les prestations de garantie.
Après l'expiration de la période de garantie correspondante, il n'est plus possible de revendiquer des droits vis-à-vis de la garantie et résultat de celle-ci.
3. Règlement
Si des défauts apparaissent sur le matériel, la finition ou la performance de l'appareil pendant la période de garantie, les droits de garantie doivent être revendiqués immédiatement, au plus tard dans un délai de 2 semaines.
Le commerçant spécialisé/agree qui a livré l'appareil a le droit d'enregistrer les droits de garantie. Mais les droits de garantie peuvent être aussi revendiqués auprès de nos services après-vente cités dans le mode d'emploi. Le produit doit être expédié franco de port ou présenté avec l'original du justificatif d'achat où sont indiquées la date d'achat et la désignation du produit. Le certificat de garantie doit être joint en plus pour bénéficier de la prolongation de la garantie.
Le client supporte les coûts, ainsi que le risque d'une perte ou d'un endommagement du produit au cours du transport vers ou en provenance du service qui enregistre des droits de garantie ou qui renvoie le produit réparé.
4. Exclusion de la garantie
Les droits de garantie ne peuvent pas être pris en compte
- Pour les pièces soumises à une usure due à l'utilisation ou une autre usure naturelle, ainsi que les vices du produit résultant d'une usure due à l'utilisation ou une autre usure naturelle. En font notamment partie les câbles, les distributeurs, les emballages, les buses, les vérins, les pistons, les pièces du boîtier où s'écoule le fluide, les filtres, les tuyaux flexibles, les joints d'étanchéité, les rotors, les stators, etc. Les dommages dus à l'usure sont notamment causés par des produits d'induction abrasifs, tels que par exemple les dispersions, les conduits, les apprêts, les colles, les vernis, une base siliceuse;
- En cas de défauts sur les appareils qui résultent de la non-observation des consignes d'utilisation, d'une utilisation inappropriée ou incomplète, d'une mise en service ou d'un montage erroné par l'acheteur ou un tiers, d'un usage non conforme à la destination, de conditions d'environnement anormales, de produits d'enduction inappropriés, d'influences chimiques, électrochimiques ou électriques, de conditions de fonctionnement inadéquates, d'une exploitation avec une mauvaise tension/fréquence du réseau, d'une surcharge, d'une maintenance, d'un entretien ou d'un nettoyage insuffisant;
- En cas de défauts sur l'appareil qui ont été causés par l'utilisation d'accessoires, de pièces complémentaires ou de rechange qui ne sont pas des pièces originales de WAGNER;
- Dans le cas de produits sur lesquels des modifications ou des compléments ont été effectués;
- Dans le cas de produits où le numéro de série a été effacé ou rendu illisible;
- Dans le cas de produits sur lesquels des personnes non autorisées ont effectué des tentatives de réparation;
- Dans le cas de produits ayant de faibles différences par rapport à l'état de consigne qui importent peu pour la valeur et l'aptitude à l'emploi de l'appareil;
- Dans le cas de produits qui ont été partiellement ou totalement démontés.
5. Clauses complémentaires
Les garanties ci-dessus sont uniquement valables pour les produits qui sont achetés dans l'UE, la CEI, en Australie par un commerce spécialisé/agréé et qui sont utilisés dans le pays d'achat.
S'il s'avère que le recours en garantie est injustifié, la réparation est effectuée aux frais de l'acheteur.
Les dispositions générales réglementaires sont en rapport juridique avec nous de manière définitive. Tous les autres droits, notamment pour les dommages et les pertes de n'importe quel type qui seraient du produit ou de son utilisation, sont exclus sauf dans le champ d'application de la loi sur la responsabilité du fait des produits.
Cela n'affecte pas les droits resulting de la garantie des defaults vis-à-vis du commerçant spécialisée.
Cette garantie est soumise au droit allemand. La langue du contrat est l'allemand. Au cas où la signification du texte de cette garantie en allemand et celle du texte dans une autre langue divergent, la signification du texte en allemand a priorité.
Consignes d'élimination:
Selon la directive européenne 2002/96/CE sur l'élimination des appareils électriques et sa conversion en droit national, ce produit ne peut pas être jeté dans les ordures ménagères, mais est à amener à un point de recyclage en vue d'une élimination dans le respect de l'environnement!

Wagner, resp. nos représentations commerciales reconnaissent votre vieux appareil Wagner pour l'éliminer dans le respect de l'environnement. Adressez-vous donc directement à nos points de service resp. représentations commerciales ou directement à nous.
Notice Facile