GW90742 - Maison intelligente Gewiss - Notice d'utilisation et mode d'emploi gratuit
Retrouvez gratuitement la notice de l'appareil GW90742 Gewiss au format PDF.
| Caractéristiques techniques | Module de communication pour maison intelligente, compatible avec divers protocoles. |
|---|---|
| Utilisation | Permet le contrôle à distance des appareils connectés via une application mobile. |
| Maintenance et réparation | Vérifier régulièrement les mises à jour logicielles pour assurer un fonctionnement optimal. |
| Sécurité | Chiffrement des données pour protéger les informations personnelles. |
| Informations générales | Produit conçu pour améliorer l'efficacité énergétique et le confort domestique. |
FOIRE AUX QUESTIONS - GW90742 Gewiss
Questions des utilisateurs sur GW90742 Gewiss
0 question sur cet appareil. Repondez a celles que vous connaissez ou posez la votre.
Poser une nouvelle question sur cet appareil
Téléchargez la notice de votre Maison intelligente au format PDF gratuitement ! Retrouvez votre notice GW90742 - Gewiss et reprennez votre appareil électronique en main. Sur cette page sont publiés tous les documents nécessaires à l'utilisation de votre appareil GW90742 de la marque Gewiss.
MODE D'EMPLOI GW90742 Gewiss
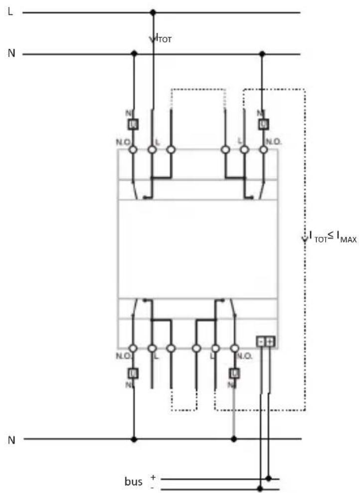
Si I'on utilise les bornes doubles pour l'entrée et sortie de la phase (L), vérifier que le courant total circulant (lTOT) ne dépasse pas le courant max (lMAX) indiqué à la section « Données techniques » du feuillet d'instructions.

CONSIGNES GÉNÉRALES
Attention! La sécurité de cet apparéil n'est garantie que si toutes les instructions données ici sont suivies scrupuleusement.
Il convient de les dire attentivement et de les conserver en lieu sûr.
Les produits de la série Chorus peuvent être installés dans un environnement exempt de poussière et où aucune protection spéciale contre la pénetration d'eau n'est nécessaire.
Ils doivent être installés en conformité avec les exigences relatives aux apparciels à usages domestiques et analogues prévues par les normes et règles nationales applicables aux installations électriques à basse tension en vigueur dans le pays où les produits sont installés, ou, en leur absence, en respectant la norme internationale relative aux installations électriques à basse tension CEI 60364, ou le document d'harmonisation européen HD 60364.
Le réseau de vente de Gewiss est pré à fournir des explications complètes et des données techniques sur demande.
Contenu de la confection
n. 1 Actioneur à 4 canaux 16 AX KNX à commande manuelle - sur rail DIN
n. 1 Borne bus
n. 5 Bornes à vis
n.1 Couvercle a vis
n. 1 Manuel d'installation et d'utilisation
En résumé
L'actionneur à 4 canaux 16 AX KNX à commande manuelle - sur rail DIN permet d'activer/désactiver independamment jusqu'à 4 charges électriques différentes à travers 4 relais de 16 AX munis chacun de 1 contact de sortie NO. La commande de commutation du relais peut provenir de dispositifs de commande ou de capteurs du système de Building Automation, à travers le bus KNX, ou bien être généraee localement par les boutons-poussoirs frontaux.
Le dispositif est équipé d'une entrée auxiliaire 230 Vca permettant de contrôler les charges raccordées à l'aide des boutons-poussoirs en façade, même en cas de coupure de la tension bus KNX (et en présence d'une tension de réseau de 230 Vca).
L'actionneur est alimenté par la ligne bus et il est muni de 4 voyants frontaux verts de signalisation de l'etat des sorties. Le dispositif envoie, sur le bus, des informations relatives à l'etat du relais (ON = contact fermé, OFF = contact ouvert) à l'allumage, à la réception d'une commande et en cas de commande par un bouton-poussoir local.
Chaque canal de sortie de l'actionneur peut être configuré indépendamment et permet la commande ON/OFF des charges commandées, l'exécution de commandes temporisées, la gestion de scénarios et l'exécution de commandes prioritaires pour force l'état de la sortie. Les modalités de fonctionnement sont exploitables simultanément à travers la communication d'objects distincts.
Ainsi, le dispositif peut-il, par exemple, allumer et eteindre une luziere ou bien l'allumer et I'eteindre automatiquement après qu'un temps preFixe se soit ecoulé, simplement en fonction de la commande reque. Le module est monté sur rail DIN à l'intérieur de tableaux electriques ou de boites de derivation.
DESCRIPTION GÉNÉRALE
Fonctions
L'actionneur est configuré à l'aide du logiciel ETS afin de réaliser les fonctions listées ci-dessous.
Commutation :
- paramérisation du comportement des sorties (NO/NF)
- temporisation des lumières des escaliers avec possibilité de paramétrer la durée de la temporisation par bus
- temporisation des lumières des escaliers avec fonction de préavis à la coupure
-retard à l'activation/désactivation
-clignotement
Scenarios :
- mémorisation et activation de 8 scénarios (valeur 0-63) pour chaque sortie
- habilitation/deshabilitation de la mémorisation des scenarios par bus
Commandes prioritaires :
- paramérisation de la valeur du relais de sortie au terme du forçage
Commande de blocage :
- paramérisation de la valeur de l'objet de blocage et valeur du relais de sortie à la fin du blocage
Fonctions de sécurité :
- suivi périodique de l'objet en entrée
Fonctions logiques :
- opération logique AND/NAND/OR/NOR avec objet de commande (commutation, commutation temporisée, commutation retardée, clignotement) et résultat de l'opération logique
- utilisation du résultat de l'opération logique pour l'habilitation de l'objet de commande (commutation, commutation temporisée, commutation retardée, clignotement, scenario)
- opérations logiques AND / NAND / OR / NOR / XOR / XNOR jusqu'à 4 entrées logiques
État de la sortie :
- envoi sur bus régable
Autres fonctions :
- paramérisation du comportement de la sortie à la coupure/restauration de la tension sur le bus
- paramérisation du comportement des boutons-poussoirs de commande locale
INSTALLATION

ATTENTION : l'installation du dispositif doit uniquement être réalisée par un personnel qui fié, en suivant la reglementation en vigueur et les lignes directes relatives aux installations KNX
Consignes d'installation KNX
- La longueur de la ligne busent el'actionneur et l'alimentation ne dot pas dépasser 350 mètes
- La longueur de la ligne busentre lactonneur et le dispositf KNXle plus élogné ne doit pas dépasser700 mètes.
- Pour évier les signaux et les sur tensions invontaires, nepas créé de d'iruts en boucle.
- Maintenirune distance d'au moins 4mm entre les cades soés individuèment de la ligne bu setceux de la ligne éledrique(figure C).
- Ne pas déterminer le conducteur decontinuité électrique du blindage (figureD).

ATTENTION: les câbles de signal du bus non utilisés et le conducteur de continuité electrique doivent jamais toucher des éléments sous tension ou le conducteur de terre!
Montage sur rail DIN
Monter I'actioneur de 4 canux sur rail DIN de 35mm de la maniere suiv ante (figure E):
- Inseerl'acro chage supieur du disposifsurle rail DN.
- Tourner le disposit et le couer sur le rail DIN en agissart sur la languettede fixation.
Connexions électriques

ATTENTION : couper la tension de réseau avant de connecter le dispositif au réseau électrique !
La figure B indique le schéma des connexions électriques.
- Connecter le fil rouge du cable bus à la borne rouge (+) du terminal et le fil noir à la borne noire (-). On pourra raccorder, au terminal bus, jusqu'à 4 lignes bus (fils de même couleur sur la même borne) (figure F).
- Isoler le blindage, le conducteur de continuité électrique et les fils blancs et jaunes restants du cable bus (si l'on utilise un cable bus à 4 conducteurs) qui ne s'avent pas nécessaires (figure D).
- Insérer la borne bus dans les broches du dispositif. Le sens d'insertion est déterminé par les
guides de fixation. Isoler la borne bus à l'aide du couvercle, à fixer au dispositif à l'aide de
sa vis.
Le couvercle garantit la séparation minimale de 4mm entre les cables de puissance
et les cables bus (figure G). - Raccorder les charges aux bornes à vis fournies, en s'assurant de ne pas dépasser les limites de courant spécifiées dans les Données techniques. Insérer les bornes dans les connecteurs de sortie de l'actionneur, en vérifiant bien leur insertion (figure H).
Utilisation du bouton-poussoir de commande locale
Les boutons-poussoirs de commande locale (figure A) permettent de réaliser la commutation cyclique ON/OFF, en inversant l'etat du relais à chaque pression (réglage par défaut).
Si une commande prioritaire est active, les commandes locales ne sont pas exécutées.
On pourrait configurer le comportement du bouton-poussoir de commande locale via ETS.

ATTENTION : les boutons-poussoirs de commande locale sont également fonctionnels en cas de coupure de la tension du BUS, à condition que l'alimentation auxiliaire en 230 Vca soit presente.
Entretien
Le dispositif n'exige aucun entretien. Pour le nettoyage, employer un chiffon sec.
Le dispositif doit être configuré avec le logiciel ETS.
Le Manuel Technique contient des informations détaillées sur les paramètres de configuration et sur leurs valeurs.
DONNÉES TECHNIQUES
| Communication | Bus KNX |
| Alimentation | Par bus KNX, 29 V cc SELV |
| Câble bus | KNX TP1 |
| Alimentation auxiliaire | 230 Vca |
| Absorption du courant par le bus | 10 mA max |
| Éléments de commande | 1 touche miniature de programmation |
| 4 boutons de commande locale des relais | |
| Éléments de visualisation | 1 LED rouge de programmation |
| 4 LED vertes de signalisation de l'état de sortie | |
| Éléments d'actionnement | 4 relais 16 AX avec contact NO libre de tension |
| Courant max de commutation | 16 A (AC1) |
| 16AX (140 μF rif. EN 60669-1) tubes fluorescentes avec courant maximal d'allumage 400A (200 μs) | |
| Puisance max. par typologie de charge | Lampes à incandescence (230Vac): 3000W |
| Lampes halogènes (230Vac): 3000W | |
| Charges contrôleés par transformateur toroidal: 3000W | |
| Charges contrôleés par transformateur électronique: 2000W | |
| Lampes à basse consommation (fluorescentes compactes): 80x23W | |
| Puisance maximale dissipée: | 5W |
| Milieu d'utilisation | A l'intérieur, lieux secs |
| Température de fonctionnement | -5 ÷ +45 °C |
| Température de stockage | -25 ÷ +70 °C |
| Humidité relative | Max. 93% (sans condensation) |
| Connexion au bus | Borne à fiche, 2 pin Ø 1 mm |
| Connexions électriques | Bones extractibles à vis, section max. câbles: 4mm² |
| Degré de protection | IP20 |
| Dimension | 4 modules DIN |
| Normes de référence | Directive basse tension 2006/95/CE |
| Directive compatibilité electromagnétique | |
| 2004/108/CE | |
| EN50428, EN50090-2-2 | |
| Certifications | KNX/EIB |
INDICE
pag. ADVERTENCIAS GENERALES 31
DESCRIPCION GENERALES 32
INSTALACION 34
PROGRAMACION CON SOFTWARE ETS 36
DATOS TECNICOS 37
Notice Facile