6411 U101 - Slim huis Busch-Jaeger - Gratis gebruiksaanwijzing en handleiding
Vind de handleiding van het apparaat gratis 6411 U101 Busch-Jaeger in PDF-formaat.
| Technische kenmerken | Schakelaar voor besturing van slimme huis systemen, compatibel met gangbare communicatieprotocollen. |
|---|---|
| Gebruik | Maakt afstandsbediening van aangesloten apparaten mogelijk, integratie in gepersonaliseerde domoticascenario's. |
| Onderhoud en reparatie | Regelmatige controle van elektrische verbindingen, reiniging van oppervlakken om stofophoping te voorkomen. |
| Veiligheid | Voldoet aan elektrische veiligheidsnormen, bescherming tegen overbelasting en kortsluiting. |
| Algemene informatie | Product van het merk Busch-Jaeger, bekend om zijn kwaliteit en betrouwbaarheid op het gebied van slimme huizen. |
Veelgestelde vragen - 6411 U101 Busch-Jaeger
Gebruikersvragen over 6411 U101 Busch-Jaeger
0 vraag over dit apparaat. Beantwoord die u kent of stel uw eigen vraag.
Stel een nieuwe vraag over dit apparaat
Download de handleiding voor uw Slim huis in PDF-formaat gratis! Vind uw handleiding 6411 U101 - Busch-Jaeger en neem uw elektronisch apparaat weer in handen. Op deze pagina staan alle documenten die nodig zijn voor het gebruik van uw apparaat. 6411 U101 van het merk Busch-Jaeger.
GEBRUIKSAANWIJZING 6411 U101 Busch-Jaeger
De inbouwsokkels 6411U-101 resp. 6411U/S-101 worden gezbruikt voor de besturing van
- jaloezieën/lamellen
- rolluiken, markiezen
-lichtkoepel-kappen etc.

In deze gebruiksaanwijzing worden hierna het begrip "jaloezie" als synonym voor de hierboven genoemde toepassingsmogelijkheden gebruikt.
Beide sokkels hebben verschillende modi - bijv. om dejaloezie gewoon te bewegen of om de lamellen te verstel-len (zie hoofdstuk: "Modi").
Toepassingsgebieten DUT 132
Bijzonderheden van het type 6411U/S-101
Het inbouw-inzetstuk 6411U/S-101 heeft een extra klemblok voor de aansluiting vanhelderheidssensor en glasbreukmelder en een stelwiei voor de instelling van een drempelwaarde voor dehelderheidssensor. Daardoor+kennenaar keuzehelderheidssensor 6414 en/of glasbreukmelder 6413 worden aangesloten.
Toepassingsgebieten DUT 133
Fig. 1

Combinatiemogelijkheden
Toepassingsgebieten DUT 134

Fig. 2
6411 U/x-101
Afzonderlijke besturing
Jaloeziecontrol 1 bestuurt de gehele groep jaloezie-motoren. Met alle verdere jaloeziecontrol-apparaten kuren de jaloezieën ook apart bewogen worden.

Fig. 3
Jalousiecontrol 1 Jalousiecontrol 2 Jalousiecontrol 3

Een combinatie van de inbouwsokkels 6411U/x-101, 6411 U/x und 6410U-102is möglichk.
Toepassingsgebieten DUT 136

Fig. 4
Meerfasenbedrijf
Belangrijke aanwijzingen DUT 137

Een meerfasenbedrijf is uitsluitend in Duitsland toegestaan.
Werkzaamheden op het 230 V net mogen uitsluitend worden doorgevoerd door bekwaam personeel! Vó Rodr de montage en demontage netspanning uitschakelen! Als de installment- en bedieningsinstructies nicht opgevolgd worden, dan kan dit leiden tot brand of andere bevaren!
Is een meerfasenbedrijf (2 fasen) voor de sturing en functie van de inbouwsokkel 6411U/x-101 gewenst, dan dient aan de volgende voorwaarden dwingend volgens voorschrift DIN VDE 0100 te worden voldaan:
Bij gebruik in verschillende FI-circuits wie aansluitschema in gebruikershandboek Busch-Jalousiecontrol II.
Op de nevenpostingangen klem 1 en 2 mag alleendezelfde fase+zijn aangesloten.
Belangrijke aanwijzingen DUT 138

OPGELET LEVENSGEVAAR!
Worden verschillende fasen op de inbouwsokkel 6411U/x-101 toegestaan, dan moe tervoor worden gezorgd dat bijeen fout of bij werkzaamheden aan de installmentie bijalle polen worden uitgeschakeld. Deze modus is uitsluitend in Duitsland toegestaan.
Bij gezbruik in verschillende FI-circuits wie aansluitschema in gezruikershandboek Busch-Jalousiecontrol II.
Bij gebruik via 3 fases wie aansluitschema in gebruikershandboek Busch-Jalousiecontrol II.

Verzekert u zichzelf ervan dat
- de aanwijzingen van de desbeteffende fabrikantvan jaloeziemotoren worden nagevolgd, wanner u verschillende motoren parallel wilt aansluten.
- zich in de actieradius van de jaloezieën geen Personen of voorwerpen bevinden.
- bij werkzaamheden aan de inbouwsokkel het apparaat spanningsvrij is.
Inbouwsokkel 6411U/x-101
Nominale spanning: 230V ± 10% 50~Hz
Max. schakelstroom: 3 A cos 0,5
Vermogensopname: < 1 W
Relaisinschakelduur: ca. 3 minutes
Kortste omschakeltijd: >500 ms
Max. stroomopnameper
nevenpostingang: < 3 mA
Sensoraansluiting: SELV-potential, veiligheidsspanning
Omgevingstemperaumbereik: 0 - + 35^
Apparaatoverzicht DUT 140

Fig. 5

Apparaatoverzicht
Apparaatoverzicht DUT 141
- Inbouwsokkel 6411U/S-101
- Net-/nevenaansluiting
- Aansluiting jaloeziemotor
- Stelwieltje om de modus te wisselen
- Afneembare kap voor bescherming gegen aanraking (in de fabriek gemonteerd)
- Klemblok voor de aansluiting van de sensor/melder
- Stelwieltje om de drempelwaarde voor de helderheidssensor in te stellen
- Lusvakje voor de sensorleiding
- Verbinding met het bedieningselement/aansluitdoorn

Bij het inbouw-inzetstuk 6411U-101 ontbrekende pos. 6 en 7.
Modi DUT 142
a. Verandering van de modus
Bedrijfsmodi-schakelaar

Fig. 6

6411 U/S-101 6411 U-101
- Licht het bedieningselement met een schroevendraaier via het frame eraf.
- Draai het stelwieltje op de gewenste modus.
- Bevestig het bedieningselement waar in devorige positie.
De nouveau ingestelde modus is direct actief.

De verandering van de modus kan onder spanning worden uitgevoerd.
Modi DUT 143
b. Modi
Normaalbedrijf (N) = fabrieksinstelling
Toepassingsvoorbeeld: OMHOOG-/OMLAAG bewegen van de jaloezie
-
Door kort indrukken (aantippen) van het bedieningsvlak worden een bewegingscommandouitgevoerd, waardoor de jaloezie in de bovenste of onderste eindstand worden gebracht. Door nog eens indrukken worden het omhoog of omlaag bewegen onderbroken.
-
Als het bedieningsvlak lang worden ingedrukt, beweegt de jaloezie voor de duur van deze bediening omhoog/omlaag. Duurt het indrukken langer dan drie minutes, dan schakelt het inbouw-inzetakstuk UIT.
Lamellenverstelling (L)
- Toepassingsvoorbeeld: OMHOOG/OMLAAG bewegen van de jaloezie en lamellenverstelling inkleine stappen.
Modi DUT 144
- Kort indrukken (aantippen) van het bedieningsvlak komt overeen met de normaalmodus.
- Als het bedieningsvlak lang worden ingedrukt, beweegt de jaloezie voor de duur van deze bediening gepulst omhoog/omlaag. Duurt het indrukken langer dan drie minuten, dan schakelt het inbouw-inzetstukuit.
Markiezenfunctie (M)
- Deze bedrijfsmodus is alleen in de versie 6411U/S-101 met een aangesloten zonnesensor effectief.
- De functie is met helderheidssensor 6414uitvoerbaar.
- Zonder zonnesensor resp. in de U-versie heeft dezegeen effect (komt overeen met normalalmodus).
- Als deze bedrijfsmodus is geactiveerd, beweegt de jaloezie bij overschrijding van de ingestelde helderheitswaarde voor 3 min. omlaag resp. een eerder geprogrammeerde neerlaattijd (en indien geprogrammeerd, een terugloopimpuls) wordenuitgevoerd.
- Bij onderschrijding van dehelderheitswaarde kan de jaloezie alleen opnieuw automatisch omhoog
Modi DUT 145
bewegen, wanner er door de looptijd voor is gezorgd dat de zonnesensor ,vrij zich' op dezon heeft.
"Centrale" (Z)
- Toepassingsvoorbeeld: een jaloeziecontrol-inbouwsokkelwordt als centrale voor verdere jaloezieën gezruikt.
- Ledere bediening (kort of lang) van deze centrale worden als bewegingscommando (3 minutes) geinterpreeerd en omgezet. Daar door is men ervan verzekererd dat alle ondergeschikte jaloezieën tot in de eindstand bewegen.
- Geprogrammeerde neerlaattijden van de nevenaansluitingen worden uitgevoerd.
Modi DUT 146
Programming (P)
- Toepassingsvoorbeeld: bij een omlaag-bewegingscommando要去 de jaloezie automatisch tot een bepaalde positie omlaag bewegen en de lamellen verstellen.
- De geprogrammeerde bewegingstijd worden na omschakeling in een andere modus alleen dan actief als vooraf via een bewegingscommando (3 minutes) maar boven bewogen is - alleen dan is gegardeerd dat de gewenste positie ook gestart worden.
Programming DUT 147
a. Handelwijze
- Activeer-analoog zoals het in het hoofdstuk "Modi" beschreiben is-deze modus en streek het desbeteffende bedieningselement er weeer op.
- Praktisch gezien befindt de jaloezie zich in de bovenste eindstand. De jaloezie worden bij lang indrukken omlaag in de gewenste positie gebracht. Tussentijds stilzetten van de jaloezie is möglichk. Alle OMLAAG-beweegtijden worden toegevoegd en opgeslagen.
- De terugloopimpuls (voor lamellenverstelling, beluchtingspositie bij rolluiken) begint met het voor het eerst OMHOOG bewegen van de jaloezie. Alle daarna volgende beweegtijden worden toegevoegd (OMHOOG bewegen) resp. afgetrokken (OMLAAG bewegen) en als een totale terugloopimpuls opgeslagen.
Programming DUT 148
De max. teruglooptijd bedraagt 25 sec. Een onder- of overschrijden van dezeijd worden door een stoppen van de jaloezie gesignaleerd.
- Voor het programmeren van een teruglooptijd要去 eerst een neerlaattijd van tenminste 10 secondengeprogrammeerd�.
- Licht het bedieningselement met schroevendraaier opnieuw incl. frame eraf.
- Verlaat de modus "programmering" en stel de oorspron-kelijk gewenste modus waar in.
- Steek het bedieningselement waar op.

De bovengenoemde programmering kan worden vereenvoudigd wonneer een nevenpost geinstalleerd isendeze gebruikt worden de tussenpositie te programmeren.
Programming DUT 149
- Is de programmering juist uitgevoerd en bevindt zich de jaloezie in de bovenste eindstand, dan beweegt de jaloezie bij een omlaag-bewegings-commando de geprogrammeerde omlaag-bewegingstijd maar beneden, stopt 0,5 s en beweegt dan voor dearend van de geprogrammeerde terugbewegingsimpuls weer� boven.
- Als de jaloezie zich nicht in de bovenste eindstand befindt, worden het OMLAAG-bewegingscommando zonder de geprogrammeerde:tussenstand uitgevoerd. De jaloezie beweegt voor drie minuten omlaag.
b. Wissen van een programmering.
- Schakel bij afgetrokken bedieningselement maar de bedrijfsmodus „Programmering" en waar terug� de vorige bedrijfsmodus.
Een aanwezige programmering wordt gewist.
Party-/blokkeerfunctie DUT 150
- De party-/blokkeerfunctie kan alleen in combinatie van de UP-inzetstukken 6411 U/x-101 met de bedieningselementen 6430-xx worden geactiveerd.
- Met deze functie worden het UP-inzetakstuk uit een groepsbesturing uitgesloten. Dat betekent dat signalen, die via de nevenaansluitingsingangen komen, en de lokale bediening genegeerd worden.
- De functie kan alleen in de bovenste eindstand worden geactiveerd (relais-looptijd 3 min. in acht nemen). Voor het activeren voor >5 sec. de OMHOOG-toets indrukken. Als bevestiging worden de jaloezie voor twee seconden omlaag en daarna waar omhoog in de bovenste eindstand gebracht.
- De functie worden gedeactiveerd door de OMLAAGtoets voor >5 sec. in te drukken. Als bevestigbing beweegt de jaloezie omlaag. De deactivering worden automatisch na ca. 8 h uitgevoerd.
Party-/blokkeerfunctie DUT 151
- Een activeren van de partyschakeling deactiveert de zonbeschemings-, de schemerings- resp. de markiezenfunctie. In de bedrijfsmodus Centraal en Programmering kan de partyschakeling nicht geactiveerd worden.
Montage DUT 152
Netspanning uitschakelen!
Het apparaat is geschikt voor de inbouw in de handelgebruikelijk inbouwdozen, de inbouw in eenaftakschakeldoos met een inbouwdiepte van 60~mm verdient aanbeveling.
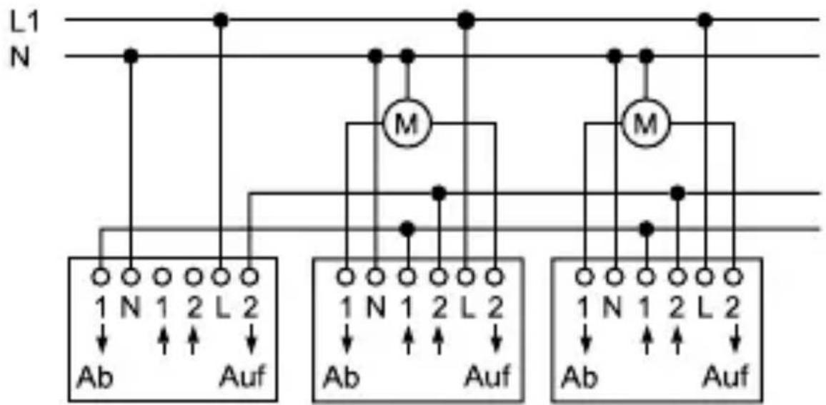
- Let bij de aansluiting op de aansluitvoorbeelden Fig. 2, 3 en 4.
- Controller telkens de bewegingsrichting van de jaloezie.
a. Montage in verbinding met een bedieningselement.
Montageplaats
In combinatie met het IR-bedieningselement 6066 dient demontageplaats binnen de opgegeven waarden voor het IR-ontvangstbereik (zie Fig. 12 en 13) te liggen. Gelieve waar bij inacht te nemen dat het IR-ontvangstbereik door extern Licht (bijv. zonnestralen, verlichting) kan veranderen. Is voor de inbouwsokkel 6411U/S-101 de inzet van een
Montage DUT 153
helderheidssensor 6414/ glasbraakmelder 6413 voorgezien, dan dientmen rekencing te houden met de leidinglengte van defabriek van ca. 2m .
Aanbrengen van het bedieningselement
Bij het IR-bedieningselement 6066 eerst het gewensteadres instellen (zie hoofdstuk "Adressering van het IR-bedieningselement").
- Steek het bedieningselement op de inbouwsokkel.
Verwijdersen van het bedieningselement
- Licht het bedieningselement met schroevendraaier incl. frame eraf.
Montage DUT 154
b. Montage in combinatie met nevenposten
De inbouwsokkel kan via nevenposten worden gebrukt. Gelieve hierbij op het volgende te letten:
- De maximale leidinglengte is afhankelijk van de maxi-maal toelaatbare rimpelspanning op de nevenpost-ingangen. De rimpelspanning mag darüber 100V Niet teboven gaan (dit stemt in de praktijk overeen met min-stens 100m leidinglengte).
- Om storingen door schakelprocessen van de jaloezie-aandrijvingen te voorkomen, mogen motor- en neven-posttoevoerleidingen Niet in een kabel of in de onmiddel-lijke nabijheid ten opzichte van elkaar worden gelegd (minimumafstand 5 cm).
- Voor de berekening van het maximale aantal parallel tegebruiken apparaten in een beveiligingscircuit要去 met de stroomopname van de motoren en de nevenpost-ingangen als ook de vermogensopname van de inbouw-sokkels rekening worden gehonden.
Bediening DUT 155

De fase voor de nevenpostingangen "1" en"2"要去gelijk en in hetzelfde stroomcircuit�n.
De bediening van de jaloezie is afhankelijk van het gebruiktebedieningsselem. resp. van het gebruik van de sensoren.
a. Bediening via het bedieningselement 6430
Modi N, E (zie ook het hoofdstuk "Modi")
Omhoog = : Kort indrukken (aantippen) van het bovenste vlak
- de jaloezie worden in de bovensteeindstand bewogen.
Lang indrukken van het bovenste vlak
- De jaloezie beweegt omhoog zolang de toets ingedrukt worden.
Bediening DUT 156
Omlaag= : Kort indrukken (aantippen) van het onderste vlak
- de jaloezie worden in de onderste eindstand bewogen.
Lang indrukken van het onderste vlak
- De jaloezie beweegt omlaag zolang de toets ingedrukt worden.
Nogiens indrukken zet de jaloeziebeweging stil.
Modus L (zie ook hoofdstuk "Modi")
Kort indrukken (aantippen) werkt analogoog aan de „normaalmodus”. De jaloezie beweegt tot in de betreffende eindstand.
Met lang indrukken kan de lamellenhoek trapsgewijs worden gewijzigd:
Omhoog = Δ: Lang drukken op het bovenste vlak, de jaloezie beweegt gegelst omhoog.
Omlaag = ∇: Lang drukken op het onderste vlak, de jaloezie beweegt gegulst omlaag.
Bediening DUT 157
b. Bediening via het IR-bedieningselement 6066 De handmatige lokale bediening alsook de afstandsbediening via de IR-handzender 6010-25 verlopen analogog met de bediening van het bedieningselement 6430. Op het IRbedieningslement 6066 knippert bij het zendbedrijf de rode LED.
Via de IR-handzender kan het omhoog- resp. omlaag bewegen van de jaloezie in de beiden MEMO-geheugens M1 resp. M2 worden opgeslagen:
- Bedien de bedieningselementen of de IR-handzender in de gewenste richting (OMHOOG/OMLAAG).
- Sla de richting in M1 resp. M2 op. Eerst de memotoets indrukken.
Wissen van de MEMO-geheugens
- Druk op de rode ALLES UIT-impulsdrukker op de handzender.
- Sla de ALLES UIT-toestand op in M1 resp. M2. Eerst moet de memo-toets ingedrukt worden.
Bediening DUT 158

Een bepaalde lamellenstand kan nicht op een
MEMO-geheugen worden gelegd.
De toegang tot de MEMO-geheugens M1 en M2 verloopt via de IR-hand resp. wandzender.
Nadere inlichtingen vindt u in de bijbehorende IR-gebruiksaanwijzingen.
c. Bediening via de nevenposten
Als nevenaansluitingen zijn alle soorten signalgevers die een 230-V-siagraal (geen continu signaal) maar de nevenaansluitingsingangen „1" en „2" aufgeven geschikt (zie Fig. 1).
De bediening is afhankelijk van de desbeteffende functieomvang van de nevenpost en van de gekozen modus.
Het inbouw-inzetstuk interpreteert korte spanningsimpulsen als „kort indrukken (aantippen)" en lange spanningsimpulsen als „lang indrukken".
Aanwijzing bij prioriteiten van de bediening
De glasbraakmelder heeft de hoogste prioriteit. Bijin werkingtelling worden de nevenpostingangen uitge-
Bediening DUT 159
schakeld. De jaloezie wordenaar beneden bewogen en kan slechts door een lokale bediening weeer maar boven wordenbewogen.
De nevenaansluitingsingang ↑2 voor OMHOOG heeft op een na hoogste prioriteit (windalarm). Als aan de ingang spanning bestaat, beweegt de jaloezie maar boven en blijft boven, zolang spanning aan de nevenaansluitingsingang ↑2 bestaat.
Alle andere bedieningen zijn gelijkerechtigd.
Helderheidssensor DUT 160
Dehelderheidssensor (6414) is alleen in combi-natie met de inbouwsokkel 6411U/S-101 bruikbaar.
a. Functie
Zonweringsfunctie
Combineerbaar met bedrijfsmodi N, L.
Voorwaarde voor een storingsvrije functie van de zonbeschemingsfunctie is dat de jaloezie over de sensor kan bewegen. Als dit nicht gegarandeerd is, dan要去 de markiezenfunctie (zie bedrijfsmodus M) worden gezruikt.
De sensor meet voortdurend dehelderheid en vergelijkdeze waarde met de ingestelde drempelwaarde.
Wordt de drempelwaarde langer dan 90 seconden overschreden, dan beweegt de jaloezie maar beneden.
Zodra deaar beneden bewegende jaloezie de sensor verduiistert, wordt de neerwaartse beweging gestopt. De jaloezie wordt weeer naar boven bewogen en kort boven desensorpositie aangehouden. De jaloezie wordt pas dan weer in de bovenste eindpositie bewogen, als de sensor langer dan 15 minuten een onderde ingestelde
Helderheidssensor DUT 161
drempelwaarde liggende waarde meet resp. een instelcommando van een bedieningselement of een nevenpost volgt.
Een bediening door een nevenpost of bedieningselement onderbreekt de zonweringsfunctie, de handmatige bediening worden uitgevoerd. Een hernieuwde activering vandezonweringsfunctie volgt door een omhoog-bewegingscommando (3 minuten bewegingstijd) of door devolgendelight/donker-overgang. Dit gebeurt automatisch door de helderheid buiten (avondschemering).
Schemerfunctie (alleen in combinatie met het timer-bedieningselement möglichk).
ZieAPEgebruiksaanwijzing.
Helderheidssensor DUT 162
b. Aansluting
De aansluiting kan onder spanning geschieden.
Ga a.u.b. als volgt te werk:
- Licht elev. het bedieningselement met schroevendraaier incl. frame eraf.
- Verwijder event. de kap (zie Fig. 5, Pos. 5) van de inbouwsokkel.
- Trek het klemblok (zie Fig. 5, Pos. 6) voorzichtigelijk waarboven weg.
- Sluit de helderheidssensor aan.

- Leg voor de snoerontlasting de sensorleiding in de inbouwsokkel met eenkleine lus (zie Fig. 5, Pos. 8)

Fig. 9 S: helderhe
Helderheidssensor DUT 163

De sensorleiding moet nicht worden verlengd bzw. anders de functie worden aangetast.

Let er a.u.b. op dat bij instelwerkzaamheden/her-plaatsing van de helderheidssensor de jaloezie event. plotseling in beweging worden gezet.
c. Instelling (voor het bedieningselement 6430 resp.6066)
Voor deinstelling van de drempelwaarde voor de helderheidssensor onafhankelijk van de actuèlehelderheid,gaat u a.u.b.als volgt te werk:
- Verzekert u zichzelf ervan dat de helderheidssensor opde voorzieneplaats is aangebracht en nichtbedekt is.
Helderheidssensor DUT 164
-
Verander de positie van het stelwieltje
-
maar rechts als de zonweringsfunctie al bij geringe helderheid in werkung moet worden gezet,
-
maar links als de zonweringsfunctie pas bij große helderheid in werkung要去 worden gezet.

Fig. 10
- Opslaan van de actuèlehelderheid als gewenste drempelwaarde voor dehelderheidssensor:
Moet de actuèle%Helderheid als drempelwaarde worden opgeslagen, dan要去erst het stelwieltje (Fig. 5, Pos. 7) op de minimumwaarde (rechtse aanslag), eenpeer seconden wachten enervolgens op demaximumwaarde (linkse aanslag) worden gedraaid. Daardoor wordt de programmering van dehelderheidswaarde geactiveerd. De jaloezie beweegt (indien deze Niet al boven is) als teken van debebestigving van deze modus maarboven. Nu langzaam het stelwieltje (Fig. 5, Pos. 7) in de richting vanafnemende holderheid draaien totdat dejaloezie waar
Helderheidssensor DUT 165
beneden beweegt. Daarmee is de actuèle
helderheitswaarde opgeslagen. De zonweringsfunctie is direct actief.
d. Installing via het timer-bedieningselement 6455, 6412-101
Alleen in combinatie met het timer-bedieningselement zich zowel de zonwerings- alsook de schemerfunctie instelbaar. De instelling van de drempelwaarden verloopt via het timer-bedieningselement; het stelwieltje van de inbouw-sokkel is dan zonder functie.
Nadere inlichtingen omtrent de instelling etc. vindt u in debij het timer-bedieningselement behorende gebruiksaanwijzing.
Glasbraakmelder DUT 166
De glasbraakmelder (artikelnr. 6413) is alleen in combinatie met de inbouwsokkel 6411U/S-101 bruikbaar. Deze sensor is een optioneel hulpapparaat, dat een springenderuit kan herkennen.

Let er a.u.b. op dat de inbouwsokkel 6411U/S-101 in combinatie met de glas-braakmelder nicht als inbraak-/overvalbeveiliging geschikt is, odomat de hiervoor voorgeschreiben savotageveiligheid volgens VdS ontbreekt.
a. Functie
De inbouwsokkel herkent automatisch een aangesloten glasbraakmelder. Springt een ruit, dan ontstaan er zekereultrasone signalen, die door de melder geëvalueerd worden. De melder stelt een omlaag-bewegingscommando in werkinq.
Glasbraakmelder DUT 167

Tijdens resp. na de inwerkingstelling van het schakel-commando kan de jaloezie noch via de holderheidssensor noch via een timer-signaal noch via een nevenpost maar boven worden bewogen. Deaar beneden bewogen jaloezie kan slechts via het bedieningselement van de betrokken inbouwsokkel weeer maar boven worden bewogen.
Bij het gebruik van een timer-bedieningselement volgt eenaparte melding maar het bedieningselement - nadere inlich-tingen vindt u in de bijbehorende gebruiksaanwijzing.
Glasbraakmelder DUT 168
b. Aansluting
De aansluiting kan onder spanning verlopen. Ga waarvoor a.u.b. - zoals in het hoofdstuk "Helderheidssensor" onder b beschreiben - te werk.
Op de juiste pool van de tweeger-schakeldraad dientechter alleen bij de helderheidssensor te worden gelet.

Nadere inlichtingen omtrent de functie, bevestiging, etc. vindt u in de bij de glasbraakmelder behorende gebruiksaanwijzing.
Adressering IRbedieningselement
DUT 169
Het adres van het IR-bedieningselement 6066 is door de fabriek op het getal "1" ingesteld. Het adres kutu via het adreswieltje op de achterkant van het IR-bedienings-element wijzigen. Let bij de adressering op het "IRontvangstbereik" (Fig. 12 en 13.).

Fig. 11
De jaloezieen bewegen schillend (bij groepbesturing):
Mogelijkke
oorzaak/oplossi
Uitgangen bij 6411U/S-101 ververvangen
- Nevenpostingangen bij 6411U/S-101 verwisselen
Belastingsleiding van stuurleiding koppelen
- Nevenaansluitingsingang met hoge prioriteit is actief (bijv. windalarm)
- Thermische motorbeveiling actief - kort aufwachten
Modus controlleren
- Partyfunction is geactiveerd.
Storingsoplossing DUT 173
Bij het gebruik van het timer-bedieningselement 6455 of 6412 vindt u nadere inlichtingen in de bijbehorende gebruiksaanwijzing.
Bovendien kann de volgende IR-specifieke storingenoptreden:
Diagnose Mogelijke oorzaak/oplossi LED aan: - infrarood- extern
lichtwegnemen
- netspanning aanleggen
LED knippert - Duurzaam extern signala voortdurend: wegemen
Het IR-ontvangstbereik kan door het externe Licht (bijv. zonnestralen, verlichting) veranderen.
Tietty säleiden asento voidaan tallentaa MEMO-muistijn.
SimpelGids