2CKA006430A0314 - Slim huis Busch-Jaeger - Gratis gebruiksaanwijzing en handleiding
Vind de handleiding van het apparaat gratis 2CKA006430A0314 Busch-Jaeger in PDF-formaat.
| Technische kenmerken | Busch-Jaeger 2CKA006430A0314, slim huisapparaat, compatibel met diverse domoticasystemen. |
|---|---|
| Gebruik | Maakt het mogelijk elektrische apparaten op afstand te bedienen via een mobiele app of webinterface. |
| Onderhoud en reparatie | Controleer regelmatig op software-updates en zorg ervoor dat de verbindingen veilig zijn. |
| Veiligheid | Integreert beveiligingsprotocollen om gegevens en communicatie te beschermen. |
| Algemene informatie | Product ontworpen om comfort en energie-efficiëntie in moderne huizen te verbeteren. |
Veelgestelde vragen - 2CKA006430A0314 Busch-Jaeger
Gebruikersvragen over 2CKA006430A0314 Busch-Jaeger
0 vraag over dit apparaat. Beantwoord die u kent of stel uw eigen vraag.
Stel een nieuwe vraag over dit apparaat
Download de handleiding voor uw Slim huis in PDF-formaat gratis! Vind uw handleiding 2CKA006430A0314 - Busch-Jaeger en neem uw elektronisch apparaat weer in handen. Op deze pagina staan alle documenten die nodig zijn voor het gebruik van uw apparaat. 2CKA006430A0314 van het merk Busch-Jaeger.
GEBRUIKSAANWIJZING 2CKA006430A0314 Busch-Jaeger
- Fig. 1: Aansluitvoorbeeld (normaal bedrijf) 90
- Fig. 2: Aansluitvoorbeeld (modi 2 - 5) 91
- Fig. 3 en 4: IR-detectiebereik 92
1. Overzicht
- Toepassingsgebieden 94
- Combinatiemogelijkheden 94
2. Belangrijke aanwijzingen
- Documentatie 96
-Afvoer 96
-Inbouw 98
- ... in combinatie met bedieningselementen 98
- … in combinatie met presentiemelder 6813- xxx- 500 . 99
- ... in combinatie met nevenposten 99
- ... in combinatie met inbouwsensoren 101
- Adressering van het IR-bedieningselement/Fig. 5 102
- Modi 104
Inhoudsopgave
NL
5. Bediening
- ... met bedieningselement 6430-../6543- .. 106
- ... met bedieningselement 6066-../6067- .. 106
- met Busch-Ferncontrol IR 108
- met sensoren 109
- Nevenpostbedrijf met sensoren 109
- Passief nevenpostbedrijf 110
-Actief nevenpostbedrijf 111 -
... met presentiemelder 6813-xxx-500 112
-
Netspanningsonderbreking 113
- Hulp bij storing 114

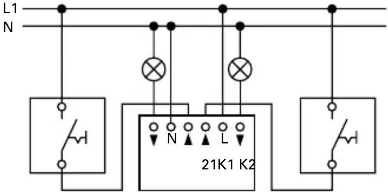
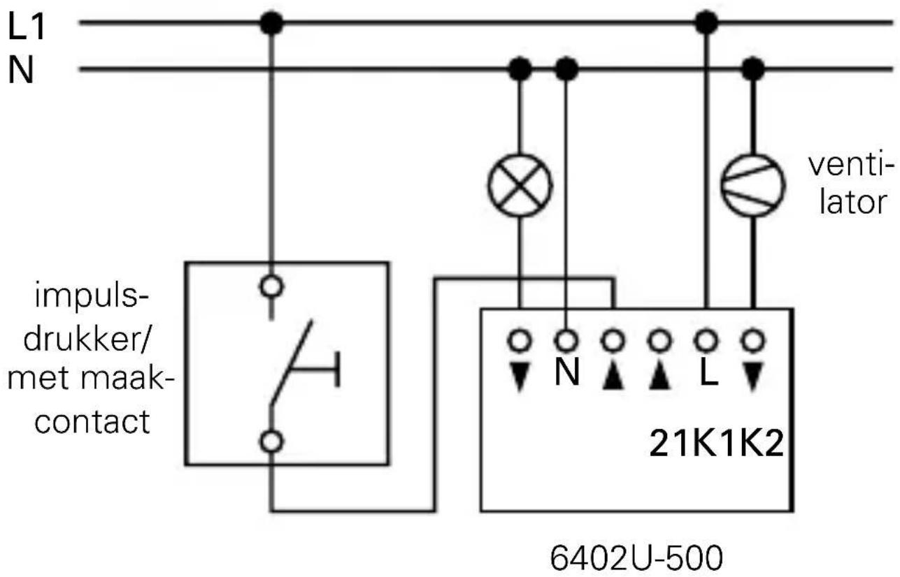
Fig. 1/Normalaal bedrijf
Universele série-inbouwsokkel in de modus 1 (zie hoofdstuk 4.4) in afzonderlijk bedrijf met impulsdrukkeraansturing

impulsdrukker/met maakcontact
6402U-500
impulsdrukker/met maakcontact
AANWIJZING
Bij verlichte impulsdrukkers können uitsluitend impulsdrukkers met afzonderlijke N-aansluiting worden gebruikt. Een contactparallele verlichting is Niet toegestaan!

Fig. 2
Universele série-inbouwsokkel in de modi 2 - 5 (zie hoofdstuk 4.4)


Fig. 3

IR-onvangstbereik

Fig. 4

IR-ontvangstbereik

Overzicht
NL
1.1 Toepassingsgebieten
De universele série-inbouwsokkel 6402U-500 (hierna inbouwsokkel 6402U-500) is een met nevenpostingangen bedienbare schakelaar voor het schakelen van
-gloeilampen
- halogeenlampen
- laagvolt-halogeenlampen met transformator en
- TL-lampen
-motoren
1.2 Combinatiemogelijkheden
De inbouwsokkel 6402U-500 maakt o.a. het gebruik van de volgende ABB producten möglichk:
- IR-bedieningselement 6066-, 6067-...
- bedieningselement 6430- ..., 6543- ...
- impulsdrukker met maakcontact (bijv. art.nr.: 2020 US of 2021/6 UK) bij nevenpostbediening
- inbouwsensoren standaard 6810-xxx-10x-500
Overzicht

- inbouwsensoren comfort 6800-xxx-102(M)/103M/104(M)-500
-
Busch-Wächter® presentiemelder 6813-xxx-500
-
De keuze van de bedieningselementen is slechts afhankelijk van de overeenkomstige print. De functie is telkens identiek.
Belangrijke aanwijzingen

OPGELET
Werkzaamheden aan het 230 V-net mogen slechts door geauthoriseerd elektrotechnisch vakpersoneel worden verricht.
2.1 Documentation
In deze gebruiksaanwijzing zijn zowel de Busch-Wächter® standard (art.nr. 6810-xxx-10x-500) als de comfortsensoren (art.nr. 6800-xxx-10x(M)-500) beschreiben als "inbouw-sensoren". Gelieve op de steeds juiste typetoewijzing in de beschrijving te letten.
De type-aanduiding kut u vinden op de betreffende achterkant van het apparaat.
2.2 Afvoer
Alle verpakkingsmaterialen en apparaten van ABB zijn van markeringen en keuringszegels voor deskundige en vakkundige afvoer voorzien. Lever het verpakkingsmaterial en de elektrische toestellen resp. de elektronische componenten ervan in bij de hiertoe erkende verzamelplaatsen resp. afvoerbedrijven.
Technische gegevens

Netspanning: 230 ~V ± 10 % , 50 Hz
Krachtonteming: < 1,5 ~W
Max. schakelspanning: 250V
Max. schakelstroom (voor alle uitgangen samen): 2300 W/VA, 10 AX
Max. rimpelspanning 100V bij 100m leidingsaan de nevenpost: lenghte
Aantal impulsdrukkers: onbegrensd
Beschermingsgraad: IP 20
Bedrijfstemperatuur: 0 tot + 35 °C
Montage

Netspanning uitschakelen!
4.1 Montage van de inbouwsokkel 6402U-500
De inbouwsokkel 6402U-500 worden in een in de handel gebruikelijke inbouwdoos volgens DIN 49073 deel 1 ingebouwd.
4.2.1 Montage in combinatie met bedieningselementen Montageplaats (zie Fig. 3 en 4)
In combinatie met de IR-bedieningselementen 6066... en 6067... dient de montageplaats binnen de opgegeven waarden voor het IR-ontvangstbereik te liggen. Gelieve waar bij in acht te nemen dat het IR-ontvangstbereik door vreemdlicht (bijv. zonnestralen, verlichting) kan veranderen.
Aanbrengen van het IR-bedieningselement
Bij het IR-bedieningselement 6066-../6067-... eerst het gewenste adres instellen. Het bedieningselement op de inbouwsokkel 6402U-500 steken
Verwijdersen van het IR-bedieningselement
Maak voor het afnemen gebruik van de Voorziene inkervingen links en rechts.
Montage

4.2.2 Montage in combinatie met de Busch-Wächter® presentiemelder 6813-xxx-500
Montageplaats
In combinatie met de presentiemelder 6813-xxx-500 is alleen de montage aan het plafond zinvol. Zo möglichk要去 de presentiemelder 6813-xxx-500 direct boven de desbe-treffende werkplek gemonteerd worden.
Aanbrengen van de presentiemelder 6813-xxx-500
Voor de installmentie en het testbedrijf is het zinvol van de bijgevoegde adapter gebruik te make. Vervolgens worden de presentiemelder 6813-xxx-500 op de inbouwsokkel 6402U-500 vastbezet.
Afnemen van de presentiemelder 6813-xxx-500
Trek de presentiemelder 6813-xxx-500 bij de kastring van de inbouwsokkel 6402U-500 af.
4.2.3 Montage in combinatie met nevenposten
De inbouwsokkel 6402 U-500 kan via nevenposten worden gebruikt. Gelieve hierbij op het volgende te letten:
Montage

- De maximale leidingslengte is afhankelijk van de maxi-maal toelaatbare rimpelspanning op de nevenpost-ingangen. De rimpelspanning magECHter 100 V Niet te boven gaan (dit stemt in de praktijk overeen met een leidingslengte vanaf 100m ).
Als nevenpostenkommen in aanmerking:
- impulsdrukker met maakcontact (bijv. 2020 US of 2021/6 UK)
OPGELET
De verlichting van de impulsdrukker-nevenpost parallel met het schakelcontact is Niet toegestaan: van een impulsdrukker met "N" gekruik make.
Om een onberispelijke functie te waarborgen de geschakelde leidingen geschreiben van de nevenpostleidingen leggen.
Montage

4.2.4 ... in combinatie met inbouwsensoren/presentiemelder
Om de optimale functie van de inbouwsensoren te garan-deren op de volgende tabel letten a.u.b.
| Inbouwsensor type/ presentiemelder toepassings- de aansluit gebied schroeven | |
| 6810-xxx-10x-500 0 | 8 - 1,2 m beneden |
| 6800-xxx-10x-500 | |
| 6800-7x-10xM-500 | 0,8 - 1,2 m (trappenhuis) boven |
| 2,0 - 2,5 m (ruimtecontrole) boven | |
| 6800-2xx-10xM-500 0 | 8 - 1,2 m (trappenhuis) beneden |
| 2,0 - 2,5 m (ruimtecontrole) beneden | |
| 6813-xxx-500 afhan | kelijk van plafondhoogte� |
Montage/Fig. 5

Nadere informatatie over montagehoogte, instelling van de inbouwsensoren enz.(Int. u opmaken uit de bijbehorende gebruiksaanwijzing.
4.3 Adressering van het IR-bedieningselement
Het adres van het IR-bedieningselement 6066-../6067-... is door de fabriek ingesteld op het getal 1. Het adres kut u via het adreswieltje op de achterkant van het bedienings-element wijzigen.

Montage

Het ingestelde adres is van toepassing voor uitgang K1, het adres onmiddelijk erboven is automatisch van toepassing voor de tweede uitgang K2.
| Instelling (6402U-500) 6066-/6067-xxx K1 K2 6010-25 | ||
| 1 1 2 | wit | |
| 2 2 3 | ||
| 5 5 1 | ||
| 6 6 7 | blauw | |
| 7 7 8 | ||
| ……… | ||
| 10 10 6 | ||
Montage

4.4 Modi
Stel de gewenste modus voor hetplaatsen van het bedieningselement op de potentiometer in.

Modus 1 (normaal bedrijf):
Afzonderlijk schakelen van beiden uitgangen met de bedieningselementen 6430-..., 6543-..., 6066-..., 6067-...
Modi 2 - 5:
Modus Uitgang K1 AAN Uitgang K1 UITgang K2 uitgang K2
2 AAN na 10 s UIT na 5 min
3 AAN na 2 min UIT na 5 min
4 AAN na 2 min UIT na 10 min
5 AAN na 2 min UIT na * min
- zolang uitgang K1 is ingeschakeld,ECHter maximaal 21 minutes
Montage

AANWIJZINGEN
Uitgang K2 is afhankelijk van uitgang K1 – behalte in de modus 1 (linker eindaanslag, zich Fig. 1, 2).
Indien uitgang K1 binnen de inschakelvertraging van uitgang K2 waar wordt uitgeschakeld, dan schakelt uitgang K2 nicht in.
Bediening

De inbouwsokkel 6402U-500 herkent bij het opsteken van het bedieningselement automatisch om welt soort bedieningselement het gaat.
- Bovenste vlak: Aantippen/vasthouden
- AAN/UIT van uitgang K1
Uitgang K2 schakelt overeenkomstig de gekozen modus (zie hoofdstuk 4.4).
- Bovenste vlak: De uitgang K1 word omgeschakeld.
- Onderste vlak: De uitgang K2 worden omgeschakeld.
b. Tweevlakbediening in de modi 2 - 5
- Bovenste vlak: Aantippen/vasthouden -uitgang K1 word IN-geschakeld.
- Onderste vlak: Aantippen/vasthouden -uitgang K1 worden UIT-geschakeld.
Bediening

Uitgang K2 schakelt overeenkomstig de gekozen modus (zie hoofdstuk 4.4).
AANWIJZINGEN
De opdracht "donkerder dimmen" via de IR-afstandsbedienning activeert in de inbouwsokkel 6402U-500 geen schakelproces.
Nadere informatatie over IR-bedrijf kunt u bijv. opmaken uit de gebruiksaanwijzing van de IR-handzender.
De telkens LASTE bediening (ook op nevenposten) activeert het schakelproces, ook als bij langer vasthouden van het bedieningsvlak de bediening nog Niet afgesloten blijkt.
Bediening

5.3 Busch-Ferncontrol® IR-bedrijf
a. Modus 1:
De toegang maar het MEMO geheugen M1 en M2 geschiedt via de IR-hand- resp. wandzender - zie bijbehorende gebruiksaanwijzingen.
IN-schakelen: Inbouwsokkel 6402U-500 schakelt IN
- UIT-schakelen: Inbouwsokkel 6402U-500 schakelt UIT
- Lichter: Inbouwsokkel 6402U-500 schakelt IN*
- Donkerder: Geen functie
- MEMO: - Schakeltoestand tot stand brengen**
- MEMO opslaan
-
MEMO 1 of 2 oproepen
-
ALLES UIT: Inbouwsokkel 6402U-500 schakelt UIT**
-
Geschakeld wordenuitgang K1 of K2, alaar bediening van het impulsdrukkerpaar op de IR-handzender
** Is voor beiden uitgangen K1 en K2 van toepassing.
b. Modus 2 - 5:
In deze modi worden slechts uitgang K1 aangestuurd. Uitgang K2 schakelt overeenkomstig babel op blz. 10
Bediening

5.4 Bedrijf met sensoren (modi 2 - 5)
Na onderbreking van de netspanning of netbijschakeling schakelt de inbouwsokkel 6402U-500 de aangesloten verbruikers uitgang K1
-
onafhankelijk van de gemeten helderheid
-
bij het gebruik van de inbouwsensoren 6810-xxx-10x-500 voor 80 seconden waar in,
-
bij het gezruik van de inbouwsensoren 6800-xxx-10x(M)-500 of de Busch-Wächter® presentiemelder 6813-xxx-500 voor de gekozen duur (minstens 1 minuut bij tijdinstellenen < 1 minut)一周 in (uitzondering kort-tijdimpuls ).
5.5 Nevenpostbedrijf met sensoren (modus 2 - 5)
Dit bedrijf van een nevenpost is slechts voor uitgang K1,uitgang K2 schakelt overeenkomstig de ingestelde modus (zie hoofdstuk 4.4). Het bedrijf van een nevenpost is door middel van
- activering per impulsdrukker met maakcontact
- of nevenpost-inbouwsokkel 6805U-500 möglichk.
Bediening

Passief bedrijf van een nevenpost door middel van impulsdrukker
De aan de impulsdrukker met maakcontact uitgevoerde functie zorgt ervoor dat de aangesloten verbruikers
a. in de modus 1 IN- en UIT-geschakeld worden
b. in de modus 2 - 5
-
onafhankelijk van de gemeten helderheid (uitgang K1)
-
bij het gebruik van de inbouwsensoren 6810-xxx-10x-500 voor ca. 80 seconden worden ingeschakeld,
-
bij het gebruik van de inbouwsensoren 6800-xxx-10x(M)-500 voor de op de inbouwsensor ingesteldeijd worden ingeschakeld (ook bijijdinstellenen kleiner 1 minuut),
-
bij het gebruik van de Busch-Wachtepresentiemelder 6813-xxx-500 worden omgeschakeld (AAN > UIT > AAN > ...).
AANWIJZINGEN
- Bij nevenpostbediening via de impulsdrukker met maakcontact mag de maximale lenghte van de leiding van de nevenpost nicht meer bedragen dan 100m
Bediening

- Gebruik a.u.b. uitsluitend impulsdrukkers zonder contactparallelle verlichting.
- Om storingen door rimpelspanning te voorkomen, dient de geschakelde leiding gescheiden van de leiding van de nevenpost te worden gelegd.
Actief nevenpostbedrijf met 6805U-500 en inboundw-sensoren (modus 2 - 5)
Omdat de hoofd- en nevenpost telkens een afzonderlijke instelling van de schemerwaarde bezitten kan met de actuèlelichtomstandigheden bij de montageplaats apart rekening worden gehonden.
De effectieve nalooptijd ontstaat uit de toevoeging van de tijden bij de hoofd- en nevenpost. In combinatie met de inbouwsensoren 6800-xxx-10x/M-500) verdient het aanbeveling de nevenposten met de tijdinstelling kort-tijdimpuls te gebruiken, wanner de bij de hoofdpost ingestelde tijden nagenoeg exact aangehouden moeten worden.
AANWIJZING
Nadere informatatie(Int)kunt u opmaken uit de bijbehorende bedieningshandleiding.
Bediening

5.6 Gebruk met Busch-Wächterpresentiemelder 6813-xxx-500
Neem a.u.b. notitie van de bijbehorende gebruiksaanwijzing.
Met de bediening van de nevenposten via impulsdrukkers kan de verlichting onafhankelijk van de helderheid worden in- resp.uitgeschakeld.
De actieve nevenpost 6805U-500 met een presentiemelder als sensor zorgt ervoor dat de bewegingsdetectie waar de hoofdaansluiting (inbouwsokkel 6402U-500 en 6813-xxx-500) worden doorgegeven. De hoofdaansluiting presentiemelder 6813-xxx-500要比list afhankelijk van de helderheid of deverlichting ingeschakeld worden/blijft.
Netspanningsonderbreking

6. Netspanningsonderbreking
In combinatie met de bedieningselementen 6430-..., 6543-..., 6066-... en 6067-... worden de schakeltoestand bij netspanningsonderbreking < 200 ms waar tot stand gebracht. Bij een netspanningsonderbreking > 200 ms worden na terugkeren van de netspanning de oude toestand waar tot stand gebracht of beiden uitgangen�ui.
In combinatie met sensoren reageert de inbouwsokkel 6402U-500 zoals beschreiben in hoofdstuk 5.4.
Hulp bij storing

Diagnose Oorzaak/oplossing
Belasting schakelt nicht - Nevenposten controleren via nevenpost: - Rimpelspanning >100 V reduceren
Belasting schakelt in - Defecte belasting verrangen het algemeen Niet: - Zo nodig apparaat verrangen Belasting schakelt zich- - Rimpelspanning >100 V standig in: reduceren
- Verkeerd gelegde leiding verwijderen (zie hoofdstuk Montage)
IR-ontvanger/verbruiker - IR-ontvanger ligt nicht in het IRreageert nicht: zendbereik
- IR-zendbereik verdekt (voor werpen, handen of lichaam)
- Batterij van de zender leeg
Lichtdiode van de IR-C- - Externe IR-lichtbron verwijdenden schijf uit: - Netspanning aanleggen
- Netspanning ca. 5 seconduitschakelen
Hulp bij storing

Diagnose Oorzaak/oplossing
Lichtdiode van de IR-C- - Externe IR-lichtbron schijf knippert voortdurend: verwijderen
Lichtdiode van de IR-C- - IR-signaalontvangst controllerenschijf knippert Niet - Batterij van de IR-hand resp.
bij zendersignaal: wandzender verrangen
- IR-zendbereik overschreten.
Inbouwsokkel 6402U-500 - Verlichting in de impulskan Niet via de neven- drukker-nevenpost verwijderen. post worden bediend:
Geen afstandsbedie- - Bedieningselement zit vast ning möglichk:
Licht brandt nicht: - Defecte lamp verrangen
- Voorgeschakelde zekeringervangen/weer inschakelen
- Onderbroken toevoerleiding repareren
- Modus controleren/zo nodig wisselen (zie hoofdstuk 4.4)
SimpelGids