2CKA006430A0314 - Maison intelligente Busch-Jaeger - Notice d'utilisation et mode d'emploi gratuit
Retrouvez gratuitement la notice de l'appareil 2CKA006430A0314 Busch-Jaeger au format PDF.
| Caractéristiques techniques | Busch-Jaeger 2CKA006430A0314, dispositif de maison intelligente, compatible avec divers systèmes domotiques. |
|---|---|
| Utilisation | Permet le contrôle à distance des appareils électriques via une application mobile ou une interface web. |
| Maintenance et réparation | Vérifier régulièrement les mises à jour logicielles et s'assurer que les connexions sont sécurisées. |
| Sécurité | Intègre des protocoles de sécurité pour protéger les données et les communications. |
| Informations générales | Produit conçu pour améliorer le confort et l'efficacité énergétique dans les maisons modernes. |
FOIRE AUX QUESTIONS - 2CKA006430A0314 Busch-Jaeger
Questions des utilisateurs sur 2CKA006430A0314 Busch-Jaeger
0 question sur cet appareil. Repondez a celles que vous connaissez ou posez la votre.
Poser une nouvelle question sur cet appareil
Téléchargez la notice de votre Maison intelligente au format PDF gratuitement ! Retrouvez votre notice 2CKA006430A0314 - Busch-Jaeger et reprennez votre appareil électronique en main. Sur cette page sont publiés tous les documents nécessaires à l'utilisation de votre appareil 2CKA006430A0314 de la marque Busch-Jaeger.
MODE D'EMPLOI 2CKA006430A0314 Busch-Jaeger
- Fig. 1: Exemple de raccordement (fonctionnement normal) 32
- Fig. 2: Exemple de raccordement (modes de fonctionnement 2 - 5) 33
-
Fig. 3 et 4: Zone de détction IR 34
-
Vue d'ensemble
-
Domaines d'utilisation 36
-
Possibilities de combinaison 36
-
Remarques importantes
-Documentation 38
- Dépollution 38
- Données techniques 39
-
Montage 40
-
… en rapport avec des éléments de commande … 40
- ... en rapport avec "Präsenz" 6813-xxx-500 .................... 41
- ... en rapport avec des postes supplémentaires .... 41
- ... en rapport avec des sensors UP 43
- Adressage de I'elément de commande IR/Fig. 5 .. 44
- Modes de fonctionnement 46
Table des matières

5. Commande
- ... avec élément de commande 6430-... /6543-... .... 48
- ... avec élément de commande IR 6066-... /6067-... 49
- ... avec contrôle à distance Busch IR 50
- ... avec sensors 51
- Commande à postes supplémentaires avec sensors . 52
-Commandepassivea postes supplémentaires...52
-Commande active à postes supplémentaires.....54 -
.. avec "Präsenz" 6813-xxx-500 55
-
Interruption de la tension de réseau 56
- Elimination des perturbations 57
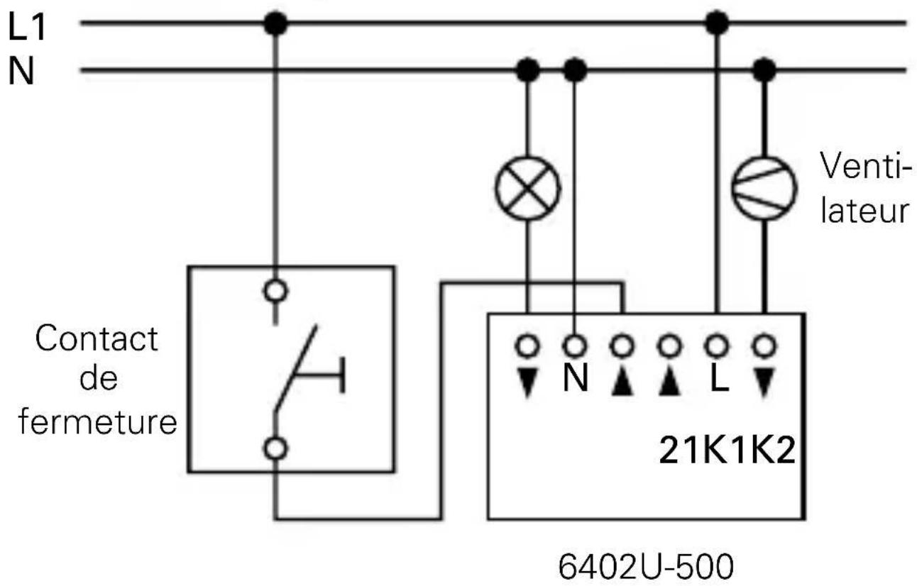
Fig. 1/Fonctionnement normal

Insertion série universelle dans le mode de fonctionnement 1 (voir chapitre 4.4.) en fonctionnement individuel avec commande par boutons-poussoirs

REMARQUE
Dans le cas de boutons-poussoirs éclairés, seuls des boutonspoussoirs avec raccordement N sépare peuvent être utilisés. Un éclairage par contact parallele n'est pas autorisé!

Fig. 2
Insertion série universelle dans les modes de fonctionnement 2 - 5 (voir chapitre 4.4)


Fig. 3

Zone de réception IR

Fig. 4

Zone de réception IR

Vue d'ensemble

1.1 Domaines d'utilisation
L'insertion série universelle 6402U-500 (ci-après insertion 6402U-500) est un commutateur qui peut être commandé avec des entrées de postes supplémentaires pour la commutation de
-lampes incandescentes
- lampes halogènes
- lampes halogènesasse tension avec transformateur et
- tubes fluorescents
- moteurs
1.2 Possibilities de combinaison
L'insertion 6402 U-500 permet entre autres l'utilisation des produits ABB suivants:
- élément de commande IR 6066-, 6067-...
- élément de commande 6430-..., 6543-...
- contact de fermetre (par exemple art. n° : 2020 US ou 2021/6 UK) en cas de commande à postes supplémentaires
Vue d'ensemble

- sensors UP standard 6810-xxx-10x-500
- sensor UP comfort 6800-xxx-102 (M)/103M/104(M)-500
-
détector Busch "Präsenz" 6813-xxx-500
-
La sélection des éléments de commande dépend uniquement de l'impression correspondante, la fonction étant chaque fois identique.
Remarques importantes

ATTENTION
Les travaux à réaliser sur le réseau de 230 V ne doivent l'être que par du personnel qualifié autorisé.
2.1 Documentation
Dans ces instructions de service sont décrites aussi bien les détecteurs Busch standard (n° d'art. 6810-xxx-10x-500) que les sensors comport (n° d'art. 6800-xxx-10x(M)-500) comme "sensors UP". Veuillez tener compte de l'attribu-tion de type exacte dans la description.
Vous trouvez la désignation des types à la face arrière de l'appareil respectif.
2.2 Dépollution
Tous les matériaux d'emballage et apparèils de ABB sont munis de marquages et de cachets de contrôle permettant une dépollution dans les règles de l'art. Emportez les matériaux d'emballage et apparèils électriques et/ou leurs composants électroniques aux points de récapération et/ou aux usines de traitement de déchets autorisés pour cela.
Données techniques

Tension de réseau: 230V C.A., ± 10% , 50Hz
Puisance absorbee: < 1,5W
Tension d'enclenchement
max.: 250 V C.A.
Courant d'enclenchement
max. (pour toutes les sorties): 2300 W/VA, 10 AX
Tension d'ondulation max.
au niveau du poste 100V pour une longueur
supplémentaire: de ligne de 100m
Nombre de touches: illimité
Type de protection: IP 20
Température de service: 0à + 35^
Montage

Mise hors circuit de la tension de réseau !
4.1 Montage de l'insertion 6402U-500
L'insertion 6402U-500 est montée dans une boîte UP de type commercial conformément à DIN 49073 partie 1.
4.2.1 Mont. en rapport avec des éléments de commande Lieu de montage (voir Fig. 3 et 4)
En rapport avec les éléments de commande IR 6066-... et 6067-..., le lieu de montage devrait se tracer au sein des valeurs indiquées pour la zone de réception IR. Tenez bien compte du fait que la zone de réception IR peut se modifier sous l'effet d'une lumière parasite (par exemple rayonnement du soleil, éclairage).
Mise en place de l'objet de commande
Dans le cas de l'objet de commande IR 6066-../6067-...,
vous sélectionnez tout d'abord l'adresse souhaitation. Fixez l'objet de commande sur l'insertion 6402U-500.
Enlevement de l'élément de commande
Pour cela, servez-vous des encoches prévues à gauche et à droite.
40
40
Montage

4.2.2 Montage en rapport avec le détecteur Busch "Präsenz" 6813-xxx-500
Lieu de montage
En rapport avec l'avertisseur de presence 6813-xxx-500, seule une pose au plafond est recommandee. Selon les possibilités, l'avertisseur de presence 6813-xxx-500 devrait être monté directement au-dessus du poste de travail respectif.
Mise en place de l'avertisseur de presence 6813-xxx-500 Pour l'installation et le fonctionnement d'essay, il est recommandé de se servir d'un adaptateur. Puis l'avertisseur de presence 6813-xxx-500 est fixé sur l'insertion 6402U-500.
Enlèvement de l'avertisseur de présence 6813-xxx-500
Enlevez l'avertisseur de presence 6813-xxx-500 de l'insertion 6402U-500 au niveau de l'anneau du boîtier.
4.2.3 Mont. en rapport avec des postes supplémentaires
L'insertion 6402U-500 peut être commandée par l'inté médiaire de postes supplémentaires. Pour cela, il faut tener compte de ce qui suit:
Montage

- La longueur de ligne maximum est fonction de la tension d'ondulation maximum autorisée au niveau des postes supplémentaires. La tension d'ondulation ne devrait toute fois pas dépasser 100 V (cela correspond en pratique à une longueur de ligne d'au moins 100 m).
En tant que postes supplémentaires entrent en ligne de compte:
- Contacts de fermeture (par ex. 2020 US ou 2021/6 UK)
ATTENTION
L'éclairage du poste supplémentaire à boutons-poussoirs en parallèle au contact de commutation n'est pas autorisé; utiliser des boutons- poussoirs avec raccordement "N" sépare.
Pour garantir un fonctionnement impeccable, posez des lignes commutées séparément des lignes de postes supplémentaires.
Montage

4.2.4 ...en rapport avec des sensors UP/vertisseur de présence
Pour garantir le fonctionnement optimal des sensors UP, veuillez tener compte du tableau suivant.
| Type sensor UP/ Hauteur de montage Position de mon-Avertisseur Domaine d'utilisation tage des vis de de présence raccordement | ||
| 6810-xxx-10x-500 | 0,8 - 1,2 m en bas | |
| 6800-xxx-10x-500 | ||
| 6800-7x-10xM-500 | 0,8 - 1,2 m(cage d'escalier) en haut | |
| 2,0 - 2,5 m(surveillance de locaux) en haut | ||
| 6800-2xx-10xM-500 | 0,8 - 1,2 m(cage d'escalier) en bas | |
| 2,0 - 2,5 m(surveillance de locaux) en bas | ||
| 6813-xxx-500 en fonction de lahauteur de plafond peu importe | ||
Montage/Fig. 5

Vous trouverez dans les instructions de service respectives d'autres informations concernant la hauteur de montage, le réglage des sensors UP, etc.
4.3 Adressage de l'objet de commande IR
L'adresse de l'élement de commande IR 6066-../6067-... est réglée par l'usine sur le chiffre 1. Vous pouvez partager à la modification de l'adresse par l'intérimédiaire de la roue d'adresse à la face arrêté de l'élement de commande.

Lors de l'adressage, tenez compte de la "zone de réception IR" (voir Fig. 3 et Fig. 4).
Montage

L'adresse indexée s'applique à la sortie K1; l'adresse juste au-dessus s'applique automatiquement à la deuxième sortie K2.
| Réglage (6402U-500) 6066-/6067-xxx K1 K2 6010-25 | Numérodes boutons- poucesoirs 6010-25 pour la commande des sorties | |
| 1 1 2 2 2 3 ...... 5 5 1 | blanc | |
| 6 6 7 7 7 8 ...... 10 10 6 | bleu |
Montage

4.4 Modes de fonctionnement
Avant de poser l'élement de commande, réglez le1 mode de fonctionnement souhaité au niveau du potentiomètre.
Mode de fonctionnement 1 (fonctionnement normal)
Commutation séparée des deux sorties avec les éléments de commande 6430-..., 6543-..., 6066-..., 6067-...
Modes de fonctionnement 2 - 5:
| Mode de Sortie K1 MARCHE Sortie K1 ARRET fonction. Sortie K2 Sortie K2 | ||
| 2 | MARCHE ARRET après 5 min. après 10 sec. | |
| 3 | MARCHE a. 2 min. ARRET après 5 min. | |
| 4 | MARCHE a. 2 min. ARRET après 10 min. | |
| 5 | MARCHE a. 2 min. ARRET après * min. | |
- aussi longtemps que la sortie K1 est commutée, toute-fois 21 minutes au maximum
Montage

REMARQUE
La sortie K2 est fonction de la sortie K1 – sauf dans le mode de fonctionnement 1 (butée de fin de course gauche, voir Fig. 1, 2).
Si la sortie K1 est de nouveau mise hors circuit pendant la temporisation de mise en circuit de la sortie K2, la sortie K2 ne commute pas.
Commande

Lors de la fixation de l'élement de commande, l'insertion 6402U-500 reconnaît automatiquement de quel type d'élement de commande il s'agit.
5.1 Élement de commande mécanique 6430-../6543-...
Commande d'une surface dans les modes de fonctionnement 2 - 5
Surface: Appuyer/maintenir le doigt sur la surface
- MARCHE/ARRET de sortie K1
La sortie K2 commute conformément au mode de fonctionnement sélectionné (voir chapitre 4.4).
5.2 Element de commande 6066-../6067-...
a. Commande dans le mode de fonctionnement 1
- Surface supérieure: La sortie K1 est commutée
- Surface inférieure: La sortie K2 est commutée
b. Commande de deux surfaces dans les modes de fonctionnement 2 - 5
-
Surface supérieure: Appuyer/maintenir le doigt sur la surface
-
La sortie K1 est mise EN CIRCUIT
Commande

- Surface inférieure: Appuyer/maintenir le doigt sur la surface
- La sortie K1 est mise HORS CIRCUIT
La sortie K2 commute conformément au mode de fonctionnement sélectionné (voir chapitre 4.4).
REMARQUES
L'ordre "variation sur plus foncé" par l'intérimédiaire de la commande à distance IR ne déclenché pas de processus de commutation dans l'insertion 6402U-500.
Vous trouvrez des informations plus détaillées sur le fonctionnement IR par exemple dans les instructions de service de l'émetteur manuel IR.
La dernière commande respective (également au niveau de postes supplémentaires) déclenché le processus de commutation, même si en appuyant plus longtemps sur la surface de commande, la commande ne semble pas en core terminée.
Commande

5.3 Fonctionnement IR du contrôle à distance Busch a. Mode de fonctionnement 1:
L'accès aux mémoires MEMO M1 et M2 se fait par l'intermédiaire de l'émetteur portatif ou mural - voir instructions de service respectives.
- MISE EN CIRCUIT: L'insertion 6402U-500 se met EN CIRCUIT *
- MISE HORS CIRCUIT: L'insertiion 6402U-500 se met HORS CIRCUIT *
• Plus clair: L'insertion 6402U-500 se met EN CIRCUIT * - Plus foncé: Pas de fonction
- MEMO: - Etabir l'etat de commutation **
- Mémoriser MEMO
-
Appeler MEMO 1 ou
TOUT EST ARRETE: L'insertion 6402U-500 se met HORS CIRCUIT ** -
La sortie K1 ou K2 est commutée selon la commande du couple de boutons- poussoirs sur l'émetteur portatif IR.
Commande

** S'applique aus deux sorties K1 et K2
b. Modes de fonctionnement 2 - 5:
Dans ces modes de fonctionnement, seule la sortie K1 est activée. La sortie K2 commute conformément au tableau à la page 46.
5.4 Fonctionnement avec sensors (modes de fonctionnement 2 - 5)
Après interruption de la tension de réseau ou de la mise en circuit, l'insertion 6402U-500 remet en circuit les consommateurs raccordés sortie K1
-
independamment de la luminosité mesuree
-
pour 80 secondes lors de l'utilisation des sensors UP 6810-xxx-10x-500
- pour la durée sélectionnée lors de l'utilisation des sensors UP 6800-xxx-10x(M)-500 ou du détecteur Busch "Präsenz" 6813-xxx-500 (au moins 1 minute pour des réglages de temporisation inférieurs à 1 minute (exception impulsion de courte durée).
Commande

5.5 Commande à postes supplémentaires avec sensors (modes de fonctionnement 2 - 5)
Cette commande à postes supplémentaires n'agit que sur la sortie K1. La sortie K2 commute conformément au mode de fonctionnement indexé (voir chapitre 4.4). La commande à postes supplémentaires est possible au moyen - de l'activation par contact de fermeture - ou de l'insertion à poste supplémentaire 6805U-500.
Commande passive à postes supplémentaires au moyen de boutons-poussoirs
La fonction exercée au niveau du contact de fermeture fait que les consommateurs raccordés
a. sont mis EN et HORS CIRCUIT dans le mode de fonctionnement 1
b. sont mis en circuit dans les modes de fonctionnement 2 - 5 - indépendam. de la luminosite mesure (sortie K1)
- pour environ 80 secondes lors de l'utilisation des sensors UP 6810-xxx-10x-500
- pour la durée indexée sur le sensor UP lors de l'utilisation des sensors UP 6800-xxx-10x(M)-500 (également
Commande

pour des réglages de temporisation inférieurs à 1 minute)
- sont commutés lors de l'utilisation du détecteur Busch "Präsenz" 6813-xxx-500 (MARCHE > ARRET > MARCHE >...).
REMARQUES
- Dans le cas d'une commande à postes supplémentaires au moyen d'un contact de fermeture la longueur maximum de la ligne de poste supplémentaire ne doit pas dépasser 100m .
- Veuillez utiliser exclusivement des boutons-poussoirs sans éclairage à contact parallèle.
- Pour éviter des perturbations sous l'effet de la tension d'ondulation, la ligne commutée doit être posée séparément de la ligne de poste supplémentaire.
Commande active à postes supplémentaires avec 6805U-500 et sensors UP (mode de fonctionnement 2 - 5)
Etant donné que le poste principal et le poste supplémentaire possèdent un réglage séparé de la valeur crépuscu-
Commande

laire, les rapport actuels de luminosité sur le lieu de montage peuvent être pris en considération de façon individuelle.
La durée de temporisation effective résultat de l'addition des durées au poste principal et au poste supplémentaire. En rapport avec les sensors UP 6800-xxx-10x(M)-500, il est recommandé d'actionner les postes supplémentaires avec le réglage de temporisation impulsion de courte durée, si l'on peut que les durées indexées sur le poste principal soient observées exactement.
REMARQUE
Vous trouvez d'autres informations dans les instruct. tions de service respectives.
Commande

5.6 Fonctionnement avec le détecteur Busch "Präsenz" 6813-xxx-500
Veuillez tenir compte des instructions de service respectives.
Avec la commande à postes supplémentaires par l'intermédiaire de boutons-poussoirs, l'éclairage peut être mise en et/ou hors circuit indépendamment de la luminosité.
Le poste supplémentaire actif 6805U-500 avec un avertisseur de presence en tant que sensor fait que la détction de mouvement est transmise au poste principal (insertion 6402U-500 et 6813-xxx-500). Le poste principal avertisseur de presence 6813-xxx-500 decide en fonction de la luminosité si l'éclairage est/reste en circuit.
Interruption de la tension de réseau

6. Interruption de la tension de réseau
En rapport avec les éléments de commande 6430-..., 6543-..., 6066-... et 6067-..., l'etat de commutation est de nouveau rétabli dans le cas d'une interruption de la tension de réseau < 200 ms.
Dans le cas d'une interruption de la tension de réseau >200 ms, l'ancien état est de nouveau rétabli après le retard de la tension de réseau ou bien les deux sorties sont HORS CIRCUIT.
En rapport avec des sensors, l'insertion 6402U-500 se comporte comme décrit au chapitre 5.4.
Aide en cas de pannes

Diagnostic Cause/Remède
La charge ne commute - Contrôler les postes supplépas par l'intermédiaire mentaires
d'un poste - Réduire la tension d'ondula-supplémentaire: tion > 100 V
La charge ne commute - Remplacer la charge généralement pas: défectueuse
- Le cas échéant, remplacer l'appareil
La charge commute - Réduire la tension d'ondulation spontanément: >100V
- Eliminer la pose erronée de lignes (voir chapitre montage)
RéCEPTeur IR/ - Le récepteur IR ne se trouve consommateur pas dans la zone d'émission IR ne réagit pas: - Zone d'émission IR cachée objets, mains ou corps) - Pile de l'émetteur vide
Aide en cas de pannes

Diode lumineuse de la - Eliminer la source de lumière plaque IR-C eteinte: parasite IR
- Appliquer la tension de réseau
- Mettre la tension de réseau hors circuit pour 5 secondes environ
La diode lumineuse de - Eliminer la source de lumière la plaque IR-C clignote parasite IR en permanence:
La diode lumineuse de - Contrôler la réception du plaque IR-C ne signal d'entrée IR clignote pas en cas - Remplacer la pile de l'émetdu signal d'émission: leur portatif IR et/ou de
l'émetteur mural
- Zone d'émission IR dépassee
L'insertion 6402U-500 - Enlever l'éclairage dans le ne peut pas être com- poste supplémentaire mandée par l'intermé- à boutons-poussoirsdiaire du postesupplémentaire:
Aide en cas de pannes

Diagnostic Cause/Remède
Pas de commande à - L'élement de commande distance possible: coince
La lumière ne brûle pas: - Remplacer la lampe défectueuse
- Remplacer/remmettre en circuit le fusible place en amont
- Remetre en état la conduite d'alimentation interrompue
- Vérifier/le cas échéant changer le mode de fonctionnement (voir chapitre 4.4)
Table of Contents

Figures
5.2 IR-bedieningselement 6066-../6067-...
a. Bediening in de modus 1
Pa3dJIbHoe ynpaBJIeHne 600Mn BbIXOaMn C NOMOuYnpaBJIoux 3JIemENTOB 6430-..., 6543-..., 6066-..., 6067-...
Notice Facile