2CKA006430A0314 - Hogar inteligente Busch-Jaeger - Manual de uso y guía de instrucciones gratis
Encuentra gratis el manual del aparato 2CKA006430A0314 Busch-Jaeger en formato PDF.
| Características técnicas | Busch-Jaeger 2CKA006430A0314, dispositivo de hogar inteligente, compatible con varios sistemas de domótica. |
|---|---|
| Uso | Permite el control remoto de dispositivos eléctricos a través de una aplicación móvil o una interfaz web. |
| Mantenimiento y reparación | Verifique regularmente las actualizaciones de software y asegúrese de que las conexiones estén seguras. |
| Seguridad | Integra protocolos de seguridad para proteger los datos y las comunicaciones. |
| Información general | Producto diseñado para mejorar el confort y la eficiencia energética en hogares modernos. |
Preguntas frecuentes - 2CKA006430A0314 Busch-Jaeger
Preguntas de los usuarios sobre 2CKA006430A0314 Busch-Jaeger
0 pregunta sobre este aparato. Responde a las que conoces o haz la tuya.
Hacer una nueva pregunta sobre este aparato
Descarga las instrucciones para tu Hogar inteligente en formato PDF gratis! Encuentra tus instrucciones 2CKA006430A0314 - Busch-Jaeger y toma tu dispositivo electrónico nuevamente en la mano. En esta página están publicados todos los documentos necesarios para el uso de su dispositivo. 2CKA006430A0314 de la marca Busch-Jaeger.
MANUAL DE USUARIO 2CKA006430A0314 Busch-Jaeger
-Fig. 1: Ejemplo de connexion (funcionamento normal) 148
-Fig. 2: Ejemplo de connexion (tipos de funciona 2 - 5) 149
-Fig. 3 y 4: Ambito de alcance IR 150
1. Sinopsis
-Ambitos de aplicacion 152
-Posibilidades de combinación 152
2. Indicaciones importantes
-Documentación 154
-Eliminacion de residuos 154
3. Datos&Tecnicos 155
4. Montaje
-Incorporación 156
... en combinación con elementos de manejo .... 156
... en combinación con senalizador de presencia 6813-xxx-500 157
- ... en combinación con aparatos de extension .... 158
... en combinación con sensores empotrados .... 159
Índice
E
-Direccionamento del elemento de manejo IR/Fig. 5 160
-Tipos de funciona . 162
5. Manejo
... con elemento de manejo 6430-../6543- ... 164
... con elemento de manejo IR 6066-../6067-... 164
... con Busch-Ferncontrol IR 166
... con sensores 167
-Aparatos de extension con sensores 168
- Funcionamente pasivo de los aparatos de extension .. 168
-
Funcioncimiento activo de los aparatos de extension ... 176
... con senalizador de presencia 6813-xxx-500 ... 171 -
Interruption de la tension de red 172
- Reparación de averías 173
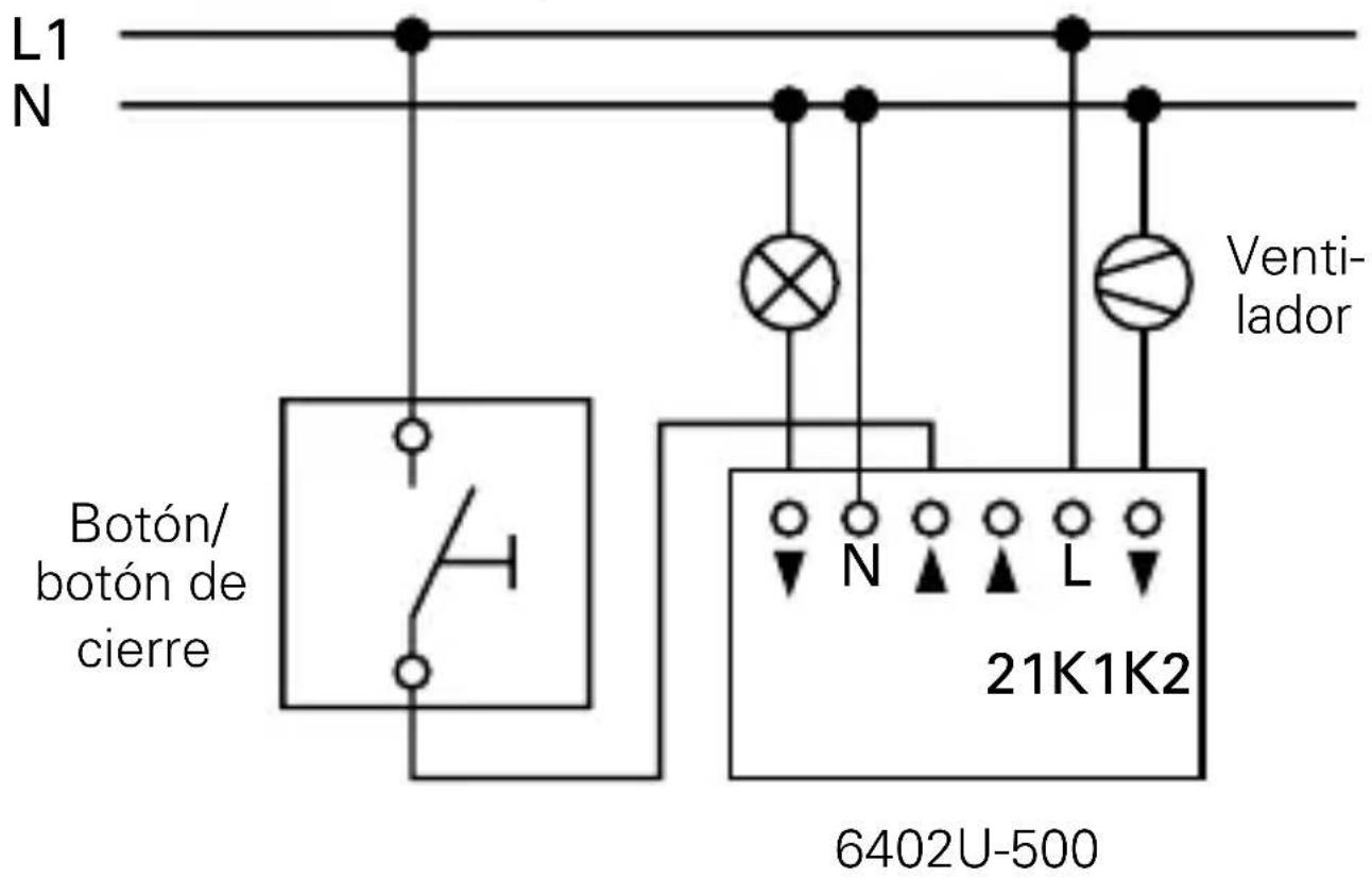
Pieza insertada de série universal en el tipo de funciona miento 1 (vexe cap. 4.4) en service individual con mando por botón.

Botón/ botón de cierre
6402U-500
Botón/ botón de cierre
INDICACION
En el caso de botones iluminados sólo se pueda usar botones con connexionSeparated de N.jNo está permitida una iluminación paralela de contacto!

Fig. 2
Pieza insertada de série universal en los temas de funcionalmente 2 - 5 (vexe cap. 4.4)


Fig. 3
Ámbito de alcance IR

150
150

Fig. 4

Ámbito de alcance IR

Sinopsis

1.1 Ámbitos de aplicación
La pieza insertada de série universal 6402U-500 (en lo sucesivo, pieza insertada 6402U-500) es un interruptormanejable con entradas de aparatos de extension paraconectar
- lamparas incandescentes
- lámparas halógenas
- lámparas halógenas de baja tensión con transformador y
- lamparas fluorescentes
- motores
1.2 Posibilidades de combinación
La pieza insertada 6402U-500 permite, entre otheras cosas, el funciona de los siguientes productos ABB:
- elemento de manejo IR 6066-..., 6067-...
-
elemento de manejo 6430-..., 6543-...
-
botones de cierre (p. ej. n° de article 2020 US o 2021/6 UK) en operation con aparatos de extension
- sensores empotrados estándar 6810-xxx-10x-500
Sinopsis

- sensores empotrados comport 6800-xxx-102(M)/103M/104(M)-500
-
Senalizadores de presencia Busch-Wächte® 6813-xxx-500
-
La elección de los elementos de manejo depende sólo de la impressión correspondiente, la función siempre es identica.
Indicaciones Importantes

ATENCIón
Los trabajo en la red de 230 V sólo deben ser efectuados por personal autorizo especializzato en electrónica.
2.1 Documentación
En estas instrucciones de servicios se describen tanto los sensores estándar Busch-Wächter® (n° art. 6810-xxx-10x-500) como también los sensores de comport (n° art. 6800-xxx-10x(M)-500), como "sensores empotrados". Tenga siempre en cuenta la concordancia correcta del tipo correspondiente en la descripción. La descripción de tipo también consta en la parte trasera del aparato en cuestion.
2.2 Eliminación de residuos
Todoos los materiales de embalaje y aparatos de ABB estan dotados de identificacion y sello para su eliminacion adecuada y selectiva. Elimine los materiales de embalaje y los aparatos electronicos o sus componentes en los+puntos de recogida o entreprises de eliminacion autorizados.
Datas Técnicos

Tensión de red: 230 V ~ ±10 %, 50 Hz
Potencia absorbida: < 1,5 W
Intensidad de maniobra max: 250V
Corriente de maniobra max.
(para todas lasutas): 2300 W/VA, 10 AX
Tensión de zumbido max. 100 V en 100 m de
en el aparato de extension: longitud de linea
Número de botones: ilimitado
Tipo de protección: IP 20
Rango de temperatura
ambiente: 0 hasta + 35 °C
Montaje

iDesconecte la tension de red!
4.1 Incorporación de la pieza insertada 6402U-500
La pieza insertada 6402U-500 se monta en una caja empo-trada usual, según DIN 49073, parte 1.
4.2.1 Montaje en combinación con elementos de manejo
Lugar de montaje (véase Fig. 3 y 4)
En combinación con los elementos de manejo IR 6066-... y 6067-..., el lugar de montaje deben encontrarse bajo de los values indicados para el ámbito de alcance IR. Tenga enckeuta que el ámbito de alcance IR pueda modificarsedeferido a luz extraña (p. ej. radiación solar, alumbrado).
Colocacion del elemento de manejo
En el elemento de manejo IR 6066-... y 6067-..., Vd. primero programa la direccion deseada. Coloque el elemento de manejo sobre la pieza insertada 6402U-500.
Desmontaje del elemento de manejo
Utilice las muescas previstas aaretha e izquierda para desmontarlo.
Montaje

4.2.2 Montaje en combinación con el Signals de presencia Busch-Wächter® 6813-xxx-500
Lugar de montaje
En combinación con el SEALADOR de presencia 6813-xxx-500 sólo es apropiado el montaje en el techo. Según las posibilidades, el SEALADOR de presencia 6813-xxx-500 deben montarse directamente sobre el lugar de trabajo correspondiente.
Colocacion del signalizador de presencia 6813-xxx-500
Para la instalación y el funciona de prueba es conveniente usar el adaptor suministrado. Después, el SEALADOR de presencia 6813-xxx-500 se encaja firmamente en la pieza insertada 6402U-500.
Desmontaje del senalizador de presencia 6813-xxx-500
Extraiga el Signals de presencia 6813-xxx-500 de la pieza insertada 6402U-500 por el anillo de la carcasa.
Montaje

4.2.3 Montaje en combinación con aparatos de extension
La pieza insertada 6402U-500 puede functionar atramés de aparatos de extension. En este caso hay que tener encainta lo suiviente:
- La longitud de ligne maxima depende de la tension de zumbido maxima autorizada en las entradas de los aparatos de extension. La tension de zumbido, no obstarante, noDebe exceder 100 V (esto se corresponde en la practica al menos a 100 m de longitud de ligne).
Como aparatos de extension entrada en consideración: - Botones de cierre (p. ej. 2020 US o 2021/6 UK)
ATENCIón
No está permitida la iluminación del aparato de extension de botón en paralelo al contacto de maniobra: utilise botones con connexion "N"Separated.
Para garantizar una función impecable, colque las lineas conmutadas separadas de las lineas de los aparatos de extension.
Montaje

4.2.4 ... en combinación con sensores empotrados/ senalizadores de presencia
Para garantizar la func tion optima de los sensores empotrados,onga enIELDa la?siga te tabla:
| Tipo sensor empo- Altura de montaje Posición de mon-trado/señalizador Ámbito taje de los torni-de presencia de aplicación llos de conexión | ||
| 6810-xxx-10x-500 0 | 8 - 1,2 m abajo | |
| 6800-xxx-10x-500 | ||
| 6800-7x-10xM-500 | 0,8 - 1,2 m(caja de escalera) arriba | |
| 2,0 - 2,5 m(control de espacio) arriba | ||
| 6800-2xx-10xM-500 | 8 - 1,2 m(caja de escalera) abajo | |
| 2,0 - 2,5 m(control de espacio) abajo | ||
| 6813-xxx-500 dependeviendo de laaltura del techo a voluntad | ||
Montaje/Fig. 5

Encontrará más información sobre la alta de montaje, el ajuste de los sensores empotrados, etc. en las instrucciones de servicios correspondientes.
4.3 Direccionamento del elemento de manejo IR
La direccion del elemento de manejo IR 6066-../6067-... está ajustado de fabrica en el número 1. Puede proceder a la modificacion de la direccion utilizinga la rueda de direccion en la parte trasera del elemento de manejo.

Tenga en cuenta en el direccionamento el "ambito de alcance IR" (vexe Fig. 3 y Fig. 4).
Montaje

La direccion programada es valida para la calidad K1; la.), el.), y, y.
para la?).
| Ajuste lasutas (6066-/6067-xxx) K1 K2 K3 | Númos de botón 6010-25 para el control de (6402U-500) K1 K2 K3 | blanco |
| 1 1 2 2 2 3 ……… 5 5 1 | ||
| 6 6 7 7 7 8 ……… 10 10 6 | azul |
Montaje

4.4 Tipos de funciona
Ajuste el tipo de funciona bajo el potenciómetro, antes de colocar el elemento de manejo.

Tipo de funciona 1 (servicio normal):
ConexiónSeparateda de ambassonians con los elementos de manejo 6430-...,6543-...,6066-...,6067-...
Tipos de funciona 2 - 5:
| Tipo de Salida K1 ON Salida K1 OFF funcion. Salida K2 Salida K2 | ||
| 2 ON afterwards OFF afterwards de 10 seg de 5 min. | ||
| 3 ON desp. 2 min OFF desp. 5 min | ||
| 4 ON desp. 2 min OFF desp. 10 min | ||
| 5 ON desp. 2 min OFF desp. * min |
- durante el tiempo que laittersa K1 esté conectada, pero máximo 21 horas.
Montaje

INDICACIONES
Laitters K2 depende de laitters K1 – excepto en el tipo de configuracioniento 1 (tope izquierdo, vexe Fig. 1,2).
Si laitters a desconectarse bajo el retardo de activacion de laitters K2,對於 the salida K2 no se connecta.
Manejo

La pieza insertada 6402U-500 detecta automatistically, al colocarse el elemento de manejo, de qué tipo de elemento de manejo seistica.
5.1 Elemento de manejo mecánico 6430-../6543-...
Manejo de una superficie en los temas de funcionalmente 2 - 5
-
Superficie: Pulsar/mantener
-
ON/OFF de salute K1
Laitters K2 se activa según el tipo de funciona eliga. elegido (vase cap. 4.4).
5.2 Elemento de manejo IR 6066-../6067-...
a. Manejo en tipo de funciona 1
- Superficie superior: La calidad K1 es conmutada
- Superficie inferior: La calidad K2 es conmutada
b. Manejo de dos superficies en lostips de funciona- miento 2 - 5
-
Superficie superior: Pulsar/ mantener
-
Laitters K1 se activa a ON
Manejo

-
Superficie inferior: Pulsar/ mantener
-
La calidad K1 se desactiva a OFF.
Laitters K2 se activa según el tipo de funciona eliga. (vase cap. 4.4).
INDICACIONES
Laorden "Oscurecer" a工程技术 del manejo remoto IR no activa ninguna maniobra en la pieza insertada 6402U-500.
Encontrará información más detallada sobre el funciona IR en las instrucciones de servicios del emisor manual IR, por exemple.
Elultimate manejo (tambien en los aparatos de extension) activa la maniobra, incluso awhile parezca que el manejo aun no este finalizo almantener durante un mas tiempo la superficie de manejo.
Manejo

5.3 Funcionamento IR Busch-Ferncontrol®
a. Tipo de funciona 1.
El acceso a las memorias MEMO M1 y M2 se produce a工程技术 del emisor manual IR o del emisor mural -技术和 instruetiones de servicios correspondentes.
- Conexión ON: Pieza insertada 6402U-500 se conecta (ON)*
- Desconexión OFF: Pieza insertada 6402U-500 se desconecta (OFF)*
- Más claridad: Pieza insertada 6402U-500 se conecta (ON)*
- Más oscuridad: Sin funciona
-
MEMO: - Establecer condicion maniobra **
-
Guardar MEMO
-
Llamar MEMO 1ó2
-
TODO OFF: Pieza insertada 6402U-500 se desconecta (OFF)**
-
Se commuta calidad K1 o K2, según el manejo del par de botones en el emisor manual IR.
** Es valido para ambasutas K1 y K2.
Manejo

b. Tipos de funciona 2 - 5:
En这些东西 típos de funciona tanto se controla la calidad K1. La calidad K2 se commuta según la tabla en la página 162.
5.4 Funcionamento con sensores (tipos de funciona- miento 2 - 5)
Tras una interrupción de tensión o connexion a la red, la pieza insertada 6402U-500 vuede a conectar a los sistemas acoplados a la calidad K1
- independiente de la luminosidad medida
-
al usar los sensores empotrados 6810-xxx-10x-500 durante 80segundos
-
al usar los sensores empotrados 6800-xxx-10x(M)-500 o el Signals de presencia Busch-Wächter® 6813-xxx-500 (excepto impulso deorta duración) por la duración elegida (minimo un minuto en ajustes de tiempo < 1 minute).
Manejo

5.5 Aparatos de extension con sensores (tipos de func-. tionamento 2 - 5)
Este funciona con aparatos de extension solo actúa sobre la calidad K1; la calidad K2 comuta según el tipo de funciona programado (vease cap. 4.4). El funciona con aparatos de extension es possible mediante -activación por botón de cierre
- o pieza insertada para aparatos de extension 6805U-500.
Funcimiento pasivo de los aparatos de extension mediante botón
La funciona executada en el botón de ciderre origina que los)."
os 用户们 connectados
a. Sean connectados a ON y OFF en el tipo de funciona 1
b. en el tipo de funciona 2 - 5
-
independiente de la luminosidad medida (salida K1)
-
al usar los sensores empotrados 6810-xxx-10x-500 se connecten durante aprox. 80segundos;
Manejo

- al usar los sensores empotrados 6800-xxx-10x(M)-500, se connecten durante el periodo de tiempo ajustado en el sensor empotrado (tambien para ajustes de tiempo menosores de 1 minuto)
- al usar el senalizador de presencia Busch-Wächter® 6813-xxx-500 Sean conmutados (ON > OFF > ON >...)
INDICACIONES
- En caso de funciona con aparato de extension mediante el botón de cerrre, la longitudínima de la linea del aparato de extension no debe exceeding los 100m .
- Utilice exclusivamente botones sin iluminacion para la de contacto.
- Para evaporar fallos por tensión de zumbido, la linea conectada debe instalarse分开ada de la linea de los aparatos de extension.
Manejo

Funcionamiento activo de aparatos de extension 6805 U-500 y senseores empotrados (como de funciona- miento 2 - 5):
Dado que el aparato principal y el de extension tiene cada uno un ajuste分开 del valor de oscurecimiento, pueda tenerse en cuenta las conditiones actuales de luminosidad en el lugar de montaje de forma individualizada.
El tiempo de retardo efectivo的结果をlasuma de los tiempos en los aparatos principal y de extension. En combinación con los sensores empotrados 6800-xxx-10x(M)-500 se recomienda hacer funciona el aparatos de extension con el ajuste de tiempo en impulsso de corta duración, cuando los tiempos ajustados en el aparato principal deben Cumplirse casi con exactitud.
INDICACION
Encontrará más información en las instruciones de servicios correspondientes.
Manejo

5.6 Funcionamento con senalizador de presencia Busch-Wächter® 6813-xxx-500
Tenga en cuenta las instrucciones de servicios correspondentes.
Con el manejo de aparatos de extension a工程技术 de botones, la iluminacion peut connectarse o desconnectarse independientelement de la luminosidad.
El aparato de extension activo 6805U-500, con un senalizador de presencia como sensor, provoca que la detec tion de movimiento sea transmitida al aparato principal (pieza insertada 6402U-500 y 6813-xxx-500). El aparato principal senalizador de presencia 6813-xxx-500 decide, dependiendo de la luminosidad, si la iluminacion se conecta o permanece connectada.
Interruption de la tension de red

6. Interruption de la tension de red
En combinación con los elementos de manejo 6430-..., 6543-..., 6066-... y 6067-... se establiece de nuevo la condidión de maniobra en caso de interrupción de la tensión de red < 200 ms.
En caso de una interrupción de tensión de red >200 ms, al restuararse esta, se restablece la condición antigua o bienamblenas開放están en OFF.
En combinación con los sensores, la pieza insertada 6402U-500 seonga tal como se describe en el capitulo 5.4.
Reparación de averías

Diagnóstico Causa/remedio
Laonga seconecta -controlar aparatos de extena工程技术 del aparato sion de extension: -reducir tension de zumbido >100V
Laonga seconecta-cambiarcargadefectuosa en general:-en caso necessario,ambiar aparato
La energia se concentra - reducir tension de zumbido automatistically: > 100V
- reparar colocacion erronea de la linea (vease cap. Montaje)
El receptor/consumidor - el receptor IR no está en el IR no recciona: ambito emisor IR
-
el ambito emisor IR está tapado (objetos, manos o ciurpos)
-
la bateria del emisor está agotada
Reparación de averías

Diagnóstico Causa/remedio
El diodo luminoso del - eliminar la fuente lumínica disco IR-C está apagado: de IR extraña
- aplicar tension de red
- desconectar la tension de red durante aprox. 5 seg.
El diodo luminoso del - eliminar la fuente lumínica IR disco IR-C parpadea extraña
constante:
El diodo luminoso del - comprar recepción de numeral disco IR-C no parpadea IR
con la seals de emisión: - replazar bateria del emisor IRmanual o mural - ambito emisor IR exceded
La pieza insertada - suprimir la iluminacion en el 6402U-500 no se possible aparato de extension por operar a trovés del boton aparato de extension:
Reparación de averías

Diagnóstico Causa/remedio
No es possible el - el elemento de manejo está manejo a distancia: envlavado
La luz no se enciende: - Cambiar lámpara defectuosa
- renovar/volver a conectar fusible conectado en série
-regarlar linea de alimentacion interruppida
- comprobar tipo de funciona/miento/en caso necesario, cambiar (v. capítulo 4.4).
ManualFácil