6411 U101 - Smart Home Busch-Jaeger - Kostenlose Bedienungsanleitung
Finden Sie kostenlos die Bedienungsanleitung des Geräts 6411 U101 Busch-Jaeger als PDF.
| Technische Merkmale | Steuerschalter für Smart-Home-Systeme, kompatibel mit gängigen Kommunikationsprotokollen. |
|---|---|
| Anwendung | Ermöglicht die Fernsteuerung angeschlossener Geräte, Integration in benutzerdefinierte Smart-Home-Szenarien. |
| Wartung und Reparatur | Regelmäßige Überprüfung der elektrischen Verbindungen, Reinigung der Oberflächen zur Vermeidung von Staubansammlungen. |
| Sicherheit | Entspricht den elektrischen Sicherheitsnormen, Schutz vor Überlastungen und Kurzschlüssen. |
| Allgemeine Informationen | Produkt der Marke Busch-Jaeger, bekannt für Qualität und Zuverlässigkeit im Bereich Smart Home. |
Häufig gestellte Fragen - 6411 U101 Busch-Jaeger
Benutzerfragen zu 6411 U101 Busch-Jaeger
0 Frage zu diesem Gerät. Beantworten Sie die, die Sie kennen, oder stellen Sie Ihre eigene.
Eine neue Frage zu diesem Gerät stellen
Laden Sie die Anleitung für Ihr Smart Home kostenlos im PDF-Format! Finden Sie Ihr Handbuch 6411 U101 - Busch-Jaeger und nehmen Sie Ihr elektronisches Gerät wieder in die Hand. Auf dieser Seite sind alle Dokumente veröffentlicht, die für die Verwendung Ihres Geräts notwendig sind. 6411 U101 von der Marke Busch-Jaeger.
BEDIENUNGSANLEITUNG 6411 U101 Busch-Jaeger
Unterputzeinsätze 6411 U-101 / 6411 U/S-101
GER ENG FRE DUT NOR SWE FIN
Betriebsanleitung
Nur für autorisiertes Elektrofachpersonal
GER 3
ENG 45
FRE. 85
DUT 131
NOR. 174
SWE 213
FIN. 253
Einsatzgebiete GER 3
Die Unterputzeinsätze 6411U-101 bzw. 6411U/S-101 werden eingesetzt zur Steuerung von
Jalousien/Lamellen
- Rolladen
Markisen
- Lichtkuppelverdeckungen, etc.

In dieser Betriebsanleitung wird im folgenden der Begriff „Jalousie" synonym für die oben aufgezahlen Anwendungsmöglichkeiten eingesetzt.
Beide Einsätze besitzen verschiedene Betriebsarten - z.B. zum einfen Fahren der Jalousie oder zur Lamellenverstellung (siehe Kapitel „Betriebsarten”).
Einsatzgebiete GER 4
Besonderheiten der Type 6411U/S-101
Der Unterputzeinsatz 6411U/S-101 besitzt einen zusätzlichen Klemmblock zum Anschluss von Helligeitssensor und Glasbruchmelder und ein Stellrad zur Einstellung eines Schwellwertes für den Helligeitssensor. Somit lassen sich wahlweise Helligeitssensor 6414 und/oder Glasbruchmelder 6413 anschließen.
Einsatzgebiete GER 5
Fig. 1

Kombinationsmöglichkeiten
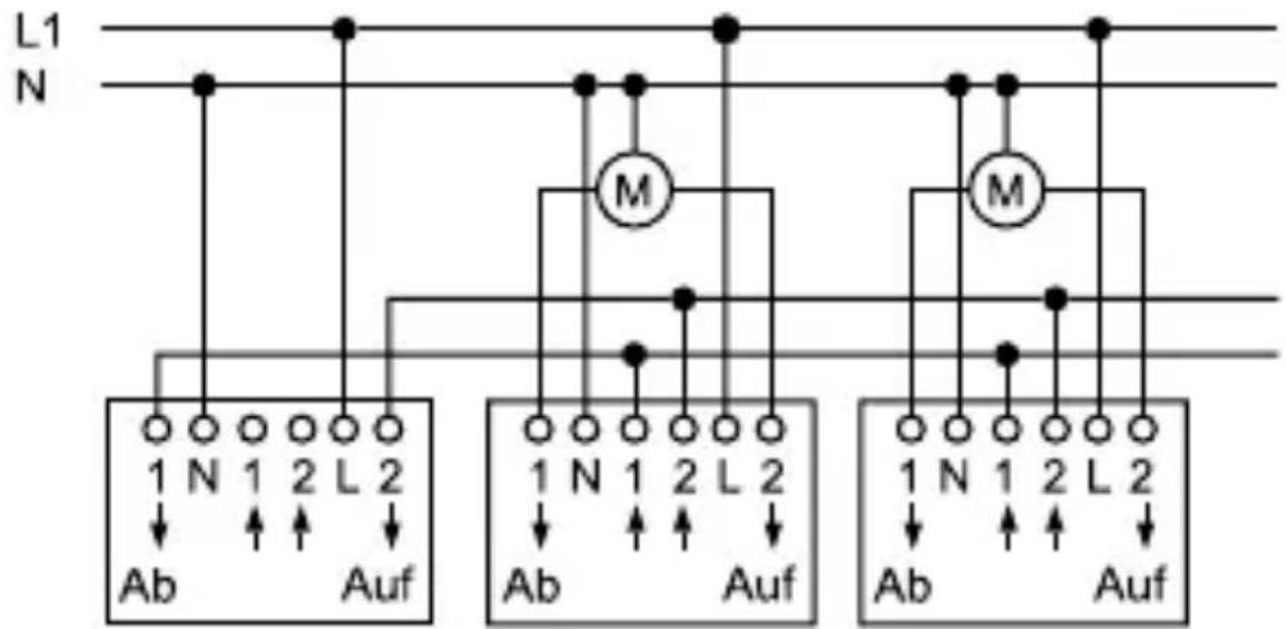
Einsatzgebiete GER 6

Fig. 2
6411 U/x-101
Einzelsteuerung
Einsatzgebiete GER 7
Jalousiecontrol 1 steuert die ganze Gruppe der Jalousiemotoren. Mit allen weiteren Jalousiecontrol-Geräten können die Jalousien auch einzeln gefahren werden.

Fig. 3
Jalousiecontrol 1 Jalousiecontrol 2 Jalousiecontrol 3

Eine Kombination der UP-Einsätze 6411U/x-101, 6411 U/x und 6410U-102 ist möglich.
Einsatzgebiete GER 8

Fig. 4
Mehrphasenbetrieb
Wichtige Hinweise GER 9

Ein Mehrphasenbetrieb ist ausschließlich in Deutschland zulässig.
Arbeiten am 230 V Netz)dürfen nur von
Fachpersonal ausgeführrt werden! Vor
Montage, Demontage Netzspannung
freischalten!
Durch Nichtbeachtung von Installations- und
Bedienungs-hinweisen konnen Brand und
andere Gefahren entstehen!
Wird ein Mehrphasenbetrieb (2 Phasen) zur Steuerung
und Funktion des Unterputzeinsatzes 6411U/x-101
gewündt, so sind folgende Bedingungen zwingend nach
Vorschrift DIN VDE 0100 zu erfüssen:
Bei Einsatz in entsprechenden Fl Kreisen siehe
Schaltbild im Anwenderhandbuch Busch
Jalousiecontrol II.
An den Nebenstelleneingängen Klemme 1 und 2 finden nur die gleiche Phase angeschlossen sein.
Wichtige Hinweise GER 10

ACHTUNG LEBENSGEFAHR!
Werden unterscheidliche Phasen am Unterputzeinsatz 6411U/x-101 zugelassen, so muss dafür gesorgt werden, dass im Fehlerfall oder bei Arbeiten an der Anlage allpolig abgeschaltet wird. Diese Betriebsart ist ausschließlich in Deutschland zulässig.
Bei Einsatz in entsprechenden Fl Kreisen siehe Schaltbild im Anwenderhandbuch Busch-Jalousiecontrol II.
Bei Einsatz über 3 Phasen siehe Schaltbild im Anwenderhandbuch Busch-Jalousiecontrol II.

Stellen Sie safer, dass
- die Hinweise der jeweiligen Jalousiemotoren-Hersteller beachtet sind, wenn Sie mehrere Motoren parallel anschließen wollen.
- sich im Fahrbereich der Jalousien keine Personen oder Gegenstände befinden.
- bei Arbeiten am Unterputzeinsatz das Gerät spannungsfrei ist.
Technische Daten GER 11
Unterputzeinsatz 6411U/x-101
Nennspannung: 230 ~V ± 10 % , 50 Hz
Leistungsaufnahme: < 1 W
Relaiseinschaltdauer ca. 3 Minuten
Relaisumschaltpause: > 500 ms
Max. Stromaufnahme pro < 3 mA
Nebenstelleneingang:
Sensoranschluss: SELV-Potential
Schutzkleinspannung
Umgebungstemperatur- 0 - + 35^
bereich:
Geräteüberblick GER 12

Fig. 5
Geräteüberblick
Geräteüberblick GER 13
- Unterputzeinsatz 6411U/S-101
- Netz-/Nebenstellenanschluss
- Anschluss Jalousiemotor
- Stellrad zum Wechsel der Betriebsart
- Abnehmbare Abdeckung für Berührungsschutz (ab Werk montiert)
- Klemmblock für den Anschluss des Sensors/Melders
- Stellrad zur Einstellung des Schwellwertes für den Helligkeitssensor
- Schlaufenfach für Sensorleitung
- Verbindung zum Bedienelement/Anschlussdom

Beim Unterputzeinsatz 6411U-101 fehlen die Pos. 6 und 7.
Betriebsarten GER 14
a. Wechsel der Betriebsart
- Betriebsartenschalter

Fig. 6

6411 U/S-101 6411 U-101
- Hebeln Sie das Bedienelement mittels Schraubendreher über den Rahmen ab.
- Drehen Sie das Stellrad auf die gewünschte Betriebsart.
- Befestigen Sie das Bedienelement wieder in der vorherigen Position.
Die neu eingestellte Betriebsart ist sofort aktiv.

Der Wechsel der Betriebsart kann unter
Spannung vollzogen werden.
Betriebsarten GER 15
b. Betriebsarten
Normalbetrieb (N) = Werkseinstellung
- Anwendungsbeispel: AUF-/AB-fahren der Jalousie
- Eine kurze Betätigung (Antippen) der Bedienfläche besteht einen Fahrbefehl aus, durch den die Jalousie in die obere oder untere Endstellung fährt. Nochmaliges Betätigten unterbricht das Auf- oder Abfahren.
- Bei einer langen Betätigung der Bedienfläche führt die Jalousie für die Dauer der Betätigung auf-/abwärts. Dauert die Betätigung länger als drei Minutes, so schaltet der Unterputzeinsatz aus.
Lamellenverstellung (L)
- Anwendungsbeispel: AUF-/AB-fahren der Jalousie und Lamellenverstellung in kleinen Schritten.
Die kurze Betätigung (Antippen) der Bedienfläche ist mit dem Normalbetrieb identisch. - Bei einer langen Betätigung der Bedienfläche fahrht die Jalousie für die Dauer der Bedienung getaktet auf
Betriebsarten GER 16
/abwärts. Dauert die Betätigung länger als drei Minuten, so schaltet der Unterputzeinsatz aus.
Markisenfunktion (M)
- Diese Betriebsart ist nur in der Version 6411 U/S-101 mit einem angeschlossen Sonnensensor wirksam.
Die Funktion ist mit Helligeitssensor 6414 ausfuhrbar. - Ohne Sonnensensor bzw. in der Version 6411 U-101 hat sie keine Auswirkung (identisch mit Normalbetrieb).
- Ist diese Betriebsart aktiviert, so fahrt bei der Über-schreitung des eingestellen Helligeitswertes die Jalousie für 3 min. abwärts bzw. eine vorher programmierte Abfahrzeit (und wenn programmiert, ein Rückfahrimpuls) wird ausgeführct.
- Ein automatisches Wiederhochfahren der Jalousie bei Unterschreitung des Helligeitswertes kann nur erfolgen, wenn durch die Laufzeit sichergestellt ist, dass der Sonnensor „freie Sichte“ auf die Sonne hat.
Betriebsarten GER 17
Zentrale (Z)
- Anwendungsbeispel: Ein Jalousiecontrol-Unterputzeinsatz wird als Zentrale für weitere Jalousien eingesetzt.
- Jede Bedienung (kurz oder lang) dieser Zentrale wird als Fahrbefehl (3 Minuten) umgesetzt. Dadurch ist sichergestellt, dass alle untergeordneten Jalousien bis in die Endstellung fahren.
- Programmierte Abfahrzeiten der Nebenstellen werden ausgeführct.
Programmierung (P)
- Anwendungsbeispel: Bei einem AB-Fahrbefehl soll die Jalousie automatisch auf eine bestimmte Position nach unter fahren und die Lamellen verstehen.
Die programmierte Fahrzeit wird nach Umschalten in eine andere Betriebsart nur dann aktiv, wenn vorher über einen Fahrbefehl (3 Minuten) nach oben gefahren wurde - nur so ist gewährleistet, dass die gewünschte Position auch angefahren wird.
Programmierung GER 18
a. Vorgehensweise
- Aktivieren Sie - analog wie im Kapitel „Betriebsarten“ beschreiben - diese Betriebsart und stecken Sie das jeweilige Bedienelement wieder auf.
- Dabei muss sich die Jalousie in der oberen Endposition befinden. Die Jalousie wird mit einer langen Bedienung auf die gewünschte Position nach unter gefahren. Zwischenzeitliches Stoppen der Jalousie ist möglich. Alle AB-Fahrzeiten werden addiert und gespeichert.
- Der Rückfahrimpuls (für Lamellenverstellung, Lüftungsposition bei Rolläden) beginnt mit dem erstmaligen AUF-Fahren der Jalousie. Alle darauf folgenden Fahrzeiten werden addiert (AUF-Fahren) bzw. subtrahiert (AB-Fahren) und als ein gesamter Rückfahrimpuls abgespeichert.
Die max. Rückfahrzeit beträgt 25 s. Ein Unter- oder Überschreiben dieser Zeit wird durch ein Stoppen der Jalousie signalisiert.
Programierung GER 19
- Vor dem Einlernen einer Rückfahrzeit muss zuvor eine Abfahrzeit von mindestens 10 Sekunden eingelernt worden sein.
- Hebeln Sie das Bedienelement mittels Schraubendreher wieder inkl. Rahmen ab.
- Verlassen Sie die Betriebsart „Programmierung“ und stellen Sie die ursprünglich gewünschte Betriebsart wieder ein.
- Stecken Sie das Bedienelement wieder auf.

Die o.g. Programmierung lässt sich vereinfachen, wenn eine Nebenstelle installiert ist und diese zum Programmieren der Zwischenposition genutzt wird.
Programierung GER 20
- Ist die Programmierung richtig durchgeführt und befindet sich die Jalousie in der oberen Endstellung, fahrth die Jalousie bei einem AB-Fahrbefehl die programmierte AB-Fahrzeit nach unten, stoppt für 0,5 s und fahrth dann für die Zeit des programmierten Rückfahrimpulses wieder nach oben.
- Befindet sich die Jalousie nicht in der oberen Endstellung, wird der AB-Fahrbefehl ohne die programmierte Zwischenstellung ausgeführrt. Die Jalousie führt für drei Minuten abwärts.
b. Löschen einer Programmierung
- Schalten Sie bei abgezogenem Bedienelement in die Betriebsart „Programmierung“ und wieder zurück in die vorherige Betriebsart.
Eine vorhandene Programmierung wird gelöscht.
Party-/Ausspperrfunktion GER 21
Die Party-/Ausspperrunktion lasst sich in nur Kombination der UP-Einsätze 6411 U/x-101 und der Bedienelemente 6430-xx oder 6060-xx aktivieren.
- Mit dieser Funktion wird der UP-Einsatz aus einer Gruppensteuerung ausgeschlossen. Das bedeutet, Signale, die über die Nebenstelleneingänge kommt und die Vorort-Bedienung werden ignoriert.
- Die Funktion ist nur in der oberen Endstellung aktivierbar (Relaislaufzeit 3min. beachten).Zum Aktivieren für >5 s die AUF-Taste betätigten. Als Quittierung wird die Jalousie für zwei Sekunden herunter und dann wieder hoch in die obere Endstellung gefahren.
- Die Funktion wird deaktiviert, indem die AB-Taste für > 5 sek. betätigt wird. Als Quittierung lauft die Jalousie abwärts. Die Deaktivierung wird automatisch nach ca. 8 h durchgeführt.
Party-/Ausspperrfunktion GER 22
- Ein Aktivieren der Partyschaltung deaktiviert die Sonnenschutz-, die Dämmerungs- bzw. die Markisenfunktion. In der Betriebsart Zentral und Programmierung kann die Partyschaltung nicht aktiviert werden.
Montage GER 23
Netzspannung abschalten!
Das Gerät ist für den Einbau in handelsübliche Unterputzdosen geeignet; empfehlenswert ist der Einbau in eine Abzweigschalterdose mit einer Einbautiefe von 60 mm.
- Beachten Sie beim Anschluss die Anschlussbeispiele Fig. 2, 3 und 4.
- Prufen Sie jeweils die Fahrtrichtung der Jalousie.
a. Montage in Verbindung mit einem Bedienelement
Montageort
In Kombination mit dem IR-Bedienelement 6066 sollte der Montageort innerhalb der angegebenen Werte für den IREmpfangsbereich (siehe Fig. 12 und 13) liegen. Beachten Sieitte damit, dass sich der IR-Empfangsbereich durch Fremdlicht (z.B. Sonnenstrahlung, Beleuchtung) verändern kann.
Montage GER 24
Ist für den Unterputzeinsatz 6411U/S-101 der Einsatz eines Helligeitssensors 6414 /Glasbruchmelders 6413 geplant, ist die werkseite Leitungslänge von ca. 2 m zu berücksichtigten.
Anbringen des Bedienelementes
Beim IR-Bedienelement 6066 stellen Sie zuvor die gewünschte Adresse ein (siehe Kapitel „Adressierung des IR-Bedienelementes").
- Stecken Sie das Bedienelement auf den Unterputzeinsatz auf.
Abnehmen des Bedienelementes
- Hebeln Sie das Bedienelement mittels Schraubendreher inkl. Rahmen ab.
Montage GER 25
b. Montage in Verbindung mit Nebenstellen
Der Unterputzeinsatz kann über Nebenstellen betrieben werden. Dabei ist folgenden zu beachten:
- Die maximale Leitungslänte ist abhängig von der maximal zulässigen Brummspannung an den Nebenstelleneingängen. Die Brummspannungarf jedoch 100V nicht überschreiben (das entspricht in der Praxis mindestens 100m Leitungslänte).
- Um Störungen durch Schaltvorgänge der Jalousieantriebe zu vermeiden, * dürfen Motor- und Nebenstellenzuleitungen nicht in einem Kabel oder in unmittelbarer Höhe zueinander verlegt werden (Mindestabstand 5 cm).
- Zur Berechnung der maximalen Anzahl parallel zu betriebender Geräte an einem Sicherungskreis müssen die Stromaufnahme der Motoren und der Nebenstelleneingänge sowie die Leistungsaufnahme der UP-Einsätze berücksichtigt werden.
Bedienung GER 26

Die Phase für die Nebenstelleneingänge „1" und „2" muß gleich und im gleichen Stromkreis sein.
Die Bedienung der Jalousie ist abhängig vom eingesetzten Bedienelement bzw. vom Einsatz der Sensoren.
a. Bedienung über das Bedienelement 6430
Betriebsarten N, M (siehe auch Kapitel „Betriebsarten“) Sie können die Jalousie wie folgt steuern:
Auf = Kurze Betätigung (Antippen) der oberen Flache - die Jalousie wird in die obere Endstellung gefahren. Lange Betätigung der oberen Flache - die Jalousie fahr aufwärts, solange die Taste betätig wird.
Bedienung GER 27
Ab = ∇: Kurze Betätigung (Antippen) der unteren Fläche
- die Jalousie wird in die unter Endstellung gefahren.
Lange Betätigung der unteren Fläche
- die Jalousie fahrt abwärts, solange die Taste betätig wird.
Nochmalige Betätigung stoppt die Jalousiebewegung.
Betriebsart L (siehe auch Kapitel „Betriebsarten“)
Kurze Betätigung (Antippen) wird analog dem
"Normalbetrieb". Die Jalousie führt bis in die jeweilige Endstellung.
Über die lange Betätigung laßt sich der Lamellenwinkel stufenweise verändern:
Auf = Δ: Lange Betätigung an der oberen
Fläche, Jalousie fährt getaktet aufwärts.
Ab = : Lange Betätigung an der unteren Fläche, Jalousie fahrgetaktet abwärts.
Bedienung GER 28
b. Bedienung über das IR-Bedienelement 6066
Die manuelle Vorortbedienung sowie die Fernbedienung über den IR-Handsender 6010-25 erfolgen analog zur Betätigung des Bedienelementes 6430.
Am IR-Bedienelement 6066 blinkt beim Sendebetrieb die rote LED.
Bedienung GER 29
Über den IR-Handsender laßt sich das AUF- bzw. AB-Fahren der Jalousie in die beiden MEMO-Speicher M1 bzw. M2 speichern:
- Betätigten Sie die Bedienelemente oder den IR-Handsender in der gewünschten Richtung (AUF/AB).
- Speichern Sie die Richtung in M1 bzw. M2. Vorher die Memo-Taste betätigten.
Löschen der MEMO-Speicher
- Drücken Sie die rote ALLES AUS-Taste am Handsender.
- Speichern Sie den ALLES AUS-Zustand in M1 bzw. M2. Vorher muss die Memo-Taste betätigter werden.

Eine bestimmte Lamellenstellung laßt sich nicht auf einen MEMO-Speicher legen.
Der Zugriff auf die MEMO-Speicher M1 und M2 erfolgt über den IR-Hand- bzw. Wandsender.
Weitere Informationen finden Sie in den zugehörigen IR-Betriebsanleitungen.
Bedienung GER 30
c. Bedienung über Nebenstellen
Als Nebenstellen sind alle Arten von Signalgebern, die ein 230 V-Signal (kein Dauersignal) auf die Nebenstellenge „1“ und „2“ liefern, geeignet (siehe Fig. 1).
Die Bedienung ist abhängig vom jeweiligen Funktionsumfang der Nebenstelle und von der gewählten Betriebsart.
Der Unterputzeinsatz interpretiert kurze
Spanningsimpulse als „kurze Betätigung (Antippen)" und lange Spanningsimpulse als „lange Betätigung".
Hinweis zu Prioritäten der Bedienung
Der Glasbruchmelder hat höchste Priorität. Bei Auslösung werden die Nebenstelleneingänge abgeschaltet. Die
Jalousie wird nach unter gefahren und kann nur durch eine Vorortbedienung wieder nach oben gefahren werden.
Der Nebenstelleneingang ↑2 für AUF hat zweithöchste
Priorität (Windalarm). Liegt an dem Eingang Spannung an, fahrth die Jalousie nach oben und bleibt oben, solange
Spannung am Nebenstelleneingang 2 liegt.
Alle anderen Bedienungen sind gleichberechtigt.
Helligkeitssensor GER 31
Der Helligkeitssensor 6414 ist nur in Verbindung mit dem Unterputzeinsatz 6411U/S-101 einsetzbar.
a. Funktion
Sonnenschutzfunktion
Kombinierbar mit Betriebsarten N, L.
Vorraussetzung für eine fehlerfreie Funktionalität der Sonnenschutzfunktion ist, das die Jalousie den Sensor überfahren kann. Ist dies nicht gewährleistet muss die Markisenfunktion (siehe Betriebsart M) verwendet werden. Der Sensor misst ständig die Helligkeit und vergleicht diesen Wert mit dem eingestellen Schwellwert. Wird der Schwellwert länger als 90 Sekunden übersritten, fahrth die Jalousie nach unter.
Sobald die herabfahrende Jalousie den Sensor abdunkelt, wird die Abwärtsbewegung gestoppt. Die Jalousie wird wieder nach oben gefahren und kurz über der
Sensorposition angehalten.
Die Jalousie wird erst dann wieder in die obere Endlage gefahren, wenn der Sensor für länger als 15 Minuten einen unter dem eingestellt den Schwellwert liegenden Wert misst
Helligkeitssensor GER 32
bzw. ein Stellbefehl von einem Bedienelement oder einer Nebenstelle erfolgt.
Eine Bedienung durch eine Nebenstelle oder Bedienelement unterbricht die Sonnenschutzfunktion, die manuelle Bedienung wird ausgeführrt. Eine erneute Aktivierung der Sonnenschutzfunktion erfolgt durch einen AUF-Fahrbefehl (3 Minuten Fahrzeit) oder durch den nächsten Hell/DunkelÜbergang. Das geschieht automatisch durch die Außenhelligkeit (Abendämmerung).
Dämmerungsfunktion (nur in Verbindung mit dem Timer-Bedienelement möglich)
Siehe gesonderte Bedienungsanleitung.
Helligkeitssensor GER 33
b. Anschluss
Der Anschluss kann unter Spannung erfolgen.
Gehen Sieittewie folgtvor:
- Hebeln Sie ggf. das Bedienelement mittels Schraubendreher inkl. Rahmen ab.
- Hebeln Sie die Abdeckung (siehe Fig. 5, Pos. 5) vom Unterputzeinsatz ab.
- Ziehen Sie den Klemmblock (siehe Fig. 5, Pos. 6) vorsichtig nach oben ab.
- Schließen Sie den Helligkeitssensor an.
Helligkeitssensor GER 34

Die beiden Kabel dürfen nicht verpolt werden:

Fig. 9 S: Helligeits:
: Masse (weiβ)
- Verlegen Sie zur Zugentlastung die Sensorleitung im Unterputzeinsatz mit einer kleinen Schlaufe (siehe Fig. 5, Pos. 8).

Die Sensorleitung sollte nicht verlangert werden, da ansonsten Funktionsbeeinträchtigungen entstehen.

Beachten Sieitte, dass bei Einstellarbeiten/Neuplatzierung des Helligeitssensors die Jalousie ggf. unvermittelt in Bewegung gesetzt wird.
Helligkeitssensor GER 35
c. Einstellung (für Bedienelement 6430 bzw. 6066)
Zur Einstellung des Schwellwertes für den
Helligkeitssensor unabhängig von der aktuellen Helligkeit, gehen Sieitte wie folgt vor:
- Stellen Sie sicher, dass der Helligkeitssensor an der geplanten Stelle angebracht und unverdeckt ist.
-
Verändern Sie die Position des Stellrades
-
nach rechts, wenn die Sonnenschutz-funktion schon bei geringer Helligkeit ausgelöst werden soll,
-
nach links, wenn die Sonnenschutzfunktion erst bei hoher Helligkeit ausgelöst werden soll.

Fig. 10
- Abspeichern der aktuellen Helligkeit als gewünschten Schwellwert für den Helligkeitssensor:
Soll die aktuelle Helligkeit als Schwellwert abgespeichert werden, so muss zuerst das Stellrad (Fig. 5, Pos. 7) auf den Minimalwert (Rechtsanschlag), ein paar Sekunden abwarten und anschließend auf
Helligkeitssensor GER 36
den Maximalwert (Linksanschlag) gedreht werden. Dadurch wird die Programmierung des Helligeitswertes aktiviert. Die Jalousie fahrt (falls diese nicht schon oben ist) als Zeichen der Quittierung dieser Betriebsart nach oben. jetzt langsam das Stellrad (Fig. 5, Pos. 7) in Richtung abnehmender Helligkeit drehen, bis die Jalousie nach unter fahrt. Damit ist der aktuelle Helligeitswert abgespeichert. Die Sonnenschutzfunktion ist direkt aktiv.
d. Einstellung über Timer-Bedieneleme 6455, 6412-101
Nur in Verbindung mit den Timer-Bedienelementen sind sowohl die Sonnenschutz- als auch die Dämmerungsfunktion einstellbar. Die Einstellung der Schwellwerte erfolgt über das Timer-Bedienelement; das Stellrad des Unterputzeinsatzes ist dann ohne Funktion. Nähere Informationen zur Einstellung finden Sie in der zum Timer-Bedienelement gehörenden Betriebsanleitung.
Glasbruchmelder GER 37
Der Glasbruchmelder (Art.-Nr. 6413) ist nur in Verbindung mit dem Unterputzeinsatz 6411U/S-101 einsetzbar.
Dieser Sensor ist ein optionales Zusammenarbeit, welche eine zerspringende Fensterscheibe erkennen kann.

Bitte beachten Sie, dass sich der Unterputz-einsatz 6411U/S-101 in Verbindung mit dem Glasbruchmelder nicht als Einbruch-/ Überfallschutz eignet, da die hierfür vorgeschriebene Sabotagesicherheit lt. VdS fehlt.
a. Funktion
Der Unterputzeinsatz erkennt automatisch einen angeschlossenen Glasbruchmelder. Zerspringt eine Glasscheibe, entstehen bestimmte Ultraschallsignale, die vom Melder ausgewertet werden. Der Melder lost einen AB-Fahrbefehl aus.
Glasbruchmelder GER 38

Während bzw. nach der Auslösung des Schaltbefehls kann die Jalousie weder über den Helligkeitssensor noch über ein Timersignal noch über eine Nebenstelle nach oben gefahren werden. Die herunter gefahrene Jalousie kann nur über das Bedienelement des betroffenen Unterputzeinsatzes wieder nach oben gefahren werden.
Bei Einsatz eines Timer-Bedienelementes erfolgt eine gesonderte Meldung an das Bedienelement - ähnliche Informationenfinden Sie in der zugehörigen Betriebsanleitung.
Glasbruchmelder GER 39
b. Anschluss
Der Anschluss kann unter Spannung erfolgen. Gehen Sie dazuitte wie im Kapitel „Helligkeitssensor" im Absatz b. beschreiben vor.
Auf die richtige Polung der Zwillings-Schaltlitze ist allerdings nur beim Helligeitssensor zu achten.

Weitere Informationen zur Funktion, Befestigung, etc. finden Sie in der zum Glasbruchmelder zugehörigen Betriebsanleitung.
Adressierung IR-Bedienelement
GER 40
Die Adresse des IR-Bedienelementes 6066 ist worksiteg auf die Zahl „1" eingestellt. Eine Änderung der Adresse konnen Sie über das Adressrad auf der Rückseite des IRBedienelementes vornehmen. Beachten Sie bei der Adressierung den „IR-Empfangsbereich“ (Fig. 12 und 13).

Fig. 11
IR-Empfangsbereich GER 41

Fig. 12
IR-Empfangsbereich GER 42

Fig. 13

Störungsbeseitigung GER 43
| Diagnose | Mögl. | Ursache/Abhilfe |
| Jalousien fahren understandslich (bei Gruppensteuerung): | - Ausgänge am 6411U/S-101 wechseln | |
| - Nebenstelleneingänge am 6411U/S-101 vertauschen | ||
| - Lastleitung von Steuerleitung trennen | ||
| Jalousie fahrnt nicht bei Gruppensteuerung: | - Nebenstelleneingang mit higherer Priorität liegt an(z.B. Windalarm) | |
| - Motorthermoschutz aktiv - kurzzeitig abwarten | ||
| Jalousie fahrnt nicht verstellbar: | - Betriebsart kontrollieren | |
| Jalousie fahrnt nicht mehr über Nebenstelle und Vorort-Bedienung: | - Partyfunktion ist aktiviert. |
Störungsbeseitigung GER 44
Bei Einsatz des Timer-Bedienelements 6455 oder 6412-101 finden Sie weitere Informationen in der zugehörigen Betriebsanleitung.
Zusätzlich konnen folgende IR-spezifische Störungen auftreten:
Diagnose Mögl. Ursache/Abhilfe
LED an: - Infrarot-Fremdlicht beseitigen
- Netzspannung anlagen
LED blinkd dauernd: - Dauerfremdsignal beseitigen
LED blinkt nicht bei – IR-Sendebereich einhalten
Sendesignal: - Batterie des IR-Hand-bzw.
Wandsenders erneuern

Der IR-Empfangsbereich kann sich durch Fremdlicht (z.B. Sonnenstrahlung, Beleuchtung) verändern.
Toepassingsgebieten DUT 135
Technische gegevens DUT 139
De beiden kabels mogen nicht verpoold.
worden:
: massa (wit)
IR-ontvangstbereik DUT 170

Fig. 12
IR-ontvangstbereik DUT 171

Fig. 13

Storingsoplossing DUT 172
Diagnose
LED blinkt nicht bei - IR-zendbereik aanhouden
Sendesignal: - Batterij van de IR-hand- resp. wandzender vernieuwen

Party-/stängningsfunktion SWE 231
c. Installing (für manöverdon 6430 respektive 6066)
- Partyfunktionen ar aktiverad.
EinfachAnleitung