Busch-Jaeger 2CKA006430A0385 - Smart Home

2CKA006430A0385 - Smart Home Busch-Jaeger - Kostenlose Bedienungsanleitung

Finden Sie kostenlos die Bedienungsanleitung des Geräts 2CKA006430A0385 Busch-Jaeger als PDF.

📄 239 Seiten Deutsch DE 💬 KI-Frage 8 Fragen ⚙️ Technik
Notice Busch-Jaeger 2CKA006430A0385 - page 1
Bezeichnung Beschreibung
Produkttyp Smart-Home-Controller
Kompatibilität Kompatibel mit Busch-Jaeger Smart-Home-Systemen
Funktionen Steuerung von Beleuchtung, Rollläden und vernetzten Geräten
Installation Unterputzmontage in Wänden, erfordert elektrische Verkabelung
Stromversorgung Standard-Stromversorgung, überprüfen Sie die lokalen Spezifikationen
Abmessungen Spezifische Abmessungen nicht angegeben
Materialien Hochwertiger Kunststoff, elegante Oberfläche
Wartung Regelmäßige Reinigung mit einem weichen Tuch, keine scheuernden Produkte
Sicherheit Entspricht den geltenden elektrischen Sicherheitsnormen
Garantie Herstellergarantie, Dauer beim Händler zu erfragen
Zusätzliche Informationen Siehe Bedienungsanleitung für detaillierte Anweisungen

Häufig gestellte Fragen - 2CKA006430A0385 Busch-Jaeger

Wie installiere ich den Busch-Jaeger 2CKA006430A0385?
Um den Busch-Jaeger 2CKA006430A0385 zu installieren, schalten Sie zuerst die Stromversorgung aus. Folgen Sie den Anweisungen im Installationshandbuch und achten Sie darauf, die Drhte entsprechend dem Schaltplan korrekt anzuschlieen. Nach der Installation schalten Sie die Stromversorgung wieder ein und konfigurieren das Gert ber die App.
Das Produkt verbindet sich nicht mit meinem Wi-Fi-Netzwerk, was soll ich tun?
Stellen Sie sicher, dass Ihr Router eingeschaltet und funktionsfhig ist. berprfen Sie, ob das Wi-Fi-Passwort korrekt in der App eingegeben wurde. Wenn das Problem weiterhin besteht, starten Sie den Router neu und versuchen Sie, das Produkt erneut zu verbinden.
Wie setze ich den Busch-Jaeger 2CKA006430A0385 zurck?
Um das Produkt zurckzusetzen, halten Sie die Reset-Taste am Gert etwa 10 Sekunden lang gedrckt, bis die Lichter blinken. Dadurch werden die Werkseinstellungen wiederhergestellt.
Das Produkt reagiert nicht auf Sprachbefehle, was soll ich tun?
Prfen Sie, ob das Mikrofon Ihres Gerts aktiviert ist und ob die Integration mit Ihrem Sprachassistenten korrekt konfiguriert wurde. Stellen Sie auch sicher, dass das Gert mit der neuesten Firmware-Version aktualisiert ist.
Wie aktualisiere ich die Firmware des Busch-Jaeger 2CKA006430A0385?
ffffnen Sie die zugehrige App und prfen Sie die Update-Einstellungen. Wenn ein Update verfgbar ist, folgen Sie den Anweisungen auf dem Bildschirm, um die neueste Firmware-Version zu installieren.
Kann ich den Busch-Jaeger 2CKA006430A0385 ohne Internetverbindung verwenden?
Einige Funktionen knnen ohne Internetverbindung genutzt werden, aber fr die volle Fernsteuerung und Updates wird eine Internetverbindung empfohlen.
Wird das Produkt wahrend des Betriebs warm?
Es ist normal, dass das Produkt wahrend des Betriebs leicht warm wird. Wenn Sie jedoch eine bermdfige Hitze feststellen, ziehen Sie es sofort aus und kontaktieren Sie den Kundendienst.
Wie integriere ich den Busch-Jaeger 2CKA006430A0385 mit anderen Smart-Home-Gerten?
Prfen Sie die Kompatibilitt der Gerte. Verwenden Sie die App, um weitere Gerte hinzuzufgen, und folgen Sie den Synchronisationsanweisungen. Stellen Sie sicher, dass alle Gerte mit demselben Netzwerk verbunden sind.

Benutzerfragen zu 2CKA006430A0385 Busch-Jaeger

0 Frage zu diesem Gerät. Beantworten Sie die, die Sie kennen, oder stellen Sie Ihre eigene.

Eine neue Frage zu diesem Gerät stellen

L'email reste privé : il sert seulement à vous prévenir si quelqu'un répond à votre question.

Noch keine Fragen. Stellen Sie die erste.

Laden Sie die Anleitung für Ihr Smart Home kostenlos im PDF-Format! Finden Sie Ihr Handbuch 2CKA006430A0385 - Busch-Jaeger und nehmen Sie Ihr elektronisches Gerät wieder in die Hand. Auf dieser Seite sind alle Dokumente veröffentlicht, die für die Verwendung Ihres Geräts notwendig sind. 2CKA006430A0385 von der Marke Busch-Jaeger.

BEDIENUNGSANLEITUNG 2CKA006430A0385 Busch-Jaeger

Universal-Serien-Einsatz 6402U-500

für Bedienelemente 6430-..., 6543-..., 6066-... und 6067-...
für Busch-Wächter® 180 UP-Sensoren 6810-xxx-10x-500, 6800-xxx-10x(M)-500, Busch-Wächter® Präsenz 6813-xxx-500

Betriebsanleitung (C) Nur für autorisiertes Elektrofachpersonal

Inhaltsverzeichnis

Busch-Jaeger 2CKA006430A0385 - Inhaltsverzeichnis - 1

Abbildungen

  • Fig. 1: Anschlussbeispel (Normalbetrieb) 4
  • Fig. 2: Anschlussbeispel (Betriebsarten 2 - 5) ...... 5
  • Fig. 3 und 4: IR-Erfassungsbereich 6

1. Überblick

-Einsatzgebiete 8
- Kombinationsmöglichkeiten 8

2. Wichtige Hinweise

  • Dokumentation 10
  • Entsorgung 10

3. Technische Daten 11

4. Montage

-Einbau 12
- ... in Verbindung mit Bedienelementen 12
- ... in Verbindung mit Präsenz 6813-xxx-500 ......... 13
- ... in Verbindung mit Nebenstellen 13
- ... in Verbindung mit UP-Sensoren 15
- Adressierung des IR-Bedienelementes/Fig. 5 ......... 16
-Betriebsarten 18

Inhaltsverzeichnis

Busch-Jaeger 2CKA006430A0385 - Inhaltsverzeichnis - 1

5. Bedienung

  • ... mit Bedienelement 6430-../6543- 20

  • ... mit IR-Bedienelement 6066-../6067- 20

  • ... mit Busch-Ferncontrol® IR 22
  • .. mit Sensoren 23
  • Nebenstellenbetrieb mit Sensoren 23

  • Passiver Nebenstellenbetrieb 24
    -Aktiver Nebenstellenbetrieb 25

  • ... mit Präsenz 6813-xxx-500 26

  • Netzspannungsunterbrechung 27

  • Störungsbeseitigung 28

Busch-Jaeger 2CKA006430A0385 - Bedienung - 1
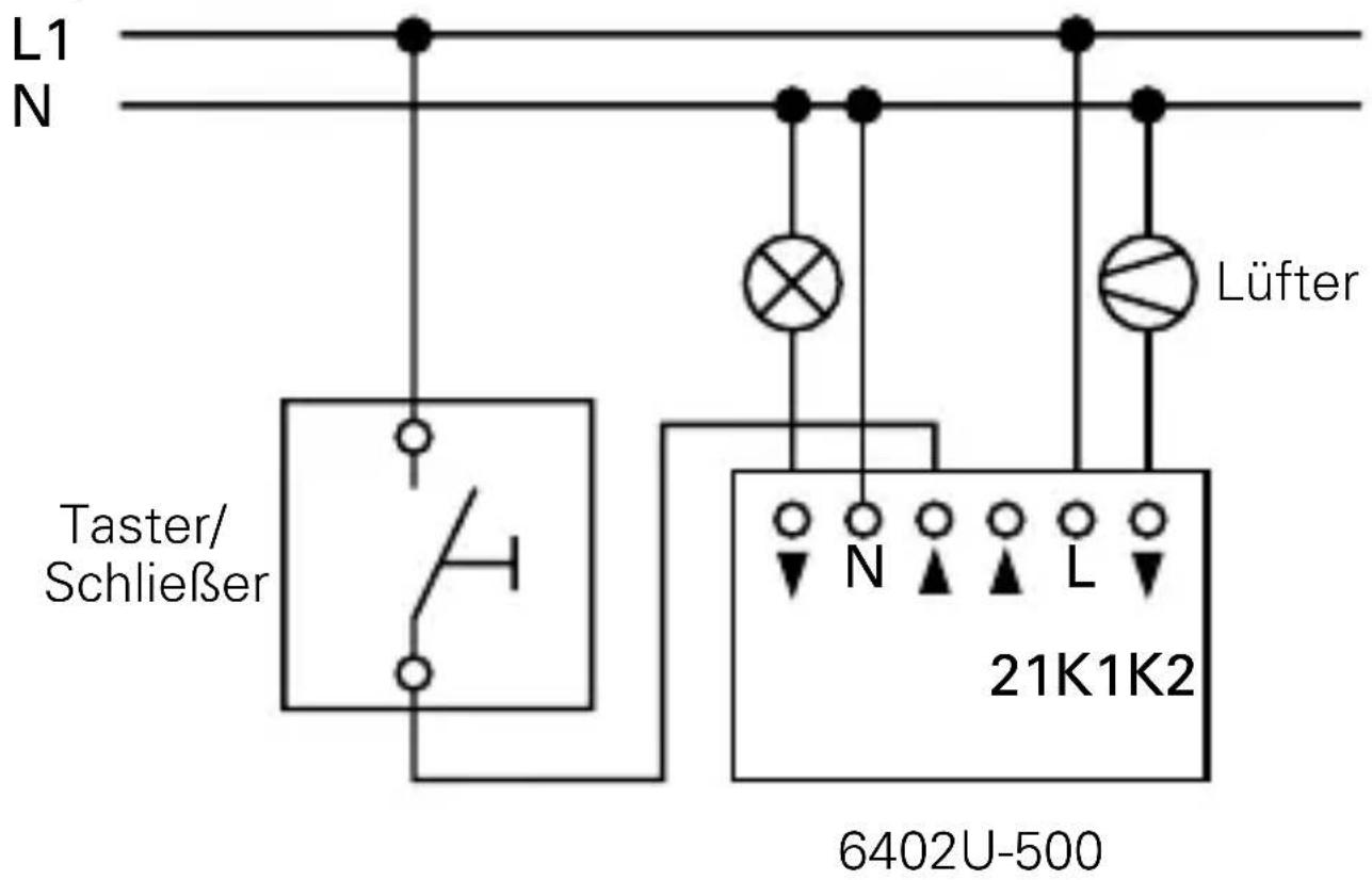
Fig. 1/Normalbetrieb

Universal-Serien-Einsatz in der Betriebsart 1 (siehe Kap. 4.4) in Einzelbetrieb mit Tasteransteuerung

Busch-Jaeger 2CKA006430A0385 - Bedienung - 2

HINWEIS

Bei beleuchteten Tastern können ausschließlich Taster mit separatem N-Anschluss verwendet werdenEine kontakt- parallele Beleuchtung ist nicht zulässig!

4

4

Busch-Jaeger 2CKA006430A0385 - HINWEIS - 1
Fig. 2

Universal-Serien-Einsatz in den Betriebsarten 2 - 5 (siehe Kap. 4.4)

Busch-Jaeger 2CKA006430A0385 - HINWEIS - 2

Busch-Jaeger 2CKA006430A0385 - HINWEIS - 3
Fig. 3

Busch-Jaeger 2CKA006430A0385 - HINWEIS - 4
IR-Empfangsbereich

6

6

Busch-Jaeger 2CKA006430A0385 - HINWEIS - 5
Fig. 4

Busch-Jaeger 2CKA006430A0385 - HINWEIS - 6
IR-Empfangsbereich

Busch-Jaeger 2CKA006430A0385 - HINWEIS - 7

Uberblick

D

1.1 Einsatzgebiete

Der Universal-Serien-Einsatz 6402U-500 (im folgenden Einsatz 6402U-500) ist ein mit Nebenstelleneingängen bedienbarer Schalter zum Schalten von

  • Gluhlampen
  • Halogenlampen
  • Niedervolt-Halogenlampen mit Transformator und
  • Leuchtstofflampen
    -Motoren

1.2 Kombinationsmöglichkeiten

Der Einsatz 6402U-500 ermöglich u.a. den Betrieb der folgenden ABB Produkte:

  • IR-Bedienelement 6066-, 6067-...
  • Bedienelement 6430-, 6543-...
  • Schließertaster (z.B. Art.-Nr.: 2020 US oder 2021/6UK) bei Nebenstellenbedienung
  • UP-Sensoren Standard 6810-xxx-10x-500

8

8

Uberblick

Busch-Jaeger 2CKA006430A0385 - Uberblick - 1

  • UP-Sensoren Komfort
  • Busch-Wächter® Präsenz 6813-xxx-500

  • Die Auswahr der Bedienelemente hangt nur von der entsprechenden Bedruckung ab, die Funktion ist je-eweils identisch.

Wichtige Hinweise

Busch-Jaeger 2CKA006430A0385 - Wichtige Hinweise - 1

ACHTUNG

Arbeiten am 230 V - Netz)dufen nur von autorisiertem Elektrofachpersonal ausgeführrt werden.

2.1 Dokumentation

In dieser Betriebsanleitung sind sowohl die Busch-Wachter® Standard- (Art.-Nr. 6810-xxx-10x-500) als auch die Komfortsensoren (Art.-Nr. 6800-xxx-10x(M)-500) als „UP-Sensoren" beschreiben.itte achten Sie auf die jeweils richtige Typenzuordnung in der Beschreibung.

Die TypenbezeichnungfindensieaufderjeweiligenGeräterückseite.

2.2 Entsorgung

Alle Verpackungsmaterialien und Geräte von ABB sind mit Kennzeichnungen und Prüfsiegel für die sach- und fachgerechte Entsorgung ausgestattet. Entsorgen Sie Verpackungsmaterialien und Elektrogeräte bzw. deren Elektronikkomponenten über hierzu autorisierte Sammelstellen bzw. Entsorgungsbetriebe.

Technische Daten

Busch-Jaeger 2CKA006430A0385 - Technische Daten - 1

Netzspannung: 230 ~V ± 10% , 50 Hz

Leistungsaufnahme: < 1,5W

max. Schaltspannung: 250 ~V

max. Schaltstrom (für

alle Ausgänge gemeinsam): 2300 W/VA, 10 AX

max. Brummspannung 100 V bei 100 m Leitungs-an der Nebenstelle: langle

Tasteranzahl: unbegrenzt

Schutzart: IP 20

Betriebstemperatur: 0 bis + 35 °C

Montage

Busch-Jaeger 2CKA006430A0385 - Montage - 1

Netzspannung ausschalten!

4.1 Einbau des Einsatzes 6402U-500

Der Einsatz 6402U-500 wird in eine handelsübliche UP-Gerätedose nach DIN 49073 Teil 1 montiert.

4.2.1 Montage in Verbindung mit Bedienelementen Montageort (siehe Fig. 3 und 4)

In Kombination mit den IR-Bedienelementen 6066-... und 6067-... sollen der Montageort innerhalb der angegebenen Werte für den IR-Empfangsbereich liegen. Beachten Sieitte darauf, dass sich der IR-Empfangsbereich durch Fremdlicht (z.B. Sonnenstrahlung, Beleuchtung) verändern kann.

Anbringen des Bedienelementes

Beim IR-Bedienelement 6066-.../6067-... stellen Sie zuvor die gewünschte Adresse ein. Stecken Sie das Bedienelement auf den Einsatz 6402U-500 auf.

Abnehmen des Bedienelementes

Nutzen Sie die vorgesehenen linken und rechten Einkerbungen zum Abhebeln.

Montage

Busch-Jaeger 2CKA006430A0385 - Montage - 1

4.2.2 Montage in Verbindung mit dem Busch-Wächter Präsenz 6813-xxx-500

Montageort

In Kombination mit dem Prasenzmelder 6813-xxx-500 ist nur die Deckenmontage sinnvoll. Nach Möglichkeit sollte der Prasenzmelder 6813-xxx-500 direkt über dem jeweiligen Arbeitsplatz montiert werden.

Anbringen des Prasenzmelders 6813-xxx-500

Für die Installation und den Testbetrieb ist es sinnvoll, den beigelegten Adapter zu nutzen. Anschließend wird der Präsenzmelder 6813-xxx-500 auf den Einsatz 6402U-500 fest aufgerastet.

Abnehmen des Prasenzmelders 6813-xxx-500

Ziehen Sie den Präsenzmelder 6813-xxx-500 am Gehäusering vom Einsatz 6402U-500 ab.

4.2.3 Montage in Verbindung mit Nebenstellen

Der Einsatz 6402U-500 kann über Nebenstellen betrieben werden. Dabei ist folgenden zu beachten:

Montage

Busch-Jaeger 2CKA006430A0385 - Montage - 1

  • Die maximale Leitungslänge ist abhängig von der maximal zulässigen Brummspannung an den Nebenstellen eingangen. Die Brummspannungarf jedoch 100V nicht überschreiben (das entspricht in der Praxis mindestens 100m Leitungslänge).

Als Nebenstellen kommt in Frage: - Schließertaster (z.B. 2020US oder 2021/6UK)

ACHTUNG

Die Beleuchtung der Tasternebenstelle parallel zum Schaltkontakt ist nicht zulässig: Taster mit separatem „N“-Anschluss verwenden.

Um eine einwandfrei Funktion zu gewährleisten, Verlegen Sie geschaltete Leitungen getrennt von den Nebenstellenleitungen.

Montage

Busch-Jaeger 2CKA006430A0385 - Montage - 1

4.2.4 ... in Verbindung mit UP-Sensoren/Präsenzmelder

Um die optimale Funktion der UP-Sensoren zu gewährleisten, beachten Sieitte die folgende Tabelle.

UP-Sensor Typ / Montagehöhe Einbaulage der Präsenzmelder Einsatzgebiet Anschlussschrauben
6810-xxx-10x-500 08 - 1,2 m unter
6800-xxx-10x-500
6800-7x-10xM-5000,8 - 1,2 m(Treppenhaus)oben
2,0 - 2,5 m(Raumüberw.)oben
6800-2xx-10xM-500 08 - 1,2 m(Treppenhaus)unter
2,0 - 2,5 m(Raumüberw.)unter
6813-xxx-500 abhängig vonDeckenhöhe beliebig

Montage/Fig. 5

Busch-Jaeger 2CKA006430A0385 - Montage/Fig. 5 - 1

Weitere Informationen zu Montagehöhe, Einstellung der UP-Sensoren, etc. entnahmen Sieitte der zugehörigen Betriebsanleitung.

4.3 Adressierung des IR-Bedienelementes

Die Adresse des IR-Bedienelementes 6066.../6067... ist worksiteig auf die Zahl 1 eingestellt. Eine Änderung der Adresse konnen Sie über das Adressrad auf der Rückseite des Bedienelementes vornehmen.

Busch-Jaeger 2CKA006430A0385 - Adressierung des IR-Bedienelementes - 1
Beachten Sie bei der Adressierung den „IR-Empfangsbereich" (siehe Fig. 3 und Fig. 4).

Montage

Busch-Jaeger 2CKA006430A0385 - Montage - 1

Die eingestellte Adresse gilt für Ausgang K1; die{nachst höhere Adresse gilt automatisch für den zweiten Ausgang K2.

Einstellung Ausgabe (6402U-500)6066-/6067-xxx K1 K2 6010-25
1 1 2weiß
2 2 3
5 5 1
6 6 7blau
7 7 8
10 10 6

Montage

Busch-Jaeger 2CKA006430A0385 - Montage - 1

4.4 Betriebsarten

Stellen Sie die gewünschte Betriebsartitte vor Aufsetzen des Bedienelementes am Potentiometer ein.

Busch-Jaeger 2CKA006430A0385 - Betriebsarten - 1

Betriebsart 1 (Normalbetrieb):

Separates Schalten beider Ausgänge mit den Bedienelementen 6430-, 6543-, 6066-, 6067-

Betriebsarten 2 - 5:

Betriebsart Ausgang K1 EIN Ausgang K1 AUS Ausgang K2 Ausgang K2

2 EIN nach 10 s AUS nach 5 min
3 EIN nach 2 min AUS nach 5 min
4 EIN nach 2 min AUS nach 10 min
5 EIN nach 2 min AUS nach* min

*so lange wie Ausgang K1 eingeschaltet ist, jedoch maximal 21 Minuten

Montage

Busch-Jaeger 2CKA006430A0385 - Montage - 1

HINWEISE

Ausgang K2 ist abhängig von Ausgang K1 – außer in der Betriebsart 1 (linker Endanschlag, siehe Fig. 1, 2). Wird Ausgang K1 innerhalb der Einschaltverzögerung von Ausgang K2 wieder ausgegeschaltet, so schaltet Ausgang K2 nicht ein.

Bedienung

Busch-Jaeger 2CKA006430A0385 - Bedienung - 1

Der Einsatz 6402U-500 erkennt beim Aufstecken des Bedienelementes automatisch, um welche Art von Bedienelement es sich handelt.

5.1 Mechanisches Bedienelement 6430-/.6543-. Einflächenbedienung in den Betriebsarten 2 - 5

Fläche: Antippen/halten

  • EIN/AUS von Ausgang K1

Ausgang K2 schaltet entsprechend der gewählten Betriebsart (siehe Kap. 4.4).

5.2 IR-Bedienelement 6066-../6067-

a. Bedienung in der Betriebsart 1

  • Obere Fläche: Der Ausgang K1 wird umgeschaltet
  • Untere Fläche: Der Ausgang K2 wird umgeschaltet

b. Zweiflächenbedienung in den Betriebsarten 2 - 5

  • Obere Fläche: Antippen/halten

-Ausgang K1 wird EIN geschaltet

  • Untere Fläche: Antippen/halten
    -Ausgang K1 wird AUS geschaltet

20

20

Bedienung

Busch-Jaeger 2CKA006430A0385 - Bedienung - 1

Ausgang K2 schaltet entsprechend der gewählten Betriebsart (siehe Kap. 4.4).

HINWEISE

Der Befehl „Dunkeldimmen" über die IR-Fernbedienung lost im Einsatz 6402U-500 keinen Schaltvorgang aus. Nähere Informationen zum IR-Betrieb enthalten Sieitte z.B. der Betriebsanleitung des IR-Handsenders.

Die jeweils letzte Bedienung (auch an Nebenstellen) lösden Schaltvorgang aus, auch wenn bei längerem Halten der Bedienfläche die Bedienung noch nicht abgeschlossen scheint.

Bedienung

Busch-Jaeger 2CKA006430A0385 - Bedienung - 1

5.3 Busch-Ferncontrol® IR-Betrieb

a. Betriebsart 1:

Der Zugriff auf die MEMO Speicher M1 und M2 erfolgt über den IR-Hand- bzw. Wandsender - siehe zugehörige Bedienungsanleitungen.

EIN-Schalten: Einsatz 6402U-500 schaltet EIN
AUS-Schalten: Einsatz 6402U-500 schaltet AUS

- Heller: Einsatz 6402U-500 schaltet EIN*
Dunkler: Keine Funktion
- MEMO: - Schaltzustand herstellen**

  • MEMO speichern
    -MEMO 1 oder 2 aufrufen

ALLES AUS: Einsatz 6402U-500 schaltet AUS**

  • Geschaltet wird Ausgang K1 oder K2, je nach Bedienung des Tastenpaares auf dem IR Handsender.

** Gilt fur beiden Ausgänge K1 und K2.

b. Betriebsarten 2 - 5:

In diesen Betriebsarten wird nur Ausgang K1 angesteuert. Ausgang K2 schaltet entsprechend Tabelle auf Seite 18.

Bedienung

Busch-Jaeger 2CKA006430A0385 - Bedienung - 1

5.4. Betrieb mit Sensoren (Betriebsarten 2 - 5)

Nach Unterbrechung der Netzspannung oder Netzzuschaltung schaltet der Einsatz 6402U-500 die angeschlossenen Verbraucher Ausgang K1.

  • unabhängig von der gesessenen Helligkeit

  • beim Einsatz der UP-Sensoren 6810-xxx-10x-500 für 80 Sekunden wieder ein.

  • beim Einsatz der UP-Sensoren 6800-xxx-10x(M)-500 oder des Busch-Wächter® Präsenz 6813-xxx-500 für die gewährte Dauer (mindestens 1 Minute bei Zeiteinstellungen < 1 Minute) wieder ein (Ausnahme Kurzzeitimpuls ).

5.5 Nebenstellenbetrieb m. Sensoren (Betriebsarten 2 - 5)

Dieser Nebenstellenbetrieb wird nur auf den Ausgang K1, Ausgang K2 schaltet entsprechend der eingestellen Betriebsart (s. Kap. 4.4). Der Nebenstellenbetrieb ist mittels - Aktivierung per Schließertaster - oder Nebenstellen-Einsatz 6805U-500 möglich.

Bedienung

Busch-Jaeger 2CKA006430A0385 - Bedienung - 1

Passiver Nebenstellenbetrieb mittels Taster

Die am Schließertaster ausgeführte Funktion bewirkt, dass die angeschlossenen Verbraucher

a. in der Betriebsart 1 EIN und AUS geschaltet werden
b. in der Betriebsart 2 - 5

  • unabhängig von der gemessenen Helligkeit (Ausgang K1)

  • beim Einsatz der UP-Sensoren 6810-xxx-10x-500 für ca. 80 Sekunden eingeschaltet werden.

  • beim Einsatz der UP-Sensoren 6800-xxx-10x(M)-500 für die am UP-Sensor eingestellte Zeit eingeschaltet werden (auch bei Zeiteinstellungen kleiner 1 Minute).

  • beim Einsatz des Busch-Wächter® Präsenz 6813-xxx-500 umgeschaltet werden (EIN > AUS > EIN > ...).

HINWEISE

  • Bei Nebenstellenbedienung über Schließertaster darf die maximale Länge der Nebenstellenleitung 100 m nicht überschreiben.
  • Verwenden Sieitte ausschließlich Taster ohne kontaktparallele Beleuchtung.

Bedienung

Busch-Jaeger 2CKA006430A0385 - Bedienung - 1

  • Um Störungen durch Brummspannung zu vermeiden, ist die geschaltete Leitung getrennt von der Nebenstellenleitung zu verlagen.

Aktiver Nebenstellenbetrieb mit 6805U-500 und UP-Sensoren (Betriebsart 2 - 5)

Da Haupt- und Nebenstelle jeweils eine separate Einstellung des Dämmerungswertes besitzen, können die aktuellen Helligkeitsverhältnisse am Einbauort individuell berücksichtigt werden.

Die effektive Nachlaufzeit ergibt sich aus der Addition der Zeiten an Haupt- und Nebenstelle. In Verbindung mit den UP-Sensoren 6800-xxx-10x(M)-500 empfieht es sich, die Nebenstellen mit der Zeiteinstellung Kurzzeitimpuls zu betreiben, wenn die an der Hauptstelle eingestillten Zeiten nahezu exakt eingehalten werden sollen.

HINWEIS

Weitere Informationen entnahmen Sieitte der zugehörigen Betriebsanleitung.

Bedienung

Busch-Jaeger 2CKA006430A0385 - Bedienung - 1

5.6 Betrieb mit Busch-Wächter® Präsenz 6813-xxx-500

Bitte beachten Sie die zugehörige Betriebsanleitung.

Mit der Nebenstellenbedienung über Taster kann die Beleuchtung helligeitsunabhängig ein- bzw. ausgeschaltet werden.

Die aktive Nebenstelle 6805 U-500 mit einem Präsenz-melder als Sensor bewirkt, dass die Bewegungserfassung an die Hauptstelle (Einsatz 6402U-500 und 6813-xxx-500) weitergegeben wird. Die Hauptstelle Präsenzmelder 6813-xxx-500 entscheidet helligkeitsabhängig, ob die Beleuch-tung eingeschaltet wird/bleibt.

Netzspannungsunterbrechung

Busch-Jaeger 2CKA006430A0385 - Netzspannungsunterbrechung - 1

6. Netzspannungsunterbrechung

In Verbindung mit den Bedienelementen 6430-..., 6543-..., 6066-... und 6067-... wird der Schaltzustand bei Netzspannungsunterbrechung < 200 ms wieder hergestellt.

Bei einer Netzspannungsunterbrechung >200 ms wird nach Netzspannungswiederkehr der alte Zustand wieder hergestellt oder beiden Ausgänge sind AUS.

In Verbindung mit Sensoren verhält sich der Einsatz 6402U-500 wie unter Kapitel 5.4 beschrieben.

Störungsbeseitigung

Busch-Jaeger 2CKA006430A0385 - Störungsbeseitigung - 1

DiagnoseUrsache/Abhilfe

Last schaltet nicht - Nebenstellen kontrollieren über Nebenstelle: - Brummspannung >100 V reduzieren

Last schaltet generell - defekte Last wechseln nicht: - ggf. Gerät wechseln
Last schaltet selbst- - Brummspannung >100 V ständig ein: reduzieren

-falsche Leitungsverlegung beseitigen (s.Kap.Montage)

IR-Empfänger/Ver- - IR-Emfänger liegt nicht im braucher reagiert nicht: IR-Sendebereich

  • IR-Sendebereich verdeckt (Gegenstände, Fälle oder Körper)
  • Batterie des Senders leer

Leuchtdiode der - IR-Fremdlichtquelle beseitigen IR-C-Scheibe aus: - Netzspannung anlagen

  • Netzspannung ca. 5 Sekunden ausschalten

Störungsbeseitigung

Busch-Jaeger 2CKA006430A0385 - Störungsbeseitigung - 1

DiagnoseUrsache/Abhilfe

Leuchtdiode der IR-C- - IR-Fremdlichtquelle

Scheibe blinkt dauernd: beseitigen

Leuchtdiode der IR-C- - IR-Signalempfang prufen

Scheibe blinkt nicht - Batterie des IR-Hand- bzw.

bei Sendesignal: Wandsenders erneuern

  • IR-Sendebereich überschritten

Einsatz 6402U-500 - Beleuchtung in der Taster

läßst sich nicht über die Nebenstelle entfernen

Nebenstelle bedieren:

Keine Fernbedienung - Bedienelement klemmt

möglich:

Licht brennt nicht: - defekte Lampe wechseln

  • vorgeschaltete Sicherung erneuern/wieder einschalten
  • unterbrochene Zuleitung instandsetzen
  • Betriebsart prüfen/ggf.
    wechseln (s. Kapitel 4.4)

Table des matieres

Busch-Jaeger 2CKA006430A0385 - Table des matieres - 1

Figures

5.6 Operation via Busch Watchdog Präsenz 6813-xxx-500

3. Technische gegevens 97

4. Montage

5.1 Mechanisch bedieningselement 6430-../6543-

Éenvlakbediening in de modi 2 - 5

Inhaltsverzeichnis Cliquez un titre pour y accéder
Handbuch-Assistent
Powered by Anthropic
Warten auf Ihre Nachricht
Produktinformationen

Marke : Busch-Jaeger

Modell : 2CKA006430A0385

Kategorie : Smart Home