Bravia KD55XG8596 - Televizors SONY - Bezmaksas lietošanas instrukcija
Atrodiet ierīces rokasgrāmatu bez maksas Bravia KD55XG8596 SONY PDF formātā.
Questions des utilisateurs sur Bravia KD55XG8596 SONY
0 question sur cet appareil. Repondez a celles que vous connaissez ou posez la votre.
Poser une nouvelle question sur cet appareil
Lejupielādējiet instrukcijas savam Televizors PDF formātā bez maksas! Atrodiet savu rokasgrāmatu Bravia KD55XG8596 - SONY un atgūstiet kontroli pār savu elektronisko ierīci. Šajā lapā ir publicēti visi dokumenti, kas nepieciešami jūsu ierīces lietošanai. Bravia KD55XG8596 zīmola SONY.
LIETOŠANAS INSTRUKCIJA Bravia KD55XG8596 SONY
Uzstādīšanas informācija Sony sienas montāžas kronšteina izmantošanai (SU-WL450)
Atbalstitie modeli:
KD-85XG85□□* / 75XG87□□* / 75XG85□□* / 65XG87□□* / 65XG85□□* / 55XG87□□* / 55XG85□□*
* Piedāvāto modelu nosaukumos “□□” norāda katram modelim unikālus skaitlus un/vai rakstzīmes.
Klientiem
izstrādājuma aizsardzības un drošības apsvērumu dēļ "Sony" iesaka televizoru uzstādīšanu uzticēt "Sony" izplatītājiem vai licencētiem uzņēmējiem. Nemēģiniet to uzstādīt saviem spēkiem.
Sony izplatītājiem un darbu izpildītājiem
Uzstādīšanas un arī periodisko apkopju un pārbaužu laikā pievērsiet lielu uzmanību drošībai.
Šī izstrādājuma uzstādīšanai ir nepieciešamas atbilstošas zināšanas, it īpaši, lai noteiktu, vai siena spēs izturēt televizora svaru. Izstrādājuma piestiprināšanu pie sienas uzticiet "Sony" izplatītājiem vai licencētiem darbu uzņēmējiem un uzstādīšanas laikā pievērsiet uzmanību drošībai. Sony neuzņemsies atbildību par materiāliem zaudējumiem vai traumām, kas radušās nepareizas rīkošanās vai nepareizas uzstādīšanas dēļ.
Lai uzstādīšana būtu droša un pareiza, izpildiet pie sienas stiprināma kronšteina darbības norādījumus, kā arī televizora uzsākšanas celvedī un šajā rokasgrāmatā sniegtos norādījumus.
Drošība
Pateicamies, ka iegādājāties šo izstrādājumu.
Informācija klientiem
Lai uzstādītu šo izstrādājumu, vajadzīgas atbilstīgas prasmes. Uzticiet uzstādīšanu "Sony" izplatītājiem vai licencētiem līgumstrādniekiem un raugieties, lai uzstādišanas laikā tiktu ievērota drošība. "Sony" neuzņemas atbildību par bojājumiem vai traumām, kas rodas, ja izstrādājums netiek izmantots vai uzstādīts pareizi vai ja tiek uzstādīts neapstiprināts izstrādājums. Jūsu likumīgās tiesības (ja tādas attiecināmas) paliek spēkā.
Informācija "Sony" izplatītājiem
Lai uzstādītu šo izstrādājumu, vajadzīgas atbilstīgas prasmes. Lai varētu droši uzstādīt izstrādājumu, noteikti izlasiet šo rokasgrāmatu. "Sony" neuzņemas atbildību par bojājumiem vai traumām, kas rodas, ja izstrādājums netiek izmantots vai uzstādīts pareizi. Pēc izstrādājuma uzstādīšanas nododiet šo rokasgrāmatu klientam.
Šajā rokasgrāmatā paskaidrots, kā pareizi apieties ar izstrādājumu un kas jāņem vērā, lai izvairītos no negadījumiem. Rūpīgi izlasiet šo rokasgrāmatu un izmantojiet izstrādājumu pareizi. Saglabājiet šo rokasgrāmatu, lai vajadzības gadījumā varētu to pārskatīt.
Visi "Sony" izstrādājumi ir radīti, domājot par drošību. Taču, ja izstrādājums tiek izmantots nepareizli, jūs varat gūt nopietnas traumas, kuras rada uguns, strāvas trieciens un ierīces apgāšanās vai nokrišana. Noteikti ievērojiet drošības norādes, lai izvairītos no šādiem negadijumiem.
UZMANİBU!
Specializēti izstrādājumi
Šis sienas kronšteins paredzēts lietošanai ar noteikiem televizoriem. Lai noskaidrotu par iespēju izmantot kronšteinu montāžai pie sienas, skatiet šā televizora atsauces rokasgrāmatu.
Informācija klientiem
BRĪDINĀJUMS!
Neievērojot tālākās norādes, var gūt smagas vai nāvējošas traumas aizdegšanās, strāvas trieciena vai ierīces nokrišanas rezultātā.
Uzticiet uzstādīšanu licencētiem līgumstrādniekiem un raugieties, lai uzstādīšanas laikā tuvumā neatrastos mazi bērni.
Ja kronšteins stiprināšanai pie sienas vai televizors nav uzstādīts pareizi, rodas tālāk norādīto negadījumu risks. Uzstādīšanu noteikti uzticiet licencētiem līgumstrādniekiem.
- Televizors var nokrist un radit jums nopietnas traumas, piemēram, nobrāzumus vai lūzumus.
- Ja siena, pie kuras piestiprināts kronšteins, ir nestabila, nelīdzena vai tā nav perpendikulāra attiecibā pret grīdu, ierīce var nokrist un radīt jums traumas vai materiālus zaudējumus. Sienai jāspēj noturēt svars, kas ir vismaz ĉetras reizes lielāks par televizora svaru. (Sava televizora svaru skatiet televizora atsauces rokasgrāmatā.)
- Ja kronšteins pie sienas nav pienācīgi piestiprināts, konstrukcija var nokrist un radīt jums traumas vai materiālus zaudējumus.
Televizora pārvietošanu vai noņemšanu no kronšteina noteikti uzticiet licencētiem līgumstrādniekiem.
Ja televizoru pārvieto vai nonem nelicencētas personas, tas var nokrist un radīt traumas vai materiālus zaudējumus. Nodrošiniet, lai televizoru nestu vai nonemtu vismaz divas personas (vismaz tris personas, ja televizora ekrāns ir 75 collas vai lielāks).
Kad televizors ir piestiprināts pie kronšteina, neizskrūvējiet skrūves u. c.
Pretējā gadījumā televizors var nokrist un radīt traumas vai materiālus zaudējumus.
Nepärveidojiet sienas kronšteina detalas.
Pretējā gadījumā sienas kronšteins var nokrist un radīt traumas vai materiālus zaudējumus.
Pie kronšteina piestipriniet tikai tam paredzētas ierīces.
Šis sienas kronšteins ir paredzēts lietošanai ar noteiktām ierīcēm. Uzstādot neapstiprinātas ierīces, tās var nokrist vai salūzt un radīt jums traumas vai materiālus zaudējumus.
Uz kronšteina atļauts balstīt tikai televizoru. Nekratiet televizoru pa kreisi/labi, uz augšu/leju.
Pretējā gadījumā televizors var nokrist un radīt traumas vai materiālus zaudējumus.
Neatspiedieties pret televizoru vai nekarājieties pie tā.
Neatspiedieties pret televizoru vai nekarājieties pie tā, jo tas var uzkrist jums virsū un radīt nopietnas traumas.
UZMANİBU!
Neievērojot tālāk norādītās instrukcijas, jums var rasties traumas vai materiāli zaudējumi.
Tīrot vai veicot apkopi, nepielietojiet pārāk daudz spēka.
Darbojoties ar televizora augšpusi, nepielietojiet pārāk daudz spēka. Pretējā gadījumā televizors var nokrist un radīt traumas vai materiālus zaudējumus.
Noderīga informācija
- Ja televizors pie sienas kronšteina ir piestiprināts ilgu laiku, atkarībā no sienas materiāla siena aiz vai virs televizora var iekrāsoties citā krāsā vai var atlīmēties tapetes.
- Kad sienas kronšteins tiek nonemts, sienā paliek skrūvju caurumi.
- Nelietojiet sienas kronšteinu vietās, kur uz to var iedarboties mehāniskas vibrācijas.
Sienas kronšteina uzstādīšana
Informācija "Sony" izplatītājiem
BRĪDINĀJUMS!
Tālākās instrukcijas paredzētas tikai "Sony" izplatītājiem. Noteikti izlasiet iepriekš norādīto drošības informāciju un ievērojiet drošību, kad uzstādāt, apkopjat vai pārbaudāt šo izstrādājumu.
Neuzstādiet sienas kronšteinu vietās, kur televizora stūri vai sāni pēc tam atradīsies nost no uzstādīšanas virsmas.
Neuzstädiet sienas kronšteinu vietās, kur televizora stūri vai sāni pēc tam atradīsies nost no uzstādišanas virsmas, piemēram, pie kolonnas. Ja cilvēks vai priekšmets uzgrūdisies televizora sāniem vai stūrim, kas atrodas nost no virsmas, var rasties traumas vai materiāli zaudējumi.

Neuzstādiet televizoru virs vai zem gaisa kondicionētāja.
Ja uz televizora nonāk ūdens vai uz to ilgstoši tiek pūsta gaisa plūsma no kondicionētāja, var rasties uguns vai strāvas trieciena risks vai televizors var sākt darboties nepareizi.
Noteikti uzstādiet sienas kronšteinu pareizi un ievērojiet norādes šajā rokasgrāmatā.
Ja kāda no skrūvēm ir valīga vai izkritusi, sienas kronšteins var nokrist un radit traumas vai materiālus zaudējumus. Noteikti izmantojiet sienas materiālam atbilstīgas skrūves un pareizi uzstādiet izstrādājumu, izmantojot četras vai vairāk 8 mm diametra skrūves (vai līdzvērtīgas).

Piegādātās skrūves un stiprinājuma detaļas izmantojiet pareizi, kā norādīts šajā lietošanas rokasgrāmatā. Izmantojot citas detaļas, televizors var nokrist un tikt bojāts vai radīt traumas.
Kronšteinu samontējiet, ievērojot lietošanas rokasgrāmatā norādīto procesu.
Ja kāda no skrūvēm ir valīga vai izkritusi, televizors var nokrist un tikt bojāts vai ari radīt traumas.
Kārtīgi pievelciet skrūves paredzētajās vietās.
Pretējā gadījumā televizors var nokrist un tikt bojāts vai ari radīt traumas citiem.
Uzstādot televizoru, nepakļaujiet to triecieniem.
Ja televizors tiek pakļauts triecienam, tas var nokrist vai salūzt. Tas var radīt traumas.
Televizoru uzstādiet uz sienas, kas ir gan perpendikulāra attiecībā pret grīdu, gan līdzena.
Pretējā gadījumā televizors var nokrist un radīt traumas.
Kad televizors ir uzstādīts, cieši nostipriniet vadus.
Ja cilvēki vai priekšmeti sapīsies vados, tas var radīt traumas cilvēkiem vai bojāt televizoru.
Nesaspiediet mainstrāvas vadu vai savienojuma kabeli.
Ja mainstrāvas vads vai savienojuma kabelis ir iespiests starp kronšteinu un sienu vai ar spēku tiek locīts vai vērpts, iekšējie vadi var atsegties un radīt īssavienojumu vai strāvas caursiti. Tas var izraisīt aizdegšanos vai strāvas triecienu.

Skrūves kronšteina piestiprināšanai pie sienas nav iekļautas komplektā.
Piestiprinot sienas kronšteinu, izmantojiet skrūves, kas piemērotas sienas materiālam un uzbūvei.
Satura rādītājs
Sagatavošanās uzstādīšanai .... 5
Detalu pârbaude....5
Uzstādīšanas vietas izvēle....6
Pamatnes piestiprināšana pie sienas....8
Sagatavošanās televizora uzstādīšanai ...... 9
KD-85/75XG85□□, KD-75XG87□□....9
KD-65/55XG87□□, KD-65/55XG85□□....11
Televizora piestiprināšana pie sienas......13
KD-85/75XG85□□, KD-75XG87□□....13
KD-65/55XG87□□, KD-65/55XG85□□....15
Pārliecinieties, vai uzstādīšana veiksmīgi pabeigta....18
Cita informācija....18
Specifikācijas....18
Televizora piestiprināšana pie sienas
Uzstādīšanas process katram televizoram ir atškīrīgs.
Televizora montāžai pie sienas izmantojiet sienas montāžas kronšteinu SU-WL450.
Piezime
- Noteikti novietojiet izskrūvētās skrūves drošā, bērniem nesasniedzamā vietā.
Sagatavošanās uzstādīšanai
- Pirms uzstādīšanas sagatavojiet televizora atsauces rokasgrāmatu un uzsākšanas celvedi.
- Vēl pirms detaļu montēšanas pārliecinieties, vai jums ir krustveida skrūvgriezis, kas der attiecīgajām skrūvēm.
- Pārbaudiet televizora uzstādīšanas pozīciju.
- Sagatavojiet četras vai vairāk 8 mm diametra skrūves un vienu 5 mm diametra skrūvi vai līdzvērtīgas (nav iekļautas komplektā). Izvēlieties skrūves, kas piemērotas sienas materiālam.
Detalu pârbaude
- Pārbaudiet, vai iekļautas visas detaļas.
A Pamatne (20) (1) B![]() | Trīsis (2)![]() |
| © PSW 6x20 (4) D PSYA33] | W 4x20 arbuksi (2)![]() |
E Starplika (20) (2) F![]() | Saite (1)![]() |
G Bukse (20) (M4) (2)![]() | H PSW 4x20 (2)![]() |
I Pamatnesadapteris (2)![]() | J PSW 4x10 (8)![]() |
K Starplika (60) (2) L![]() | PSW 6x50 (2)[z335] |
M Bukse (M4) (2) N PS![]() | W 4x50 (2)![]() |
Uzstādīšanas vietas izvēle
1 Izvēlieties uzstādīšanas vietu.
Pārbaudiet, vai siena ir pietiekami liela un spēj noturēt svaru, kas vienāds ar četrkāršu televizora svaru.
Skatiet turpmāk norādīto tabulu televizora uzstādīšanai pie sienas. Televizora svaru skatiet televizora atsauces rokasgrāmatā.
Parastā montāža Kompaktā montāža

text_image
a b 80 c d e d eEkrāna centrālais punkts
Mērvienība: mm
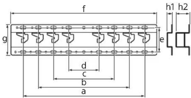
| Modeļa nosaukums | Displeja izmēri | Ekrāna centra izmērs | Stiprinājuma garums | ||
| a | b | c | d | e | |
| Parastā montāža Kompaktā montāža | |||||
| KD-85XG85□□ | 1909 | 1097 251 | 803 142 100 | ||
| KD-75XG87□□KD-75XG85□□ | 1673 | 963 | 107 | 595 | 116 75 |
| KD-65XG87□□KD-65XG85□□ | 1450 | 836 99 | 523 115 | 73 | |
| KD-55XG87□□KD-55XG85□□ | 1231 | 713 | 106 | 468 115 | 73 |
Piezīme
- Izmēri tabulā var nedaudz mainīties atkarībā no uzstādīšanas.
- Pēc televizora uzstādīšanas pie sienas tā augšējā daļa nedaudz sasveras uz priekšu.
Starp televizoru un griestiem vai sienas izvirzijumiem jānodrošina pietiekami daudz brīvas telpas, kā parādīts tālāk.
Mērvienība: mm

text_image
300100 100 100- Lai nodrošinātu atbilstošu ventilāciju un novērstu netīrumu vai putekļu uzkrāšanos, rīkojieties šādi:
— Nenovietojiet televizoru plakaniski, neuzstādiet to otrādi, atmuguriski vai sāniski.
— Nenovietojiet televizoru uz skapja, paklāja, gultas vai skapī.
— Nepārklājiet televizoru ar audumu, piemēram, aizkariem, vai tādiem priekšmetiem, kā, piemēram, avīzes.
- Neuzstādiet televizoru atbilstoši zemāk redzamajam attēlam.
Gaisa cirkulācija tiek blokēta.

text_image
SienaPiezime
- Ja vēlaties vadus vadīt caur sienu, izveidojiet sienā caurumu un ievietojiet vadus pirms uzstādīšanas. Lai nesaspiestu vadus, izveidojiet sienā caurumu nedaudz sānus no pamatnes (20) Ⓐ, pamatnes adapteris ① un starplikas (20) Ⓔ, starplikas (60) Ⓔ perimetra.
2 Izvēlieties, kā piestiprināt ierīci pie sienas. Attālumu no televizora aizmugures līdz sienai izvēlieties atbilstīgi tālākajiem norādījumiem.
2-a Parastā montāža
2-b Kompaktā montāža
- Ja atlasīta 2-b. iespēja, būs ierobežota piekļuve aizmugures ligzdām.

text_image
2-a 2-b3 Pamatnes adaptera uzstādīšanas vietu skatiet turpmākajā tabulā. Ja izvēlēta 2-b. iespēja, izlaidiet šo darbību.
| Modela nosaukums | Äka atrašanäs vieta |
| KD-85XG85□□ | |
| KD-75XG87□□ | a |
| KD-75XG85□□ | |
| KD-65XG87□□ | |
| KD-65XG85□□ | b |
| KD-55XG87□□ | |
| KD-55XG85□□ |

text_image
a b c dUzstādiet pamatnes adapteri ①, izmantojot skrūvi (PSW 4x10) ②, pamatnei (20) ③; izmantojot šo metodi, ja izvēlēta 2-a.

4 Izvēlieties, kurās vietās skrūvēsit skrūves, lai piestiprinātu pamatni (20) Ⓐ.
Skatiet specifikācijas 18. lapā. Ja atlasīta 2-a. iespēja, izmantojiet pamatnes adaptera ① atveres.
BRĪDINĀJUMS!
- Sienai, pie kuras stiprināsit televizoru, jāspēj noturēt svaru, kas vismaz četras reizes pārsniedz televizora svaru (Sava televizora svaru skatiet televizora atsauces rokasgrāmatā.).
- Nosakiet tās sienas izturību, pie kuras stiprināsit televizoru. Ja vajadzīgs, pastipriniet sienu.
Pamatnes piestiprināšana pie sienas
- Izmantojiet četras vai vairāk 8 mm diametra skrūves vai līdzvērtīgas (nav iekļautas komplektā).
- leskrūvējiet četras skrūves pamatnes adaptera ① atverēs, ar pamatni (20) ④ (tikai 2-a).
- Pamatni (20) Ⓐ uz sienas uzstādiet horizontāli.

text_image
2-a ① A
text_image
2-b ASagatavošanās televizora uzstādīšanai
Informāciju par statīva uzstādīšanu skatiet uzsākšanas celvedī.
KD-85/75XG85□□, KD-75XG87□□
1 Atzīmējiet uzstādīšanas vietu uz sienas.
- Izmantojiet krāsotāju līmlenti vai citu materiālu (nav iekļauts komplektācijā), lai atzīmētu televizora atrašanās vietu pie pamatnes vai pamatnes adaptera. Skatiet tālāk esošo tabulu.

text_image
a b (1000) (300) c Ekrāna centrālais punkts Krāsotāju limlenteMērvienība: mm
| Modela nosaukums | Atzīmes garums | Ekrāna centra izmērs | ||
| a | b | c | d | |
| KD-85XG85□□ | 1909 | 683 | 200 | 251 |
| KD-75XG87□□KD-75XG85□□ | 1673 | 468 | 200 | 107 |
2 Izskrūvējiet televizora aizmugurē esošās skrūves.

flowchart
graph TD
A["1×2"] --> C["Processing Block"]
B["2×2"] --> C
C --> D["Output"]
style A fill:#f9f,stroke:#333
style B fill:#f9f,stroke:#333
3 Piestipriniet sienas montāžas kronšteina stiprinājuma elementus. Pārbaudiet stiprinājuma elementus, skatot 5. lappusē sadaļas "Detaļu pārbaude" nodaļu "Komplektā ar SU-WL450".
Piezime
• Cieši pieskrūvējiet stiprinājuma elementus.
- Ja tiek izmantots elektriskais skrūvgriezis, iestatiet griezes momentu uz apm. 1,5 N·m {15 kgf·cm}.
- Izmantotās un neizmantotās dajas noteikti noglabājiet drošā vietā turpmākajām vajadzībām. Saglabājiet šo rokasgrāmatu turpmākām uzziņām.
Parastā montāža (2-a)

text_image
Trīsis Ⓑ Skrūve (+PSW 6 x 20) Ⓓ Starplika (60 mm) Ⓔ Saite Ⓕ Skrūve (+PSW 6 x 50) ⒲Kompaktā montāža (2-b)
Piezime
- Izvēloties šo stiprinājuma veidu, dažas pieslēgumvietas televizora aizmugurē nebūs lietojamas.

4 lespraudiet televizorā vajadzīgo(-os) kabeli(-ļus).
Pirms piestiprināt televizoru pie sienas, noteikti savienojiet kabelus. Kad televizors jau būs uzstādīts, kabelus nebūs iespējams savienot.
Skatiet televizora komplektācijā iekļauto atsauces rokasgrāmatu.
Piezime
- Kabeļa vilkšanu cauri sienai uzticiet licencētam speciālistam.
- Sasaistiet savienojošos kabelus, lai nepieļautu iespēju uz tiem uzkāpt pirms montāžas pie sienas.
5 Atvienojiet no televizora galda statīvu.
- Nonemiet galda statīva puses pa vienai. Stingri turiet galda statīvu ar abām rokām, kamēr palīgi paceļ televizoru.
KD-85XG85□□

- Atkārtojiet iepriekšējo darbību un nonemiet galda statīva otru pusi.
Piezime
- Lai atvienotu galda statīvu, nepieciešama vismaz trīs cilvēku palīdzība.
- Galda statīvu nedrīkst atvienot no televizora ar pārmērīgu spēku, jo tādējādi televizors var nokrist un radīt traumas vai televizora bojājumus.
- Veicot darbības ar galda statīvu, ievērojiet piesardzību, lai novērstu televizora bojājumus.
- Ja galda statīvs nav nostiprināts, uzmanieties, ceļot televizoru, jo statīvs var gāzties un radīt traumas.
- Uzmanieties, nonemot televizoram galda statīvu, lai nepieļautu televizora apgāšanos un virsmas, uz kuras balstās televizors, sabojāšanu.
KD-65/55XG87□□,
KD-65/55XG85□□
1 Izskrūvējiet televizora aizmugurē esošās skrūves.

2 Piestipriniet sienas montāžas kronšteina stiprinājuma elementus. Pārbaudiet stiprinājuma elementus, skatot 5. lappusē sadaļas "Detaļu pārbaude" nodaļu "Komplektā ar SU-WL450".
Piezime
- Cieši pieskrūvējiet stiprinājuma elementus.
- Ja tiek izmantots elektriskais skrüvgriezis, iestatiet griezes momentu uz apm. 1,5 N·m {15 kgf·cm}.
- Izmantotās un neizmantotās daļas noteikti noglabājiet drošā vietā turpmākajām vajadzībām. Saglabājiet šo rokasgrāmatu turpmākām uzzinām.
Parastā montāža (2-a)

text_image
Trīsis Ⓑ Skrūve (+PSW 6 x 20) Ⓓ Starplika (60 mm) Ⓔ Saite Ⓕ Skrūve (+PSW 6 x 50) ⒲Kompaktā montāža (2-b)
Piezime
- Izvēloties šo stiprinājuma veidu, dažas pieslēgumvietas televizora aizmugurē nebūs lietojamas.

3 lespraudiet televizorā vajadzīgo(-os) kabeli(-ļus).
Pirms piestiprināt televizoru pie sienas, noteikti savienojiet kabelus. Kad televizors jau būs uzstādīts, kabelus nebūs iespējams savienot.
Skatiet televizora komplektācijā iekļauto atsauces rokasgrāmatu.
Piezime
- Kabeļa vilkšanu cauri sienai uzticiet licencētam speciālistam.
- Sasaistiet savienojošos kabelus, lai nepieļautu iespēju uz tiem uzkāpt pirms montāžas pie sienas.
4 Atvienojiet no televizora galda statīvu.
- Nonemiet galda statīva puses pa vienai. Stingri turiet galda statīvu ar abām rokām, kamēr palīgi paceļ televizoru.

- Atkārtojiet iepriekšējo darbību un noņemiet galda statīva otru pusi.
Piezime
- Lai atvienotu galda statīvu, nepieciešama vismaz tris cilvēku palīdzība.
- Galda statīvu nedrīkst atvienot no televizora ar pārmērīgu spēku, jo tādējādi televizors var nokrist un radīt traumas vai televizora bojājumus.
- Veicot darbības ar galda statīvu, ievērojiet piesardzību, lai novērstu televizora bojājumus.
- Ja galda statīvs nav nostiprināts, uzmanieties, ceļot televizoru, jo statīvs var gāzties un radīt traumas.
- Uzmanieties, noņemot televizoram galda statīvu, lai nepieļautu televizora apgāšanos un virsmas, uz kuras balstās televizors, sabojāšanu.
Televizora piestiprināšana pie sienas
KD-85/75XG85□□, KD-75XG87□□
1 Paceliet televizoru.
- Lai izvietotu piekāršanai uz pamatnes vai pamatnes adaptera paredzētos trišus Ⓑ, skatiet sadaļas "Uzstādīšanas vietas izvēle" 3. darbībā minēto tabulu 7. lpp.
- Kad turat televizoru, pārliecinieties, vai tā aizmugure pieskaras pamatnei vai pamatnes adapterim.
Piezime
- Turiet televizoru stingri ar abām rokām un pārliecinieties, vai saite Ⓕ un televizora apakšmala sakrit ar krāsotāju limlenti.
- Nesiet televizoru trijatā un lieciet, lai viena persona, kas ir televizora priekšā, vada pārējos, lai pielāgotu pozīciju.

- levērojiet piesardzību, kad uzstādāt televizoru pie sienas, īpaši tas attiecas uz personu, kas atbalsta televizoru no apakšas — televizors var krist, izraisot smagas traumas vai pat nāvi.

- Uzmanīgi slidiniet televizoru uz leju un ievietojiet televizora aizmugurē piestiprinātos trīšus Ⓑ pamatnē vai pamatnes adapterī, lai tie atbilstu atveru formai.
- Pēc televizora uzstādīšanas pie sienas pārbaudiet, vai trīši ⑧ ir cieši piestiprināti pamatnei vai pamatnes adapterim.
- Lēnām atlaidiet rokas, lai pārliecinātos, vai televizors nekrīt.

- Pēc televizora uzstādīšanas pie sienas, noņemiet krāsotāju līmlenti vai citu uzmantoto materiālu no sienas.

BRĪDINĀJUMS!
- Nodrošiniet, lai televizoru nešanas laikā turētu vismaz divas personas (vismaz trīs personas, ja televizora ekrāns ir 75 collas vai lielāks).

- Izmantojiet 5 mm diametra skrūvi vai līdzvērtīgu (nav iekļauta komplektā).
Piezime
- Nedaudz pavelciet televizora apakšdaļu savā virzienā, lai pārliecinātos, ka tā nekustas. Ja jūtama kustība, televizors nav pareizi piestiprināts, un saite Ⓓ vēlreiz ir cieši jāpiestiprina pie sienas.
KD-65/55XG87□□, KD-65/55XG85□□
1 Paceliet televizoru.
- Lai izvietotu piekāršanai uz pamatnes vai pamatnes adaptera paredzētos trīšus Ⓑ, skatiet sadalas "Uzstādīšanas vietas izvēle" 3. darbībā minēto tabulu 7. lpp. - Kad turat televizoru, pārliecinieties, vai tā aizmugure pieskaras pamatnei vai pamatnes adapterim.

- Uzmanīgi slidiniet televizoru uz leju un ievietojiet televizora aizmugurē piestiprinātos trīšus Ⓑ pamatnē vai pamatnes adapterī, lai tie atbilstu atveru formai. - Pēc televizora uzstādīšanas pie sienas pārbaudiet, vai trīši Ⓑ ir cieši piestiprināti pamatnei vai pamatnes adapterim. - Lēnām atlaidiet rokas, lai pārliecinātos, vai televizors nekrīt.

- Nodrošiniet, lai televizoru nešanas laikā turētu vismaz divas personas (vismaz trīs personas, ja televizora ekrāns ir 75 collas vai lielāks).

- Izmantojiet 5 mm diametra skrūvi vai līdzvērtīgu (nav iekļauta komplektā).
Piezime
- Nedaudz pavelciet televizora apakšdaļu savā virzienā, lai pārliecinātos, ka tā nekustas. Ja jūtama kustība, televizors nav pareizi piestiprināts, un saite Ⓕ vēlreiz ir cieši jāpiestiprina pie sienas.
Pārliecinieties, vai uzstādīšana veiksmīgi pabeigta
Pārliecinieties par tālāko.
- Trīši Ⓑ ir cieši uzkarināti uz pamatnes vai pamatnes adaptera.
• Vads un kabelis nav savërpts vai saspiests.
• Saite Ⓕ ir stingri nostiepta.
BRĪDINĀJUMS!
- Ja mainstrāvas vads tiek novietots nepareizi, var rasties īssavienojums, kas var izraisīt aizdegšanos vai strāvas triecienu. Drošības labad noteikti pārliecinieties, vai uzstādīšana paveikta pareizi.
Cita informācija
Nonemot televizoru, veiciet uzstādīšanas darbības pretējā secībā.

- Nodrošiniet, lai televizoru noņemšanas laikā turētu vismaz divas personas (vismaz trīs personas, ja televizora ekrāns ir 75 collas vai lielāks).
Specifikācijas

text_image
f h1 h2 g e d c b aIzmēri: (Apm.) [mm]
Konstrukcija un specifikācijas var tikt mainītas bez iepriekšēja brīdinājuma.
VieglaRokasgrāmata











