Bravia KD55XG8596 - TV SONY - Free user manual and instructions
Find the device manual for free Bravia KD55XG8596 SONY in PDF.
Questions des utilisateurs sur Bravia KD55XG8596 SONY
0 question sur cet appareil. Repondez a celles que vous connaissez ou posez la votre.
Poser une nouvelle question sur cet appareil
Download the instructions for your TV in PDF format for free! Find your manual Bravia KD55XG8596 - SONY and take your electronic device back in hand. On this page are published all the documents necessary for the use of your device. Bravia KD55XG8596 by SONY.
USER MANUAL Bravia KD55XG8596 SONY
* In the actual model names, the “☐☐” indicates numbers and/or characters specific to each model.
To Customers
For product protection and safety reasons, Sony strongly recommends that installation of your TV be performed by Sony dealers or licensed contractors. Do not attempt to install it yourself.
To Sony Dealers and Contractors
Provide full attention to safety during the installation, periodic maintenance and examination of this product.
Sufficient expertise is required for installing this product, especially to determine the strength of the wall for withstanding the TV's weight. Be sure to entrust the attachment of this product to the wall to Sony dealers or licensed contractors and pay adequate attention to safety during the installation. Sony is not liable for any damage or injury caused by mishandling or improper installation.
For Safety and proper installation, follow the Wall-mount Bracket Operation Instructions, TV Setup Guide and the directions in this manual.
On Safety
Thank you for purchasing this product.
To Customers
Sufficient expertise is required for installing this product. Be sure to subcontract the installation to Sony dealers or licensed contractors and pay special attention to safety during the installation. Sony is not liable for any damages or injury caused by mishandling or improper installation, or installing any other than the specified product. Your Statutory Rights (if any) are not affected.
To Sony dealers
Sufficient expertise is required for installing this product. Be sure to read this instruction manual thoroughly to do the installation work safely. Sony is not liable for any damages or injury caused by mishandling or improper installation. Please give this manual to the customer after installation.
This instruction manual shows the correct handling of the product and important precautions necessary to prevent accidents. Be sure to read this manual thoroughly and use the product correctly. Keep this manual available for future reference.
Products by Sony are designed with safety in mind. If the products are used incorrectly, however, it may result in a serious injury through fire, electric shock, the product toppling over, or the product dropping. Be sure to observe the precautions for safety to prevent such accidents.
CAUTION
Specified products
This Wall-Mount Bracket is designed for use with the products specified TVs. For TVs, refer to their Reference Guide to verify that the Wall-Mount Bracket can be used.
To Customers
WARNING
If the following precautions are not observed, serious injury or death through fire, electric shock, or the product dropping can result.
Be sure to subcontract the installation to licensed contractors and keep small children away during the installation.
If the Wall-Mount Bracket or the TV is not installed correctly, the following accidents may occur. Be sure licensed contractors carry out installation.
- The TV may fall and cause a serious injury such as a bruise or a fracture.
- If the wall on which the Wall-Mount Bracket is installed is unstable, uneven, or not perpendicular to the floor, the unit may fall and cause injury or property damage. The wall should be capable of supporting a weight of at least four times the TV weight.
(Refer to your TV's Reference Guide for its weight.) - If the installation of the Wall-Mount Bracket on the wall is not sufficiently sturdy, the unit may fall and cause injury or property damage.
Be sure to subcontract moving or dismounting of the TV to licensed contractors.
If persons other than licensed contractors transport or dismount the TV, it may fall and cause injury or property damage. Be sure that two or more persons (three or more persons for 75 inches and above TV set) carry or dismount the TV.
Do not remove screws, etc., after mounting the TV.
If you do so, the TV may fall and cause injury or property damage.
Do not make alterations to the parts of the Wall-Mount Bracket.
If you do so, the Wall-Mount Bracket may fall and cause injury or property damage.
Do not mount any equipment other than the specified product.
This Wall-Mount Bracket is designed for use with the specified product only. If you mount equipment other than specified, it may fall or break, and cause injury or property damage.
Do not apply any load other than the TV on the Wall-Mount Bracket. Do not shake the TV left/right, up/down.
If you do so, the TV may fall and cause injury or property damage.
Do not lean on or hang from the TV.
Do not lean on or hang from the TV as it may fall on you and cause serious injury.
CAUTION
If the following precautions are not observed, injury or property damage may occur.
Do not handle the product with excessive force during cleaning or maintenance.
Do not apply excessive force on the topside of the TV. If you do so, the TV may fall and cause injury or property damage.
Precautions
- If you use the TV installed on the Wall-Mount Bracket for a long time, the wall behind or above the TV may become discolored or the wallpaper may come unstuck, depending on the material of the wall.
- If the Wall-Mount Bracket is removed after installing it on the wall, the screw holes are left.
- Do not use the Wall-Mount Bracket in a place where it is subjected to mechanical vibrations.
Installing the Wall-Mount Bracket
To Sony Dealers
WARNING
The following instructions are for Sony dealers only. Be sure to read safety precautions described above and pay special attention to safety during the installation, maintenance and checking of this product.
Do not install the Wall-Mount Bracket on wall surfaces where the corners or the sides of the TV protrude away from the wall surface.
Do not install the Wall-Mount Bracket on wall surfaces such as a pillar, where the corners or the sides of the TV protrude away from the wall surface. If a person or object happens to hit the protruded corner or side of the TV, it may cause injury or property damage.

Do not install the TV over or under an air-conditioner.
If the TV is exposed to water leaks or air current from an air conditioner for a long time, it may cause a fire, an electric shock or a malfunction of the TV.
Be sure to install the Wall-Mount Bracket securely to the wall following the instructions in this instruction manual.
If any of the screws are loose or fall out, the Wall-Mount Bracket may fall and cause injury or property damage. Be sure to use the appropriate screws for the material of the wall and install the unit securely using four or more screws of 8 mm diameter (or equivalent).

Be sure to use the supplied screws and attachment parts properly following the instructions given in this instruction manual. If you use substitute items, the TV may fall and cause bodily injury to someone or damage to the TV.
Be sure to assemble the bracket properly following the instructed procedure explained in this instruction manual.
If any of the screws are loose or fall out, the TV may fall and cause bodily injury to someone or damage to the TV.
Be sure to tighten the screws securely in the designated position.
If you fail to do so, the TV may fall and cause bodily injury to someone or damage to the TV.
Be careful not to subject the TV to shock during installation.
If the TV is exposed to shock, it may fall or break apart. This may cause injury.
Be sure to install the TV on a wall that is both perpendicular and flat.
If you fail to do so, the TV may fall and cause injury.
After proper installation of the TV, secure the cables properly.
If people or objects get tangled with cables, this may result in injury or damage to the TV.
Do not allow the mains lead or the connecting cable to be pinched.
If the mains lead or the connecting cable is pinched between the unit and the wall or is bent or twisted by force, the internal conductors may become exposed and cause a short circuit or an electrical break. This may cause a fire or an electric shock.

The screws needed to secure the Wall-Mount Bracket to the wall are not supplied.
Use the appropriate screws for the wall material and structure when mounting the Wall-Mount Bracket.
Table of Contents
Preparing for installation....5
Checking the parts....5
Deciding on the installation location ...... 6
Installing the Base on the wall 8
Preparing for the installation of the TV....9
KD-85/75XG85□□, KD-75XG87□□ 9
KD-65/55XG87□□, KD-65/55XG85□□....11
Installing the TV on the wall....13
KD-85/75XG85□□, KD-75XG87□□ ....13
KD-65/55XG87□□, KD-65/55XG85□□....15
Confirming the completion of the installation ....18
Other information....18
Specifications....18
Installing the TV onto the wall
Installation procedure differs, depending on your TV.
Use the Wall-Mount Bracket SU-WL450 to install the TV to the wall.
Note
- Be sure to store the removed screws in a safe place, keeping them away from children.
Preparing for installation
- Have the TV's Reference Guide and Setup Guide at hand before installation.
- Be sure to have a Phillips screwdriver that fits the screws prior to the assembly.
- Confirm the installing position of your TV.
- Prepare four or more screws of 8 mm diameter and one screw of 5 mm or equivalent (not supplied). Select screws suitable for the material of the wall.
Checking the parts
Supplied with SU-WL450
- Verify that all the parts are included.
A Base (20) (1) B Pulley (2)![]() | ![]() |
C PSW 6x20 (4) D PSW 4x20 with Bush (2)![]() | ![]() |
E Spacer (20) (2) F Belt (1)![]() | ![]() |
G Bush (20) (M4) (2) H PSW 4x20 (2)![]() | ![]() |
I Base Adaptor (2) J PSW 4x10 (8)![]() | ![]() |
K Spacer (60) (2) L PSW 6x50 (2)![]() | ![]() |
M Bush (M4) (2) N PSW 4x50 (2)![]() | ![]() |
Deciding on the installation location
1 Decide on the installation location.
Make sure that the wall has enough space for the TV and is capable of supporting a weight of at least four times that of the TV.
Refer to the following table on installing the TV to the wall. Refer to your TV's Reference Guide for the TV's weight.
Standard mounting Slim mounting

text_image
a b 80 c d e d eScreen centre point
Unit: mm
| Model Name | Display dimensions | Screen centre dimension | Length for mounting | |||
| a | b | c | d | e | ||
| Standard mounting | Slim mounting | |||||
| KD-85XG85□□ | 1,909 | 1,097 | 251 | 803 | 142 | 100 |
| KD-75XG87□□KD-75XG85□□ | 1,673 | 963 | 107 | 595 | 116 | 75 |
| KD-65XG87□□KD-65XG85□□ | 1,450 | 836 | 99 | 523 | 115 | 73 |
| KD-55XG87□□KD-55XG85□□ | 1,231 | 713 | 106 | 468 | 115 | 73 |
Note
- Figures in the table may differ slightly depending on the installation.
- When your TV is installed on the wall, the upper side of the TV slightly leans forward.
Allow for suitable clearance between the TV and the ceiling and protruding parts of the wall as shown below.
Unit: mm

text_image
300100 100 100• To ensure proper ventilation and prevent the collection of dirt or dust:
— Do not lay the TV set flat, install upside down, backwards, or sideways.
— Do not place the TV set on a shelf, rug, bed or in a closet.
— Do not cover the TV set with a cloth, such as curtains, or items such as newspapers, etc.
— Do not install the TV set as shown below.
Air circulation is blocked.

text_image
WallNote
- If you intend to route the cables in the wall, make a hole in the wall to insert the cables before beginning the installation.
To prevent pinching the cables, prepare a hole in the wall somewhere outside the perimeter of the Base (20) Ⓐ, Base Adaptor ① and Spacer (20) Ⓔ, Spacer (60) Ⓗ.
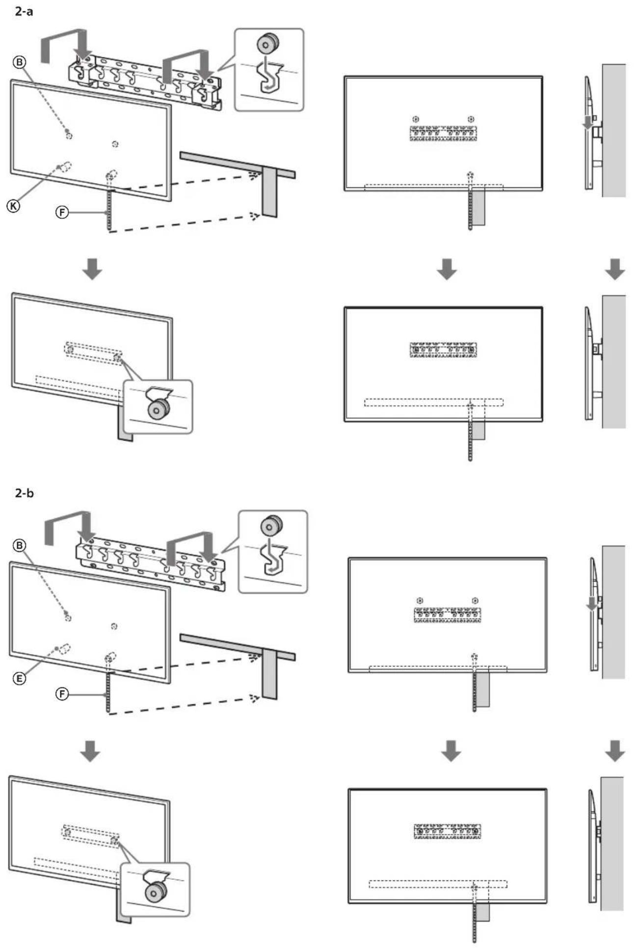
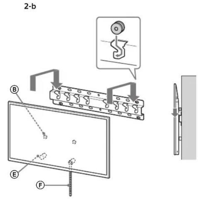
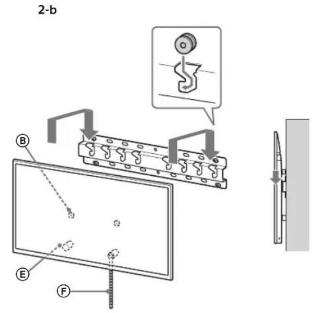
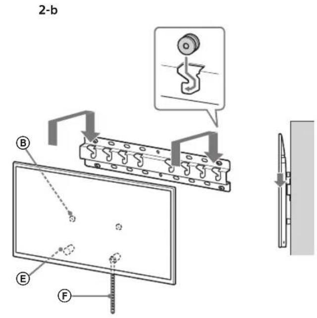
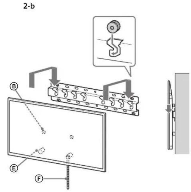
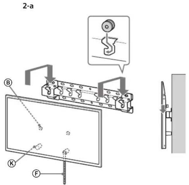
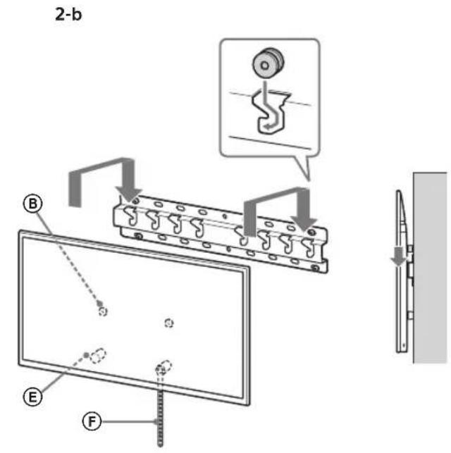
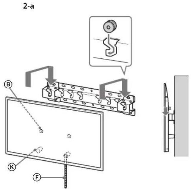
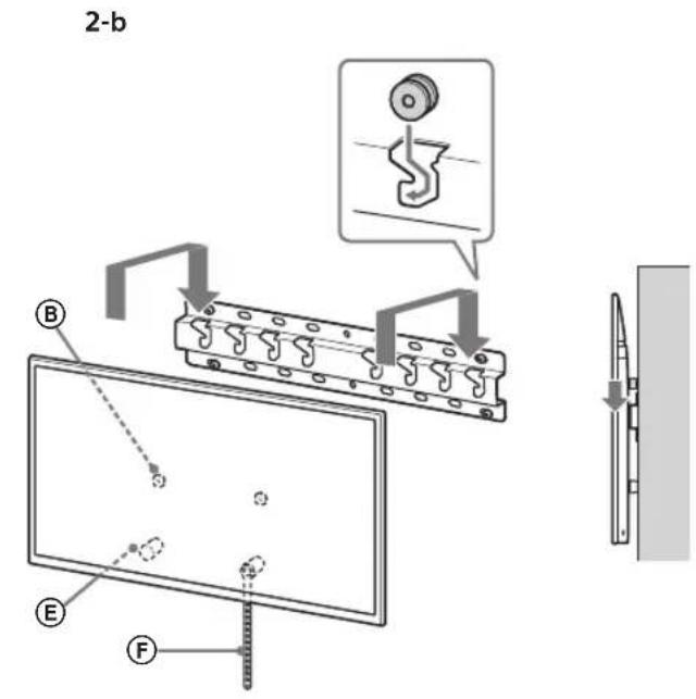
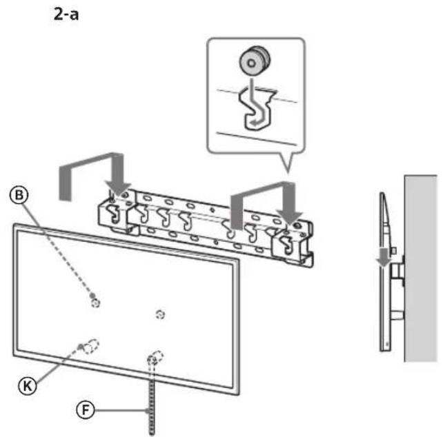
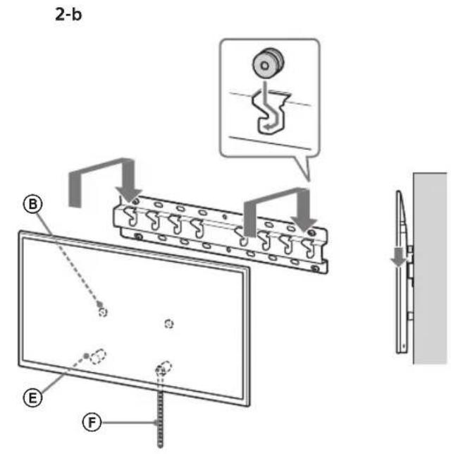
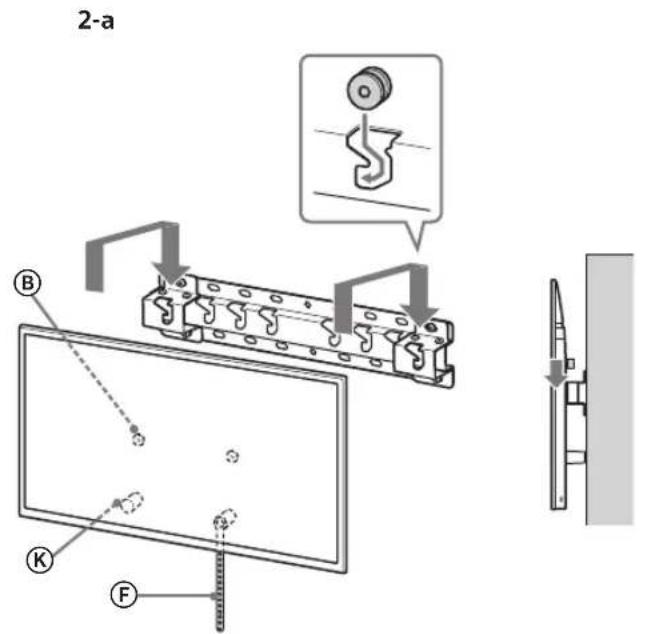
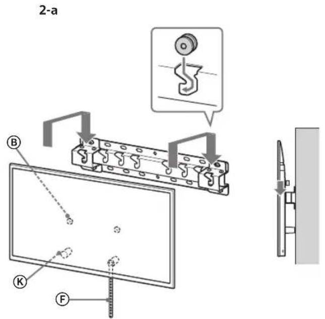
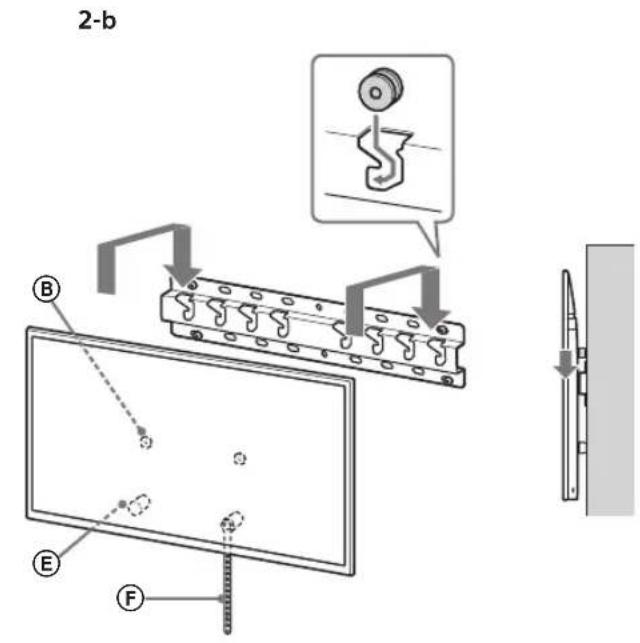
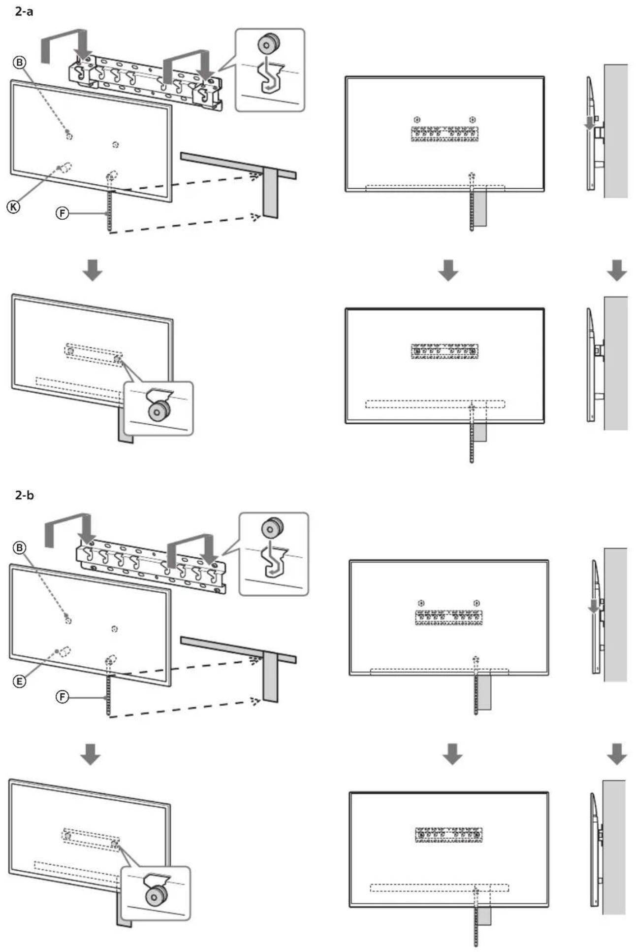
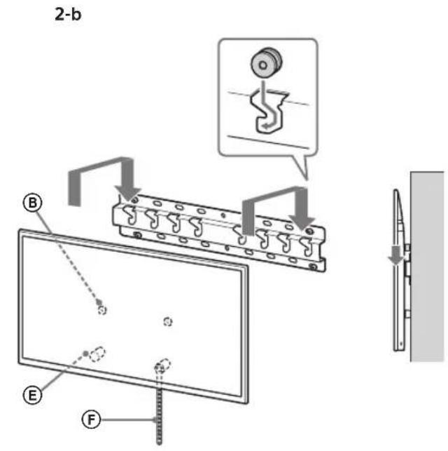
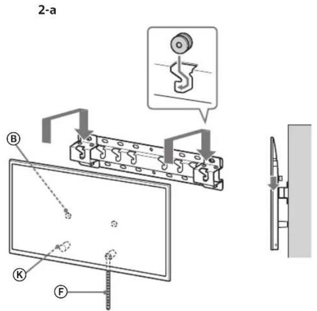
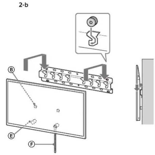
2 Select Wall mounting style. It is selectable as shown below.
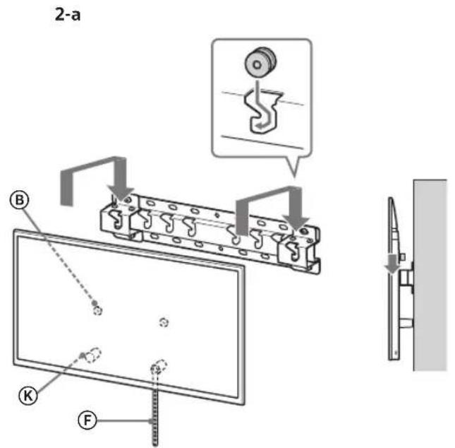
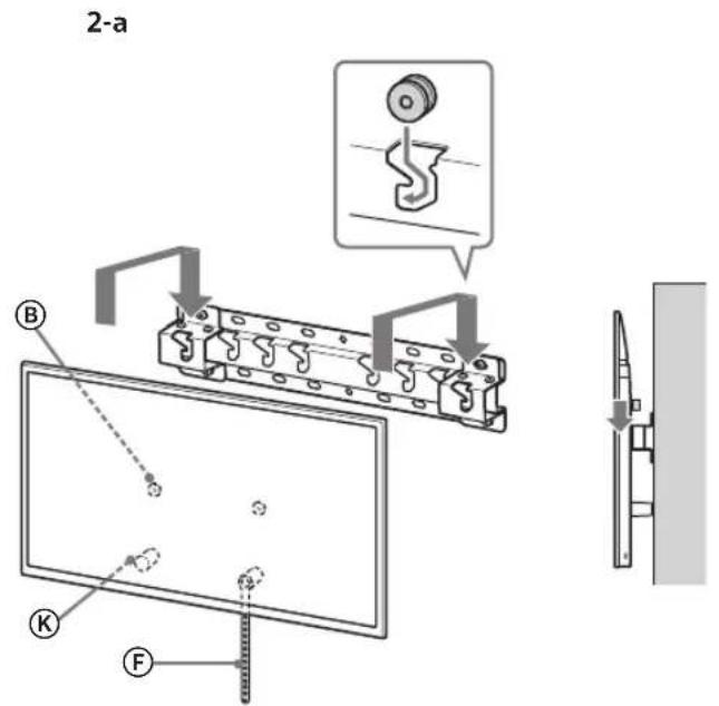
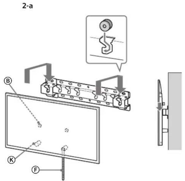
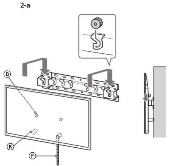
2-a Standard mount
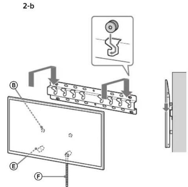
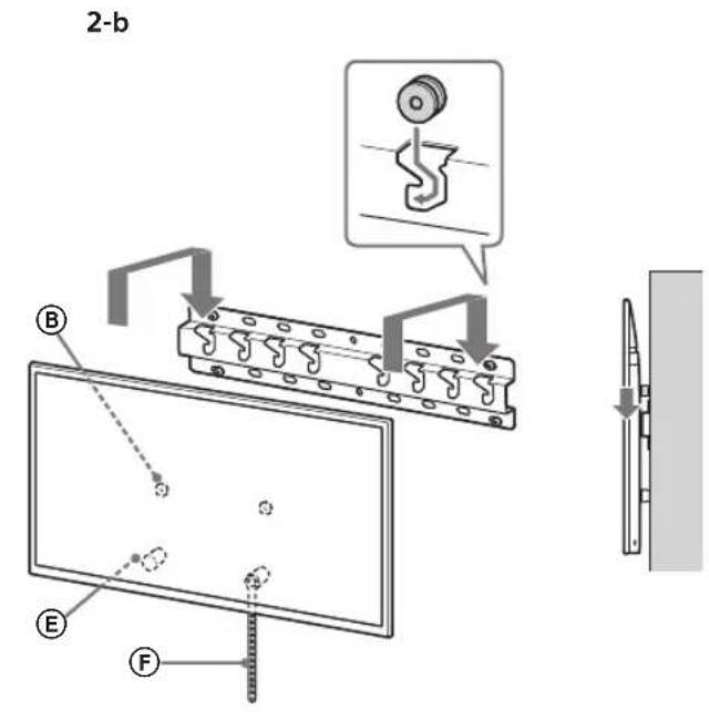
2-b Slim mount
Refer to the table of step 1.
WARNING
- When 2-b is selected, rear terminal access is limited.

text_image
2-a 2-b3 Refer to the below table about the Base Adaptor fitting location. In case of selecting 2-b, then skip this step.
| Model Name Hook location | |
| KD-85XG85□□ | |
| KD-75XG87□□ | a |
| KD-75XG85□□ | |
| KD-65XG87□□ | |
| KD-65XG85□□ | b |
| KD-55XG87□□ | |
| KD-55XG85□□ | |

text_image
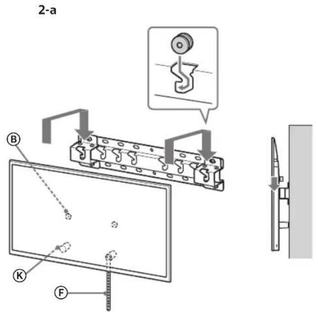
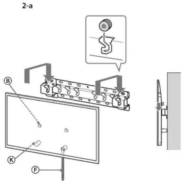
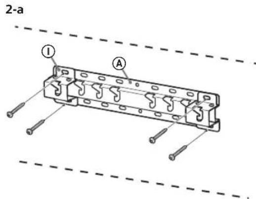
a b c dFit Base Adaptor ① by using Screw (PSW 4x10) ② to Base (20) ③ when selecting 2-a.

text_image
Technical diagram of a mechanical or electrical component with labeled parts and connectors4 Decide the positions of the screws for installing the Base (20) Ⓐ.
Refer to the specifications on page 18. When selecting 2-a, please use the hole positions of Base Adaptor ①.
WARNING
- The wall that the TV will be mounted on should be able to support a weight of at least four times that of the TV (Refer to your TV's Reference Guide for its weight.).
- Determine the strength of the wall the TV will be mounted on. Reinforce the wall sufficiently, if necessary.
Installing the Base on the wall
- Use four or more screws of 8 mm diameter or equivalent (not supplied).
- Fit four screws to the holes of Base Adaptor ① with Base (20) Ⓐ (2-a only).
• Install the Base (20) Ⓐ on the wall horizontally.

text_image
2-a ① A
text_image
2-b APreparing for the installation of the TV
Refer to the Setup Guide for stand installation.
KD-85/75XG85□□, KD-75XG87□□
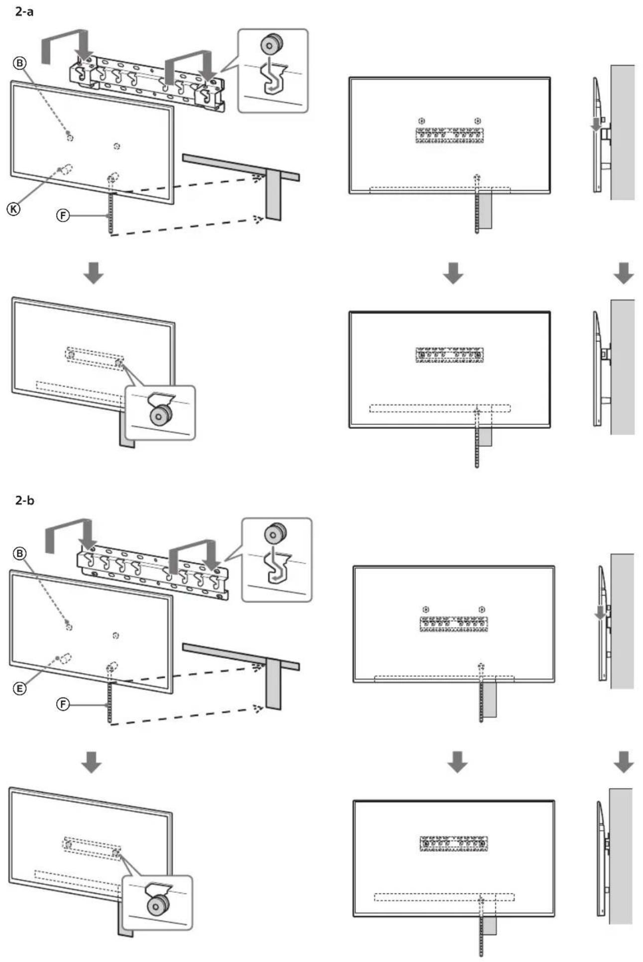
1 Mark the installation location on the wall.
- Use masking tape, etc. (not supplied) to mark the location of the TV near the Base or Base Adaptor. Refer to the following table.

text_image
Screen centre point Masking tape (1,000) (300) a b d c| Unit: mm | |||
| Model Name | Length for marking | Screen centre dimension | |
| a | b | c | |
KD-85XG85□□ 1,909 683 200 251
KD-75XG87□□ 1,673 468 200 107 KD-75XG85□□
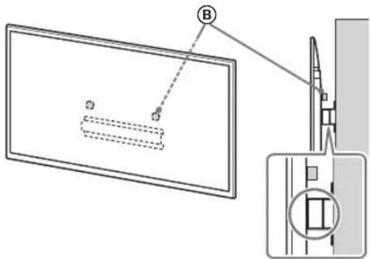
2 Remove the screws from the rear of the TV.

flowchart
graph TD
A["1×2"] --> B["Device"]
C["2×2"] --> B
B --> D["Device"]
style A fill:#f9f,stroke:#333
style C fill:#f9f,stroke:#333
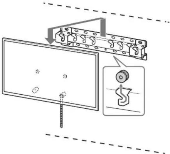
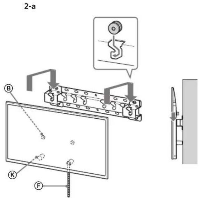
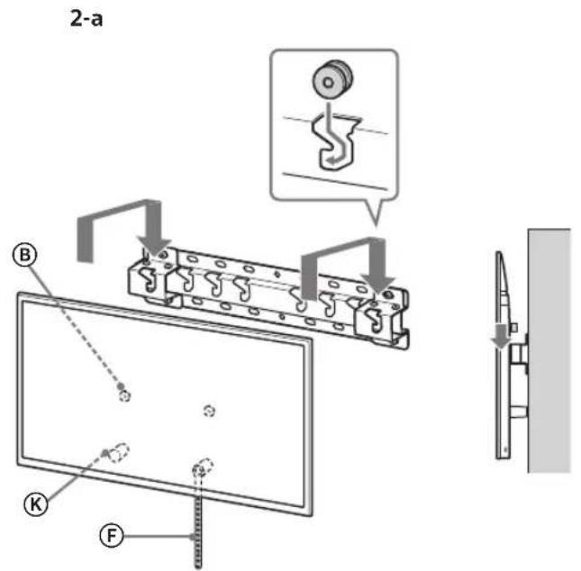
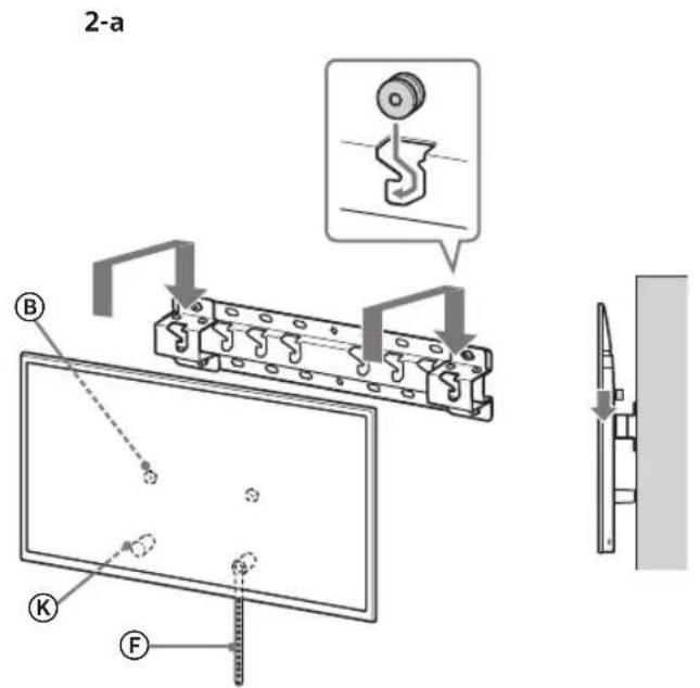
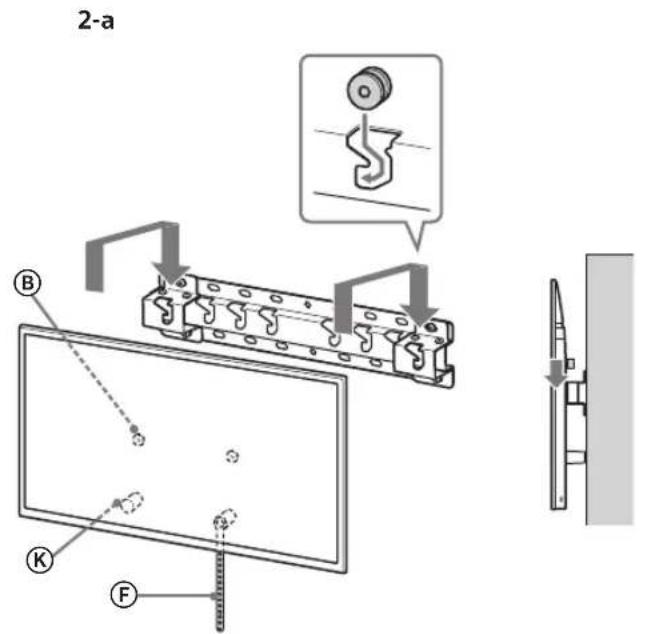
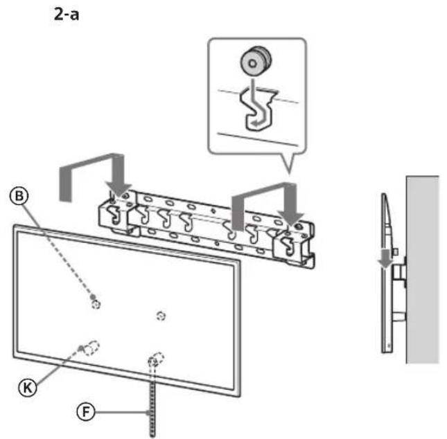
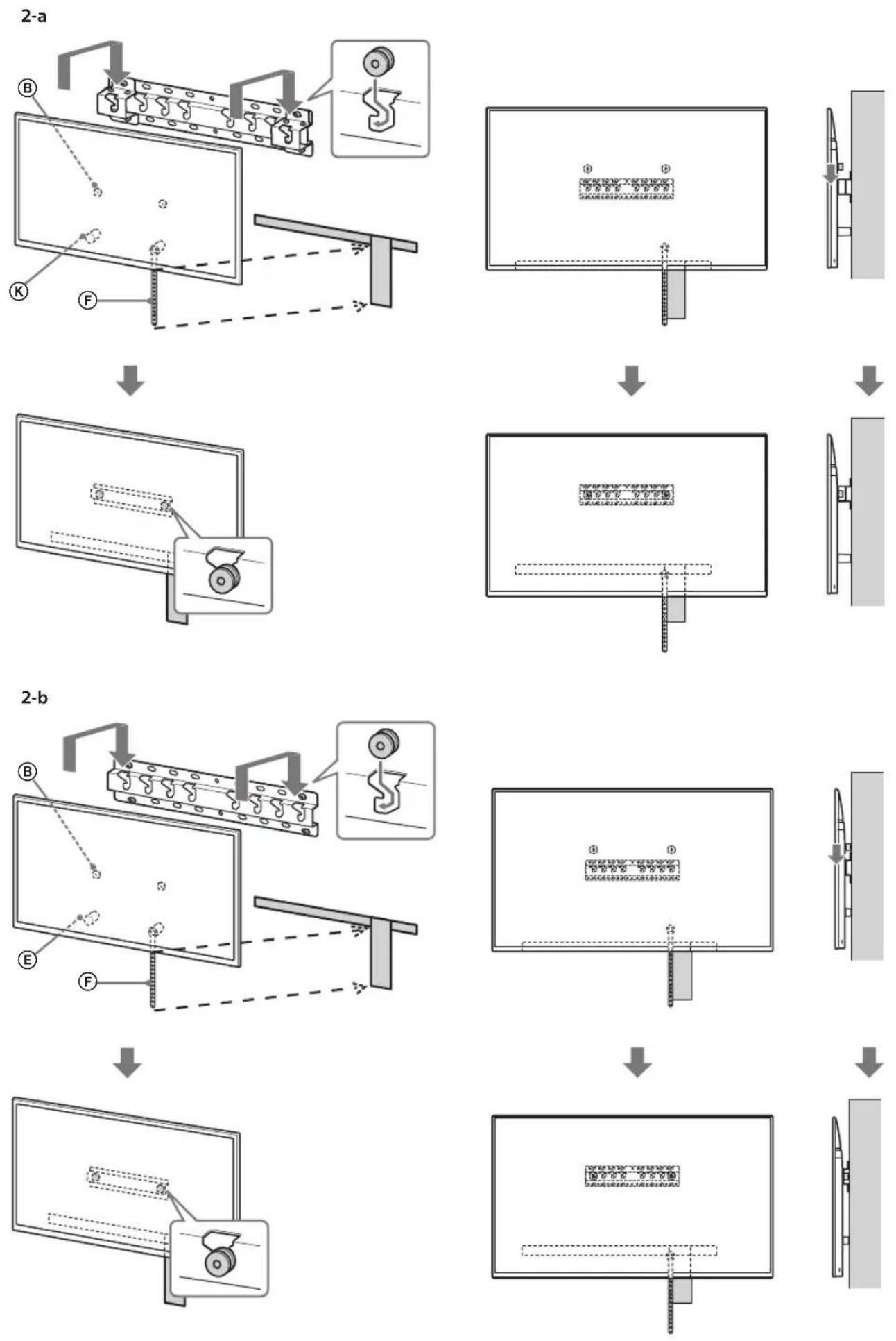
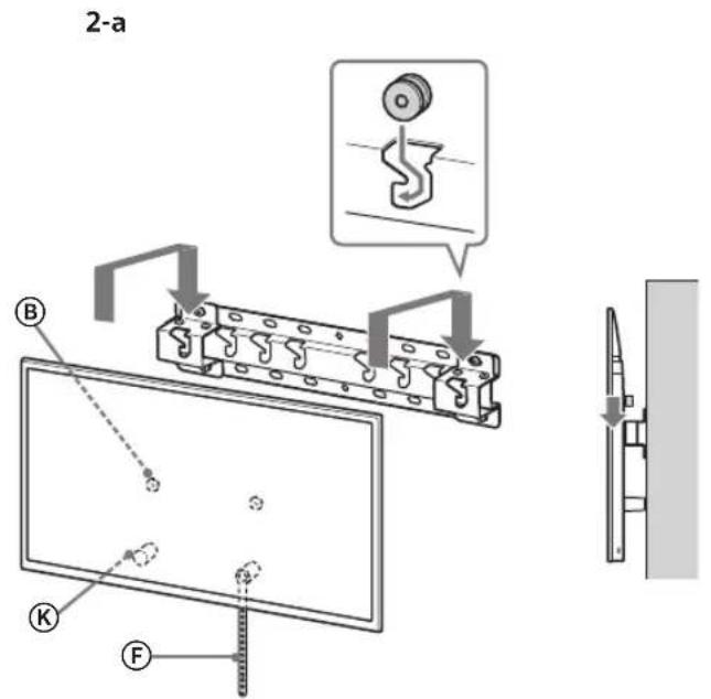
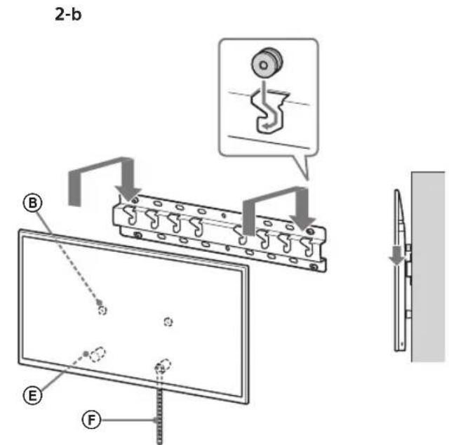
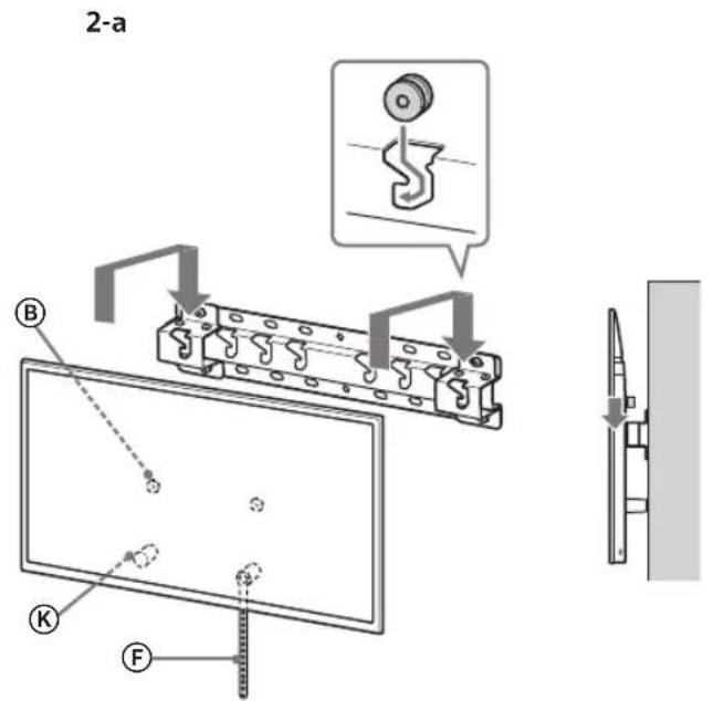
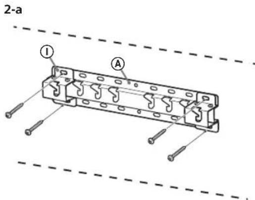
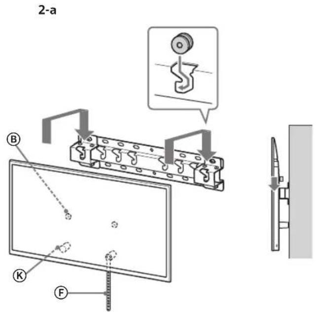
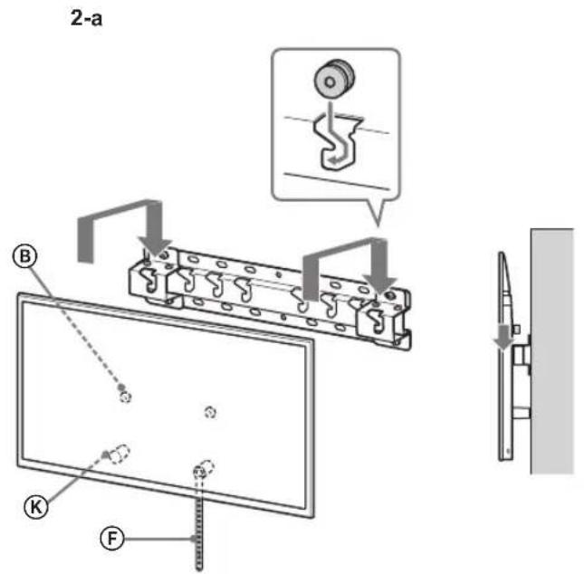
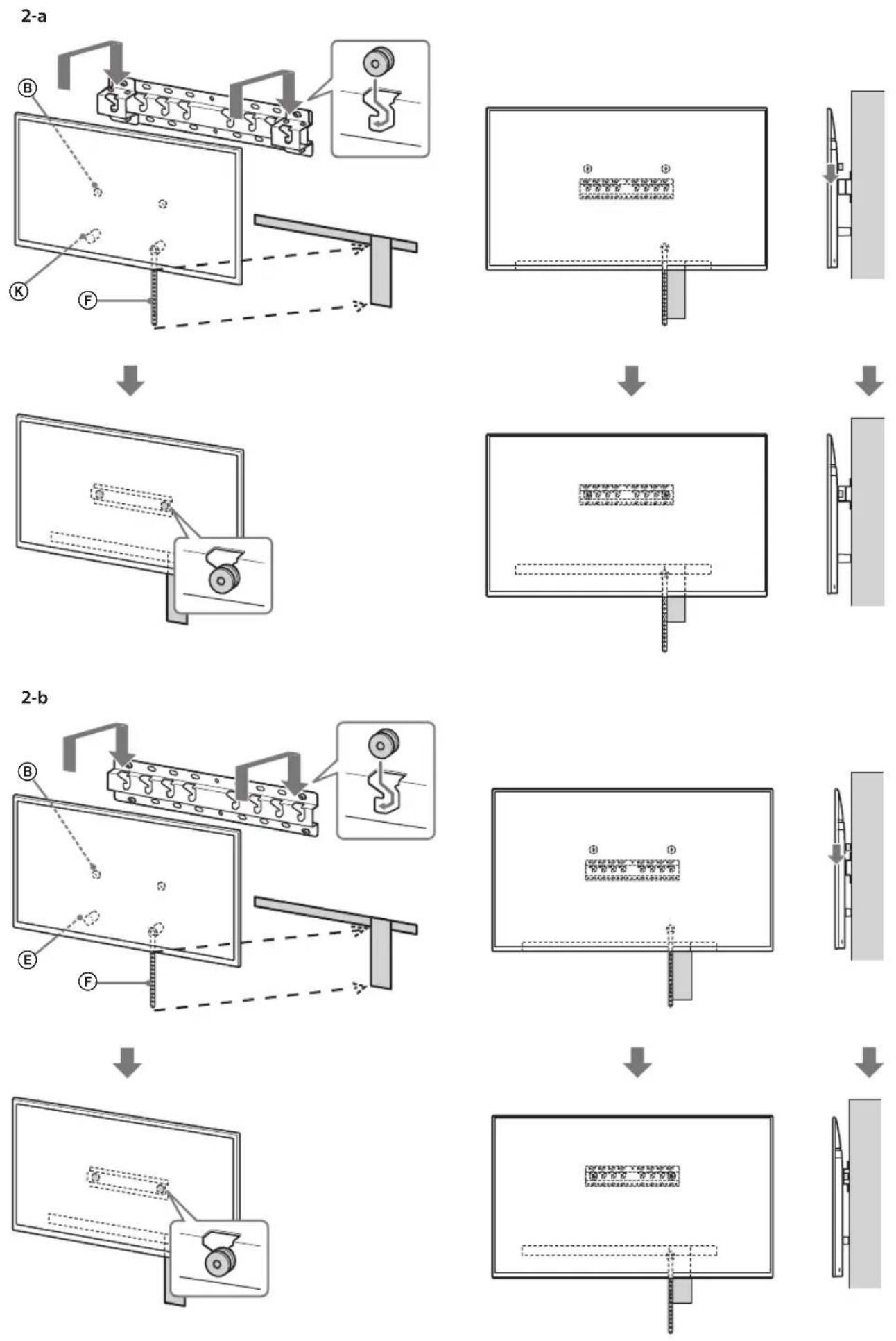
3 Attach the Attachment parts for Wall-Mount Bracket. Check the Attachment parts by referring to "Supplied with SU-WL450" in "Checking the parts" on page 5.
Note
- Firmly secure the Attachment parts using screws.
- When using an electric screwdriver, set the torque setting to approximately 1.5 N·m {15 kgf·cm}.
- Be sure to store the used or unused parts in a safe place for future use. Retain this manual for future reference.
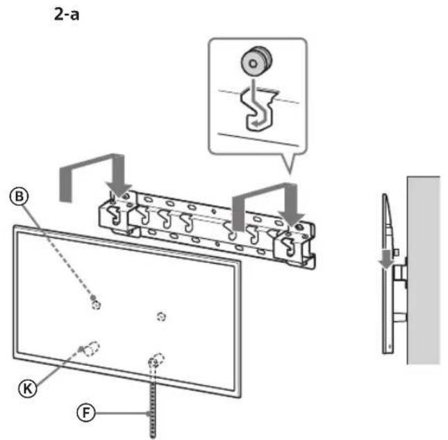
Standard mounting (2-a)

text_image
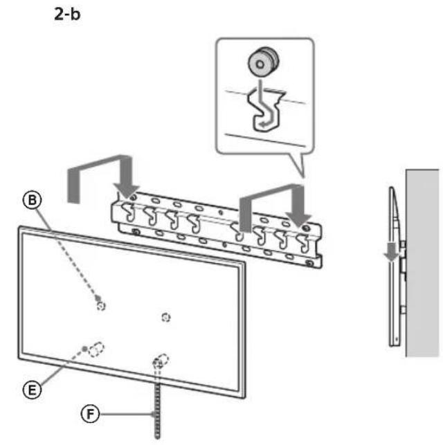
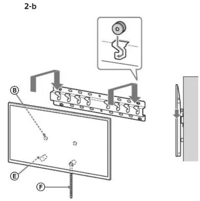
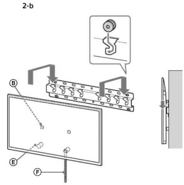
Pulley Ⓑ Screw (+PSW 6 x 20) Ⓓ Spacer (60 mm) Ⓔ Belt Ⓕ Screw (+PSW 6 x 50) ⒿSlim mounting (2-b)
Note
- You cannot use some of the terminals on the rear of the TV when using this mounting style.

natural_image
Diagram of a refrigerator with a prohibition symbol (no text or labels)
text_image
Pulley Ⓑ Spacer (20 mm) Belt Ⓕ Screw (+PSW 6 x 20) Ⓒ4 Connect the necessary cable(s) to the TV.
Make sure to connect the cables before installing the TV on the wall. You will be unable to connect the cables when the TV is installed.
Refer to the Reference Guide supplied with your TV.
Note
- Subcontract the cable routing in the wall to a licensed contractor.
- Bundle the connecting cables to prevent stepping on them before wall mounting.
5 Detach the Table-Top Stand from the TV.
- Remove one side of the Table-Top Stand at a time. Firmly hold the Table-Top Stand securely with both hands while the other people lift up the TV.
KD-85XG85□□

text_image
Diagram illustrating a mechanical repair or cleaning procedure with workers installing components and a warning sign indicating hazard.KD-75XG87□□, KD-75XG85□□

text_image
Technical diagram showing installation steps for a device, including hand positioning and safety warning symbol- Repeat the previous step and remove the other side of the Table-Top Stand.
Note
- Three or more people are required to detach the Table-Top Stand.
- Be careful not to use excessive force while detaching the Table-Top Stand from the TV as it may cause the TV set to fall resulting in personal injury or physical damage to the TV.
• Take care when handling the Table-Top Stand to prevent damage to the TV. - Be careful when lifting the TV as the Table-Top Stand is detached, the Table-Top Stand may topple over and cause personal injury.
• Take care when removing the Table-Top Stand from the TV to prevent it from falling over and damaging the surface that the TV is sitting on.
KD-65/55XG87□□,
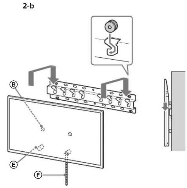
KD-65/55XG85□□
1 Remove the screws from the rear of the TV.

text_image
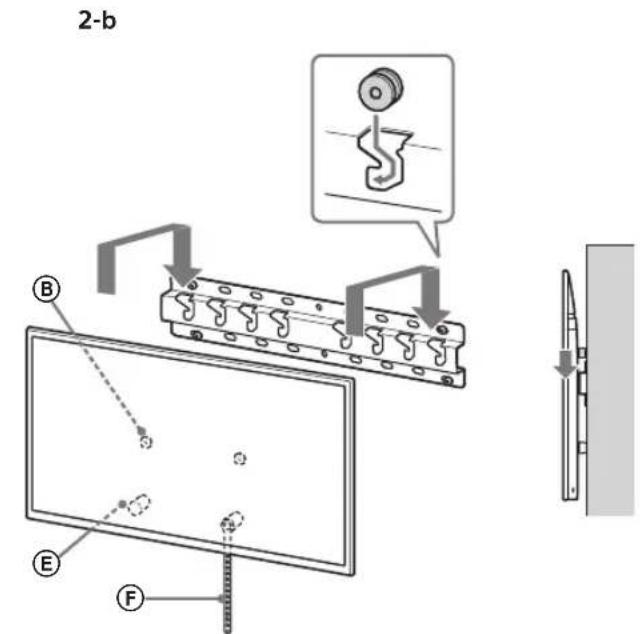
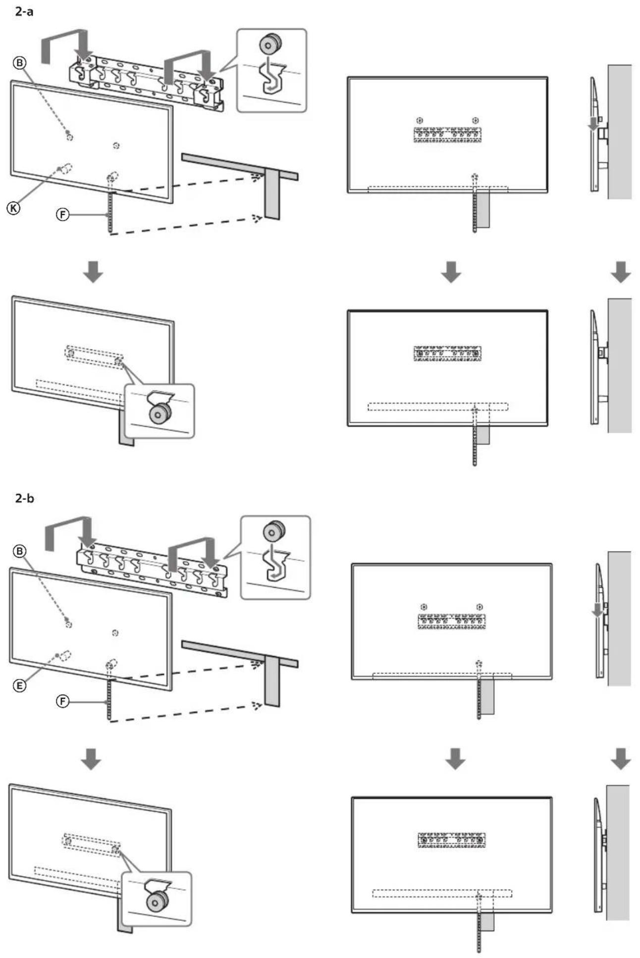
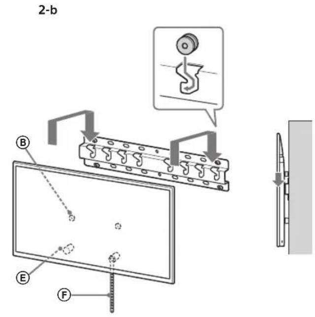
1×2 2×22 Attach the Attachment parts for Wall-Mount Bracket. Check the Attachment parts by referring to "Supplied with SU-WL450" in "Checking the parts" on page 5.
Note
- Firmly secure the Attachment parts using screws.
- When using an electric screwdriver, set the torque setting to approximately 1.5 N·m {15 kgf·cm}.
- Be sure to store the used or unused parts in a safe place for future use. Retain this manual for future reference.
Standard mounting (2-a)

text_image
Pulley Ⓑ Screw (+PSW 6 x 20) Ⓓ Spacer (60 mm) Ⓔ Belt Ⓕ Screw (+PSW 6 x 50) ⒲Slim mounting (2-b)
Note
- You cannot use some of the terminals on the rear of the TV when using this mounting style.

natural_image
Diagram showing a door with a rectangular opening and a prohibition symbol (no text or labels)
text_image
Pulley Ⓑ Spacer (20 mm) Belt Ⓕ Screw (+PSW 6 x 20) Ⓒ3 Connect the necessary cable(s) to the TV.
Make sure to connect the cables before installing the TV on the wall. You will be unable to connect the cables when the TV is installed.
Refer to the Reference Guide supplied with your TV.
Note
- Subcontract the cable routing in the wall to a licensed contractor.
- Bundle the connecting cables to prevent stepping on them before wall mounting.
4 Detach the Table-Top Stand from the TV.
- Remove one side of the Table-Top Stand at a time. Firmly hold the Table-Top Stand securely with both hands while the other people lift up the TV.

text_image
Technical diagram showing installation procedure with workers installing a device and a hand holding a tool, accompanied by safety warning symbols.- Repeat the previous step and remove the other side of the Table-Top Stand.
Note
- Three or more people are required to detach the Table-Top Stand.
- Be careful not to use excessive force while detaching the Table-Top Stand from the TV as it may cause the TV set to fall resulting in personal injury or physical damage to the TV.
• Take care when handling the Table-Top Stand to prevent damage to the TV.
- Be careful when lifting the TV as the Table-Top Stand is detached, the Table-Top Stand may topple over and cause personal injury.
• Take care when removing the Table-Top Stand from the TV to prevent it from falling over and damaging the surface that the TV is sitting on.
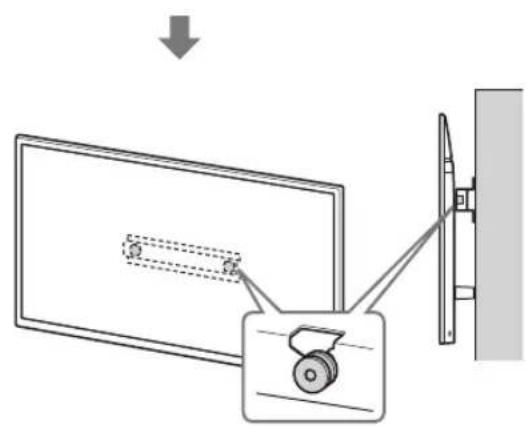
Installing the TV on the wall
KD-85/75XG85□□, KD-75XG87□□
1 Lift the TV.
- For the location of the Pulleys Ⓑ to the hang on the Base or Base Adaptor, refer to the table of step 3 in "Deciding on the installation location" on page 7.
- Make sure that the rear of the TV touches the Base or Base Adaptor when holding the TV.
Note
- Hold the TV securely with both hands and make sure the Belt Ⓔ and the bottom of the TV align with the masking tape.
- Carry the TV with three people and the person who is in front of the TV leads the others to adjust the position.

natural_image
Illustration of three people lifting a large object with a ruler, no text or symbols present• Take great care when installing the TV to the wall especially for the person who is supporting the TV from below, the television set may fall, causing serious bodily injury or even death.

text_image
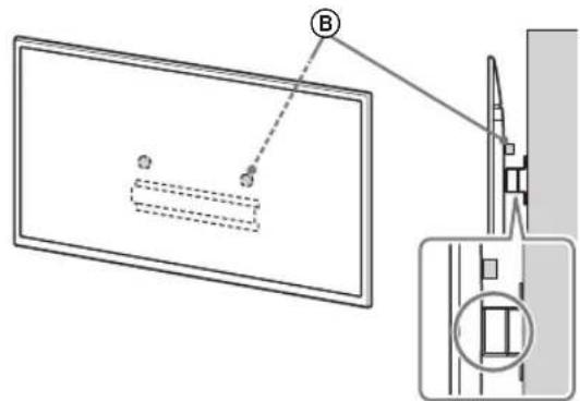
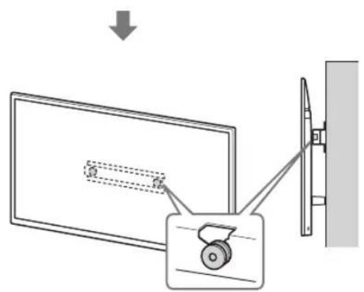
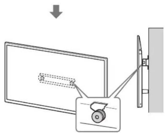
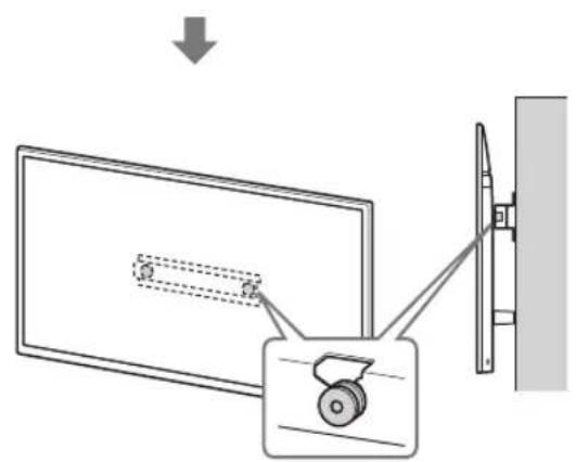
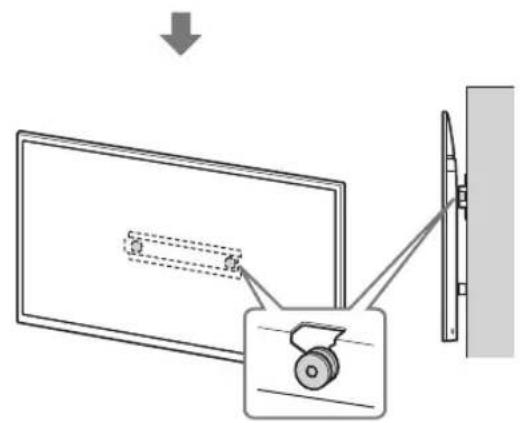
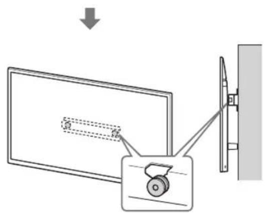
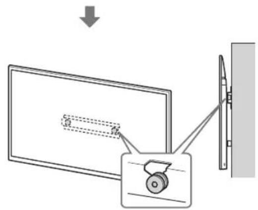
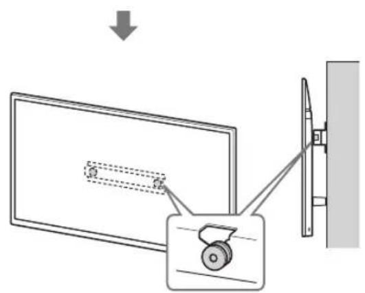
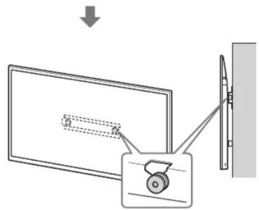
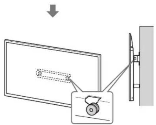
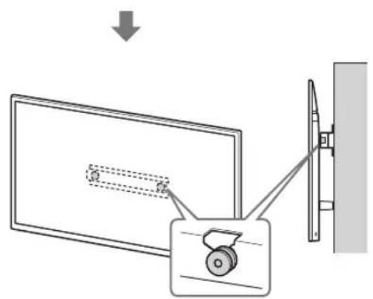
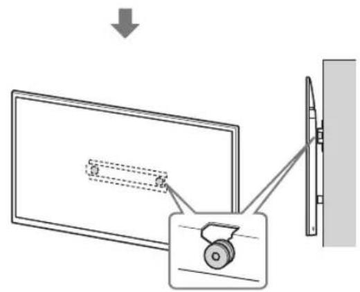
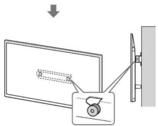
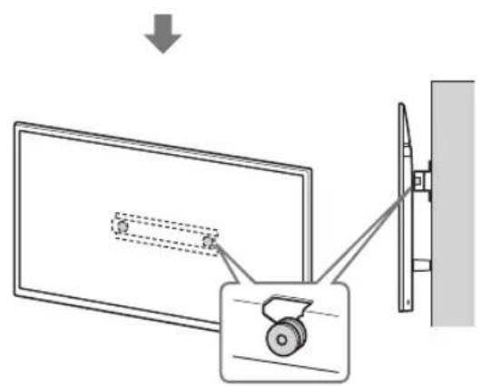
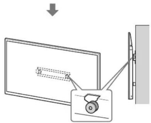
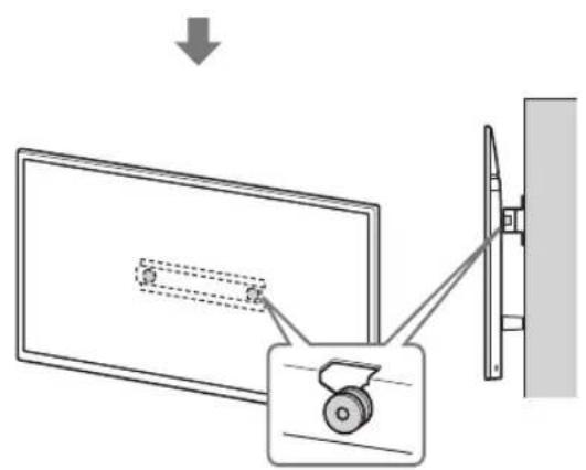
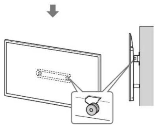
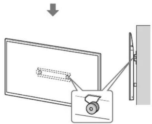
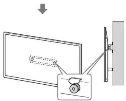
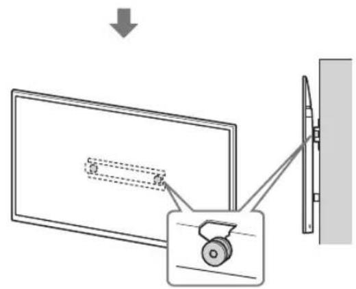
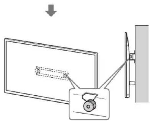
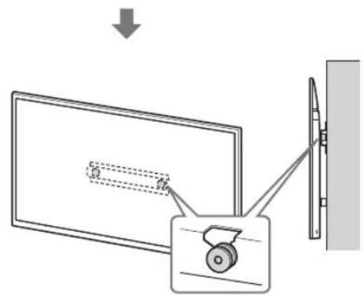
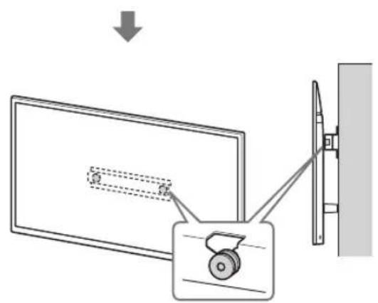
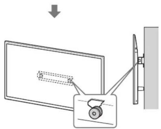
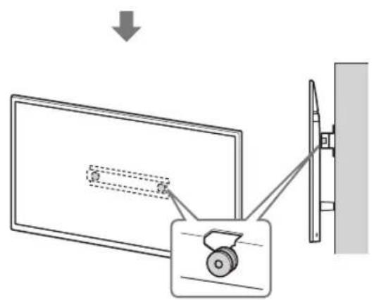
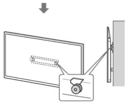
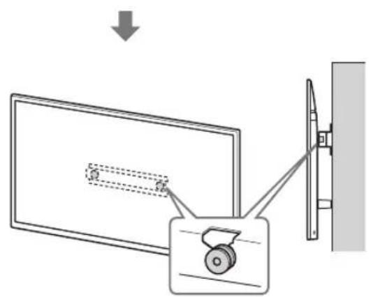
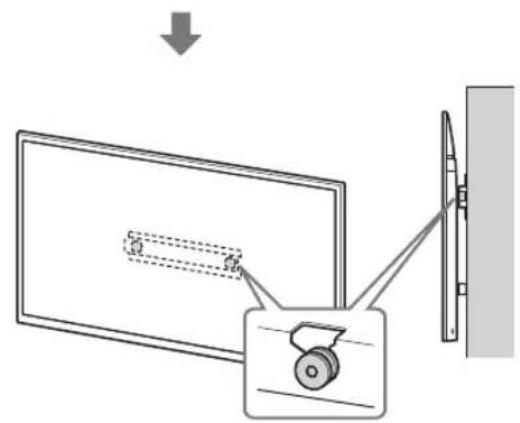
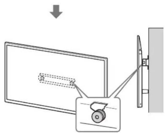
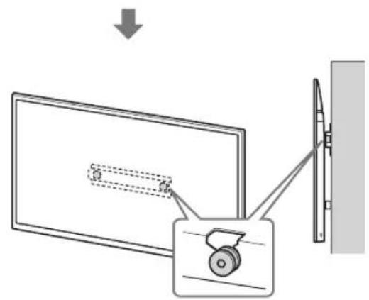
Technical diagram showing a monitor with labeled components (A, B, C, D, E) and a close-up view of the device's front panel.2 Install the TV onto the Base or Base Adaptor.
- Gently slide down the TV and hang the Pulleys ⑧ attached to the rear of the TV to the Base or Base Adaptor, making sure to confirm the shape of the holes.
- After installing the TV on the wall, confirm the Pulleys ® are firmly latched into the Base or Base Adaptor.
- Release both hands slowly to ensure that the TV does not fall.

natural_image
Simple line drawing of a rectangular frame with a dashed rectangle and a starburst shape at the bottom (no text or symbols)• After installing the TV on the wall, remove the masking tape, etc. from the wall.

WARNING
- Be sure that two or more persons (three or more persons for 75 inches and above TV set) hold the TV when carrying it.

text_image
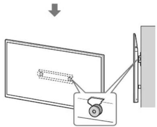
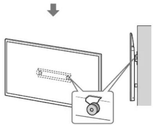
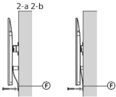
Safety warning illustration showing hand protection and safety symbols with pictograms of human figures carrying safety circles.3 Preventing the bottom of the TV from shifting.
- Take up the slack of Belt Ⓔ and attach it to the wall tightly.

text_image
2-a 2-b I F F- Use a 5 mm diameter screw or equivalent (not supplied).
Note
- Try to pull the bottom of the TV towards yourself slightly, to make sure that it does not move forward. If there is any movement, it is not fixed correctly, and the Belt ⑤ should be secured firmly again.
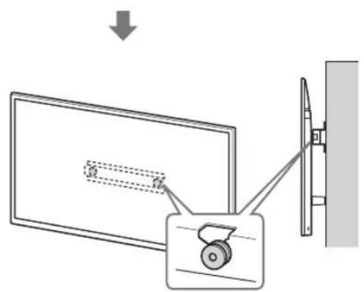
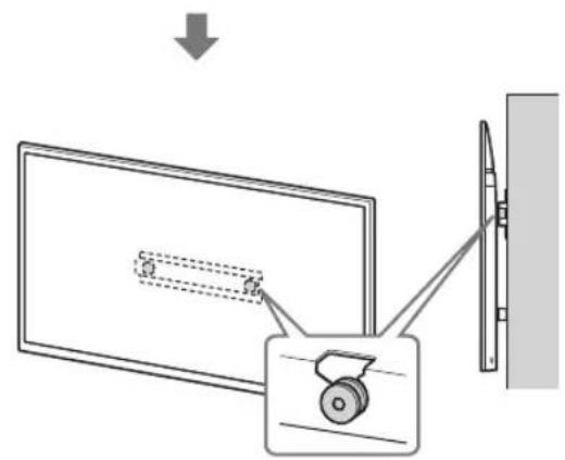
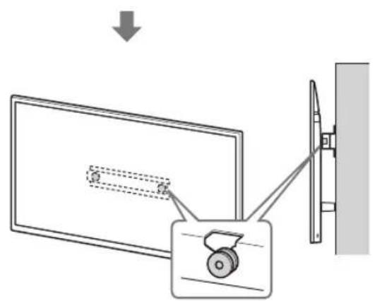
KD-65/55XG87□□, KD-65/55XG85□□
1 Lift the TV.
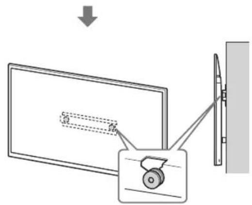
- For the location of the Pulleys Ⓑ to the hang on the Base or Base Adaptor, refer to the table of step 3 in "Deciding on the installation location" on page 7. - Make sure that the rear of the TV touches the Base or Base Adaptor when holding the TV.

text_image
Technical diagram showing a monitor with labeled components and an inset view of a mechanical component with a circular detail.Note
- Hold the TV securely with both hands.
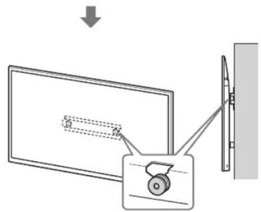
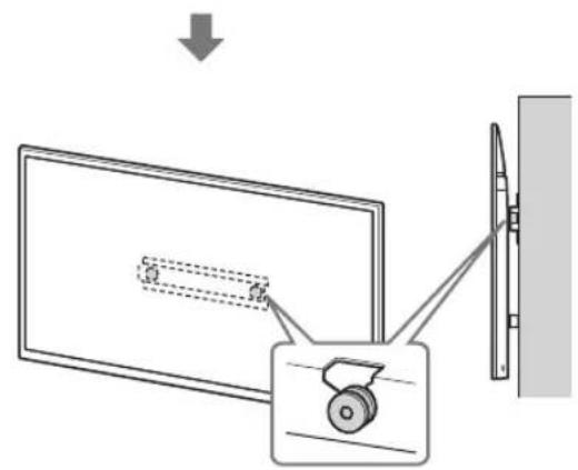
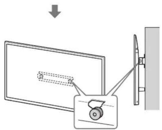
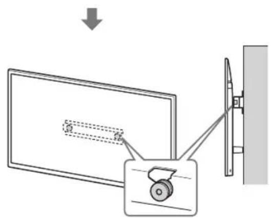
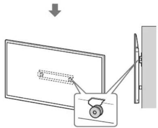
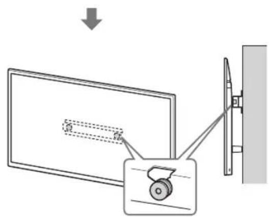
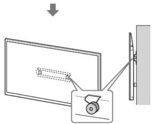
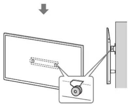
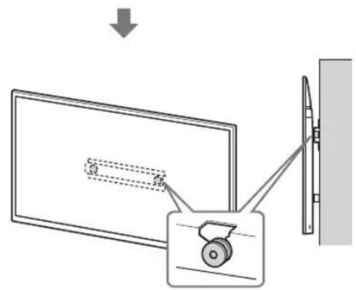
2 Install the TV onto the Base or Base Adaptor.
- Gently slide down the TV and hang the Pulleys Ⓑ attached to the rear of the TV to the Base or Base Adaptor, making sure to confirm the shape of the holes.
- After installing the TV on the wall, confirm the Pulleys Ⓑ are firmly latched into the Base or Base Adaptor.
- Release both hands slowly to ensure that the TV does not fall.

natural_image
Simple line drawing of a rectangular frame with a small rectangular object and a starburst shape at the bottom (no text or symbols)
text_image
2-a B K F
text_image
2-b B E F
text_image
Diagram showing a monitor with a slide and a scroll, connected to a wall-mounted device, with an arrow indicating direction of motion.
text_image
Diagram showing a monitor with a slide and a scroll wheel, connected to a wall-mounted device with an arrow indicating direction.WARNING
- Be sure that two or more persons (three or more persons for 75 inches and above TV set) hold the TV when carrying it.

text_image
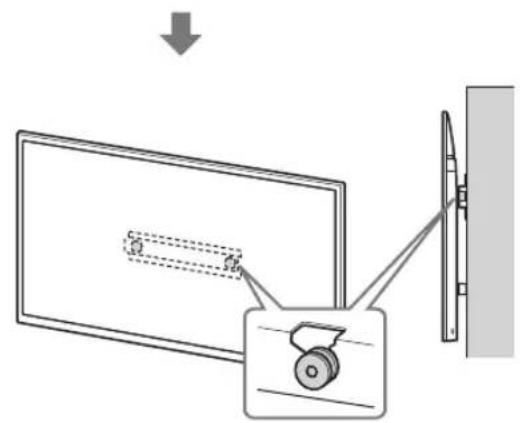
Safety instruction diagram showing hand protection and warning symbols for installing a panel, with two human silhouettes below.3 Preventing the bottom of the TV from shifting.
- Take up the slack of Belt Ⓔ and attach it to the wall tightly.

text_image
2-a 2-b F F- Use a 5 mm diameter screw or equivalent (not supplied).
Note
- Try to pull the bottom of the TV towards yourself slightly, to make sure that it does not move forward. If there is any movement, it is not fixed correctly, and the Belt ⑤ should be secured firmly again.
Confirming the completion of the installation
Check the following points.
- The Pulleys Ⓑ are firmly hung onto the Base or Base Adaptor.
- The cord and the cable are not twisted or pinched.
- The Belt Ⓕ is tight with no slack.
WARNING
- Improper placement of the mains lead, etc. may cause fire or electric shock through a short circuit. Be sure to confirm the completion of the installation for safety.
Other information
When removing the TV, reverse the previous installation procedure.

text_image
Technical diagram showing a mechanical assembly with labeled components and a close-up of a gear mechanism.WARNING
- Be sure that two or more persons (three or more persons for 75 inches and above TV set) hold the TV when removing it.
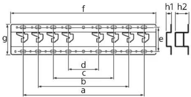
Specifications

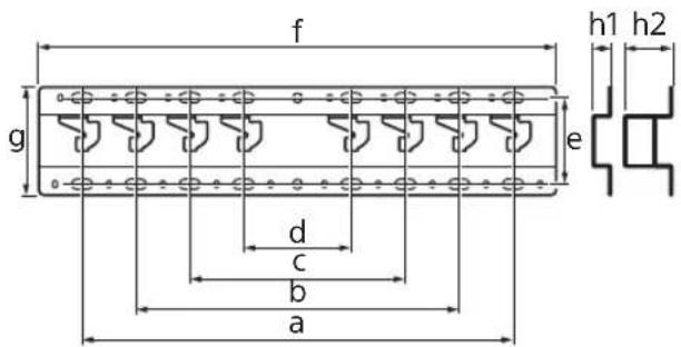
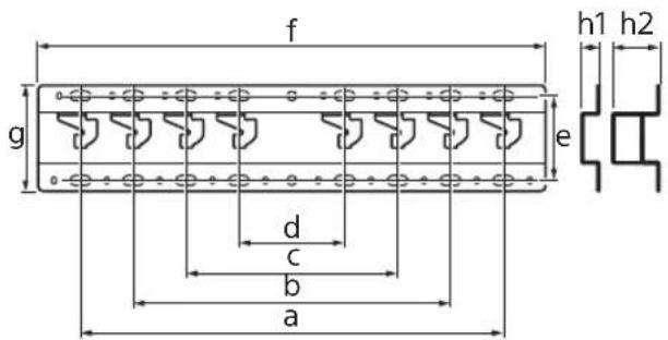
text_image
f g e h1 h2 d c b aDimensions: (Approx.) [mm]
a : 400
b : 300
c : 200
d : 100
e : 80
f : 480
g : 100
h1 : 20 (case 2-b)
h2 : 60 (case 2-a)
Weight (base only): (Approx.) [kg]
0.8
Design and specifications are subject to change without notice.
text_image
Technical diagram of a mechanical or electrical component with labeled parts and connectorsnatural_image
Diagram of a refrigerator with a prohibition symbol (no text or labels)
text_image
Poulie Ⓑ Entretoise (20 mm) Ⓔ Courroie Vis (+PSW 6 x 20) Ⓔtext_image
Diagram illustrating car maintenance and safety inspection steps, showing workers installing a vehicle with a valve and warning symbol.KD-75XG87□□, KD-75XG85□□

text_image
Diagram illustrating a procedure for installing or adjusting a device, with hands performing maintenance and a warning symbol.text_image
Technical diagram showing installation procedure with workers installing a device and a hand holding a device with warning symbolnatural_image
Illustration of three figures lifting a large object with dashed lines indicating motion or alignment (no text or symbols)text_image
Diagram showing a monitor with labeled parts (A, B, C, D, E) and a close-up view of the front panel.natural_image
Simple line drawing of a rectangular frame with a dashed rectangle and a starburst shape at the bottom (no text or symbols)text_image
Safety warning illustration showing incorrect and correct hand actions for using a device, with silhouettes of people carrying safety symbols.text_image
Technical diagram showing a component labeled B pointing to a rectangular panel with internal structure and a magnified view of the component.Remarque
natural_image
Simple line drawing of a rectangular frame with a starburst shape and a dashed rectangle inside (no text or symbols)
text_image
2-a B K F
text_image
2-b B E F
text_image
Diagram showing a monitor with a slide and a scroll, connected to a wall-mounted device, with an arrow indicating direction of motion.
text_image
Diagram showing a monitor with a wheel and a wall-mounted device, illustrating the concept of viewing or projection.AVERTISSEMENT
text_image
Safety instruction diagram showing hand protection and warning symbols for installing a wall-mounted devicetext_image
Technical diagram showing a mechanical assembly with labeled components and a magnified inset showing a gear mechanism.AVERTISSEMENT
Dimensions : (Environ) [mm]
a : 400
b : 300
c : 200
d : 100
e : 80
f : 480
g : 100
h1 : 20 (cas 2-b)
h2 : 60 (cas 2-a)
text_image
Technical diagram of a mechanical or electrical component with labeled parts and mounting pointstext_image
Technical diagram of a mechanical component with labeled parts I and A, showing bolted connections and mounting holes.2-b

text_image
Technical diagram of a mechanical component with labeled parts and mounting holesnatural_image
Diagram showing a device with a prohibition symbol (no text or labels present)
text_image
Polea Ⓑ Separador (20 mm) Ⓔ Correa Ⓕ Tornillo (+PSW 6 x 20) Ⓒtext_image
Technical diagram showing two steps of installing a car air conditioner panel, with instructions and safety symbols.KD-75XG87□□, KD-75XG85□□

text_image
Diagram illustrating a repair or installation procedure with workers installing components and a warning symbol.text_image
Technical diagram showing two steps of installing or adjusting a device, with Chinese annotations and warning symbols.natural_image
Illustration of three people assembling a whiteboard with a ruler, no text or symbols presenttext_image
Technical diagram showing a monitor with labeled components A, B, and F, including a close-up view of the front panel.natural_image
Simple line drawing of a rectangular frame with a small rectangular cutout and a starburst shape at the bottom (no text or symbols)text_image
Illustration showing three human silhouettes carrying a barrier with safety symbols, including check, no sign, and foot icons.text_image
Diagram showing a monitor with labeled components and a close-up view of the screen's internal structure.Nota
natural_image
Simple line drawing of a rectangular frame with a small rectangular cutout and a starburst shape at the bottom (no text or symbols)
text_image
2-a B K F
text_image
2-b B E F
text_image
Diagram showing a monitor with a slide and a scroll, connected to a wall-mounted device, with an arrow indicating direction of motion.
text_image
Diagram showing a mechanical assembly with a pulley system and a downward arrow indicating motion or force direction.ADVERTENCIA
text_image
Safety instruction diagram showing hand protection and warning symbols for installing a wall-mounted devicetext_image
Technical diagram showing a mechanical assembly with labeled components and directional arrows indicating assembly steps.ADVERTENCIA
text_image
Technical diagram of a mechanical or electrical component with labeled parts and connectorsnatural_image
Diagram of a refrigerator with no visible text or symbols, including a prohibition symbol (no text or labels present)
text_image
Rolle Ⓑ Abstandshalter (20 mm) Ⓔ Gurt Ⓕ Schraube (+PSW 6 x 20) Ⓒtext_image
Technical diagram showing two steps of installing a car air conditioner panel, with one step indicating the installation and the other highlighting a warning symbol.KD-75XG87□□, KD-75XG85□□

text_image
Diagram illustrating a repair or installation procedure with workers installing components and a warning symbol.natural_image
Diagram of a device with a rectangular component and a prohibition symbol (no text or labels)
text_image
Rolle Ⓑ Abstandshalter (20 mm) Ⓔ Gurt Ⓕ Schraube (+PSW 6 x 20) Ⓓtext_image
Technical diagram showing two steps of installing or adjusting a device, with one step pointing to a warning symbol and the other to a hand holding a phone.natural_image
Illustration of three people lifting a large object with dashed lines indicating motion (no text or symbols)text_image
Diagram of a monitor setup with labeled components A, B, and F, showing internal structure and viewing interface.natural_image
Simple line drawing of a rectangular frame with a starburst shape at the bottom (no text or symbols)text_image
Safety warning illustration showing incorrect and correct hand actions for using a device, with silhouettes of people carrying safety symbols.text_image
Diagram showing a mechanical or structural component with force F applied to a vertical surface, indicated by an arrow.text_image
Technical diagram showing a component labeled B pointing to a rectangular panel with internal structure and a magnified view of the component.Hinweis
natural_image
Simple line drawing of a rectangular frame with a starburst shape and a small rectangular object inside (no text or symbols)
text_image
2-a B K F
text_image
2-b B E F
text_image
Diagram showing a monitor with a slide and a scroll, connected to a wall-mounted device, with an arrow indicating direction of motion.
text_image
Diagram showing a monitor with a wheel and a wall-mounted device, illustrating the concept of viewing or projection.WARNUNG
text_image
Safety instruction diagram showing hand protection and warning symbols for installing a panel, with two silhouettes representing different positions.text_image
Technical diagram showing installation of a mechanical component with a gear and spring mechanism, including a close-up view of the component.WARNUNG
text_image
Technical diagram of a mechanical or electrical component with labeled parts and connectorsnatural_image
Diagram of a refrigerator with no visible text or symbols, including a prohibition symbol (no text or labels present)
text_image
Technical diagram showing installation of a car air conditioner unit with workers and safety symbolsKD-75XG87□□, KD-75XG85□□

text_image
Diagram illustrating a repair or installation procedure with workers installing components and a warning symbol.natural_image
Diagram showing a door with a rectangular opening and a prohibition symbol (no text or labels)
text_image
Technical diagram showing two steps of installing or adjusting a device, with Chinese annotations and warning symbols.natural_image
Illustration of three figures lifting a large rectangular object with dashed lines indicating motion or alignment (no text or symbols)text_image
Technical diagram showing a monitor with labeled components (A, B, C, D, E) and a close-up view of the front panel.natural_image
Simple line drawing of a rectangular frame with a small rectangle and a starburst shape at the bottom (no text or symbols)text_image
Safety warning illustration showing three human silhouettes with foot protection symbols and a hand holding a checkmark above a document.text_image
Technical diagram showing a monitor with labeled components and an inset view of a mechanical assembly with a bracket and circular detail.Opmerking
natural_image
Simple line drawing of a rectangular frame with a dashed rectangle and a starburst shape at the bottom (no text or symbols)
text_image
2-a B K F
text_image
2-b B E F
text_image
Diagram showing a monitor with a slide and a scroll, connected to a wall-mounted device, with an arrow indicating direction of motion.
text_image
Diagram showing a monitor with a wheel and a wall-mounted device, illustrating the concept of viewing or projection.WAARSCHUWING
text_image
Safety instruction diagram showing hand protection and warning symbols for installing a wall-mounted devicetext_image
Technical diagram showing installation of a mechanical component with a gear and screw, including a close-up view of the gear assembly.WAARSCHUWING
natural_image
Simple line drawing of a hand holding a computer monitor connected to a cable (no text or symbols)text_image
Technical diagram of a mechanical or electrical component with labeled parts and mounting pointsnatural_image
Diagram of a refrigerator with no visible text or symbols, including a prohibition symbol (no text or labels present)
text_image
Gancio Ⓑ Distanziale (20 mm) Ⓔ Cinghia Ⓕ Vite (+PSW 6 x 20) Ⓒ4 Collegare i(I) cavi(o) necessari(o) al televisore.
text_image
Diagram illustrating a mechanical repair or installation procedure with workers installing components and a warning symbol.KD-75XG87□□, KD-75XG85□□

text_image
Diagram illustrating a repair or installation procedure with workers installing components and a warning sign indicating hazard.text_image
Technical diagram showing two steps of installing or adjusting a device, with one step pointing to a warning symbol and the other to a hand holding a phone.natural_image
Illustration of three people lifting a large object with dashed lines indicating motion or alignment (no text or symbols)text_image
Technical diagram showing a monitor with labeled components (A, B, C, D, E) and a close-up view of the front panel.natural_image
Simple line drawing of a rectangular frame with a small rectangular cutout and a starburst shape at the bottom (no text or symbols)text_image
Safety warning illustration showing incorrect and correct hand actions for using a device, with silhouettes of people carrying safety symbols.text_image
Technical diagram showing a monitor with labeled components and an inset view of a mechanical component with a circular detail.Nota
natural_image
Simple line drawing of a rectangular frame with a dashed rectangle inside and a starburst shape at the bottom (no text or symbols)
text_image
2-a B K F
text_image
2-b B E F
text_image
Diagram showing a monitor with a slide and a scroll, connected to a wall-mounted device, with an arrow indicating direction of motion.
text_image
Diagram showing a monitor with a wheel and a wall-mounted device, illustrating the concept of viewing or projection.AVVERTENZA
text_image
Safety instruction diagram showing hand protection and warning symbols for installing a panel, with two human silhouettes below.text_image
Technical diagram showing installation of a mechanical component with a gear and screw, including a close-up view of the component.AVVERTENZA
text_image
Technical diagram of a mechanical or electrical component with labeled parts and mounting pointsnatural_image
Diagram of a device with a prohibition symbol (no text or labels present)
text_image
Block Ⓑ Distans (20 mm) Ⓔ Rem Ⓕ Skruv (+PSW 6 x 20) Ⓓtext_image
Diagram illustrating car maintenance and safety inspection steps with labeled warning symbolsKD-75XG87□□, KD-75XG85□□

text_image
Diagram illustrating a repair or installation procedure with hands operating a device and warning symbolnatural_image
Diagram showing a door with a rectangular opening and a prohibition symbol (no text or labels)
text_image
Block B Distans (20 mm) E Rem F Skruv (+PSW 6 x 20) ©text_image
Technical diagram showing two steps of installing a device, with one step indicating upward movement and the other highlighting a warning symbol.natural_image
Illustration of three people assembling a large board with a ruler, no text or symbols presenttext_image
Diagram of a monitor setup with labeled components A, B, and F, showing internal layout and viewing interface.2 Montera TV:n på basen eller adaptern.
natural_image
Simple line drawing of a rectangular frame with a small rectangular cutout and a starburst shape at the bottom (no text or symbols)text_image
Safety instruction diagram showing hand protection and safety symbols for a person holding a devicetext_image
Technical diagram showing a component labeled B connected to a screen and a mechanical assembly with a circular inset detail.Obs!
natural_image
Simple line drawing of a rectangular frame with a starburst shape and two small geometric shapes inside (no text or symbols)
text_image
2-a B K F
text_image
2-b B E F
text_image
Diagram showing a monitor with a slide and a scroll, connected to a wall-mounted device, with an arrow indicating direction of motion.
text_image
Diagram showing a monitor with a wheel and a wall-mounted device, illustrating the concept of viewing or projection.WARNING
text_image
Safety instruction diagram showing hand protection and warning symbols for installing a wall-mounted devicetext_image
Technical diagram showing installation of a mechanical component with a screw and spring, including a close-up view of the component.WARNING
text_image
Technical diagram of a mechanical or electrical component with labeled parts and connectorsnatural_image
Diagram of a refrigerator with a prohibition symbol (no text or labels)
text_image
Diagram illustrating a mechanical repair or installation procedure with labeled parts and directional arrows indicating movement.KD-75XG87□□, KD-75XG85□□

text_image
Diagram illustrating a repair or installation procedure with labeled parts and directional arrows indicating movement.natural_image
Diagram showing a door with a rectangular opening and a prohibition symbol (no text or labels)
text_image
Technical diagram showing two steps of installing a device, with one being cleaned and the other using a handheld device to prevent hazard.natural_image
Illustration of three human figures assembling a large whiteboard with a ruler, no text or symbols presenttext_image
Technical diagram showing a monitor with labeled components A, B, and F, and an inset view of a device with a circular component.natural_image
Simple line drawing of a rectangular frame with a small rectangle inside and a starburst shape at the bottom (no text or symbols)text_image
Safety instruction diagram showing correct and incorrect hand actions for a person carrying a safety pole, with three silhouettes representing different positions.text_image
Diagram showing a monitor with labeled components and an inset view of a mechanical assembly with a circular component.Uwaga
natural_image
Simple line drawing of a rectangular frame with a small rectangle and a starburst shape at the bottom (no text or symbols)
text_image
2-a B K F
text_image
2-b B E F
text_image
Diagram showing a monitor with a slide and a scroll, connected to a wall-mounted device, with an arrow indicating direction of motion.
text_image
Diagram showing a monitor with a wheel and a wall-mounted device, illustrating the concept of viewing or projection.OSTRZEŻENIE
text_image
Safety instruction diagram showing hand protection and warning symbols for installing a wall-mounted devicetext_image
Technical diagram showing installation of a mechanical component with a gear and screw, including a close-up view of the gear assembly.OSTRZEŻENIE
text_image
Technical diagram of a mechanical component with labeled parts and mounting pointsnatural_image
Diagram of a device with a prohibition symbol (no text or labels present)
text_image
Polia Ⓑ Espaçador (20 mm) Ⓔ Cinta Ⓕ Parafuso (+PSW 6 x 20) Ⓓtext_image
Diagram illustrating car maintenance and safety inspection steps, showing workers installing a vehicle with a valve and warning sign.KD-75XG87□□, KD-75XG85□□

text_image
Diagram illustrating a repair or installation procedure with labeled parts and directional arrows indicating movement.- Repita o passo anterior e remova o outro lado do Suporte de Mesa do Televisor.
Nota
natural_image
Diagram showing a door with a rectangular opening and a prohibition symbol (no text or labels)
text_image
Polia Ⓑ Espaçador (20 mm) Ⓔ Cinta Ⓕ Parafuso (+PSW 6 x 20) Ⓓtext_image
Diagram illustrating a procedure for installing or adjusting a device, with labeled parts and warning symbols.- Repita o passo anterior e remova o outro lado do Suporte de Mesa do Televisor.
Nota
natural_image
Illustration of three people lifting a large object with a ruler, no text or symbols presenttext_image
Diagram of a monitor setup with labeled components A, B, and F, showing internal structure and viewing interface.2 Instale o televisor na Base ou Adaptador de Base.
natural_image
Simple line drawing of a rectangular frame with a dashed rectangle and a starburst shape at the bottom (no text or symbols)- Após instalar o televisor na parde, remova a fita de pintura, etc. da parede.

AVISO
text_image
Safety warning illustration showing three human silhouettes with foot protection symbols and a hand holding a checkmark above a document.text_image
Diagram showing a monitor with labeled components and a close-up view of a mechanical component with a circular detail.Nota
natural_image
Simple line drawing of a rectangular frame with a dashed rectangle and a starburst shape at the bottom (no text or symbols)
text_image
2-a B K F
text_image
2-b B E F
text_image
Diagram showing a monitor with a slide and a scroll, connected to a wall-mounted device, with an arrow indicating direction of motion.
text_image
Diagram showing a monitor with a wheel and a wall-mounted device, illustrating the concept of viewing or projection.AVISO
text_image
Safety instruction diagram showing hand protection and warning symbols for installing a panel, with two human silhouettes below.text_image
Technical diagram showing a mechanical assembly with labeled components and a close-up view of a gear mechanism.AVISO
Peso (apenas base): (Aprox.) [kg]
0,8
Klargøring for installation....5
Kontrol af dele 5
Find en placering 6
Klargøring for installation
1 Find TV'ets placering.
text_image
Technical diagram of a mechanical or electrical component with labeled parts and mounting pointsnatural_image
Diagram of a refrigerator with a prohibition symbol (no text or labels)
text_image
Trisse Ⓑ Afstandsstykke (20 mm) Ⓔ Bælte Ⓕ Skrue (+PSW 6 x 20) Ⓒtext_image
Diagram illustrating car maintenance and safety inspection steps, showing workers installing a vehicle with a valve and warning symbol.KD-75XG87□□, KD-75XG85□□

text_image
Technical diagram showing installation steps for a device, including hand positioning and safety warning symbolnatural_image
Diagram showing a door with a rectangular opening and a prohibition symbol (no text or labels)
text_image
Trisse Ⓑ Afstandsstykke (20 mm) Ⓔ Bælte Ⓕ Skrue (+PSW 6 x 20) Ⓒtext_image
Diagram illustrating a procedure for installing or adjusting a device, with labeled parts and warning symbols.natural_image
Illustration of three people lifting a large whiteboard with dashed lines indicating motion or alignment (no text or symbols)text_image
Technical diagram showing a monitor with labeled components A, B, and F, including a close-up view of the internal structure.natural_image
Simple line drawing of a rectangular frame with a dashed rectangle and a starburst shape at the bottom (no text or symbols)text_image
Safety warning illustration showing three human silhouettes with footprints and symbols indicating correct, incorrect, and no violations.3 Sådan forhindres, at TV'et bund flytter sig.
text_image
Technical diagram showing a monitor with labeled components and an inset view of a mechanical assembly with a circular component.Bemærk
natural_image
Simple line drawing of a rectangular frame with a small rectangular cutout and a starburst shape at the bottom (no text or symbols)
text_image
2-a B K F
text_image
2-b B E F
text_image
Diagram showing a monitor with a slide and a scroll, connected to a wall-mounted device, with an arrow indicating direction of motion.
text_image
Diagram showing a monitor with a wheel and a wall-mounted device, illustrating the concept of viewing or projection.ADVARSEL
text_image
Safety instruction diagram showing hand protection and warning symbols for installing a panel, with two human figures below.3 Sådan forhindres, at TV'et bund flytter sig.
text_image
Technical diagram showing a mechanical assembly with labeled components and a close-up view of a gear mechanism.ADVARSEL
text_image
Technical diagram of a mechanical or electrical component with labeled parts and mounting pointsnatural_image
Diagram of a refrigerator with a prohibition symbol (no text or labels)
text_image
Hihnapyörä Ⓑ Välike (20 mm) Ⓔ Hihná Ⓕ Ruuvi (+PSW 6 x 20) Ⓓtext_image
Diagram illustrating car maintenance and safety inspection steps with labeled warning symbolsKD-75XG87□□, KD-75XG85□□

text_image
Diagram illustrating a repair or installation procedure with labeled parts and directional arrows indicating movement.natural_image
Diagram showing a door with a rectangular opening and a prohibition symbol (no text or labels)
text_image
Technical diagram showing two steps of installing a device, with one being cleaned and the other using a tool to prevent hazard.natural_image
Illustration of three people lifting a large object with a ruler, no text or symbols presenttext_image
Technical diagram showing a monitor with labeled components (A, B, C, D, E) and a close-up view of the device's front panel.natural_image
Simple line drawing of a rectangular frame with a small rectangle inside and a starburst shape at the bottom (no text or symbols)text_image
Safety warning illustration showing incorrect and correct hand actions for using a device, with silhouettes of people carrying safety symbols.text_image
Technical diagram showing a monitor with labeled components and an inset view of a mechanical assembly with a circular component.Huomautus
natural_image
Simple line drawing of a rectangular frame with a starburst shape at the bottom (no text or symbols)
text_image
2-a B K F
text_image
2-b B E F
text_image
Diagram showing a monitor with a slide and a scroll, connected to a wall-mounted device, with an arrow indicating direction of motion.
text_image
Diagram showing a monitor with a wheel and a wall-mounted device, illustrating the concept of viewing or projection.VAROITUS
text_image
Safety instruction diagram showing hand protection and warning symbols for installing a wall-mounted devicetext_image
Technical diagram showing installation of a mechanical component with a gear and screw, including a close-up view of the gear assembly.VAROITUS
text_image
Technical diagram of a mechanical or electrical component with labeled parts and connectorsnatural_image
Diagram of a refrigerator with a prohibition symbol (no text or labels present)
text_image
Trinse Ⓑ Avstandsstykke (20 mm) Ⓔ Belte Ⓕ Skrue (+PSW 6 x 20) Ⓒtext_image
Diagram illustrating car maintenance and safety inspection steps, showing workers installing a vehicle panel and using a tool to prevent accidents.KD-75XG87□□, KD-75XG85□□

text_image
Diagram illustrating a repair or installation procedure with hands operating a device and warning symbolnatural_image
Diagram showing a door with a rectangular opening and a prohibition symbol (no text or labels)
text_image
Trinse Ⓑ Avstandsstykke (20 mm) Ⓔ Belte Ⓕ Skrue (+PSW 6 x 20) Ⓒtext_image
Technical diagram showing two steps of installing a device, with one being cleaned and the other using a tool to prevent accidents.natural_image
Illustration of three human figures assembling a large board with a measuring tool, no text or symbols presenttext_image
Technical diagram showing a monitor mounted on a stand with labeled components A, B, and F, including a close-up view of the device.2 Installer TV-en på sokkelen eller sokkeladapteren.
natural_image
Simple line drawing of a rectangular frame with a small rectangular cutout and a starburst shape at the bottom (no text or symbols)text_image
Safety warning illustration showing incorrect and correct hand actions for a person holding a device, with three silhouettes indicating different safety conditions.text_image
Technical diagram showing a monitor with labeled components and an inset view of a mechanical assembly with a circular component.Merknad
natural_image
Simple line drawing of a rectangular frame with a small 3D object and a starburst shape at the bottom (no text or symbols)
text_image
2-a B K F
text_image
2-b B E F
text_image
Diagram showing a monitor with a slide and a scroll, connected to a wall-mounted device, with an arrow indicating direction of motion.
text_image
Diagram showing a monitor with a slide and a scroll wheel, connected to a wall-mounted device with an arrow indicating direction.ADVARSEL
- Sørg for at to eller flere personer (tre eller flere personer for TV-er på 75 tommer eller mer) holder TV-en när den bæres.

text_image
Safety instruction diagram showing hand protection and warning symbols for installing a panel, with two silhouettes representing different positions.text_image
Technical diagram showing a mechanical assembly with labeled components and a close-up of a gear mechanism.ADVARSEL
- Sørg for at to eller flere personer (tre eller flere personer for TV-er på 75 tommer eller mer) holder TV-en när den fjernes.
Spesifikasjoner

text_image
f g e h1 h2 d c b aMål: (Ca.) [mm]
a : 400
b : 300
c : 200
d : 100
e : 80
f : 480
g : 100
h1 : 20 (tilfelle 2-b)
h2 : 60 (tilfelle 2-a)
Vekt (kun sokkel): (Ca.) [kg]
0,8
text_image
Technical diagram of a mechanical or electrical component with labeled parts and connectorsnatural_image
Diagram of a refrigerator with no visible text or symbols, including a prohibition symbol (no text or labels present)
text_image
Technical diagram showing two steps of installing a car's front panel, with one step indicating upward movement and the other indicating collision risk.KD-75XG87□□, KD-75XG85□□

text_image
Diagram illustrating a repair or installation procedure with workers installing components and a warning symbol for inspection.natural_image
Diagram showing a device with a rectangular component and a prohibition symbol (no text or labels)
text_image
Troxalía ® Diaxwpiostiko (20 mm) ® Iμάντας Bíδα (+PSW 6 x 20) ©text_image
Diagram illustrating two steps of installing a device: top shows workers installing a panel, bottom shows hands using a tool to prevent collision risk.natural_image
Illustration of three human figures lifting a large rectangular object with dashed lines indicating motion or alignment (no text or symbols)text_image
Diagram showing a monitor with labeled parts (A, B, C, D, E) and a close-up view of the front panel.natural_image
Simple line drawing of a rectangular frame with a starburst shape at the bottom (no text or symbols)text_image
Safety instruction diagram showing hand protection and safety symbols for a person holding a devicetext_image
Technical diagram showing a monitor with labeled components and an inset view of a mechanical component with a circular detail.Σημείωση
natural_image
Simple line drawing of a rectangular frame with a starburst shape at the bottom (no text or symbols)
text_image
2-a B K F
text_image
2-b B E F
text_image
Diagram showing a monitor with a slide and a scroll, connected to a wall-mounted device, with an arrow indicating direction of motion.
text_image
Diagram showing a device with a slide and a wheel, connected to a wall-mounted device with an arrow indicating direction.ΠΡΟΕΙΔΟΠΟΙΗΣΗ
text_image
Safety instruction diagram showing hand protection and no violations for a device, with two silhouettes representing different conditions.natural_image
Technical diagram showing a mechanical assembly with a bracket and a gear mechanism, no text or symbols present.ΠΡΟΕΙΔΟΠΟΙΗΣΗ
text_image
Technical diagram of a mechanical or electrical component with labeled parts and connectorsnatural_image
Diagram of a refrigerator with a prohibition symbol (no text or labels present)
text_image
Diagram illustrating a mechanical repair or installation procedure with workers installing components and a warning sign indicating hazard.KD-75XG87□□, KD-75XG85□□

text_image
Technical diagram showing installation steps for a device, including top-down view and bottom-down view with warning symbolnatural_image
Diagram showing a door with a rectangular opening and a prohibition symbol (no text or labels)
text_image
Makara Ⓑ Ara Parçası (20 mm) Ⓔ Kayış Ⓕ Vida (+PSW 6 x 20) Ⓒtext_image
Diagram illustrating a mechanical repair or cleaning procedure with labeled parts and directional arrows indicating movement.natural_image
Illustration of three people assembling a large whiteboard with a ruler, no text or symbols presenttext_image
Diagram showing a monitor with labeled parts (A, B, C, D, E) and a close-up view of the front panel.natural_image
Simple line drawing of a rectangular frame with a small rectangle and a starburst shape at the bottom (no text or symbols)text_image
Safety warning illustration showing three human silhouettes with foot protection symbols and a hand holding a checkmark above a document.text_image
Diagram showing a monitor with labeled components and a close-up view of the screen's internal structure.Not
natural_image
Simple line drawing of a rectangular frame with a starburst shape and two small geometric shapes inside (no text or symbols)
text_image
2-a B K F
text_image
2-b B E F
text_image
Diagram showing a monitor with a slide and a scroll, connected to a wall-mounted device, with an arrow indicating direction of motion.
text_image
Diagram showing a monitor with a wheel and a wall-mounted device, illustrating the concept of viewing or projection.UYARI
text_image
Safety instruction diagram showing hand protection and warning symbols for installing a wall-mounted devicetext_image
Technical diagram showing installation of a mechanical component with a gear and screw, including a close-up view of the gear assembly.UYARI
natural_image
Architectural cross-section diagram of a building facade with ventilation duct and wall, labeled 'Fal' (no other text or symbols)Megjegyzés
text_image
Technical diagram of a mechanical or electrical component with labeled parts and connectorsnatural_image
Diagram of a refrigerator with no visible text or symbols, including a prohibition symbol (no text or labels present)
text_image
Technical diagram showing installation of a car air conditioner unit with workers and safety symbolsKD-75XG87□□, KD-75XG85□□

text_image
Diagram illustrating a repair or installation procedure with workers installing components and a warning symbol.natural_image
Diagram showing a device with a rectangular component and a prohibition symbol (no text or labels)
text_image
Technical diagram showing two steps of installing or adjusting a device, with Chinese annotations and warning symbols.natural_image
Illustration of three people lifting a large object with dashed lines indicating motion or alignment (no text or symbols)text_image
Technical diagram showing a mounted monitor with labeled components A, B, and F, alongside an inset view of a mechanical assembly.natural_image
Simple line drawing of a rectangular frame with a starburst shape at the bottom (no text or symbols)text_image
Safety instruction diagram showing hand protection with check and no sign, illustrated with silhouettes of people carrying safety symbols.text_image
Technical diagram showing a monitor with labeled components and an inset view of a mechanical component with a circular detail.Megjegyzés
natural_image
Simple line drawing of a rectangular frame with a small rectangular cutout and a starburst shape at the bottom (no text or symbols)
text_image
2-a B K F
text_image
2-b B E F
text_image
Diagram showing a monitor with a slide and a scroll, connected to a wall-mounted device, with an arrow indicating direction of motion.
text_image
Diagram showing a monitor with a wheel and a wall-mounted device, illustrating the concept of viewing or projection.FIGYELMEZTETÉS
text_image
Diagram illustrating correct and incorrect handling of a device, with labeled actions and warning symbolsnatural_image
Technical diagram showing a mechanical assembly with a component and a close-up of a gear mechanism (no text or symbols present)FIGYELMEZTETÉS
text_image
Technical diagram of a mechanical component with labeled parts and mounting pointsnatural_image
Diagram of a refrigerator with a prohibition symbol (no text or labels)
text_image
Kladka Ⓑ Rozpěrka (20 mm) Ⓔ Pás Ⓕ Šroub (+PSW 6 x 20) Ⓓtext_image
Diagram illustrating car maintenance and safety inspection steps with labeled components and warning symbolsKD-75XG87□□, KD-75XG85□□

text_image
Technical diagram showing installation steps for a device, including hand positioning and safety warning symbolnatural_image
Diagram showing a door with a rectangular opening and a prohibition symbol (no text or labels)
text_image
Kladka Ⓑ Rozpěrka (20 mm) Ⓔ Pás Ⓕ Šroub (+PSW 6 x 20) Ⓓtext_image
Technical diagram showing installation procedure with workers installing a device and a hand holding a device with warning symbolnatural_image
Illustration of three people lifting a large object with a ruler, no text or symbols presenttext_image
Technical diagram showing a monitor with labeled components (A, B, C, D, E) and a close-up view of the device's front panel.natural_image
Simple line drawing of a rectangular frame with a small rectangular cutout and a starburst shape at the bottom (no text or symbols)text_image
Safety warning illustration showing hand protection and safety symbols with pictograms of three human figures carrying safety circles.text_image
Technical diagram showing a monitor with labeled components and an inset view of a mechanical component with a circular detail.Poznámka
natural_image
Simple line drawing of a rectangular frame with a starburst shape and two small geometric shapes inside (no text or symbols)
text_image
2-a B K F
text_image
2-b B E F
text_image
Diagram showing a monitor with a slide and a scroll, connected to a wall-mounted device, with an arrow indicating direction of motion.
text_image
Diagram showing a monitor with a wheel and a wall-mounted device, illustrating the concept of viewing or projection.VAROVÁNÍ
text_image
Safety instruction diagram showing hand protection and warning symbols for installing a panel, with two human figures holding a frame.text_image
Technical diagram showing a mechanical assembly with labeled components and a close-up view of a gear mechanism.VAROVÁNÍ
text_image
Technical diagram of a mechanical or electrical component with labeled parts and connectors4 Určte pozíciu skrutiek na montáž podstavca (20) Ⓐ.
natural_image
Diagram of a refrigerator with a prohibition symbol (no text or labels)
text_image
Diagram illustrating a mechanical repair or cleaning procedure with workers installing components and a warning sign indicating hazard.KD-75XG87□□, KD-75XG85□□

text_image
Diagram illustrating a repair or installation procedure with hands installing components and a warning symbolnatural_image
Diagram of a door with a rectangular opening and a prohibition symbol (no text or labels)
text_image
Technical diagram showing two steps of installing a device, with one step indicating upward movement and the other showing a warning sign.natural_image
Illustration of three people lifting a large whiteboard with dashed lines indicating motion or alignment (no text or symbols)text_image
Technical diagram showing a monitor with labeled components (A, B, C, D, E) and a close-up view of the device's front panel.natural_image
Simple line drawing of a rectangular frame with a small rectangular cutout and a starburst shape at the bottom (no text or symbols)text_image
Safety warning illustration showing three human silhouettes with foot protection symbols and a hand holding a checkmark above a document.text_image
Technical diagram showing a monitor with labeled components and a close-up view of a mechanical component with a circular detail.Poznámka
natural_image
Simple line drawing of a rectangular frame with a starburst shape at the bottom (no text or symbols)
text_image
2-a B K F
text_image
2-b B E F
text_image
Diagram showing a monitor with a slide and a scroll, connected to a wall-mounted device, with an arrow indicating direction of motion.
text_image
Diagram showing a monitor with a slide and a scroll wheel, connected to a wall-mounted device with an arrow indicating direction.VÝSTRAHA
text_image
Safety instruction diagram showing hand protection and warning symbols for installing a panel, with two human figures holding a frame.text_image
Technical diagram showing a mechanical assembly with labeled components and a close-up of a gear mechanism.VÝSTRAHA
Rozmery: (pribl.) [mm]
a : 400
b : 300
c : 200
d : 100
e : 80
f : 480
g : 100
text_image
Technical diagram of a mechanical component with labeled parts and mounting pointsnatural_image
Diagram of a device with a prohibition symbol (no text or labels present)
text_image
Diagram illustrating a mechanical repair or installation procedure with workers installing components and a warning sign indicating hazard.KD-75XG87□□, KD-75XG85□□

text_image
Technical diagram showing installation steps for a device, including top-down view and bottom-down view with warning symbolflowchart
graph TD
A["1×2"] --> C["Device"]
B["2×2"] --> C["Device"]
natural_image
Diagram showing a door with a rectangular opening and a prohibition symbol (no text or labels)
text_image
Diagram illustrating a procedure for installing or adjusting a device, with labeled parts and warning symbols.natural_image
Illustration of three people lifting a large object with a ruler, no text or symbols presenttext_image
Diagram showing a monitor with labeled parts (A, B, C, D, E) and a close-up view of the front panel.natural_image
Simple line drawing of a rectangular frame with a dashed rectangle and a starburst shape at the bottom (no text or symbols)text_image
Safety warning illustration showing three human silhouettes carrying safety symbols with check and no signstext_image
Technical diagram showing a monitor with labeled components and a close-up view of a mechanical assembly with a circular component.Notă
natural_image
Simple line drawing of a rectangular frame with a small rectangular cutout and a starburst shape at the bottom (no text or symbols)
text_image
2-a B K F
text_image
2-b B E F
text_image
Diagram showing a monitor with a slide and a scroll, connected to a wall-mounted device, with an arrow indicating direction of motion.
text_image
Diagram showing a monitor with a slide and a scroll wheel, connected to a wall-mounted device with an arrow indicating direction.AVERTISMENT
text_image
Safety instruction diagram showing hand protection and no violations for a device, with two silhouettes representing different conditions.text_image
Technical diagram showing a mechanical assembly with labeled components and directional arrows indicating assembly steps.AVERTISMENT
text_image
Technical diagram of a mechanical or electrical component with labeled parts and connectorsnatural_image
Diagram of a refrigerator with a prohibition symbol (no text or labels present)
text_image
Diagram illustrating a mechanical repair or cleaning procedure with workers installing components and a warning sign indicating hazard.KD-75XG87□□, KD-75XG85□□

text_image
Diagram illustrating a repair or installation procedure with hands installing components and warning symbolsnatural_image
Diagram of a device with a rectangular component and a prohibition symbol (no text or labels)
text_image
Technical diagram showing installation procedure with workers installing a device and a hand holding a device with warning symbolnatural_image
Illustration of three people lifting a large object with a ruler, no text or symbols presenttext_image
Diagram showing a monitor with labeled parts (A, B, C, D, E) and a close-up view of the front panel.natural_image
Simple line drawing of a rectangular frame with a dashed rectangle and a starburst shape at the bottom (no text or symbols)text_image
Safety warning illustration showing incorrect and correct hand actions for using a device, with silhouettes of people carrying safety symbols.text_image
Technical diagram showing a device with labeled components and a magnified view of the internal structure.Забележка
natural_image
Simple line drawing of a rectangular frame with a dashed rectangle inside and a starburst shape at the bottom (no text or symbols)
text_image
2-a B K F
text_image
2-b B E F
text_image
Diagram showing a monitor with a slide and a scroll, connected to a wall-mounted device, with an arrow indicating direction of motion.
text_image
Diagram showing a monitor with a slide and a scroll wheel, connected to a wall-mounted device with an arrow indicating direction.ПРЕДУПРЕЖДЕНИЕ
text_image
Safety instruction diagram showing hand protection and warning symbols for installing a wall-mounted device3 Предотвратяване
text_image
Technical diagram showing a mechanical assembly with labeled components and a close-up of a gear mechanism.ПРЕДУПРЕЖДЕНИЕ
text_image
Technical diagram of a mechanical or electrical component with labeled parts and connectorsnatural_image
Diagram of a refrigerator with no visible text or symbols, including a prohibition symbol (no text or labels present)
text_image
Diagram illustrating a repair or installation procedure with workers installing components and a warning sign indicating hazard.KD-75XG87□□, KD-75XG85□□

text_image
Diagram illustrating a repair or installation procedure with workers installing components and a warning symbol.natural_image
Diagram showing a door with a rectangular opening and a prohibition symbol (no text or labels)
text_image
Technical diagram showing two steps of installing or adjusting a device, with one step pointing upward and the other to use a handheld device.natural_image
Illustration of three human figures lifting a large cylindrical object with dashed lines indicating motion (no text or symbols)text_image
Diagram showing a monitor with labeled parts (A, B, C, D, E) and an inset view of a device with a magnified view.natural_image
Simple line drawing of a rectangular frame with a dashed rectangle inside and a starburst shape at the bottom (no text or symbols)text_image
Safety warning illustration showing three human silhouettes carrying safety symbols with check and no signstext_image
Diagram showing a monitor with labeled components and an inset view of a mechanical assembly with a circular component.Примечание
natural_image
Simple line drawing of a rectangular frame with a dashed rectangle and a starburst shape at the bottom (no text or symbols)
text_image
2-a B K F
text_image
2-b B E F
text_image
Diagram showing a monitor with a slide and a scroll, connected to a wall-mounted device, with an arrow indicating direction of motion.
text_image
Diagram showing a device with a slide and a wheel, connected to a wall-mounted device with an arrow indicating direction.ПРЕДУПРЕЖДЕНИЕ
text_image
Safety instruction diagram showing hand protection and no violations for a device, with two human figures holding a frame.text_image
Technical diagram showing a mechanical assembly with labeled components and a close-up view of a gear mechanism.ПРЕДУПРЕЖДЕНИЕ
text_image
Technical diagram of a mechanical or electrical component with labeled parts and connectorsnatural_image
Diagram of a refrigerator with no visible text or symbols, including a prohibition symbol (no text or labels present)
text_image
Technical diagram showing two steps of installing a car air conditioner panel, with one step indicating the correct installation and the other indicating the absence of warning.KD-75XG87□□, KD-75XG85□□

text_image
Diagram illustrating a repair or cleaning procedure with workers installing components and a hand using a tool to prevent accidents.text_image
Technical diagram showing two steps of installing or adjusting a device, with Chinese annotations and warning symbols.natural_image
Illustration of three figures lifting a large object with a ruler, no text or symbols presenttext_image
Diagram showing a monitor with labeled parts (A, B, C, D, E) and an inset view of a device with a magnified view.natural_image
Simple line drawing of a rectangular frame with a small 3D object and a starburst shape at the bottom (no text or symbols)text_image
Safety warning illustration showing three human silhouettes carrying safety symbols with check and no signstext_image
Technical diagram showing a monitor with labeled components and an inset view of a mechanical assembly with a circular component.Примітка
natural_image
Simple line drawing of a rectangular frame with a dashed rectangle and a starburst shape at the bottom (no text or symbols)
text_image
2-a B K F
text_image
2-b B E F
text_image
Diagram showing a monitor with a slide and a scroll, connected to a wall-mounted device, with an arrow indicating direction of motion.
text_image
Diagram showing a monitor with a wheel and a wall-mounted device, illustrating the concept of viewing or projection.ЗАСТЕРЕЖЕННЯ
text_image
Safety instruction diagram showing hand protection and no violations for a device, with two silhouettes representing different conditions.text_image
Technical diagram showing a mechanical assembly with labeled components and motion indicatorsЗАСТЕРЕЖЕННЯ
text_image
Technical diagram of a mechanical or electrical component with labeled parts and mounting pointsnatural_image
Diagram of a device with a prohibition symbol (no text or labels present)
text_image
Rihmaratas Ⓑ Vaherõngas (20 mm) Ⓔ Rihm Ⓕ Kruvi (+PSW 6 x 20) Ⓓtext_image
Diagram illustrating car maintenance and safety inspection steps, showing workers installing a vehicle panel and using a tool to prevent accidents.KD-75XG87□□, KD-75XG85□□

text_image
Diagram illustrating a repair or cleaning procedure with hands installing components and warning symbolsnatural_image
Diagram showing a door with a rectangular opening and a prohibition symbol (no text or labels)
text_image
Rihmaratas Ⓑ Vaherõngas (20 mm) Ⓔ Rihm Ⓕ Kruvi (+PSW 6 x 20) Ⓒtext_image
Technical diagram showing installation procedure with workers installing a device and a hand holding a device with warning symbolnatural_image
Illustration of three human figures assembling a large whiteboard with a ruler, no text or symbols presenttext_image
Diagram showing a monitor with labeled parts (A, B, C, D, E) and a close-up view of the front panel.natural_image
Simple line drawing of a rectangular frame with a small circular dot and a starburst shape at the bottom (no text or symbols)- Pärast seinale teleri paigaldamist eemaldage seinalt teip vms.

HOIATUS
text_image
Safety warning illustration showing incorrect and correct hand actions for using a device, with silhouettes of people carrying safety symbols.text_image
Technical diagram showing a monitor with labeled components and an inset view of a mechanical assembly with a circular component.Märkus.
natural_image
Simple line drawing of a rectangular frame with a small 3D object and a starburst shape at the bottom (no text or symbols)
text_image
2-a B K F
text_image
2-b B E F
text_image
Diagram showing a monitor with a slide and a scroll, connected to a wall-mounted device, with an arrow indicating direction of motion.
text_image
Diagram showing a monitor with a wheel and a wall-mounted device, illustrating the concept of viewing or projection.HOIATUS
text_image
Safety instruction diagram showing hand protection and warning symbols for installing a panel, with two human figures holding a frame.text_image
Technical diagram showing installation of a mechanical component with a close-up view of the internal structure.HOIATUS
Mass (ainult alus): (umbes) [kg]
0,8
text_image
Technical diagram of a mechanical or electrical component with labeled parts and connectorsnatural_image
Diagram of a refrigerator with a prohibition symbol (no text or labels)![SONY Bravia KD55XG8596 - Mass (ainult alus): (umbes) [kg] - 1](/content/2026/03/464862/images/9da343e90ad80ce3c5c4134613c01112992cf34a47eb4266806308dec962557f.jpg)
text_image
Trisis Ⓑ Starplika (20 mm) Ⓔ Saite Ⓕ Skrūve (+PSW 6 x 20) Ⓓtext_image
Diagram illustrating car maintenance and safety inspection steps, showing workers installing a vehicle panel and using a tool to prevent accidents.KD-75XG87□□, KD-75XG85□□
![SONY Bravia KD55XG8596 - Mass (ainult alus): (umbes) [kg] - 2](/content/2026/03/464862/images/5806360f6175c3f6afc28731f3d5c0caa6f5a74ca7d93842e1b07b83c6502c4c.jpg)
text_image
Diagram illustrating a mechanical repair or installation procedure with labeled parts and directional arrows indicating movement.flowchart
graph TD
A["1×2"] --> C["Device"]
B["2×2"] --> C["Device"]
natural_image
Diagram of a device with a rectangular component and a prohibition symbol (no text or labels)![SONY Bravia KD55XG8596 - Mass (ainult alus): (umbes) [kg] - 3](/content/2026/03/464862/images/c4a475e1d1791156daacd1123cc87379f956e6c50ebcba1b6454a817450f1ff1.jpg)
text_image
Trīsis Ⓑ Starplika (20 mm) Ⓔ Saite Ⓕ Skrūve (+PSW 6 x 20) Ⓒtext_image
Technical diagram showing installation procedure with workers installing a device and a warning sign indicating hazard.natural_image
Illustration of three people lifting a large object with dashed lines indicating motion (no text or symbols)text_image
Technical diagram showing a monitor with labeled components (A, B, C, D, E) and a close-up view of the front panel.2 Uzstādiet televizoru uz pamatnes vai pamatnes adaptera.
natural_image
Simple line drawing of a rectangular frame with a starburst shape at the bottom (no text or symbols)text_image
Safety warning illustration showing incorrect and correct hand actions for a person holding a device, with three silhouettes indicating different safety conditions.3 Nesasveriet televizora apakšpusi.
- Satveriet saites Ⓕ galu un cieši piestipriniet to pie sienas.

text_image
2-a 2-b I F Ftext_image
Diagram showing a monitor with labeled components and a close-up view of a mechanical component with a circular inset detail.Piezime
- Turiet televizoru stingri ar abām rokām.
2 Uzstādiet televizoru uz pamatnes vai pamatnes adaptera.
natural_image
Simple line drawing of a rectangular frame with a small rectangular object and a starburst shape at the bottom (no text or symbols)
text_image
2-a B K F
text_image
2-b B E F
text_image
Diagram showing a monitor with a slide and a scroll, connected to a wall-mounted device, with an arrow indicating direction of motion.
text_image
Diagram showing a monitor with a wheel and a wall-mounted device, illustrating the concept of viewing or projection.BRĪDINĀJUMS!
text_image
Safety instruction diagram showing hand protection and warning symbols for installing a panel, with two human silhouettes below.3 Nesasveriet televizora apakšpusi.
- Satveriet saites Ⓔ galu un cieši piestipriniet to pie sienas.

text_image
2-a 2-b F Ftext_image
Technical diagram showing a mechanical assembly with labeled components and a close-up of a gear mechanism.BRĪDINĀJUMS!
text_image
Technical diagram of a mechanical or electrical component with labeled parts and connectorsnatural_image
Diagram of a refrigerator with a prohibition symbol (no text or labels present)
text_image
Skriemulys Ⓑ Tarpiklis (20 mm) Ⓔ Diržas Ⓕ Sraigtas (+PSW 6 x 20) Ⓒtext_image
Diagram illustrating car maintenance and safety inspection steps, showing workers installing a vehicle panel and using a tool to prevent accidents.KD-75XG87□□, KD-75XG85□□

text_image
Diagram illustrating a repair or installation procedure with hands operating a device and warning symbolnatural_image
Diagram showing a door with a rectangular opening and a prohibition symbol (no text or labels)
text_image
Skriemulys Ⓑ Tarpiklis (20 mm) Ⓔ Diržas Ⓕ Sraigtas (+PSW 6 x 20) Ⓒtext_image
Technical diagram showing installation procedure with workers installing a device and a hand holding a device with warning symbolnatural_image
Illustration of three people assembling a large board with a ruler, no text or symbols presenttext_image
Diagram showing a monitor mounted on a stand with labeled parts (A, B, C, D, E) and a close-up view of the screen.natural_image
Simple line drawing of a rectangular frame with a dashed rectangle and a starburst shape at the bottom (no text or symbols)text_image
Safety warning illustration showing incorrect and correct hand actions for using a device, with silhouettes of people carrying safety symbols.text_image
Diagram showing a monitor with labeled components and a magnified view of the screen's internal structure.Pastaba
natural_image
Simple line drawing of a rectangular frame with a small rectangular cutout and a starburst shape at the bottom (no text or symbols)
text_image
2-a B K F
text_image
2-b B E F
text_image
Diagram showing a monitor with a slide and a scroll, connected to a wall-mounted device, with an arrow indicating direction of motion.
text_image
Diagram showing a monitor with a wheel and a wall-mounted device, illustrating the concept of viewing or projection.JSPÈJIMAS
text_image
Safety instruction diagram showing hand protection and warning symbols for installing a panel, with two human silhouettes below.text_image
Technical diagram showing a mechanical assembly with labeled components and a close-up view of a gear mechanism.JSPÈJIMAS
text_image
J J A I J J J J J J4 Določite položaje vijakov za vgradnjo podstavka (20) Ⓐ.
natural_image
Diagram of a refrigerator with a prohibition symbol (no text or labels present)
text_image
Škripec Ⓑ Distančnik (20 mm) Ⓔ Jermen Ⓕ Vijak (+PSW 6 x 20) ⒨4 Na televizor priključite potrebne kable.
Pred vgradnjo televizorja na steno obvezno priključite kable. Ko je televizor vgrajen, kablov ne boste mogli priključiti.
text_image
Diagram illustrating car maintenance and safety inspection steps, showing workers installing a vehicle panel and using a tool to adjust the interior.KD-75XG87□□, KD-75XG85□□

text_image
Diagram illustrating a repair or installation procedure with hands operating a device and warning symbolnatural_image
Diagram showing a door with a rectangular opening and a prohibition symbol (no text or labels)
text_image
Škripec Ⓑ Distančnik (20 mm) Ⓔ Jermen Ⓕ Vijak (+PSW 6 x 20) Ⓓ3 Na televizor priključite potrebne kable.
Pred vgradnjo televizorja na steno obvezno priključite kable. Ko je televizor vgrajen, kablov ne boste mogli priključiti.
text_image
Technical diagram showing installation procedure with workers installing a device and a hand holding a tool, accompanied by warning symbols.natural_image
Illustration of three figures assembling a large whiteboard with a ruler, no text or symbols presenttext_image
Diagram showing a monitor with labeled parts (A, B, C, D, E) and an inset view of a device with a circular component.2 Televizor vgradite na podstavek ali prilagodilnik podstavka.
natural_image
Simple line drawing of a rectangular frame with a dashed rectangle and a starburst shape at the bottom (no text or symbols)- Po vgradnji televizorja na steno s stene odstranite maskirni trak itd.

OPOZORILO
text_image
Safety warning illustration showing hand protection and safety symbols with pictograms of three human figures carrying safety circles.text_image
Technical diagram showing a monitor with labeled components and an inset view of a mechanical assembly with a circular component.Opomba
- Televizor trdno držite z obema rokama.
2 Televizor vgradite na podstavek ali prilagodilnik podstavka.
natural_image
Simple line drawing of a rectangular frame with a small 3D object and a starburst shape at the bottom (no text or symbols)
text_image
2-a B K F
text_image
2-b B E F
text_image
Diagram showing a monitor with a slide and a scroll, connected to a wall-mounted device, with an arrow indicating direction of motion.
text_image
Diagram showing a monitor with a wheel and a wall-mounted device, illustrating the concept of viewing or projection.OPOZORILO
text_image
Safety instruction diagram showing hand protection and warning symbols for installing a panel, with two human figures holding a frame.text_image
Technical diagram showing installation of a mechanical component with a gear and screw, including a close-up view of the gear assembly.OPOZORILO
text_image
Technical diagram of a mechanical or electrical component with labeled parts and connectors4 Odlučite o položaju vijaka za postavljanje baze (20) Ⓐ.
Pogledajte specifikaciju na stranici 18. Kada odaberete opciju 2-a, poslužite se položajima rupa za adapter baze ①.
UPOZORENJE
- Zid na koji postavljate televizor mora izdržati težinu barem četiri puta veću od težine televizora (Pogledajte Referentni vodič Vašeg televizora za podatak o njegovoj težini.).
- Provjerite čvrstoću zida na koji ćete postaviti televizor. Ako je potrebno, ojačajte zid.
Postavljanje baze na zid
- Pripremite četiri ili više vijaka promjera 8 mm ili slične vijke (nisu isporučeni).
- Pričvrstite četiri vijka u rupe za bazu adaptera ① U slučaju baze (20) ④ (samo 2-a).
• Postavite bazu (20) Ⓐ na zid vodoravno.

text_image
2-a I A
text_image
2-b APriprema za postavljanje televizora na zid
Za postavljanje postolja pogledajte Vodič za postavljanje.
KD-85/75XG85□□, KD-75XG87□□
natural_image
Diagram of a refrigerator with a prohibition symbol (no text or labels present)
text_image
Kolotur Ⓑ Odbojnik (20 mm) Ⓔ Remen Ⓕ Vijak (+PSW 6 x 20) Ⓔ4 Priključite potrebne kabele u televizor.
Svakako spojite kabele prije postavljanja televizora na zid. Kabele nećete moći priključiti kada je televizor bude postavljen. Pogledajte Referentni vodič isporučen s Vašim TV-om.
Napomena
- Provodenje kabela u zid povjerite licenciranom izvodaču radova.
- Povežite spojne kabele kako ne biste stali na njih prije postavljanja uredaja na zid.
5 Skinite Postolje za stol s TV-a.
- Uklonite jednu po jednu stranu postolja za stol. Čvrsto držite postolje za stol objema rukama dok druge osobe podignu TV.
KD-85XG85□□

text_image
Diagram illustrating car maintenance procedure with workers installing a vehicle and using a tool to adjust the interior panel.KD-75XG87□□, KD-75XG85□□

text_image
Diagram illustrating a repair or installation procedure with hands operating a device and warning symbol- Ponovite prethodni korak i uklonite drugu stranu postolja za stol.
Napomena
natural_image
Diagram showing a door with a rectangular opening and a prohibition symbol (no text or labels)
text_image
Kolotur Ⓑ Odbojnik (20 mm) Ⓔ Remen Ⓕ Vijak (+PSW 6 x 20) Ⓔ3 Priključite potrebne kabele u televizor.
Svakako spojite kabele prije postavljanja televizora na zid. Kabele nećete moći priključiti kada je televizor bude postavljen. Pogledajte Referentni vodič isporučen s Vašim TV-om.
Napomena
text_image
Technical diagram showing two steps of installing a device, with one being cleaned and the other using a handheld device to prevent collision.- Ponovite prethodni korak i uklonite drugu stranu postolja za stol.
Napomena
natural_image
Illustration of three people assembling a large board with a ruler, no text or symbols presenttext_image
Diagram showing a monitor mounted on a stand with labeled parts (A, B, C, D, E) and a close-up view of the screen.2 Postavite TV na bazu ili adapter za bazu.
natural_image
Simple line drawing of a rectangular frame with a dashed rectangle and a starburst shape at the bottom (no text or symbols)- Nakon instaliranja TV-a na zid, uklonite ljepljivu traku sa zida.

UPOZORENJE
text_image
Safety warning illustration showing three human silhouettes with foot protection symbols and a hand holding a checkmark above a document.3 Sprječavanje prevrtanja televizora.
- Uzmite komad remen Ⓕ i lagano je pričvrstite za zid.

text_image
2-a 2-b I F Ftext_image
Technical diagram showing a monitor with labeled components and a close-up view of a mechanical component with a circular detail.Napomena
- Čvrsto držite TV objema rukama.
2 Postavite TV na bazu ili adapter za bazu.
natural_image
Simple line drawing of a rectangular frame with a dashed rectangle inside and a starburst shape at the bottom (no text or symbols)
text_image
2-a B K F
text_image
2-b B E F
text_image
Diagram showing a monitor with a slide and a scroll, connected to a wall-mounted device, with an arrow indicating direction of motion.
text_image
Diagram showing a monitor with a wheel and a wall-mounted device, illustrating the concept of viewing or projection.UPOZORENJE
text_image
Safety instruction diagram showing hand protection and warning symbols for installing a panel, with two human figures holding a frame.3 Sprječavanje prevrtanja televizora.
- Uzmite komad remen Ⓔ i lagano je pričvrstite za zid.

text_image
2-a 2-b F Ftext_image
Technical diagram showing a mechanical assembly with labeled components and directional arrows indicating assembly steps.UPOZORENJE
- Pobrinite se da dvije ili više osoba (tri ili više osoba za televizor veličine 75 inča ili veći) drži TV prilikom njegovog uklanjanja.
Specifikacije

text_image
f g e h1 h2 d c b aDimenzije: (približno) [mm]
a : 400
b : 300
c : 200
d : 100
e : 80
f : 480
g : 100
text_image
Technical diagram of a mechanical or electrical component with labeled parts and connectors4 Herizdi (20) Ⓐ ornaty yshin бурандалардың orнын аныктаңыз.
natural_image
Diagram of a device with a prohibition symbol (no text or labels present)![SONY Bravia KD55XG8596 - Dimenzije: (približno) [mm] - 1](/content/2026/03/464862/images/f1f791b9b90be26769f1ab2a13c12ed3286a24e29bdbbfab88be56ef81a0eedb.jpg)
text_image
Diagram illustrating a mechanical repair or cleaning procedure with workers installing components and a warning symbol.KD-75XG87□□, KD-75XG85□□
![SONY Bravia KD55XG8596 - Dimenzije: (približno) [mm] - 2](/content/2026/03/464862/images/bc81e3f9adfcc3d9cda045679afd1638c4f5f32581aaa2192db97518b12934ae.jpg)
text_image
Diagram illustrating a mechanical repair or installation procedure with labeled parts and directional arrows indicating movement.natural_image
Diagram showing a door with a rectangular opening and a prohibition symbol (no text or labels)![SONY Bravia KD55XG8596 - Dimenzije: (približno) [mm] - 3](/content/2026/03/464862/images/432d3b86a3bcc3cb5ea76a331030972cf4a494d89d41b57e3a5d2621d9d8e82f.jpg)
text_image
Diagram illustrating a procedure for installing or adjusting a device, with labeled parts and warning symbols.natural_image
Illustration of three people lifting a large box with a ruler, no text or symbols presenttext_image
Technical diagram showing a monitor with labeled components (A, B, C, D, E) and a close-up view of the front panel.natural_image
Simple line drawing of a rectangular frame with a small rectangular cutout and a starburst shape at the bottom (no text or symbols)text_image
Safety warning illustration showing hand protection and safety symbols with pictograms of silhouettes carrying footprintstext_image
Technical diagram showing a monitor with labeled components and a close-up view of a mechanical component with a circular inset detail.Нускау
natural_image
Simple line drawing of a rectangular frame with a small rectangle inside and a starburst shape at the bottom (no text or symbols)
text_image
2-a B K F
text_image
2-b B E F
text_image
Diagram showing a monitor with a slide and a scroll, connected to a wall-mounted device, with an arrow indicating direction of motion.
text_image
Diagram showing a monitor with a slide and a wheel, connected to a wall-mounted device, with an arrow indicating direction of motion.ECKEPTY
text_image
Safety instruction diagram showing hand protection and no violations for a device, with two human silhouettes below.text_image
Technical diagram showing installation of a mechanical component with a magnified inset view highlighting the internal structure.ECKEPTY
text_image
Technical diagram of a mechanical or electrical component with labeled parts and mounting points4 Odlučite o položajima vijaka za postavljanje osnove (20) Ⓐ.
Pogledajte specifikacije na strani 18. Prilikom izbora 2-a, izaberite položaje rupa spojnice adaptera ①.
UPOZORENJE
- Zid na koji će se montirati TV treba da bude u stanju da podnese težinu od najmanje četiri puta težine TV-a (Pogledajte Vodič za reference svog TV-a radi njegove težine.).
- Odredite jačinu zida na koji će TV biti montiran. Ojačajte dovoljno zid, ako je potrebno.
Postavljanje osnove na zid
- Upotrebite četiri ili više vijaka prečnika 8 mm ili ekvivalentne (nisu isporučeni).
- Postavite četiri vijka u rupe spojnice osnove ① sa osnovom (20) Ⓐ (samo 2-a).
- Postavite horizontalno osnovu (20) Ⓐ na zid.

text_image
2-a I A
text_image
2-b APriprema za postavljanje TV-a
Pogledajte Vodič za podešavanje za postavljanje postolja.
KD-85/75XG85□□, KD-75XG87□□
1 Obeležite mesto postavljanja na zidu.
natural_image
Diagram of a device with a prohibition symbol (no text or labels present)
text_image
Remenica Ⓑ Odstojnik (20 mm) Ⓔ Remen Ⓕ Vijak (+PSW 6 x 20) Ⓒtext_image
Technical diagram showing two steps of installing or adjusting a device, with one step indicating upward movement and the other highlighting a warning symbol.KD-75XG87□□, KD-75XG85□□

text_image
Diagram illustrating a repair or installation procedure with labeled parts and directional arrows indicating movement.- Ponovite prethodni korak i uklonite drugu stranu postolja za sto.
Napomena
- Troje ili više ljudi je potrebno za odvajanje postolja za sto.
- Vodite računa da prilikom odvajanja postolja za sto od TV-a ne koristite prekomernu silu jer to može da dovede do pada TV aparata i izazove telesnu povredu ili fizičko oštećenje TV-a.
- Pažljivo rukujte sa postoljem za sto da ne biste oštetili TV.
- Pažljivo podižite TV dok odvajate postolje za sto da se ne bi prevrnulo i izazvalo povredu.
- Pažljivo odvojite postolje za sto od TV-a da ne bi palo i oštetilo površinu na kojoj se nalazi TV.
KD-65/55XG87□□,
KD-65/55XG85□□
1 Izvadite vijke sa zadnje strane TV-a.

text_image
1×2 2×22 Pričvrstite delove za pričvršćenje za nosač za postavljanje na zid. Proverite delove za pričvršćenje pozivajući se na „Isporučeno uz SU-WL450“ u „Provera delova“ na strani 5.
Napomena
natural_image
Diagram of a door with a rectangular opening and a prohibition symbol (no text or labels)
text_image
Remenica Ⓑ Odstojnik (20 mm) Ⓔ Remen Ⓕ Vijak (+PSW 6 x 20) Ⓒtext_image
Diagram illustrating a procedure for installing or adjusting a device, with labeled parts and warning symbols.- Ponovite prethodni korak i uklonite drugu stranu postolja za sto.
Napomena
natural_image
Illustration of three human figures assembling a large whiteboard with a ruler and a magnified inset showing internal components (no text or symbols)text_image
Technical diagram showing a monitor mounted on a stand with labeled components A, B, and F, including a close-up view of the screen.2 Postavite TV na osnovu ili spojnicu za osnovu.
- Pažljivo pomerite TV i okačite remenice ⑧ na zadnjoj strani TV-a na osnovu ili spojnicu za osnovu vodeći računa da odgovaraju obliku otvora.
- Nakon montaže TV-a na zid, proverite da li su remenice Ⓑ čvrsto pričvršćene u osnovu ili spojnicu za osnovu.
- Polako otpustite obe ruke da TV ne bio pao.

natural_image
Simple line drawing of a rectangular frame with a dashed rectangle and a starburst shape at the bottom (no text or symbols)- Kada postavite TV na zid, uklonite krep-traku sa zida.

UPOZORENJE
text_image
Safety instruction diagram showing hand protection and safety symbols for a person holding a device3 Sprečavanje pomeranja dna TV-a.
- Podignite labavi deo remena Ⓔ i pričvrstite ga čvrsto na zid.

text_image
2-a 2-b F F- Upotrebite vijak prečnika 5 mm ili ekvivalentan (nije isporučen).
Napomena
text_image
Technical diagram showing a component labeled B pointing to a rectangular panel with internal structure and a magnified view of the component.Napomena
natural_image
Simple line drawing of a rectangular frame with a small rectangle inside and a starburst shape at the bottom (no text or symbols)
text_image
2-a B K F
text_image
2-b B E F
text_image
Diagram showing a monitor with a slide and a scroll, connected to a wall-mounted device with an arrow indicating direction.
text_image
Diagram showing a monitor with a wheel and a wall-mounted device, illustrating the concept of viewing or projection.UPOZORENJE
text_image
Safety instruction diagram showing hand protection with check and no symbols for correct and incorrect handling3 Sprečavanje pomeranja dna TV-a.
- Podignite labavi deo remena Ⓔ i pričvrstite ga čvrsto na zid.

text_image
2-a 2-b F F- Upotrebite vijak prečnika 5 mm ili ekvivalentan (nije isporučen).
Napomena
text_image
Technical diagram showing a mechanical assembly with labeled components and a close-up of a gear mechanism.UPOZORENJE
natural_image
Diagram of a vertical structure with internal components and dotted patterns, no readable text or symbolsתַלְרָה
• וְרָהִי, וְרָה
text_image
Technical diagram of a mechanical component with labeled parts I and A, showing bolted connections and mounting holes.2-b

text_image
Technical diagram of a mechanical component with labeled parts and mounting holesהכלה, 2-הכלה
text_image
• Ⓟ (20) Ⓟ (20) Ⓟ (20)
text_image
(20) (1) ① ② ③ ④ ⑤ ⑥ ⑦ ⑧ ⑨ ⑩ ⑪ ⑫ ⑬ ⑭ ⑮ ⑯ ⑰ ⑱ ⑲ ⑳ ㉑ ㉒ ㉓ ㉔ ㉕ ㉖ ㉗ ㉘ ㉙ ㉚ ㉛ ㉜ ㉝ ㉞ ㉟ ㉳ ㉟ ㉟ ㉟ ㉟ ㉟ ㉟ ㉟ ㉟ ㉟4
.⑨ (20)
natural_image
Diagram showing a refrigerator with a stop sign symbol (no text or labels present)1,9096K32085X5G85□□
KD-75XG87□□ 1,673468200107 KD-75XG85□□
2
.תְקָרִיַעֹל

text_image
Technical diagram showing two steps of installing or adjusting a device, with Chinese annotations and warning symbols.text_image
Diagram showing hands using a device to mark Hebrew and Hebrew text, with a warning symbol below.4
.הכלה
natural_image
Diagram showing a door with a rectangular opening and a prohibition symbol (no text or labels)1
.תְקּוֹרָה

flowchart
graph TD
A["1×2"] --> B["Device"]
C["2×2"] --> B
B --> D["Device"]
style A fill:#f9f,stroke:#333
style C fill:#f9f,stroke:#333

text_image
B E (ה"מ" 20) ב"ר" C (+PSW 6 x 20) ב"ר" F © ( + PSW 6 x 20 ) ב"ר"2
text_image
Technical diagram showing two steps of installing or adjusting a device, with Chinese annotations and warning symbols.• אַרְשׁוֹתָה
natural_image
Simple line drawing of a rectangular frame with a starburst shape at the bottom (no text or symbols)natural_image
Illustration of three human figures assembling a large board with a measuring tool, no text or symbols present-
,הכלההוּרָהִיַעֹרְהָהִיַעֹרְהָהִיַעֹרְהָהִיַעֹרְהָהִיַעֹרְהָהִיַעֹרְהָהִיַעֹרְהָהִיַע .

text_image
Diagram showing a monitor with labeled parts (A, B, C, D, E) and a close-up view of the front panel.
.הכלההוּרָהוּרָהוּרָהוּרָהוּרָהוּרָהוּרָהוּרָהוּרָהוּרָהוּרָהוּרָהוּרָהוּרָהוּרָה

text_image
Technical diagram showing a monitor with labeled components and an inset view of a mechanical assembly with a circular component.1. כְרָה בַתִים
natural_image
Simple line drawing of a rectangular frame with a dashed rectangle and a starburst shape at the bottom (no text or symbols)text_image
Safety instruction diagram showing hand holding a panel with check and no warning symbols, alongside two silhouettes demonstrating the same actions.3
.תְקָרִיַעֹ
• אַרָאִי אַרָאִי (
.הַרְשָׁהִיֶת

text_image
2-a 2-b F
natural_image
Diagram of a mechanical or structural component with a force arrow and labeled point F (no text or symbols present)text_image
Technical diagram showing a mechanical assembly with labeled components and a close-up view of a gear mechanism.תְרָה
תְקַרָה אַלְאָה
EasyManual













