DDLT PinControl 21 - Apkure AEG - Bezmaksas lietošanas instrukcija
Atrodiet ierīces rokasgrāmatu bez maksas DDLT PinControl 21 AEG PDF formātā.
Lejupielādējiet instrukcijas savam Apkure PDF formātā bez maksas! Atrodiet savu rokasgrāmatu DDLT PinControl 21 - AEG un atgūstiet kontroli pār savu elektronisko ierīci. Šajā lapā ir publicēti visi dokumenti, kas nepieciešami jūsu ierīces lietošanai. DDLT PinControl 21 zīmola AEG.
LIETOŠANAS INSTRUKCIJA DDLT PinControl 21 AEG
Apkalpošana un Instalešana 100
Hidrolik kumandali aninda su isitici si
- Drošība 104
- lekartas apraksts 104
- Sagatavošanās darbi 104
- Montaza 105
- Eksplaatacijas sakšana 108
- Nonemšana no ekspluatacijas 108
- Traucejumu noversana 108
- Apkope 109
- Tehniskie dati 109
GARANTIJA
VIDE UN UTILIZACija
IPASI NORADIJUMI
- Ierici drikst lietot berni no 8 gadu vecuma un personas ar iberozotam fiziskam, sensoriskam vai garigam spejam vai nepietiekamu pieredzi un zinaesanam, ja to darbiba tiek uzraudzita vai tas ir sanemuas noradijumus par drosu ierices lietoisanu un ir sapratuas, kadi apdraudejumi no tas izriet. Nelaujiet berniem rota laties ar iceri. Berni nedrikst veikt tirisanu un apkopi lietotaja li-meni, ja vinu darbiba netiek uzraudzita.
- Applaucesanas risks: armatura var uzkarst virs 60^ .
Jabut iespejai atvienot iekartu no tikla ar vismaz 3mm izolacijas atstarpi (sledzi), kas atvieno visus polus.
Piestipriniet iekartu, ka aprakstits nodaja,Instalešana / Montaža".
Nemiet vērā maksimālo piēlaujamo spiédienu (skatīt nodalu „Tehniskie dati / Datu tabula").
Iztuksojiet iekartu, kā aprakstīts nodajā „Instalešana / Apkope / lekaras iztuksošana".
APKALPOŠANA
1. Vispārīgi norādijumi
Nodaja "Ipaşi noradijumi" un "Apkalposana" ir paredzeta iekartas lietotajam un specialistam.
Nodaja „Instalešana“ ir paredzeta specialistam.

Norāde
Pirms lietošanas uzmanīgi izlasiet instrukciju un saglabājiet to.
Nododiet instrukciju nakanamajam lietotajam, ja rodas tada situacija.
1.1 Drošības norādes
1.1.1 Drošibasnorăzuuzbūve

SIGNALVARDSBistamiba
Seit minetas iespejamas sekas, ja netiek ieverotas droibas norades.
» Seit mineti pasakumi, ka izsargaties no bistamibas riska.
1.1.2 Simboli, bistamiba
| Simbols Bīstamība | |
| ! | Trauma |
| Strāvas trieciens | |
| Apdegumi (apdegumi, applaudēšanās) | |
1.1.3 Signalvardi
| SIGNAL- VÄRDS | Nozime |
| BISTAMIL Neievērōjot sīs norādes, tiek gūtas smagas traumas vai zaudēta dzīvība. | |
| BRIDINAJUMS | Neievērojot sīs norādes, var gūt smagas traumas vai zaudēt dzīvību. |
| UZMANIBU Neievērojot sīs norādes, var gūt vidēji smagas vai vieglas traumas. | |
1.2 Parejie apzimejumi sajadokumenta

Norāde
Vispārigie norādijumi raksturo lidzas attelotais symbols.
» Uzmanigi izlasiet norazu tekstus.
| Simbols Nozime | |
| ! | Kaitējums ipašumam (Kaitējums iekārtai, izrietošs kaitējums, kaitējums apkārtējai videi) |
| lekārtas utilizácija | |
» Sis symbols norada uz darbibu, kas jums ir javeic.
Veicamas darbības ir aprakstītās soli pa solim.
1.3 Mervienibas

Norāde
Ja nav noradits citadi, visi izmeri ir milimetros.
2. Drošība
2.1 Merkim atbilstoša izmantošana
lerici ir paredzets lietot majas apstaklos. Personas, kas nav apmacitas, nevar to lietot drosi. lerici drikst lietot ari cita vide, kas nav majsaimnieciba, piemeram, maza uzemumaa, ja vien lietoisanas veids ir lidzigs.
Spiedieniekarta ir paredzeta dzerama udens sildisanai. lekarta var apgadat vienu vai vairakas udens nemsanas vietas.
Citada vai plašaka izmantošana vairs neatbilst paredzē-tajam mérkim. Paredzētajam mérkim atbilstoša izmantošana nozime ari instrukcjias ieverosanu un izmantoto piederumu instrukcjiu ieverosanu.
2.2 Vispārīgas drośības norādes

UZMANIBU apdegumi
Daribas laikā armatura var uzkarst virs 60^ . Kad izejas temperatura ir augstäka par 43^ , pastav risks applaudaceties.

BRIDINAJUMS Traumas
Ierici drikst lietot berni no 8 gadu vecuma un personas ar ierobezotam fiziskam, sensoriskam vai garigam spejam vai nepietiekamu pieredzi un zina-sanam, ja to darbiba tiek uzraudzita vai tās ir sānemusnas noradijumus par drosu icerics lietošanu un ir sapratušas, kadi apdraudejuni no tās izriet. Nelaujiet berniem rojalaties ar iceri. Berni nedrikst veikt firišanu un akopi lietotaja limeni, ja vinu darbiba netiek uzraudzita.

Kaitejums ipasumam
Lietotājam ir jāsarga iekārtu un armatura no sasal-sanas.
Skatīt tipa plakṣṭi ut ākārtas.
Valsts specifikatie tertifikati un apiecibas:
Vacija
Pamatojoties uz federalas zemes celtniecibas noteiku-miem, iekartai ir izniegta vispariga celtniecibas uzraudzibas parbaudes aplieciba, kas apliecina troksu limena atbilstibu izmantoanas nolukam.
AEG
HOL
DIN 4109
PA-IX 6817/I
MPANRW.
3. lekartas apraksts
Caurteces udens silditajs ar hidraulisko vadibu silda udeni, kamer udens plust cauri iekartai. Kad armatura ir atverta un parsniegts ieslegsanas daudzums (skatit nodalu "Tehniskie dati / Datu tabula"), sildisanasistema iesledzas automatiski. Silta udens daudzumu un temperaturu var jestatit ar armaturu.
Jus varat izveleties 2 jaudas pakapes. 2 jaudas pakapes papildus tiek vaditas hidrauliski atkaribā no udens caurpludes daudzuma.
Caurpludes regulators kompensé spiediena svarstibas un tadejädi nodrosina lielā mera nemainigu temperaturu. Regulators ierobezo caurpludes daudzumu un nodrosina, ka vienmer tiek panakts pietiekams dzerama udens temperaturas paaugstinajums.
Siltumsistema
Kveldiega sildelements ar neizoletu stiepli ir ivietota spi-dienizturigā plastmasas korpusā. Siltumsistema ir piēmē-rota gan mīkstam, gan kalkainamūdenim, tā ir ilgstoši nejūtīga pret apkalkosanos. Siltumsistema nodrosina ātru un efektivu apgādi ar siltoūdeni.
4. lestatijumi

26_02_02_0783
1 Nepilna jauda
Pie neliela caurpludes daudzuma tiek ieslegta 1/3 no sildisanas jaudas, pie lielaka caurpludes daudzuma 2/3 no sildisanas jaudas. Sads iestatijums ir piemeropts, piemeram, roku mazgasanai.
2 Pilna jauda
Pie mazaka caurplüdes daudzuma tiek ieslēgta puse no sildīsanas jaudas, pie lielāka caurplüdes daudzuma - pilna jauda. Sāds iestatijums ir piēmerots, piēmeram, skalošanai.
» Nofiksejiet jaudas sledzi vajadzigaj pozicijā.
Iteicamais iestatijums, ja tiek izmantota armatura ar termostatu
» Pagrieziet jaudas sledzi uz pilnu jauu.
4.1 leteikumi armaturu iestatisanai

Norade
Tad, kad ir pilnibā atgreetz udens pateriña krans, bet pilna jauda nenodrosina pietiekamu izplüdes temperatu, caur iekartu plust vairak udens, nekā siltumsistema spej uzkarset (iekarta uz jaudas robezas).
» Samaziniet udens daudzumu ar paterina krnu.
mazs pateriña daudzums = augsta izplüdes tempera-tura
liels pateriña daudzums = zema izpludes temperatu-
» Ja temperatura ir parak augsta un armatura pilnibā atverta, piejauciet klāt aukstoūdeni.
| Jaudas pakāpe | Pielietojums |
| Piina jauda | Visur |
» Pagrieziet armaturas sviru uz visaugstakotemperaturu.
» Atveriet armaturu lidz galam vala.
» Paaugstiniet izejas temperaturu, lenam aizverot armaturu.
» Samaziniet izpludes temperaturu, piejaucot auksto udeni vai vel vairak atverot armaturu, ja tas iriespejams.
Pec udensapgades partraukuma

Kaitejumsipasumam
Lai péc udensapgades partraukuma nesabojatu kveldiega sildelementu, iekartas eksplaatcija jaatsak, veicot turpmak minetas daribas.
» Atvienojiet iekartu no sprieguma, izsledzot drosinatajus.
» Uz vienu minuti atveriet armaturu, lidz iekarta un auksta udens padeves caurulvads ir atgaisots.
» lesledziet tikla spriegumu.
5. Tirišana, kopsana unapkope
» Nelietojiet abrazivus vai skidinosus tirisanas lidzeklus.lekartas kopsanai un tirisanai pietiek ar mitrudranu.
» Regulari pābaudiet armatūras. Kalku nogulsnejumus armaturu izejas jus varat notirit ar tirdzniecībā pieejamiem atkalkosanas lidzekljem.
6. Problemu noversana
| Problème Célonis Novyérşana | ||
| Lai gan siltā udenskrāns ir atgriezts vañalidz galam, lekārtaneieslédzas. | Nav spireguma. Pārba | udiet drošinātā-jus ékas instalacijā. |
| Caurplūdes daudzumsir pārak mazes, lái ieslégtos sildīsana. Aiz-kaljɔjies vai alzsērījstrūklas regula-toru vai duṣas galvas sietiŋu. | Notfriet un / vai atkalj-kojet strūklas regula-toru vai duṣas galvas sietiŋu. | |
Ja nevarat noverst celoni, izsauciet specialistu. Lai vins varetulabak un atrak palidzet, nosauciet numuru no tipa plaksnites (000000-0000-0000):

D0000041614
INSTALEŠANA
7. Drošība
Instalēt iekārtu, uzsākt ekspluataciju, veikt apkopi un remontu dríkst tikai specialists.
7.1 Vispārigas drośibas norādes
Mēs garantējam nevainojamu darbību un darba drošumu tikai tad, ja tiek izmantoti iekātas originalie piederumi un originalās rezervesDSLas.

Kaitejums ipasumam
Nemiet vērā maksimālo ieejas temperatūr. Augstāka temperatūravar sabojāt iekārtu. lemontējot centrāo amatur ar termostatu, jus varat ierobežot maksimālo ieejas temperatūr.
72 Prieksraksti, standarti un noteikumi

Norāde
leverojiet visus nationaños un regionalos prieks-rakstus un noteikumus.
Aizsardzibas pakape IP 25 (aizsargats pret udens struklu) tiek nodrosinats vienigi ar pareizi uzmontetukabela uzmavu.
- Udens ipatnejā elektriskā pretestība nedrǐkst but mazāka nekā norādīts tipa plakṣṭite. Vienotā udens apgādes tikla gadijumā janem vērā udens zemākā elektriskā pretestība (skāṭit nodalu „Tehniskie dati / Izmantośanas jomas / Konversijas tabula"). Udens specifisko elektrisko pretestību vai udens elektrisko vadīspeju jus uzzināsiet no sava udens apgādes uzŋēmuma.
8. lekartas apraksts
8.1 Piegades komplekts
Ariekartupiegada:
Montaza pie sienas
Vitnotas tapas stiprināsanai pie sienas
Montazas sablons
2 dubuliemavas (aukstais udens ar slegvarstu)
Plakanblives
Kabela uzmava (elektriskais pievads augsə/ apaksə)
Skrüves /dibeli aizmugurejās sienas piestiprināsa-nai, ja udens pieslēgums atrodas vir apmetuma
9. Sagatavošanas darbi
9.1 Montăzas vieta

Kaitejums ipasumam
lekārtu drikst instalēt tikai tādā telpā, kas ir pasargata no sala.
Piemontējiet iekārtu vertikāla pozicija netalu no udens paterina vietas.
lekárti piemérota montěsanaï vrs vaz izlietnes.
Montaza zem izlietnes

26_02_02_1345
Piemontējiet iekārtu pie sienas. Sienai jabut ar pietiekamu nestspēju.
9.2 Pievienošana udensvadam
- Nav pielajama eksplaatacija ar uzilditu edeni.
Drosibas varsts nav nepiecesams.
Siltā udens caurulvada nav atlauti drośibas värsti.
Kartigi izskalojiet udens cauruli.Nodrosiniet, ka tiek sasniegts tads udens plusmas tilpums (skatit nodalu „Tehniskie dati / Datu tabula”), kas vajadziga, lai iekarta ieslegtos. Paaugstiniet spiedenu udens caurule, ja nav iespejams sasniegt vajadzigo plusmas tilpumu, kad paterina krans ir atgriezts lidz galam.
Armatūras
Izmantojiet piemerotas spiedienizturigas armaturas. Atvertas armaturas nav pielaujamas.
Spiedienitzurigajam armaturam ar termostatu jabut pie- merotam caurteces udens silditajiem ar hidraulisko va-dibu.

Norāde
Slegvarstu auksta udens pievada niedrikst izmantot, laireguletu udenscaurpludi.Tasir paredzetsiekartas izslegsanai.
Atjautie udens cauruju materiali
Auksta udens sievads:
Karsti cinkotas terauda caurules, legetā terauda, vara vai plastmasas caurules
Siltā udens izejas caurulvads:
Legē tērauda, vara vai plastmasas caurules

Kaitejumsipasumam
Izmantojot plastmasas caurulu sistemas, gemiet vērā maksimalo ieejas temperaturu un maksimalo piejaujamo spiedenu (skatit nodalu „Tehniskie dati / Datu tabula").
Lokanie udens piesluguma caurulvadi
» Instalacijas ar lokanajiem udens piesleguma caurulvadiem nepiiaujiet, ka iekarta tiek pagriezts caurules likums ar bajonetsavienojumiem.
» Nostiprintiet aizmugurejo sienu apaksar divam papildu skruvem.
10. Montaža
10.1 Standarta monta
Elektribas pievienojums augsā, zemapmetuma instalacija
- Udens pieslēgums, zemapmetuma instalacija
Citādas montāžas iespejas skatiet nodaj „Montāžas alternativas":
Elektrbas pievienojums zem apmetuma apaksa
Elektribas pievienojums virs apmetuma
- Slodzes samazinăsanas releja pieslēgums
- Udens instalacija virs apmetuma
Udens instalacija zem apmetuma, iekartas nomina
lekartas atversana

»Atverietiekartu,atblokejotfiksatoru.

» Nonemiet aizmugurejo sienu, nospiezot abus fiksjo-sas melites un pavelkot aizmugurejas sienas apaks-dalu uz prieksu.
Tikla kabela sagatavošana

26_02_02_0887
Sienes stiprinajuma montaza

26_02_02_0972
» Ar montāzas sablonu atzimejiet izurbjamos caurumus. Ja udens pieslēgumi atrodas vir apmetuma, jums papildus jaatzime arī stiprinajumu caurumi, kas atrodas sablona apaksdala.
Izurbiet carumus un nostiprintet sienas piekari ar 2 skruvēm un 2 dibeljem (skruves un dibeli neietilpst piegādes komplektā).
lemontejiet komplektam pievienotas vītnotās tapas.
» Samontējiet sienas piekari.
Kabela uzmavas montaža

26_02_02_0950
» Uzmontējiet kabela uzmavu. Ja pieslēguma kabelis > 6 mm², palielinet caurumu kabela uzmavā.
Udens piesleguma izveidosana

Kaitejums ipasumam
Visus udensvada pievienosanas un instaleesan dasbus veiciet atbilsto prieksrakstiem.

» Nobilvejiet un iskrueviejdtubultiemavas.

Kaitejums ipasumam
Slegvarstu auksta udens pievada nedrikt izmantot, la reguletu udens caurpludi.
Aizmugurejās sienes sagatavošana

Kaitejums ipasumam
Ja jus nejauši esat izlauzis nepareizu caurumu aizmugurejā siena, jums ir vajadžiga jauna aizmugurejā siena.

000000000000000000000000000000000000000000
» Aizmugurejā siena izlauziet atzmeto vietu, kas pare-dzeta kabela uzmavai. Ja nepiecesams, asas malas novilejet ar vii.
lekartas montaza

0000041897
» Novietojiet aizmugurejo sienu pret vityotajam tapam un kabela uzmavu. Ar knaiblem izvelciet kabela uzmavu cauri aizmugurejai sienai, lidz abi fiksatori ar troksni nofiksujas.
» No udens pieslēguma caurulem iznemiet transportešanas aizbăznus.
» Cieši piespieddiet klāt aizmugurejo sienu unnofikse-jiet ar piestiprinăsanas skruvi, pagriežot to uz labo pusi par 90^

D0000041925
Uz dubtiemavam uzkrvejiet udens piesleguma caurules kopa ar plakanblivem.
Kaitejums ipasumam
Lai iekarta darbotos, jabut iemontetam filtram.
» Nomainot iekärtu, pärbaudiet, vai ir filtrs (skatit nodalu „Apkope").
Pievienošana elektrotiklam

BRIDINAJUMS Stravas trieciens
Visus elektrotíka pievienošanas un elektroinstalešanas darbus veiciet atbilstoš prieksrakstiem.

BRIDINAJUMS Stravas trieciens
Pievienojums pie elektrotikla ir atlauts vienigi ka stacionars pieslegums apvienojumar iznemamu kabela uzmavu. Jabut iespejai atvienot iekartu no tikla ar vismaz 3 mm izolacijas atstarpi (sledzi), kas atvieno visus polus.

BRIDINAJUMS Stravas trciens
Raugieties, lai iekarta butu pievienota pie zemejuma vada.
Kaitejums ipasumam
Nemiet vērā tipa plaksniti. Noraditajam spriegumam ir jabut vienadam ar tikla spriegumu.
» Savienojiet elektribas kabeli ar tikla pieslëguma spailēm (skatīt nodalu „Tehniskie dati / Elektriskā shēma").
Aizmugurejās sienes apaksdalas montaza

2602021348
Piemontejiet pie aizmugurejas sienas apaksjo daju unnofiksijet.
» Atskruvejiet piestiprināsanas skruvi un izlidziniet samonteto iekartu, elektrisko pievienojumu un aizmugurejo senu, pec tam aizgrieziet piestiprināsanas skruvi. Ja iekartas aizmugureja siena nepiegul sienai, jus varat nostiprinat iekartu ar divam papilduskruvem.
10.2.1 Elektribas pievienojums zem apmetuma apaksā

» Uzmontējiet kabela uzmavu.

Kaitejumsipasumam
Ja jus nejauši esat izlauzis nepareizu caorum aizmugurejā siena, jums ir vajadžiga jauna aizmugurejā siena.
» Aizmugurejā sienā izlauziet atzimeto vietu, kas paredzeta kabela uzmavai. Ja nepiecesams, asās malas novilejet ar vii.
lekārā eosās tikla pieslēguma spailes parlieciet no augsas uz apaksu.
» Novietojiet aizmugurejo sienu pret vitnotajam tapam un kabela uzmavu. Ar knaiblem izvelciet kabela uzmavu cauri aizmugurejai sienai, lidz abi fiksatori ar troksni nofiksejas.
» Cieši piespieddiet klāt aizmugurejo sienu unnofikse-jiet ar piestiprināsanas skruvi, pagriežot to uz labo pusi par 90^
10.2.2 Elektribas pievienojums virs apmetuma

Norāde
Sādā pieslēgumā iekārta iegust citu aizsardzības pakāpi.
Izlabojiet tipa plaksniti. Nosvitrojiet IP 25 un ievelciet krustingu lodzina IP 24. Sim nolukam izmantojiet lodisu pildspalvu.

Kaitejums ipasumam
Ja jus nejauši esat izlauzis nepareizu caurumu aizmugurejā sienā, jums ir vajadžīga jauna aizmugurejā siena.
Aizmugurejā sienā gliti izgrieziet vai izlauziet kabelim vajadzigo caorum (pozicijas skatit nodāa „Tehniskie dati / Izmeri un savienojumi"). Ja nepieciesams, asās malas novilejiet ar vii.
Izvelciet elektrotikla kabeli caur kabela uzmavu un pievienojiet pie tikla piesleguma spailem.
10.2.3 Slodzes samazināsanas releja pieslēgums
Elektriskaja sadale piesledziet slodzes samazināsanas releju, ja pastāv vēl cites elektriskās iekārtas, piemēram, siltā udens tvertne, kas darbojas ar elektrūb. Slodzes nomešana notiek tad, kad darbojas caurplūdes udens silditājs.

Kaitejumsipašumam
Savienojiet fazi, kas iesledz slodzes samazinanasanas releju, ar iezmeto spaili iekartas tikla piesleguma spailu bloka (skatit nodalu „Tehniskie dati / Elektriska shema").
10.2.4 Udens instalacija virs apmetuma

Norade
Sādā pieslēgūmā iekārta iegūst citu aizsardzības pakāpi.
Izlabojiet tipa plaksni. Nosvitrojiet IP 25 un ilevelciet krustiu lodzina IP 24. Sim nolukam izmantojiet lodisu pildspalvu.

26_02_02_0765
lemontejiet udens noslegus ar blivem, lai noslegtu zemapmetuma pievienojumu.
Piemontējiet piēmērotu spiedienitzürgu armatūr.

26_02_02_1006
Aizmugurejas sienas apaksdalu nofiksejet pie aizmugurejas sienas augsdalias.
Pieskrüvējiet pie iekārtaesieslēguma caurules.
Nostipriniet aizmugurejo senu apaksar divam papildu skruvem.
lekartas parsegagliti izlauziet caurumus cauvadiem.Ja nepiecesams,asas malas novilejiet arvili.
Aizmugurejas sienas apaksjo calu pabidiet zem armaturas piesleguma caurulem unnofiksejiet.
Pieskruevjiet pie iekartas piesleguma caurules.
10.3 Montañas pabeigšana
» Atveriet slegvarstu auksta udens pievada vai dubultiemava.
11. Eksplaatacijas saksana

BRIDINAJUMS Stravas trieciens
lekartas ekspluataciju drikst uzsakt vienigi specia-lists, ieverojot visus droibas noteikumus.
11.1 Pirmreizējā ekspluatacijas sākšana



D0000041620
» Vairakas reizes atgrieziet un aizgrieziet visus pievienotos udens paterina kranus, lidz caurulyadu tikls un iekarta ir atgaisota.
» Veiciet hermetiskuma kontroli.
» Aktivizējiet drośības spiediena ierobežotāju, stingri iespiežot atblokešanas taustiu (iekārta tiek piegādāta ar deaktivizētu drośības spiedena ierobežotāju).
» Uzlieciet iekartas parsegu, lai tas ar skanunofiksetos. Parbaudiet iekartas parsega novietojumu.
lesledziet tikla spriegumu.
» Pärbaudiet iekārtas darbību.
lekartas nodosana citam lietotajam
» Izskaidrojiet lietotajam iekartas daribbas principu un iepazistiniet vinu ar iekartas lietoisanu.
Noradiet lietotajam iespajamos riskus, jo ipaşi appluceesanis risku.
» Atdodiet šo instrukciju.
11.2 Atkartota eksplaatacijas uzsak'sana
Atgaisojiet iekarti un aukstadens pievadu (skatit nodaju "lestatijumi").
Skatit nodalu „Pirmreizejā ekspluatacijas sāksana".
12. Noemšana no ekspluatacijas
» Atvienojiet iekartu no tikla piesleguma, atvienojot visus polus.
Iztuksojiet ekartu (skatit nodalu "Apkope").
13. Traucejumu noversana
| Traucëjums Cëlonis Novërsana | ||
| Pärak maza caur- plüde. | Aizserejis iekãtas filtrs. | Iztfriet filtru. |
| Caurplüdes regulators neieslëdzas, neraugo- ties uz pilinbā atvërtu armatūru. | Netiek sasniegtns ne- pieciešamais ieslëg- šanas daudzums, lai ieslëgtos sildësana. | Iztfriet filtru. |
| Ierice, neraugoties uz dzirdamu spiedena starpības slëdza ie- slëgşanos, nesasilda üdeni. | Drośibas spiediena izerobežotãs (AP 3) drošibas dël ir izsëd-zis ieriç. | Likvidëjiet traucëjuma cëloni (piemēram, bo- jäts spiedena vãrsts). |
| Pasargäjiet siltumsis- tëmu no pärkarësanas, uz vienu minuti atverot patēriŋa krānu, kas instalëts tãläk aiz iekãras. Sãdã veidã siltumsistëmã sama- zinãsies spiediens, un tã tiks arì atdzësêta. | ||
| Kad pastãv plūsmas spiediens, aktivizëjiet drošibas spiedena ie- robežotãju, nospiéžot atblokeësanas taustiŋu (skatīt nodalu „Pirm- reizeëjã eksplaatãcijas sãkësana"). | ||
| Siltumsistëmas defekts. | Izmēriet sildësanas sistëmas pretestíbu un nomainiet pretestí-bu, ja nepiecesësams. | |
14. Apkope

BRIDINA JUMS Stravas trieciens
Pirms jebkadiem darbiem vienmer atvienojiet iekartu no tikla piesleguma, atvienojot visus polus.
lekartas iztuksošana
Pirms apkopes darbiem jus varat iekatu iztuksjt.

BRIDINAJUMS Apdegumi
Iztuksojot iekartu, var iztecet karsts udens.
Aizveriet slegvarstu auksta udens pievada vaidubultiemavā.
» Atveriet visus udens paterina kranus.
» Atvienojiet no iekartas udens pieslēgumus.
Demonteto iekartu uzglabajiet no sala pasargatavieta,jo iekartavelirpalicisudens,kas sasalstot var radit bojajumus.

Filtratirisana
26_02_02_0949
Ja filtrs ir aizserejis, iztiriet filtru, kas atrodas auksta udens piesleguma skruvsavienojumā. Pirms sakat filtra demon-tazu, tiri'sanu un iemontesanu, aizveriet auksta udens pievada slegvarstu.
15. Tehniskie dati

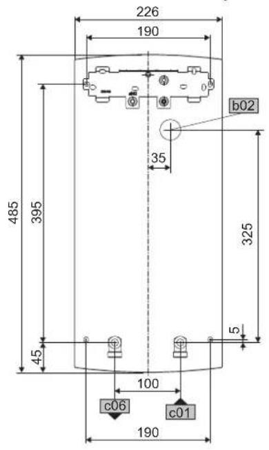
15.1 Izmeri un savienojumi

D0000017757
| b02 | Caurvads elektrifbas vadiem I | ||
| c01 | Aukstã üdens pievads Ärejã vitne G 1/2 | A | |
| c06 | Siltã üdens izvads | Ärejã vitne | G 1/2 A |

Alternativas pieslegesan iespejas
D0000019778
| b02 | Caurvads elektrifbas vadiem I |
| b03 | Caurvads elektrifbas vadiem II |
| b04 | Caurvads elektrifbas vadiem III |
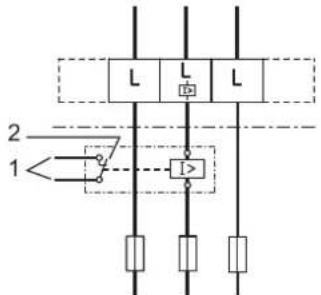
15.2 Elektriskā shēma

3/PE 400V
85_02_02_0002

Prioritates slegums ar LR 1-A
8502020003
1 Vadības vads uz 2. iekārta (piēmēram, siltāūden tvertnes, kas darbojas ar elektrūb.) kontaktoru.
2 Vadibas kontaks atveras, kad iesledzas caurpludes udens silditajs.
15.3 Siltā udens padeves jauda
Siltā udens padeves jauda ir atkarīga no tikla sprieguma, iekātas elektriskās jaudas un aukstā udens ieejas temperūrūs. Nominālais spriegums un nominā ljauda ir norā-dīta tipa plaksīne (skatīt nodalu „Probleμ nu novērsana").
| Elektriskā jauda, kW Siltāūden s padeves jauda 38 °C, l/min. | ||||
| Nominalais spiregums pienakōsā aukstāūden temperatura | ||||
| 400 V | 5 °C | 10 °C | 15 °C | 20 °C |
| 13,5 | 5,8 | 6,9 | 8,4 | |
| 18,0 | 7,8 | 9,2 | 11,2 | |
| 21,0 | 9,1 | 10,7 | 13,0 | 16,7 |
| 24,0 | 10,4 | 12,2 | 14,9 | |
| Elektriskā jauda, kW | Siltāūden s Wadeves jauda 50 °C, l/min. | |||
| Nominalais spiregums pienakōsā aukstāūden temperatūrā | ||||
| 400 V | 5 °C 10 °C | 15 °C | 20 °C | |
| 13,5 | 4,3 | 4,8 | 5,5 | 6,4 |
| 18,0 | 5,7 | 6,4 | 7,3 | |
| 21,0 | 6,7 | 7,5 | 8,6 | |
| 24,0 | 7,6 | 8,6 | 9,8 | |
15.4 Izmantošanas jomas / Konversijas tabula
Ipatneja elektriska pretestiba un Ipatneja elektriska vaditspeja (skatit nodalu „Datu tabula").
| Norma pie 15 °C | 20 °C | 25 °C | ||||||
| Pre-testbaρ ≥ | Vadītspēja σ ≤ | Pre-testbap ≥ | Vadītspēja σ ≤ | Pre-testbap ≥ | Vadītspēja σ ≤ | |||
| Ωcm | mS/m | μS/cm | Ωcm | mS/m | μS/cm | Ωcm | mS/m | μS/cm |
| 900 | 111 | 1111 | 800 | 125 | 1250 | 735 | 136 | 1361 |
15.5 Spiediena kritums
Armatūras
| Spiediena kritums armaturās, kad plūsmas tilpums ir 10 l/min. | ||
| Viensviras maisitājs, apm. | MPa | 0,04 - 0,08 |
| Armatūra ar termostatu, apm. | MPa | 0,03 - 0,05 |
| Rokas duša, apm. | MPa | 0,03 - 0,15 |
Aprekinot caurulvadu tikla izmerus, ieteicams pienem, ka spiedena kritums ikartā ir 0,1 MPa.
15.6 Avarijas apstakli
Traucejumagadijumainstalacijta tslaicigiriespejamatemperatura maks. 95^, ja spiediens ir 1,2 MPa.
| DDLT PinControl 13 | DDLT PinControl 18 | DDLT PinControl 21 | DDLT PinControl 24 | ||
| 222384 | 222385 | 222386 | 222387 | ||
| Răžotăjs | AEG Haustechnik | AEG Haustechnik | AEG Haustechnik | AEG Haustechnik | |
| Slodzes profils | XS | S | S | S | |
| Energoefektivitätes klase | A | A | A | A | |
| Strāvas patērīns gadā | kWh | 469 | 483 | 483 | 483 |
| Energijas lietderības koeficients | % | 39 | 38 | 38 | 38 |
| Temperatūras rūnPīcas iestatījums | °C | - | - | - | - |
| Skaņas jaudas liimenis | dB(A) | 15 | 15 | 15 | 15 |
| Ipaši norādījumi efektivitätes mērišanai | Nēra | Nēra | Nēra | Nēra |
15.8 Datu tabula
| DDLT PinControl13 | DDLT PinControl 18 | DDLT PinControl 21 | DDLT PinControl 24 | ||
| 222384 222385 222386 222387 | |||||
| Elektriskie raksturlielumi | |||||
| Nominālais spiregums V 400 400 400 400 | |||||
| Nominālā jauda, 400 V, I pakāpe min. | kW | 4,6 | 6,3 | 7,4 | 8,3 |
| Nominālā jauda, 400 V, I pakāpe maks. | kW | 10,6 | 14,3 | 16,8 | 19,0 |
| Nominālā jauda, 400 V, II pakāpe min. | kW | 6,8 | 9,2 | 10,8 | 12,2 |
| Nominālā jauda, 400 V, II pakāpe maks. | kW | 13,3 | 18,0 | 21,1 | 23,8 |
| Nominālā jauda | kW | 13,5 | 18 | 21 | 24 |
| Nominālā strāva | A | 19,5 | 26 | 31 | 35 |
| Drošinātājs | A | 20 | 25 | 32 | 35 |
| Fāzes | 3/PE | 3/PE | 3/PE | 3/PE | |
| Frekvence | Hz | 50 | 50 | 50 | 50 |
| Ipatnējā pretestība ρ15 ≥ (ja ðaukst ≤25°C) | Ω cm | 900 | 900 | 900 | 900 |
| Ipatnējā vadītspēja σ15≥ (ja ðaukst ≤25°C) | μS/cm | 1111 | 1111 | 1111 | 1111 |
| Versijas | |||||
| Aizsardzības pakāpe (IP) | IP25 | IP25 | IP25 | IP25 | |
| Aizsardzības klase | 1 | 1 | 1 | 1 | |
| Izolācijas apvalku | plastmasa | plastmasa | plastmasa | plastmasa | |
| Siltumsistēma | Neizolēta stieple | Neizolēta stieple | Neizolēta stieple | Neizolēta stieple | |
| Pieslēguma kārvas | |||||
| Pievienošana ùdensvadam | G 1/2 A | G 1/2 A | G 1/2 A | G 1/2 A | |
| Lietošanas ierobežojumi | |||||
| Maks. piēλujamais spiediens | MPa | 1 | 1 | 1 | 1 |
| Vīrtības | |||||
| Maks. piēλujamā ķdens ieejas temperatūrā | °C | 25 | 25 | 25 | 25 |
| Ieslēgšanas līmeṇa I | l/min. | 2,4 | 3,0 | 3,5 | 4,1 |
| Ieslēgšanas līmeṇa II | l/min. | 3,9 | 4,9 | 5,6 | 6,3 |
| Spiediena kritums, pastāvot plūsmai | MPa | 0,09 | 0,11 | 0,13 | 0,15 |
| Plūsmas tilpums, kas rada spiediena kritumu | l/min. | 3,9 | 4,5 | 5,6 | 6,3 |
| Plūsmas tilpuma ierobežojums pie | l/min. | 4,7 | 5,9 | 7,0 | 7,8 |
| Siltā ùdens nodrošinājums | l/min. | 7,0 | 9,4 | 11,1 | 12,5 |
| Δθ pie nodrošinājuma | K | 26 | 26 | 26 | 26 |
| Hidraulskie dati | |||||
| Nominālais tilpums | I | 0,4 | 0,4 | 0,4 | 0,4 |
| Izmēri | |||||
| Augstums | mm | 485 | 485 | 485 | 485 |
| Platums | mm | 226 | 226 | 226 | 226 |
| Džijums | mm | 93 | 93 | 93 | 93 |
| Svars | |||||
| Maks. piēλujamais spiediens | kg | 3,6 | 3,6 | 3,6 | 3,6 |
Garantija
Vacijas uzemumu garantijas noteikumi neattiecas uz iekar tam, kas pirktas arpus Vacijas. Valstis, kuras msu meitas uzemuni tirgo msu izstradajumus, attiecigu garantiju var izsniegt tikai sis meitas uzemums. Sada garantija tiek pieskirta tikai tad, ja meitas uzemums izstradajis savus garantijas noteikumus. lekartai netiek pieskirtas nikadas CITAS garantijas.
lekārtām, kas iegādātas valstīs, kurās mūsu meitas uzñēmuni netirgo mūsu izstrādājumus, nevaram pieskirt nikādas garantijas. Sis punkts neattiecas uz garantijām, ko izsniedz importetājs.
Vide un UTILIZÁCija
Palidziet sargat vidl! Utilizejiet izlietotos materialus saskaanar valsti speka esosajiem noteikumiem.
VieglaRokasgrāmata