HPG25 - HPG40 - HPG50 - HPG70 - Pompa di calore per piscina GRE - Manuale utente e istruzioni gratuiti
Trova gratuitamente il manuale del dispositivo HPG25 - HPG40 - HPG50 - HPG70 GRE in formato PDF.
Questions des utilisateurs sur HPG25 - HPG40 - HPG50 - HPG70 GRE
0 question sur cet appareil. Repondez a celles que vous connaissez ou posez la votre.
Poser une nouvelle question sur cet appareil
Scarica le istruzioni per il tuo Pompa di calore per piscina in formato PDF gratuitamente! Trova il tuo manuale HPG25 - HPG40 - HPG50 - HPG70 - GRE e riprendi in mano il tuo dispositivo elettronico. In questa pagina sono pubblicati tutti i documenti necessari per l'utilizzo del tuo dispositivo. HPG25 - HPG40 - HPG50 - HPG70 del marchio GRE.
MANUALE UTENTE HPG25 - HPG40 - HPG50 - HPG70 GRE
3.5 Disposizione tipica
| Quito simbolo indica che sono disponibili ulteriuri informazioni nel Manuale d'uso nel Manuale d'installazione. | Questo simbolo indica che l'apparecchio usa R32, un refrigerante a bassa velocità di combustione. |
| Questo simbolo indica che il Manuale d'uso deve essere letto con attenzione. | Questo simbolo indica che un technique addetto alla manutenzione deve intervenire sull'apparecchio nel rispetto del Manuale d'installazione. |
AVVERTENZE GENERALI
Il mancato rispetto delle avventenze potrebbe causare danni all'attrezatura della piscina o comportare ferite gravi, se non addirittura il decreso.
- Solo personale qualificato nei settori tecnici interessati (elettrico, idraulico o della refrigerazione) è abilitato ad eseguire lavori di manutenzione o di riparazione dell'apparecchio. Il techniciano qualificato che interviene sull'apparecchio deve utilizzato/indossare un dispositivo di protezione individuale (quali occhiali di sicurezza, quanti di protezione, ecc.) per ridurre il rischio di lesioni che potrebbero verificarsi durante l'intervento sull'apparecchio.
- Prima di qualiasi'intervento sull'apparecchio, accertarsi che non sia collegato alla rete elettrica e fuori servizio.
- Questo appearecchio non è destinato a essere utilizzato da persone (bambini inclusi, dagli 8 anni in su) privile di esperienza o con deficit fisici, sensoriali o mentali accetto se sosto sorveglianza oppure dopo che le stesse abbiano ricevuto istruzioni relative all'uso dell'apparecchio da una persona responsabile della loro sicurezza; e se comprendono i pericoli che comaporta.
- Sorvegliare i bambini per assicurarsi che non giochino con l'apparecchio.
- L'installazione dell'apparecchio deve essere eseguita conformmente alle istruzioni del produttore e nel rispetto delle normative locali e nazionali in vigore. L'installatore è responsable dell'inflazione dell'apparecchio e del rispetto delle normative nazionali vigenti in materia di installazione. In alcun caso il fabbricante pourrait essere ritenuto responsable in caso di mancato rispetto delle norme d'inflazione locali vigenti.
- Per operazioni di manutenzione diverse da quale semplici descrirente nel presente manuale che possono essere realizzate dall'utilizzatore, è necessario rivolgersi a un technician specializzato.
- Un'installazione /o un utilizzo errati possono comportare danni materiali o corporali gravi (che possono causare ildecesso).
In caso di malfunzionamento dell'apparecchio: non cercare di riparare l'apparecchio da soli e contattare un technician补水.
- La disattivazione, l'eliminazione o l'aggiramento di uno degli elementi di sicurezza dell'apparecchio annulla automaticamente la garanzia al pari dell'utilizzo di pezioni di ricambio di un terzo non autorizzato.
Non spruzzare insetticida o altri prodotto chimico (infiammabile o non infiammabile) in direzione dell'apparecchio, potrebbe deteriorare la scocca e causare un incendio.
Non toccare il ventilatore né i componenti mobili e non insertire oggetti né le dita vicino ai componenti mobili quando l'apparecchio è in funzione. I componenti mobili possono provocare lesioni gravi che possonoanche portare aldecesso.
- Tenere la scheda video in un'area asciutta o chiudere bene il coperchio isolante per proteggere la scheda video da eventuali danni causati dall'umidità.
AVVERTENZE LEGATE AGLI APPARECCHI ELETTRICI
L'alimentazione elettrica dell'apparecchio deve essere protetta da un dispositivo di protezione a corrente differenziale residua (DDR) di 30mA dedicato, conformmente alle norme vigenti nel paese di installmente.
Non utilizzato una prolunga per collegare l'apparecchio; collegarlo direttamente a un circuito di alimentazione adatto.
- Prima di qualunque operazione verificare che:
La tensione indicata sulla targhetta segnaletica dell'apparecchio corrisponde a quella della rete elettrica,
La rete elettrica sua adatta all'uso dell'apparecchio e disponga di una presa di terra,
La sched di alimentazione (se presente) si adatta alla presa di corrente.
Non scollegare e ricollegare l'apparecchio quando è in funzione.
Non tirare il cavo di alimentazione per scollegarlo.
- Se il cavo di alimentazione è danneggiato, va tassativamente sostituito dal produttore, da un technique incaricato della manutenzione o da un soggetto qualificato, per garantire la sicurezza.
Non effettuare operazioni di manutenzione dell'apparecchio con le mani bagnate o se l'apparecchio è bagnato.
- Prima di collegare l'apparecchio alla fonte di alimentazione, controllare che il blocco di raccordo o la presa di alimentazione alla quale sarebbe collegato l'apparecchio siano in buono stato e non siano danneggiati o arrugginiti.
In caso di tempo burrascoso, scollegare l'apparecchio di alimentazione per evitare che sia danneggiato da un fulmine.
Non immerge l'apparecchio in acqua o nel fango
AVVERTENZE RIGUARDANTI GLI APPARECHI CONTENTI REFRIGERANTE R32
Il refrigerante R32 è un refrigerante di categoria A2L, considerato potenzialmente inflammabile.
Non disperse di fluido R32 nell'atmosfera. Questo fluido è un gas fluorurato ad effetto serra, coperto dal protocollo di Kyoto, con un potenziale di riscaldamento globale (GWP) = 675 (normativa europea UE 517/2014).
L'apparecchio deve essere conservato in un luogo ben areato lontano da fiamme.
Installare l'unità all'esterno. Non installare l'unità all'interno o in uno spazio chiuso e non areato all'esterno.
Non utilizzato mezzi di accelerazione del processo di sbrinamento o di pulizia diversi da quelli raccomandati dal produttore.
L'apparechio deve essere conservato in un locale privo di fonti di scintilla costamente in funzione (ad esempio: fiamme all'aperto, apparechio a gas in funzione o riscaldamento elettrico in funzione).
Non forare, né incenerire.
Il refrigerante R32 può emanare un certo odore.
- Nel rispetto delle norme e dei regolamenti pertinenti in materia ambientale e relativi all'installazione, dello specifico il decreto N° 2015-1790 e/o la regolamentozza europea UE 517/2014, delve essere effettuata una ricerca della presenza di perdite sul circuito di raffreddamento almeno una volta l'anno. Questa operazione deve essere effettuata da un technique certificato degli appearecchi di raffreddamento.
Tenere la sched a video in un'area asciutta o chiudere bene il coperchio isolante per proteggere la scheda video dai danni causati dall'umidità.
MANUTENZIONE: AVVERTENZE RIGUARDANTI GLI APPARECCHI CONTENTI REFRIGERANTE R32
- Durante le fasi d'installazione, di riparazione, di manutenzione, è vietato utilizzato i tubi come poggiapiedi: tutto la sollecitatione, i tubi potrebbero rompersi e il refrigerante potrebbe provocare gravi usioni.
- Durante la fase di manutenzione dell'apparecchio, saranno controllati la composizione e lo stato del fluido termovettore eanche l'assenza di trasce di refrigerante.
- Durante il controlo annuale della tenuta stagna dell'apparecchio, in conformità alle leggi vigenti, verificare
che i pressosti alte e bassa pressione siano collegati correttamente al circuito refrigerante e che interrompano il circuito elettrico in caso di scatto.
- Durante la fase di manutenzione assicurarsi che non ci siano trace di corrosione o di macchie d'olio intorno ai componenti frigoriferi.
Non brasse o saldare il tubo se c'è del refrigerante all'interno della macchina. Si prega di non caricare il gas quando ci si trovava in uno spazio ristretto.
Verifica della zona
- Prima di iniziare a lavorare su sistemi che contengono fluidi frigorigeni infiammabili, è necessario effettuare dei controlli di sicurezza per garantire la riduzione del rischio di scintille.
Procedura di lavoro
- I lavori devono essere effettuati secondo una procedura controllata per evitare il pericolò di liberazione di gas o vapore infiammabile durante le operazioni.
Zona generale di lavoro
Il personale addetto alla manutenzione e le altre personne che lavorano nell'area vicina devono essere messi al corrente dei lavori effettuali. Devono essere evitati i lavori in spazi confinati.
- Prima di ogni intervento sul circuito refrigerante, è imperativo arrestare l'apparecchio ed aspettare alcuni minuto prima di installare i sensori di temperatura o di pressione, alcuni apparecchi come il compressore e i tubi possono raggiungere temperature superiori a 100^ e pressioni elevate che possono provocare gravi usioni.
Verifica della presenza di refrigerante
- La zona deve essere sottoposta a verifica utilizzando un rilevatore di refrigerante appropriato prima e durante i lavori, casi che il technician sa ia avertito della presenza di un'atmosfera potenzialmente tossica o infiammabile. Accertarsi che l'apparecchio di rilevazione delle perdite utilizzato sua adatto a essere utilizzato per tutti i refrigeranti interessati,cision non possa provocare scintille,sa correttamente isolato o perfettamente sicuro.
Presenza di un estintore
- Se devono essere effettuati lavori che comportano una certa temperatura sull'apparecchio frigorifero o su qualiasi componente associato, un disposito antincendio deve trovarsi a portata di mano. Posizonare un estintore a polvere o a CO2 vicino alla zona di lavoro.
Assenza di sorgente d'ignizione
- Nessun soggetti che effettua lavori su unsystema frigorigeno che comportano l'esposizione della tubatura delveutilizzare qualiasi sorgente di scintille che potrebbe provocare un incendio o un'esplosione. Tuttle le possibili sorgenti di scintille, in particolare le sigarette, devono essere tenute a sufficiente distance dal situ d'installazione, di riparazione, di rimozione o di eliminazione quando il refrigerante può potenzialmente essere liberato nello spazio circostante. Prima di procedere con i lavori, è necessario esaminare la zona intorno all'apparecchio per accertarsi dell'assenza di pericoli di incendio o di scintille. Devono essere esposti dei cartelli "Vietato fumare".
Ventilazione della zona
- Prima di accedere in qualunque modo all'unità per effettuare qualsiasi tipo di manutenzione, accertarsi che la zona sia aperta e ben areata. Durante la manutenzione dell'unità deve essere mantenuta un'areazione adeguata, che permette la dispersione in sicurezza del refrigerante che potrebbe essere liberato nell'atmosfera.
Verifica dell'apparecchio di refrigerazione
- Vanno sempre rispetto le raccomandazioni del produttore relative alla manutenzione. Durante la sostituzione di componenti elettrici, accertarsi di utilizzato solo componenti dello stesso tipo e della stessa categoria, raccomandi/approvati dal produttore. In caso di dubbio, consultare il servizio di assistenza tecnica del produttore per chiedere aiuto.
Devono essere effettuate le seguenti verifiche sugli impianti che utilizzato refrigeranti inflammabili:
le marcature presenti sull'apparecchio devono rinanere visibili e leggibili, eventuali marcature o simboli illeggibili devono essere corretti:
le tubature o i componenti refrigeranti sono installati in una posizione nella quale è peu probabile che siano esposti a sostanze in grado di corrodere componenti contenti refrigerante, sempre se i componenti sono fabbricati con materiali normalmente resistenti alla corrosione o correttamente protetti contro una corrosione di quello tipo.
Verifica dei componenti elettrici
- La riparazione e la manutenzione dei componenti elettrici devono comportare controlli si sicurezza iniziali e procedure di ispezione dei componenti. Se si verifica un malfunzionamento che può promiettere la sicurezza, il circuito non deve essere in alcun modo collegato all'alimentazione elettrica fino a che il problema non sia stato completamente risolto. Se il malfunzionamento non può essere corretto subito, ma i lavori devono proseguire, deve essere trovata una soluzione temporanea adeguata. Il problema va segnalato al proprietario dell'apparecchio sono che tutte le persone coinvolte siano avvertite.
- La riparazione e la manutenzione dei componenti elettrici devono comportare i seguenti controlli di sicurezza iniziali:
i condensatori sono scarichi:但这 opération va effettuata in sicurezza per evitare la possibilità di scintille; nessun componente elettrico, né alcun cablaggio alimentato è esesto durante la carica, il ripristino o lo spurgo delsystema:
il collegamento alla terra delve essere sempre presente.
Riparazione su componenti isolati
In caso di riparazioni su componenti isolati, scollegare l'alimentazione elettrica dell'apparecchio sul quale vengono effettuati i lavori prima di togliere il coperchio d'isolamento, ecc. Se l'alimentazione elettrica dell'apparecchio è assolutamente necessaria durante la manutenzione, è necessario posizionare un rivelatore di perdite che funzione di continuo nel punto più critico per segnalare situazioni potenzialmente pericolose.
- Prestare particolare attenzione ai punti seguenti per essere certi che, durante l'intervento sui componenti elettrici, il quadro elettrico non sia alterato al punto di promiettere il livello di protezione. Ciò deve includere i cavi danneggiati, un numero eccessivo di collegamenti, morsetti non conformi alle caratteristiche originarie, guarnizioni danneggiate, INSTALLazione errata dei premistoppa, ecc.
Assicurarsi che l'apparecchio sia fissato correttamente.
- Accertarsi che le guarnizioni o i materiali isolanti non siano danneggiati al punto da non impedire più a un'atmosfera infiammabile di penetrare nel circuito. I pezzi di ricambio devono essere conformi alle specifiche del produttore.
Riparazione dei componenti intrinsecamente sicuri
Non applicare cariche d'induzione o capacità elettrica permanente al circuito sulla accertarsi che quest'ultima non superi la tensione e l'intensità autorizzate per l'apparecchio che si sta utilizzando.
- Normalmente, i componenti sicuri sono gli unici tipi sui quali è possible lavorare in presenza di un'atmosfera infiammabile quando sono alimentati. L'apparecchio di test deve essere della classe appropriata.
- Sostituire i componenti solo con i pezzi indicati dal produttore. Altri pezzi potrebbero infiammare il refrigerante nell'atmosfera in caso di perdita.
Cablaggio
- Controllare che il cablaggio non presenti usura, corrosione, pressione eccessiva, vibrazione, margine tagliente o altri effetti ambientali negativi. Il controllo deve considerare ancHE effetti dell'invecchiamento o delle vibrazioni continue causate da sorgenti quali compressori o ventilatori.
Rilevamento di fluido refrigerante inflammabile
- Per la ricerca o il rilevamento di perdite di refrigerante non devono essere mai utilizzate sorgenti potenziali di scintille. Non deve essere utilizzata una lampada aloide (o altri rilevatori che utilizzato una fiamma nuda).
I seguenti metodi di rilevamento di perdite sono considerati accettabili per tutti i sistemi refrigeranti. - Per rilevare perdite di refrigerante è possibile utilizzare i rilevatori di perdita elettronici ma, in caso di refrigerante infiammabile, è possible che la sensibilità non sia adatta o richieda una nuova calibrazione. (Il disposativo di rilevamento deve essere calibrato in un luogo privo di refrigerante). Accertarsi che il rilevatore non sia una sorgente potenziale di scintilla e sua adatto al refrigerante utilizzato. Il disposativo di rilevamento delle perdite deve essere regolato a una percentuale di LFL del refrigerante e calibrato in funzione del refrigerante utilizzato. Deve essere confirmata la percentuale di gas appropriata (25% al massimo).
- I fluidi di rilevamento di perdite sono equivalente adatti a essere utilizzati sulla maggior parte dei refrigeranti, ma deve essere evitato l'uso di detergenti contenti cloro perché potrebbe reagire con il refrigerante e corrodere la tubatura in rame.
Se si sospetta una perdita, devono essere eliminate/spente eventuali fiamme nude. - Se si rileva una perdita di refrigerante che richiede una brasatura, tutto il refrigerante va molto dal sistema o isolato (tramite valvole di chiusura) in una parte del sistema lontano alla perdita.
Rimozione e evacuatione
- Quando si accede al circuito refrigerante per effettuare delle riparazioni o per altri motivi, devono essere utilizzate delle procedure convenzionali. Tuttavia, nel caso di refrigeranti infiammabili, è essenziale seguire le raccomandazioni perché va tenuto conto dell'infiammabilità. Deve essere rispetto la segunte procedura: rimuovere il refrigerante;
spurgare il circuito con un gas inerte (facoltativo per l'A2L);
evacuare (facoltativo per l'A2L);
spurgare con un gas inerte (facoltativo per l'A2L);
aprire il circuito mediante taglio o brasatura.
- Il refrigerante deve essere recuperato in bombole appropriate. Per gli appearecchi che contengono refrigeranti infiammabili diversi dai refrigeranti A2L, ilsystema deve essere spurgato con azoto privo di ossigeno per rendere l'apparecchio in grado di ricevere refrigeranti infiammabili. Puito essere necessario ripetere il procedimento più volte. Non devono essere utilizzati aria compressa o ossigeno per spurgare i sistemi refrigeranti.
Procedure di carica
- Accertarsi che l'uscita della pompa a vuoto non si trovi vicino a potenziali sorgenti di scintille e che sia disponibile un sistema di aerazione.
- Oltre alle procedure di carica convenzionali, devono essere rispettati i seguenti punti.
- Accertarsi che non si verificchi una contaminazione tra i differenti refrigeranti quando si utilizes un dispositivo di carica. I flessibili o le linee devono essere il più corti possibili per ridurre la quantità di refrigeranti che contengono.
Le bombole devono essere mantenuti in posizione appropriata, conforme alle istruzioni. - Accertarsi che ilsystema refrigerante sia collegato alla terra prima di caricare il systema con il refrigerante.
- Etichettare ilsystemauponavercompletato la carica(se già non lo è).
- Prestare particolare attenzione a non riempireccessivamente ilsystema refrigerante.
- Prima di ricaricare il sistema, va effettuato un test di pressione con un gas di spurgo appropriato. Al termine della carica, ma prima della messa in servizio, il sistema va ispezionato per accertarsi dell'assenza di perdite. Prima di lasciare il luogo deve essere effettuato un test di rilevamento delle perdite.
Smantellamento
-
Prima di effettuare una procedura di smantellamento, è indispensable che il technique abbia familiarità con l'apparecchio e le sue caratteristiche. Si raccomanda in particolare di recuperare tutti i refrigeranti. Prima di effettuare但这a operazione, deve essere recuperato un campione di olio di refrigerante se è necessario effettuare delle analisi prima di riutilizzare il refrigerante recuperato. è indispensable verificare la presenza dell'alimentazione elettrica prima di iniziare l'intervento.
-
Familiarizzare con l'apparecchio e la sua modalità di funzionamento.
- Isolare elettricamente il sistema.
- Prima di iniziare la procedura, accertarsi dei seguenti punti:
se necessario, è disponibile un dispositivo di manutenzione meccanico per manipolare le bombole di refrigerante; tutti i dispositivi di protezione individuale sono disponibili e utilizzati in modo corretto;
il過程o di recupero è controllato in tutte le fasi da una persona competente;
4. l'attrezzatura e le bombole di recupero sono conformi alle norme applicabili.
5. Evacuare ilsystema refrigerante,sepossible.
6. Se non viene创建工作 un vuoto, utilizzare un collettore per recuperare il refrigerante da diversi punti del sistema.
7. Accertarsi che la bombola si trovi sulle bilance prima di iniziare le operazioni di recupero.
8. Avviare il dispositivo di recupero e farla funzionare secondo le istruzioni.
9. Non riempire troppo le bombole (non或者其他 l'80% del volume di carico liquido).
10. Non otrepassare la pressione massima di funzionamento della bombola, neanche temporaneamente.
11. Quando le bombole sono riempite correttamente e il processo è terminato, accertarsi che le bombole e l'attrezatura siano rapidamente portate via dal luogo e che le valvole d'isolamento alternative dell'apparecchio siano chiuse.
12. Il refrigerante recuperato non deve essere caricato in un'altosystema refrigerante, a meno che non sia stato pulito e controllato.
RIPARAZIONE
- Ogni intervento di brasatura dovrà essere realizzato da un professionista qualificato.
La sostituzione delle tubature sarea effettuata solo con tubo di rame in conformità alla norma NF EN 12735-1. - Rilevazione di perdite, in caso di testizzato pressione:
non utilizzato mai ossigeno o aria secca: rischio d'incendio o di esplosione,
utilizzare l'azoto disidratato o una miscela di azoto e di refrigerante indicato sulla targhetta segnaletica,
la pressione del test lato bassa e alta pressione non deve superare i 42 bar nel caso in cui l'apparecchio sia dotato dell'opzione manometro.
- Per le tubature del circuito alla pressione realizzate con tubo di rame di un diametro = o > a 1"5/8, dovrè essere richiesto al fornitore un certificato §2.1 conforme alla norma NF EN 10204 da conservare nel fascicolo tecnico dell'impianto.
- Le informazioni tecniche relative ai requisiti di sicurezza delle diverse direttive applicate sono indicate sulla targhetta segnaletica. Tutte queste informazioni devono essere registrate sul manuale d'installazione dell'apparecchio che deve essere allegato al fascicolo technique dell'impianto: modello, codice, numero di serie, TS massimo e minimo, PS, anno di produzione, marchio CE, indirizzo del produttore, refrigerante e peso, parametri elettrici, rendimento termodinamico e acustico.
ETICHETTATURA
L'apparecchio deve essere etichettatoindicando che è stato什么意思 fuori servizio e che il refrigerante è stato rimioso.
L'etichetta deve essere datae firmata.
- Per gli apparecchi che contengono refrigerante infiammabile, controllare che le etichette siano apposte sull'apparecchio e rechino l'indicazione che contiene refrigerante infiammabile.
RECUPERO
- Al momento dello svuotamento del refrigerante, per la manutenzione o la messa fuori servizio, si raccomanda di seguire le buone pratiche per eliminare tutto il refrigerante in sicurezza.
- Quando il refrigerante viene trasferito in una bombola, utilizzare una bombola di recupero adatta al
refrigerante. Munirsi di un numero di bombole sufficiente a recuperare tutto il fluido. Tutte le bombole devono essere state progettate per il recupero del refrigerante e etichettate per quello fluido frigorigeno e etichettate per quello refrigerante specifico. Le bombole devono essere dotate di una valvola di depressione e di valvole di arresto in buono stato. Le bombole di recupero vuote sono evacuate e, se possibile, raffreddate prima del recupero.
- Il disposativo di recupero deve funzionare correttamente, le istruzioni per l'uso del dispositivo devono essere a portata di mano e il dispositivo deve essere adatto al refrigerante in questione, compreso, eventualmente, il refrigerante infiammabile. Inoltre, devono essere disponibili delle bilance calibrate e perfettamente funzionanti. I tubi devono essere completi, non presentare perdite né collegamenti scollegati e devono essere in buono stato. Prima di utilizzare il dispositivo di recupero, controlling che funzioni perfettamente, che si stato sottomosto a manutenzione e che i componenti elettrici siano a tenuta per evitare un inizio di incendio in caso di liberazione del refrigerante. In caso di dubbi, rivolgersi al produttore.
- Il refrigerante recuperato deve essere inviato al fornitore di refrigerante nella bombola di recupero, con una bolla di trasporto rifiuti. Non mescolare differenti fluidi refrigeranti nelle unità di recupero e in particolare nelle bombole.
- Se il compressore è deposito e l'olio del compressore svuotato, controllare la corretta evacuatione del refrigerante per evitare che si mescoli al lubricificante. Il processo di svuotamento deve essere realizzato prima di inviare il compressore al fornitore. Solo la superficie scaldante del corso del compressore più essere utilizzata per accelerare quello processo. Quando tutti i liquidi di un sistema sono spurgati, quella operazione deve essere realizzata in sicurezza.

Riciclaggio
Questo symbolo richiesto alla direttiva europea DEEE 2012/19/UE (direttiva relativa ai rifiuti di apparecchi elettrici e elettronici) indica che l'apparecchio non può essere smaltito come rifiuto ordinario. Sarà destinato alla raccolta differenziata in vista del suo riutilizzo, riciclaggio o valorizzazione. Se contiene sostanze potenzialmente dannose per l'ambiente, saranno eliminare o neutralizzate. Informarsi presso il roprio rivenditore sulle modalità di riciclaggio.
EASY POOL HEATING +7°C Manuale dell'utente e di servizio
INDICE
- Specifiche
2.Dimension
3.Installazione e collegamento
4.Accessori
5.Cablaggio elettrico
6.Display Controller Operation
7 Risoluzione dei problemi
8.Diagramma esploso
9.Manutenzione
Grazie per aver utilizzato la pompa di calorie per piscina GRE per il riscaldamento della piscina, riscalderà l'acqua della piscina e manterrà la temperature costante quando la temperatura ambiente dell'aria è compresa tra 7 e 43~^ C .
Questo manuale contiene tutte le informazioni necessarie.

ATTENZIONE:
- La pompa di calore deve essere installata dai tecnici qualificati venuti dal post-vendita Centro o dal distributore autorizzato.
Si prega di conservare quello manuale per dato per tutte la vita utile dell'apparecchio. - L'opération e la manutenzione devono essere conforme al tempo e alla frequenza raccomandi nel manuale.
Utilizzare solo i peszzi di ricambio standardizzati.
1. Specifiche
1.1 Technical data GRE heat pumps
| Modelli | HPG25 | HPG40 | HPG50 | HPG70 | |
| Riferimento | 74158 | 74159 | 74160 | 74161 | |
| *Capacità di aria 28°C acqua 28°C, Umidità 80% | |||||
| Calore di uscita | kW | 5 | 7.5 | 11 | 14 |
| Consumo di power | kW | 1.00 | 1.40 | 2.20 | 2.60 |
| C.O.P. | 5 | 5.4 | 5 | 5.4 | |
| *Capacità di aria 15°C acqua 26°C, Umidità 70% | |||||
| Calore di uscita | kW | 3.5 | 5.5 | 7.5 | 9.5 |
| Consumo di power | kW | 0.88 | 1.25 | 1.75 | 2.25 |
| C.O.P. | 4 | 4.4 | 4.3 | 4.2 | |
| *Dati generali | |||||
| Compressore | Rotante | ||||
| Voltaggio | V | 220-240V/50Hz/1PH | |||
| Corrente Nominale | A | 4.4 | 6.2 | 9.8 | 11.5 |
| Fusibile Consigliabile | A | 12 | 17 | 27 | 32 |
| Specificazione del tubo d'acqua di entrata e di uscita** | m³ | < 25 | < 45 | < 60 | < 75 |
| Flusso consigliabile d'acqua | m3/h | 2.5~3.2 | 2.5~4.2 | 3.5~7.1 | 4-7.9 |
| Perdita di carico dell'acqua | Kpa | 12 | 12 | 15 | 15 |
| Condensatore | Tubo Twist-Titanium in PVC | ||||
| Specificazione del tubo d'acqua di entrata e di uscita | mm | 50 | |||
| Quantità di ventole | 1 | ||||
| Tipo di ventilazione | Orizzontale | ||||
| Velocità della ventola | RPM | 830~870 | 650 | ||
| Potenza assorbita alla ventola | W | 59 | 59 | 86 | 120 |
| Grado di protezione | IPX4 | ||||
| Pressione di esercizio massima | MPa | 4.2MPa | |||
| Livello di rumore di 10m | dB(A) | 32 | 33 | 37 | 37 |
| Livello di rumore di 1m | dB(A) | 50 | 51 | 54 | 54 |
| Tipo direfrigerante | R32 | ||||
| Quantità di refrigerante | g | 400 | 450 | 800 | 900 |
| Equivalente di CO2 | Tonne | 0.27 | 0.30 | 0.54 | 0.61 |
| Peso netto | Kg | 36 | 46 | 65 | 77 |
| Peso lordo | Kg | 38 | 48 | 72 | 81 |
| Dimensione netta | mm | 800*330*515.5 | 977.5*386*563.5 | 1096*410*689 | |
| Dimensione di imballaggio | mm | 830*395*555 | 1000*430*600 | 1120*465*725 | |
- I dati riportati sopra sono soggetti alle modificazioni alla annuncioc.
** Controlla la nostra confezione o il sito web per maggiori dettagli.
2. Dimensione (mm)
Modelli:HPG25



Modelli:HPG40 & HPG50






3.Installazione e collegamento
3.1 Nota
I rifornimenti della fabbrica solo la pompa di calore. Tutti gli altri componenti, tra cui un bypass se necessario, devono essere forniti dall'utente o dall'installatore.
Attenzione:
Si prega di osservare le seguenti regole durante l'installazione della pompa di calore:
- Qualiasi aggiunta di sostanze chimiche deve avvenire nelle tubazioni a vale della pompa di calore.
- Installare un bypass se il flusso dell'acqua alla pompa piscina è superiore al 20% maggiore della portata consentitaattraverso lo scambiatore di calore della pompa di calore.
- Installare la pompa di calore al di sopra del livello dell'acqua della piscina.
- collocare sempre la pompa di calore su una base solida e utilizzare i supporti in gomma in dotazione per evitare vibrazioni e rumore.
- Tenere sempre la pompa di calore in posizione verticale. Se l'unità è stata tenuta in un angolo, attendere almeno 24 ore prima di avviare la pompa di calore.
3.2 Posizione della pompa di calore
L'unità funzione correttamente in qualsiasi posizione desiderata finché i seguenti tre elementi sono presenti:
1. Aria fresca - 2. Elettricità - 3. nuoto filtri piscina
L'unità può essere installata praticamente in qualsiasi luogo all'aperto, parché le distanze minime indicate ad altri oggetti vengono manteni (vedi disegno qui sotto). Si prega di consultare il programma di installatione per l'installazione di una piscina coperta. L'installazione in una posizione ventosa non presenta alcun problema, contrariamente alla situazione con un riscaldatore a gas (compresi problemi fiamma pilota).
Attenzione:L'impiano non deve essere installato in una limitata zona ventilata, oippo in un cespuglio dove si blocca l'entrata dell'aria. Questi posti impediscono l'impiano di una continua fonte di aria fresca. Quando cambia la stagione, probabilmente le foglie cadono sull'evaporatore,osto da ridurre l'efficienza e danneggiare la sua vita di servizio. Vedere il disegno sostosti per le dimensioni minime.

3.3 Distanza alla piscina
La pompa di calorie è normalmente installato all'interno di una zona perimetrale estendentesi 7,5 m alla piscina. Maggiore è la distanza alla piscina, maggiore è la perdita di calorie nei tubi. Poiché i tubi sono principalement sotterraneo, la perdita di calorie è basso per distance fino a 30 m (15 m da e verso la pompa, 30 m in totale) a meno che il terreno è bagnato o il livello delle acque sotterraneanè è alto. Una stima approximativa della perdita di calorie per 30 m è 0.6 kWh (2.000 BTU) per anni differenza 5^ tra la temperature dell'acqua in piscina e la temperatura del terreno circostante il tubo. Questo aumento il tempo di funzionamento del 3% al 5% .
3.4Valvola di ritegno installatione
Nota: Se viene utilizzato un appearecchio di dosaggio automatico per il cloro e acidità (pH), è indispensable per proteggere la pompa di calorie contro concentrazioni chimiche eccessivamente elevate che possono corredere lo scambiatore di calorie. Per questo motivo, le attrezzature di quello tipo deve sempre essere installato nella tubazione sul lato a vale della pompa di calorie, e si consiglia di installare una valvola di ritegno per impedire un flusso inverso in assenza di circolazione dell'acqua.
I danni alla pompa di calore causati nella mancata osservanza di但这a indica significazione non è coperto alla garanzia.
Cloratore o Bromuratore del tipo di pressione

3.5 Disposizione tipica

Nota: Questa disposizione è solo un esempio illustrativo.
3.6 Regolazione del bypass

Si prega di prendere molto i passaggi per regolare il by-pass:
- Valvola 1 spalancata. Valvola 2 e valvola 3 chiuse.
- Aprire lentamente la valvola 2 e la valvola 3 della metà, quando chiudere lentamente la valvola 1 per aumentare il flusso dell'acqua alla valvola 2 e alla valvola 3.
- Se在哪 "ON" o "EE3" sul display, significica che il flusso d'acqua nella pompa di calore non è sufficiente, quando è necessario regolare le valvole per augmentare il flusso d'acquaattraverso la pompa di calore.
Come ottener il flusso d'acqua ottimale:
Si prega di accendere la pompa di calore sotto la funzione di riscaldamento, in primo luogo chiudere il by-pass e aprirlo lentamente per avviare la pompa di calore (la macchina non può a funzionare quando il flusso d'acqua è insufficiente).
Continuare a regolare il by-pass, nel frattoverificare la temperatura dell'acqua in ingresso. & Temperatura dell'acqua in uscita, sare ottimale quando la differenza è di circa 2 gradi.
3.7 Collegamento elettrico
Note: Anche se la pompa di calorie è isolato elettricamente dal resto delsystema piscina, quello impedisce solo il flusso di corrente elettrica o dall'acqua nella piscina. La messa a terra è ancora necessaria per la protezione contro i cortocircuiti all'interno dell'unità. Sempre fornire una Buona messa a terra. L'installatore deve consultare il fornitore di energia elettrica se necessario e assicurarsi che l'apparecchiatura sia collegata correttamente a una rete elettrica con impedenza inferiore a 0,095 ohm.
Avvertenza: prima di qualsiasi lavoro all'interno dell'apparecchio, è necessario interrompere l'alimentazione elettrica dell'apparecchio poiché esiste il rischio di scosse elettriche che possono causare danni materiali, lesioni gravi o addirittura la morte.
- I terminali serrati in modo errato possono causare il surriscaldamento della morsettiera, che può invalidare
la garanzia. - Solo un technician qualificato ed esperto è autorizzato a eseguire lavori di cablaggio all'interno del appearecchio o per sostuire il cavo di alimentazione.
Prima di collegare l'apparecchio, verificare che la tensione di alimentazione corrisponda alla tensione di funzionamento della pompa di calore.
Si raccomanda di collegare la pompa di calore ad un circuito con un proprio fusibile o interrottore automatico (tiplo lento; curva D) e diutilizzato il cablaggio adeguato.
Per i modelli orizzontali: rimuovere il pannello a destra della ventola.
Collegare i cavi elettrici alla morsettiera contrassegnato 'POWER SUPPLY'
Un secondo blocco terminale marcato 'WATER PUMP' si trovava accanto al primo. La pompa filtering (max. 5A / 0V ) cui. Questo permette il funzionamento della pompa del filtr di essere controllato alla pompa di calorie.

3.8 Messa in funzione
Note: Al fine di riscaldare l'acqua della piscina (o vasca idromassaggio), la pompa filtering devese essere in esecuzione per causare l'acqua a circolare attraverso la pompa di calore. La pompa di calore non si avvia se l'acqua non è in circolazione.
Dopo che tutti i collegamenti sono stati fatti e controllato, eseguire la seguente procedura:
- Accendere la pompachio. Controllare la presenza di perdite e verificare che l'acqua scorre da e per la piscina.
- Collegare l'alimentazione alla pompa di calorie e premere il pulsante di accensione / spegnimento sul pannello di controllo elettronico. L'unità si avvia dopo l'intervallo di tempo scade (vedi sotto).
- Dopo quale minuto, verificare se il soffiaggio dall'unità è più fresco.
- Quando spegnere la pompa del filtr, l'unità dovrebbe anche spegne automaticamente, se non, quindi regolare l'interruttore di flusso.
- Consentire la pompa di calorie e la pompa Filtering funzionano 24 ore al giorno sono al raggiungimento della temperatura desiderata. La pompa di calorie viene interrotta a quello punto. Dop o甚么, si riavvia automaticamente (fino a quando la pompa filtering è in funzione) agli volta che la temperatura dell'acqua della piscina scende di 2 gradi al di sotto della temperatura impostata.
A seconda della temperatura iniziale dell'acqua nella piscina e la temperatura dell'aria, cui richiedere alcuni giorni per riscaldare l'acqua alla temperatura desiderata. Una Buona copertura della piscina cui ridurre drasticamente la durata di tempo richiesto.
Interruttore del flusso d'acqua:
Il gruppo è dotato di un interrottore di flusso per proteggere il componente HP al fine di farlo operare con l'adeguato tasso di flusso d'acqua. L'interruttore si accende quando la pompa di piscina funziona e si spegne quando la pompa smette di lavorare. Se il livello dell'acqua di piscina supera 1 m al di sopra o di sotto del pulsante di regolazione automatica, il rivenditore ha bisogno di regolare l'avviamento iniziale del gruppo.
Ritardo del tempo:
Il componente HP dovrebbe essere equipaggiato con una 3-minuti built-in solid-state re-start protezione del ritardo. Il controllo del ritardo del tempo è una parte integrale del controllo di circuito, e può eliminare il cyclismo del riavimento e la vibrazione del contattore. Il ritardo del tempo riavvia automaticamente il componente HP per circa 3 minuti approssimativamente dopo agli interruzione del controllo di circuito. Una breve interruzione di power può provocare il ritardo di riavimento dello stato di solido per 3 minuti, e prevenir il componente da quando comincía a funzionare fino a quando è terminato il conteggio alla rovescia per 3 minuti.
3.9 condensa
L'aria aspirata nella pompa di calore è formente raffreddato dal funzionamento della pompa di calore per riscaldare l'acqua della piscina, che può causare la formazione di condensa sulle alette dell'evaporatore. La quantità di condensa può essere fino a diversi litri all'ora ad alta umidità relativa. Questo è talvolta erroneamente considerato una perdita d'acqua.
4. Accessori
4.1 lista Accessori

Base anti-vibrazione, 4 pezzi

Drenante jet, 2 pezzi

Copertura invernale, 1 gezzi

Tubi di drenaggio, 2 pezzi
4.2 Accessori di installatione
| Anti-vibration bases 1. Estrarre 4 basi antivibranti 2. Mettere uno per uno sul fondo della macchina come l'immagine. | ||
| Getto drenante 1. Installare il getto di scarico sotto il pannello inferiore 2. Collegare con un tubo di acqua per drenare l'acqua. Note: Nota: Sollevare la pompa di calore per installare il jet. Non ribaltare la pompa di calore, potrebbe danneggiare il compressore. | ||
| Ingresso acqua & svincolo di uscita 1. Installare le due articolazioni, come l'immagine alla. 2. li avvitare l'acqua in ingresso e uscita svincolo | ||
| Cablaggio del cavo 1. Apire il coperchio della scatola elettrica 2. Fissare il cavo di alimentazione sui giunti L N E | ||
| Cablaggio della pompa dell'accua (contatto a secco) 1. Apire il coperchio della scatola elettrica 2. Con il connettore 1 e 2 è possibile pilotare la filtrazione dell'accua tramite il timer della filtrazione (dry contact) |
Timer di collegamento con fatto privo di tensione

Timer
Collegamento della pompa con fatto privo di tensione
(1) Questi disegni dei fili elettrici sono solo un riferimento per voi, per favore fate il montaggio dell'impianto secondo il disegno.
(2)La pompa di calorie di piscina deve essere collegata con i fili della terra bene,anche se lo scambiatore di calorie è isolato elettricamente dal resto del gruppo. Collegare l'impianto con la terra è molto necessario al fine di proteggerti dai cortocircuiti all'interno dell'impianto. E' richiestoanche il legame di tutte le parti.
Distacco: Un impianto di distacco (interruptre magnetotermico, interruptre con il fusibile o non-fusabile) dovrebbe essere localizzato nell'ambito della vista e accessibile confacility. Questa è una norma comune per quanto riguarda le pompé di calore commerciali e residenziali. Può prevenire di manovrare a distance l'apparecchio incustodito e consente di spegnere il power quando il gruppo è in servizio.
6. Operazione
(1) Istruzioni dell'operazione

(2) Avviare la pompa di calore piscina
Premere per avviare la pompa di calore, il display mostrera la temperatura dell'acqua in ingresso e modalità di lavoro corrente dopo 5s.
(3) Fermare la pompa di calore piscina
Premere di nuovo per fermare la pompa di calore, 'OFF' il display alla LED.
(4) Impostazione della temperatura dell'acqua
Premere per impostare la temperatura dell'acqua desiderata in modalità di lavoro corrente, quindi premere per salvare le impostazioni e uscire.
(5) Impostare il tempo:
Premere set per impostare il tempo, quando premere per entrare nella visualizzazione "tempo";
**IMPOSTAZIONE ORA **
Premere set di nuovo per l'impostazione "ora", "HH" lampo, quando premere o per regolare l'ora da 0 a 23;
** IMPOSTAZIONE MINUTE **
Premere set per entrare nella regolazione dei minuti, "MM" lampo, quando premere o per regolare i minuti da 0 a 59.
(6) IMPOSTARE IL CRONOGRAFO
Premere set, quindi premere due volte per entrare in TIMER ON impostazione. Quando si vede l'ora di iniziare la visualizzazione sul controller, Premere set per confermare entrare in TIMER ON interfaccia di impostazione,e premere e per regolare il tempo ,Poi, premere di nuovo per conservare i dati nuovi.
(7) IMPOSTARE LO SPEGNIMENTO DEL CRONOGRAFO
Premere set, quindi premere 3 volte per entrare in impostazione "TIMER-OFF".
Quando viene visualizzato il tempo di arresto visualizzazione sul controller,
Premere set per confermare per entrare nelle impostazioni TIMER-OFF,
Premere e per regolare il tempo di arresto.
** Sopra le operazioni, è possibile premere per salvare l'impostazione e rapida uscita dal programma.**
(8) Come sapere gli stati attuali
Premere set, quindi premere per controllare il parametro B- C- D - E- F - H.
| Parametri | Utilità | Gamma |
| B | Temperatura dell'acqua di entrata | -9 to 99°C |
| C | Temperatura dell'acqua di uscita | -9 to 99°C |
| D | Temperatura di condensatore in modalità di riscaldamento | -29 to 99°C |
| E | Temperatura del ritorno di gas | -29 to 99°C |
| F | Temperatura ambientale | -29 to 99°C |
| H | Procedure effettive della valvola di espansione elettronica | N*5 |
** ATTENZIONE**
set stampa pulsante per entrare in controllo di parametro, il pulsante non potrebbe essere gestito.
set per controllare il tempo - il tempo della pompa di calore piscina di partenza - Tempo di pompa di calore piscina arresto,
il pulsante potrebbe non funzionare.
(9) Impostazione parametro
Questa parte deve essere utilizzata solo da tecnici qualificati per il servizio post-vendita o la manutenzione.
(1) premere set e A mantienere per 5 secondi al fine di entrare alla interfaccia di impostazione del parametro di funzionamento.
(2) Premere o per selezionare il parametro che si desidera regolare.
(3) Premere set di nuovo per entrare nell'interfaccia
(4) Premere o per modificare la temperatura di impostazione d'acqua quando stanno in condizioni di ON/OFF.
(5) Dopo aver premere di nuovo per conservare i dati nuovi o premere per salvare e rapida uscita l'impostazione del parametro.
| Parametri | Utilità | Gamma | Default | Remarks |
| 1 | Per impostare la temperature dell'acqua di entrata in modalità di riscaldamento | 15-42°C | 28°C | Regolabile |
| 2 | Entrare nel periodo di scongelamento | 30-90MIN | 40MIN | Regolabile |
| 3 | Termine technician di entrare nel funzionamento di scongelamento | -30°C to0°C | -7°C | Regolabile |
| 4 | Termine technician di uscire dallo scongelamento | 2 to 30°C | 20°C | Regolabile |
| 5 | Tempo di uscire dallo scongelamento | 1 to 12MIN | 12MIN | Regolabile |
| 6 | Modalità: 0 Caldo | 0 | 0 | Non Regolabile |
| 7 | Selezione della modalità della valvola di espansione elettronica | 0-1 | 1(auto) | Regolabile |
| A | Procedure di regolazione manuale della valvola di espansione elettronica | 18-94 | 70 | Regolabile |
| L | Calibrazione della temperatura acqua in entrata | -9.9-9.9 | 0 | Regolabile |
** Recupera per impostazione predefinita in fabbrica**

set
Premere a lungo e contemporaneamente in 10 secondi per recuperare a impostazioni di fabbrica, verrà visualizzato "0000" e poi di nuovo su "OFF".
7. Risoluzione dei problemi
7.1 Errori dei codici dimostrati sul controllore dei fili elettrici di LED
| Malfunzione | Errori dei codici | Motivi | Soluzioni |
| Protezione dalla bassa temperature ambiente | PP0 | La temperature ambiente è troppo Bassa | |
| Guasto di sensore della temperature dell'accia di entrata | PP1 | Il sensore in open o il cortocircuito | Controllare o sostituire il sensore |
| Guasto di sensore della temperature dell'accia di uscita | PP2 | Il sensore in open o il cortocircuito | Controllare o sostituire il sensore |
| Guasto di sensore del condensatore di riscaldamento | PP3 | Il sensore in open o il cortocircuito | Controllare o sostituire il sensore |
| Guasto di sensore del ritorno di gas | PP4 | Il sensore in open o il cortocircuito | Controllare o sostituire il sensore |
| Guasto di sensore della temperature Ambientale | PP5 | Il sensore in open o il cortocircuito | Controllare o sostituire il sensore |
| La differenza tra l'accia di entrata e di uscita è troppo. | PP6 | Il volume del flusso d'accua non è sufficiente, la differenza di pressione è troppo Bassa | Controllare il volume del flusso d'accua, o se l'accua è bloccata o no |
| Il primo grado della protezione antigela in inverno | PP7 | La temperature ambientale o la temperature dell'accua di entrata è troppo Bassa | La pompa d'accua funziona automaticamente per il primo grado di antigelo |
| Il secondo grado della protezione antigela in inverno | PP7 | La temperature ambientale o la temperature dell'accua di entrata è troppo Bassa | La pompa di calore inizia a riscaldare per il secondo grado di antigelo |
| Protezione di alta pressione | EE1 | 1. Le sostanze refrigeranti sono trophe 2. Il flusso di aria non è sufficiente | 1. Scariare le ridondanti sostanza refrigeranti dal HPsystema di gas 2. Pulire lo scambiatore dell'aria |
| Protezione di bassa pressione | EE2 | 1. Le sostanze refrigeranti sono trophe 2. Il flusso d'accua non è sufficiente 3. Il filtrlo bloccato o capillari bloccati | 1. Controllare se ci sono perdite di gas, ricaricare le sostanza refrigeranti 2. Pulire lo scambiatore dell'aria 3. Sostituire il filtrio o il capillare |
| Guasto dell'interruttore del flusso | EE3 or ON | No acqua /poca acqua | Controllare il volume del flusso d'accua e la pompa d'accua |
| Malfunzione della differenza di temperatura dell'acqua di entrata e di uscita | EE5 | Water flow volume is not enough ,water pressure difference is too low | Controllare il tasso di flusso d'acqua, o se ilsystema d'acqua èbloccato o no |
| Guasto della communicatesione | EE8 | La connessione dei fili elettrici non funziona bene | Controllare la connessione dei filielettrici |
7.2 Display Malfunzionamento su PCB
| Protezione /Malfunzionamento | Display del controller | Display Malfunzionamento su PCB |
| Pompa di calorie stato di standby | ON | OFF |
| Pompa di calorie in funzione | Temperatura dell'accua di entrata | |
| Low ambient protezione temperatuer | PP0 | |
| Guasto di sensore della temperature dell'accua di entrata | PP1 | |
| Guasto di sensore della temperature dell'accua di uscita | PP2 | |
| Guasto di sensore del condensatore di riscaldamento | PP3 | |
| Guasto di sensore del ritorno di gas | PP4 | |
| Guasto di sensore della temperature ambientale | PP5 | |
| La differenza tra l'accua di entrata e di uscita è troppo. | PP6 | |
| Il primo grado della protezione antigela in inverno | PP7 | |
| Il secondo grado della protezione antigela in inverno | PP7 | |
| Protezione di alta pressione | EE1 | |
| Protezione di bassa pressione | EE2 | |
| Guasto dell'interruttore del flusso | ON/EE3 | |
| Malfunzione della differenza di temperature dell'accua di entrata e di uscita | EE5 | |
| Sbrinamento | Sbrinamento |
7.3 Altri malfunzioni e solozioni (Non在哪stra sul controlled dei fili elettrici di LED)
| Malfunzioni | Fenomeni | Motivi | Soluzioni |
| La pompa di calore non funziona | Il controllore dei fili elettrici di LED non在哪 | Manca la fornitura di power | Controllare se i cavi e l'interruttore magnetotermico sono connessi bene. |
| Il controllore dei fili elettrici di LED在哪 l'ora effettiva | La pompa di calore sta in stato di prontezza | Avviare a funzionare la pompa di calore | |
| Il controllore dei fili elettrici di LED在哪 la temperature effettiva dell'accua | 1. La temperature d'accua sta giungendo al valore impostato, il componente HP è nello stato di costante temperatura2. La pompa di calore si avvia appena a funzionare3. Sta scongelando | 1. Verificare la temperature impostata dell'accua2. Avviare la pompa di calore dopo pochi minuti3. Il controllore dei fili elettrici di LED delve migliorare "Scongelare" | |
| Short running | LED在哪 la temperature effettiva dell'accua, non c'è erre di codici | 1. Il ventilatore non funzione2. La ventilazione di aria non è sufficiente3. Le sostanze refrigeranti non sono sufficienti | 1. Controllare le connessioni dei cavi fra il motore e il ventilatore, e sostuirlo se è necessario2. Controllare la localizzazione dei componenti della pompa di calore, e eliminare tutti gli ostacoli per fare una Buona ventilazione di aria3 Sostituire o aggiustare i componenti della pompa di calore |
| Incrostazioni | Incrostazioni sui componenti della pompa di calore | 1. Solidificarsi2. Perdita d'accua | 1. Nessuna azione2. Controllare lo titanio scambiatore di calore attendamente se c'è alcuni difetto |
| Troppo ghiaccio sull'evaporatore | Troppo ghiaccio sull'evaporatore | 1. Controllare la localizzazione dei componenti della pompa di calore, e eliminare tutti gli ostacoli per fare una Buona ventilazione di aria2. Sostituire o aggiustare I componenti della pompa di calore |
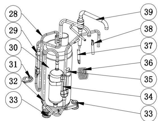
8. Exploded Diagram
Model: HPG25




| No. | Nome parte | No. | Nome parte |
| 1 | Coperchio superiore | 31 | B blocco di fissaggio in gomma |
| 2 | Piastra supporto cremaglia elettrica | 32 | Tubi di ritorno gas |
| 3 | Supporto motoventilatore | 33 | Compressore + basi anti-vibrazioni |
| 4 | Componenti dell'evaporatore | 34 | Valvola di aspirazione |
| 5 | Motoventilatore | 35 | Mini-pressostato di bassa pressione |
| 6 | Pannello laterale sinistro | 36 | Capillare Gauga |
| 7 | Pala del ventilatore | 37 | Tubo di transizione |
| 8 | Adesivo Wave | 38 | Pipa Gauga |
| 9 | Pannello frontale | 39 | Scambiatore al capillare |
| 10 | griglia anteriore | 40 | Linea del sensore di temperatura in uscita |
| 11 | Vaschetta base | 41 | Clip sonda di temperatura dello scambiatore |
| 12 | Linea del sensore di temperatura della batteria di riscaldamento | 42 | Guarnizione di gomma rossa |
| 13 | Sede sonda | 43 | Scambiatore di calore in titanio |
| 14 | Clip | 44 | Sensore di temperatura in ingresso |
| 15 | Tubature collettive | 45 | Tappo a vite |
| 16 | pannello laterale sinistro | 46 | Ingresso acqua |
| 17 | Connettore del cavo | 47 | Anello in gomma bianca per ingresso acqua |
| 18 | Tappo in gomma | 48 | Guarnizione di tenuta flussostato acqua |
| 19 | Manometro | 49 | Flussostato dell'acqua |
| 20 | controller | 50 | coperchio scatola elettrica |
| 21 | Coperchio scatola controller posteriore | 51 | Clip del condensatore |
| 22 | coperchio del controller | 52 | Capacità del compressore |
| 23 | Coperchio scatola controller | 53 | Trasformatore |
| 24 | Tubazioni di distribuzione | 54 | Capacità del motore del ventilatore |
| 25 | Pannello isolante | 55 | Scatola elettrica |
| 26 | Temperatura ambiente. sensore | 56 | Terminale a 2 vie |
| 27 | Clip sonda temp. ambiente | 57 | Clip per cavo di connessione |
| 28 | Tubo di scarico | 58 | Quadro elettrico |
| 29 | Mini-pressostato di另一a pressione | 59 | Terminale a 3 vie |
| 30 | Compressore + basi anti-vibrazioni |




| No. | Nome parte | No. | Nome parte |
| 1 | Coperchio superiore | 33 | Clip sonda temp. ambiente |
| 2 | Piastra supporto cremaglia elettrica | 34 | Compressore + basi anti-vibrazioni |
| 3 | Supporto motoventilatore | 35 | Mini-pressostato di bassa pressione |
| 4 | Componenti dell'evaporatore | 36 | Valvola di aspirazione |
| 5 | Pannello isolante | 37 | B blocco di fissaggio in gomma |
| 6 | Motoventilatore | 38 | Tubi di ritorno gas |
| 7 | Pala del ventilatore | 39 | Compressore + basi anti-vibrazioni |
| 8 | Pannello laterale sinistro | 40 | Tubo di scarico |
| 9 | Adesivo Wave | 41 | Capillare |
| 10 | Pannello frontale | 42 | Tubo di transizione |
| 11 | griglia anteriore | 43 | Pipa Gauga |
| 12 | Vaschetta base | 44 | Mini-pressostato di另一tra pressione |
| 13 | Linea del sensore di temperatura della batteria di riscaldamento | 45 | Scambiatore al capillare |
| 14 | Clip | 46 | Linea del sensore di temperatura in uscita |
| 15 | Sede sonda | 47 | Clip del sensore |
| 16 | Tubature collettive | 48 | O-ring |
| 17 | Tubazioni di distribuzione | 49 | Set di allacciamento idrico |
| 18 | pannello laterale sinistro | 50 | Set di allacciamento idrico |
| 19 | Connettore del cavo | 51 | Anello gomma blu |
| 20 | Anello di filo nero | 52 | Cavo sensore temperatura acqua in ingressso |
| 21 | Manometro | 53 | Clip |
| 22 | coperchio del controller | 54 | Scambiatore di calore in titanio |
| 23 | controller | 55 | Guarnizione di gomma rossa |
| 24 | Coperchio scatola controller posteriore | 56 | Flussostato dell’acqua |
| 25 | Coperchio scatola controller | 57 | Coperchio scatola elettrica |
| 26 | Piastra supporto scatola di giunzione | 58 | Capacità del compressore |
| 27 | Scatola di giunzione | 59 | Trasformatore |
| 28 | Terminale a 2 vie | 60 | Scheda di Scala |
| 29 | Clip per cavo di connessione | 61 | Scatola elettrica |
| 30 | Terminale a 3 vie | 62 | Quadro elettrico |
| 31 | Pannello posteriore | 63 | Capacità del motore del ventilatore |
| 32 | Temperatura ambiente. sensore | 64 | Clip del condensatore |

Model: HPG70

| No. | Nome parte | No. | Nome parte |
| 1 | Coperchio superiore | 33 | Temperatura ambiente. sensore |
| 2 | Piastra di supporto | 34 | Clip sonda temp. ambiente |
| 3 | Supporto motoventilatore | 35 | Tubo di scarico |
| 4 | Componenti dell'evaporatore | 36 | Mini-pressostato di altre pressione |
| 5 | Pannello laterale sinistro | 37 | Mini-pressostato di Bassa pressione |
| 6 | Motoventilatore | 38 | Blocco fissaggio tubo |
| 7 | Pala del ventilatore | 39 | Valvola di aspirazione |
| 8 | Pannello frontale | 40 | Capillare |
| 9 | griglia anteriore | 41 | Tubo di transizione |
| 10 | Pannello isolante | 42 | Tubi di ritorno gas |
| 11 | Compressore + basi anti-vibrazioni | 43 | Pipa Gauga |
| 12 | Compressore + basi anti-vibrazioni | 44 | Scambiatore in titanio al capillare |
| 13 | Connettore del cavo | 45 | Clip sonda di temperatura dello scambiatore |
| 14 | coperchio del controller | 46 | Cavo sensore temperatura acqua in ingresso |
| 15 | Connettore del cavo | 47 | Scambiatore di calore in titanio |
| 16 | Tappo in gomma | 48 | Anello gomma blu |
| 17 | Manometro | 49 | O-ring |
| 18 | pannello laterale sinistro | 50 | Tatto a vite |
| 19 | controller | 51 | Guarnizione di gomma rossa |
| 20 | Coperchio scatola controller | 52 | Guarnizione di tenuta flussostato acqua |
| 21 | Piastra supporto scatola di giunzione | 53 | Flussostato dell'accua |
| 22 | Scatola di giunzione | 54 | Linea del sensore di temperatura in uscita |
| 23 | Terminale a 2 vie | 55 | Coperchio quadro elettrico |
| 24 | Terminale a 3 vie | 56 | Clip del condensatore |
| 25 | Clip per cavo di connessione | 57 | Capacità del compressore |
| 26 | Assemblaggio dispenser | 58 | Quadro elettrico |
| 27 | Pannello posteriore | 59 | Capacità del motore del ventilatore |
| 28 | Blocco di gomma | 60 | Scheda di Scala |
| 29 | Assemblaggio del collettore | 61 | Trasformatore |
| 30 | Clip | 62 | Contattore AC |
| 31 | Schede di rivestimento termico | 63 | Scatola elettrica |
| 32 | Linea del sensore di temperatura della batteria di riscaldamento |
9. Manutenzione
Avvertimento!
-Prima di qualsiasi intervento di manutenzione sull'elettrodomestico, è necessario interrompere l'alimentazione elettrica poiché esiste il rischio di scosse elettriche che possono causare danni materiali, lesioni gravi o addirittura la morte.
- Si consiglia di sottoporre l'apparecchiatura a una manutenzione generale almeno annuale per garantirne il corretto funzionamento, mantenerne le prestazioni ed evitare possibili guasti, queste operazioni vengono eseguite a spese dell'utente, da un technician qualificato. eseguito da un technician qualificato.
-per la manutenzione che deve essere eseguita da un technician qualificato, si prega di leggere le istruzioni di sicurezza nelle pagine precedenti riportate nel capitolo "manutenzione: avvertenze riguardanti apparecchi contenti refrigerante R32" prima di esquire una qualiasi delle operazioni di manutenzione descrirente di seguito.
(1) Dovete controllare ilsystema della fornitura d'acqua regolarmente per evitare l'aria di entrare alsystema e I'avvenimento del basso flusso d'acqua, perché questi fenomeni diminuiscono I'adempimento e I'affidabilità del componente di HP.
(2) Pulite regolarmente le vosre piscine e i sistemi di filtrazione per evitare i danneggiamenti dei componenti, come ilchio bloccato a causa di sporcia.
(3) Solo i tecnici qualificati di servizio sono permessi di operare la pressione del systema di refrigerazione.
(4) Dovete scaricare acqua alla pompa d'acqua e dagli altri sistemi d'acqua, al fine di evitare dai danneggiamenti di congelamento in inverno.
(5) Se il componente di HP smette di funzionare da lungo, dovete scaricare acqua dal fondo della pompa d'acqua. In un altro modo, dovete controllare i componenti interamente e riempire il systema prima che i componenti iniziano ad avviarsi di nuovo
(6) Pressione R32 e tabella di mappatura della temperatura
| Condizione | Spegni | |||
| Temperatura ambiente | meno 5-5 °C | 5-15 °C | 15-25 °C | 25-35°C |
| Temperatura dell'acqua | / | / | / | / |
| Lettura Manometro | 0.68-0.93 MPa | 0.93-1.25 MPa | 1.25-1.64 MPa | 1.64-2.1 MPa |
| Condizione | Running (Riscaldamento) | ||||
| Temperatura ambiente | / | / | / | / | / |
| Temperatura dell'acqua | 10-15°C | 15-20°C | 20-25°C | 25-30°C | 30-35°C |
| Lettura Manometro | 1.3-1.8 MPa | 1.5-1.9 MPa | 1.6-2.3 MPa | 1.9-2.8 MPa | 2.1-3.5 MPa |
(7) Si prega di svuotare sempre l'acqua della pompa di calore durante il periodo invernale o quando la temperatura ambiente scende al di fatto di 0^ , altrimenti lo scambiatore in Titanio verrà danneggiato a causa del congelamento, in tal caso la garanzia verrà persa.

WAARSCHUWINGEN
- Ai sensi delle seguenti disponzioni, il venditore garantisce che il prodotto corrispondente a但这a garanzia ("il Prodotto") non presenta alcun difetto di conformità al momento della sua consegna.
Il Periodo di Garanzia per il Prodotto è di due (2) anni a decorrere dal momento della consegna dello stesso all'acquirente. - Nel caso in cui si venisse a produrre un difetto di conformità del Prodotto e l'acquirente lo notificasse al venditore entro il Periodo di Garanzia, il venditore dovrà riparare o sostituire il Prodotto a sua spese nel luogo che consideri opportuno, salvo che ciò risulti impossibile o sproportionato.
- Qualora non fosse possibile riparare o sostituire il Prodotto, l'acquirente potrà richiedere una riduzione proportionale del prezzo o, nel caso in cui il difetto di conformità fosse sufficientemente importante, lo scioglamento del contratto di vendita.
- Le parti sostituite o riparate in virtù della presente garanzia non rappresenteranno un prolongamento della scadenza della garanzia del Prodotto originale, quantunque disporranno di una loro propria garanzia.
- Affinché la presente possa essere valida, l'acquirente dovrà attestare la data di acquisto e segna di del Prodotto.
- Una volta trascorsi più di sei mesi alla segna del Prodotto all'acquirente, qualora quest'ultimo dichiari un difetto di conformità del medesimo, l'acquirente dovrà attestare l'origine e l'esistenza del difettodichiarato.
Il presente Certificato di Garanzia non limite o preclude i diritti che corrispondano ai consumatori in virtu delle norme nazionale di carattere imperativo.
2CONDIZIONI PARTICULARI
2.1 La presente garanzia copre i prodotti al quali si riferisce quello manuale.
2.2 Il presente Certificato di Garanzia avrà vigore unicamente nell'ambito dei paesi dell'Unione Europea.
2.3 Per la validità di但这a garanzia, l'acquirente dovrà rispetto in maniera rigorosa le indicazioni del Fabbricante indicate nella documentazione che viene allegata al Prodotto, quando但这a risulta applicabile secondo la gamma e il modello del Prodotto.
2.4 Nel caso in cui venga specificato un calendario per la sostituzione, la manutenzione o la pulizia di determinati pezioni o componenti del Prodotto, la garanzia sareva valida solo quando qualora detto calendario sia stato rispetto in maniera corretta.
3LIMITAZIONI
-
La presente garanzia sareva valida unicamente per le vendite realizzate a consumatori, laddove per "consumatori" s'intende quella persona che acquista il Prodotto con scopi che non rientrano nell'ambito della sua attività professionale.
-
No viene conquassa alcuna garanzia nei riguardi del normale consumo per uso del prodotto. In merito ai pezzi, ai componenti e/o ai materiali fusibili o consumabili come pile, lampadine, ecc., ove sussista si appliccherà quanto disporto nella documentazione che è allegata al Prodotto.
- La garanzia non copre i casi in cui il Prodotto: (I) sia stato oggetto di un uso non corretto; (II) sia stato riparato, manipolato o la manutenzione si stata effettuata da una persona non autorizzata o (III) sia stato riparato o la manutenzione si stata effettuata con pezzi non originali. Qualora il difetto di conformità del Prodotto si conseguenza di una INSTALLazione o messa in marcia non corretta, la presente garanzia risponderà solo nel caso in cui la suddetta installazione o messa in marcia sua compresa nel contratto di compravendita del Prodotto e si stata realizata dal venditore o sotto la sua responsabilità.
ManualeFacile