BRAGA - Piscina fuori terra GRE - Manuale utente e istruzioni gratuiti
Trova gratuitamente il manuale del dispositivo BRAGA GRE in formato PDF.
Scarica le istruzioni per il tuo Piscina fuori terra in formato PDF gratuitamente! Trova il tuo manuale BRAGA - GRE e riprendi in mano il tuo dispositivo elettronico. In questa pagina sono pubblicati tutti i documenti necessari per l'utilizzo del tuo dispositivo. BRAGA del marchio GRE.
MANUALE UTENTE BRAGA GRE
In caso di rotture e/o deformazioni del legno, effettuare l'inventario completo dello stato dei vari pezioni prima di farne richiesta al servizio post-vendita. In es: tado, verranno tutti inclusi nella medesima spedizione
Per il montaggio, la linguetta presente sul listone delve essere sempre rivolta verso l'alto (per piscine conSYSTEMA a incastro).
Nella prima fila di listoni (la base della piscina) è normale che alcuni di essi presentino una scanalatura nella parte inferiore e altri no,esso la base piatta (listoni di media lunghezza).
Durante l'inverno, i copri giunture metallici dei bordi sono arrugginire. Il cliente è responsabile della manutenzione di suddetti componenti. Se si utilizes una copertura invernale, assicurarsi di disporre di un'adeguata ventilazione.
Non svuotare completeness la piscina per un lungo periodo di tempo poiché la sua struttura potrebbe deformarsi.
Individuare il paragrafo relativto alla manutenzione nel manuale della scaletta in acciaio inossidabile (nel caso in cui venga fornita con la piscina)
IT Prima di fissare i bordi della piscina è necessario effettuare una prova di posizionamento. Qualora la piscina disponga di doppio rivestimento, occorre posizionale sa l'internalo che l'esterno e iniziare ad avvitare il perimetro interno.
E vietato sedersi o camminare sui bordi. Eventuali rotture non saranno coperte alla garanzia.
Questa dovola delve essere riposta su una superficie livellata, preferibilmente in cemento.
Se la piscina viene montata subito:
- Controllare il contento.
- Effettuare il montaggio quanto prima per evitare la deformazione dei componenti una volta eliminata la fascetta di fissaggio.
Se la piscina non viene montata subito:
Non rimuovere le fascette di fissaggio dal legno.
- Nel caso si rendesse necessariogettare la tavola月以来 mon tato la piscina, occorre ricostruirla assicurando un buon fissaggio per evitare deformazioni dei componenti (utilizzare corde, fascette ecc).
In entrambi i casi posizionare dei pesi per assicurare che siano in piano. Conservare la davola in un luogo adeguatamente ventilato.
Leggere attendamente queste informazioni e e conservarle per farvi riferimento in futuro
Congratulazioni per la tua scelta. Il modello che hai scelto è stato progettato in modo particolare per una INSTALLazione simplice e rapida, ma per un uso corretto della piscina sono necessarie alcune precauzioni. Prima di procedere con l'installazione e il montaggio della tua piscina, informati su quanto previsto dal piano regolatore.
L'utilizzo del kit delle piscine implica il rispetto delle istruzioni di sicurezza descritte nel manuale d'uso e manutenzione. Non rispetto le norme di sicurezza si possono produrre gravi rischi per la salute, in particolare quella dei bambini. Leggere attendamente il presente manuale e osservare le illustrazioni prima di iniziare il montaggio della piscina. Nel caso in cui il montaggio non sia conforme a quanto indicate nel presente manuale vi è il rischio che, in caso di un difetto, la garanzia venga rifiutata.
Le informazioni cont∉ne nel presente manuale di installatione mostrano esattamente come procedere. Tuttavia, le illustrazioni presenti nelle stesso vogliono spiegare il processo di montaggio. Non sono considerate elementi contrattuali per quanto riguarda la forma, il colore o l'aspetto sostrati. Con l'obiettivo costante di migliorare i loro prodotti, la società Manufacturas Gré si riserva il diritto di modificare un qualiasi段时间e e nella preavviso le caratteristiche, i dettagli tecnici, gli accessori standard e gli optionali dei loro prodotti.
NLLET OP!
In caso di reclami o per assistenza post vendita, conservare il manuale con il numero di serie insieme alla prova di acquisto (scontrino).
Qualsiasi richiesta di garanzia delve essere inoltrata on line,tramite la pagina web www.grepool.com/it/post-vendita,allegando lo scontrino.
Possono essere richieste fotografie come prova. Non si accetta la restituzione della merce salvo previo accordo. Il cliente si farà carico di tutte le spese di restituzione della merce (imballaggio e trasporto).
DOPO LA VERIFICA E LA CONSTATAZIONE DI UN DIFETTO DI FABBRICAZIONE.
- I prodotti che presentano effettivamente dei difetti saranno riparati o sostituiti con porto pagato.
!
La garanzia si limita alla riparazione o alla sostituzione del pezzo difettioso. Non è contemplata in alcun caso una richiesta di indennizzato o di danni.
LA GARANZIA NON É APPLICATA NEI SEGUENTI CASI:
- Utilizzato del materiale in modo non conforme alle nostre istruzioni
- Danni provocati da una manipolazione errata o da un'installazione non conforme.
IMPORTANT:
La società Manufacturas Gré cambia un componente a condizione che venga svolta una perizia. Se in seguito alla perizia non viene evidenziata nessuna anomalia o mal funzionamento, la società Manufacturas Gré si riserva il diritto di fatturare al clienti iosti di porto ed eventuali altri.
DURATA DELLA GARANZIA:
- Il legno di pino silvestre trattato in autoclave di classe 4 ha una garanzia di 10 anni, in caso di putredine e attacco di insetti.
- Liner: 2 anni per le giunzioni e la tenuta stagna nelle normali condizioni di uso. La garanzia non comprende: crepe, rotture, altri tipi di cedimento, macchie (prodotti di trattamento direttamente nell'acqua), le macchie legate al crescere di alghe, le macchie dovute alla decomposizione di corpi estranei al contatto con il liner, le macchie e lo scolorimento dovuti all'azione di prodotti ossidanti, mantenimento del colore e usura dovuti all'attrito del materiale con diverse superfici, la deformazione del liner che è rimasto sulla acqua per più di 24 ore (la piscina non deve mai essere svotata completeness).
É obbligatorio conservare l'etichetta con il numero di serie delliner presente nel prodotto e nel suo imballaggio. Per qualsiasi
eventuale domanda di assunzione di garanzia, sare richiesto di migliorare illiner.
- Scaletta per piscina in acciaio inossidabile: 2 anni. In caso di filtraggio per elettrolisi del sale, non si terràconto della garanzia delle scale.
- Sistema di filtrazione: La pompa ha iTene una garanzia di 2 anni (problema elettrico) nelle normali condizioni di uso. La garanzia non comprende: la rottura di pezzi (base della pompa/deposito di terra, copertura del pre-filtro, sportello multi direzionale...), il deterioramento dovuto a una connessione difettosa, l'uso della pompa a secco, il deterioramento per abrasione o corrosione (il sistema di filtrazione deve essere collocato in un luogo fresco e asciutto, al riparo da spruzzi d'acqua).
- Altri componenti: 2 anni
SONO ESCLUSI DALLA GARANZIA:
Qualsiasi lavorazione meccanica post-trattamento che possa influire negativamente sulla qualità del trattamento stesso tra cui, ad esempio, qualsiasi operazione di taglio, spazzolatura, levigatura e foratura. Eccezione: i fori necessari per il fissaggio dei rinsforzi e i blocchi di legno, che sarebbero stati realizzati utilizzando una punta da trapano con diametro inferiore di almeno un millimetro rispetto a quello delle viti di fissaggio.
- Taglineliner
- Montaggio e connessione della filtrazione
- Il montaggio
- Il riempimento d'acqua
- Il posizionamento dei bordi
- L'invernaggio
-La manutenzione
SERVIZIO POST VENDITA IN GARANZIA (Previa giustificazione e prova di acquisto)
- Trasporto di invio a carico del cliente.
- Trasporto di reso a carico di Manufacturas Gré (per i pezioni compresi nella garanzia). - Cambio del legno previa giustificazione visiva.
- Pezzi o componenti a carico di Manufacturas Gré.
- Tempi di sostituzione: 8 giorni lavorativi. Nel caso di sostituzione di un componente difettoso, il montaggio e lo smontaggio non sono a carico di Manufacturas Gré.
SERVIZIO POST VENDITA SENZA GARANZIA:
- Trasporto di invio e di reso a carico del cliente.
- I pezzi saranno fatturati in base alle tariffe vigenti
I pezzi singoli sono disponibili per 5 anni a partire alla data di fatturazione del prodotto.
INTRODUZIONE
PRECAUZIONI PER LO STOCCAGGIO
Quando la piscina è smontata, è sensibile alle variazioni di temperatura e di umidità. è quindi necessario adottare alcune precauzioni per lo stoccaggio.
Quando ricevi i prodotti imballati, riponi le parti in legno in orizzontale, al riparo alla luce solare e dall'umidità per evitare qualsiasi rischio di deformazione.
IMPRESCINDIBILE:
- Non lasciare il legno al sole, per evitare che il legno si incurvi o si screpoli in modo eccessivo.
- Non lasciare la piscina esposta all'esterno protetta da un telo a tenuta stagna, perché la condensa prodotta dal legno crea umilità e la potrebbe deformare.
OBBLIGATORIO:
- Montare la struttura in una sola volta.
- Conservare il legno della piscina in orizzontale, al riparò dall'acqua e alla luce solare.
- Togliere la pellicola protettiva per fare respirare il legno.
DURATA DELL'INSTALLAZIONE
L'installazione della piscina richiede l'intervento di almeno due persone e sono necessari due giorni (escludendo la preparazione del terreno e il riempimento).
PRIMA DELL'INSTALLAZIONE DELLA PISCINA ASSICURARSI CHE:
- le connessioni elettriche siano effettuate da un technician qualificato
- l'approvigionamento idrico sua sufficiente per riempire la piscina
- aver fatto attendamente l'intero manuale, prestandoattenzione a tutti i passaggi dell'infallazione.
IMPORTANT:
Manufacturas Gre, S.A non sare responsabile dei danni dovuti alla scarsa qualità del calcestruzzo.
Il massetto di cemento deve essere realizzato da un professionista secondo leindicazioni descripte in questo manuale di struzioni. In caso di reclamo, la fattura del massetto può essere richiesta per esaminare la garanzia della piscina.
PISCINE INTERRATE E RELATIVE NORME
Le piscine fuori terra devono essere dotate di un sistema di protezione a norma.
Per quanto riguarda le piscine seminterrate o interrate, la legge francese n° 2003-9 del 3 gennaio 2003, relativa alla sicurezza delle piscine, ed anche il il decreto legislativo fr accesses n° 2003-1389 del 31 dicembre 2003 relativo alla sicurezza delle piscine rendono obbligatoria la dotazione di un sistema di protezione standard per l'accesso alla vasca, come ad esempio:
- Barriera di protezione
- Allarme della piscina
- Copertura della piscina
Riparo della piscina
CONSIGLI SUL POSIZIONAMENTO
Preparare il terreno come individato nel presente manuale nel capitolo «installazione».
NON COLLOCARE LA PISCINA
- Sotto cavi elettrici
- Sotto rami di alberi
- Su un terreno instabile
Un posizionamento corretto fa risparmiare tempo e evita limitazioni. La piscina deve essere in un punto soleggiato e lavorante accessibile.
Lo spazio scelto per la piscina deve essere libero da tubazioni o cavi elettrici.
Si tengà presente che è preferibile montare la piscina in un giorno di sole eliminando i giorni con forte vento.
IMBALLAGGIO, CLASSIFICAZIONE E RICICLO
- Alcuni componenti della piscina hanno un imballaggio in plastica. Per evitare il rischio diASFissia, tenere lontano alla portata dei bambini.
- Grazie per rispetto le norme dell'Unione Europea e per collaborare alla protezione ambientale.
Una volta installata la piscina e aver montato tutti i componenti, ti suggeriamo di dividere e riciclare tutti gli imballaggi.
INTRODUZIONE
ISTRUZIONI DI SICUREZZA
E obligatorio collocare il kit di filtrazione (filtr + pompa) a una distance minima di 3,5 metri alla piscina per evitare il rischio di scariche elettriche.
E obligatorio prevedere l'installazione di un dispositivo di protezione differenziale speciale per la piscina nell'alimentazione elettrica della pompa, in conformità a quanto previsto alla legge.
Non lasciare i bambini soli nei pressi della piscina.
Dopogni bagno, ritirare la scaletta esterna per evitare cadute accidentali dei bambini degli animali domestici nella piscina (Normativa EN P90-317).
Questa piscina è destinata esclusivamente all'uso familiare. Non è permesso camminare sui bordi né tuffarsi o saltare da essi.
Prima di installare e utilizzare la piscina si prega di
leggere attendamente le informazioni contene in quello manuale, avendo cura di comprendre e rispettarle. Gli avvisi, le istruzioni e leindicazioni sulla sicurezza si riferiscono ad alcuni dei rischi più comuni relativi all'utilizzo della piscina, ma non coprono la totalità dei rischi e dei pericoli che possono verificarsi. Occorre essere prudenti, ave sense critico e come un senso nella pratiche delle attività acquatiche. Conservare queste informazioni per successive consulazioni.
Precauzioni di sicurezza per le persone che non sanno nuotare:
E necessario Maintainere una vigilanza attenta, attiva e continuativa da parte di un adulto responsabile dei bambini che non sanno nuotare o non lo sanno fare bene (ocorre tenere presente che sono maggiormente a rischio di annegamento i bambini di età inferiore ai 5 anni).
- Garantire la vigilanza da parte di un adulto responsable egnualvolta si utilizza la piscina. - è auspicabile che i bambini che non sanno nuotare o non nuotano bene utilizzino dei dispositivi di protezione individuale quando entrano in piscina.
- Quando la piscina noniene utilizzata o non è sorvegliata, rimuovere tutti i giocattoli per evitare che i bambini si avvincino incautamente.
Sistemi di sicurezza
- Si consiglia di installare una barriere (e, se necessario, elementi di sicurezza sulle porte e sulle finestre dell'abitazione) per impedire qualiassi accesso non autorizzato alla piscina.
- Le barriere, le coperture, gli allarmi per piscine o i dispositivi di sicurezza analoghi sono usili, ma non sostituiscono la vigilanza permanente da parte di un adulto responsable.
Dispositivi di sicurezza
- Si raccomanda l'utilizzo di dispositivi di salvataggio (ad esempio un salvagente) vicino alla piscina.
- Disporre, nei pressi della piscina, di un Telefono perfettamente funzionante e di un elenco dei numero di emergenza.
Utilizzato sicuro della piscina
- Incoraggiare tutti gli utilizzatori, soprattutto i bambini, a imparare a nuotare.
- Imparare le tecniche di salvataggio (rianimazione cardiopolmonare) e aggiornare periodicamente le proprie conoscenze. Questi gesti, in caso di emergenza, sono salvare una vita.
- Spiegareagliutilizzatori della piscina,anecheai bambini,la procedura da seguire in caso di emergenza.
- Non tuffarsi mai in piscine poco profonde, in quanto ciò può provocare lesioni gravi o mortali.
- Non utilisezare la piscina dopo aver assunto alcol o farmaci che possono ridurre la capacité di farlo in tutte sicurezza.
- Se la piscina è dotata di una copertura, rimuovere completamente l'acqua presente sulla superficie prima di entrare.
- Trattare l'acqua della piscina e impostare pratiche di igiene corrette per proteggere gli utilizzatori da malattie legate all'acqua. Consultare le informazioni sul trattamento dell'acqua presenti nel manuale di istruzioni.
- Tenere lontano alla portata dei bambini i prodotti chimici (ad esempio i prodotti per il trattamento dell'acqua, la pulizia e la disinfezione). - è necessario posizionale i dispositivi di segnalazione forniti insieme alla piscina in posizione ben visibile, a meno di 2 m di distanza alla piscina.
- Posizione le scalette mobili su una superficie orizzontale.

I pezzi singoli sono disponibili per 5 anni a partire alla data di fatturazione del prodotto.


PEFC/14-38-00166



ATTENZIONE:
Ogni appearecchio alimentato a 220 V, delve essere situato ad almeno 3,50m dal bordo della piscina.
L'attrezzzatura va collegata ad una presa di tensione di corrente alterna, con una connessione a terra, protetta con un interrottore differentiali (RCD) con una corrente di funzionamento residuale assegnata che non ecceda i 30mA .
Leggere le istruzioni attendamente e conservareile quale futuro riferimento
PER OGNI VOSTRA EVENTUALE OCCORRENZA,... INTERPELLA-TECI!
SERVIZIO TECNICO IN ITALIA:
www.grepool.com
Una volta installata la piscina e aver montato tutti i componenti, ti suggeriamo di dividere e riciclare tutti gli imballaggi.
EMBALAGEM, CLASSIFICAZIONE RERECICLAGEM
Il legno è un prodotto naturale, le fissure percettibili nel bordo del legno sono assolutamente normali e non modificano le caratteristiche di resistenza.
Il legno è sempre un materiale modellabile (da un 3% a un 4% di variazioni dimensionali) in base alle variazioni di temperatura e umidità. Puo quando presentare piccole crepe e per limitare ulteriori deformazioni si dovranno rispetto i criteri tecnici relativi a creatione, selezione delle sezione e dell'assemblaggio e il metodo di fissaggio. I nodi sono elementi naturali del legno: il loro aspetto e la loro grandezza variano da un prodotto all'alto. La secrezione di resina è un fenomeno naturale del legno resinoso. Come nessun albero è esattamente uguale ad un alto, non si possono considerare difetti gli elementi di seguito fotografati:
HOUT: EEN LEVEND MATERIAL
Puo essere visibile della muffa sulla superficie del legno, ma non penetr da netro e non lo danneggia. L'esposizione ai raggi UV rende il legno grigiastro con il tempo alla che ci di pregiudichi la sua durata. Si puo applicare una vernice per legname trattato in autoclave. Oltre a proteggere, la vernice contribuisce alla bellezza e alla durata dell'installazione. In quello caso, aspettare che il legno si asciughi complemente prima di applicare la vernice.
PINO SILVESTRE TRATTATO IN AUTOCLAVE
Il legno utilizzato è pino silvestre selezionato ed essiccato al 25% con un trattamento in autoclave 4. Ha una garanzia di 10 anni contro l'attacco di insetti e il marchiume per le parti in contatto con il suolo.
Per sistemare alla perfezione illiner e i bordi è importante rispetto delle misure. Misurazioni approssimative.

Per sistemare alla perfezione il liner e i bordi è importante rispetto delle misure. Misurazioni approssimative.

SISTEMA DI FILTRAZIONE
1
Ilsystemadifiltrazione e in particolarepompa elettrica della piscina devono essere collocate obbligatoriamente aduna distanza di almeno 3,5 metri alla vasca (normativa NFC-100).
La manutenzione e l'invernaggio del filtro necessitano lo svuotamento dell'acqua. è indispensableabile prevedere lo svuotamento per installare il sistema di filtrazione.
TUBO DEL FILTRO
3
In caso si vogliano interrare i tubi del filtr, è indispensable proteggerli dal rischio di deterioramento rivestendoli prima di interrarli.

FILTERGROEP
ORIENTAZIONDELLAVASCA
La vasca va orientata in modo che lo skimmer sia controvento rispetto ai venti dominanti. Lo skimmer è un elemento molto importante nelsystemadi filtrazione e si installa sempre controvento rispetto ai venti dominanti. Dalla sua capacité di aspirazione alla collocazione corretta dipende la qualità della filtrazione dell'acqua della piscina.
ORIENTATIE VAN HET BASSIN
Ilsystemadi filtrazione sidesuite aldisotto del livello della piscina eidealmente al livello del fondo della piscina; altrimenti la pompa corre il rischio di disattivarsi.Lapompa di filtraggiodevesereprotetta da spruzzi di acqua, inondazioni edallumidità,in unluogo asciutto e ben ventilato. In caso contrario,le partimetalliche e il motore della pompa potrebbero deteriorarsi.
E un passaggio determinante nella costruzione della piscina. Determinati lavori di messa in funzione, come la preparazione del terreno, il basamento di calcestruzzo, il drenaggio... possono necessitarile l'intervento di professionisti che proporanno le soluzioni adeguate. Scegliere la collocazione ideale, il più possibile soleggiata, considerando la normativa locale (distanza dal confine, servitù pubbliche, reti...) e l'aspetto del paesaggio successivo all'installazione della piscina.
Determinare la collocazione tramite l'identificazione del terreno, consultare il capitolo «Tracciatura nel terreno».
Puo installare la piscina di uno di quosti tre modi:
Il serra di filtrazione si deve situare al di sotto del livello della piscina e idealmente al livello del fondo della piscina; altrimenti la pompa corre il rischio di disattivarsi. La pompa di filtraggio deve essere protetta da spruzzi di acqua, inondazioni e dall'umidità, in un luogo asciutto e ben ventilato. In caso contrario, le parti metalliche e il motore della pompa potrebbero deteriorarsi.
Non installare la piscina su un terreno riempito di recente o che non sua stabile. Qualsiasi si il tipo di installatione scelto, è necessario scavare e preparare il terreno per livellarlo. Attenzione: in caso di terreno in pendenza, è necessario scavare per livellarlo. Non aggiungere terra per livellarre il terreno.
L'installation dovrà essere effettuata su un basamento di calcestruzz, quello dovrà essere uno spessore minimi di 17 centimetri. Il montaggio della vasca va effettuato quando il basamento èpletamente secco (quanto avviene in circa 3 settimane). Ilsystema di filtrazione si deve situare al di fatto del livello della piscina e idealmente al livello del fondo della piscina.
Tener presente il codice di riferimento della piscina al momento del montaggio
- 1 cacciavite (torx N° T15, T20, T25) - 1 trapano con punte per legno Ø4, Ø6 e Ø10, per calcestruzzo Ø10 e per metallo Ø5 • 1 taglierino • 1 livella • 1 decametro • 1 mazza • 1 martello • 1 cacciavite • 1 chiave 19
- 1 sega per metalli • 1 sega per legno • 1 penna • Adesivo PVC • Rotolo di nastro adesivo in teflon • Nastro biadesivo o cucitrice • Guanti • Morsetti
Tempo del montaggio (a parte la preparazione del terreno e il riempimento) 2 giorni con almeno 2 persona
NL GEREEDSCHAPPEN
Tracciare nel suolo la forma della piscina aiutandi con le dimensioni precedenti. La tracciatura puo essere effettuata con l'aiuto di una corda.
Se la piscina è completeness o parzialmente interrata, si delve predisporre lo scavo di un'area di 50 cm in più nel perimetro per facilitare i movimenti durante il montaggio.
BETONPLATTE:
L'installation della piscina implica la costruzione di un basamento di cemento armato con fibre o una rete saldata. Il calcestruzzo deve essere di 350kg / m^3 (standard C125 430). Raccomandiamo di rivolgersi a un professionista per la costruzione del basamento.
A Se si tratta di un'installazione parzialmente o totalmente interrata, eliminare tutti i frammenti di legno, rami o radici che potrebbero degradarsi con il tempo.
Non installare una cassaforma sulla piscina o vicino adessa con un legno che non sua stato trattato per essere installato a dato con la terra, Non aplicare nessun trattamento ulteriore sulla parte interrata, ad esempio, è vietato applicare catrame o vernice non micro porosa. Assicurarsi che il legno possa respirare, consultare il capitolo «Preparazione del terreno».
BETONVLOER: HET IS VAN ESSENTIEEL BELANG OM HET ZWEMBAD TE CENTREREN OP DE BETONNEN VLOER, ZOALS TE ZIEN IS OP DE AFBEELING. DE AFMETENG OMVATTEN DE DIKTE VAN DE WAND.
Dalle béton non incluse.
Le indicazioni per la costruzione delle piscine totalmente o parzialmente interrate sono efficaci nel caso di installatione in un terreno che non sua umido. è consigiliable seguire le istruzioni di base per evitare le restrizioni relative al tipo di terreno (ad esempio, argilla) o la presenza eccessiva di acqua nel terreno (sorgenti, acque di scorrimento...). Per evitare qualiasi eccesso di umidità nel terreno, è necessario installare un systemi di drenaggio sotto la piscina e intorno adessa costruendo un pozzo di decompressione. In agli caso, è necessaria la presenza di un systemi di svuotamento per evitare il ristagno di acqua e le sue possibili consequences di contaminazione del suolo, incluso il deterioramento della struttura (marcieme del legno, deformazione della struttura...) Per garantire una pianificazione di qualità più essere molto utile parlare con un technique specializzato.
NON MONTARE MAI LA PISCINA IN PRESENZA DELLE SEGUENTI CONDIZIONI: terreno in pendenza, irregolare, sabbioso, con pietre o morbido. TRACCIARE ZONA DI INSTALLAZIONE
Una volta scelta la zona di systemazione della piscina (che deve essere perfettamente nivelata), si provederà alla relativa tracciatura. Tracciare il terreno servendosi di picchetti di legno, di un cacciavite, un imbuto (o una bottiglia di plastica), gesso o calce e una corda.
Si consiglia di livellare la superficie totale necessaria prima di tracciare (la tracciatura deve restare centrata sul rettangolo corrispondente al modello di piscina) in modo che il lavoro si più comodo.
Per evitare qualsiasi eccesso di umidà nel terreno, è necessario installare un systemà di drenaggio在整个 piscina e intorno ad essere costruendo un pozzo di decompressione.
LIVELLARE
Per livellare il terreno non aggungere mai terra nel punto in cui manca, ma si scaverà sempre nel punto in cui è in excesso. In quello modo si garantirà la stabilità e solidità del terreno. Occorra comunique eliminare tutte le erbace, le radici, le pietre, ecc. La procedura di livellamento è molto importante, occorrera quando dedicargli il tempo e la cura necessari affinché la piscina si sistemi perfettamente sul terreno prescelto ed eviterà eventuali problemi.
Come livellare: Dopo aver pulito la zona prescelta, situare sottoterra delle squadre o dei "listelli" di legno lunghi, formando rettangoli (o quadrati) livellati fra loro, per mezzo di una squadra da muratore (alluminio) e una livella. Quando tutti i "listelli" saranno a livello e dopo aver rimioso la terra occedente, si potrano riempire le piccole zone mancanti da livellare (con terra pulita o sabbia di fume) ma sempre compattando e livellando di seguito. è importante che sia ben saldo affinché non sprofondi il terreno quando la piscina sare piena d'acqua. Consultare un professsinista: construttore, giardiere, ecc.
Finitura: Sul terreno pulito e nivellato si spargerà un sottile strato (max.1 cm) di sabbia setacciata. Quindi irrigare e compattare (con un rullo da giardino). Verificare che il terreno sia ben livellato. Non utilizzato la sabbia per livellare il terreno. La finitura deve essere perfetta.
Importante: L'installazione della piscina implica la costruzione di un basamento di cemento armato con fibre o una rete sdata.
Le basamento deve essere perfettamente levigato e ammonbidito, al fine di evitare eventuali imperfezioni.


Raccomandiamo di rivolgersi a un professionista per la costruzione del basamento.
Il basamento di calcestruzzo non è incluso.
Dosaggio 350kg / m^3 (standard C125 430)
Ref. 790206 L: 6,59 x P: 4,61 x H: 0,17 m - 5,17 m³ di calcestruzzo.
Ref. 790207 L: 8,56 x P:4,61 x H:0,17 m -6,72 m³ di calcestruzzo.
INSTALLAZIONE PARZIALMENTEO COMPLETAMENTE INTERRATA
In base al tipo di terreno, è importante installare un drenaggio periferico collegarlo con un pozzo di decompressione. Il pozzo deve essere scavato prima della costruzione della piscina per evitare che gli scavi si riempiano di acqua durante i lavori. Deve essere vicino alla vasca, alcuni centimetri più in basso del punto più profondo della stessa e arrivare fino alla superficie. Il pozzo di decompressione deve essere situato nel dato più umido. Svolge la funzione di un tombino in caso di infiltrazioni di acqua e di suolo argilloso, dato che l'acqua sale più rapidamente attraverso il tubo che attraverso il suolo.


1- Struttura in legno
2-Rotolo di protezione del drenaggio alveolare di HDPE
*Qualora avenga l'installazione di un qualiasi accessorio a fatto con il legno, è indispensable espositionare il rullo alveolare per una corretta protezione.
VOORBEREIDING VAN HET TERREIN
Dosagem 350kg / m^3 (normalizzato tipo C125 430)
obblatorio montare il telaio metalico qualsiasi sua il tipo di installmente.
Per prima casa occorre unire entrambi i pezzi con le parti metalliche, come indicato nella figura 1 al fine di formare una «L».
Assemblare il telaio come alla la figura 2. Il telaio deve essere posato dello stesso momento in cui si realizza il basamento di calcestruzzo.
NL MONTAGE
Posizione i telai nel fondo dello scavo seconde le indicazioni del progettagligato.Accertarsi che le parti verticali siano ben appiombate. Posizione la rete metallica adattandola alla superficie che occupare il basamento di calcestruzzo.E obblatorioio posare il telao e il basamento. Le misure del basamento di calcestruzzo devono superare di almeno 50 cm le facce interne della vasca. (figura 2)
NL PLAATSING
Distanza tra i centri delle colonne
Verificare il livello degli IPN
La rete permette di migliorare la resistenza del calcestruzzo e evitare che si rompa a causa della sua rigidità. Per augmentare l'aderenza della rete si consiglia di curvare le estremità della struttura. Il ferro non può stare in alcun caso a meno di 30 mm dal bordo esterno della struttura ultimata.
Aspettare 3 settimane fino a che il basamento sia completamente secco per proseguire con l'installazione della piscina.
Prima di iniziare l'installazione della struttura è obblatorio pulire il basamento per togliere tutte le impurità (graniglia, rami, foglie) ed eliminare le irregularità della superficie.
DISPOSITIONE DELLA TAVOLE: Prepareare le ravole «di prova» dando la forma della vasca.
POSIZIONAMENTO DELLA PRIMA FILA DI TAVOLE: • Costruire la prima fila posizionando le ravole (A23), (A24) e (B12) come alla la figura 4. Regolare la forma della piscina utilizzando le dimensioni interne indicate nel disegno di installmente (Vedere a pagna 44). Il disegno alla le dimensioni interne della piscina per le diverse diagonali opposte.
Vite 4x40 (1 vite per tavola)
2a FILA DI TAVOLE: Posizione are le tavole della seconda fila come indicato nella figura 5. Per assemblare correttamente le tavole nell'imballaggio della struttura è incluso un cuneo di legno. Non colpire direttamente le tavole. Il tenone si rovinerebbe e la solidità della struttura sarebbe pregiudicata Non colpire con un oggetto metallico. Il legno si deteriorerebbe irrmediabilmente. Assemblare correttamente le tavole dall'inizio. Non vi deve essere spazio tra una fila e l'altra per evitare una sconnaissance nelle parti superori.

IMPORTANTE: è importante che le tavole siano incastrate correttamente, soprattutto quale in basso (dove la pressione dell'acqua sare maggiore). è possibile che alcune tavole si allentino. Ciò è assolutamente normale perché il legno è un materiale vivo. Sebbene allentata, è possibile posizionale la tavola.Seguire questi passaggi: Appoggiare e collegare uno dei due lati della tavola. Ridirigere l'alto lato con l'aiuto di un morsetto a vite. Incastrare la tavola aiutandosi con una mazza e il cuneo di legno.

3a FILA DI TAVOLE: Posizione are tavole della terza fila come indicato nella figura 6. La posizione dell'ugello di mandata e dello skimmer deve essere determinata all'inizio del montaggio (leggere i paragrafi dedicati).
4a Fila DI TAVOLE E QUELLE SUCESSIVE: Posizionare le tavole e le file successive ripitiendo l'alternanza di tavole della seconda e della terza fila.

TAVOLE SPECIFICHE: Ugello di mandata: posizionare la ravola specifica per l'ugello di mandata (E12) con il lato esterno nel lato esterno della piscina.
Skimmer: Posizioniare le davole specifiche per lo skimmer controvento rispetto ai venti dominanti. Le davole (C12) e (D12) si posizionano sempre sopra un pannello iniziando con la davola (B12) (figura 7). Fino a che la piscina non sare piena, lo skimmer non sare stabile. Lo skimmer (insieme al suo sportello) deve essere incastrata nelso stesse momento della davola di rifinitura.

DISPOSITIONE DELLA TAVOLE: Preparare le tavole «di prova» dando la forma della vasca.
POSIZIONAMENTO DELLA PRIMA FILA DI TAVOLE: • Costruire la prima fila posizionando le ravole (A23), (A24), (A25) e (B12) come alla la figura 4.
- Regolare la forma della piscina utilizzando le dimensioni interne indicate nel disegno di installmente (Vedere a pagna 46). - Il disegno alla le dimensioni interne della piscina per le diverse diagonali opposte.
Vite 4x40 (1 vite per tavola)
2a FILA DI TAVOLE: Posizioniare le tavole della seconda fila come indicato nella figura 5. Per assemblare correttamente le tavole nell'imballaggio della struttura è incluso un cuneo di legno. Non colpire direttamente le tavole. Il tenone si rovinerebbe e la solidità della struttura sarebbe pregiudicata. Non colpire con un oggetto metallico. Il legno si deteriorerebbe irrmediabilmente. Assemblare correttamente le tavole dall'inizio. Non vi deve essere spazio tra una fila e l'altra per evitare una sconnaissance nelle parti superori.

IMPORTANT: É importante che le tavole siano incastrate correttamente, soprattutto quale in basso (dove la pressione dell'acqua sera maggiore). É possible che alcune tavole si allentino. Ciò è assolutamente normale perché il legno è un materiale vivo. Sebbene allentata, è possibile posizionale la tavola. Seguire quosti passaggi: Appoggiare e collegare uno dei due lati della tavola. Ridirigere l'alto lato con l'aiuto di un morsetto a vite. Incastrare la tavola aiutandosi con una mazza e il cuneo di legno.
TAVOLE SPECIFICHE: Ugello di mandata: posizionare la ravola specifica per l'ugello di mandata (E12) con il lato esterno nel lato esterno della piscina.
Skimmer: Posizioniare le davole specifiche per lo skimmer controvento rispetto ai venti dominanti. Le davole (C12) e (D12) si posizionano sempre sopra un pannello iniziando con la davola (B12) (figura 7). Fino a che la piscina non sare piena, lo skimmer non sare stabile. Lo skimmer (insieme al suo sportello) deve essere incastrata nella stesse momento della davola di rifinitura.

La posizione dei tasselli e dei rinalfori è indicata nel disegno (Vedere a pagina 44/46). Per posizionare i tasselli si può utilizzato una scalà di legno, vedi il capitolo sulla scala.
TASSELLI ( 6x90)
A· Allineare la parte superiore dei tasselli al livello dell'ultima davola. Mantenere i tasselli al loro posto
B· Perforare le cavole con una punta per il legno di 6 mm mettendosi all'interno della piscina.
- Accertarsi che la parte superiore del tassello sia ben allineata con quella della tavola.
- Accertarsi che la testa della vita sia allo stato livello del legno.
Per posizionare la seconda vite, prestare attenzione alla sua lunghezza in modo che non sporga atraverso la parte posteriore. Posizioniara il più vicino possibile al legno in alto.

- Allineare le parti superiore dei rinforzi al livello dell'ultima davola. Mantenere i rinforzi al loro posto. Perforare le davole con una punta per il legno di 0 6 mm. Avvitare in 2 tempi, mettendosi all'interno della piscina. Fissare prima i rinforzi superiore e poi quelli inferiori (nella 1^a e nell'ultima davola). Accertarsi della verticalità dei rinforzi. Completare l'assemblaggio dei rinforzi mettendo una vita per davola e corriggere le eventuali deformazioni del legno (tavole) Accertarsi che la parte superiore del rinforzo sa ben allineata conQLA della davola e che la testa della vita sa allo stesso livello del legno.
VERSTEVIGENG (6x90)
- Posizioniare la copertura L sopra la parte superiore delle tavole. Tagliare la parte eccedente della copertura in base all'altezza della vasca se necessario (figura 8). Fissare la copertura L con l'aiuto di 3 viti 4 x 60 divise omogeneamente per l'altezza (figura 9).
L'assemblaggio della struttura propriamente detta è terminato. Resta solo da posizionare i bordi (vedi il capitolo bordi). InQLs tasa fase del montaggio, devi ave:
NL
- Lo skimmer posizionato controvento rispetto ai venti dominanti. - Scelto il pannello dello struttura sopra il quale si posizionera la Scala smontabile.
NL
SIERLIJSTEML (4x60)
Vite 5x70 (4 viti suddivise per l'altezza di ciascun rinsforzo)
Le coperture sono supporti complementari che permettono di nascondere la parte visibile in metallo. Si fissano alla vasca come il resto dei supporti e compendono una traversa (figura 10) per nascondere la vista esterna del telao.
SIERLIJSTEN VOOR HET METALEN FRAME BASTIDOR METÁLICO ( 5x70)
Consultare i disegni (Vedere a pagina 44/46).
La Scala di legno per accedere alla piscina è inclusa. Non utilizzarla per scopi diversi.
Montare la Scala di legno e utilizzarla come metro per determinare la separazione dei tasselli che la sostengono. Nel caso in cui la vasca abbia forma rettangolare, la Scala si posizione su uno dei lati corti.
Centrare la Scala esterna di legno rispetto alla parete.
Perforare con una punta per il legno di 0 mm i due montanti e i due tasselli.
Nonutilizzare la scalp per scopi diversi da quelli indicati nel presente manuale.
Peso massimo consentito = 150kg
Togliere OBBLIGATORIAMENTE la Scala dopo agli utilizzato della piscina.
In base all'altezza della vasca, cui possero essere necessario regolare la Scala.
-
Ritagliare i montanti della scala consultando le dimensioni della figura 11 nella parte Bassa del montante e chiudere la parte che si vuole togliere.
-
Montare la Scala e posizionarla come indicato nella figura 12.

Nel caso in cui la piscina sua parzialmente interrata è necessario adattare la scala alla piscina. Per ragioni di sicurezza, se lo spazio tra il suolo e il primo gradino è tra gli 89 e i 230 mm (quota 1) chiudere quello spazio fissando lo scalone che non si utilizza in modo che la quota B sua inferiore a 89 mm. In quello caso, seguireThose indicazioni:
1-Ridurre la lunghezza del gradino di 12mm
2- Se la dimensione A è inferiore a 140 mm, ridurre la larghezza del gradino affinché quando si installi lo scalino lo spazio al di quello diesso sa completemamente chiuso.
3- Montare lo scalino modificando la Scala come individato nello schema superiore, ritagliano il montante della Scala.

Peso massimo consentito = 150kg .Togliere OBBLIGATORIAMENTE la Scala dopo agli utilizzato della piscina.

Due possibilità per installare la copertura della parete.
NASTRO BIADESIVO (NON INCLUSO)
- Attaccare il nastro biadesivo su agli singolo pannello, allineandolo col la parte superiore delle tavole superiori (figura 13). Se i legno è un po' umido o polveroso, lisciarlo con la carta vetrata per facilitare l'aderenza.
- Controllare la pulizia delle pareti e del suolo. Togliere viti, croste, trucioli, segatura...
- Stendere la copertura allineandola con il bordo superiore delle ravole superiori (figura 14).
- Tagliare la copertura in excesso ed eliminare le possibili pieghe.
CUCITRICE (NON INCLUSA)
- Pinzare l'estreità della copertura iniziando da un angolo.
- Stendere la copertura allineandola con il bordo superiore delle ravole superiori.
- Mettere una grappa agli 20 cm (figura 15).
- Tagliare la copertura in excesso ed eliminare le possibili pieghe.
- Conservare la parte inccesso del tappeto protettore della parete (Puo essere necessario per il fondo)

IT Iniziare a sistemare la copertura di protezione del fondo che si deve ritagliare dal rotolo incluso.
- La piscina va messa sobre la copertura. (É preferibile'utilizzare le forbice e non il taglierino)
- Unire i pezioni alla che si sovrappongano.
Non lasciare pieghe. - Unire i pezioni per i bordi con il nastro adesivo da un lato.
- Se la piscina ha un'area vicino alla parete che non è coperta dalla copertura, approffitrasse posizionando la copertura sul fondo e sollevarla un po 'attraverso l'area inferiore della parete. In quello modo il rivestimento sare ben protetto.
Fissaggio del primo giunto dello skimmer
Lo skimmer è il punto di aspirazione dell'acqua della piscina verso la filtrazione. La sua posizione controvento rispetto ai venti dominanti permette di recuperare i possibili residui a galla sulla superficie dell'acqua (polvere, foglie...).
INSTALLAZIONE
- Tagliare la copertura con un taglierino. Il taglio sare più ampio del foro (raggio del foro + 2 cm).
- Fissare il primo giunto di impermeabilità (giunto piano) nel corpo dello skimmer

Luglio di mandata serve ad introdurre acqua filtrata nella vasca. Passare atraverso la parete atraverso l'apposto foro nella davola pretagliata. INSTALLAZIONE
- Individuare l'ubicazione del foro per l'ugello.
- Fare un taglio a croce nella copertura dall'interno della piscina.
- Tagliare la copertura con un taglierino. Il taglio sare più ampio del foro (raggio del foro + 2 cm).
Il tubo del pulisci fondo dello skimmer si usa solo per la manutenzione della piscina.
REGOLAZIONE E FISSAGGIO DEI PROFILI (4x40): Posizione are il listello del liner. Perforare il listello con una punta da 4 mm iniziando a 50 mm dal bordo. Avvitare il listello a livello del bordo della tavola superiore utilizzato le viti (4x40). Distribuire uniformamente le viti sul listello. Procedere dello stesso modo con gli altri pannelli corti. Utilizzato una sega per metallo tagliare la parte eccidente del listello. Man mano che vengono tagliati i profili bianchi della misura corretta per sostenere il rivestimento, la parte inccesso dovrè essere utilizzata per prosequire il posizionamento su un altro lato della piscina.
Non perforare le ravole in precedenza.
Il numero di seri e si trova sull'etichetta della scatola
- Pulire la struttura interna della piscina (granelli di polvere, viti...) con un aspiratore se necessario.
- Verificare che il giunto dello skimmer sia al suo posto. Sistemare lo sportello all'interno dello skimmer.
- Individuarto sul fondo o sulla parete del liner e annotare il numero di series nel riquadro presente sul foglio delle istruzioni per eventuali reclami*
- Assicurarsi che non vi sia nessuna testa di quale vite che spunti dal legno.

Prima del suo posizionamento, il liner deve passare almeno 24 ore a una temperatura ambiente di 20^ . Le dimensioni del liner sono alcuni centimento inferiori a quale dell'interno della vasca, affinché il liner una volta posizionato sua teso. É necessario che il posizionamento del liner si effettuato a una temperatura esterna di almeno 15^ .
Si consiglia caldamente di esporre illiner al sole alcune ore prima del montaggio, casa renderlo flessibile e facilitarne il posizionamento. E obblatorioo conservare l'adesivo con il numero di seri'e presente nel liner. Per qualsiasi eventuale domanda di assunzione di garanzia, sare richiesto di migliorare lo numero dei seri.
INSTALLAZIONE (É imprescindibile riempire la piscina con acqua prima di montare i bordi)
Per realizzare quello passaggio, è necessario togliersi le scarpe per non danneggiare il liner.
A Entrare all'interno della piscina più scalzi.
B Porre il liner al centro della piscina (figura 16) e spiegarlo partendo da li (figura 17). Sud dividere omogeneamente il gioco tra le misure del liner e quella della struttura per tutte l'estensione.
Allineare correttamente gli inferiori del liner (angoli dei blocchi del fondo) con gli angoli della vasca (figura 18).
D Inserire il profilo del dispositivo di aggancio del liner nel listello (figura 19).
Prima del suo posizionamento, il liner deve passare almeno 24 ore a una temperatura ambiente di 20^ . è necessario che il posizionamento del liner si effettuato a una temperatura esterna di almeno 15^ .

E Per spostare il liner già posizionato, farlo scivolare tramite il listello. Se risultasse difficile, si puòtogliere il liner alzandolo per non danneggiare l'incollatura ai bordi. Assicurarsi che il liner sa ben posizionato non solo sul fondo ma anche sulle pareti, regolare uniformamente la tensione dello stesso (con la punta del piede, spingere il liner atraverso gli angoli fino agli angoli della parete) (figura 20).
Riempire la piscina di un paio di centimetri (figura 21). Per facilitare il positizamento del liner, è preferibile che l'acqua non sa molto fredda.
G Lisciare il fondo del liner per evitare le pieghe iniziando dal centro fino agli estremi. Proseguire il riempimento della piscina. Se continua a fare pieghre, regolare la tensione del liner sulle pareti facendo scorrere lungo il listello di aggancio. (Le pieghe oblique sulla parete indica un posizionamento incorretto) (Figura 22).
E indispensablehe che gli angoli del liner coincidano con quelli della struttura della vasca.
Una volta posizionato il liner, continuare a riempire la piscina fino a 10 cm al di sotto dell'ugello di mandata.
Alcune settimane dello riempimento, il liner presente un colore diverso nella parte sommersa rispetto a quella a fatto con l'aria. Questa decolorazione è normale e non mette in pericolato la solidità e/o le caratteristiche del liner. Per evitare che si formi una macchia scura dovuta alla contaminazione atmosferica tra la parte del liner sommersa e quella a fatto con l'aria (denominata linea d'accua), consigliamo di pulire regolarmente il liner in questa zona con un pulitore specifico.
Questa vista trasversale molto il liner posizionato nell'angolo
Tendere bene il liner negli angoli
Span de liner strak in de hoeken
Estique bem liner nos cantos
EN LAND-FILLING
ES TERRAPLENADO
FR REMBLAEMENT
DE ERDAUFSCHÜTTUNG
IT TERRAPIENO
NL GRONDEFFENEN
PT ATERRO
Nelle piscine totalmente o parzialmente interrate, è necessario un rinterro di ghiaia per favorire il drenaggio periferico. Il rinterro della piscina piùSEMARE una mera formalità dato che a prima vista non presente difficultà tecniche particolari. É inceve un'operazione più delicata di quanto sembri perché si devono prendere certe precauzioni. Un rinterro sbagliato può causare danneggiamenti successivi nella piscina e nelle sue immeditate vicinanze. É meglio prestare la massima attenzione al tipo di materiale usato ed effettuare tutte le necessarie verifiche. Prima di realizazare il rinterro è importante:
- Provare che tutti gli impianti idraulici ed elettrici siano connessi bene. - Provare che la tenuta stagna delle connessioni delle tubazioni, in particolare le parti saldate. - Proteggere, se del caso, il tubo di drenaggio ricoprendolo con materiale geo tessile. è importante effettuare il riempimento della piscina in parallelo con il rinterro in modo da equilibrare le pressioni ed evitare deformazioni della struttura durante l'operazione. Si consiglia di seguire la tecnia di rinterro per terzi (1/3 d'acqua e 1/3 di rinterro). Durante il rinterro, si consiglia di procedere per strati successivi per tutto il perimetro della vasca per non correire il rischio di danneggiare la struttura. - Posizione la protezione alveolare HDPE (non inclusa) intorno alla vasca. La protezione alveolare deve proseguire il basamento allo stesso modo ed estendersi esteriamente adesso. - Per evitare l'构造 del drenaggio, è necessario porre un felto nel terreno naturale (non incluso) per bloccare la terra. - Installare il drenaggio periferico sopra la protezione e collegarlo al pozzo di decompressione (in quello caso). In caso contrario, lasciare il drenaggio steso sul terreno. - Di seguito, realizzare il rinterro contro le pareti con g Shiaia compattata (calibro 10/30) che facilità il drenaggio. Questo rinterro deve essere realizazo后再oder i riempito la piscina.
Il rinterro con terriccio è proibito
INFORMAZIONI: Il drenaggio permette lo svuotamento continuo dell'acqua, sotto la piscina, e quando limite le perdite di acqua per capillarità verso la parte superiore dell'opera, dove interagisce aria e terra e si producono attacchi di funghi e il marciume (schema除去). La mancanza di drenaggio causa perdite di acqua per capillarità che possono essere importanti e permanenti, ecisioniscore gli attacchi con l'interazione aria/acqua (schema除去). In caso di attacco comprovato e in assenza di drenaggio la garanzia non potra coprir il deterioramento.
Drenaggio periferico
Perifere afwatering
Drenagem periférica


Ref. 790206





REFILLING FITTING WITH KEY
Iniziare ad immettere acqua nella piscina, interrompendo il riempimento a 4 cm dalliner inferiore della bocca della valvola.
Segnare tale aperture con un pennarello (A) e fare un taglio a croce nel centro della stessa (B) con l'aiuto di un taglierino (LAMETTA) alla superare il foro destinato allo skimmer.
Dall'intero della piscina insereire la bacchetta di immissione (No1)attraverso il taglio (C),utilizzando uno degli anelli di frizione (No 2) ed una delle giunte (No 3).
I pezzi di liner che fuoriescono alla parte esterna della piscina dovranno essere tagliati in maniera precisa e regolare.
L'alto elemento di giunzione (No 3.1) si posiziona dall'esterno, piegandolo e facendolo passare attraverso il pannello, affinche' rimanga a contatto con illiner e con il pannello.
Posizione l'alto anello di frizione (No 2.1) e stringere a fondo con il dato (No 4).
Inserire la manica di ritorno che va dall'uscita del depuratore fino alla valvola di ritegno e fissarla con la ghiera.
Importante: Prima di posizionare il manicotto, introdurre il copri-giuntura.(No 5)
Accertarsi che la valvola dell'apparato di depurazione rimanga in posizione di CHIUSO (Closed).

Installare ilchio prima di procedere con i tagli delliner.

1-Corpo dell'ugello
2-2.1 Giunto piano rotondo
3-3.1 Guarnizione
4-Dado del corpo dell'ugello
5-Copri-Giuntura
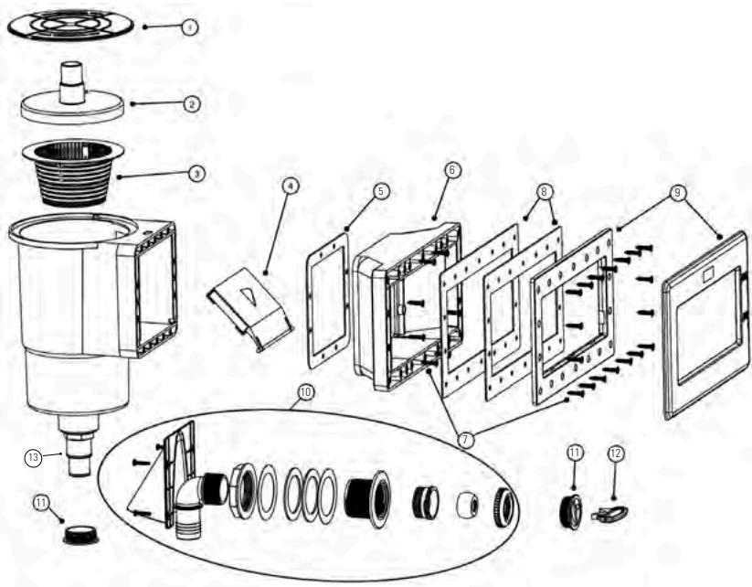
SKIMMER
MONTAGGIO DELLO SKIMMER
Prima di installare lo skimmer nella piscina si deve installare il Complesso a saracinesca nella bosca dello skimmer
Successivamente disporre la giunta (No 5) così come indicato alla A.
Continuare con il riempimento dell'acqua della piscina fino a raggiungere un livello di 4cm. al di除去 dell'apertura dello skimmer.
Ritagliare il liner con un taglierino (lametta) seguating il segno della struttura.

A

B
C

- Prima di proseguire, accertarsi che lo sportello dello skimmer sia ben posizionato.
- Segnare con un pennarello la posizione delle viti di fissaggio sopra il liner.
- Posizione il secondo giunto piano (5.1) e dato il traversino (6) contro il liner, allineando i fori con i segni di posizionamento delle viti.
- Fissare il traversino (6) sulla l'iner con 10 viti iniziando alla parte inferiore. La pressione dei punti di fissaggio sopra il liner delve essere costante (fissaggio a croce)
All inizio avitare le viti solo un poco in modo da verificare il corretto incastro, successivement avvitarle saldamente, dopo l'ordine indicato nel C. - Fissare a pressione il coperchio di bellezza No 6.1, stando attenti a collocare i segni di livello nella posizione adeguata. (D)
- Avolgere il connettore scanalato (11) dotato in precedenza di teflon nel corpo dell'ugello, dal lato esterno della vasca. (E)
-
Tagliare il liner con un taglierino dall'interno dello skimmer.
-
Adesso installare il filtro

D

1-Coperchio skimmer
2-Coperchio di aspirazione
3-Cestino
4-Insieme saracinesca
5-Giunta
6- Bocchettone 6.1- con coperchio di bellezza
7-Bustina viti (2 DIN 7981 4,2X16 and 10DIN 7983 4,8X25)
8-Bocchetta di immissione
9-Tappoinvernale
10-Chiave
11- Adattatore della pompa

E
Ref. 790207





UGELLO DIMDATA
Iniziare ad immettere acqua nella piscina, interrompendo il riempimento a 4 cm dalliner inferiore della bocca della valvola.
Segnare tale aperture con un pennarello (A) e fare un taglio a croce nel centro della stessa (B) con l'aiuto di un taglierino (LAMETTA) alla superare il foro destinato allo skimmer.
Dall'interno della piscina insere la bocchetta di immissione (No1) atraverso il taglio (C), utilizzando uno degli anelli di frizione (No 2) ed una delle giunte (No 3).
I pezzi di liner che fuoriescono alla parte esterna della piscina dovranno essere tagliati in maniera precisa e regolare.
L'alto elemento di giunzione (No 3.1) si posiziona dall'esterno, piegandolo e facendolo passareattraverso il pannello, affinche' rimanga a contatto con illiner e con il pannello.
Posizione l'alto anello di frizione (No 2.1) e stringere a fondo con il dato (No 4).
Inserire la manica di ritorno che va dall'uscita del depuratore fino alla valvola di ritegno e fissarla con la ghiera.
Important: Prima di posizionare il manicotto, introdurre il copri-giuntura.(No 5)
Accertarsi che la valvola dell'apparato di depurazione rimanga in posizione di CHIUSO (Closed).

SKIMMER
MONTAGGIO DELLO SKIMMER
Prima di installare lo skimmer nella piscina si deve installare il Complesso a saracinesca nella bocca dello skimmer (No 5 Fig. 3) Successivement disperre la giunta (No 6) e la Bocca conica (No 7), avvitando il blocco con 8 viti (No 8) DIN 7982 5,5 x 25,osto come indicato alla A.
Continuare con il riempimento dell'acqua della piscina fino a raggiungere un livello di 4cm. al di sotto dell'apertura dello skimmer.
Ritagliare il liner con un taglierino (lametta) seguating il segno della struttura.
SKIMMER

A


C
- Prima di proseguire, accertarsi che lo sportello dello skimmer sa be n posizionato.
- Segnare con un pennarello la posizione delle viti di fissaggio sopra il liner.
- Posizione il secondo giunto piano (5.1) e dato il traversino (8) contro il liner, allineando i fori con i segni di posizionamento delle viti.
- Fissare il traversino (6) sulla liner con 18 viti iniziando alla parte inferiore (7). La pressione dei punti di fissaggio sopra il liner deve essere costante (fissaggio a croce)
- All'inizio avvitare le viti solo un poco in modo da verificare il corretto incastro, successivamente avvitarle saldamente, dopo l'ordine indicato nel C.
- Fissare a pressione il coperchio di bellezza No 9, stando attenti a collocare i segni di livello nella posizione adeguata. (D)
- Avolgere il connettore scanalato (13) dotato in precedenza di teflon nel corpo dell'ugello, dal lato esterno della vasca. (E)
- Tagliare il liner con un taglierino dall'interno dello skimmer.
- Adesso installare il filtro

1-Coperchio skimmer
2-Coperchio di aspirazione
3-Cestino
4- Insieme saracinesca
5-Giunta di connessione
6-Bocca conica
7-Bustina viti (26 DIN 7982 5,5X25 and 10DIN 7982 4,8X19)
8-Giunta
9- Bocchettone con coperchio di bellezza
10-Bocchetta di immissione
11-Tappoinvernale
12-Chiave
13- Adattatore della pompa

D

E
Ref. 790206





UITSTROOMMONDSTUK
CONSIGLI PER IL MONTAGGIO: Il systemi di filtrazione deve essere posto ad almeno 3,50 m alla piscina.
Gli schemi riportati di seguito voglioni spiegare il senso di circolazione dell'acqua. Consultare il manuale incluso con il systema di filtrazione per effettuare il montaggio. Not: Riemire il filtrco con 2/3 di sabbia pulita e calibrata: il buon funzionamento della filtrazione è garantito solo utilizzando un calbro.
(1) I colori e le connessioni di sistemi di filtrazione possono variate in base ai modelli. Consultare l'apposto manuale.
Lo sportello multidirezionale determina il senso di circolazione. Le scritte "PUMP" "RETURN" "WASTE" sono impresse negli ingressi e nelle uscite dello sportello. L'installazione di tutti gli impianti elettrici deve soddisfare i criteri NF C15-100. Consultare il produttore per qualaisi modificata a uno o più componenti delsystema di filtraggio. La pompa di aspirazione deve essere posta sopra il livello dell'acqua per non farla spegnere.
Tutte le connessioni filettate devono essere montate con il nastro a tenuta stagna di teflon incluso *, tranne le connessioni con guarnizione torica. Il Teflon delve arrotolarsi in senso contrario alla filettatura.
TERRAPIENO: Finire di riempire la piscina. Il livello dell'acqua deve essere tra il terzo superiore e la meta della bocca dello skimmer.

- POSIZIONE LAVAGGIO (O BACKWASH): Posizione di pulizia della sabbia. Permette che l'acqua circoli nel senso contrario nel filtr. L'acqua entra nella parte inferiore del filtr e fa sollevare la massa filtrante e quando le impurità si raccolgono,essoando più leggere della sabbia, ed escono dalla parte alta del filtrino allo scarico. Questa operazione ha una durata di 2-3 minuti.

- POSIZONE CHIARIFICAZIONE/SCARICO DEL Filtro** (O RINSE): Operazione che segue il lavaggio del filtro. Dop o aver pulito il filtr, è necessario chiarificare e comprimer la massa filtrante. In questa posizione l'acqua circola per il filtrto come durante la filtrazione pero escetramite lo scarico all'uscita del filtrto. Questa operazione ha una durata di 20-30 secondi.

- POSIZIONE RICIRCOLO/CIRCOLO**: Posizione utilizzata affinché l'acqua circoli nella rete idraulica perché passare per il filtrlo. Questa opzione si utilizes per mescolare l'acqua se si deve aggiungere un prodotto nella piscina o se si deve effettuare quale operazione nel filtrlo, dato che in quello caso il filtrlo è isolato e l'acqua che arrivava alla pompa viene direttamente espulsa.
*Alcuni modelli sono consegnati con uno sportello a 4 vie (opzioni disponibili: Filtrazione, Lavaggio, Svuotamento/Scarico Chiusa o invernaggio).

** Queste posizioni si riferiscono unicamente allo sportello a 6 vie.

BORDI (È imprescindibile riempire la piscina con acqua prima di montare i bordi. É vietato sedersi o camminare sui bordi. Eventuali rotture non saranno coperte alla garanzia.)
Il bordo è composto da 2lastre, una interna e una esterna. Consultare i disegni (4x60) (Vedere a pagna 44/46).
PREPARAZIONE
- Prima di fissare il bordo, posizionare tutte le lastre di prova, consultando lo schema di installatione alla fine del manuale,enza avitarle, per poter sud dividere equamente le viti.
- Lasciare che il bordo superi verso l'interno per creare un «frangiflutti».
FISSAGGIO
- è necessario forare prima i bordi con una punta per legno di 0 4 mm per poter procedere con un fissaggio stabile e duratto. Per il montaggio, utilizzare le viti in acciaio inossidabile 0 4 x 60 mm che dovanno essere avvitate obliquamente (se esterne) al fondo delle scanalature.
- Una volta regolati i bordi, continuare livellando i tasselli. (*)

Fissaggio delle piastre sotto i bordi
Posizionamento della copertura degli angoli
- Sistemare le piastre di legno sotto i bordi negli angoli e fissarle con 4 viti (4x40).

PLAAT ONDER DE RANDEN (4X40)
RIVESTIMENTO DI ACCESSO ALLO SKIMMER
- Sul pannello doveiene posizionato lo skimmer, tagliare solo il rivestimento esterno con una misura corrispondente alla distance tra le squadrette
- Fissare il pannello di accesso allo skimmer con le cerniera all'interno.
NL RANDTOEGANG VOOR DE SKIMMER
A.- Assemblare i corrimano superiore (1) ed inferiore (10) per mezzo dell'imbutitura, fissandoli tra loro con gli scalini (9) e questi al corrimano con le viti (11), i dadi (8) e le correpondenti rondelle (7). (Fig.23)
B. - Montare i cappucci (12) del corrimano, che servono ad evitare che la Scala possa danneggiare la base Della piscina.
C.- Una volta montata laScala, provarla nella piscina e realizzare quattro fori passanti 9mmutilizzando come modello la base.
D.- Collocare la contro piasta (6) atraveso le viti (3), le rondelle (4,7) e le dadi (8) e fissare con chiavi fisse da 12-13. (Fig.24)
E.- Montare l'elemento di abbelimento (2).

Durante il primo utilizzo è obbligatorio realizzare un lavaggio del filtrio (consultare la manutenzione del systemà di filtrazione). La filtrazione è un trattamento tecnico che permette pulire l'acqua della piscina tramite l'eliminazione delle impurità e delle particelle contaminanti. L'insieme del circuito idraulico e del gruppo di depurazione dell'acqua è un elemento essenziale per il buon funzionamento del systemà di filtrazione.
Ilsystema di filtrazionedevessereconquosteppe:Le dimensionel del filtro devonoessereproporzionalial volume dell'acqua della piscina e al rendimento della pompa.Lafiltrazione non è antibatterica.Equindi obblatorioiaggiungere prodotto (o un systema)di disinfezione dell'acqua.
DURATA DELLA FILTRAZIONE:
Durante la stagione dell'uso del kit della piscina, si deve mettere in funzione il system di fitrazione quotidiano, per il tempo necessario a garantire un rinnovo
completo del volume dell'acqua. In teoria, si realizza il seguente calcolo:
(T^ dell'acqua/2) = numero delle ore di filtrazione
Di solito, la pratica risultata filtrare 4 ore prima e 4 ore dopo il picco. Si aconsigilia il funzionamento intermitente (spagnere a accendere agli ora) perché non si rinnoverá tutto il volume dell'acqua.
! Lo skimmer aspira l'acqua della sua piscina (quosto elemento e specialmente i cestelli che raccolgono le foglie e altre grande impurità, devono essere molto puliti). L'acqua passa quando attraverso le tubazioni fino ad arrivare a una pompa con pre filtrato * (qui un altro cestello filtrà le impurità medie, per quello la sua pulizia è essenziele per un buon funzionamento). La pompa soffia l'acqua verso un filtrо che trattiene tutte
| TEMPERATUR DELL'ACQUA | DURATA DELLA FILTRAIZIONE PER UN GIORNO |
| 15 a 18°C | 8 ore |
| 19 a 21°C | 10 ore |
| 22 a 25°C | 12 ore |
| 26 a 28°C | 14 ore |
| 28 a 30°C | 19 ore |
| + de 30°C | 24 ore |
le impurità in sospensione grazie al suo materiale filtrante. Questo filtrò è di sabbia. L'acqua gli filtrata torna nella piscina. Si può manovrare, programmare e proteggere tutto ciò per mezzo di un'unità elettrica (opzionale). L'acqua della piscina per Maintainere la sua trasparenza e permettere un bagno in completa sicurezza deve essere sottomosta a un trattamento fisico e chimico. Si sconsiglia di riempire la piscina con acqua del pozzo, per evitare rischi di reazione chimica e di colorazione dell'acqua.
ASSICURARSI SEMPRE CHE:
- Il livello dell'acqua saia corretto: ossia, leggermente sopra la meta dello skimmer.
- I cestelli dello skimmer e del pre filtrlo della pompa siano puliti.
- Ilsystema idraulico sia controllato e le posizioni degli sportelli verificati.
- Si può avviare la filtrazione e controllare la pressione con il manometro (in funzione del tipo e della posizione del locale technique rispetto alla piscina).
È PROIBITO ACCEDERE ALLA PISCINA NEL CASO IN CUI IL SISTEMA DI FILTRAZIONE SIA DETERIORATO
- In base al modello
MANUTENZIONE DEL SISTEMA DI FILTRAZIONE
PULIZIA DEL FILTRO
Effettuare isto procedimento ogni volta che e necessario pulire il filto. Quando la pressione aumenta di 0,2 bar rispetto alla pressione di messa in servizio e necessario procedere a una pulizia come di seguito spiegato. Assicurarsi che il condotto di svotamento (non incluso) si installato correttamente nel collettore dello sportello multidirezionale,osi da permettere lo svotamento dell'acqua quando si lava la sabbia o il filto.
- Fermare la filtrazione.
- Mettere lo sportello multidirezionale in posizione LAVAGGIO.
- Azionare la filtrazione e lasciarla in funzione da 2 a 3 minuti.
- Fermare di nuovo la filtrazione, mettere lo sportello multidirezionale in posizione CHIARIFICAZIONE e riavviare la filtrazione per 30 secondi.
- Fermare la filtrazione e mettere lo sportello multidirezionale in posizione FILTRAZIONE.
- Riattivare la filtrazione e assicurarsi che la pressione sia corretta.
PULIZIA DELLA VASCA
Con un pulitore di fondo manuale
- Collegare il tubo al pulitore.
- Mettere il pulitore in acqua.
- Riempire il tubo d'acqua posizionandolo davanti all'ugello di mandata.
- Posizione l'altro estremo nella presa del pulitore.
- Passare il pulitore lentamente (per evitare che si alzi la polvere) e sono toglierlo dall'acqua per evitare che la pompa si disattivi.
- Quando la pulizia è terminata, pulire il Filtering prima di sistamarlo nella posizione abituale.
CONSIGLI:
- É obbligatorio assicurarsi che i fori di aspirazione non siano ostruiti.
- É obbligatorio ferrare la filtrazione durante le operazioni di manutenzione delsystema di filtrazione.
- Verificare periodicamente il livello di lubrificazione del filtr.
La manutenzione e l'invernaggio del filtr di sabbia richiede lo svotamento dell'acqua. è indispensable prevedere lo svotamento per installare il system di filtrazione.
Qualunque sia il systema di filtrazione utilizzato, è necessario trattare chimicamente l'acqua della piscina per distruggere i batteri e i microorganismi e per evitare il formarsi di alge. Si possono utilizzare vari prodotti di sterilizzazione, come cloro, bromo, ossigeno, ecc. Chiedere consiglio a un rivenditore di prodotti per il trattamento per piscine per prendere una decisione. Innanzitutto, verificare il livello di pH tramite una serie di analisi. E importante ricordare che i risultati del test sono validi per un anno. Il livello ideale è tra 7,2 e 7,4 per quanto riguarda il pH e 1,5 per il CLORO. Aggiustare quello livello con correttori di pH (incrementatore e diminutore). La quantità di prodotti è proportionale a la cubatura della piscina. Per il trattamento della vasca, consultare leindicazioni che appaiono nel prodotto scelto per la piscina.
pH: E obligatorioo mantene sempre il pH dell'acqua tra 7,2 e 7,4 perché al di sotto di questei valori l'acqua diventa corrosiva (a causa dell'acidità) e deteriorara.
rapidamente le parti metalliche della piscina. Al di sopra di quosti valori I'acqua è basica e riduce in grande misura I'efficacia del trattamento.
Non introdure pastiche di cloro direttamente nel vaso. Si «brucerebbe» il liner.


CONSIGLI PER LA SICUREZZA
Prima di installare e utilizzare la piscina si prega di leggere attendente le informazioni contene in quello manuale, avendo cura di comprendre e rispettarle. Gli avvisi, le istruzioni e le indicazioni sulla sicurezza si riferiscono ad alcuni dei rischi più comuni relativi all'utilizzo della piscina, ma non coprono la totalità dei rischi e dei pericoli che possono verificarsi. Occorre essere prudenti, avere senso critico e come un buonsenso nella pratica delle attività acquatiche. Conservare queste informazioni per successive consulazioni.
Quando la piscina giunge al termine della sua vita utile, deve essere smontata, i vari materiali (plastica e acciaio) devono essere separati e trasportati presso il centro di raccolta indicato delle autorità locali.
Precauzioni di sicurezza per le persone che non sanno nuotare:
E necessario mantener una vigilanza attenta, attiva e continuativa da parte di un adulto responsabile dei bambini che non sanno nuotare o non lo sanno fare bene (occorre tenere presente che sono maggiormente a rischio di annegamento i bambini di età inferiore ai 5 anni).
- Garantire la vigilanza da parte di un adulto responsable ogniquivalvota si utilizza la piscina.
- É auspicabile che i bambini che non sanno nuotare o non nuotano bene utilizzino dei dispositivi di protezione individuale quando entrano in piscina.
- Quando la piscina non viene'utilizzata o non è sorvegliata, rimuovere tutti i giornati per evitare che i bambini si avvicinino incautamente.
Sistemi di sicurezza
- Si consiglia di installare una barriere (e, se necessario, elementi di sicurezza sulle porte e sulle finestre dell'abitazione) per impedire qualiasi accesso non autorizzato alla piscina.
- Le barriere, le coperture, gli allarmi per piscine o i dispositivi di sicurezza analoghi sono utili, ma non sostituiscono la vigilanza permanente da parte di un adulto responsabile.
Dispositivi di sicurezza
- Si raccomanda l'utilizzo di dispositivi di salvataggio (ad esempio un salvavente) vicino alla piscina.
- Disporre, nei pressi della piscina, di un Telefono perfettamente funzionante e di un elenco dei numero di emergenza.
Utilizzo sicuro della piscina
- Incoraggiare tutti gli utilizzatori, soprattutto i bambini, a imparare a nuotare.
- Imparare le tecniche di salvataggio (rianimazione cardiopolmonare) e aggiornare periodicamente le proprie conoscenze. Questi gesti, in caso di emergenza, possono salvare una vita.
- Spiegareagliutilizzatori della piscina,aneaai bambini,la procedura da seguire in caso di emergenza.
- Non tuffarsi mai in piscine poco profonde, in quanto ciò può provocare lesioni gravi o mortali.
- Nonutilizzare la piscina dopo aver assunto alco o farmaci che possono ridurre la capacité di farlo in tutte sicurezza.
- Se la piscina è dotata di una copertura, rimuovere completamente l'acqua presente sulla superficie prima di entrare.
- Trattare l'acqua della piscina e impostare pratiche di igiene corrette per proteggere gli utilizzatori da malattie legate all'acqua. Consultare le informazioni sul trattamento dell'acqua presenti nel manuale di istruzioni.
- Tenere lontano alla portata dei bambini i prodotti chimici (ad esempio i prodotti per il trattamento dell'acqua, la pulizia e la disinfezione).
- É necessario posizionale i dispositivi di segnalazione forniti insieme alla piscina in posizione ben visible, a meno di 2 m di distanza alla piscina.
- Posizione le scalette mobili su una superficie orizzontale.
ATTENZIONE:
Ogni apparecchio alimentato a 220 V, delve essere situato ad almeno 3,50 m dal bordo della piscina.
L'attrezatura va collegata ad una presa di tensione di corrente alterna, con una connessione a terra, protetta con un interrottore differenziali (RCD) con una corrente di funzionamento residuale assegnata che non ecceda i 30mA .
Leggere le istruzioni attendamente e conservarle quale futuro riferimento.
PER OGNI VOSTRA EVENTUALE
OCCORRENZA,... INTERPELLA-TECI!
PER INFORMAZIONI:
MANUTENZIONE ORDINARIA
PRECAUZIONE PER L'ECOSYSTEMA AMBIENTALE
NON SMONTARE LA PISCINA SE NON E' STRETTAMENTE NECCESSARIO.NEL CASO LO FOSSE VI PREGHIAMO DI
RIUTILIZZARE L'ACQUA. L'ACQUA NON VA SPRECATA.
USO E MANUTENZIONE:
- Porre in funzionamento ilsystema di filtraggio una volta al giorno, per assicurare un rinnovamento completo del volume d'acqua e sempre quando non si sta utilizzato la piscina per il bagno (vedi manuale del depuratore).
- Controllare il livello di intasamento del filtro regolarmente durante l'estate quando la piscina è in uso.
- Controllare viti, dadi e rondelle (per la ruggine).
- Il livello d'acqua della piscina deve sempre essere come minimo a 15 cm dal bordo superiore della stessa.
- Non svuotare mai completeness la piscina. Il livello basso dell'acqua poto causare seri danni alla piscina.
- La non osservanza delle istruzioni di manutenzione può provocare gravi rischi per la salute, in particolare per i bambini.
- L'utilizzo di un kit da piscina implica il rispetto degli standardi sicurezza descritti nella guida di manutenzione ed uso.
- Non lasciare mai la piscina vuota all'esterno.
- Pulire regolarmente il Liner P.V.C. e la linea del livello d'acqua con prodotti non abrasivi. Pulire periodicamente la piega d'unione del fondo con il laterale del liner, poiché è una zona di accumulo di sporco. Se incidentalmente si fa un piccolo foro nel liner, si può riparare con le nostre toppe AR202 o V12.
- Le coperture estive (isotermiche) proteggono la piscina da insetti, polvere, foglie, ecc..., ed evitano la perdita di temperatura dell'acqua. Montarla sempre con le bolle aicontatto con l'acqua.
INVERNO:
1-Pulire il fondo e le pareti del liner con un prodotto non abrasivo.
2- Trattare l'acqua con un prodotto chimico per l'inverno. Si raccomanda l'utilizzo di SVERNANTE LIQUIDO alippo di galleggianti con prodotto solido, per evitare lo scolorimento del liner.
3-Lasciare la piscina piena d'acqua, ricordando che:
a) Per piscine con skimmer e valvola di ritorno livello d'acqua 5 cm al di sotto dello skimmer e chiudere la valvola di ritorno con il tappo filettato in dotazione al depuratore.
b) Per piscine con valvole di immissione e ritorno livllo d'acqua a 20 cm dal bordo superiore della piscina, chiudendo le valvole.
mediante il systema di filettatura incorporato.
4- Staccare i tubi flessibili. Non smontare lo skimmer né le valvole.
5- Proteggere la piscina con una copertura invernale, collocando un elemento galleggiante fra esta e l'acqua, allo scopo di proteggerla contro il freddo.
6- Depuratore: staccarlo alla piscina. Pulirlo, svuotare alla sabbia o rimuovere la cartuccia, asciugarlo e riporlo in un luogo al coperto ed asciutto.
7- Accessori: rimuovere tutti gli accessori (scaletta, allarme, faro, pertica), pulirli con acqua dolce e conservarli.
NUOVO AVVIO: Rimuovere la copertura invernale, installare il depuratore,ambiare almeno 1/3 dell'acqua ed eseguire una Clorazione d'Urto. Mettere in funzionamento il depuratore per almeno 8 ore ininterrotte.
MEZZI CHIMICI:
Leggere attendamente le istruzioni del fabbricante del prodotto chimico. ATENZIONE: Conservare i prodotti chimici in un luogo asciutto e pulito, lontano alla portata dei bambini. Importante: Tutti i prodotti utilizzati devono essere compatibili con il liner di P.V.C.
- Primo riempimento: Analizzare il pH e il Cloro (Cl) dell'acqua e regolarliagli indici ottimali: pH: 7,2 - 7,6; Cloro: 0,5 - 2 ppm.
- Consiste nell'augmente l'indice di cloro sino a 20 ppm circa, allo scopo di eliminare i batteri e le alghe. Si realizzerà solo quando l'acqua della piscina proviene da fiumi, stagni, o dopo un lungo periodo alla trattamento.
- Controll: Controllare almeno una volta alla settimana gli indici di pH e Cloro (utilizzare un analizzatore di Cloro e pH). Si dovrà inoltre aggungere Alghicida per prevenir la formazione di alghe. Non fare mai il bagno finché non si sare stabilizzato l'indice di cloro. Utilizzato sempre un Dosatore galleggiante per la soluzione del prodotto chimico (pastiglia). La dosatura dei prodotti chimici si realizza in funzione: Del volume d'acqua della piscina, della frequenza di bagno, delle condizioni climatiche, della temperatura dell'acqua e dell'ubicazione. Rimuovere sempre l'acqua ed attendere la soluzione di un prodotto chimico prima di aggiuungerne un altro. Attendere circa 12 ore fra una regolazione di pH, Cloro, o di antialghe, facendo funzionare il systema di filtraggio.
MEZZI MECCANICI:
Verificare che il depuratore, lo skimmer, le valvole e i tubi flessibili siano correttamente collegati alla piscina. Tenere sempre presente che a maggior temperatura dell'acqua sare necessario più tempo di filtraggio. Tempo filtraggio teorico = Volume d'acqua / Portata del sistema di filtraggio (in genere, 8 h/giorno con la temperature dell'acqua a 21^ ), (Ideale: 2 h. al mattino - 4 h. a mezzogiorno - 2 h. la sera).
PULISCI FONDO MEDIANTE ASPIRAZIONE (MANUALE O AUTOMATICO):
Solo per piscine con skimmer. Collegare un'estremità del tubo flessibile del pulisci fondo alla spazzatrice e sommergerlo nell'acqua fino a riempire il tubo. Collegare l'altra estremità del tubo flessibile al Coperchio di Aspirazione (TA) e situarlo sopra la cesta dello skimmer. Avviare il depuratore in posizione FILTER ed iniziare a pulire il fondo. Fare particolare attenzione alle zone con pieghe, in cui si accumulare lo sporco.
PULISCI FONDO TIPO VENTURI:
Collegare un tubo flessibile da giardino alla testa del pulisci fondo e sommergerlo nella piscina. Apriere il rubinetto a una pressione normale affinché l'acqua fluisca contro il fondo della piscina, producendo una corrente ascendente che deposita lo sporco nel filtr di cui è dotato il pulisci fondo.
| EFFECTI | CAUSE | SOLUZIONI |
| Acqua sporca verdastra | Filtro sporco pH errato Formazione di alghe | Lavaggio del filtro Regolazione Trattamento d'urto |
| La pompa non si avvia | Interruttore saltato Fusibile bruciato Turbina bloccata | Riaccenderlo Sostituirlo Verificare che la ventola dietro al motore giri |
| La pompa gira perché non scarica | Sportelli di aspirazione chiusi Lo skimmer aspira l'aria Pre-filtro pieno Presa d'aria nella copertura Turbina difettosa | Aprirle di nuovo Regolare il livello dell'acqua Pulirlo Verificare la guarnizione eambiare la copertura del pre-filtro Sostituire la turbina |
| Lo skimmer non aspira | Cestino pieno Sportello chiuso male Livello dell'acqua troppo basso | Svotarlo Aprirla Regolarlo |
| Acqua sporca re immessa nella piscina | Filtro ostruito | Lavarlo, risciacquarlo |
| Pressione del manometro troppo alta | Lavaggio del filtrono non efficace Sportello di uscita chiuso | Ripetere Aprire lo sportello, controllare lo stato della sabbia (cambiarla agli 3 o 4 anni) |
| Il pulitore non aspira o aspira molto | Pre-filtro ostruito Sportello corrispondente chiuso Tubo corso o perforato Aria nei tubi Altri sportelli aperti Filtro sporco | Pulirlo Aprirla Sostituirlo Pulire e aspettare l'avvio Chiuderle Pulirlo |
| Segni di corrosione | pH molto basso | Aumentare il pH a 7,2 - 7,4 |
| Sabbia nella vasca | Grata roffa Manipolazione dello sportello multi direzionale con la pompa in azione Filtrazione collegata al contrario. Durante il montaggio sono state invertite le tubature. | Cambiare la rete Cambiare lo sportello multi direzionale Collegare la filtrazione correttamente |
ROUTINENDERHOUD
I servizi tecnici si occupano di installare le piscine, vendere i ricambi e accessori e la manutenzione della filtrazione delle piscine.
TOSCANA - ATLANTIS SRL Via Viaccia Prima na 170, S. Anna - Lucca 5510 - TEL. 0583 - 94 0006 - FAX. 0583 - 464342 - MAIL: info@ piscine-atlantis.com - www.piscine-atlantis.com
TOSCANA 2 - RISALITI SRL Via Mantova 5, 59100 Prato - TEL: 0574 1821163 - FAX: 0574 1821164 - MAIL: info@risaliti.com
TOSCANA 3 - DIVISIONE PISCINE - Via San Donato, 95 - 56020 Santa Maria A Monte (Pi) tel. fax: 0587/705145 info@divisionepiscine.net http://www.divisionepiscine.net/
LOMBARDIA - CATTANEO VIA TORRICELLI,31 20833 GIUSSANO ( MI ) TEL. + 39 0362/354866 - FAX. + 39 0362/354866 - MAIL: piscine@cattaneocostruzioni.it
LOMBARDIA 2 - ZAVATTI SRL VIA ABETONE BRENNERO,144 POGGIO RUSCO ( MN ) TEL. +39-0386-740171 - FAX. + 39 0386-734503 - MAIL: info@piscinaonline.it
PIEMONTE SICILIA LIGURIA ACQUAFORM - ACQUAFORM srl - Via Don D. Castelli, 71 - 12060 Roddi (CN) www.acquaform.it - acquaform@acquaform.it - info@acquaform.it
PIEMONTE (Torino e pronunciation) + VALLE D'AOSTA - LA PALLA La Palla giocattoli s.r.l. - Via Silvio Pellico 20 Pinerolo 10064 TO - Tel 0121 78435
PUGLIA / SICILIA - SAN MARCO Via don Milani 2, 73050 Secli (LE) ITALY - P.IVA / VAT 03621320757 - TEL. + 39 (0)836 610493 2 linee r. a. - FAX. + 39 (0)836 619455 - MAIL: marcogiuri@grupposanmarco.eu
PUGLIA /MOLISE/ CALABRIA - SAN MARCO - S.P.362 KM. 12,800 - 73010 SOLETO (LE) - Tel. +39 [0]836 610493 marcogiuri@grupposanmarco.eu
LOMBARDIA (PROV. PAVIA) WELLSTORE SRL - WELLSTORE SRL - Uffici (non aperti al pubblico): - Via dell'artigianato 18 - 20070 San Zenone al Lambro MI - servizio.clienti@wellstore.it - www.wellstore.it
UMBRIA - MAGIC GARDEN Strada delle Fratte 3/a 06132- San Sisto ( PG ) - TEL. 075 527 98 41 - FAX. 075 528 64 70 - MAIL: info@magicgarden.it
VENETO - FEDERICI Via Eistein, 1 40054 Budrio ( BO ) - TEL: 348 4204859 - MAIL: federici-s@libero.it
EMILIA ROMAGNA - LA TUA PISCINA 2012 Via Tanari 13977, 40024 Castel Sa Pietro terme ( BO ) - FAX. 051 6951604 - MOBILE: 333
2665686 - MAIL: Latuapiscina2012@libero.it ( Sig. Roberto Buttieri )
LAZIO - JOLLY GAME VIALE ROMA 208 / 212 , 00012 GUIDONIA M. CELIO ( RM ) - TEL. +39 0774/345316 - FAX. +39 0774/343638 - MAIL: info@jollygame.it - www.jollygame.it
ABRUZZO - MONDO PISCINE Via Tiburtina, 225 - 65129 Pescara - TEL. 085 4325041 - FAX. 085 4316867 - MAIL: info@mondopiscine.it - www.mondopiscine.it
SICILIA - GIO' CASA Via Mascali Riposto 1, 95016 Mascali ( CT ) - TEL. 328 7892659 - MAIL: giocasasrl@ yahoo.it - www.jocasastore.com
SICILIA - ORIENTALE - TEKIND SRL - VIALE UUSSE, 41 - CATANIA 95126 - Tel.: 095 493350 info@tekind.eu
SICILIA - MERIDIONALE - IDRO-SOLAR IMPIANTI SNC - VIA NECROPOLI DEL FUSCO 1 A/B SIRACUSA 96100 - Tel 0931/1840624
PIEMONTE / VALLE D'AOSTA - LA PALLA PINEROLO Via Molino delle Lime 4 / F 10064 - Pinerolo ( TO ) - TEL. + 39 012178435
BASILICATA / SALERNO - EDILMAGGIO SRL SCALO FF.SS, 12 85018 - TRIVIGNO (PZ). TEL: 0971- 981059 - FAX. 0971- 981189 - MAIL: info@edilmaggio.it - www.edilmaggio.it ( Sig. Rocco Maggio )
SARDEGNASUD -ECOPISCINEDI TOMMASORAZZOLINI-VIA ARETINA,17-50060PELAGO(FI)-PI.05071080484 -info@ecopiscineitalia.it -WWW.ECOPISCINEITALIA.IT
GESTIONE ARTICOLI IN GARANZIA: No VERDE : 800 781 592 - MAIL: satitalia@gre.es - FAX: 0034. 946740321
SEVICES TÉCNICO
PT
ManualeFacile