PA1120RC - Mischpult Monacor - Kostenlose Bedienungsanleitung
Finden Sie kostenlos die Bedienungsanleitung des Geräts PA1120RC Monacor als PDF.
Benutzerfragen zu PA1120RC Monacor
0 Frage zu diesem Gerät. Beantworten Sie die, die Sie kennen, oder stellen Sie Ihre eigene.
Eine neue Frage zu diesem Gerät stellen
Laden Sie die Anleitung für Ihr Mischpult kostenlos im PDF-Format! Finden Sie Ihr Handbuch PA1120RC - Monacor und nehmen Sie Ihr elektronisches Gerät wieder in die Hand. Auf dieser Seite sind alle Dokumente veröffentlicht, die für die Verwendung Ihres Geräts notwendig sind. PA1120RC von der Marke Monacor.
BEDIENUNGSANLEITUNG PA1120RC Monacor
Neue Option für Mikrofon-Priorität ab Seriennummer ...-03
Bei allen Geräten, deren Seriennummer mit „-03“ endet, kann die Priorität der Eingangskanäe CH1–CH3 und der Sirene abgeschalmt werden. Dazu das Gerät von der Stromversorgung trennen und den Gehäusedeckel entfernen. Den Schalter SW1 im hinteren Teil des Geräts in die Position OFF schieben (Zeichnung). Die Signale der Kanäe CH1 – CH3 und der Sirene blenden dann beispiselsweise nicht mehr die Signale der Kanäe CH4 – CH5 aus, sondern mischen sich mit diesen.
Die Mochlichkeit, den Kanalen CH1-CH3 mit dem jeweiligen Schalter MIC PRIORITY individuell eine hohe Prioritat (3. Prioritätsstufe) zuzuweisen, bleibt davon unberührt.
English
ELA-Mischveränder für 5 Zonen
Bestell-Nr. Order No.0170780
PA-1240
Bestell-Nr. · Order No. 0170790

PA-1120RC
Bestell-Nr. Order No. 0232440

PA-4000PTT
Bestell-Nr. Order No. 0236000

PA-4300PTT
Bestell-Nr. Order No.0230980

BEDIENUNGSCANLEITUNG
INSTRUCTION MANUAL
MODE D'EMPLOI
ISTRUZIONI PER L'USO
GEBRUIKSAANWIJZING
ELA-Mischverträger für 5 Zonen
These Anleitungrichtet sich an Installaure für Beschallungsanlagen (Kapitel 1-10) und an Bediener ohne besondere Fachkenntnisse (Kapitel 1-3,8).Bitte lessen Sie die Anleitung vor dem Betrieb grundlich durch und haben Sie sie fur ein späteres Nachlesen auf.
Auf der ausklappbaren Seite 3 finden Sie alle bescriibenen Bedienelemente und Anschlüsse.
Inhalt
1.1 Veränder Frontseite 4
1.2 Veränderer Rückseite. 4
1.3 Tischmikrofon PA-4000PTT (Zubehor) 5
1.4 Tischmikrofon PA-4300PTT (Zubehor) 5
1.5 Kommandomikrofon PA-1120RC (Zubehor) 5
3 Einsatzmöglichekeiten und Zubehor 6
4 Aufstellen des Verständerkers. 6
4.1 Rackeinbau 6
5 Gongklang und Prioritat des Einsatzubmodulus einstellen 6
1 Übersicht 4
2 Hinweise für den sicheren Gebrauch 5
6 Anschlüsse herstellen 6
6.1 Lautsprecher 6
6.2 Mikrofone 6
6.3 Tischmikrofon PA-4000PTT oder PA-4300PTT. 6
6.4 Kommandomikrofon PA-1120RC. 6
6.4.1 Einbau des Anschlussmodulus 6
6.4.2 Mikrofonanschluss und Grundeinstellung. 7
6.5 Geräte mit Line-Pegel / Tonaufnahmegerät . . .7
6.6 Equalizer oder andere Gerat einschleifen 7
6.7 Zusätzlicher Veränderer 7
6.8 Telefon- oder Nachtklingel 7
6.9 Pflichtempfangsrelais 7
6.10 Schalter für (automatische) Durchsagen in allen Zonen 7
6.11 Telefonzentrale. 7
6.12Ferngesteuertes Ein- und Ausschalten. 7
6.13 Strom- und Notstromversorgung 8
7 Prioritat der Eingangssignale festlogen. 8
8 Bedienung 8
8.1 Lautstärke einstellen 8
8.2 Beschalungszonen aktivieren 8
8.3 Gong 8
8.4 Alarmsirene 8
8.5 Tischmikrofon PA-4000PTT oder PA-4300PTT. 8
8.6 Kommandomikrofon PA-1120RC. 8
9 Schutzschaltung 9
10 Technische Daten. 9
Lage- und Anschlussplan 48
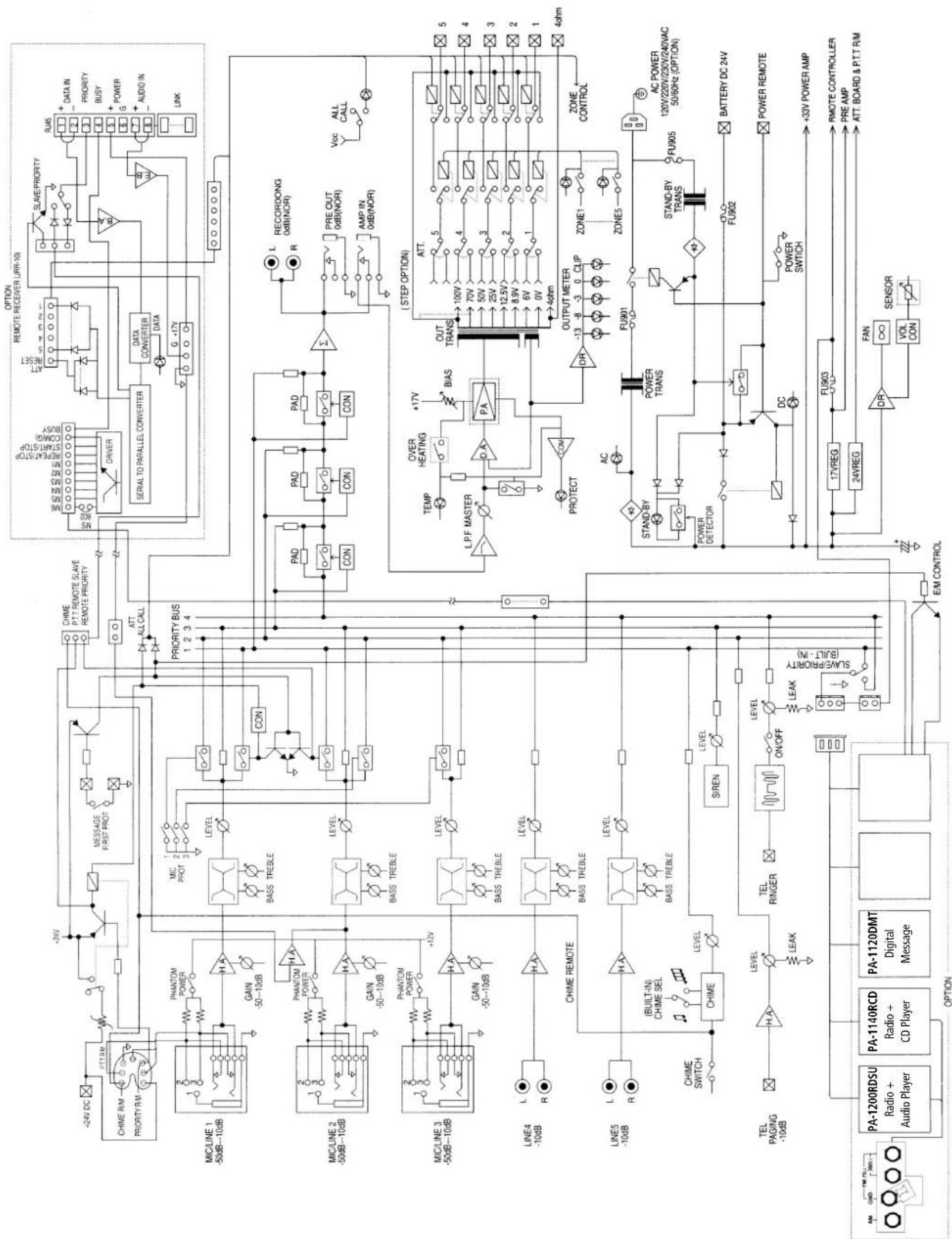
Blockschaltbild 49
1 Übersicht
1.1 Verträker Frontseite
1 Blende fur den Einschubschacht; hier kann ein Einschub von MONACOR eingesetzt werden, z.B. Tuner, CD-Spieler, Digital-Message-Speicher
2 Höhenregler TREBLE für ein im Schacht (1) eingesetztes Gerat
3 Tiefenregler BASS für ein im Schacht (1) ein gesetztes Gerat
4 Tasten mit Kontroll-LED zum Einschalten der einzelnen Beschallungszonen Z 1 bis Z5
5 Zonenabschwächer für eine entsprechliche Lautstärkeeinstellung der einzelnen Zonen
6 Taste ALL CALL with Kontroll-LED zum Einschalten aller Zonen gleichzeitig und Erhöhung der Lautstärke jeweils auf Maximum [unabhängig von den Tasten (4) und den Zonenabschwachern (5)]; die maximale Lautstärke wird nur durch den Regler MASTER (21) begrenzt
7 Pegelanzeige für die Endstufe [unabhängig von den Zonenabschwächern (5)]; bei Übersteuerung leuchtet die rote Anzeige CLIP
8 Pegelregler fur die Eingänge CH 1 bis CH 3 (39) Mit dem Regler CH 1 wird auch der Pegel fur ein uber die Buchse (43) oder (44) angeschlossenes Mikrofon eingestellt und mit dem Regler CH 2 der Pegel fur Kommandikrofone des Typs PA-1120RC (angeschlossen uber ein separates Modul); die Prioritat dieser Eingänge lasst sich mit den DIP-Schaltern (45) einstehen
9 Bass- und Höhenregler für die Eingänge CH 1 bis CH 3 (39)
10 Pegelregler fur die Line-Eingänge CH 4 und CH 5 (38)
11 Bass- und Höhenregler für die Eingänge CH 4 und CH 5
12 Gongtaste; der Gong hat 2. Prioritat (Zum Umschalten zwischen 2-Ton- und 4-Ton-Gong siehe Kapitel 5)
13 Lautstarkeregler fur den Gong
14 Taste TEL; ist die Taste gedrückt, kann z. B. eine Telefon- oder Nachtklingel über alle Lautsprecher gehört werden [Anschluss über die Klemmen NIGHT RINGER (29)]; die Klingel hat niedrigste Priorität
15 Lautstärkeregler für ein über die Klemmen PAGING IN (32) eingespeistes Telefonsignal; these Signal hat 3. Priorität
16 Lautstärkeregler für die Telefon- oder Nacht-klingel (siehe auch Position 14 und 29)
17 Taste für einen an- und abschwellenden Sire-nenton; die Sirene hat 4. Prioritat
18 Lautstärkeregler für die Sirene
19 Taste für einen gleichmäßigen Sirenton
20 Überhitzungsanzeige TEMP; leuchtet, wenn die Kuhlkorpertematur 100^ erreicht. Alle Lautsprecherausgabe werden dann stummgeschaltet. Zusätzlich leuchtet die rote Anzeige PROT (22).
21 Regler MASTER für die Gesamtlautstärke
22 Anzeige PROT; leuchtet bei aktivierter Schutzschaltung:
- ca. 1 Sekunde lang nach dem Einsatz (Einschaltverzögerung)
-
ca. 1 Sekunde lang nach dem Ausschalten
-
wenn der Veränder überlastet ist
- wenn der Veränder überhitz ist
23 Betriebsanzeigen:
DC leuchtet, wenn der Verträger bei Netz-ausfall mit einer 24-V-Notversorgungsspannung arbeitet
AC leuchtet, wenn der Veränder mit der Netzspannung arbeitet
24 Ein-/Ausschalter POWER
25 Anzeige STAND BY; leuchtet bei ausgeschalteten Verständner
1.2 Veränderer Rückseite
26 Laufsprecheranschlüsse für 100-V-Laufsprecher
Achtung! Jeder der fünf Zonenausgänge kann durch die Laufsprecher mit maximal 100W Sinus belastet werden. Jedoch damit die zulässige Gesamtbelastung auf keinen Fall übersritten werden:
PA-1120 120W Sinus
PA-1240 240W Sinus
27 Buchse für das beiliegende Netzkabel zum Anschluss an 230V/50 Hz
28 4-Ω-Lautsprecherausgang fur eine Lautsprechergruppe mit einer Gesamtimpedanz von mindestens 4
Achtung! Diesen Ausgang nur verwenden, wenn die 100-V-Ausgänge (26) nicht benutzt werden. Anderenfalls kann der Veränder überlastet werden.
29 Eingang fur die Klingelspannung (z.B. 8V / 50Hz ) einer Telefon- oder Nachtklingel; die Klingelspannung lost ein Rufzeichen aus, das über die Laufsprecher zu horen ist (siehe auch Position 14 und 16)
30 Schraubanschlüsse für eine Notstromversorgung (24V)
31 Schraubanschlüsse für einen externen Schalter zum ferngesteuerten Ein- und Ausschalten [der Schalter POWER (24)arf dann nicht gedrückt sein]
32 Eingang (sym., 250 mV) für ein Telefonsignal, das über die ELA-Anlage zu horen sein soll (siehe auch Position 15)
33 Anschluss für einen separaten Schalter; über diesen lasst sich bei eingesetztem Digital-Message-Einschub PA-1120DMT eine gespeicherte Alarmdurchsage abrufen. Gleichzeitig werden alle Beschallungszonen eingeschaltet und auf maximale Lautstärke gestellt [wie mit der Taste ALL CALL (6)]
34 Abdeckblech, wird beim Einbau des Einschubs PA-1120DMT, PA-1140RCD oder PA1200RDSU durch eine Anschlussplatte ersetzt
35 Eingang AMP IN in Verbindung mit dem Ausgang PRE OUT (36) zum Zwischenschalten z. B. eines Equalizers. Beim Anschluss an diese Buchse wird nur das hier eingespeiste Signal wiedergegeben. Der Endversteller ist vom Vorversteller abgetrennt.
36 Ausgang PRE OUT zum Anschluss eines zusätzlichen Verständerkers (Kap. 6.7) oder in Verbindung mit dem Eingang AMP IN (35) zum Zwischenschalten z. B. eines Equalizers; die Ausgangslautstärke ist unabhängig vom Regler MASTER (21)
37 Ausgang REC zum Anschluss eines Aufnahmegerätes; die Ausgangslautstärke ist unabhängig vom Regler MASTER (21)
38 Eingänge CH 4 und CH 5 für Geräte mit Line-Pegel (z. B. CD-Spieler, Kassettenrecorder usw.); die beiden Stereokanäle L und R werden intern zu einem Monosignal gemischt
39 symmetrische Eingänge CH 1 bis CH 3 über XLR-/Klinkenbuchsen(Combo); die Eingangsempfindlichkeit lasst sich mit den Reglern GAIN (41) zwischen Mikrofon- und Line-Pegel einstehen (2,5 - 250mV)
40 Schalter PHANTOM POWER zum Einschalten der 17-V-Versorgung fur phantomgespeiste Mikrofone; jeweils fur die Eingänge CH 1 bis CH 3
Achtung! Wird die 17-V-Versorgung zugeschaltet, daß an der entsprechenden Eingangsbuchse (39) kein Mikrofon mit asymmetrischem Ausgang angeschlossen sein, daß diese beschädigt werden kann.
41 Regler zum Einstellen der Eingangsempfindlichkeit; jeweils für die Eingänge CH 1 bis CH 3 (siehe Position 39)
42 Schraubklemmen zum Anschluss von Pflichtempfangsrelais, siehe Kapitel 6.9
43 Buchse PA-4000PTT zum Anschluss eines ELATischmikrofons des Typs PA-4000PTT
44 Buchse PA-4300PTT zum Anschluss eines ELATischmikrofons des Typs PA-4300PTT
45 DIP-Schalter MIC PRIORITY; in der Position ON wird der entsprechende Eingang (CH 1, CH 2 oder CH 3) von 4. auf 3. Priorität gesetzt
46 Blende; beim Einsatz des Kommandomikro-fons PA-1120RC wird hier das Anschluss-modul montiert
1.3 Tischmikrofon PA-4000PTT (Zubehor)
Wichtig! Für den Betrieb des Mikrofons unbedingt das Kapitel 6.3 beachten.
47 DIP-Schalter CHIME; in der Position ON ertont beim Drucken der Sprechtaste TALK (51) der Gong
48 DIP-Schalter PRIORITY; OFF: das Mikrofon hat 4. Prioritat ON: das Mikrofon hat 2. Prioritat; beim Drücken der Sprechtaste TALK werden alle Beschallungszonen eingeschaltet sowie auf maximale Lautstärke gestellt [wie mit Taste ALL CALL (6)] und an den Klemmen PRIORITY RELAY OUTPUT (42) stehen 24V / 0,2A max. zum Schalten von Pflichtempfangsrelais zur Verfugung (Kap. 6.9)
49 RJ-45-Buchse zum Anschluss an die Buchse PA-4000PTT (43) des Verständers
50 Mikrofonkapsel mit Windschutz
51 Sprechtaste TALK; bei gedrückter Taste leuchtet die grüne Anzeige darüber
1.4 Tischmikrofon PA-4300PTT (Zubehor)
Wichtig! Für den Betrieb des Mikrofons unbedingt das Kapitel 5.3 beachten.
52 DIP-Schalter CHIME; in der Position ON ertont beim Drucken der Sprechtaste TALK (58) der Gong
53 DIP-Schalter PRIORITY; OFF: das Mikrofon hat 4. Prioritat ON: das Mikrofon hat 2. Prioritat, beim Drücken der Sprechtaste TALK werden alle Beschallungszonen eingeschaltet sowie auf maximale Lautstärke
gestellt [wie mit Taste ALL CALL (6)] und an den Klemmen PRIORITY RELAY OUTPUT (42) stehen 24 V / 0,2 A max. zum Schalten von Pflichtempfangsrelais zur Verfugung (Kap. 6.9)
54 Schalter MASTER / SLAVE zum Festlegen der Priorität beim Anschluss weiterer Mikrofone PA-4300PTT
SLAVE andere auf MASTER geschalte Mikrofone haben Vorrang
MASTER das Mikrofon hat Vorrang vor Mikrofonen, die auf SLAVE geschalte sind
55 RJ-45-Buchse OUTPUT zum Anschluss an die Buchse PA-4300PTT (44) des Verstärkers
56 RJ-45-Buchse LINK zum Anschluss eines weiteren Mikrofons PA-4300PTT (max. 3 miteinander verbundene Mikrofone konnen an den Veränder angeschlossen werden)
57 Mikrofonkapsel mit Windschutz
58 Sprechtaste TALK; bei gedrückter Taste leuchtet die grüne Anzeige TALK darüber Die rote Anzeige BUSy leuchtet, wenn von einem anderen PA-4300PTT gesprochen wird, dessen Schalter MASTER / SLAVE in der Position MASTER liegt.
1.5 Kommandomikrofon PA-1120RC (Zubehor)
Für den Betrieb des PA-1120RC muss das dem Mikrofon beiliegende Anschlussmodul eingebaut werden (siehe Kapitel 6.4.).
59 Schalter DIGITALMESSAGE; in der Position ON lessen sich gespeicherte Durchsagen abrufen
60 Schalter TALK zum Festlegen der Prioritat beim Anschluss weiterer Mikrofone PA-1120RC
SLAVE andere auf PRIORITY geschalte Mikrofone haben Vorrang
PRIORITY das Mikrofon hat Vorrang vor Mikrofonen, die auf SLAVE geschalte sind
61 Buchse LINK zum Anschluss weiterer Kommandomikrofone des Typs PA-1120RC
62 Buchse OUTPUT zur Verbindung mit der Buchse INPUT des dem Mikrofon beiliegenden Anschlussmoduls
63 Eingangsbuchsen AUX IN für ein zusätzliches Audiosignal mit Line-Pegel
64 Ausgangspegelregler fur das Mikrofonsignal und das Signal von den Buchsen AUX IN (63)
65 Mikrofonkapsel mit Windschutz
66 Kontrollanzeigen
POWER Betriebsanzeige (Verträker eingeschaltet)
SEND leuchtet, wenn eine eigene Durchsage Herausgeht oder eine gespeicherte Durchsage abgerufen wird
BUSY leuchtet bei eigenen Durchsagen und bei Durchsagen über andere angeschlossene Mikrofone PA-1120RC
67 Sprechtaste TALK
68 Drehschalter zur Anzahl einer gespeicherten Durchsage*
69 Tasten Z 1 - Z 5 mit Kontroll-LEDs zum Einschalten der Zonen, in denen die Durchsage zu horen sein soll
70 Taste ALL CALL mit Kontroll-LED zum Einschalten aller Zonen gleichzeitig [wie die Taste (6)]
71 Taste REPEAT/STOP zur mehrfachen Wieder-gabe einer gespeicherten Durchsage*; ein zweiter Tastendruck beendet die Durchsage
72 Taste START / STOP zur Wiedergabe einer gespeicherten Durchsage*; ein zweiter Tastendruck beendet die Durchsage
2 Hinweise für den sicheren Gebrauch
Das Gerät entspricht allen relevanten Richtlinien der EU undträgt deshalb das CZeichen.
WARNING Das Gerät wird mit lebensgefährlicher Netzspannung versorgt. Nehmen Sie deshalb niemals selbst Eingriffe am Gerät vor und stecken Sie nichts durch die Luftrungsöffnungen! Es besteht die Gefahr eines elektrischen Schlages.
Im Betrieb liegt an den Lautsprecheranschlüssen (26) bererhurungsgefährliche Spannung bis 100 V an. Alle Anschlüsse nur bei ausgeschalteter ELAnlage vornehmen bzw. verändern.
- Im ausgeschalteten Zustand ist der Veränderer nicht komplett von der Netzspannung getrennt. Er verbraucht auch dann einen geringen Strom.
Das Gerät ist nur zur Verwendung in Innernäumen geeignet. Schützen Sie es vor Tropf- und Spritzwasser, hoher Luftfeuchtigkeit und Hitze (zulässiger Einsatztemperaturbereich 0-40°C). - Stellen Sie keine mit Flüssigkeit gefüllten Gefäße, z. B. Trinkgläser, auf das Gerät.
Die im Gerat entstehende Wärme muss durch Luftzirkulation abgegeben werden. Decken Sie die Luftungsöffnungen nicht ab. - Nehmen Sie das Gerät nicht in Betrieb undziehen Sie sofort den Netzstecker aus der Steckdose:
- wenn sichtbare Schaden am Gerät oder am Netzkabel vorhanden sind,
- wenn nach einem Sturz oder Ähnlichem der Verdacht auf einen Defekt besteht,
- wenn Funktionstörungen auftreten.
Lassen Sie das Gerät in jedem Fall in einer Fachwerkstatt reparieren.
Ziehen Sie den Netzstecker nie am Kabel aus der Steckdose, fassen Sie immer am Stecker an. - Verwenden Sie zum Reinigen nur ein trockenes, weiches Tuch, niemals Wasser oder Chemikalien.
- Wird das Gerät zweckentfremdet, nicht rich-tig angeschlossen, falsch bedient oder nicht fachgerecht repariert, kann keine Garantie für das Gerät und keine Haftung für darauf resultierende Sach- oder Personenschäden übernommen werden.

Soll das Gerät endgültig aus dem Betrieb genommen werden, übergeben Sie es zur umweltgerechten Entsorgung einem örtlichen Recyclingbetrieb.
- Funktion nur bei eingebautem Digital-Message-Einschub PA-1120DMT möglich
3 Einsatzmöglichkeiten und Zubehör
Dieser Veränder ist speziell für den Einsatz in 100-V-ELA-Anlagen konzipiert. Es stehen 100-V-Ausgänge für bis zu fünf Beschallungszonen zur Verfügung, deren Lautstärke sich individuell einstellen latent. Über drei Eingänge mit entsprechlich einstellbarer Priorität können Mikrofone oder Geräte mit Line-Pegel angeschlossen werden. Zwei weitere Line-Eingänge mit niedrigster Priorität ergänzen die Anschlussmöglichkeiten.
| Zubehör | |
| Einschubmodule für den Erweiterungsschacht (1) | |
| PA-1120DMT | Digital-Message-Speicher mit Schaltuhr |
| PA-114ORCD | Radio/CD-Spieler |
| PA-1200RDSU | AM/FM-RadiomitAudiopioneer |
| ELA-Tischmikrofone speziell für diesen Verträker | |
| PA-4000PTT (Abb. 3) | Ein Tischmikrofonlässt sich an die Buchse PA-4000PTT (43) anschließen. |
| PA-4300PTT (Abb. 4) | Ein Tischmikrofonlässt sich an die Buchse PA-4300PTT (44) an-schließen. Insgesamt konnen drei PA-4300PTT mit dem Verträker betriebenen werden. |
| PA-112ORC (Abb. 5) | Es{lassen sich drei Kommandik-rofone anschlieben; dem Mikrofon liegt ein Anschlussmodul bei, das in den Verträker eingesetzt wird. |
4 Aufstellen des Verständerkers
Der Veränder ist für den Einsatz in ein Rack (482 mm / 19") vorgesehen, kann aber auch als Tischgerät verwendet werden. In jedem Fall muss Luft ungehindert durch alle Lüftungsöffnungen strömen können, damit eine ausreichende Kühlung der Endstufe gewährleistet ist.
4.1 Rackeinbau
Für die Rackmontage werden 3 HE (3 Höheneinheiten = 133 mm) besteht. Damit das Rack nicht kopflastig wird, muss der Versteller im unteren Bereich des Racks eingeschoben werden. Für eine sichere Befestigung reicht die Frontplatte allein nicht aus. Zusätzlich müssen Seitenschienen oder eine Bodenplatte das Gerät halten.
Die vom Verträger seitlich ausgeblasene, erhitzte Luft muss ungehindert aus dem Rack strömen konnen. Anderenfalls kommt es im Rack zu einem Hitzeitau, wodurch nicht nur der Verträger, sondern auch weitere Geräte beschädigt werden konnen. Bei unzureichendem Wärmeabfluss in das Rack über dem Verträger eine Lüftereinheit einsetzen (z. B. DPVEN-04).
5 Gongklang und Priorität des Einschubmoduls einstellen
Vor dem Einbau eines Einsatzubs in den Schacht (1) die beiden Steckbrücken MS 1 (Gongklang) und MS 2 (Priorität des Einsatzubs) einstehen, siehe Lageplan Seite 48. Diese sind bei einem eingebauten Einsatzub nicht mehr zugänglich.
1) Den Veränder von Netz und von der Nottstromvorsorgung trennen.
2) Die Blende (1) für den Einsatz abschrauben.
3) Den Gongklang mit der Brücke MS 1 einstellen:
4) Die Prioritat fur das Einschubmodul mit der Brücke MS 2 einstellen:
Position „SLAVE“ (Werkseinstellung):
Das Signal vom Einschub hat niedrigste Prioritat.
Position "PRI"
Das Signal vom Einschub hat 2. Prioritat. These Einstellung muss z. B. gewählt werden, wenn über das Kommandomikrofon PA-1120RC gespeicherte Durchsagen vom Digital-Message-Speicher PA-1120DMT abgerufen werden sollen.
Eine Übersicht aller möglichen Prioritäten wird im Kapitel „Priorität der Eingangssignale festlegen" gegeben.
5) Falls kin Einschub eingebaut wird, die Blende (1) wieder festschrauben.
6 Anschlüsse herstellen
Alle Anschlussesollen nur durch eine qualifi-zierte Fachkraft und unbedingt bei ausgeschaltetem Veränder vorgenommen werden!
6.1 Laufsprecher
Entweder 100-V-Lautsprecher fur die f芮 Beschallungszonen an die Schraubklemmen SPEAKER ZONES ATT. OUTPUTS (26) anschlieben
Achtung! Jeder der fünf Zonenausgänge kann durch die Laufsprecher mit maximal 100 W Sinus belastet werden. Jedoch damit diebei die zulässige Gesamtbelastung auf keinen Fall überschritten werden:
PA-1120 120W Sinus
PA-1240 240W Sinus
oder eine Lautsprechergruppe mit einer Gesamtimpedanz von mindestens 4 an die Schraubklemmen LOW IMP 4 (28) anschließen. Die Zonenlautstärkeschalter (5) beeinflussen diesen Ausgang nicht. Auf keinen Fall die 100-V-Ausgänge (26) und den 4- -Ausgang (28) gleichzeitig benutzten, sonst wird der Veränder überlastet!
Beim Anschluss der Lausprecher immer auf die richtige Polarität achten, d. h. den Plusanschluss der Lausprecher jeweils mit der oberen Klemme verbinden. Der Plusanschluss der Lausprecher-kabel ist immer weitere gekennzeichnet.
6.2 Mikrofone
Drei Mikrofone mit einem XLR- oder 6,3-mm-Klinkenstecker halten sich an die XLR / Klinken-Kombibuchsen (39) der Eingänge CH 1 - 3 anschließen.
1) Beim Anschluss eines Mikrofons den dazugehörgen Regler GAIN (41) ganz nach rechts in die Position -50^ drehen.
2) Bei Verwendung eines phantomgespeiten Mikrofons die 17-V-Versorgung mit der entsprechenden Taste PHANTOM POWER (40) einschalten.
Vorsicht! Den Schalter nur bei ausgeschalte tem Verstärker betätigten (Schaltgeräusche). Bei gedrückter Taste damit am zugehörigen Eingang kein Mikrofon mit asymmetrischem Ausgang angeschlossen sein, da diese beschädigt werden kann.
3) Soll ein Mikrofon Vorrang vor einem anderen Mikrofon erhalten, den zugehörigen DIP-Schalter MIC PRIORITY (45) in die Position ON stellen (siehe auch Kap. 7).
Hinweise:
- Wird das Tischmikrofon PA-4000PTT (Abb. 3) oder PA-4300PTT (Abb. 4) verwendet, darf der Eingang CH 1 nicht benutzt werden, weil dieser mit dem Ein
gang (43) für das PA-4000PTT und mit dem Eingang (44) für das PA-4300PTT parallelgeschalt ist.
- Ist ein Kommandomikrofon PA-1120RC angeschlossen, darf der Eingang CH 2 nicht benutzt werden, weil dieser mit dem Eingang für das PA-1120RC (über das zugehörige Anschlussmodul) parallelgeschaltet ist.
6.3 Tischmikrofon PA-4000PTT oder PA-4300PTT
Die als separates Zubehor lieferbaren Tischmikrofone PA-4000PTT (Abb. 3) und PA-4300PTT (Abb. 4) sind speziell für diesen Veränderker konzipiert.
1) Das Mikrofon PA-4000PTT über seine RJ-45-Buchse PTT REMOTE (49) mit der Buchse PA-4000PTT (43) am Verträger verbinden oder das Mikrofon PA-4300PTT über seine Buchse OUTPUT (55) mit der Buchse PA-4300PTT (44) des Verträgers.
2) Von dem Modell PA-4300PTT lassen sich noch zwei weitere Mikrofone anschließen: Die Buchse LINK (56) des ersten Mikrofons mit der Buchse OUTPUT (55) des zweiten Mikrofons verbinden. Das dritte Mikrofon genauso an das zweite Mikrofon anschließen.
3) Die Taste PHANTOM POWER (40) des Eingangs CH 1 drücken und den dazugehöigen Regler GAIN (41) ganz nach rechts in die Position -50^ drehen.
Hinweise:
- Der Eingang CH 1 dar jetzt nicht für andere Eingangsgensignale benutzt werden, weil dieser mit den Buchsen für die Tischmikrofone parallelegeschaltet ist.
- Die Gesamtlänge des Mikrofonkabels darf maximal 1000m betragen.
6.4 Kommandomikrofon PA-1120RC
Das als separates Zubehör lieferbare Kommandomikrofon PA-1120RC (Abb. 5) ist speziell für diesen Verstärker konzipiert. Es konnen bis zu drei Kommandomikrofone angeschlossen werden. Zum Betrieb muss zuerst das dem Mikrofon beiliegende Anschlussmodul in den Verstärker eingesetzt werden. Diesesarf nur durch eine qualificierte Fachkraft erfolgen!
Hinweis: Bei Verwendung des Kommandomikrofons dar der Eingang CH 2 nicht für andere Eingangssignale benutzt werden, weil dieser mit dem Eingang für das Kommandomikrofon parallelgeschaltet ist.
6.4.1 Einbau des Anschlussmoduls
1) Den Netzstecker aus der Steckdoseziehen. Falls eine Notstromeinheit angeschlossen ist, diese von den Anschlüssen 24V = (30) trennen, damit der Verstärker auf jeder Fall außer Betrieb ist. Den Gehäusedeckel des Verstärkers sowie die Blende (46) auf der Verstärkerrück-seite abschrauben.
2) Die 3-polige Leitung AS 903 c des Anschlussmodus in die Buchse CN 903 c des Veränderkers stecken - siehe Lageplan Seite 48.
3) Das Modul in die durch die Blende (46) frei-gegebenen Aussparungen einsetzen und festschrauben.
4) Die im Veränderter frei liegende, zweipolige Leitung A mit einer schwarzen und roten Ader vom Anschluss AS801 in die Buchse CN 801 A des Moduls stecken.
5) Die abgeschirmte Leitung AS802 8 des Moduls in die Buchse AN 802 8 des Veränderkers stecken.
6) Die 6-polige Leitung AS204 D des Modulus in die Buchse CN 901 D des Verständerkers stecken.
7) Ist kein Digital-Message-Einschub PA-1120DMT eingebaut, die lose 10-polige Leitung AS4-1
des Moduls mit Kabelbindern im Veränder befestigen.
Die Punkte 8) bis 10) nur bei eingebautem Digital-Message-Einschub PA-1120DMT durchführten:
8) Die 10-polige Leitung AS 4-1 des Modulus in die Buchse CN 4-1 des Einschubs stecken.
9) Mit der Brücke MS 802 des Anschlussmodulus festlegen, ob die Durchsage im Speicher M 6 des PA-1120DMT über das Kommandomikrofon abgerufen werden kann (Position ON) oder nicht (Position OFF, Werkseinstellung). Der Speicher M 6 kann z. B. für eine Alarm-durchsage genutzt werden, die nur über die KlemmenMESSAGE FIRST PRIORITY (33) aktiviert werden soll.
10)Im Verträger die Brücke MS 2 in die Position PRI setzen. Dadurch wird eine Durchsage vom Einsatz nicht durch ein Signal des Kommandomikrofons in der Lautstärke abgesenkt.
6.4.2 Mikrofonanschluss und Grundeinstellung
1) Die Buchse OUTPUT (62) des Mikrofons mit der Buchse INPUT des Anschlussmodulus verbinden. Ein kurzes Anschlusskabel liegt dem Mikrofon bei. Die Kabellänge zwischen Verträger und Mikrofon damit max. 1000 m detragen.
Ein 2. Mikrofon kann über seine Buchse OUTPUT an die Buchse LINK des Moduls oder an die Buchse LINK (61) des 1. Mikrofons angeschlossen werden. Zum Anschluss eines 3. Mikrofons dessen Buchse OUTPUT mit der Buchse LINK des 2. Mikrofons verbinden. Maximal konnen drei Mikrofone angeschlossen werden. Die Kabellänge zwischen zwei Mikrofonen darf 100m nicht überschreiben.
2) Beim Einsatz mehrerer Mikrofone des Typs PA-1120RC an dem Mikrofon bzw. an den Mikrofonen, die Vorrang vor den übrigen erhalten sollen, den Schalter TALK (60) in die Position PRIORITY schiben. Bei den übrigen Mikrofonen den Schalter in die Position SLAVE schiben. Dadurch kann eine Durchsage von einem Mikrofon ohne Vorrang durch ein Mikrofon mit Vorrang unterbrochen werden.
3) Um für das Kommandomikrofon bzw. für die Kommandomikrofone 2. Priorität zu erhalten, die Taste am Anschlussmodul drücken (Position PRIORITY). Bei nicht gedrückter Taste (Position SLAVE) ist 4. Priorität eingestellt.
4) Wird der Digital-Message-Einschub PA-1120DMT verwendet, mit dem Schalter DIGITALMESSAGE (59) wahren, ob über das Kommandomikrofon gespeicherte Durchsagen abgerufen werden konnen (Schalterposition ON) oder gespert sind (Position OFF).
5) Wenn die Eingänge am Veränder nicht ausreichen, kann über die Buchsen AUX IN (63) ein Line-Signal eingespeist werden (z. B. Hintergrundmusik von einem CD-Spieler). Den Ausgangspiegel für das Mikrofonsignal und das Signal von den Buchsen AUX IN mit dem Regler AUDIO OUT (64) einstehen.
6.5 Geräte mit Line-Pegel / Tonaufnahmegerät
Bis zu fünf Geräte mit Line-Pegel (z. B. CD-Spieler, Kassettenrecorder) lassen sich an die Eingänge CH 1 bis CH 3 (39) sowie CH 4 und CH 5 (38) anschließen. Ausnahmen: CH 1 nicht benutzen beim Betrieb des Tischmikrofons PA-4000PTT oder PA-4300PTT und CH 2 nicht benutzen beim Betrieb des Kommandomikrofons PA-1120RC!
Für Hintergrundmusik sollen den Eingänge CH 4 und CH 5 verwendet werden, weil diese niedrigste Priorität haben.
1) Beim Anschluss der Eingänge CH 1 bis CH 3 den dazugehörigen Regler GAIN (41) ganz nach links in die Position -10 drehen. Die entsprechende Taste PHANTOM POWER (40) nicht drucken.
Beim Anschluss eines Stereo-Gerätes an einen der Eingänge CH 1 bis CH 3 einen Stereo-Mono-Adapter (z. B. SMC-1 von MONACOR) und ein Adapterkabel (z. B. MCA-300 von MONACOR) verwenden, sonst loschen sich die Signale der Stereomitte gegenseitig aus.
2) Soll von den Eingängen CH 1 bis CH 3 einer Vorrang vor den anderen beiden erhalten, den entsprechenden DIP-Schalter MIC PRIORITY (45) in die Position ON stellen. Die Eingänge CH 1 bis CH 3 haben immer Vorrang vor den Eingängen CH 4 und CH 5 (siehe auch Kapitel 7).
3) Ein Tonaufnahmegerät kann an die Buchsen REC (37) angeschlossen werden. Die Aufnahmelautstarke ist vom Regler MASTER (21) und den Zonenabschwächern (5) unabhängig.
6.6 Equalizer oder andes Geräte einschleifen
Zur externen Klangbeeinflussung lasst sich z. B. ein Equalizer über die Buchsen AMP IN (35) und PRE OUT (36) einschleifen: Den Eingang des Gerätes an die Buchse PRE OUT anschließen und den Ausgang an die Buchse AMP IN.
Hinweis: Im Veränder entstehen eine Signalunterbrechung, wenn nur die Buchse AMP IN angeschlossen ist oder das eingeschiedefte Gerät nicht eingeschaltet, defect oder nicht richtig angeschlossen ist. Die Laufsprecher bleiben dann stumm.
6.7 Zusätzlicher Verständner
Werden mehr Lautsprecher besteht, als für den Verstärker zulässig sind, ist ein weiterer Verstärker erforderlich. Den Eingang des zusätzlichen Verstärkers mit der Buchse PRE OUT (36) oder REC (37) verbinden. Das Signal für den Zusammenhang wird nicht durch den Regler MASTER (21) und durch die Zonenlautstärkeschalter (5) beeinflusst.
6.8 Telefon- oder Nachtklingel
Eine Telefon- oder Nachtklingel kann bei Bedarf über die ELA-Anlage ertönen (z. B. während eines nachtlichen Kontrollrundgangs).
1) Das Signal fur die Klingel (z. B. 8 V/50 Hz) auf die Klemmen NIGHT RINGER (29) geben.
2) Die Taste TEL (14) drucken.
3) Die Klingel auslösen und mit dem Regler RINGER (16) die Lautstärke des vom Veränderer erzeugten Rufzeichens einstellen.
4) Die Rufffungknt mit der Taste TEL je nach Bedarf ein- oder ausschalten.
Hinweis: Die Klingel hat niedrigste Priorität.
6.9 Pflichtempfangsrelais
Sind zwischen dem Verträger und den Lautspruchern ELA-Lautstärkeeinstell mit Pflichtempfangsrelais (z. B. Serie ATT-3..PEU oder ATT-5..PEU von MONACOR) geschaltet, können wichtige Durch sagen auch bei eingestellter Lautstärke "Null" gehört werden.
1) Dazu ein Tischmikrofon PA-4000PTT oder PA-4300PTT anschlieBen (siehe Kap. b.3).
2) Die Pflichtempfangsrelais nach der Abb. 6 an die Schraubklemmen PRIORITY RELAY OUTPUT (42) anschließen. Der Ausgang ist mit 200mA belastbar.
3) Am Mikrofon den Schalter PRIORITY (48, 53) in die Position ON (nach unten) stellen.
4) Beim Betätigungen der Sprechtaste TALK (51, 58) werden jetzt durch die Relais die Lautspricher auf maximale Lautstärke geschählt.

⑥ Pflichtempfangsrelais
6.10 Schalter fur (automatische) Durchsagen in allen Zonen
Zur Fernsteuerung der folgenden Funktionen einen Schalter an die KlemmenMESSAGE FIRST PRIORITY (33) anschließen:
- Alle Beschallungszonen werden eingescheltet und auf maximale Lautstärke gestellt [wie Taste ALL CALL (6)].
- Bei Verwendung des Digital-Message-Einschubs PA-1120DMT wird automatisch die Durchsage des Speichers M 6 abgerufen. Dazu die Brücke MS 2 vor dem Einbau des Einschubs in die Position PRI stellen (siehe Lageplan auf Seite 48). Dadurch erhalten die Durchsage des Speichers M 6 erste Priorität. Anstelle des Schalters kann auch ein Alarmmeldekontakt angeschlossen werden, z. B. für eine automatische Feueralarmdurchsage.
- Soll durch den Schalter bzw. durch den Alarmmeldekontakt der Veränderer auch gleichzeitig eingeschaltet werden, eine Diode vom Typ 1N4004 nach Abb. 7 zwischen die obere KlemmeMESSAGE FIRST PRIORITY und die rechte Klemme POWER REMOTE schalten.

⑦ Automatisches Einschalten des Verstärkers und Aktivieren der Durchsage M6
6.11 Telefonzentrale
Von einer Telefonzentraleleen sich Durchsagen uber die ELA-Anlage wiedergeben.
1) Das Telefonsignal (Line-Pegel) auf die Klemmen PAGING IN (32) geben.
2) Wahrend einer Durchsage mit dem Regler PAGING (15) die Lautstärke einstellen.
Hinweis: Telefondurchsagen haben 3. Priorität
6.12 Ferngesteuertes Ein- und Ausschalten
Der Verträgerlässt sich über einen separates Schalter ferngesteuert ein- und ausschalten.
1) Die Schraubanschlüsse POWER REMOTE (31) über eine zweipolige Leitung mit einem einpoligen Ein-/Ausschalter verbinden.
2) Zum ferngesteuerten Ein- und Ausschalten darf der Hauptschalter POWER (24) nicht gedruckt sein.
6.13 Strom- und Notstromversorgung
1) Soll der Veränder bei einem Netzausfall weiterarbeiten, an die Klemmen 24 V- (30) eine 24-V-Notstromeinheit (z. B. PA-24ESP von MONACOR) anschließen. Bei einer Kabellänge von bis zu 7 m ist ein Kabelquerschnitt von mindestens 4mm^2 erforderlich.
2) Zum Schluss das beiliegende Netzkabel zu- erst in die Netzbuchse (27) und dann in eine Steckdose (230V / 50Hz) stecken.
Hinweis: Auch wenn der Veränderer ausgeschalteit ist, verbraucht er einen geringen Strom. Darum den Netzstecker aus der Steckdoseziehen und ggf. die Notstromeinheit abklemmen, wenn der Veränderer langere Zeit nicht betrieben wird.
7 Priorität der Eingangssignale festlegen
Allen Eingangssignalen ist eine Priorität zugewiesen. Ein Signal mit einer höheren Priorität überdeckt immer ein Signal mit niedriger Priorität, wenn beiden Signale gleichzeitig am Veränderk anliegen. (Die Signale mit gleicher Priorität werden gemisch.) Die folgende Tabelle gibt eine Übersicht und zeigt Änderungsmöglichkeiten.
| Priorität | Signal Bedingung Änderung | |
| 1 | Durchsage M 6 vom Digital-Mes-sage-Einschub PA-1120DMT | Brücke MS 2 auf PRI |
| Schalter an (33) geschlos-SEN | ||
| 2 | Tischmikrofon PA-4000PTT PA-4300PTT | DIP-Schalter PRIORITY (48, 53) auf ON |
| Kommandomikrofon PA-6000RC | Schalter am Anschluss-modul auf PRIORITY | |
| Gong — — | ||
| 3 | Telefonzentrale an Klemme (32) | — |
| 4 | Eingänge CH 1, CH 2 und CH 3 | DIP-Schal-ter(45) auf OFF1 |
| Sirene — — | ||
| 5 | Ergänzungs-einschübe | Brücke MS 2 auf SLAVE1 |
| Eingänge 4 und 5 — | ||
| Telefon- oder Nachtklingel | — |
- Werkseinstellung
- Das Tischmikrofon PA-4000PTT/PA-4300PTT beegt den Eingang CH 1 und das Kommandomikrofon PA-1120RC den Eingang CH 2. Über den zugehörgen DIP-Schafter MIC PRIORITY (45) konnen die Mikrofone auch auf 3. Priorität gestellt werden.
8 Bedienung
Ist der Veränder ausgeschelt und liegt die Netz- oder die Notversorgungsspannung an, leuchtet die Anzeige STAND BY (25).
1) Vor dem ersten Einschalten zunachst alle f芮 Eingangsregler LEVEL (8 und 10) sowie den Regler MASTER (21) in die Position "0" stellen.
2) Mit dem Schalter POWER (24) den Verständen einschalten. Die Anzeige STAND BY erlischt und die Anzeige AC (23) leuchtet. Bei einem Netzausfall und anliegender Notstromversorgung leuchtet die Anzeige DC anstelle der Anzeige AC.
8.1 Lautstärke einstellen
1) Zuerst die maximal gewünschte Lautstärke für Durchsagen oberster Priorität einstellen. Dazu vorerst die Taste ALL CALL (6) drücken. Je nach Ausstattung die Durchsage durchführten:
a) Bei vorhandenem Digital-Message-Einschub über einen Schalter an den KlemmenMESSAGE FIRST PRIORITY (33) die Durchsage aus dem Speicher M 6 abrufen. Den Pegelregler LEVEL am Einsatz ungebahr in die Position 7 stellen.
b) Bei vorhandenem Tischmikrofon PA-4000PTT oder PA-4300PTT den zugehöriger Regler LEVEL (8) des Eingangs CH 1 ungebärn in die Position 7 stellen und eine Ansage durchgeben.
c) Bei vorhandenem Kommandomikrofon PA-1120RC den zugehörigen Regler LEVEL (8) des Eingangs CH 2 ungebär in die Position 7 stellen und eine Ansage durchgeben.
d) Bei Verwendung eines anderen Mikrofons den dazugehörigen Regler LEVEL (8) ungefahr in die Position 7 stellen und eine Ansage durchgeben.
2) Wahrend der Durchsage mit dem Regler MASTER (21) die Lautstärke einstellen. Bei Übersteuerung leuchtet in der Pegelanzeige (7) die rote LED CLIP. Dann die Lautstärke mit dem Regler MASTER reduzieren.
3) Um die Lautstärke für normale Durchsagen einzustellen, die Taste ALL CALL wieder ausrasten. Dafür alle Tasten (4) der einzelnen Beschallungszonen drücken.
4) Eine Ansage wie unter Punkt 1) b oder d beschreiben durchgeben.
Hinweise:
Am PA-4000PTT/PA-4300PTT den Schalter PRIORITY (48,53) in die abere Position stellen. Die Ansage nicht uber ein PA-1120RC durchgeben, weil dessen Laufsstärke unabhängig von den Zonenlaufstärkeschaltern (5) ist.
5) Den Regler MASTER (21) nicht verändern, sondern während der Durchsage mit den entsprechenden Zonenabschwächern (5) für jeder Zone getrennt die gewünschte Lautstärke einstehen.
6) AnschlieBend fur die Signale der übrigen Ein-gange (z. B. Hintergrundmusik) die Lautstärke mit dem dazugehorigen Regler LEVEL (8 oder 10) einstellen.
7) Für jedem verwendeten Eingang den Klang mit den entsprechenden Reglern BASS und TREBLE (9 und 11) einstehen. Den Klang für ein Einschubmodul im Schacht (1) mit den Reglern PACK (2 und 3) einstehen.
8) Eventuell kann es erforderlich sein, die Lautstärke der Eingangssignale mit den entspruchenden Reglern (8 bzw. 10) noch einmal nachzuregeln.
9) Nicht verwendete Eingänge mit den entspruchenden Reglern auf „0" stellen.
Hinweis: Bei den Eingängen CH 1 bis CH 3 lassst sich die Eingangsempfindlichkeit mit den Reglern GAIN (41) einstehen. Muss ein Pegelregler (8) sehrweit auf-oder fast zugedreht werden, um das gewünschte Lautstärkeverhältnis zu den anderen Eingängen zu halten, die Eingangsempfindlichkeit mit dem zugehörigen Regler GAIN verändern.
8.2 Beschallungszonen aktivieren
1) Mit den Tasten Z 1 - Z 5 (4) die Zonen einschalten, die beschalt werden sollen. Zur Kontrolle leucht den grünen LEDs der aktivierten Zonen.
2) Für Durchsagen an alle Zonen die Taste ALL CALL (6) drücken. Gleichzeitig wird die Lautstarke der Zonen auf Maximum angehoben [entspricht dem Einstellen aller Zonenabschwacher (5) in die Position 6].
8.3 Gong
Durch Betätigung der Sprechtaste TALK (51, 58, 67) am Mikrofon PA-4000PTT, PA-4300PTT bzw. PA-1120RC ertont vor einer Durchsage der Gong. Bei Verwendung anderer Mikrofone lasst sich der Gong auch mit der Taste CHIME (12) auslösen. Die Gonglautstärke mit dem Regler LEVEL (13) einstehen.
Mit der Steckbrücke MS 1 kann zwischen einem 2-Ton- und 4-Ton-Gong umgeschaltet werden, siehe Kapitel 5.
8.4 Alarmsirene
Bei einem Alarm lassst sich im Bedienfeld SIREN eine der beiden Sirenen einschalten:
Taste (17) für einen an- und abschwellenden Ton
Taste ^ (19) fur einen gleichmabigen Dauerton Die Lautstärke des Alarmtons mit dem Regler LEVEL (18) einstellen.
8.5 Tischmikrofon PA-4000PTT oder PA-4300PTT
1) Ist das Mikrofon PA-4000PTT oder PA-4300PTT angeschlossen, ist damit der Eingang CH 1 belegt. Weil das Mikrofon zum Betrieb eine Phantomspannung benötigt, die Taste PHANTOM POWER (40) des Eingangs CH 1 drücken.
2) Soll beim Betätigten der Sprechtaste TALK (51, 58) vor einer Durchsage der Gong erten, den Schalter CHIME (47, 52) auf der Rückseite des Mikrofons in die Position ON (nach unten) stellen.
3) Den Schalter PRIORITY (48, 53) in die Position ON stellen, wenn:
-
das Mikrofon 2. Prioritat erhalten soll
-
beim Drücken der Sprechtaste TALK alle Beschallungszonen eingeschaltet und auf maximale Lautstärke gestellt werden sollen [wie mit Taste ALL CALL (6)]
-
die Pflichtempfangsrelais schalten sollen (siehe Kap. 6.9)
4) Für eine Durchsage die Sprechtaste TALK (51, 58) gedrückt halten und ggf. den Gong abwarten. Die grüne Kontrollanzeige leuchtet bei gedrückter Sprechtaste.
5) Sind zwei oder drei Mikrofone PA-4300PTT angeschlossen, kann für die Mikrofone eine unterscheidliche Priorität mit dem Schalter MASTER/SLAVE (54) festgelegt werden:
SLAVE andere auf MASTER geschaltete Mikrofone haben Vorrang
MASTER das Mikrofon hat Vorrang vor Mikrof- onen, die auf SLAVE geschaltet sind Die rote Anzeige BUSY uber der Taste TALK leuchtet, wenn von einem anderen PA4300PTT gesprochen wird, dessen Schalter MASTER/SLAVE in der Position MASTER steht.
8.6 Kommandomikrofon PA-1120RC
1) Zuerst die Beschallungszonen, in denen die Durchsage zu horen sein soll, mit den Tasten SPEAKER ZONES SELECTOR (69) einschalten, sonst ist keine Durchsage möglich. Zum Aktivieren aller Zonen die Taste ALL CALL (70) drücken.
2) Zur Durchsage die Sprechtaste TALK (67) gedrückt halten. Der Verstärke aktiviert die Beschallungszonen entsprechend der Vorwahl unter Punkt 1) unabhängig von den Einstellungen am Verstärke und erhöht die Lautstärke in den Zonen auf Maximum [entspricht dem Einstellen aller Zonenlautstärkeschalter (5) in
die Position 6]. Nach dem Gong die Ansage durchgeben.
3) Bei Einsatz des Digital-Message-Einschubs PA1120DMT latent sich eine gespeicherte Durchsage auch über das Kommandomikrofon abrufen, wenn der Schalter DIGITALMESSAGE (59) in der Position ON steht:
a) Mit dem WahlschalterMESSAGE BANK (68) die gespeicherte Durchsage auswahlen.
b) Mit der Taste START/ STOP (72) die Durchsage starten. Zum Abbrechen der Durchsage die Taste START/ STOP erneut drucken.
c) Mit der Taste REPEAT/ STOP (71) kann eine Durchsage auch mehrere Male durchgegeben werden. Die Anzahl der Wiederholangen und die Zwischenpausen sind am Einschub einzustellen (siehe dessen Bedienungsanleitung). Zum Abbrechen der Durchsage die Taste REPEAT/ STOP erneut betätigten.
Hinweise:
- Die Durchsage des Speichers M 6 kann gespeit sein (siehe Kap. 6.4.1, Punkt 9). Steht in thisen Fall der SchalterMESSAGE BANK in der Position 6, wird dann die zuvor angewählte Durchsage wiederergegeben.
- Ist am Verstärker mindestens eine Zonentaste (4) gestrückt, ist nach dem Lösen der Spechtaste TALK die mit dem SchalterMESSAGE BANK gewähte Durchsage zu horen. Um diese zu verhinderen, einen Speicherplatz des Digital-Message-Einschubs freilassen oder loschen und diesen Speicherplatz mit dem SchalterMESSAGE BANK anwahlen.
4) Die drei Anzeigen POWER, SEND und BUSY (66) geben folgende Informationen:
POWER leuchtet, wenn der Veränderer eingeschaltet ist
SEND leuchtet, wenn eine Ansage über das Mikrofon durchgegeben oder eine gespeicherte Durchsage abgerufen wird
BUSY leuchtet bei eigenen Durchsagen und bei Durchsagen über andere ange-schlossene Mikrofone PA-1120RC
9 Schutzschaltung
Der Veränder ist mit einer Schutzschaltung gegen Überlastung und Überhitzung ausgestellt. Bei aktivierter Schutzschaltung leucht die Anzeige PROT (22) und der Veränder ist stummgeschaltt:
- ca. 1 Sekunde lang nach dem Einsatz (Einschaltverzögerung)
- ca. 1 Sekunde lang nach dem Ausschalten
- wenn der Veränderer überlastet ist
- wenn der Veränder überhützt ist; zusätzlich leuchtet die Anzeige TEMP (20)
Leuchtet die Anzeige PROT während des Betriebs auf oder erlischt sie nicht nach dem Einsatzen, den Verträker ausschalten und die Fehlerursache beheben.
10 Technische Daten
| Model | PA-1120 | PA-1240 |
| Ausgangsleistung | ||
| Nennleistung100-V-Ausgänge* | 5 × 100 W, jedoch zusammen nicht mehr als 120 W | 5 × 100 W, jedoch zusammen nicht mehr als 240 W |
| 4-Ω-Ausgang* | 1 × 120 W | 1 × 240 W |
| max. Ausgangsleistung | 170W | 340W |
| Klirrfaktor | < 1 % | < 1 % |
| Eingänge | Eingangsempfindlichkeit, Impedanz; Anschluss | |
| MIC/LINE CH1-CH3 | 2,5-300 mV, 5kΩ; XLR/6,3-mm-Klinke, sym. | |
| LINE CH 4 und CH 5 | 300 mV, 15kΩ; Cinch, asymmetrisch | |
| AMP IN | 775 mV, 10kΩ; 6,3-mm-Klinke, asym. | |
| TEL PAGING | 250 mV, 5kΩ; Schraubanschluss, sym. | |
| Erweiterungseinschub | 250 mV, 10kΩ, asym. | |
| Phantomspeisung | 17V für CH1-3, einzeln schaltbar | |
| Ausgänge | ||
| Loutsprecher* | 5 × 100V, 1 × 4Ω | |
| REC | 775 mV an 3kΩ, asym. | |
| PRE OUT | 775 mV an 100Ω, asym. | |
| Frequenzbereich | 55-16000 Hz, -3 dB | |
| Klangregelung | ||
| Tiefen | ±10dB/100Hz | |
| Höhen | ±10dB/10kHz | |
| Signal/Rauschabstand | ||
| Line | >80 dB (A-bewertet) | |
| Mic | >70 dB (A-bewertet) | |
| Einsatztemperatur | 0-40°C | |
| Stromversorgung | ||
| Netzspannung | 230V/50Hz | 230V/50Hz |
| Leistungsaufnahme | 340VA | 630VA |
| Notstromversorgung: | = 24V | = 24V |
| Gleichstromaufnahme | 15 A | 27 A |
| Abmessungen (B × H × T) | 482 × 133 × 352 mm | 482 × 133 × 352 mm |
| Höheneinheiten | 3 HE | 3 HE |
| Gewicht | 13kg | 14kg |
*Entweder die 100-V-Ausgänge verwenden oder den 4-Ω-Ausgang!
Änderungen vorbehalten.
10 Technische gegevens

Lage- und Anschlussplan Layout and connection plan

EinfachAnleitung